文档资料报送登记表
- 格式:doc
- 大小:49.00 KB
- 文档页数:1
文档档案管理制度一、文档是单位的重要资料,加强文档的管理,是保障和促进各项生产经营活动的有序开展,实现文档管理的程序化、规范化,为使文档管理达到高效、安全的目的,特制定本制度。
二、文档管理应指定专人负责(专职文秘),文件管理员必须作好文卷归档,存放保管和遵守单位有关文件使用的管理规定。
三、文件管理员应按以下程序工作1、文件收集:坚持随时对收集的文件进行归档,保证文件资料的完整,对已办理完毕的文件应及时收回存档;对会议文件要及时整理,单位对外发文件报送材料要留好底稿和正本。
2、文件保管收集时应按文件收发的单位、性质分类,再根据时间先后排列存档备查。
3、文件收发文件收文应填写收文的表格,注明文件名称、发文单位、发文时间、收文时间、收文人签名。
文件发文应填写发文的表格,注明发文名称、发文时间、发文人签名、收文人签名。
四、文件存放和销毁1、文件应有一个安全的存放之外,最好配备专门的文件柜。
2、文件的存放和提取应由专职人员负责。
3、专职人员应做好防火、防潮、防虫、防尘、防损等方面工作。
4、文件装订存档(每年一次):将文件分类后按时间和来文单位顺序排列,编上页码,做好文件目录后装订,和收发文登记表格放在一起,以便查找。
5、文件销毁:单位年终进行文件销毁工作,对无归档存放价值的文件、材料,上级指定需要销毁的文件,其他无存档价值的文书。
对需要销毁的文件应统一填写销文登记表,由站长签字同意后方可销毁,销毁文件时由分管站长在场监销。
五、文件借阅1、本单位人员借阅文件,文件管理员应制定表格,注意借阅人姓名,注明归还时间,借阅人签名。
交待纪律,保证文件不丢失,不得转借他人,爱护文件注意清洁,在规定时间内归还。
2、外单位人员借阅文件,须持有介绍信,经站长同意后方可借阅。
3、文件管理员应遵守文件保密规定,不能借阅的文件严禁借阅。
六、处理对违反本制度的行为,按照车站《职工奖惩实施细则》处理。
文档档案管理制度(2)是一项组织的制度和规范,用于管理和维护组织内部的文档和档案。
办公室文件管理制度办公室文件管理制度在当今社会生活中,很多场合都离不了制度,制度是要求大家共同遵守的办事规程或行动准则。
那么你真正懂得怎么制定制度吗?以下是小编整理的办公室文件管理制度,仅供参考,欢迎大家阅读。
办公室文件管理制度1第一条管理要点1、为使文件管理工作制度化、规范化、科学化,提高办文速度和发文质量,充分发挥文件在各项工作中的指导作用。
2、文件管理的范围包括:上级下发文件、公司各类制度文件、外部传真文件、政策指导类文件、各类合同文件等。
3、制度类文件按照公司文档统一格式进行编写,统一页眉、页脚,写明公司全称及文件性质;正文部分写明题目、时间、发文部门、内容等信息;措辞规范,表达无歧义。
4、根据文件属性、类别,对所有文件进行编号,根据编号定期归档,做好相应的文字记录,以备查阅。
第二条制度规范1、文件的起草、收发、打印、归档整理、借阅销毁等由办公室人员负责执行。
2、公司上报下发正式文件的权利主要集中在行政人事部,各部门一律不得自行向上、向下发送正式文件。
3、公司对内公开文件由行政人事部负责起草和审核,总经理签发;各部门需要向下或对外发文的文件由各部门负责起草,行政人事部负责审核,审核无误后行政办公室打印,打印后送回起草部门校对,校对无误方可正式打印,由总经理盖章,签发。
4、凡寄至公司的文件、传真等,由办公室签收并做好相应记录。
5、机密文件由行政人事部主管保管,办公室人员对一般性文件进行分类管理,定期整理并制作相关报表提交给部门主管。
6、各部门因工作需要可借阅一般性文件,需严格履行借阅手续,对有密级程度的.文件,需行政人事主管审批,总经理批准后方可借阅。
7、办公室管理人员对文件借阅情况进行登记,做好借阅记录并限期清退。
8、按时间、内容、部门、名称等内容分门别类进行整理,附件、批件、定稿等资料收集完全,存档备案。
半年一小清,年终一大清。
9、根据存档时间及存档的必要性对文件进行销毁,需上报行政人事主管签字批准,按照文件管理制度进行处理。
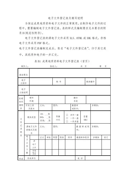
电子文件登记表及填写说明为保证成果地质资料电子文件的正常使用,在制作电子文件的过程中,需要编制电子文件登记表。
表的样式及编制要求见本要求的附录B(规范性附录)。
电子文件登记表的源电子文件采用XLS、HTML或XML格式,存档电子文件采用PDF格式。
电子文件登记表编制完成后,取名“电子文件登记表”,归于其它类中,其纸质和电子的一并汇交。
表B1 成果地质资料电子文件登记表(首页)制作人:验收人:共页第页附录B(规范性附录)表B2 成果地质资料电子文件登记表(续页)制作人:验收人:共页第页填写说明一、表B1(一)“电子文档说明”用于对该份电子文档进行必要的说明,说明的内容主要有:该电子文档制作、使用时的各种注意事项和必要的参数(如坐标系、比例尺、投影方式、投影参数、字段名与字段名含义等)、加密电子文件的密钥、数据库或软件的用户名与密码以及其它一些与电子文档有关的必要说明等。
(二)在“硬件环境”、“操作系统”和“开发工具及版本”栏目中,需要详细填写所用到的全部硬件系统、操作系统和字处理、制表、制图、数据库、系统开发以及多媒体制作等工具软件的名称和版本号。
如果“开发工具及版本”与“文件格式及版本”相同,则可任选一处填写其内容,并在备注中说明;若不相同,则两处均要填写。
二、表B2(一)对于附图类电子文件,要求同时填写源电子文件名和归档电子文件名,其它类别的电子文件名则只需填写源电子文件名。
(二)文件分册号用于标识电子文件所在的分册,从“1”起连续取值。
(三)每一个电子文件均要按照类别、册序及在该册中的顺序依次填写电子文件名和与其对应的文件题名以及字节数等内容。
文件题名即为该电子文件所载内容的题名,如正文就是报告题名,附图就是其图名,附表就是其表名,等等(示例见附录A)。
在编制文件题名时要遵循以下规则:1、应使用规范化的语句精确地描述出文件的主题内容,做到规范、完整、简洁、明了;2、审批类电子文件以各审批文件的审批文号、审批形式作为文件题名;无审批文号的,以审批机构简称和审批形式作为文件题名;3、附图类存档电子文件以“图号-顺序号、图名(区调报告为图幅名和图幅号)、比例尺”作为文件题名,比例尺符号用半角字符“/”表示,小于或等于1比100的比例尺,用中文“百”、“千”、“万”表示数字单位;附图类源电子文件的文件题名可以省略不填。
整理人 尼克
文件收发记录
文件资料发放/下发登记表机构发放人员:
发放时间:
档案材料移交(接收)登记表今有向档案室移交留档材料,共计件,详细目录见清单。
移交单位(公章):接收单位(公章):
移交人:接收人:
移交(接收时间):年月日▲注:本清单一式两份,与档案室各存一份。
附件3:
商丘中电环保发电有限公司岗位职责与任职资格(集团
公司系统内)
整理丨尼克
本文档信息来自于网络,如您发现内容不准确或不完善,欢迎您联系我修正;如您发现内容涉嫌侵权,请与我们联系,我们将按照相关法律规定及时处理。
涉密载体管理制度根据工作变化,为了进一步加强公司秘密载体保密管理,确保国家秘密安全,根据国家有关保密法规,遵循严格管理、严密防范、确保安全、方便工作的原则,制定本管理制度。
一、适用范围1.1适用于以文字、数据、符号、图形、图像、声音等方式记载、存储国家秘密信息的纸介质、磁介质、光盘等涉密载体。
1.2适用于涉密载体的制作、收发、传递、使用、复制、保存、维修和销毁等过程的保密管理。
二、职责2.1办公室负责涉密载体的制作、复制与管理。
2.2保密办公室负责涉密载体的监督检查。
2.3党务工作部负责涉密磁带、录音带、录像带的制作与管理。
2.4涉密部门负责外来涉密载体、公司发放涉密载体的保密管理。
三、涉密载体制作管理3.1涉密部门因工作需要制作涉密载体(含内部资料),应填写秘密载体定密审批表,经部门负责人、保密办公室和定密责任人同意后到办公室进行制作。
3.2办公室制作国家秘密载体,应记录载体制作数量和去向。
制作涉密载体应编排份号,并在台账上予以记录。
3.3涉密音像制品由摄制和编辑单位建立照相、录像登记表,对记录和存储涉及军工科研事项的音像资料进行管理。
四、涉密载体复制管理4.1涉密载体复制由办公室统一完成。
禁止到营业场所复印、制作含有涉密信息的载体。
各类涉密载体必须按照原稿确定的密级、保密期限进行标识,严格按知悉范围和批准的用途控制载体制作数量。
4.2因工作需要对涉密载体进行复制、扫描、存储和刻制光盘时,需办理审批手续。
涉密载体(含电子文档)的复制由业务部门申请经保密办公室审批后办公室负责复制。
个人一律不得私自制作、复制涉密文件资料。
涉密载体复制件的密级标识应与原件保持一致,纸介质载体须加盖“中信机电制造公司保密办公室复印专用章”印戳。
4.3因工作需要摄制武器装备科研、生产、试验现场背景和密品实物的声像制品,由单位专职人员按批准的范围和数量完成摄制、编辑和制作,还应进行密级分类,涉密音像制品应在图像播映首页和存储介质同时进行密级标识。
归档电子文件移交、接收检验登记表 TY-16-1工程说明TY-04说明:由工程施工、无损检测或监理单位分别填写。
填写工程主要内容以及开工时间、完工交接时间、重大设计变更、工程质量初评、以及无损检测、监理、工程交工技术文件编制情况等。
为加强工程资料的可追溯性,防止产生歧义,本次修订将交工技术表格中“工程编号”的含义明确如下:工程编号在开工前进行检验批划分的过程中确定(参见TY-33工程划分明细表),一般采用数字编码分级表示,它是交工技术表格内容所对应的单位工程、分部工程、分项工程、检验批编号,应填写表格内容所涵盖范围的同级编号,例如,隐蔽记录、安装记录中的工程编号应填写对应的检验批编号,工程说明中的工程编号应填写单位工程编号,主要设备及备品、备件交接清单可视交接范围填写分部或单位工程编号。
施工单位图纸会审记录TY-24施工日志TY-19施工组织设计(方案)报审表JL-A02技术交底记录TY-31工程质量保修承诺书为保证×××××××工程在合理使用年限内正常使用,×××××××建筑公司向工程业主××××××××有限公司,在工程质量保修期内作以下承诺:一、工程质量保修范围和内容:。
二、质量保修期:质量保修期从工程实际竣工之日算起。
分单项竣工验收的工程,按单项工程分别计算质量保修期。
保修期限如下:1、地基基础和主体结构工程,为设计文体规定的该工程的合理使用50年。
2、屋面防水工程,有防水要求的房间和外墙有防渗漏,为5年。
3、电气系统,给排水管道,设备安装为2年。
4、装修工程为2年。
5、仪表控制系统1年。
三、质量保修责任:1、属于保修范围和内容的项目,承包人应在接到修理通知之日后3天内派人修理。
文件资料归档管理规定根据企业发展规划,保障企业经营管理规范运营和商业机密、知识产权,避免出现原始资料和数据的缺失,促进企业经营资源的扩展利用,公司要求各部门加强实施文件资料和电子资料按时归档。
一、归档的文件资料包含:1)商务类商务投标文件,报价文书,招标(通知)文件,商务合同,以及客户往来文件资料、资质文件。
2)技术类a、技术标书文件,技术说明,技术图纸(含电子式),技术通知,技术要求,技术规范,以及技术文件资料审核审批单,技术联系及技术协议,技术合同;b、平台文件、软件资料、系统资料,及相关文件账号密码文件等单。
c、设备仪器和电器说明书及其相关资料,固定资产及用品类资料档案文件等。
3)采购供应类各类合同书,订货单,计划书,供应商资料,产品供应目录文件,质保证明,应付款计划书,器材价格分析表,器材分析资料。
仓库文件记录书,盘存状态分析表,各类入库,领料和出库单(凭证)。
4)车辆运维类车辆档案资料(包括行驶证,汽车登记证,完税证,车辆交强险和商业险保单),采购计划书,运维安排任务书,运维任务完成进度表,运维检查记录,各类车辆单据。
车辆保险,车辆保险年检记录表、车辆(交通、机械)事故记录表、车辆维修保养记录表、车辆违章处理记录表、车辆出险理赔记录表。
5)财务类a、各类合同,通知,财务文件;各类凭证,和按财务规范的报销发票。
公司各类考核表,文件。
以及按财政标准实施的档案。
固定资产目录表,低值易耗品目录表。
物料盘存汇总纪录表。
b、各类财务报表;财务上报文件。
c、各类审计报告文件;各类资质证书、营业执照、及公司相关公章类,章程、社保文件资料等。
6)行政管理类a、人事档案,应聘信息表,入职信息表及其证书文件,各类考核表,劳动人事关联信息资料;b、公司各类通知文件,各类外来通知文件,各类检查记录表;设备文件档案,基建资料,c、水电档案,管网通讯档案,办公设备用具资料;d、绩效考核评分表,行政日常点检表,文件发放记录表。
人员信息登记表1. 引言人员信息登记表是一种用于记录和管理组织或公司员工信息的工具。
通过登记表,可以方便地查阅员工的个人资料、联系方式以及其他重要信息。
本文档将介绍人员信息登记表的常见内容和格式,以便组织和公司能够更好地管理员工信息。
2. 登记表的目的和重要性人员信息登记表的目的在于集中管理和记录员工的个人和工作相关信息。
通过登记表,组织或公司可以轻松了解员工的人事情况,以便进行薪资发放、培训计划、绩效评估等工作。
同时,登记表也能帮助维持员工信息的准确性和及时性,提供数据支持给其他工作部门使用。
3. 登记表的内容(1) 员工基本信息- 姓名:员工的姓名;- 性别:员工的性别,男/女;- 出生日期:员工的出生日期,格式为年/月/日;- 身份证号码:员工的身份证号码,用于核对个人身份和社保缴费;- 民族:员工的民族背景,如汉族、满族等;- 籍贯:员工的籍贯,记录员工的出生地;- 现居住地址:员工当前的居住地址。
(2) 联系方式- 手机号码:员工的手机号码,用于紧急联系和通知;- 家庭电话:员工的家庭电话号码;- 电子邮箱:员工的电子邮箱地址;- 紧急联系人:紧急情况下员工应联系的人的姓名和电话号码。
(3) 教育背景- 学历:员工的最高学历;- 毕业学校:员工的毕业院校;- 所学专业:员工的主修专业;- 毕业时间:员工的毕业日期。
(4) 入职信息- 入职日期:员工的入职日期;- 部门:员工所属的部门名称;- 职位:员工担任的职位;- 雇佣类型:员工的雇佣类型,如全职、兼职等。
(5) 工作经历- 公司名称:员工曾任职的公司名称;- 职位:员工在该公司担任的职位;- 工作时间:员工在该公司的工作时间。
(6) 紧急联系人信息- 紧急联系人姓名:员工应联系的紧急联系人的姓名;- 紧急联系人电话:紧急联系人的电话号码;- 关系:员工与紧急联系人的关系。
4. 登记表的格式人员信息登记表可以使用Excel等电子表格软件编制,也可以使用纸质表格。
2024年调度中心文件、信息、资料管理制度范文一、文件、信息、资料的登记:接收上级的来电、文件、传真及各矿上传或报送的资料应立即登记,认真填写《文件信息接收报送登记表》。
二、文件、信息、资料的报送:1、每天白班收到上级来电、文件、传真等,应立即送局办公室。
2、每天白班收到各矿上传的文件、传真或其它资料,应于当天下班前送局办公室。
3、每天夜班收到上级下发的文件、传真,应立即把相关内容电话通知分管领导,按分管领导的指示及时或于第二天早8:____分之前报送到局办公室。
4、每天夜班收到各矿报送的文件、传真、资料等,应于第二天早8:____分之前报送到局办公室。
三、文件、资料的传达:1、以传真电文形式下传:电话通知各矿调度员接收传真,记录接收人姓名,填写《转发文件(传真)登记簿》。
2、复印文件(传真)形式下发:电话通知各矿来局调度中心取文件,记录接收通知人姓名,填写《发放文件(传真)登记簿》。
要求来取人员签字。
四、文件、资料的存档:将存档文件按要求填写文件索引目录,以电子文档形式保存,然后将文件分类保存至档案柜。
五、文件、资料的梳理、存档、报送职责:1、各类表格、记录的内容由当班相关人员填写。
2、每天接收各矿井(公司)向局上报的资料,由当班相关人员负责梳理、汇总、报送、存档。
2024年调度中心文件、信息、资料管理制度范文(二)____年调度中心文件、信息、资料管理制度第一章总则第一条为规范____年调度中心文件、信息、资料管理工作,提高文件、信息、资料管理效率和质量,保障调度中心日常运转的顺畅与安全,特制定本管理制度。
第二条本管理制度适用于____年调度中心所有文件、信息、资料的管理。
第二章文件管理第三条文件是指调度中心的各类纸质或电子载体上记录的文字、图形、图像、音频、视频等资料形式的载体,包括但不限于会议纪要、工作报告、通知公告、文件传阅等。
第四条文件管理应遵循以下原则:(一)自上而下、层层签发,确保文件的连续性和权威性;(二)安全保密,对涉密文件要严格控制和管理;(三)及时性,文件应按时签发并及时传达到各相关人员;(四)规范性,文件应按照规定的格式和流程进行管理;(五)有效性,文件要能够起到明确指导、约束和推动工作的作用。