格栅设计
- 格式:doc
- 大小:178.50 KB
- 文档页数:13
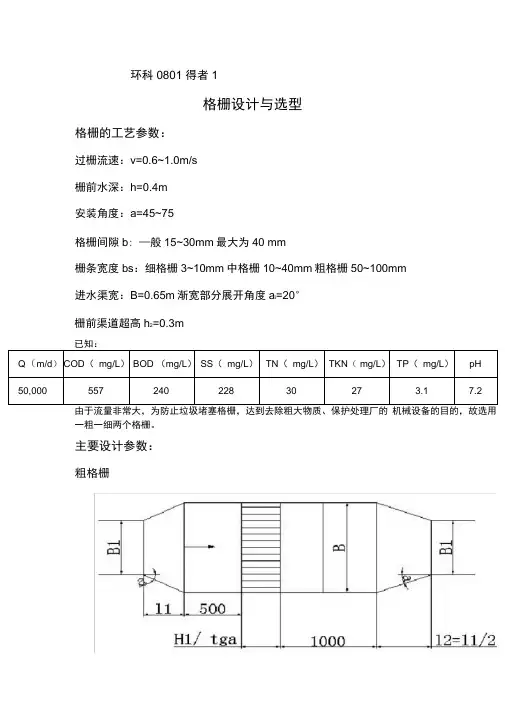
格栅设计与选型环科0801 陈得者 200806660101格栅设计与选型格栅的工艺参数:过栅流速:v=0.6~1.0m/s栅前水深:h=0.4m安装角度:a=45~75°格栅间隙b :一般15~30mm ,最大为40 mm栅条宽度bs :细格栅 3~10mm 中格栅 10~40mm 粗格栅 50~100mm进水渠宽:B 1=0.65m 渐宽部分展开角度a 1=20°栅前渠道超高h 2=0.3m Q(m 3/d)COD Cr (mg/L ) BOD 5(mg/L ) SS (mg/L ) TN (mg/L ) TKN (mg/L ) TP (mg/L ) pH 50,000557 240 228 30 27 3.1 7.2由于流量非常大,为防止垃圾堵塞格栅,达到去除粗大物质、保护处理厂的机械设备的目的,故选用一粗一细两个格栅。
主要设计参数:粗格栅1.栅条的间隙数n取栅前水深h=0.4m 过栅流速v=0.7m/s 间隙宽度b=0.04m 安装角度a=60°Q=50000m3/d= 0.579 m3/s=579L/s总变化系数根据流量Q=579L/s,查下表内插得K z=1.38污水平均日流量(L/s)5 15 40 70 100 200 500 ≥1000总变化系数Kz2.3 2.0 1.8 1.7 1.6 1.5 1.4 1.3Q max=1.38Q=1.38×0.579m3/s=0.799 m3/sn=Q max×sinab×h×v=0.799×sin60°0.04×0.4×0.7=66.4 取n=672.栅槽宽度B取栅条宽b s=0.02mB=b s(n-1)+b×n=0.02×(67-1)+0.04×67=4m 3.进水渠道至栅槽渐宽部分长l1进水渠宽B1=0.65m 渐宽部分展开角度a1=20°l1=B-B12tga1=4-0.652tg20°=4.60m4.栅槽至出水渠道间渐缩部分长l2l2=l12=2.30m5.通过格栅的水头损失h1选用锐边矩形栅条断面由上表可知公式为ζ=β(b s b)4/3 β=2.42 水头增大系数k=3h 1=kh 0=k ζv 22g sina=k β(b s b )4/3v 22gsina =3×2.42×(0.020.04 )4/3×0.722×9.8×sin60°=0.062m6.栅后槽总高度H取栅前渠道超高h 2=0.3mH=h+h1+h2=0.4+0.046+0.3=0.746m7.栅槽总长度LL=l 1+l 2+0.5+1.0+H 1tga =4.60+2.30+0.5+1.0+0.4+0.3tg60°=8.81m 8.每日栅渣量W①当栅条间距为16~25mm 时,栅渣截留量为0.10~0.05m 3/103m 3污水。
环科0801 得者1格栅设计与选型格栅的工艺参数:过栅流速:v=0.6~1.0m/s栅前水深:h=0.4m安装角度:a=45~75°格栅间隙b: —般15~30mm最大为40 mm栅条宽度bs:细格栅3~10mm中格栅10~40mm粗格栅50~100mm进水渠宽:B=0.65m渐宽部分展开角度a i=20°栅前渠道超高h2=0.3m已知:由于流量非常大,为防止垃圾堵塞格栅,达到去除粗大物质、保护处理厂的机械设备的目的,故选用一粗一细两个格栅。
主要设计参数:粗格栅=4.60m 1. 栅条的间隙数n取栅前水深h=0.4m 过栅流速v=0.7m/s 间隙宽度b=0.04m 安装角度a=60 Q=50000n/d= 0.579 m 3/s=579L/s总变化系数根据流量Q=579L/s ,查下表插得K z =1.3833Qa =1.38Q=1.38 x 0.579m /s=0.799 m /s2. 栅槽宽度B取栅条宽b s =0.02mB=b s (n-1 ) +b x n=0.02 x (67-1)+0.04 x 67=4m3. 进水渠道至栅槽渐宽部分长I 1进水渠宽B 1=0.65m 渐宽部分展开角度a 1=20oB-B 1 4-0.65 2tga 1 2tg20 °4. 栅槽至出水渠道间渐缩部分长l 2l 1 l2=2 =2.30m5. 通过格栅的水头损失h 1选用锐边矩形栅条断面n=QaxX si na b x h x v 0.799 x j sin60 °=0.04 x 0.4 x 0.7=66.4 取 n=67由上表可知公式为Zb s 4/3=B (了)B=2.42水头增大系数k=32vh i=kh o=k Z ' sina=k2gb s 4/3 VB(b)2g sina 0.02=3X 2.42X(丽)4/30.72乂---------X2X 9.8X sin60 °=0.062m6. 栅后槽总高度H取栅前渠道超高h2=0.3mH=h+h1+h2=0.4+0.046+0.3=0.746m7. 栅槽总长度LHi0.4+0.3L=l 1+l2+0.5+1.0+tga =4.60+2.30+0.5+1.0+tg60 °=8&m8. 每日栅渣量W①当栅条间距为16〜25mm寸,栅渣截留量为0.10〜0.05m3/103m污水②当栅条间距为40mm左右时,栅渣截留量为0.03〜0.01m3/103m污水在栅间隙为0.04m的条件下,取W#0.02m3/103m污水W=QmaxWL K z1000 50000X 1.38 X0.021.38 X 1000=1m3/d > 0.2 m3/dQaxX sina b x h v0.799 x sin60 ° 0.025 x 0.4 x 0.7取 n=107=4.24m9. 电动机功率P根据B 和H 查下表可得P=3kwRAG 冋转耙岛式机械格栅的士塑技朮彗数见表為表4・3生要技术参数细格栅1. 栅条的间隙数n取栅前水深h=0.4m 过栅流速v=0.7m/s 间隙宽度b=0.025m 安装角度a=60° K z =1.3833Qa =1.38Q=1.38 x 0.579m /s=0.799 m /s2. 栅槽宽度B取栅条宽b s =0.01mB=b s (n-1 ) +b x n=0.01 x (107-1)+0.025 x 107=3.735m3. 进水渠道至栅槽渐宽部分长I 1进水渠宽B 1=0.65m 渐宽部分展开角度a 1=20oB-B 1 3.735-0.65 2tga 1 2tg20 °4. 栅槽至出水渠道间渐缩部分长l 2l 1 l2=2 =2.12m5. 通过格栅的水头损失h1今选用锐边矩形栅条断面由上表可知公式为Zb s4/3=B (了)B=2.42水头增大系数k=3 2vh i =kh o =k Z ' sina=k2gb s 4/3 V B (b )2g sina0.01 =3X 2.42X (阪5) 4/3 X 0.72 2X 9.8X sin60 ° =0.046m6. 栅后槽总高度H取栅前渠道超高h 2=0.3mH=h+h1+h2=0.4+0.046+0.3=0.746m7. 栅槽总长度LHi0.4+0.3L =l1+l2+0.5+1.0+tga =4.24+2.12+°.5+1.°+tg60 ° =8.26m8. 每日栅渣量W①当栅条间距为16〜25mm 寸,栅渣截留量为0.10〜0.05m 3/10m 3污水②当栅条间距为40mm 左右时,栅渣截留量为0.03〜0.01m 3/103m 污水 在栅间隙为0.025m 的条件下,取 M0.05m 3/103m 污水W QWL K z1000 50000X 1.38 X 0.051.38 X 1000 =2.5m3/d >0.2 m3/d9. 电动机功率P根据B和H查下表可得P=3kwRAG冋转耙肉式机械格栅的士舉技术参数见表3o表4山主要技术参数。
格栅设计与选型环科0801 陈得者200806660101格栅设计与选型格栅的工艺参数:过栅流速:v=0・6~1.0 m/s栅前水深:h=0・4m安装角度:a=45~75°格栅间隙b: —般15~30mm,最大为40 mm栅条宽度bs:细格栅3~10mm中格栅10~40mm粗格栅50~100mm进水渠宽:B i=0・65m渐宽部分展开角度a i=20栅前渠道超高h2=0・3m已知:由于流量非常大,为防止垃圾堵塞格栅,达到去除粗大物质、保护处理厂的机械设备的目的,故选用一粗一细两个格栅。
主要设计参数:粗格栅=66.4 取 n=67进水渠宽B 1=0.65m 渐宽部分展开角度a 1=20=4.60m1.栅条的间隙数n取栅前水深h=0.4m 过栅流速v=0.7m/s 间隙宽度b=0.04m 安装角度a=60 3 3 Q=50000m 3/d= 0.579 m 3/s=579L/s总变化系数根据流量 Q=579L/s ,查下表内插得K z =1.38污水平均日 流量(L/s ) 5 15 40 70 100 200 500 > 1000总变化系数Kz2.3 2.0 1.81.71.6 1.5 1.4 1.333Q max =1.38Q=1.38 X 0.579m /s=0.799 m/sQ max X sina 0.799X ,sin60° b X h X v = 0.04X 0.4X 0.72. 栅槽宽度B取栅条宽b s =0.02mB=b s (n-1) +b X n=0.02X (67-1)+0.04X 67=4m3. 进水渠道至栅槽渐宽部分长l 1B-B 1 = 4-0.652tga 1 =2tg20°4. 栅槽至出水渠道间渐缩部分长1212=2 =2.30m5. 通过格栅的水头损失h 1B=2.42水头增大系数k=32 Vh i =kh o =k Z 2g sina=k BL=l 1+l 2+0.5+1.0+H 1tga=4.60+2.30+0.5+1.0+04+03 tg60=8.81mbs 、4/3V 2 吋)2g sina20.02 4/3 0.72=3X 2.42x (而)x 莎98 % sin60° =0.062m6•栅后槽总高度H取栅前渠道超高h 2=0.3mH=h+h1+h2=0.4+0.046+0.3=0.746m7•栅槽总长度L8•每日栅渣量W①当栅条间距为16〜25mm 寸,栅渣截留量为0.10〜0.05m 3/103m 污水 ②当栅条间距为40mn 左右时,栅渣截留量为0.03〜0.01m 3/103n i 污水« 2 8拥条间隙的局都阻力系戳直由上表可知公式为Z = B (严)4/3W= Q max W 1 K z 1000 在栅间隙为0.04m 的条件下,取W 1=0.02m 3/103m 3污水=50000x 1.38X 0.02 = 1.38X 10003 3 =1m 3/d > 0.2 m 3/d由于污水流量和栅渣量都较大,宜采用 RAG 型回转耙齿式机械格栅清渣, 可以设置两台,一台工作,一台备用。
中国木格栅设计理念中国的木格栅设计理念,是通过将传统的建筑、文化和现代设计思维相结合,打造出独特的、具有中国特色的木格栅设计风格。
以下将详细探讨中国木格栅设计理念。
首先,中国木格栅设计注重传统文化的融入。
在中国古代建筑中,木格栅是一种常见的建筑元素,具有很高的艺术价值。
它们以木材为原料,经过精细的雕刻和组装,形成独特的图案和形状。
这些图案和形状通常都取材于中国文化中的吉祥物、花卉、动物等元素,代表了繁荣、吉祥和幸福。
在现代的木格栅设计中,设计师们会继承传统元素的精髓,再加以创新和时代的融合,打造出独特且具有现代感的木格栅设计。
其次,中国木格栅设计注重线条与空间的协调。
在中国传统建筑中,木格栅以细腻的线条和精巧的造型见长。
这些线条和造型在空间中形成了独特的曲线和形状,增强了空间的层次感和立体感。
在现代的木格栅设计中,设计师们会注重线条的流畅和空间的和谐。
他们会综合考虑空间的大小、布局和功能,合理地安排木格栅的位置和形状,使其与整体空间相互呼应、相得益彰。
此外,中国木格栅设计注重材质的选择与运用。
在中国传统建筑中,木材是主要的建筑材料之一。
木材具有天然、环保、温暖的特点,能够给人以亲近自然的感觉。
在现代的木格栅设计中,设计师们会选择高质量的木材,并结合现代科技的进步,对木材进行防腐、抗虫等处理,使其更加耐用且易于维护。
同时,设计师们也会尝试将不同材质的木格栅进行组合和搭配,打造出更加丰富多样的感觉和效果。
最后,中国木格栅设计注重设计与实用的结合。
在中国传统建筑中,木格栅不仅是一种装饰元素,也具有实用功能。
它可以起到隔断空间、遮挡阳光、增加通风等作用。
在现代的木格栅设计中,设计师们会将这些功能与美观性相结合,既满足了实际需求,又展现了艺术的魅力。
总之,中国木格栅设计理念注重传统文化的融入、线条与空间的协调、材质的选择与运用以及设计与实用的结合。
这种设计理念不仅体现了中国传统建筑的独特魅力,也符合现代人对美好生活的追求。
精细格栅设计方案精细格栅设计方案一、设计目标精细格栅作为建筑物立面的一部分,需要具备以下设计目标:1. 美观大方:格栅的设计应与建筑整体风格相互呼应,创造出视觉上的和谐和统一感。
2. 通透性强:格栅的设计应考虑到阳光的透射和通风效果,保证建筑的室内环境舒适。
3. 结构稳固:格栅的设计应具备良好的承重性能,保证长期使用过程中不会出现安全问题。
4. 可维护性高:格栅的设计应考虑到定期的维护和清洁,便于清理和更换损坏的部件。
5. 节能环保:格栅的设计应考虑到节能减排的要求,采用可再生材料和节能设计。
二、设计要素1. 基本结构:格栅可以采用铝合金制作,具备轻质、高强度和抗氧化腐蚀等特点。
格栅的结构应包括主框架、跨梁和连接件等部分。
2. 格栅铺排:格栅的铺排应具备一定的间隔,既能保证视线通透,又不会给室内造成明显的辐射和漏光问题。
3. 表面处理:格栅的表面可以采用颜色喷涂或阳极氧化等处理手段,增加其美观性和耐候性。
4. 连接方式:格栅与建筑主体的连接方式可以采用膨胀螺栓或者焊接等方式,保证连接牢固可靠。
5. 安全防护:格栅在设计中需要考虑到人员的安全问题,采用钢化玻璃或者安全护栏等设计,避免人员意外受伤。
三、设计方案1. 格栅排列:格栅的铺排可以采用水平或垂直的方式进行,根据建筑的整体风格选择合适的方向和比例。
2. 上、下部设计:格栅的上部一般设计为直线或弧形,而下部可以考虑加入一些装饰性元素,增强其视觉效果。
3. 高度参数:格栅的高度应根据建筑的实际需要进行确定,在保证通风和美观两方面进行权衡。
4. 材质选择:格栅的材质可以选择铝合金、不锈钢等,具备轻量、耐用等特点,并且可以符合节能环保的要求。
5. 光透性设置:格栅的光透性可以通过设计格栅的间距和形状等方式进行调整,保证室内环境的明亮和通风。
以上是一个精细格栅的设计方案,通过设计目标、设计要素和设计方案的综合考虑,可以实现一个美观、实用和环保的精细格栅设计。
格栅的设计计算 Document number:PBGCG-0857-BTDO-0089-PTT1998格栅的设计计算(1)栅条的间隙数nmax Q n ehv =式中 Qmax ——最大设计流量,m 3/sα——格栅倾角,度,取α=600h ——栅前水深,m ,取h=0.4me ——栅条间隙,m ,取e=0.02mn ——栅条间隙数,个v ——过栅流速,m/s ,取v=1.0m/s格栅设两组,按两组同时工作设计,一格停用,一格工作校核。
则:max 230.02*0.4*1.0Q n ehv ==≈个(2)栅槽宽度B栅槽宽度一般比格栅宽米,取米。
设栅条宽度S=10mm则栅槽宽度(1)B S n bn =-+0.01*(231)0.02*230.68m =-+≈(3)通过格栅的水头损失h10h h k =20sin 2v h g ξα= 43()s b ξβ=式中 1h ——过栅水头损失,m0h ——计算水头损失,mg ——重力加速度,2/m sk ——系数,格栅受污物堵塞后,水头损失增大的倍数,一般采用k=3ξ——阻力系数,与栅条断面形状有关,43()s eξβ=,当为矩形断面时,β=。
24103()sin 2s v h h k k b gβα== 20430.01 1.02.42*()sin 60*30.022*9.8= 0.13m =(4)栅后槽总高度H设栅前渠道超高20.3h m =120.40.130.30.83H h h h m =++=++=(5)栅槽总长度L进水渠道渐宽部分的长度L 1,设进水渠宽B 1=,其渐宽部分展开角度α1=200,进水渠道内的流速为s 。
11010.680.450.362tan 2tan 20B B L m α--==≈ 栅槽与出水渠道连接处的渐窄部分长度2L120.360.1822L L m ==≈ 112 1.00.5tan H L L L α=++++ 式中 1H 为栅前渠道深,12H h h =+00.40.30.360.180.5 1.0tan 60L +=++++2.44m =(6)每日栅渣量W max 1864001000ZQ W W K =式中 W ——每日栅渣量3/m d 1W ——栅渣量(333/10m m 污水)取,粗格栅用小值,细格栅用大值,中格栅用中值Z K ——生活污水流量总变化系数 386400*0.2*0.050.6/1000*1.5W m d ==。
立面格栅设计方案
立面格栅设计是建筑立面设计的重要部分,它在保护建筑内部设备和装饰的同时,也起到美化建筑外观、调节室内采光和通风的作用。
本文将介绍一种立面格栅设计方案。
首先,我们需要考虑该建筑的整体风格和定位。
根据建筑的功能和风格,可以选择合适的材料和格栅形式。
比如,对于现代风格的建筑,可以选择金属材质的格栅,如铝合金格栅;对于复古风格的建筑,可以选择木材格栅。
此外,可以根据建筑的定位选择自然通风或强制通风的格栅形式。
其次,我们需要考虑格栅的尺寸和布局。
格栅的尺寸应与建筑立面的比例相协调,既要满足功能需求,又要符合美学原则。
格栅的布局可以根据建筑的功能和立面的形状进行设计,可以选择水平布局、垂直布局或斜向布局等不同的形式。
在布局中需要注意格栅之间的间距,以保证通风和采光效果。
另外,格栅的形式也是设计的重点。
可以选择不同的格栅形式,如平面格栅、波浪状格栅、菱形格栅等,以增加建筑的立体感和艺术性。
格栅可以是统一的形式,也可以是多样化的形式,根据建筑的需要进行设计。
最后,我们需要考虑格栅的颜色和材质处理。
颜色可以根据建筑整体风格和设计意图进行选择,可以选择与建筑主体颜色相协调的颜色,也可以选择对比的颜色以突出格栅的特点。
材质方面,可以根据经济性、耐久性和美观性来选择不同的材质,如铝合金、不锈钢、玻璃等,以满足建筑的功能和美学要求。
总之,立面格栅设计是一项综合性的工作,需要考虑建筑的功能、风格、尺寸、布局、形式、颜色和材质等多个因素。
通过合理的设计和搭配,可以使建筑的立面更加美观、实用和舒适。
格栅设计计算格栅设计计算是指在工程设计中对格栅结构进行计算和设计的过程。
格栅是一种常见的工程结构,常用于水处理、通风、隔离等领域。
格栅设计计算的目的是确定格栅的尺寸、材料和支撑结构,使其能够满足设计要求,并保证其安全可靠。
在进行格栅设计计算时,需要考虑以下几个方面:1. 负荷计算:首先需要确定格栅所承受的负荷。
负荷可以分为静载荷和动载荷两种。
静载荷主要包括格栅自身重量和上面的附加重量,如人员、设备等;动载荷则包括流体的冲击力和风力等。
根据实际情况,结合工程经验和规范要求,计算出格栅所承受的最大负荷。
2. 材料选择:格栅的材料通常有钢材、铝材、不锈钢等,选择合适的材料需要考虑到格栅的使用环境、负荷要求以及经济性。
不同材料具有不同的强度、耐腐蚀性和成本,需要综合考虑这些因素进行选择。
3. 格栅尺寸计算:格栅的尺寸计算主要包括格栅条的间距和尺寸、格栅的长度和宽度等。
间距的选择需要考虑到格栅的使用要求,如防止物体掉落、防止人员滑倒等。
格栅的长度和宽度需要根据实际情况进行计算,以满足负荷要求和安装要求。
4. 支撑结构设计:格栅的支撑结构是保证其稳定性和安全性的关键。
支撑结构可以采用悬挑式、支撑式或混合式等形式。
在设计支撑结构时,需要考虑到格栅的尺寸、负荷要求、安装要求等因素,确保支撑结构能够承受格栅的负荷并保持稳定。
5. 强度计算:在格栅设计计算中,强度计算是非常重要的一部分。
强度计算主要包括格栅的刚度、弯曲强度、疲劳强度等。
通过计算格栅的强度,可以确定其承载能力和使用寿命,从而保证格栅在使用过程中不会发生破坏和变形。
除了上述几个方面,格栅设计计算还需要考虑到其他因素,如安全性、施工方便性、维护保养等。
设计人员需要根据实际情况进行综合考虑,确保格栅的设计满足工程要求,并能够在使用过程中保持稳定和安全。
格栅设计计算是一个复杂而重要的工程设计过程。
设计人员需要综合考虑负荷计算、材料选择、尺寸计算、支撑结构设计和强度计算等因素,确保格栅的设计满足工程要求,并能够在使用过程中保持稳定和安全。
90s503格栅标准设计规格格栅作为建筑和工程设计中常见的构件之一,在保证建筑安全与美观的同时,也体现了建筑设计的风格与特色。
本文档旨在规范90s503格栅的设计规格,以确保在不同应用场景下都能获得良好的使用效果和用户体验。
2. 设计原则2.1 安全性原则90s503格栅设计应充分考虑人员的安全要求,确保格栅结构稳定可靠,防止任何可能导致安全事故的问题出现。
2.2 美观性原则90s503格栅设计应符合建筑整体风格,与周围环境相协调,注重细节设计,避免出现不协调、突兀的情况。
2.3 实用性原则90s503格栅设计应充分满足使用的功能需求,考虑人性化设计,确保格栅的使用方便、灵活,并具备耐用性。
3. 设计要素3.1 材料选择90s503格栅的设计材料应根据实际使用环境和需求,选用适当的材料。
常见的材质有铝合金、不锈钢等,其材料强度、防腐性能和外观质感等方面都需要满足要求。
3.2 格栅形状90s503格栅的形状设计应根据实际应用场景和建筑风格,有选择地采用不同的格栅形状。
常见的形状有方形、圆形、六角形等,形状需符合美观性原则,且易于定制和安装。
3.3 格栅孔径90s503格栅的孔径设计应考虑到不同使用场景对通风、透光、防护等要求,选择适当的开孔率和孔径大小。
孔径的设计还需要注意其与整体强度、美观性和实用性的平衡。
4. 设计流程4.1 需求分析在开始90s503格栅的设计之前,需对使用场景、功能需求和风格做出详细的分析,明确设计目标和要求。
4.2 初步设计根据需求分析的结果,进行90s503格栅的初步设计,包括外观形状、材料选择、孔径设计等。
4.3 详细设计在初步设计基础上,进行90s503格栅的详细设计,包括材料尺寸、连接方式、表面处理等细节。
4.4 样品制作根据详细设计的结果,制作90s503格栅的样品,用于评估和验证设计效果。
4.5 检验与修正对制作的样品进行检验,对存在的问题进行修正和改进,确保设计的准确性和可行性。
格栅设计一、课程设计的内容(1)污水处理厂的工艺流程比选,并对工艺构筑物选型做说明;(2)主要处理设施格栅的工艺计算;(3)确定污水处理厂平面和高程布置;(4)绘制主要构筑物图纸。
二、课程设计应完成的工作(1)确定合理的污水处理厂的工艺流程,并对所选择工艺构筑物选型做适当说明;(2)确定主要处理构筑物格栅的尺寸,完成设计计算说明书;(3)绘制主要处理构筑物格栅的设计图纸。
目录1总论 (2)1.1污水处理的必要性 (2)1。
2设计任务和内容 (2)1.3基本资料 (2)1。
3.1格栅的作用 (2)1.3.2格栅的种类 (2)1。
3.3格栅的工艺参数 (2)1。
3。
4待处理污水的各项指标及出水指标要求 (3)2污水处理工艺流程 (4)2.1污水处理方法 (4)2.1.1基本原理及优点 (4)2.1。
2存在问题 (4)2。
2处理工艺流程 (4)3 处理构筑物设计——格栅设计 (5)3.1格栅种类选择 (5)3。
2格栅设计计算 (5)结论 (8)参考文献 (9)1总论1。
1污水处理的必要性随着工农业生产的迅速发展和人民生活水平的不断提高,用水紧张和污水排放的问题已越来越突出。
污水未经处理直接排放,加重了对环境的污染.在国家可持续发展的新政策下,环境保护已受到各级政府和全国人民的重视,对污水进行彻底的治理以保护人类赖以生存的环境的重要性越来越大,高效节能的城市污水处理技术与工艺已能为国民经济的发展起到较大的推动作用。
1.2设计任务和内容(1)确定污水处理厂的工艺流程,并对工艺构筑物选型做说明;(2)主要处理设施格栅的工艺计算;(3)完成格栅三视图1。
3基本资料1.3.1 格栅的作用格栅是由一组平行的金属栅条或筛网、格栅柜和清渣耙三部分组成,安装在污水处理厂的端部。
格栅主要作用是将污水中的大块污染物拦截出来,否则这些大块污染物将堵塞后续单元的机泵或工艺管线.格栅上的拦截物成为栅渣,其中包括十种杂物,大至腐尸,小至树杈、木料、塑料袋、破布条、碎砖石块、瓶盖、尼龙绳等均能在栅渣中发现。
本项目为XX地区某道路建设,道路全长XX公里,路基宽度XX米,路面结构采用沥青混凝土。
为确保道路的稳定性和使用寿命,决定在路基底层采用土工格栅进行加固处理。
本工程主要施工内容包括土工格栅的采购、运输、铺设、固定以及土体的压实等。
二、施工准备1. 材料准备(1)土工格栅:根据设计要求,选用XX型号的土工格栅,确保其力学性能、耐久性能等指标符合规范要求。
(2)填料:选用粒径小于15cm的砂类土或砾类土,控制填料级配,保证压实重量。
2. 人员准备组织施工队伍,明确各工种人员职责,进行技术交底和安全教育。
3. 设备准备(1)运输车辆:用于运输土工格栅、填料等材料。
(2)摊铺机:用于铺设土工格栅。
(3)压路机:用于压实填料。
(4)其他工具:测量仪器、插钉、土石等。
三、施工工艺1. 铺设土工格栅(1)在平整压实的场地上,安装铺设的土工格栅其主要受力方向(纵向)应垂直于路堤轴线方向,铺设要平整,无皱折,尽量张紧。
(2)用插钉及土石压重固定,铺设的土工格栅主要受力方向是通长无接头,幅与幅之间的连接可以人工绑扎搭接,搭接宽度不小于10cm。
(3)如设置的土工格栅在两层以上,层与层之间应错缝。
(4)大面积铺设后,要整体调整其平直度。
2. 填料摊铺与压实(1)当土工格栅铺设定位后,应及时填土覆盖,裸露时间不得超时48小时。
(2)先在两端摊铺填料,将土工格栅固定,再向中部推进。
(3)碾压的顺序是先两侧后中间。
碾压时压轮不能直接与筋材接触,未压实的加筋体一般不允许车辆在上面行驶,以免筋材错位。
(4)分层压实度为20-30cm。
压实度必须达到设计要求。
四、质量保证措施1. 严格控制土工格栅的质量,确保其力学性能、耐久性能等指标符合规范要求。
2. 严格按照施工工艺进行施工,确保土工格栅的铺设、固定和填料压实符合设计要求。
3. 加强施工现场管理,确保施工安全、文明、有序。
4. 定期进行质量检测,确保工程质量达到预期目标。
五、安全文明施工1. 施工过程中,严格按照安全操作规程进行,确保施工安全。
格栅设计说明书最终版格栅⼀、作⽤:在污⽔处理系统(包括⽔泵)前,均需设置格栅,以拦截较⼤的呈悬浮或漂浮状态的固体污染物。
⼆、分类:按形状,可分为平⾯格栅和曲⾯格栅两种;按栅条净间隙,可分为粗格栅(50—100mm)、中格栅(16—40mm)、细格栅(3—10mm)三种;按清渣⽅式,可分为⼈⼯清除格栅和机械清除格栅两种。
三、设计数据:1.⽔泵前格栅栅条间隙,应根据⽔泵要求确定。
2.污⽔处理系统前格栅栅条净间隙,应符合下列要求:⼈⼯清除:25——100mm;机械清除:16——100mm;最⼤间隙:100mm。
污⽔处理⼚可设置中、细两道格栅,⼤型污⽔处理⼚亦可设置粗、中、细三道格栅。
3.栅渣量与地区的特点、格栅的间隙⼤⼩、污⽔流量以及下⽔道系统的类型等因素有关。
在⽆当地运⾏资料时,可采⽤:格栅间隙16——25mm:0.10——0.05m3栅渣/103m3污⽔;格栅间隙30——50mm:0.03——0.01m3栅渣/103m3污⽔。
、栅渣的含⽔率⼀般为80%,密度约为960kg/m3。
4.在⼤型污⽔处理⼚或泵站前的⼤型格栅(每⽇栅渣量⼤于0.2m3),⼀般采⽤机械清渣。
⼩型污⽔处理⼚也可采⽤机械清渣。
5.机械格栅不宜少于2台。
如为1台时,应设⼈⼯清除格栅备⽤。
6.过栅流速⼀般采⽤0.6——1.0m/s。
7.栅前流速,⼀般采⽤0.4——0.9m/s。
8.格栅倾⾓,⼀般采⽤45°——75°。
⼈⼯清除的格栅倾⾓⼩时,较省⼒,但占地多。
9.通过格栅的⽔头损失,⼀般采⽤0.08——0.15m。
10.格栅间必须设置⼯作台,台⾯应⾼出栅前最⾼设计⽔位0.5m。
⼯作台上应有安全和冲洗设施。
11.格栅间⼯作台两侧过道宽度不应⼩于0.7m。
⼯作台正⾯过道宽度:⼈⼯清除:不应⼩于1.2m;机械清除:不应⼩于1.5m。
12.机械格栅的动⼒装置⼀般宜设在室内,或采取其他保护设备的措施。
13.设计格栅装置的构筑物,必须考虑设有良好的通风措施。
格栅与格栅槽的设计格栅与格栅槽是建筑设计中常用的构造元素之一,它们在建筑物外立面的设计中有着重要的作用。
格栅是一种通风和遮阳的装饰构件,它能够有效地控制建筑物内部的光照和温度,同时也可以为建筑物增添一种独特的艺术氛围。
首先,格栅的设计需要考虑到其功能和实用性。
格栅通常位于建筑物的外立面,起到遮挡阳光和减少室内温度的作用。
因此,格栅的设计要考虑到光照的控制和通风的效果。
一般来说,格栅的位置和形状要与建筑物的朝向和日照条件相匹配,以保证室内的光照适宜且能够有效地遮挡阳光。
此外,格栅的通风孔的大小和密度也需要根据建筑物的功能和使用需求来确定,以确保室内能够得到足够的通风。
其次,格栅的设计还应注重其美观性和艺术性。
格栅作为建筑物的装饰元素,其设计要与建筑物的整体风格和氛围相协调。
格栅的材料和颜色选择要与建筑物的材质和色彩搭配,使整个建筑呈现出统一、和谐的外观。
同时,格栅的形状和图案设计也应注重美学效果和艺术价值,以增加建筑物的视觉吸引力。
格栅槽是格栅与建筑物外立面之间的空隙,其设计同样需要考虑到实用性和美观性。
格栅槽的设计要与格栅的形状和尺寸相匹配,以确保格栅能够稳定地固定在外立面上。
格栅槽的宽度和深度的选择要考虑格栅的安装和维护的便捷性,以及防止水、灰尘等杂物进入格栅槽内。
此外,格栅槽的边缘和连接细节的处理也要注重美观性,以使其与建筑物的外立面形成和谐的整体效果。
在格栅与格栅槽的设计过程中,需要充分考虑到建筑物的使用功能、环境条件、美学需求等因素。
同时,与建筑师、结构工程师和装饰设计师等多个专业人士进行密切的沟通和协作,以确保格栅与格栅槽的设计能够满足建筑物的需求,并达到美观与实用的统一总之,格栅与格栅槽的设计在建筑物外立面的设计中具有重要的地位和作用。
其设计要考虑到功能性、实用性和美观性,以保证格栅与格栅槽能够有效地控制光照和温度,同时也能够增添建筑物的艺术氛围。
在设计过程中,需要综合考虑多个因素,并与相关专业人士进行密切的合作和协调,以确保最终的设计方案能够符合建筑物的需求。
格栅的设计课程设计一、教学目标本课程旨在让学生了解格栅设计的基本原理和方法,掌握格栅设计的步骤和技巧,培养学生的创新意识和实践能力。
具体目标如下:1.知识目标:学生能够理解格栅设计的概念、原理和方法,了解格栅设计的应用领域和发展趋势。
2.技能目标:学生能够运用格栅设计原理和方法,独立完成格栅设计任务,提高问题解决能力。
3.情感态度价值观目标:学生培养对格栅设计的兴趣,增强创新意识,树立环保观念,提高审美素养。
二、教学内容本课程主要内容包括:格栅设计的概念、原理、方法、应用领域和发展趋势。
具体安排如下:1.第一章:格栅设计概述,介绍格栅设计的定义、分类和应用领域。
2.第二章:格栅设计原理,讲解格栅设计的基本原理和方法。
3.第三章:格栅设计方法,教授格栅设计的具体步骤和技巧。
4.第四章:格栅设计应用,分析格栅设计在实际工程中的应用案例。
5.第五章:格栅设计发展趋势,探讨格栅设计的未来发展方向。
三、教学方法本课程采用多种教学方法,以激发学生的学习兴趣和主动性:1.讲授法:讲解格栅设计的基本原理、方法和应用。
2.案例分析法:分析实际工程中的格栅设计案例,让学生学以致用。
3.实验法:引导学生参与格栅设计实验,提高学生的实践能力。
4.讨论法:学生进行分组讨论,培养学生的创新意识和团队合作精神。
四、教学资源本课程所需教学资源包括:1.教材:选用权威、实用的格栅设计教材作为主要教学资料。
2.参考书:提供相关的格栅设计参考书籍,丰富学生的知识体系。
3.多媒体资料:制作精美的课件、视频等多媒体资料,提高学生的学习兴趣。
4.实验设备:准备齐全的实验设备,确保学生能够顺利进行实验操作。
五、教学评估本课程的评估方式包括平时表现、作业和考试三个部分,以全面、客观、公正地评价学生的学习成果。
1.平时表现:通过课堂参与、提问、小组讨论等方式评估学生的学习态度和积极性。
2.作业:布置适量的课后作业,评估学生对格栅设计知识和技能的掌握程度。
格栅板安装及拆除管理办法格栅设计一、课程设计的内容(1)污水处理厂的工艺流程比选,并对工艺构筑物选型做说明;(2)主要处理设施格栅的工艺计算;(3)确定污水处理厂平面和高程布置;(4)绘制主要构筑物图纸。
二、课程设计应完成的工作(1)确定合理的污水处理厂的工艺流程,并对所选择工艺构筑物选型做适当说明;(2)确定主要处理构筑物格栅的尺寸,完成设计计算说明书;(3)绘制主要处理构筑物格栅的设计图纸。
目录1总论 (2)1.1 污水处理的必要性 (2)1.2 设计任务和内容 (2)1.3 基本资料 (2)1.3.1 格栅的作用 (2)1.3.2 格栅的种类 (2)1.3.3 格栅的工艺参数 (2)1.3.4 待处理污水的各项指标及出水指标要求 (3)2 污水处理工艺流程 (4)2.1 污水处理方法 (4)2.1.1 基本原理及优点 (4)2.1.2 存在问题 (4)2.2 处理工艺流程 (4)3 处理构筑物设计——格栅设计 (5)3.1 格栅种类选择 (5)3.2 格栅设计计算 (5)结论 (8)参考文献 (9)1总论1.1污水处理的必要性随着工农业生产的迅速发展和人民生活水平的不断提高,用水紧张和污水排放的问题已越来越突出。
污水未经处理直接排放,加重了对环境的污染。
在国家可持续发展的新政策下,环境保护已受到各级政府和全国人民的重视,对污水进行彻底的治理以保护人类赖以生存的环境的重要性越来越大,高效节能的城市污水处理技术与工艺已能为国民经济的发展起到较大的推动作用。
1.2设计任务和内容(1)确定污水处理厂的工艺流程,并对工艺构筑物选型做说明;(2)主要处理设施格栅的工艺计算;(3)完成格栅三视图1.3基本资料1.3.1 格栅的作用格栅是由一组平行的金属栅条或筛网、格栅柜和清渣耙三部分组成,安装在污水处理厂的端部。
格栅主要作用是将污水中的大块污染物拦截出来,否则这些大块污染物将堵塞后续单元的机泵或工艺管线。
格栅上的拦截物成为栅渣,其中包括十种杂物,大至腐尸,小至树杈、木料、塑料袋、破布条、碎砖石块、瓶盖、尼龙绳等均能在栅渣中发现。
1.3.2 格栅的种类(1)按格栅条间距的大小分类:细格栅、中格栅和粗格栅3类,其栅条间距分别为4~10mm,15~25mm和大于40mm。
(2)按清渣方式不同分类:人工除渣格栅和机械除渣格栅两种。
人工清渣主要是粗格栅。
(3)按栅耙的位置不同分类:前清渣式格栅和后清渣式格栅。
前清渣式格栅要顺水流清渣,后清渣式格栅要逆水流清渣。
(4)按形状不同分类:平面格栅和曲面格栅。
平面格栅在实际工程中使用较多。
(5)按构造特点不同分类:抓扒格栅、循环式格栅、弧形格栅、回转式格栅、转鼓式格栅和阶梯式格栅。
1.3.3格栅的工艺参数(1)型式:平面型,倾斜安装机械格栅。
(图1)(2)城市排水系统为暗管系统,且有中途泵站,仅在泵前格栅间设计中格栅。
(3)格栅过栅流速不宜小于0.6m/s,不宜大于1.5m/s.(4)栅前水深应与入厂污水管规格(DN1800mm)相适应。
(5)格栅尺寸B、H参见设备说明书,宜选中间值图11.3.4待处理污水的各项指标及出水指标要求(1)待处理污水:处理水量14×104m3/d;COD Cr450 mg/LBOD5200 mg/LSS 250 mg/L(2)处理后污水:污水经二级处理后应符合以下具体要求:COD cr≦70mg/L; BOD5≦20 mg/L;SS≦30 mg/L2污水处理工艺流程2.1污水处理方法污水拟采用传统活性污泥法工艺处理。
2.1.1基本原理及优点液流有回流的推流式。
初次沉淀后的废水与二沉池回流的活性污泥混合后进入曝气池,大约曝气6小时,进水与回流污泥通过扩散曝气或机械曝气作用进行混合。
流动过程中,有机物经过吸附、絮凝和氧化作用等作用被去除。
一般地,从曝气池流出的混合液在二沉池沉淀后,沉淀池内的活性污泥以进水量的25~50%返回曝气池(即污泥回流比为25~50%)。
这种方法常用于低浓度生活污水处理,对冲击负荷很敏感。
生化需氧量(BOD5)的去除率达85~95%。
有机污染物在曝气池内的降解,经历了第一阶段的吸附和第二阶段代谢的完整过程,活性污泥也经历了一个从池端的对数增长,经减速增长到池末端的内源呼吸期的完全生长周期。
2.1.2存在问题:(1)曝气池首端有机污染物负荷高,好氧速度也高,为了避免由于缺氧形成厌氧状态,进水有机物负荷不宜过高。
为达到一定的去污能力,需要曝气池容积大,占用的土地较多,基建费用高;(2)好氧速度沿池长是变化的,而供氧速度难于与其相吻合、适应,在池前段可能出现好氧速度高于供氧速度的现象,池后段又可能出现溶解氧过剩的现象,对此,采用渐减供氧放式,可一定程度上解决这些问题;(3)对进水水质、水量变化的适应性较低,运行效果易受水质、水量变化的影响。
2.2 处理工艺流程污水→格栅→污水泵房→沉砂池→初沉池→曝气池→二沉池→消毒池→出水3 处理构筑物设计——格栅3.1格栅种类选择选用机械格栅。
机械格栅是安装在污水处理厂进水口处的一种集拦污、清污于一体的机械设备。
较之传统的人工清污方式,效率高,安全性高,避免人身事故的发生。
回转式机械格栅是集拦污栅和清污机于一体的连续清污装置。
以拦污栅为基础,通过绕栅回转链条将清污齿耙驱动,实现拦污及清清目的。
可实现连续清污,全过水断面清污。
清污效率高。
栅体过梁支撑于混凝土基础之上,使清污机整机运行平稳,工作可靠。
齿耙插入栅条一定深度,把附着在栅条上的污物带到清污机顶部,完成翻转卸污动作,保持过水断面清洁无污物。
牵引链条一般为全不锈钢材质保证水下工作无锈蚀,免维护。
防腐方案为喷砂除锈+环氧富锌底漆+氯化橡胶中间漆+氯化橡胶面漆封闭,其保护能力一般要求在15年以上。
移动式格栅除污机该设备的工作原理是:水上部分机架采用钢轮设置在平行的钢轨上,通过行走机构与传动部分进行水平移动。
工作时在格栅一端先工作,驱动卷扬机构带动耙斗沿水下并列组合的栅条自动定位,并下行至槽底,当第一宽度完成捞污处理后,行走机构将机架移至第二工作点,进行捞污,直至完成整个槽宽。
3.2格栅设计计算3.2.1 已知条件日设计流量为q=14×104m3/d;城市污水处理最大流量为Q max=1.62m/s;求格栅各部分尺寸。
3.2.2设计计算(1)栅槽宽度B栅条的间隙数(n)n bhvQ αsin max = (3.1) 式中,Q max ——最大设计流量,m 3/s ,取1.94m 3/s ;α ——格栅倾角,(°),取α=60°;b ——栅条间隙,m ,取b=0.02m ;n ——栅条间隙数,个;h ——栅前水深,m ,取h=0.7m ;v ——过栅流速,m/s ,取0.9m/s 。
格栅设两组,一用一备。
则5672.559.08.102.060sin 94.1n o ≈=⨯⨯=(个); 栅条数n-1=56-1=55(条)栅槽宽度(B )栅槽宽度一般比格栅宽0.4m ;设栅条宽度s=10mm=0.01m,选用矩形断面栅条。
B=s(n-1)+bn+0.2 (3.2)则B=s(n-1)+bn+0.2=0.01×(56-1)+56×0.02+0.4=2.07m(2)通过格栅的水头损失h 2设进水渠宽B 1=1.8m ,其渐宽部分展开角度α=20°进水渠道内的流速为0.7m/s ;111tan 2B B L α-=(3.3)m 37.020tan 28.107.220tan 2B B L o o 11≈-=-= 栅槽与出水渠道连接处的渐窄部分长度L 2212L L =(3.4)m 19.0237.02L L 12=== 通过格栅的水头损失h 2;k h h 02= (3.5)αξ=sin g2v h 20 (3.6) 34)(b s βξ= (3.7) 式中,h 2—— 设计水头损失,m ;h 0—— 计算水头损失,m ;g —— 重力加速度,m/s 2,取g=9.8m/s 2;k —— 系数,格栅受污泥堵塞时的水头损失增大倍数,一般采用3;ξ—— 阻力系数,与栅条断面形状有关。
可按手册提供的计算公式和相关系数计算。
设栅条断面为锐边矩形断面;42.2=ξ 则:k sin g 2v )b s (k h h 23402⋅αβ==360sin 8.929.002.001.042.2234⨯⨯⨯⨯⎪⎭⎫ ⎝⎛⨯=o m 103,0≈; (3)栅后槽总高度H ,m ;设栅前渠道超高h 1=0.3m21h h h H ++=(3.8)则:21h h h H ++==310.07.01.8++=603.2m(4)栅槽总长度L ,mα++++=tan H 5.00.1L L L 121 (3.9)式中——1H 为栅前渠道深,21h h H +=; 则:m 50.360tan 7.08.15.00.119.037.0L o≈+++++= (5)每日栅渣量W ;1000QW 1=W (3.10)式中,W ——每日栅渣量,m3 /dW1——栅渣量,m3/(103m3污水)在格栅间隙为19mm的情况下,设栅渣量为每1000m3污水产0.09m3 。
则每日栅渣量:10001.0140000⨯=W=14 m3/d>0.2m3/d 故采用机械清渣。