避雷针安装规范
- 格式:pdf
- 大小:753.09 KB
- 文档页数:8
避雷针避雷针的安装和维护需要注意哪些规范避雷针的安装和维护需要注意哪些规范避雷针作为一种重要的防雷装置,起到了保护建筑物和人身安全的重要作用。
正确的安装和维护是确保避雷针有效性的关键,因此以下是避雷针安装和维护中需要注意的规范。
一、避雷针安装规范1. 避雷针的位置选择在建筑物顶部选择避雷针的位置需符合一定的规范。
一般来说,避雷针应尽量安装在建筑物高处,避开无遮挡的区域,并确保其能够有效接触到大气中的雷电信号。
2. 避雷针的安装高度避雷针的安装高度应根据建筑物的高度和周围环境等因素来确定。
根据国际规范,建筑物顶部与避雷针底部之间的垂直距离应满足一定的比例关系,以确保避雷针的有效性。
3. 避雷针的接地系统避雷针必须与良好的接地系统相连接,以确保雷电能够安全地通过接地线路流入地下,减少雷击损伤的概率。
接地系统应符合相应的安全标准,接地电阻应符合规定的范围。
4. 避雷针与建筑物的结构连接避雷针与建筑物的结构必须有牢固可靠的连接,以确保避雷针能够承受雷电的冲击力。
连接部分应采用合适的材料和技术,并经过充分的测试和验证。
二、避雷针维护规范1. 定期检查避雷针的状态定期检查避雷针的状态是维护工作的重要部分。
检查时应特别关注避雷针的外观是否有损坏、连接部分是否松动、接地线路是否畅通等情况。
如发现问题应及时修复或更换。
2. 清理避雷针周围的杂物避雷针周围不应有高耸物、移动设施或构筑物等,以免影响避雷针的效果。
定期清理周围的杂物,保持周边空旷,是保证避雷针正常运行的重要措施之一。
3. 避雷针的绝缘保护避雷针的连接部分与建筑物结构之间应采取绝缘保护措施,以免因接地线路短路或电流过大而损坏建筑物。
绝缘部分的材料应符合相关的安全标准,安装时应注意保持其良好的绝缘性能。
4. 应急维护和检修避雷针在遭受雷击或其他异常情况下可能会受损,因此应建立应急维护和检修机制。
一旦发生异常情况,应立即进行检查和修复,确保避雷针随时处于良好的工作状态。
避雷针、引下线、接地体的安装避雷针、引下线和接地体属于防直击雷系统,在防雷措施中是必不可少的一环,下面介绍一下它们的安装方式及一些问题一、避雷针的安装避雷针(接闪器)的安装主要包括避雷针的安装和避雷带(网)的安装。
(一)避雷针的安装安装注意事项如下:(1)建筑物上的避雷针和建筑物顶部的其他金属物体应连接成一个整体。
(2)不得在避雷针构架上架设低压线路或通讯线路。
(二)避雷带和避雷网的安装1.明装避雷带(网)安装适于安装在建筑物的屋脊、屋檐(坡屋顶)或屋顶边缘及女儿墙(平屋顶)等处。
(1)避雷带在屋面混凝土支座上的安装避雷带(网)的支座可以在建筑物屋面面层施工过程中现场浇制,也可以预制再砌牢或与屋面防水层进行固定。
(2)避雷带在女儿墙或天沟支架上的安装沿女儿墙安装时,应使用支架固定;并应尽量随结构施工预埋支架。
支架的支起高度不应小于150mm。
当条件受限制时,应在墙体施工时预留不小于100mmx100mmx100mm的孔洞,洞口的大小应里外一致。
首先埋设直线段两端的支架,然后拉通线埋设中间支架,其转弯处支架应距转弯中点0.25-0.5m。
直线段支架水平间距为1-1.5m,垂直间距为1.5-2m,且支架间距应平均分布。
避雷带(网)在建筑物天沟上安装使用支架固定时,应随土建施工先设置好预埋件,支架与预埋件进行焊接固定。
(3)避雷带在屋脊或檐口支座、支架上安装使用混凝土支座或支架固定。
现场浇制支座,先将脊瓦敲去一角,使支座与脊瓦内的砂浆连成一体;支架固定时,需用电钻将脊瓦钻孔,再将支架插入孔内,用水泥砂浆填塞牢固。
支座和支架,水平间距为1-1.5m,转弯处为0.25m-0.5m。
引下线的上端与避雷带(网)的交接处,应弯曲成弧形再与避雷带(网)并齐进行搭接焊接。
不同平面的避雷带(网)应至少有两处互相连接,连接应采用焊接。
建筑物屋顶上的突出金属物体,如旗杆、透气管、铁栏杆、爬梯、冷却水塔、电视天线杆等,这些部位的金属导体都必须与避雷带(网)焊接成一体。
`可控放电避雷针安装规范国网武汉高压研究院武汉华瑞防雷科技股份有限公司2007年6月1.可控放电避雷针本体安装步骤(1)检查部件是否齐全包括:主针、动态环、斜支撑杆(X1、X2型为4根,X3型为3根)、4个水平拉杆(X1、X2型为4根,X3型为3根)。
(2)可控放电避雷针组装(以X1、X2型为例)a)垂直放置主针,先将底座4个固定斜支撑杆的螺杆旋紧,再分别将4根斜支撑杆对称旋入底座的螺杆上.每根斜支撑杆先旋入底座的螺杆螺纹2圈左右,能够稳定不倒为宜.b)分别将4个水平拉杆球头部件套装入4个斜支撑杆中(注意球头部件套装的方向并检查水平拉杆与球头部件的螺杆结构旋入到位).c)上动态环时,先将动态环上的4个球头部件摆放在斜支撑杆上对应位置,将动态环水平放在斜支撑杆上,以对称的方式分别将4个斜支撑杆各旋入螺2—3圈(注意此时斜支撑杆上下螺纹同时旋进).d)将4个水平拉杆以对称的方式装入主针上的十字法兰.e)以对称的方式,用扳手以顺时针方向旋紧4根斜支撑杆,将斜支撑旋紧固定.f)以对称方式,用扳手以顺时针方向旋紧水平拉杆,再紧固螺母.水平拉杆旋入十字法兰螺纹内1.5—2cm为宜.g)紧固所有螺母.包括斜支撑杆及水平拉杆上各部位的螺母(注意动态环球头与水平拉杆处的连接螺母要向动态环球头方向紧固不能留缝隙).h)用平口螺丝刀紧固所有的固定螺栓及主针十字法兰上的上,下定位环.i)组装完毕要保证主针垂直时,动态环水平平整.组装所需工具:14mm,24mm叉子扳手:4—5mm平口螺丝刀.图1可控放电避雷针结构示意图图2可控放电避雷针实物图2.升高支架的选择与雷电计数器的安装从附件(可控放电避雷针保护范围的计算)图6、图7可以看出,可控放电避雷针的保护范围与其在杆塔的安装高度有关。
可控放电避雷针用于输电线路防雷时,升高架高度的选择应参照附件的计算方法来选取,一般情况下升高架的高度取为2~3米。
图3、图4为可控放电避雷针升高支架示意图。
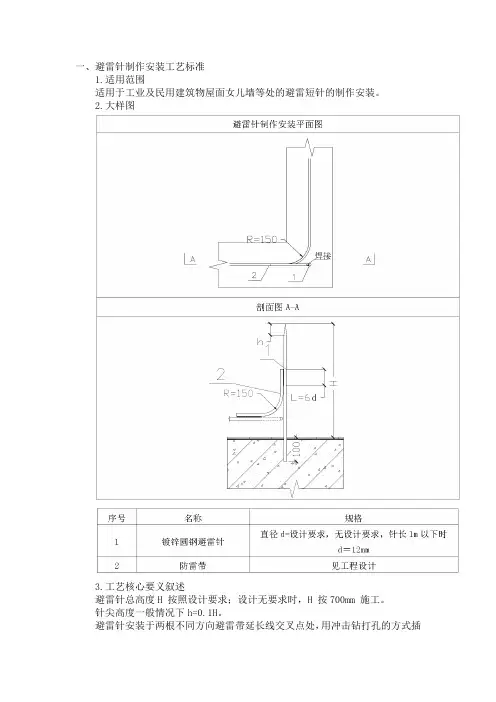
一、避雷针制作安装工艺标准1.适用范围适用于工业及民用建筑物屋面女儿墙等处的避雷短针的制作安装。
2.大样图3.工艺核心要义叙述避雷针总高度H 按照设计要求;设计无要求时,H 按700mm 施工。
针尖高度一般情况下h=0.1H。
避雷针安装于两根不同方向避雷带延长线交叉点处,用冲击钻打孔的方式插入女儿墙内。
4.注意事项避雷短针应采用热浸镀锌,现场加工制作后,镀锌层破坏处应做防腐处理。
二、避雷带安装及伸缩补偿工艺标准1.适用范围适用于屋面避雷带安装。
1)第一类防雷建筑物的防雷装置的设置参照《建筑物防雷设计规GB50057-2010》中的4.2 规定执行2)第二类防雷建筑物的高度超过45M 的沿屋面周边敷设的接闪带应设在外墙外表面或屋檐边垂直面上,也可设在外墙外表面或屋檐边垂直面外,(参照《建筑物防雷设计规GB50057-2010》中的4.3.1)具体做法见下图。
2.工艺核心要义叙述避雷带支架在实际施工中用镀锌角钢(L25*3)或镀锌扁钢(-25×3)制作,可采用专用卡子或钢丝绳夹做卡箍安装。
支架上的固定卡子上口不能与支架角钢封闭。
避雷带应平正顺直,固定点支持件间距均匀、固定可靠,每个支持件应能随大于49N(5kg)的垂直拉力。
镀锌圆钢避雷带连接采用单Z 字搭接(建议使用自制模具制作),搭接长度为圆钢直径的6 倍,上下搭接。
伸缩补偿的半圆面垂直或平行于天面。
直线段避雷带支架间距应均分,间距控制在0.5-1.5m,一般宜确定为1m。
避雷带应顺直、高度一致,平直度每2m 检查段偏差不得大于3/1000。
3.注意事项1)突出屋面的金属管道符合《建筑物防雷设计规范GB50057-2010》中的4.5.7-1 的规定“没有得到接闪器保护的屋顶孤立金属物的尺寸没有超过以下数值时可不要求附加的保护措施:高出屋顶平面不超过0.3m,上层表面总面积不超过1.0M2 和上层表面的长度不超过2.0m。
”的应与防雷装置相连。
避雷针的规范避雷针是一种用于防止雷击的设备,广泛应用于建筑物、电力线路、通信设备等各种场所。
为了确保避雷针的安全性和可靠性,需要遵守一系列规范和标准。
以下是避雷针的规范要求,总结了其基本原则和关键要点。
一、设计规范1. 避雷针设计应符合国家现行的《建筑设计规范》、《工程电气设计规范》等相关规范和标准;2. 避雷针的设计应根据实际雷击的频率和强度,结合场地环境和建筑物特性进行综合评估,确保其满足防雷要求;3. 避雷针的布置应满足工程的雷电防护要求,避免雷击集中和遗漏等现象;4. 避雷针系统的设计和施工必须由具备相应资质和经验的专业技术人员进行。
二、安装规范1. 避雷针的安装位置应选择在建筑物最高点或架设线路沿线的终点位置,确保其具有最佳的防雷效果;2. 避雷针的安装应注意与建筑物其他设备、构件的相互影响,避免产生电磁干扰或物理冲突;3. 避雷针的接地系统应合理设计和施工,确保其电阻值符合规范要求,以便有效地把雷电能引入大地;4. 避雷针的安装应严格按照施工图纸和规范要求进行,避免错误和疏忽造成的安全隐患。
三、维护规范1. 避雷针系统应建立完善的巡视、检测和维护体系,定期进行检查,确保其正常运行;2. 避雷针系统的导体、接地装置等部件应定期清理和维护,防止因积尘和腐蚀导致导电性能下降;3. 避雷针系统的接地电阻值应定期测量,如有异常应及时采取措施进行修复;4. 避雷针系统的设备和部件如有损坏或失效,应及时更换,确保其正常工作。
四、标准认证1. 避雷针的设计、生产和使用应符合国家或行业相关标准,如GB/T 17339《红外线防雷避雷设备产品技术条件》等;2. 避雷针的生产和销售企业应具备相关的质量管理体系认证和产品认证,如ISO9001质量管理体系认证等;3. 避雷针产品应通过权威机构的测试和检测,确保其符合标准要求,并取得相关的产品认证;4. 安装和维护避雷针的施工单位和维护单位应具备相应的资质和技术能力,确保其工作符合标准和规范要求。
建筑防雷施工规范避雷针与接地装置安装指南建筑物在雷电天气中容易受到雷电的攻击,给人们的生命财产安全带来威胁。
为了保护建筑物和人员的安全,建筑防雷施工中的避雷针与接地装置起到至关重要的作用。
本文将为您介绍建筑防雷施工规范避雷针与接地装置的安装指南。
一、避雷针的安装避雷针是建筑物上用来吸引雷电并将其引向接地装置的重要装置。
以下是避雷针的安装指南:1. 避雷针的选择根据建筑物的高度和周围环境的雷电频率,选择适当的避雷针。
一般来说,避雷针应该符合国家相关标准并具备合格证书。
2. 安装位置的选择避雷针应该安装在建筑物最高点,以确保最大范围内的雷电吸引。
同时,避雷针应远离其他金属构件,以减少雷击的可能性。
3. 安装高度的确定根据建筑物的高度确定避雷针的安装高度。
一般来说,避雷针的安装高度应为建筑物高度的1/3至1/2。
4. 安装材料的选择避雷针的支撑杆应选用耐腐蚀性能良好的材料,如不锈钢或铜。
避雷针与支撑杆之间应采用可靠的连接方式,以确保安装的牢固性。
5. 安装过程的注意事项在安装过程中,施工人员需要注意自身的安全。
必须佩戴防静电服和绝缘手套,以免因静电导致的意外伤害。
同时,需要使用尺寸合适的螺栓进行固定,保证避雷针与建筑物的稳固连接。
二、接地装置的安装接地装置是将雷电引入地下,以保护建筑物和人员不受雷击的重要设备。
以下是接地装置的安装指南:1. 接地装置的选择选择符合国家相关标准并具备合格证书的接地装置。
接地装置的质量和性能对于防雷起着至关重要的作用,必须慎重选择。
2. 安装点的选择接地装置应选择建筑物的深层土壤为安装点。
安装点应远离水源、水泥地面等可能导致接地效果下降的因素。
3. 接地装置的数量和布局根据建筑物的大小和形状,合理确定接地装置的数量和布局。
避免接地装置之间的距离过远,以确保雷电在地下的传导路径。
4. 材料和工艺的选择接地装置的材料应选用耐腐蚀性能好、导电性能高的材料,如铜材。
在安装过程中,应保证接地装置与地下的良好接触,以提高接地的效果。
避雷针安装规范要求
一、选型
1、避雷针的选型应根据被保护对象的电压等级及工作环境等
情况进行,选择的避雷针应满足所需的抗冲击能力及放电能力,且应符合相关标准的规定。
2、避雷针的选择,应根据被保护对象的电压等级及工作环境
等情况进行,保证避雷针的选型符合国家有关标准的规定,同时,应考虑运行环境的温度、湿度等因素,以确保避雷针的安全性能。
二、安装
1、避雷针的安装应遵循安装规范,确保避雷针的安全可靠。
2、避雷针的安装位置应选择在被保护对象的顶部,以便更好
地收集雷电的能量,并尽量避免放电时的影响。
3、避雷针的安装应确保其安装角度正确,且不受外界干扰,
以便使避雷针的安全性能达到最佳状态。
4、避雷针的安装应确保其安装牢固,并确保安装过程中不受
外界干扰,以便确保安装质量。
三、检查
1、安装完成后,应对避雷针的安装进行检查,确保避雷针的安装牢固,安装角度正确,以及接地线的安装等情况。
2、检查完成后,应对避雷针进行试验,确保避雷针的抗冲击能力及放电能力符合要求。
3、安装完成后,应对避雷针进行定期维护,确保避雷针的安全性能持续稳定。
建筑外脚手架防雷设置标准一、脚手架避雷针设置要求1.脚手架避雷针应设置在建筑物的最高点或突出部位,确保能够覆盖整个脚手架。
2.避雷针的材质应符合相关规定,一般采用直径不小于25mm的圆钢或直径不小于40mm的钢管。
3.避雷针应安装在脚手架上,并固定牢固,防止晃动或脱落。
二、脚手架避雷针材质要求1.避雷针应采用符合国家标准的优质钢材制作,如不锈钢、铜材等。
2.避雷针的防腐处理应符合相关规定,采用热镀锌或喷塑等方法。
三、脚手架避雷针安装要求1.避雷针应垂直安装,角度偏差应不大于10°。
2.避雷针应与脚手架进行电气连接,确保电流畅通。
3.避雷针的引下线应采用截面积不小于16mm²的铜线或钢线,并固定牢固。
四、脚手架接地装置设置要求1.脚手架接地装置应设置在建筑物易受雷击部位,如屋顶、墙角等。
2.接地装置的接地电阻值应符合相关规定,一般不大于10Ω。
五、脚手架接地装置材料要求1.接地装置应采用符合国家标准的钢材制作,如不锈钢、铜材等。
2.接地装置的防腐处理应符合相关规定,采用热镀锌或喷塑等方法。
六、脚手架接地装置施工要求1.接地装置应埋设在地下500mm以上,确保安全牢固。
2.接地装置的引出线应采用截面积不小于16mm²的铜线或钢线,并固定牢固。
3.接地装置应与脚手架进行电气连接,确保电流畅通。
七、脚手架防雷检测要求1.脚手架防雷设施应定期进行检测和维护,确保其正常运转。
2.检测应包括避雷针、接地装置、电气连接等方面,并做好记录。
3.对于出现的问题应及时进行处理和修复,确保脚手架的安全使用。
八、脚手架防雷维护要求1.防雷设施应设立专人负责,建立完善的维护管理制度。
2.对于暴露在室外的避雷针、接地装置等设施应定期进行巡查和维护,防止出现损坏或腐蚀等情况。
3.在日常使用过程中,应注意保护防雷设施,避免人为损坏或擅自改动。
避雷针有哪些安装规范
避雷针安装规范尤为重要,避雷针在安装时有很多的讲究,那么避雷针有哪些安装规范?今天所采用的圆钢或钢管的直径不应小于下列数值:
(1)针长Im以下:圆钢为12mm;钢管为16mm。
(2)针长1—2m:圆钢为16mm;钢管为25mm。
(3)烟囱顶上的针:圆钢为20mm。
避雷针较长时,针体可由针尖和不同管径的钢管段焊接而成。
避雷针一般安装在支柱(电杆)上或其他构架、建筑物上。
避雷针必须通过引下线与接地体可靠联接。
避雷针(线、带)的接地除必须符合接地的一般要求外,还应遵下列规定:
(1)避雷针(带)与引下线之间的连接应采用焊接。
(2)装有避雷针的金属简体(如烟囱),当其厚度大于4mm时,可作为避雷针的引下线,但筒底部应有对称两处与接地体相连。
(3)独立避雷针及其接地装置与道路或建筑物的出人口等的距离应大于3m。
(4)独立避雷针(线)应设立独立的接地装置,在土壤电阻率不大于100n.m的地区,其接地电阻不宜超过10fl。
(5)其他接地体与独立避雷针的接地体之地中距离不应小于
3m。
(6)不得在避雷针构架或电杆上架设低压电力线或通信线。
避雷针及其接地装置不能装设在人、畜经常通行的地方,距道路应3m
屋顶上装设多支避雷针时,两针之间距离不宜大于30m;屋顶上单支避雷针的保护范围可按60。
保护角确定。
上面对其避雷针安装规范有详细的介绍,让更多人对其避雷针安装规范有详细的讲解,除此之外,还需要对其雷电会带来哪些危害等了解,这里有很多自然灾害安全小知识。
避雷针制作、安装所有金属部件必须镀锌,操作时注意保护镀锌层。
采用镀锌钢管管制作针尖,管壁厚度不得小于3mm,针尖刷锡长度不得小于70mm避雷针应垂直安装牢固。
垂直度允许偏差为3/1000。
焊接要求焊接应采用搭接焊,其搭接长度必须符合下列规定:扁钢为其宽度的2倍(且至少3个棱边焊接)。
圆钢为其直径的6倍。
圆钢与扁钢连接时,其长度为圆钢直径的6倍。
避雷针一般采用圆钢或钢管制成,其直径不应小于下列数值:a独立避雷针一般采用直径为19mm镀锌圆钢。
b屋面上的避雷针采用直径25mm镀锌钢管。
c水塔顶部避雷针采用直径25mm或40mm的镀锌钢管d烟囱顶上避雷针采用直径25mm镀锌圆钢或直径为40mm镀锌钢管e避雷环用直径12mm镀锌圆钢或截面为100mm2镀锌扁钢,其厚度应为4mm1、避雷针制作1) 根据图纸要求在土建进行避雷针基础施工时, 预埋好地脚螺栓等。
2) 按设计要求的材料所需的长度分上、中、下三节进行下料。
如果针尖采用钢管制作, 先将上节钢管一端锯成锯齿形, 用手锤收尖后进行焊缝磨尖、涮锡, 然后将另一端与中、下两节找直焊好。
2、避雷针安装将支座钢板固定在预埋的地脚螺栓上, 焊上一块肋板, 再将避雷针立起, 找直、找正后, 进行点焊, 然后加以校正, 焊上其他三块胁板。
最后将引下线焊接在底板上, 清除药皮刷防锈漆。
3、支架安装角钢支架应有燕尾,其埋注深度不小于100mm,扁钢和圆钢支架埋深不小于80mm。
所有支架必须牢固,灰浆饱满,横平竖直。
防雷装置的各种支架顶部一般应距建筑物表面100mm;接地干线支架其顶部应距墙面20mm.支架水平间距不大于1m(混凝土支座不大于2m);垂直间距不大于1.5m 。
各间距应均匀,允许偏差30mm。
转角处两边的支架距转角中心不大于250mm。
支架应平直。
水平度每2m检查段允许偏差3/1000,垂直度每3m检查段允许偏差2/1000;但全长偏差不得大于10mm。
支架等铁件均应做防腐处理。
避雷针的正确安装方法
避雷针是一种防雷设备,用于保护建筑物及人身安全免受雷击伤害。
正确安装避雷针需要遵循以下步骤:
1. 选择安装位置:避雷针应该安装在建筑物的最高点,比如屋顶或者高塔。
避雷针要能够突出建筑物,以便吸引雷电并将其导向地面。
2. 准备材料:需要准备好避雷针、导线以及支架等安装相关材料。
3. 安装支架:按照避雷针的尺寸要求和建筑物结构,选择适当的支架进行安装。
支架应牢固可靠,能够承受避雷针的重量和不良天气条件下的风力。
4. 固定避雷针:将避雷针与支架连接,并使用螺栓或其他固定物将其牢固固定在建筑物上。
确保避雷针处于垂直状态,并且与建筑物充分接触。
5. 连接导线:从避雷针延伸导线至地面。
导线应采用导电性能好的材料,比如铜或铝。
导线的长度应根据建筑物的高度来确定,并需留有一定余量。
6. 地面接地:在导线的末端将其连接到合适的接地装置上。
接地装置应与地下导体(比如引入大地的金属棒或埋入地下的导线网)相连接,以便将雷电迅速引导到地下,避免对建筑物产生危害。
7. 检查安装质量:确保所有连接牢固并没有松动。
检查避雷针、支架、导线等部件是否有异常损坏,如有需要及时修理或更换。
以上就是避雷针的正确安装方法,安装时请严格遵循相关安全规范,并可以参考专业技术人员的指导和建议。
避雷针安装规范最新标准避雷针安装规范是确保建筑物和人员安全的重要措施。
随着技术的发展和安全标准的提升,避雷针的安装规范也在不断更新。
以下是最新的避雷针安装规范的主要内容:1. 设计原则:- 避雷针的设计应遵循国家和地方的防雷标准,确保其能够有效地吸引并引导雷电至地面。
- 避雷针应根据建筑物的结构、高度和使用功能进行合理设计。
2. 材料选择:- 避雷针的材料应具有良好的导电性,通常使用铜、铝或其他金属材料。
- 材料应能够抵抗腐蚀,保证长期使用的稳定性。
3. 安装位置:- 避雷针应安装在建筑物的最高点,以确保其能够有效地吸引雷电。
- 避雷针的安装位置应避开人员密集区域和易燃易爆物品存放区。
4. 安装高度:- 避雷针的高度应根据建筑物的高度和周围环境确定,以确保其能够覆盖整个建筑物。
5. 连接方式:- 避雷针与建筑物的连接应使用焊接或专用的连接件,确保电气连接的可靠性。
- 连接点应进行防腐处理,以延长使用寿命。
6. 接地系统:- 避雷针必须与有效的接地系统相连,接地电阻应符合标准要求。
- 接地系统应定期检查和维护,确保其性能。
7. 检查与维护:- 安装完成后,应进行严格的检查,确保所有部件符合规范要求。
- 定期对避雷针进行检查和维护,及时发现并解决问题。
8. 安全措施:- 在避雷针安装过程中,应采取必要的安全措施,保护施工人员的安全。
- 避雷针安装完成后,应在显眼位置设置警示标志,提醒人员注意安全。
9. 法规遵守:- 避雷针的安装应严格遵守国家和地方的相关法规和标准。
10. 记录与文档:- 所有安装过程应有详细的记录,并保存相应的文档,以备日后查询和审计。
通过遵循以上规范,可以确保避雷针的安装既安全又有效,为建筑物和人员提供必要的保护。
建筑屋面避雷针及避雷线安装质量要求建筑屋面避雷针及避雷线安装质量要求:1、屋顶设置避雷针或避雷线,主要作用是对建筑物和屋面设备起到保护作用。
其质量控制主要为:2、屋面的设备、金属构件、金属管道、金属支架、电气设备金属外壳都必须和接地干线可靠连接。
3、避雷线安装应平直,镀锌层完好,接头应采用双面焊接,圆钢搭接长度6倍直径,焊接焊口须防腐处理。
4、引下线宜采用圆钢或扁钢。
当采用圆钢时,直径不应小于8mm。
当采用扁钢时,截面不应小于48mm2,厚度不应小于4mm。
对于装设在烟囱上的引下线,圆钢直径不应小于12mm。
扁钢截面不应小于100mm2且厚度不应小于4mm。
5、避雷带跨越建筑物变形缝时,应设补偿装置。
6、接闪器应热镀锌,焊接处应涂防腐漆。
在腐蚀性较强的场所,还应加大其截面或采取其他防腐措施。
避雷线敷设平直、牢固,弧线流畅,支持件间距均匀,与建筑物交接处收口美观。
屋面避雷线安装的常见问题1)扁钢与扁钢的搭接,焊接少于3个棱边。
2)圆钢与圆钢的搭接,单面焊接。
3)利用金属钢管栏杆做为避雷线,其管壁厚度和截面积达不到设计要求。
避雷带为扁钢时,搭接处底部不宜焊接,常见只焊两个边,不符合规范要求。
最好是四边均焊接,以免空气进入产生锈蚀。
避雷引下线搭接部位单面焊接,底部未焊。
原因为平行搭接造成底部不宜焊接。
搭接部位宜上下搭接便利用屋面金属栏杆做避雷带时,应符合设计规范JGJ16-200811.6.6条要求:层顶上的永久性金属物宜作为接闪器,但其所有部件之间均应连成电气通路,并应符合下列规定:钢管、钢罐的壁厚不应小于2.5mm,当钢管、钢罐一旦被雷击穿,其介质对周围环境造成危险时,其壁厚不得小于4mm。
不锈钢管金属栏杆一般管壁较薄,截面积达不到避雷带设计的要求,尤其是在连接处,更是薄弱环节,应在其连接处做加强处理,确保在遭到雷击时安全泻流。
避雷针安装标准避雷针是一种用于保护建筑物和设备免受雷击损害的重要设备。
正确的安装是确保避雷针有效工作的关键,下面将介绍避雷针安装的标准和要求。
首先,选择合适的位置。
避雷针应该安装在建筑物的最高点,通常是屋顶。
在选择安装位置时,需要考虑建筑物的高度、周围环境和雷击频率等因素。
安装位置的选择直接影响着避雷针的性能,因此需要进行仔细的评估和规划。
其次,确保良好的接地。
避雷针的接地系统是其正常工作的关键。
在安装避雷针时,需要将接地导线与避雷针的接地装置连接,并将接地导线埋入地下深度达到一定要求。
接地系统的质量直接影响着避雷针的放电能力和安全性能,因此需要严格按照标准要求进行设计和施工。
再者,遵循安装规范。
在进行避雷针安装时,需要严格按照相关的国家标准和规范进行操作。
安装人员需要具备专业的技能和经验,严格按照安装要求进行操作,确保避雷针的安装质量和性能达到标准要求。
另外,定期检测和维护。
避雷针安装完成后,需要定期进行检测和维护,确保其正常工作。
定期检测可以及时发现避雷针存在的问题,并采取相应的措施进行修复和维护,确保其长期有效地保护建筑物和设备免受雷击损害。
总之,避雷针的安装是一项重要的工作,需要严格按照标准和规范进行操作。
正确的安装可以保证避雷针的正常工作,有效地保护建筑物和设备免受雷击损害。
因此,在进行避雷针安装时,需要引起足够的重视,确保安装质量和性能达到标准要求。
在实际的工程实施中,需要充分考虑建筑物的特点和周围环境的影响,结合实际情况进行合理的安装设计和施工。
只有这样,才能确保避雷针的安装质量和性能达到标准要求,有效地保护建筑物和设备免受雷击损害。
避雷针安装方法及要求 Prepared on 24 November 2020
避雷针安装方法及要求
根据规范规定,在卫星通信天线背后1200角范围内,相距接收天线罩3米左右的地方安装防直接雷击避雷针,使室外天线处于直接雷防护区域内而更为安全。
(见避雷针安装示意图)
避雷针安装示意图
A、需提前在安装位置浇筑水泥基座,规格尺寸400mm×400mm ×600mm(长X宽X高)并预埋地脚螺栓,或用膨胀螺丝。
B、安装避雷针,避雷针底座固定在预先设置的预制水泥基座,避雷针塔杆底座与水泥基座用地脚螺栓(或用膨胀螺丝)可靠联结。
C、避雷针接地线必须与接地棒可靠连接,接地线为黄绿相间色,截面积BVR25mm2多股铜导线。
避雷针安装规范避雷针(又称避雷采)是一种用于防止雷击事故的设施,其安装规范对于保障人员的安全以及设备的正常运行非常重要。
下面是避雷针安装规范的一些要点。
1. 安装位置选择避雷针的安装位置应该选择在建筑物的最高点,这样可以更好地吸引雷电,减少雷击的可能性。
建筑物的屋顶是较好的安装位置,避免与其他设备的干扰。
2. 安装高度避雷针的安装高度应该符合相关的国家标准,一般来说,避雷针的顶部应该高于建筑物的最高点1.5米以上。
这样可以确保避雷针能够更好地吸引雷电,避免雷击事故发生。
3. 安装数量根据建筑物的大小和形状,选择适当数量的避雷针进行安装。
一般来说,建筑物的较大面积应该考虑增加避雷针的数量,以增加保护范围,减少雷击可能性。
4. 安装材料避雷针的安装材料要选择符合国家标准的优质材料,例如耐腐蚀性能好,耐候性强的不锈钢材料。
这样可以确保避雷针在长期使用过程中不会因为腐蚀而影响其功能。
5. 连接方法避雷针的安装应该注意连接的牢固性,避免因为连接不良而导致避雷针脱落或损坏。
一般来说,应该采用螺栓连接或焊接等方式,确保连接的牢固性。
6. 与接地系统的连接避雷针应该与接地系统相连接,以便将避雷针吸引的雷击电流引入接地系统,从而避免建筑物或设备受到损坏。
连接方式要合理,确保电流的顺利引入。
7. 定期检查和维护避雷针安装完成后,应该进行定期检查和维护,以确保其正常运行。
定期检查应该包括对安装位置、安装高度、连接状态等的检查,发现问题及时进行修复或更换。
8. 保持距离在避雷针的安装位置周围应该保持一定的距离,避免有人员长时间停留在附近,以免遭受雷击的危险。
安装位置周围应该设置明确的警示标识,提醒人员注意。
9. 防火措施避雷针的安装位置周围应该加强防火措施,避免因为雷击而引发火灾。
建筑物应该配备灭火设施,避免因为雷击事故造成更大的损失。
总之,避雷针的安装规范对于保障人员的安全和设备的正常运行非常重要。
在安装时,应该严格按照相关的国家标准进行操作,选择合适的安装位置和适当数量的避雷针,并确保连接的牢固性和与接地系统的连接。
避雷针安装规范建筑及房产信息2010-03-12 11:17:37 阅读239 评论0 字号:大中小常用避雷针(这里仅指单针)保护范围的计算方法主要有折线法和滚球法,为此,就“折线法”和“滚球法”的计算进行了初步的分析和探讨,得出:“折线法”的主要特点是设计直观,计算简便,节省投资,但建筑物高度大于20 m以上不适用;“滚球法”的主要特点是可以计算避雷针(带)与网格组合时的保护范围,但计算相对复杂,投资成本相对大。
在避雷针保护范围的计算方法中,“折线法”是比较成熟的方法。
近几年来,国标中规定的“滚球法”也开始得到同行的认同,但在实际运用中,“滚球法”也碰到一些问题,特别是在计算天面避雷针保护范围的时候。
因此有必要对电力系统常用的“折线法”和国标的“滚球法”进行比较分析,发现其中存在的问题。
1“折线法”避雷保护计算“折线法”在电力系统又称“规程法”,即单支避雷针的保护范围是一个以避雷针为轴的折线圆锥体。
L/ 620—997《交流电气装置的过电压保护和绝缘配合》标准就规定了单支避雷针的保护范围,见图。
1.1避雷针在地面上保护半径的计算计算避雷针在地面上的保护半径可用公式式中:Rp——保护半径;h——避雷针的高度;P——高度影响因数。
其中,P的取值是:当h≤30 m,P=1;当30 m的h的纯数值;当h>20 m时,只能取h=120 m。
1.2被保护物高度hp水平面上保护半径的计算a)当hp≥0.5h时,被保护物高度hp水平面上的保护半径式中:Rp——避雷针在hp水平面上的保护半径;hp——被保护物的高度;ha——避雷针的有效高度。
b)当hp<0.5h时,被保护物高度hp水平面上的保护半径2“滚球法”避雷保护计算“滚球法”是国际电工委员会(IEC)推荐的接闪器保护范围计算方法之一。
我国建筑防雷规范G 50057—994(2000年版)也把“滚球法”强制作为计算避雷针保护范围的方法。
滚球法是以hR为半径的一个球体沿需要防止击雷的部位滚动,当球体只触及接闪器(包括被用作接闪器的金属物)或只触及接闪器和地面(包括与大地接触并能承受雷击的金属物),而不触及需要保护的部位时,则该部分就得到接闪器的保护。