塔吊避雷针制作与安装方案
- 格式:docx
- 大小:26.22 KB
- 文档页数:3
避雷针施工方案避雷针是一种用来保护建筑物和人员免受雷击伤害的重要设备。
正确的避雷针施工方案可以确保建筑物的安全,同时也可以保护人员的生命财产安全。
本文将从设计、选材、安装、维护和检测等方面介绍避雷针的施工方案。
一、设计方案1.1 确定避雷针的位置:避雷针应该安装在建筑物的最高点,以便吸引雷电。
1.2 确定避雷针的高度:避雷针的高度应该超过建筑物周围的其他物体,以确保雷电被吸引到避雷针上。
1.3 确定避雷针的数量:根据建筑物的大小和形状确定需要安装的避雷针数量,以确保全面覆盖。
二、选材方案2.1 选用耐腐蚀材料:避雷针应该选用耐腐蚀材料,以确保长期使用不受影响。
2.2 选用导电性能好的材料:避雷针的主要作用是引导雷电,因此应选用导电性能好的材料。
2.3 选用耐高温材料:避雷针在雷击时会受到高温影响,因此应选用耐高温材料,以确保安全使用。
三、安装方案3.1 确保避雷针与建筑物接地系统连接:避雷针必须与建筑物的接地系统连接,以确保雷电被安全引导到地面。
3.2 确保避雷针安装牢固:避雷针的安装必须牢固可靠,以确保在恶劣天气条件下不会受到破坏。
3.3 确保避雷针与其他构件连接紧密:避雷针与建筑物的其他构件连接必须紧密,以确保整体结构的稳固性。
四、维护方案4.1 定期检查避雷针的状态:定期检查避雷针的状态,包括表面是否有损坏、连接是否松动等。
4.2 定期清洁避雷针表面:定期清洁避雷针表面,以确保导电性能不受影响。
4.3 定期维护避雷针的周围环境:定期维护避雷针周围的环境,确保没有影响避雷针正常工作的因素存在。
五、检测方案5.1 定期进行避雷针的雷电击穿测试:定期进行避雷针的雷电击穿测试,以确保避雷针的导电性能符合要求。
5.2 定期进行避雷针的接地测试:定期进行避雷针的接地测试,以确保避雷针与接地系统连接良好。
5.3 定期进行避雷针的整体性能测试:定期进行避雷针的整体性能测试,以确保避雷针在雷电袭击时能够正常工作。
(声明:所提供的标准合同或协议文本及具体条款,不是最终法律文本,仅供参考,不建议直接使用,建议根据实际情况,在法律专业人士的指导下进行修改后再使用,就该合同不承担任何法律责任。
)
塔吊防雷接地施工方案
目前工程处于基础桩施工阶段,根据现场要求,本工程垂直运输,塔吊基础应抓紧完成,以便塔吊安装。
因本地区正处于雷雨季节,应考虑塔吊的防雷及接地措施。
措施办法
根据现场情况,拟定以下方案:
1.防雷接地极采用一字型接地体,打三根L50×50×2500mm的镀锌角钢,接地极间距为5000mm,由中间接地极引至塔吊防雷引下线部位。
2. 接地网采用-40×4镀锌扁钢。
3. 防雷引下线采用Ф10镀锌圆钢。
防雷接闪器采用针式接闪器,针尖应高于塔顶1000mm。
4. 防雷接地连接处应焊接饱满,焊接倍数应按规范规定要求,接地电阻≤1Ω。
塔吊电气重复接地应单独打一根L50×50×2500mm的镀锌角钢,引至塔吊专用接地装置,采用铜质编织软线连接,接地电阻≤6Ω。
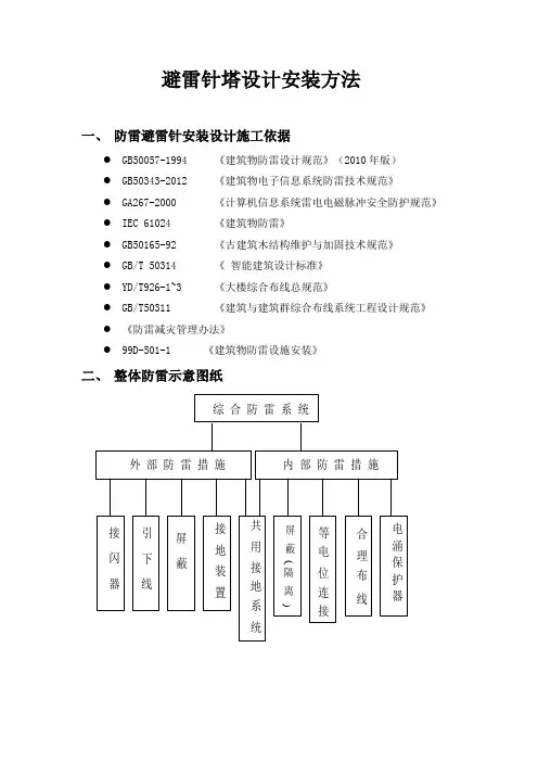
一、防雷避雷针安装设计施工依据●GB50057-1994 《建筑物防雷设计规范》(2010年版)●GB50343-2012 《建筑物电子信息系统防雷技术规范》●GA267-2000 《计算机信息系统雷电电磁脉冲安全防护规范》●IEC 61024 《建筑物防雷》●GB50165-92 《古建筑木结构维护与加固技术规范》●GB/T 50314 《智能建筑设计标准》●YD/T926-1~3 《大楼综合布线总规范》●GB/T50311 《建筑与建筑群综合布线系统工程设计规范》●《防雷减灾管理办法》●99D-501-1 《建筑物防雷设施安装》二、整体防雷示意图纸综合防雷系统外部防雷措施内部防雷措施接闪器引下线屏蔽接地装置共用接地系统屏蔽隔离()等电位连接合理布线电涌保护器一、防雷避雷针安装设计施工依据●GB50057-1994 《建筑物防雷设计规范》(2010年版)●GB50343-2012 《建筑物电子信息系统防雷技术规范》●GA267-2000 《计算机信息系统雷电电磁脉冲安全防护规范》●IEC 61024 《建筑物防雷》●GB50165-92 《古建筑木结构维护与加固技术规范》●GB/T 50314 《智能建筑设计标准》●YD/T926-1~3 《大楼综合布线总规范》●GB/T50311 《建筑与建筑群综合布线系统工程设计规范》●《防雷减灾管理办法》●99D-501-1 《建筑物防雷设施安装》二、整体防雷示意图纸综合防雷系统外部防雷措施内部防雷措施接闪器引下线屏蔽接地装置共用接地系统屏蔽隔离()等电位连接合理布线电涌保护器三、避雷针塔安装滚球半径计算法建筑物年预计雷击次数应按下式计算:式中:N—建筑物年预计雷击次数 (次/a);k—校正系数, 在一般情况下取 1;位于河边、湖边、山坡下或山地中土壤电阻率较小处、地下水露头处、土山顶部、山谷风口等处的建筑物,以及特别潮湿的建筑物取 1.5;金属屋面没有接地的砖木结构建筑物取 1.7;位于山顶上或旷野的孤立建筑物取 2;N g—建筑物所处地区雷击大地的年平均密度 (次/km2/a);A e—与建筑物截收相同雷击次数的等效面积 (km2)。
一、施工准备1. 劳动组织:成立避雷针安装施工小组,明确各成员职责,确保施工顺利进行。
2. 工机具:准备汽车吊、电动扳手、梅花搬手、卷尺、水平尺、线坠、钢卷尺、钢刷、防锈漆、调和漆、焊条等施工工具。
3. 材料准备:根据设计要求,准备符合规格的圆钢或焊接钢管制成的避雷针,直径应符合相关规定;预埋螺栓、地脚螺栓、连接圆钢、焊接材料等。
4. 技术资料:熟悉相关规范、标准,如《建筑物防雷设计规范》、《避雷针安装施工及验收规范》等。
二、操作程序1. 施工现场勘查:对塔顶进行勘查,了解塔顶结构、高度、预埋螺栓位置等,确保避雷针安装位置合理。
2. 避雷针组装:a. 将避雷针各段钢筋架顺序摆放到枕木上,使三根主筋相互对准。
b. 调整三根主筋,使之分别在三条直线上。
反复进行,直至调直。
c. 在避雷针钢筋架每条主筋之间的连接处对称放置2根连接圆钢(加强筋),连接圆钢规格应与下段钢筋架主筋一致。
d. 焊接避雷针钢筋架之间的连接圆钢,除去焊渣,刷涂防锈漆和调和漆各两道。
3. 组立及调整:a. 在避雷针根部用铁线绑扎1~2根枕木,作为配重,以减小避雷针起吊时的倾斜度。
b. 在避雷针绑扎吊绳的钢结构部位绑扎2~3根杉木杆。
c. 在避雷针的适当位置栓绑吊绳和晃绳,尔后进行起吊、就位。
d. 避雷针就位后,调整其垂直度,确保避雷针竖直。
4. 避雷针接地:a. 核实预埋螺栓与避雷针底座螺孔尺寸,允许误差为2mm。
检查预埋螺栓露出基础面高度是否符合规定。
b. 将避雷针底座与预埋螺栓连接,确保连接牢固。
c. 将接地线与避雷针底座连接,接地线应符合规范要求。
5. 验收:a. 检查避雷针安装质量,确保其符合设计要求。
b. 对避雷针接地系统进行检查,确保接地电阻符合规范要求。
三、施工注意事项1. 施工过程中,确保安全,遵守操作规程,防止发生意外事故。
2. 避雷针安装过程中,注意保护塔顶结构,避免损坏。
3. 施工结束后,及时清理施工现场,保持环境整洁。
避雷针施工方案避雷针是一种用于保护建筑物和人员免受雷击伤害的重要设施。
在施工避雷针时,需要根据具体情况制定合理的方案,以确保其有效性和安全性。
本文将从设计、选材、安装、维护和检测等五个方面介绍避雷针的施工方案。
一、设计1.1 确定避雷针的位置:避雷针应安装在建筑物最高点,如屋顶或烟囱等。
1.2 考虑建筑物结构:设计时需考虑建筑物的结构特点,确保避雷针与建筑物结构相适应。
1.3 考虑周围环境:周围环境如树木、电线等也会影响避雷针的效果,需要综合考虑。
二、选材2.1 选择合适的导电材料:避雷针主要由导电材料构成,如铜、铝等,需选择质量好、导电性能强的材料。
2.2 考虑耐腐蚀性能:避雷针长期暴露在室外,需选择具有良好耐腐蚀性能的材料。
2.3 考虑成本和可靠性:在选材时需综合考虑成本和可靠性,确保避雷针的质量和寿命。
三、安装3.1 确保安全施工:避雷针施工需要在高空进行,施工人员需具备相关技能和经验,确保施工安全。
3.2 保证安装质量:避雷针的安装质量直接影响其效果,需按照相关标准和规范进行安装。
3.3 考虑接地方式:避雷针的接地方式也很重要,需确保接地良好,以确保避雷针的导电性能。
四、维护4.1 定期检查避雷针:避雷针需要定期检查,确保其状态良好,没有受损或腐蚀。
4.2 清理避雷针周围环境:避雷针周围环境如树木、杂草等会影响其效果,需定期清理。
4.3 及时修复损坏:如果避雷针出现损坏或故障,需要及时修复或更换,以确保其正常运行。
五、检测5.1 定期检测避雷针效果:定期对避雷针进行检测,确保其效果符合要求。
5.2 使用专业设备检测:检测避雷针需要使用专业设备,如雷电击检测仪等。
5.3 备案检测报告:检测完成后需备案检测报告,以备日后查阅。
综上所述,避雷针的施工方案需要从设计、选材、安装、维护和检测等多个方面综合考虑,确保其有效性和安全性。
只有科学合理地进行避雷针施工,才能有效保护建筑物和人员免受雷击危害。
塔吊基础防雷接地装置焊接做法一、施工依据1.1《建筑电气工程施工质量验收规范》GB 50303-2015;二、施工做法2.1采用独立塔吊基础时当塔吊不在建筑结构底板范围时,只能采用独立基础。
如下图1~2。
此法接地主要靠工程桩,为保证接地效果,应将所有的工程桩连接在一起,由对角引出扁钢,打孔,作为接地点,用25mm2铜线将与镀锌扁钢进行连接。
基础钢筋网上下两层也应与接地网焊接在一起。
塔吊电箱接地点可以在两条扁钢中任选一条作为重复接地点。
2.2接地连接线的规格为圆钢12,扁钢-40×4。
2.3圆钢与圆钢搭接长度为6倍圆钢直径,双面施焊,圆钢与扁钢搭接长度为6倍圆钢直径,双面施焊,扁钢与扁钢搭接长度为2倍扁钢宽度,三面施焊。
图1:独立基础塔吊基础接地立面图图2:独立基础塔吊基础接地平面图2.2当塔吊在建筑结构底板范围时,可采用将基础埋入建筑结构底板下的方式。
如下图3~4。
塔吊基础利用基础底板上下两层主筋中的两根通长焊接形成的基础接地网,并与相应锚杆钢筋网进行焊接,以此作为防雷接地及电气设备接地的公用装置。
随着结构底板的施工,接地电阻会不断降低,当地板完成时,接地电阻值≤1Ω。
此法可可保证塔吊接地的良好。
图3:塔吊基础埋入结构底板下接地立面图图4:塔吊基础埋入结构底板下接地平面图2.3当塔吊在建筑结构底板范围时,可采用将塔吊基础埋与建筑机构底板作为整体的方式。
如下图5~6。
图5:塔吊基础埋与结构底板作为整体时接地立面图图6:塔吊基础埋与结构底板作为整体时接地平面图三、总结3.1涡流检测(ET):是利用探头线圈内流动的高频电流可在焊缝表面感应出涡流的效应,有缺陷会改变涡流磁场,引起线圈输出变化来反映缺陷。
其检验参数控制相对困难,可检验导中材料表面或焊缝与堆焊层表面或近表面缺陷。
避雷针安装施工方案一、前言避雷针作为一种重要的安全设备,广泛应用于建筑物和工业设施等场所,用于防御雷击灾害。
本文将介绍避雷针的安装施工方案,以确保避雷针的有效性和安全性。
二、施工前准备工作1. 工程勘察:施工前必须进行工程现场的勘察,了解地势、建筑结构以及周围环境等情况。
根据勘察结果确定避雷针的数量、位置和材料等。
2. 施工图纸设计:根据勘察结果,制定施工图纸,包括避雷针的安装位置示意图、避雷针的尺寸规格等详细信息。
3. 材料准备:根据设计图纸确定所需材料,包括避雷针、接地装置、连接线等。
确保所选材料符合国家标准和施工要求。
三、避雷针的安装过程1. 安装位置选择:根据勘察结果和设计要求,在建筑物或工业设施的高处选择避雷针的安装位置。
通常情况下,建筑物的屋顶或者高耸的建筑物上是较为理想的位置。
2. 钻孔预埋:根据避雷针的设计要求,在已选定的安装位置进行钻孔预埋工作。
钻孔的深度和直径应符合设计要求,并确保孔洞的垂直度。
3. 固定避雷针:将避雷针插入预埋的钻孔中,通过螺栓或其他固定装置进行牢固固定。
确保避雷针与建筑物之间保持良好的接触。
4. 安装接地装置:避雷针的安全性依赖于接地装置的良好连接。
在避雷针安装完毕后,进行接地装置的安装工作。
将接地装置直接与避雷针连接,并确保接地装置与地面之间的导电性能良好。
5. 连接线的安装:根据设计要求,将避雷针与主体接地系统之间的连接线进行安装。
连接线应采用符合规范要求的导电材料,并确保连接紧固可靠。
四、施工后的测试和验收1. 接地测试:在避雷针安装完毕后,进行接地系统的测试。
通过测试设备对接地装置进行测试,确保接地电阻符合规范要求。
2. 避雷针的外观检查:对已经安装的避雷针进行外观检查,检查其固定是否牢固、表面是否有损坏等情况。
3. 防雷装置的性能测试:对整个防雷装置进行性能测试,包括接地系统的接地电阻测试、导通测试以及防雷效果的评估等。
4. 施工文件的整理和验收:将施工过程中所涉及的所有文件进行整理,并经过相关部门的验收。
避雷针制作安装施工方案1. 引言避雷针是一种用以保护建筑物免受雷击的装置。
通过将建筑物与地面潜在的雷电释放物理连接起来,避雷针能够吸引并传导雷电,以保护建筑物及其内部设备不受雷击的破坏。
本文将介绍避雷针的制作安装流程和相关注意事项。
2. 避雷针材料制作避雷针所需的材料如下:•不锈钢导线•铝制避雷针杆•避雷针安装底座•避雷针接地装置•导线夹•绝缘胶带•直径适配的螺栓和螺母3. 制作避雷针步骤3.1 安装避雷针杆首先,在合适的位置选择避雷针固定的位置。
通常情况下,避雷针应该安装在建筑物的最高点上。
将避雷针杆嵌入建筑物中,确保其牢固稳定。
使用适配的螺栓和螺母将避雷针固定在底座上。
3.2 连接避雷针和导线在避雷针杆的顶端安装一根不锈钢导线,通过导线夹将其固定在避雷针杆上。
导线的长度应该根据建筑物高度和周围环境来确定。
导线应该能够延伸至建筑物最高点,并与地面的接地装置相连接。
3.3 安装避雷针接地装置避雷针接地装置的作用是将避雷针与地面的接地系统进行连接,以便有效地将雷电释放到地面。
将接地装置安装在合适的位置,距离避雷针杆一定的距离,并使用导线连接避雷针和接地装置。
确保接地装置与地面的接地系统焊接良好,以确保良好的接地效果。
3.4 检查和绝缘处理在完成避雷针的制作和安装后,进行全面的检查。
确保导线连接牢固,避雷针杆稳定,接地装置有效。
此外,还应对导线进行绝缘处理,使用绝缘胶带包裹导线,以避免导线与建筑物或其他金属结构发生接触。
4. 安全注意事项在制作和安装避雷针时,需要注意以下安全事项:1.在进行高空作业时,必须佩戴安全帽、安全带等防护设备,确保人身安全。
2.使用合适的工具和操作方法,避免操作失误导致事故发生。
3.清理工作区域,确保没有杂物或危险物品存在,以免发生意外伤害。
4.在制作和安装过程中,严禁吸烟或使用明火等可能引发火灾的行为。
5.如果遇到气候恶劣的情况(如大风、暴雨等),应暂停施工以确保施工人员的安全。
避雷针施工方案引言概述:避雷针是一种用于保护建造物和其他高耸物体免受雷击的装置。
它通过引导雷电放电到地面,有效地减少了雷电对建造物和人身安全的威胁。
本文将详细介绍避雷针施工方案,包括材料选择、安装位置、施工步骤和维护保养等方面的内容。
一、材料选择1.1 导体材料:避雷针的导体材料应具有良好的导电性能,常用的材料有铜、铝和镀锌钢等。
铜具有良好的导电性和耐腐蚀性,是常用的导体材料之一。
1.2 绝缘材料:绝缘材料用于避雷针的绝缘支撑和保护,常用的材料有玻璃纤维、陶瓷和聚合物等。
这些材料具有良好的绝缘性能和耐候性,能够有效地保护避雷针免受外界环境的影响。
1.3 接地材料:避雷针的接地材料应具有良好的导电性和耐腐蚀性,常用的材料有铜杆、铜板和铜带等。
接地材料的选择要考虑到地质条件和土壤的导电性能,以确保避雷针的接地效果。
二、安装位置2.1 高度选择:避雷针的安装高度应根据建造物的高度和周围地形等因素来确定。
普通情况下,避雷针的高度应大于建造物最高点的高度,以确保其能够有效地吸引雷电。
2.2 布置密度:避雷针的布置密度应根据建造物的大小和形状来确定。
普通来说,建造物的每一个角落和突出部份都应安装避雷针,以提高其整体的避雷能力。
2.3 防护范围:避雷针的安装位置应覆盖建造物的全部范围,以确保雷电能够被引导到地面。
同时,还应考虑到周围环境的安全性,避免雷电对周围设施和人员造成伤害。
三、施工步骤3.1 前期准备:施工前需要对建造物进行勘测和设计,确定避雷针的安装位置和数量。
同时,还需要准备好所需的材料和工具,确保施工顺利进行。
3.2 安装避雷针:根据设计方案,先安装避雷针的导体部份,然后固定绝缘支撑和接地装置。
在安装过程中,需要注意导体与绝缘支撑之间的连接,以确保导电性能和绝缘性能的良好。
3.3 联接和接地:在避雷针的安装完成后,需要进行导体的联接和接地。
导体之间的联接应采用可靠的连接方式,接地装置应与地面良好接触,以确保避雷针的正常工作。
避雷针安装施工方案1. 引言避雷针是一种用于保护建筑物和设施免受雷击的装置。
它通过引导雷电将其能量释放到地面,从而防止雷电对建筑物和其他设施造成损害。
本文档将介绍避雷针的安装施工方案。
2. 安装前准备在开始安装避雷针之前,需要进行一些准备工作:•完成建筑物的结构检查,确保建筑物能够支撑避雷针的重量。
•确定避雷针的安装位置,一般来说,避雷针应该安装在建筑物的最高点。
•聘请专业的避雷针安装公司或工程师,他们将提供专业的建议和施工方案。
3. 施工步骤步骤一:确定安装位置首先,根据建筑物的结构和地形,确定避雷针的安装位置。
一般情况下,避雷针应该安装在建筑物最高点,高出建筑物上其他物体,以提供最佳的保护效果。
步骤二:安装避雷针导线在安装位置确定后,需要安装避雷针导线。
导线应选择具有良好导电性能和耐腐蚀性的材料,如铜或铝。
导线铺设时应保持导线的垂直和水平度,确保其能够承受风力和其他外力。
步骤三:安装避雷针支架安装导线后,需要安装避雷针支架。
支架应使用耐腐蚀的材料制作,确保其稳定性和耐久性。
支架应与导线连接紧密,以确保雷电能够通过导线顺利释放到地面。
步骤四:安装避雷针接地装置安装好避雷针支架后,需要安装避雷针接地装置。
接地装置的作用是将雷电释放到地面,以保护建筑物和其他设施。
接地装置应选择导电性能良好的材料,并进行适当的接地处理,以保证其有效性。
步骤五:接地装置连接在完成避雷针接地装置的安装后,需要将其与避雷针导线连接。
连接应牢固可靠,以确保雷电能够顺利通过导线释放到地面。
步骤六:验收安装完成后,应进行避雷针的验收。
验收应由专业的避雷针公司或工程师进行,他们将检查避雷针的安装情况,确保其符合相关标准和要求。
4. 注意事项在安装避雷针时,需要注意以下事项:•避雷针的安装应符合国家和地方相关的规范和标准。
•安装过程中,需要遵守相关的安全操作规程,确保工人和设施的安全。
•定期检查避雷针的状态,确保其正常运行和有效性。
避雷针安装实施方案一、前言避雷针是一种用于防雷保护的设备,安装避雷针是建筑物防雷工程的重要组成部分。
正确的避雷针安装实施方案对于保护建筑物和人员的安全至关重要。
本文将详细介绍避雷针安装的实施方案,以确保安装工作的顺利进行。
二、安装前的准备工作1. 确定安装位置:在进行避雷针安装前,需要仔细选择合适的位置,通常应选择建筑物屋顶或高处,确保避雷针能够有效接收雷电的影响。
2. 安装设备准备:准备好所需的安装设备,包括避雷针、安装工具、安全防护用具等。
3. 安装人员培训:安装人员需要接受相关的安全培训和专业技术培训,确保他们具备安全意识和操作技能。
三、安装过程1. 安全防护:在进行避雷针安装前,安装人员需要穿戴好安全帽、安全绳等安全防护用具,确保安装过程中的安全。
2. 固定支架:首先需要在安装位置固定支架,确保支架牢固可靠。
3. 安装避雷针:将避雷针安装在支架上,并使用专业工具进行固定,确保避雷针稳固。
4. 接地处理:对避雷针进行接地处理,确保避雷针能够有效地将雷电引入地下。
5. 检查调试:安装完成后,需要对避雷针进行检查和调试,确保其正常工作。
四、安装后的注意事项1. 定期检查:安装完成后,需要定期对避雷针进行检查,确保其工作正常。
2. 维护保养:定期对避雷针进行清洁和维护保养,延长其使用寿命。
3. 安全警示:在避雷针周围设置安全警示标识,提醒人们注意避雷针的存在。
4. 废弃处理:避雷针达到使用寿命后,需要按照相关规定进行废弃处理,确保环境安全。
五、结语避雷针作为建筑物防雷工程的重要组成部分,安装过程需要严格按照实施方案进行,确保安全和可靠。
本文介绍了避雷针安装的实施方案,希望能对相关工作提供帮助,确保建筑物和人员的安全。
避雷针吊装方案1. 引言避雷针是一种用于防雷击的装置,安装在建筑物或其他高耸物体的顶部,以引导雷电放电到地面,避免损坏建筑物或其他设施。
在安装避雷针时,吊装是必不可少的步骤。
本文将介绍一种避雷针的吊装方案,确保安全、高效地完成吊装工作。
2. 吊装设备准备在进行避雷针的吊装工作之前,需要准备以下吊装设备:•吊车:选择适量的吊车,具体根据避雷针的重量和高度来确定。
确保吊车能够承受避雷针的重量并能够达到所需的高度。
•吊具:根据避雷针的重量和结构设计适合的吊具,以确保吊装过程中的安全。
•安全带:为工作人员提供安全保护,防止意外滑倒或跌落。
•手工工具:如扳手、螺丝刀等,用于避雷针的组装和固定。
3. 操作步骤3.1. 评估吊装环境在进行吊装工作之前,必须对吊装环境进行全面评估。
以下几个因素需要考虑:•地面条件:确保吊车能够平稳行驶并停放在坚固的地面上,避免因地面不稳而造成的吊装风险。
•周围环境:确保没有障碍物或危险因素,防止日后吊装过程中的意外发生。
3.2. 安全措施吊装过程中安全是首要考虑的因素。
以下是一些常见的吊装安全措施:•工作人员佩戴安全帽、防滑鞋和醒目的工作服,确保工作人员的身体安全。
•工作人员需接受相关的安全培训,熟悉吊装操作的规程和注意事项。
•确保吊装设备经过定期检查和维护,并自检设备的工作状态。
•在避雷针上设置安全围栏,保护周围人员远离施工区域。
3.3. 吊装避雷针以下是避雷针吊装的具体步骤:1.将吊具连接到吊车的提升装置上,并确保吊具牢固可靠。
2.工作人员穿戴好安全带,登上吊车,并与地面工作人员保持良好的沟通。
3.吊起避雷针前,工作人员需与地面团队协作,确保避雷针周围没有人员和障碍物。
4.慢慢地将避雷针提升到所需的高度,并在接近目标位置时进行小幅度调整,确保避雷针的准确定位。
5.将避雷针固定在建筑物或其他物体上。
使用相应的手工工具,紧固螺栓或其他固定装置,确保避雷针的稳固与牢固。
6.吊车将避雷针下降到安全地面后,工作人员再次检查避雷针的安装情况,并确保没有任何问题或缺陷。
塔吊避雷针制作与安装方案一、引言塔吊是建筑工地中常见的起重设备,由于其高度和特殊工作环境,容易成为雷击的目标。
为了保护塔吊及人员安全,必须在塔吊上安装避雷针。
本文将详细介绍塔吊避雷针的制作与安装方案,以确保塔吊能够有效地避免雷击。
二、避雷针的制作1.材料准备避雷针的主要材料包括不锈钢杆、抗氧化涂料、绝缘胶套、连接件等。
选用不锈钢材料是因为其具有优良的抗腐蚀性能,能够在恶劣的环境条件下长期使用。
2.制作过程(1)将不锈钢杆按照设计要求切割成适当长度,并对切口进行打磨,确保没有锋利的边缘。
(2)在不锈钢杆的顶端和底端分别固定连接件,以便将避雷针连接到塔吊上。
(3)在不锈钢杆上涂刷抗氧化涂料,以增加杆的防腐蚀性能,延长避雷针的使用寿命。
(4)在避雷针与塔吊的接触处安装绝缘胶套,以确保避雷针与塔吊之间有足够的绝缘距离,防止电击事故的发生。
三、避雷针的安装1.选择安装位置避雷针的安装位置应根据塔吊的结构和布局进行选择。
一般来说,避雷针应该安装在塔吊的最高点,以便迅速引导雷电到达地面,减少雷击的可能。
2.安装方法(1)在塔吊的最高点预留一个适当大小的孔,以便安装避雷针。
(2)将避雷针的连接件固定在预留孔上,确保避雷针与塔吊之间的连接可靠。
(3)在避雷针与塔吊的接触处使用绝缘胶套进行绝缘处理。
(4)对避雷针进行必要的调整和固定,确保其稳固牢靠。
四、使用与维护1.避雷针的使用避雷针应长期保持清洁,并定期检查是否存在松动、损坏等现象。
在雷雨天气临近时,应及时关闭塔吊并将避雷针全面检查一遍,以确保其良好的工作状态。
2.维护与修理如果避雷针发现松动或损坏,应立即停止使用并进行修理。
对于损坏严重的避雷针,应及时更换以保证塔吊和人员的安全。
五、结论通过有效制作与安装避雷针,可以保护塔吊及工地人员的安全。
然而,仅仅依靠避雷针并不能完全杜绝雷击事故的发生,因此在使用塔吊时,还应注意天气情况,及时采取相应的防雷措施,确保工地的安全运行。
避雷针施工方案一、项目背景随着现代城市建设的不断发展,雷电灾害对建造物和人们的生命财产安全造成为了严重威胁。
为了有效防范雷电灾害,避雷针施工成为必不可少的工程措施之一。
本文将详细介绍避雷针施工方案的具体要求和标准。
二、施工方案1. 施工前准备1.1 确定施工区域:根据建造物的高度、结构和周围环境等因素,确定避雷针的安装位置和数量。
1.2 资料准备:采集建造物的结构图纸、设计规范和相关技术资料,为施工提供参考依据。
1.3 材料准备:准备符合国家标准的避雷针材料,包括导体、接地装置、支架、连接件等。
1.4 设备准备:准备好安装避雷针所需的施工工具和设备,如起重机、焊接设备、测量仪器等。
2. 施工流程2.1 安装导体:根据设计要求,将导体固定在建造物的高处,确保导体与建造物之间的接触良好。
2.2 安装接地装置:将接地装置埋入地下,确保地下部份与导体之间的连接坚固可靠。
2.3 安装支架:根据导体的长度和形状,选择合适的支架进行安装,确保导体的稳定性和垂直度。
2.4 连接导体和接地装置:使用合适的连接件将导体与接地装置连接起来,确保导体与地下接地装置之间的导电性能良好。
2.5 检查和测试:在施工完成后,对避雷针进行检查和测试,确保其符合设计要求和国家标准。
3. 施工要求3.1 安全第一:施工人员必须遵守安全操作规程,佩戴必要的个人防护装备,确保施工过程中的人身安全。
3.2 施工质量:施工人员必须按照设计要求和国家标准进行施工,保证避雷针的质量和可靠性。
3.3 施工环境:施工现场必须保持整洁,确保施工过程中没有杂物和障碍物影响施工质量和进度。
3.4 施工记录:施工人员必须做好施工记录,包括施工过程中的关键节点、施工人员的工作情况和施工材料的使用情况等。
4. 施工验收4.1 施工验收标准:根据国家相关标准和设计要求,对避雷针的安装质量、导体与接地装置的连接性能等进行检查和测试。
4.2 施工验收程序:由建设单位或者相关部门组织专业人员进行施工验收,对避雷针的安装质量和性能进行全面检查和测试。
QTZ80F塔吊防雷接地施工方案
QTZ80F塔吊采用Φ16镀锌圆钢引至塔尖500mm,作避雷针,引下线采用16mm2钢总线引至接地极,接地极用100扁铁埋6m,与主楼基础接地网相连。
QTZ80F塔吊附墙装置设计和安装
一、附墙装置说明
根据QTZ80F塔吊使用说明书,附墙壁装置的使用规定,共设四道附墙装置,其高度分别在30m、25m和20m,附墙壁上的自由端为15m。
二、附墙壁装置设计和安装要点
1、设计和安装依据《QTZ80F塔吊使用说明书》。
2、附着是由四个撑杆和一套环梁等组成,它主要是把塔机固定在建筑物的梁上,起着依附作用,使用时环梁套在标准节上,四角用八个调节螺栓通过顶块把标准节顶牢,其撑杆长度可以调整,撑杆采用直径150mm的无缝钢管和调节丝杆组成。
3、四根撑杆应保持在同一水平内,调整顶块及撑杆长度使塔身轴线铅直。
4、安装附墙壁装置必须用经纬仪对塔身进行垂直度校正,避免因附墙装置引起塔身倾斜或扭转变形。
三、钢材和焊条
1、E43型用于Ⅰ级钢,型钢及钢板。
2、E50型用于Ⅱ级钢。
塔吊避雷针制作与安装方案完整版塔吊避雷针制作与安装方案HEN system office room 【HEN16H-HENS2AHENS8Q8-HENH1688】避雷针制作与安装方案1、所有金属部件必须镀锌,操作时注意保护镀锌层。
2、采用镀锌钢管管制作针尖,管壁厚度不得小于3mm,针尖刷锡长度不得小于70mm3、避雷针应垂直安装牢固。
垂直度允许偏差为3/1000。
4、焊接要求焊接应采用搭接焊,其搭接长度必须符合下列规定:5、扁钢为其宽度的2倍(且至少3个棱边焊接)。
6、圆钢为其直径的6倍。
7、圆钢与扁钢连接时,其长度为圆钢直径的6倍。
8、避雷针一般采用圆钢或钢管制成,其直径不应小于独立避雷针直径为19mm镀锌圆钢。
9、防雷接地体采用4*40mm镀锌扁铁与桩主筋焊接,接地电阻不得大于1欧姆;10、避雷引下线采用35mm2铜芯线,一端与镀锌扁铁用M10螺栓锚固,上端与塔帽避雷针锚固,避雷针采用直径20镀锌钢管,下焊70*70*5镀锌角钢,针尖采用直径16镀锌圆钢磨尖,安装长度高于塔帽1米。
11、保护接地与塔吊连接:在塔基底座上焊一只M12的螺栓,保护接地线一端固定在螺栓上,一端固定在开关箱箱内保护接地端子板上,该线直径与塔吊进线同截面。
避雷针制作与安装注意的质量问题:焊接处一不饱满,焊药处理不干净,漏刷防锈漆。
应及时予以补焊,将药皮敲掉,刷上防锈漆。
针体弯曲,安装的垂直度超出允许偏差。
应将针体重新调直,符合要求后再安装独立避雷针及其接地装置与道路或建筑物的出入口保护距离不符合规定。
其距离应大于3m,当小于3m时,应采取均压措施或铺设卵石或沥青地。
特别注意:1.当遇到雷电大风大雨及恶劣天气时,拉掉电源总闸,严禁操作使用。
2. 避雷针如果没接地将是个迎雷针,所以必须谨慎。
避雷针施工方案标题:避雷针施工方案引言概述:避雷针是一种用于保护建造物和人员免受雷击危害的重要设施。
正确的避雷针施工方案对于建造物的安全至关重要。
本文将详细介绍避雷针施工方案的要点。
一、避雷针选材1.1 选用合适的材料避雷针的主要材料通常为铜、铝或者不锈钢。
在选择材料时,需要考虑其导电性能、耐腐蚀性和耐候性等因素。
1.2 考虑建造物环境根据建造物所处的环境条件,选择适合的材料。
例如,在海边或者工业区域建造物,应选择耐腐蚀性强的材料。
1.3 考虑成本和效益在选材时,需要综合考虑材料的成本和使用寿命,以确保施工方案的经济性和效益性。
二、避雷针布设2.1 合理布设位置避雷针的布设位置应考虑建造物的高度、形状和周围环境等因素,确保其能够有效地引导雷电流到地面。
2.2 注意与其他设施的协调在布设避雷针时,需要考虑与建造物其他设施的协调,避免影响建造物的外观和功能。
2.3 确保接地可靠避雷针的接地是其正常工作的关键,需要确保接地系统的可靠性和有效性,以保证雷电能够安全地释放到地面。
三、避雷针施工工艺3.1 安全第一在进行避雷针施工时,必须严格遵守安全操作规程,确保施工人员和周围环境的安全。
3.2 严格按照设计要求施工避雷针施工必须按照设计要求进行,包括材料选择、布设位置和接地处理等方面,确保施工质量和效果。
3.3 定期检查和维护施工完成后,需要定期对避雷针进行检查和维护,确保其正常运行和保护建造物的安全。
四、避雷针施工验收4.1 检查施工质量在避雷针施工完成后,需要进行验收,检查施工质量是否符合设计要求,确保避雷针能够正常工作。
4.2 测试避雷效果验收时需要进行避雷效果测试,检查避雷针是否能够有效地引导雷电流到地面,保护建造物和人员的安全。
4.3 出具验收报告验收合格后,需要出具验收报告,明确避雷针施工的质量和效果,确保建造物的安全。
五、避雷针施工后维护5.1 定期检查避雷针施工后需要定期进行检查,发现问题及时处理,确保其正常工作。
塔吊避雷针制作与安装
方案
内部编号:(YUUT-TBBY-MMUT-URRUY-UOOY-DBUYI-0128)
避雷针制作与安装方案
1、所有金属部件必须镀锌,操作时注意保护镀锌层。
2、采用镀锌钢管管制作针尖,管壁厚度不得小于3mm,针尖刷锡长度不得小于70mm
3、避雷针应垂直安装牢固。
垂直度允许偏差为3/1000。
4、焊接要求焊接应采用搭接焊,其搭接长度必须符合下列规定:
5、扁钢为其宽度的2倍(且至少3个棱边焊接)。
6、圆钢为其直径的6倍。
7、圆钢与扁钢连接时,其长度为圆钢直径的6倍。
8、避雷针一般采用圆钢或钢管制成,其直径不应小于独立避雷针直径为19mm 镀锌圆钢。
9、防雷接地体采用4*40mm镀锌扁铁与桩主筋焊接,接地电阻不得大于1欧姆;
10、避雷引下线采用35mm2铜芯线,一端与镀锌扁铁用M10螺栓锚固,上端与塔帽避雷针锚固,避雷针采用直径20镀锌钢管,下焊70*70*5镀锌角钢,针尖采用直径16镀锌圆钢磨尖,安装长度高于塔帽1米。
11、保护接地与塔吊连接:在塔基底座上焊一只M12的螺栓,保护接地线一端固定在螺栓上,一端固定在开关箱箱内保护接地端子板上,该线直径与塔吊进线同截面。
避雷针制作与安装注意的质量问题:
焊接处一不饱满,焊药处理不干净,漏刷防锈漆。
应及时予以补焊,将药皮敲掉,刷上防锈漆。
针体弯曲,安装的垂直度超出允许偏差。
应将针体重新调直,符合要求后再安装
独立避雷针及其接地装置与道路或建筑物的出入口保护距离不符合规定。
其距离应大于3m,当小于3m时,应采取均压措施或铺设卵石或沥青地。
特别注意:
1.当遇到雷电大风大雨及恶劣天气时,拉掉电源总闸,严禁操作使用。
2.避雷针如果没接地将是个迎雷针,所以必须谨慎。