临床血液学检验骨髓报告单样例
- 格式:docx
- 大小:9.01 KB
- 文档页数:4
临床血液学检验骨髓报告单样本一、缺铁性贫血(IDA)骨髓片:1、取材、涂片、染色良好。
2、骨髓有核细胞增生活跃,粒系占35.5%,红系占54.5%,粒红比值为1.54:1。
3、红系增生明显活跃,以中晚幼红增生为主,晚幼红增生尤其明显,细胞体积小,胞浆蓝染,胞浆量少,边缘不整齐,成熟红细胞中心淡染区扩大,可见嗜多色性红细胞。
4、粒系增生活跃,各阶段比值形态无异常改变。
5、淋巴系统正常,均为成熟淋巴。
6、单核细胞正常。
7、其他非造血细胞未见。
8、巨核细胞易见,血小板成群分布,形态正常。
9、未见血液寄生虫及其他异常细胞。
血片:1、涂片、染色可,白细胞分布正常。
2、白细胞分类正常,成熟红细胞同骨髓样改变。
3、血小板易见,三五成群分布,形态正常。
4、未见血液寄生虫及其他异常细胞。
组化染色:铁染色:内铁(—),外铁(—)网织红计数:正常结合骨髓象、血象、组化染色,提示为缺铁性贫血。
二、再生障碍性贫血(AA)骨髓片:1、取材、涂片、染色良好。
2、骨髓有核细胞增生减低,粒系占26.8%,红系占10%,粒红比值为2.68:1。
3、红系增生减低,幼稚红细胞形态无异常改变,成熟红细胞形态正常。
4、粒系增生减低,各阶段幼稚粒细胞形态正常。
5、淋巴系统比值相对升高,均为成熟淋巴。
6、单核细胞正常。
7、其他非造血细胞可见。
8、巨核细胞未见,血小板分布减少,体积小。
9、未见血液寄生虫及其他异常细胞。
血片:1、涂片、染色可,白细胞分布减少。
2、白细胞分类正常,成熟红细胞形态正常。
3、血小板分布减少,呈散在单个分布。
4、未见血液寄生虫及其他异常细胞。
组化染色:铁染色:内铁升高,外铁正常网织红计数:减少结合骨髓象、血象、组化染色,提示为再生障碍性贫血。
三、急性髓细胞白血病部分成熟型(M2a型)骨髓片:1、取材、涂片、染色良好。
2、骨髓有核细胞增生极度活跃,粒系占60.8%,红系占13.2%,粒红比值为4.61:1。
3、粒系极度增生,比值明显增大,以原粒增生为主,原粒38.9%,NFC86.8%,白细胞大小均匀,可见大原粒或小原粒,核有畸形,胞浆少,可出现空泡及奥氏小体,核仁显著,核分裂易见。
骨髓细胞学检查图文报告单姓名XXX 年龄XX 采取部位髂骨、胸骨性别X 科别血液科采取日期XXX-XX-XX 病案号591965 涂片号8665 临床诊断—---------检查报告诊断意见:检验医师签名:报告日期:骨髓细胞学检查图文报告单姓名XXX 年龄XX 性别X 科别血液科采取日期XXX-XX-XX 病案号591965 采取部位髂骨、胸骨涂片号8665检查报告临床诊断-- --------细胞名称血片髓片% 平均值土标准%原始血细胞0.08 0.01粒细胞系统原始粒细胞0.64 0.33早幼粒细胞 1.57 0.6中性粒细胞中幼 1 6.49 2.04 6. 5晚幼 5 7.90 1.97 3. 5杆状核10 23.72 3.5 13分叶核20 9.44 1.92 9嗜酸粒细胞中幼0.38 0.23晚幼0.49 0.32杆状核 1.25 0.61分叶核0.86 0.61嗜碱粒细胞中幼0.02 0.05晚幼0.06 0.07杆状核0.10 0.09分叶核0.03 0.05红细胞系统原始红细胞0.57 0.07早幼红细胞0.92 0.41中幼红细胞 3 7.41 1.91 5 晚幼红细胞 5 10.75 2.36 11 早巨红细胞中巨红细胞晚巨红细胞淋巴细胞系统原始淋巴细胞0.05 0.09幼稚淋巴细胞0.47 0.84淋巴细胞46 22.78 7.04 15单核细胞系统原始单核细胞0.01 0.04幼稚单核细胞0.14 0.19单核细胞 2 3 0.88 1浆细胞系统原始浆细胞0.004 0.02幼稚浆细胞0.104 0.16 1 浆细胞8 0.71 0.42 35其他细胞网状细胞0.16 0.21 内皮细胞0.05 0.09 巨核细胞0.03 0.06 吞噬细胞0.05 0.09 组织嗜碱细胞0.03 0.09 组织嗜酸细胞0.004 0.03 脂肪细胞0.003 0.02分类不明细胞0.005 0.04分裂细胞个退化细胞个粒细胞系统:有核红细胞 2.76 0.87 2 血片共数白细胞100 个骨髓片共数有核细胞200 个骨髓有核细胞总数立方毫米特征:(一)骨髓片1、取材满意、涂片、染色正常。
巨幼贫血骨髓报告
JXYPH骨髓报告
报告人:X医生
报告日期:20XX年X月X日
一、受检者信息
姓名:XX 性别:女年龄:X岁
住址:XX省XX市XX区XX路XX号
电话:XXX-XXXX-XXXX
二、检查结果
1.临床表现:
患者感觉乏力、头晕、心悸,体检时发现皮肤苍白、巨幼贫血症状明显。
2.实验室检查:
(1)血常规:Hb 46g/L,RBC 1.50×10^12/L,MCV 83.5 fl,MCH 27.1 pg,MCHC 32.4 g/dL,RDW-CV 21%。
(2)骨髓形态学:骨髓涂片显示幼红细胞占90%,骨髓造血系列
细胞减少。
(3)骨髓免疫表型:光镜下,骨髓成熟红细胞表面CD59、CD55、CD58缺失。
(4)遗传学检查:检测结果显示患者为PNH(缺乏表面CD59、CD55基因)。
三、诊断意见:
患者表现为巨幼贫血,骨髓造血功能减退,实验室检查显示缺
乏表面CD59、CD55基因,符合PNH的诊断标准。
四、治疗建议:
1.针对巨幼贫血的症状,建议输注红细胞悬液以提高血红蛋白
水平。
2.针对PNH基因缺陷,建议使用克唑替尼或依达拉奉(又称厄
洛替尼)等CD55、CD59的通道抑制剂,以减少溶血现象。
五、备注:
1.本报告仅供临床参考,具体治疗方案需根据患者实际情况制定。
2.若患者出现严重溶血现象,应及时输注血浆或血小板,密切观察患者情况。
鉴于患者病情严重,请根据医生建议尽快安排治疗,避免病情进一步恶化。
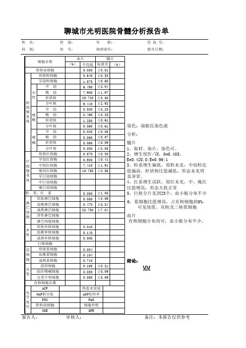
骨髓细胞学检查图文报告单姓名 XXX 年龄 XX 性别 X 科别 血液科 采取日期 XXX-XX-XX 报告日期 2010-11-13 病案号591965 采取部位 髂骨、胸骨 涂片号8665 临床诊断 ——缺铁性贫血骨髓象————检查报告细 胞 名 称 血片 髓 片 % 平均值 ±标准差 %原始血细胞 0.08 0.01 0粒细胞系统 原始粒细胞 0.64 0.33早幼粒细胞 1.57 0.6 0中 性粒细胞 中幼 6.49 2.04 7晚幼 7.90 1.97 10杆状核 8 23.72 3.5 17分叶核 64 9.44 1.92 3 嗜 酸粒细胞 中幼 0.38 0.23 晚幼 0.49 0.32 杆状核 1.25 0.61 1分叶核 2 0.86 0.61嗜 碱 粒细胞 中幼 0.02 0.05晚幼 0.06 0.07杆状核 0.10 0.09分叶核 0.03 0.05红细胞系统原始红细胞 0.57 0.07 0早幼红细胞 0.92 0.41 0.5 中幼红细胞 7.41 1.91 9.5晚幼红细胞 10.75 2.36 33早巨红细胞 中巨红细胞晚巨红细胞淋巴细胞系统 原始淋巴细胞 0.05 0.09幼稚淋巴细胞0.47 0.84 淋巴细胞 24 22.78 7.04 15.5 单核细胞系统 原始单核细胞 0.01 0.04幼稚单核细胞0.14 0.19 单核细胞 2 3 0.88 3.5 浆细胞系统 原始浆细胞 0.004 0.02幼稚浆细胞0.104 0.16 浆细胞 0.71 0.42 其他细胞 网状细胞 0.16 0.21内皮细胞 0.05 0.09巨核细胞0.03 0.06 吞噬细胞 0.05 0.09 组织嗜碱细胞 0.03 0.09组织嗜酸细胞 0.004 0.03脂肪细胞 0.003 0.02分类不明细胞 0.005 0.04分裂细胞 个退化细胞 个粒细胞系统:有核红细胞 2.76 0.87血片共数白细胞 100 个骨髓片共数有核细胞 200 个骨髓有核细胞总数 /立方毫米 特征: (一)骨髓片 1、取材,涂片,染色良好 2、有核细胞增生明显活跃,G=37%,E=43%,G/E=0.86:1 3、粒细胞系统减低,以中性粒细胞杆状核为主,杆状核,分叶核比例偏低,其他各阶段细胞比例形态无明显异常,中毒颗粒常见 4、红细胞系统增高,以晚幼红细胞为主,晚幼红细胞比例偏高,胞质偏蓝,部分有裙边样改变。
骨髓细胞学检查图文报告单姓名 XXX 年龄 XX 性别 X 科别血液科采取日期 XXX-XX-XX 病案号591965 采取部位髂骨、胸骨涂片号8665 临床诊断—-------------------------------—————诊断意见:检验医师签名:报告日期:骨髓细胞学检查图文报告单姓名 XXX 年龄 XX 性别 X 科别血液科采取日期 XXX-XX-XX 病案号591965 采取部位髂骨、胸骨涂片号8665 临床诊断———-------------------———精品文档特征: (一)骨髓片 1、取材满意、涂片、染色正常。
2、骨髓有核细胞增生活跃,粒细胞系占全部有核细胞比例为32%,红细胞系为16%,其粒红比值为2:1。
3、粒系增生受抑制,以中性粒细胞杆状核为主。
4、红系增生受抑制,成熟红细胞形态大致正常,呈缗钱状排列。
5、骨髓瘤细胞明显增生,原、幼浆细胞明显增多。
6、淋巴细胞(15%)和单核细胞(1%),多以成熟细胞为主,比例和形态均大致正常。
7、巨系增生明显抑制,全片未见巨核细胞,血小板少见。
8、全片未见寄生虫及其它异常细胞。
(二)血片 1、取材,涂片,染色正常,全片白细胞总数大致正常。
2、成熟粒细胞减少,可见幼稚中性粒细胞。
3、成熟红细胞形态形态大致正常,成缗钱状排列。
4、淋巴细胞(46%)比例相对增多;单核细胞(2%)比例和形态大致正常;可见部分异常浆细胞(8%)。
5、血小板少见。
6、无寄生虫及其它异常细胞。
诊断意见:多发性骨髓瘤(MM )骨髓象 检验医师签名: 报告日期 2010-10-13。
正常:髓像1. 取材,涂片,染色良好。
2. 骨髓增生活跃,其中粒系占%,红系占%,粒:红= 。
3. 粒系增生活跃,各阶段可见,形态大致正常。
4. 红系增生活跃,以中晚幼红细胞增生为主,形态未见异常。
5. 淋巴细胞占%,形态正常。
6. 环片一周见到巨核细胞个,其中见到产板巨核细胞个,血小板可见。
血像白细胞,分数见左表。
血小板可见,无核红细胞形态正常。
M1:原始粒细胞白血病未分化型(M1型)髓像1. 取材,涂片,染色良好。
2. 骨髓增生明显活跃,其中粒系占%,红系占%,粒:红= .3. 粒系异常增生,以原始粒细胞为主,占%,其形态为胞体规则,多呈圆形,类圆形,胞浆量少,均匀天蓝色,边缘色较深,无或含少许颗粒;胞核类圆形,偏位,核质呈微细颗粒状,分布均匀,核仁小而圆2-5个,核仁周界明显。
4. 红巨两系明显受抑。
血像白细胞,分数见左表。
血小板少见。
M2a: 原始粒细胞白血病部分分化型(M2a型)髓像1. 取材,涂片,染色良好。
2. 骨髓增生明显活跃,其中粒系占%,红系占%,粒:红=。
3. 粒系异常增生,以原始粒细胞为主,占%,其形态特点为胞体大小不等,多呈类圆形,或椭圆形,明显核浆发育紊乱,胞浆量中等,呈天蓝色,边缘色较深,多含少许嗜天青颗粒,可见Auer小体;胞核多不规则,可见凹陷,折迭,肾形等,核质呈微细颗粒状,分布均匀,核仁2-5个,核仁周界明显。
4. 红巨两系明显受抑。
血像白细胞,分数见左表。
血小板少见。
M2b 亚急性粒细胞白血病(M2b型)髓像1. 取材,涂片,染色良好。
2. 骨髓增生明显活跃,,其中粒系占%,红系占%,粒:红=.3. 粒系异常增生,原始及早幼粒细胞增多,以病态中幼粒细胞为主,占%,其形态特点为胞体呈不规则形,明显核浆发育不平衡,易见内外浆,内浆呈粉红色,含中性特异性颗粒,外浆深蓝色;胞核呈多形性,核质疏松,多可见核仁2-4个。
4. 淋巴细胞占%,形态正常。
5. 红巨两系明显受抑。
邹平县中医院骨髓报告单病人姓名:陈国华 性别:男 年龄:60 送检科室:两腺科 病历号:髓片:标本稀释、涂片、染色良好。
1.骨髓增生活跃。
2. 粒系增生活跃,中性粒细胞胞浆颗粒较粗大、深染、空泡易见。
3. 红系增生活跃,形态比值未见明显异常,成熟红细胞呈正细胞正色素。
4. 全片共查见巨核细胞26个,血小板多见。
5. 未查见特殊病理细胞及寄生虫。
血片:1。
白细胞无明显增减,成熟红细胞及血小板同上描述。
意见:骨髓象未见明显异常检验医师:报告日期2013-6-01(备注:血片共计白细胞数100个,髓片共计有核细胞200个)细胞名称血片髓片原始细胞平均值 标准差+- % 分叶原始粒细胞 0.64 0.33 早幼粒细胞 1.57 0.60 2.0 中性粒 中幼 6.49 2.04 8.5晚幼7.90 1.97 9.5 杆状21 23.72 3.50 36.5 分叶 50 9.44 2.92 11.5 嗜酸粒 中幼 0.38 0.23晚幼 0.49 0.30杆状1.25 0.61 分叶 0.86 0.61 嗜碱粒 中幼 0.02 0.05晚幼 0.060.07 杆状0.10 0.09分叶0.03 0.05原始红细胞0.57 0.30 早幼红细胞 0.920.41 1.0中幼红细胞 7.41 1.91 4.0 晚幼红细胞10.75 2.36 7.0早巨红细胞 中巨红细胞 晚巨红细胞淋巴系原始淋巴 0.05 0.09 幼稚淋巴 0.47 0.84成熟淋巴2022.78 7.04 17.0单核系原始单核 0.01 0.04 幼稚单核0.14 0.19 成熟单核93.0 0.88 2.0浆细胞系 原始浆细胞0.0040.02幼稚浆细胞0.104 0.16浆细胞0.71 0.42 1.0 其他细胞组织细胞 0.16 0.021巨核细胞 0.03 0.06 组织细胞0.160.21。
表4-2-8 骨髓细胞学检查报告
姓名__________ 性别______ 年龄______ 病室_____ __ 病历号________
临床诊断_______ ___ 送检医师______ ___ 标本编号___________
___月___日染色方法_Wright染色_
骨髓象特征:
(1)取材满意,骨髓小粒丰富,涂片及染色良好
(2)骨髓增生明显活跃,粒、红两系细胞增生均活跃,粒红比例1.2:1
(3)红细胞系明显增生,占36.6%,以中幼及晚幼红细胞为主,中幼红增生尤为明显。
中幼红细胞大多胞体较小,胞质量少,有的胞质边缘呈水滴状,裙边状突起,胞质着色偏嗜碱性,部分晚幼红细胞核已固缩呈致密紫黑色的小核,而胞质仍呈嗜多色性,显示胞质发育落后于胞核。
成熟红细胞呈大小不均,着色浅,中央苍白区扩大,可见嗜多色性红细胞及点彩红细胞。
(4)粒细胞系增生活跃,各阶段比例及形态大致正常
(5)其他系细胞未见异常
(6)巨核细胞全片可见32个,颗粒型及产血小板型占76%,涂片中散在成堆血小板易见,形态未见异常
(7)未见异常细胞及寄生虫
(8)骨髓铁染色:细胞
(9)外铁(-),铁粒幼细胞2%
血片:
(1)涂片及染色良好
(2)白细胞分类计数及白细胞形态未见异常
(3)红细胞大小不均,淡染,中央苍白区扩大,可见嗜多色性红细胞及点彩红细胞
(4)散在血小板易见,形态无异常
(5)未见异常细胞及寄生虫
意见:根据骨髓象及血象所见,结合临床资料,符合缺铁性贫血骨髓象
检验者_____________
报告日期___ 年_ 月_ 日。