高中电学实验练习题
- 格式:doc
- 大小:500.00 KB
- 文档页数:8
电学实验练习题例 1、用伏安法测量一个定值电阻的器材规格如下:待测电阻Rx(约 100 Ω); 直流电流表(量程 0~10 mA、内阻 50 Ω);直流电压表(量程 0~3 V、内阻 5 k Ω); 直流电源(输出电压4 V、内阻不计);滑动变阻器(0~15 Ω、允许最大电流1 A);开关1 个,导线若干 .根据器材的规格和实验要求画出实验电路图.【解析】用伏安法测量电阻有两种连接方式,即电流表的内接法和外接法,由于R x<RA R ,故电流表应采用外接法. 在控制电路中,若采v用变阻器的限流接法,当滑动变阻器阻值调至最大,通过负载的电流最小,I min=RER A Rx=24 mA>10 mA,此时电流仍超过电流表的量程,故滑动变阻器必须采用分压接法. 如图10-5图所1示0-5. 例2、在某校开展的科技活动中,为了要测出一个未知电阻的阻值Rx,现有如下器材:读数不准的电流表A、定值电阻R0、电阻箱R1、滑动变阻器R2、单刀单掷开关 S1、单刀双掷开关S2、电源和导线。
⑴画出实验电路图,并在图上标出你所选用器材的代码。
⑵写出主要的实验操作步骤。
【解析】⑴实验电路如右图所示(此法俗称”替代法”)。
⑵①将 S2 与 Rx相接,记下电流表指针所指位置。
②将S2 与R1 相接,保持 R2 不变,调节 R1 的阻值,使电流表的指针指在原位置上,记下R1 的值,则 Rx=R1。
例3、用以下器材测量一待测电阻Rx 的阻值(900~1000Ω):电源E,具有一定内阻,电动势约为9.0V;电压表V1,量程为1.5V,内阻 r1=750Ω;电压表 V2,量程为 5V,内阻 r2=2500Ω;滑动变阻器R,最大阻值约为100Ω;)单刀单掷开关K,导线若干。
测量中要求电压表的读数不小于其量程的1/3,试画出测量电阻Rx 的一种实验电路原理图。
【解析】如图所示(用已知内阻的电压表代替电流表)例4 用以下器材测量一待测电阻的阻值。
物理电学实验专题一、伏安法测电阻及拓展1.下表中选出适当的器材,试设计一个测量阻值约为15k Ω的电阻的电路。
要求方法简捷,R X 两端电压能从0开始变化,要求有尽可能高的精确度。
电流表A 1:量程1mA 内阻约50Ω; 电流表A 2:量程300A μ 内阻约300Ω 电流表A 3:量程100A μ 内阻约500Ω;电压表V 1:量程10V 内阻约15K Ω 固定电阻:R 0=9990Ω; 电流表G :I g =300A μ、R g =10Ω。
滑动变阻器R 1: 阻值约50Ω;额定电流为1A滑动变阻器R 2: 阻值约100K Ω 额定电流为0.001A 电池组:E=3V ;内阻小但不可忽略; 开关,导线若干2. 两块电压表测电阻用以下器材测量一待测电阻R x 的阻值(900~1000Ω): 电源E ,具有一定内阻,电动势约为9.0V ; 电压表V 1,量程为1.5V ,内阻r 1=750Ω; 电压表V 2,量程为5V ,内阻r 2=2500Ω; 滑线变阻器R ,最大阻值约为100Ω; 单刀单掷开关K ,导线若干。
(1)测量中要求电压表的读数不小于其量程的31,试画出测量电阻R x 的一种实验电路原理图(原理图中的元件要用题图中相应的英文字母标注)。
(2)根据你所画的电路原理图在题给的实物图上画出连线。
(3)若电压表V 1的读数用U 1表示,电压表V 2的读数用U 2表示,则由已知量和测得量表示R x 的公式为R x =_________________。
3. 两块电流表测电阻从下表中选出适当的实验器材,设计一电路来测量电流表A 1的内阻r 1。
要求方法简捷,有尽可能高的测量精度,并能测得多组数据。
器材代号 规格 电流表(A 1) 量程100mA ,内阻r 1待测(约40Ω) 电流表(A 2) 量程500uA ,内阻r 2=750Ω 电压表(V ) 量程10V ,内阻r 3=10k Ω 电阻(R 1) 阻值约100Ω,作保护电阻用 滑动变阻器(R 2) 总阻值约50Ω 电池(E ) 电动势1.5V ,内阻很小开关(K )导线若干(1)画出电路图,标明利用器材的代号。
电学实验练习题练习题一:串联电路中的电阻计算1. 在一个串联电路中,有一个电压源为12V,电阻数组成的部分分别是R1=2Ω、R2=4Ω和R3=6Ω。
求该串联电路总电阻和总电流。
解析:首先,我们需要确定串联电路的总电阻。
在串联电路中,总电阻可以通过将各电阻的阻值相加得到。
R_total = R1 + R2 + R3= 2Ω + 4Ω + 6Ω= 12Ω接下来,我们可以计算串联电路中的总电流。
根据欧姆定律,我们知道电流可以通过总电压除以总电阻得到。
I_total = V_total / R_total= 12V / 12Ω= 1A练习题二:并联电路中的电流计算2. 在一个并联电路中,有一个电流源为10A,电阻数组成的部分分别是R1=3Ω、R2=5Ω和R3=7Ω。
求该并联电路总电流和总电阻。
解析:首先,我们需要确定并联电路的总电流。
在并联电路中,总电流可以通过将各电流的值相加得到。
I_total = I1 + I2 + I3= 10A + 10A + 10A= 30A接下来,我们可以计算并联电路中的总电阻。
根据欧姆定律,我们知道电阻可以通过总电压除以总电流得到。
R_total = V_total / I_total从题目中没有给出总电压,所以无法计算总电阻。
练习题三:并联电路中的电阻计算3. 在一个并联电路中,有一个电压源为24V,电阻数组成的部分分别是R1=2Ω、R2=4Ω和R3=6Ω。
求该并联电路总电阻和总电流。
解析:首先,我们需要确定并联电路的总电阻。
在并联电路中,总电阻可以通过将各电阻的倒数相加取倒数得到。
1/R_total = 1/R1 + 1/R2 + 1/R3= 1/2Ω + 1/4Ω + 1/6Ω= (6 + 3 + 2) / 12Ω= 11 / 12ΩR_total = 12Ω / 11接下来,我们可以计算并联电路中的总电流。
根据欧姆定律,我们知道电流可以通过总电压除以总电阻得到。
I_total = V_total / R_total= 24V / (12Ω / 11)= 24V x (11 / 12Ω)= 22A结论:在第一题中,串联电路的总电阻为12Ω,总电流为1A。
“小灯泡伏安特性”中的功率问题一、实验题1.做“描绘小电珠的伏安特性曲线”实验时,已知所用小电珠的额定电压和额定功率分别为2.5V、1.2W,,实验可供选择的器材如下:a.电流表A1(量程0~0.6A,内阻约5Ω)b.电流表A2(量程0~3A,内阻约0.1Ω)c.电压表V1(量程0~3V,内阻约3kΩ)d.电压表V2(量程0~15V,内阻约2000Ω)e.滑动变阻器R1(阻值0~10Ω,额定电流1A)f.滑动变阻器R2(阻值0~5000Ω,额定电流500mA)g.直流电源的电动势为3.0V,内阻忽略不计h.开关k,导线若干①为了完成实验且尽可能减小实验误差,电流表应选择,电压表应选择,滑动变阻器应选择(填写实验器材前的序号)②请设计合理的电路来完成该实验,把电路图画在方框里。
③实验中,当电压表的示数为U 时,电流表的示数为I,则小电珠电阻的真实值U(填“大于”“等于"或“小于")。
I④通过实验得到多组数据,做出小电珠的伏安特性曲线,如图所示。
如果取两个这样的小电珠并联以后再与一阻值为2.0Ω的定值电阻串联,接在电动势为3.0V、内阻忽略不计的直流电源两端,则每个小电珠消耗的实际功率为W 。
(结果保留两位小数)【答案】a c e 大于0.55(0.53—0.55)【解析】(1)灯泡额定电压是2.5V,电压表应选c;由表中实验数据可知,最大电流为0.49A,电流表选a;为方便实验操作,滑动变阻器应选e;(2)描绘小灯泡伏安特性曲线,电压与电流要从零开始变化,滑动变阻器应采用分压接法;由表中实验数据可知,灯泡最大电阻约为3.7Ω,电压表内阻约为2kΩ,灯泡电阻阻值远小于电压表内阻,电流表应采用外接法,电路图如图所示:(3)由于电压表的分流作用,所以电流表的示数比流经灯泡的电流偏大,故根据欧姆定律R =U测量电阻偏小,即计算得到的小电珠的电阻值IU小于真实值;则小电珠电阻的真实值大于。
I(4)将定值电阻与电源等效为内阻为2.0Ω,电动势为3.0V 的电源,由闭合电路欧姆定律得:U=3.0﹣2.0I,将路端电压与电流的关系图象作入图象中,如图所示:由图可知,U=1.28V,I=0.43A,所以灯泡的实际功率为:P =UI = 0.55W2.在“描绘小灯泡的伏安特性曲线”实验中,实验室提供了如下器材:A.小灯泡(3V,1.8W)B.电压表(量程3V,内阻约为20kΩ)C.电流表(量程0.6A,内阻约为0.2Ω)D.滑动变阻器(0~10Ω,2A)E.电源(电动势3V,内阻不计)F.开关及导线若干,坐标纸实验中要求小灯泡上的电压从零开始测量尽可能准确,调节测量多组对应的U、I 值。
测定金属的电阻率(含练习使用螺旋测微器)一、实验目的1. 掌握电流表、电压表和滑动变阻器的使用方法。
2. 掌握螺旋测微器的使用方法和读数方法。
3. 学会利用伏安法测电阻,进一步测出金属丝的电阻率。
二、实验器材被测金属丝、螺旋测微器、毫米刻度尺、电池组、电流表、电压表、滑动变阻器、开关、导线若干。
要点(一)测量仪器、仪表的读数[例1](2018·广州调研)(1)如图所示的三把游标卡尺,它们的游标尺自左至右分别为10等分、20等分、50等分,它们的读数依次为________mm,________mm,________mm。
(2) 使用螺旋测微器测量两个金属丝的直径,示数如图所示,则图(a)、(b)金属丝的直径分别为________ mm,________ mm。
(3) ①图甲用0.6 A量程时,对应刻度盘上每一小格代表________ A,表针的示数是________A;当使用3 A量程时,对应刻度盘上每一小格代表________ A,图中表针示数为________ A。
[提示与总结]1. 考查游标卡尺的读数[对应第(1)题](1) 10分度的游标尺的读数:主尺上读出整毫米数+游标尺上与主尺上某一刻线对齐的游标的格数×110。
(2) 20分度的游标尺的读数:主尺上读出整毫米数+游标尺上与主尺上某一刻线对齐的游标的格数×120。
(3) 50分度的游标尺的读数:主尺上读出整毫米数+游标尺上与主尺上某一刻度对齐的游标的格数×150。
2.考查螺旋测微器的读数[对应第(2)题]方法:固定刻度数mm+可动刻度数(估读一位)×0.01 mm。
②图乙使用较小量程时,每小格表示__________ V,图中指针的示数为________ V,若使用的是较大量程,则这时表盘刻度每小格表示________ V,图中表针指示的是________ V。
[答案](1) 17.723.20 3.20(2) 2.1500.048(3) ①0.020.440.1 2.20②0.1 1.700.58.53.考查电流表和电压表的读数[对应第(3)题](1) 若刻度盘上每一小格为:1 , 0.1 , 0.001…时,需估读到最小刻度值的下一位。
高中物理实验专题练习实验题(共37小题)1.某探究性学习小组利用如图1所示的电路测量电池的电动势和内阻.其中电流表A1的内阻r1=1.0kΩ,电阻R1=9.0kΩ,为了方便读数和作图,给电池串联一个R0=3.0Ω的电阻.①按图示电路进行连接后,发现aa′、bb′和cc′三条导线中,混进了一条内部断开的导线.为了确定哪一条导线内部是断开的,将电键S闭合,用多用电表的电压挡先测量a、b′间电压,读数不为零,再测量a、a′间电压,若读数不为零,则一定是导线断开;若读数为零,则一定是导线断开.②排除故障后,该小组顺利完成实验.通过多次改变滑动变阻器触头位置,得到电流表A1和A2的多组I1、I2数据,作出图象如图2.由I1﹣I2图象得到的电池的电动势E=V,内阻r=Ω.2.图(a)为某同学组装完成的简易多用电表的电路图.图中E是电池;R1、R2、R3、R4和R5是固定电阻,R6是可变电阻;表头G的满偏电流为250 μA,内阻为480Ω.虚线方框内为换挡开关,A端和B端分别于两表笔相连.该多用电表有5个挡位,5个挡位为:直流电压1V挡和5V挡,直流电流1mA挡和2.5mA挡,欧姆×100Ω挡.(1)图(a)中的A端与(填“红”或“黑”)色表笔相连接.(2)关于R6的使用,下列说法正确的是(填正确答案标号).A.在使用多用电表之前,调整R6使电表指针指在表盘左端电流“0”位置B.使用欧姆挡时,先将两表笔短接,调整R6使电表指针指在表盘右端电阻“0”位置C.使用电流挡时,调整R6使电表指针尽可能指在表盘右端电流最大位置(3)根据题给条件可得R1+R2=Ω,R4=Ω.(4)某次测量时该多用电表指针位置如图(b)所示.若此时B端是与“1”连接的,则多用电表读数为;若此时B端是与“3”相连的,则读数为;若此时B端是与“5”相连的,则读数为.(结果均保留3为有效数字)3.小明用电学方法测量电线的长度,首先,小明测得电线铜芯的直径为1.00mm,估计其长度不超过50m(已知铜的电阻率为1.75×10﹣3Ω•m).现有如下实验器材:①量程为3V、内阻为3kΩ的电压表;②量程为0.6A,内阻约为0.1Ω的电流表;③阻值为0~20Ω的滑动变阻器;④内阻可以忽略,输出电压为3V的电源;⑤阻值为R0=4.30Ω的定值电阻,开关和导线若干.小明采用伏安法测量电线电阻,正确连接电路后,调节滑动变阻器,电流表示数从0 开始增加,当示数为0.50时,电压表示数如图1所示,度数为V,根据小明测量的信息,图2中P点应该(选填“接a”、“接b”、“接c”或“不接”),Q点应该(选填“接a”、“接b”、“接c”或“不接”),小明测得的电线长度为m.4.某同学利用如图(a)所示的电路测量一微安表(量程为100μA,内阻大约为2500Ω)的内阻.可使用的器材有:两个滑动变阻器R1,R2(其中一个阻值为20Ω,另一个阻值为2000Ω);电阻箱R z(最大阻值为99999.9Ω);电源E(电动势约为1.5V);单刀双掷开关S1和S2.C、D分别为两个滑动变阻器的滑片.5.(1)按原理图(a)将图(b)中的实物连线.(2)完成下列填空:①R1的阻值为Ω(填“20”或“2000”)②为了保护微安表,开始时将R1的滑片C滑到接近图(a)中的滑动变阻器的端(填“左”或“右”)对应的位置;将R2的滑片D置于中间位置附近.③将电阻箱R z的阻值置于2500.0Ω,接通S1.将R1的滑片置于适当位置,再反复调节R2的滑片D的位置、最终使得接通S2前后,微安表的示数保持不变,这说明S2接通前B与D所在位置的电势(填“相等”或“不相等”)④将电阻箱R z和微安表位置对调,其他条件保持不变,发现将R z的阻值置于2601.0Ω时,在接通S2前后,微安表的示数也保持不变.待微安表的内阻为Ω(结果保留到个位).(3)写出一条提高测量微安表内阻精度的建议:.5.“用DIS测定电源的电动势和内阻”的实验电路如图(a)所示,其中定值电阻阻值R1=1Ω.(1)图(a)中A为传感器,定值电阻R1在实验中起的作用;(2)实验测得的路端电压U相应电流I的拟合曲线如图(b)所示,由此得到电源电动势E=V,内阻r=Ω;(3)实验测得的数据如表所示,则实验中选用的滑动变阻器最合理的阻值范围为A.0~5Ω B.0~20Ω C.0~50Ω D.0~200Ω6.压敏电阻由在压力作用下发生形变进而导致电阻率发生变化的材料组成,为了探究某压敏材料的特性,有人设计了如下的电路,一电源电动势3V内阻约为1Ω,两个电流表量程相同均为0.6A,一个电流表内阻r已知,另外一个电流表内阻较小但阻值未知.7.(1)电路图中哪个电流表的内阻r已知(A1或者A2)(2)在某一个压力测试下,两个电流表A1A2的读数分别为I1和I2,则压敏电阻的阻值R x=.(3)经过测试获得压敏电阻的阻值和压力的关系图如下所示,以竖直向下为正方向,则阻值和压力的关系式是.7.某同学利用图甲电路测量自来水的电阻率,其中内径均匀的圆柱形玻璃管侧壁连接一细管,细管上加有阀门K以控制管内自来水的水量,玻璃管两端接有导电活塞(活塞电阻可忽略),右侧活塞固定,左侧活塞可自由移动,实验器材还有:电源(电动势约为2V,内阻不可忽略)两个完全相同的电流表A1、A2(量程为3mA,内阻不计)电阻箱R(最大阻值9999Ω)定值电阻R0(可供选择的阻值由100Ω、1kΩ、10kΩ)开关S,导线若干,刻度尺.实验步骤如下:A.测得圆柱形玻璃管内径d=20mmB.向玻璃管内注满自来水,并用刻度尺测量水柱长度LC.连接好电路,闭合开关S,调整电阻箱阻值,读出电流表A1、A2示数分别记为I1、I2,记录电阻箱的阻值RD.该表玻璃管内水柱长度,多次重复实验步骤B、C,记录每一次水柱长度L和电阻箱阻值RE.断开S,整理好器材(1)为了较好的完成该实验,定值电阻R0应选(2)玻璃管内水柱的电阻R x的表达式R x=(用R0、R、I1、I2表示)(3)若在上述步骤C中每次调整电阻箱阻值,使电流表A1、A2示数均相等,利用记录的多组水柱长度L和对应的电阻箱阻值R的数据,绘制出如图乙所示的R﹣L关系图象,则自来水的电阻率ρ=Ωm(保留两位有效数字),在用本实验方法测电阻率实验中,若电流表内阻不能忽略,则自来水电阻率测量值与上述测量值相比将(选填“偏大”、“不变”或“偏小”)8.某同学用图甲所示电路测量一段金属丝的电阻率,待测金属丝粗细均匀,阻值约为100Ω,备选器材如下:A.量程为5mA、内阻r1=50Ω的电流表B.量程为0.6A、内阻r2=0.2Ω的电流表C.量程为6V、内阻r3约为15kΩ的电压表D.最大阻值为15Ω、最大允许电流为2A的滑动变阻器E.定值电阻R1=5ΩF.定值电阻R2=500ΩG.电动势E=6V、内阻很小的直流电源H.开关一个、导线若干I.螺旋测微器、刻度尺(1)该同学用螺旋测尾气测待测金属丝的直径如图乙所示,则螺旋测微器的示数D=mm;(2)为了能尽可能精确地测量该金属丝的电阻,电流表应选用(填“A”或“B”),定值电阻应选用(填“E”或“F”);(3)电压表的示数记为U,所选用电流表的示数记为I,则该金属丝的电阻的表达式R x=;若用刻度尺测得待测金属丝的长度为L,则其电阻率的表达式为ρ=(表达式中所用到的阻值必须用对应的电阻符号表示,不得直接用数值表示)9.利用如图甲所示的电路测量某种电阻丝材料的电阻率,所用电阻丝的电阻约为20Ω.带有刻度尺的木板上有a和b两个接线柱,把电阻丝拉直后固定在接线柱a和b上,在电阻丝上夹上一个带有接线柱c的小金属夹,沿电阻丝移动金属夹,可改变其与电阻丝接触点P 的位置,从而改变接入电路中电阻丝的长度.可供选择的器材还有:电池组E(电动势为3.0V,内阻约1Ω);电流表A1(量程0~100mA,内阻约5Ω);电流表A2(量程0~0.6A,内阻约0.2Ω);电阻箱R(0~999.9Ω);开关、导线若干.实验操作步骤如下:A.用螺旋测微器在电阻丝上三个不同的位置分别测量电阻丝的直径;B.将选用的实验器材,按照图甲连接实验电路;C.调节电阻箱使其接入电路中的电阻值较大;D.将金属夹夹在电阻丝上某位置,闭合开关,调整电阻箱的阻值,使电流表满偏,然后断开开关.记录电阻箱的电阻值R和接入电路的电阻丝长度L;E.改变金属夹与电阻丝接触点的位置,闭合开关,调整电阻箱的阻值,使电流表再次满偏.重复多次,记录每一次电阻箱的电阻值R和接入电路的电阻丝长度L;F.断开开关,整理好器材.①某次测量电阻丝直径d时,螺旋测微器示数如图3所示,则d=mm;②实验中电流表应选择(选填“A1”或“A2”);③用多用电表的欧姆档粗测电阻丝的电阻,选用“×10”倍率的电阻档测量,发现多用电表指针偏转角过大,因此需选择“”倍率的电阻档(填“×1”或“×100”),并,再进行正确测量,多用电表的示数如图4所示,测量结果R=Ω.④用记录的多组电阻箱的阻值R和对应的接入电路中电阻丝长度L的数据,绘出了如图5所示的R﹣L关系图线,图线在R轴的截距为R0,在L轴的截距为L0,再结合测出的电阻丝直径d,写出电阻丝的电阻率表达式ρ=(用给定的物理量符号和已知常数表示).④本实验中,电流表的内阻对电阻率的测量结果影响(填“有”或“无”).10.想测量一捆带绝缘漆的镍铬合金丝的长度.①如图1所示,他们用螺旋测微器测得合金丝的直径d=mm.查得镍铬合金丝的电阻率为ρ,若测出合金丝的电阻为R,则合金丝的长度可以根据公式L=.求出(用ρ、d、R表示)②他们用表盘如图2所示的多用电表测量合金丝的电阻.现将选择开关调到电阻档的“×10”位置,将红、黑表笔分别插入“+”、“﹣”插孔,把两笔尖相互接触,调节(选填“S”或“T”),使用多用电表的指针指向电阻档的刻线(选填“0”或“∞”).之后将红黑表笔的笔尖分别与合金丝两端接触,发现指针偏转角度过大,于是他们将选择开关调到电阻档的位置(选填“×1”或“×100”).(3)乙同学在“把电流表改装为电压表”的实验中,测电流表G的内阻时备有下列器材A.待测电流表(量程1mA,内阻约几十欧)B.滑动变阻器(阻值范围0~100Ω)C.滑动变阻器(阻值范围0~20kΩ)D.电阻箱(0~999.9Ω)E.电阻箱(0~9999Ω)F.电源(电动势6V,有内阻)G.电源(电动势15V,有内阻)H.开关、导线①若采用如图所示电路测定电流表G的内阻,并要求有较高的精确度,以上器材中,R1应选用,R2应选用,电源应选用(用器材前的英文字母表示).②若测得电流表内阻R g=50.0Ω,要将该电流表改装成量程是3V的电压表,则应串联一个阻值是Ω的电阻,表的刻度盘上原0.6mA处应改写成V.11.在测定一节干电池的电动势和内电阻的实验中,备有下列器材:A.待测的干电池(电动势约为1.5V,内电阻小于1.0Ω)B.电流表A1(量程0﹣3mA,内阻R g1=10Ω)C.电流表A2(量程0﹣0.6A,内阻R g2=0.1Ω)D.滑动变阻器R1(0﹣20Ω,10A)E.滑动变阻器R2(0﹣200Ω,1A)F.定值电阻R0(990Ω)G.开关和导线若干(1)某同学设计了如图甲所示的(a)、(b)两个实验电路,其中合理的是图;在该电路中,为了操作方便且能准确地进行测量,滑动变阻器应选(填写器材名称前的字母序号),这是因为若选另一个变阻器,(2)图乙为该同学根据(1)中选出的合理的实验电路,利用测出的数据绘出的I1﹣I2图线(I1为电流表A1的示数,I2为电流表A2的示数),为了简化计算,该同学认为I1远远小于I2,则由图线可得电动势E=V,内阻r=Ω.(结果保留2位有效数字)12.某同学用伏安法测一节干电池的电动势和内阻,现备有下列器材:A.被测干电池一节B.电流表1:量程0~0.6A,内阻r=0.3ΩC.电流表2:量程0~0.6A,内阻约为0.1ΩD.电压表1:量程0~3V,内阻未知E.电压表2:量程0~15V,内阻未知F.滑动变阻器1:0~10Ω,2AG.滑动变阻器2:0~100Ω,1AH.开关、导线若干伏安法测电池电动势和内阻的实验中,由于电流表和电压表内阻的影响,测量结果存在系统误差,在现有器材的条件下,要尽可能准确地测量电池的电动势和内阻.(1)在上述器材中请选择适当的器材(填写器材前的字母):电流表选择,电压表选择,滑动变阻器选择.(2)实验电路图应选择如图中的(填“甲”或“乙”);(3)根据实验中电流表和电压表的示数得到了如图丙所示的U﹣I图象,则在修正了实验系统误差后,干电池的电动势E=V,内电阻r=Ω.13.某兴趣小组利用图甲所示的电路测定一干电池的内阻r和一待测电阻的阻值R x,已知电池的电动势约为6V,电池内阻和待测电阻的阻值都约为10Ω,且不超过10Ω,可供选用的实验器材有:A.电流表A1(量程0﹣600mA,内阻不计);B.电流表A2(量程0﹣3A,内阻不计);C.电压表V1(量程0﹣6V,内阻很大);D.电压表V2(量程0﹣15V,内阻很大);E.滑动变阻器R(阻值0﹣100Ω);开关S一个,导线若干条.实验过程如下:(1)在连接电阻前,先选择适合的器材,电流表应选用,电压表应选用.(填所选器材钱的字母)(2)按图甲正确连接好电路后,将滑动变阻器的阻值调到最大,闭合开关,逐次调小其接入电路的阻值,测出多组U和I的值,并记录相应的数据.以U为纵轴,I为横轴,得到如图乙所示的图线(3)断开开关S,将R X改在B,C之间,A与B用导线直接连接,其他部分保持不变,重复步骤(2),得到另一条U﹣I图线,其斜率的绝对值为k.(4)根据上面实验数据结合图乙可得,电池的内阻r=Ω,可用k和r表示待测电阻的关系式为R x=.14.回答下列问题:(1)如图甲,是多用电表简化电路图,作为电压表使用时,选择开关应接,作为欧姆表使用时,选择开关应接.(填1.2或3)使用时,电流一定从端流入多用电表(填A或B),(2)利用多用电表和电阻箱测量电源的电动势和内阻的电路如图乙,调节电阻箱,记录多组电阻箱示数R和多用电表示数I,作出R﹣的图线如图丙.由图丙可求得电动势E=V,内限r=Ω.(结果均保留2位有效数字)忽略偶然误差,本实验侧得的E测、r测与真实值比较:E测E真,r测r真(选填“<”、“=”、或“>”)15.实验小组要测量一个电池组的电动势E和内阻r,并测量保护电阻的阻值R x.已知电池组的电动势约为6V,电池内阻和待测电阻阻值均约为几十欧.可选用的实验器材有:电流表A1(量程0﹣30mA)电流表A2(量程0﹣100mA)电压我V1和V2(量程均为0﹣6V)滑动变阻器R1(阻值0﹣5Ω)滑动变阻器R2(阻值0﹣300Ω)开关S一个,导线若干某同学设计的实验过程如下:①实验电路图如图1所示,正确连接电路;②将变阻器R接入电路的阻值调到最大,闭合开关S;③逐渐减小变阻器R的阻值,测量并记录多组电压表和电流表的数据U1、U2、I.根据上面信息,回答下列问题:(1)实验中电流表应选用,滑动变阻器应选用.(2)如图2是根据步骤③的测量数据作出的U1﹣I图象,由图象可知,电源电动势E=V,电源内阻r=Ω(结果均保留两位有效数字)(3)用U1、U2、I表示待测保护电阻的阻值为R x=,考虑电表内阻对测量结果的影晌,实验中待测电阻的测量值与真实值相比(填“偏小”“偏大”或“相等”).16.为了测得一干电池的电动势和内阻,实验室提供了下列器材:A.待测电池组(电动势E约为3V,内阻r不超过2.5Ω);B.电流表(量程0~0.6A,内阻小于1Ω);C.电阻箱(0~99.99Ω);D.滑动变阻器(0~10Ω);E.单刀双掷开关、单刀单掷开关各一个及导线若干.考虑到干电池组的内阻较小,电流表的内阻不能忽略,他设计了如图甲所示的实验电路.(1)该同学先测电流表的内阻:①将开关S断开,滑动变阻器的阻值调到最大,开关K闭合,调节滑动变阻器的滑片P,使电流表A满偏;②将开关S接通C,保持阻值不变,调节阻值,使电流表A半偏,记下电阻箱的阻值为0.3Ω;③由以上操作可知电流表的内阻为Ω.(2)该同学再测干电池组的电动势和内阻:①将开关K断开,电阻箱的阻值调至最大,将开关S接通D;②调节电阻箱的阻值R,使电流表A有足够示数,改变R的值,测出几组I和R;③图乙是根据实验数据绘出的﹣R图象,由此可得待测干电池组的电动势E=V,内阻r=Ω.(计算结果均保留三位有效数字)17.某同学要测量一节干电池的电动势和内电阻.他根据老师提供的以下器材,画出了如图1所示的原理图.①电压表V(量程3V.内阻Rv约为l0kΩ)②电流表G(量程3mA,内阻Rg=l00Ω)③电流表A(量程3A,内阻约为0.5Ω)④滑动变阻器R1(0~20Ω,2A)⑤滑动变阻器R2(0~500Ω,1A)⑥定值电阻R3=0.5Ω⑦开关S和导线若干(1)该同学发现电流表A的量程太大,于是他将电流表G与定值电阻R3并联,实际上是进行了电表的改装,则他改装后的电流表对应的量程是A.(保留两位有效数字)(2)为了能准确地进行测量,同时为了操作方便,实验中应选用的滑动变阻器是(填写器材编号)(3)该同学利用上述实验原理图测得数据,以电流表G读数为横坐标,以电压表V读数为纵坐标绘出了如图2所示的图线,根据图线可求出电源的电动势E=1.50V.电源的内阻r=Ω.(保留两位有效数字)18.某同学要测量一电阻R0(约2kΩ)的阻值和一个锂电池(电动势E标称值为3.7V,允许的最大放电电流为200mA)的电动势E和内电阻r,实验室备用的器材如下:A.电压表V(量程3V,电阻R V约为4.0kΩ)B.电流表A1(量程100mA,电阻R A1约5Ω)C.电流表A2(量程2mA,电阻R A2约50Ω)D.滑动变阻器R1(0~10Ω,额定电流1A)E.滑动变阻器R2(0~20Ω,额定电流1A)F.电阻箱R3(0~999.9Ω,最小分度值0.1Ω)G.开关s一只、导线若干(1)为了测定电阻R0的阻值,该同学设计了如图1所示的电路,则电流表应选择,滑动变阻器应该选择.(2)在实验操作过程中发现滑动变阻器R1、R2和电流表A1已损坏,请用余下的器材测量锂电池的电动势E和内电阻r.请在图2方框中画出实验电路图;(3)按照新设计的电路图连好电路进行实验,同学测得若干组数据,在进行数据处理时,采用了图象法,为使图线是一条直线,则应以为横坐标,以为纵坐标.19.热敏电阻包括正温度系数电阻器(PTC)和负温度系数电阻器(NTC),某实验小组选用下列器材探究某热敏电阻R1的伏安特性.A.电流表A(量程0.6A,内阻为0.6Ω)B.电压表V(量程3.0V,内阻约2kΩ)C.滑动变阻器R(最大阻值为10Ω)D.滑动变阻器R′(最大阻值为500Ω)E.电源E(电动势4V,内阻较小)F.电键、导线若干(1)要求实验中改变滑动变阻器滑片的位置,使加在热敏电阻两端的电压从零开始逐渐增大,①请补充完成图甲中实物间的连线,②其中应选择的滑动变阻器是.(填写器材前面的代号)(2)该小组测出热敏电阻R1的U﹣I 图线如图乙中曲线Ⅰ,又通过查阅资料得出了热敏电阻R2的U﹣I 图线如图乙中曲线Ⅱ.用上述电流表和热敏电阻R1、R2测量某电池组的电动势和内阻,采用的电路如图丙,将单刀双掷开关接通“1”,通过R1的电流如图丁,测得R1的电流为A,将单刀双掷开关接通“2”时测得R2的电流为0.60A,则该电池组的电动势为V,内阻为Ω.(结果均保留二位有效数字)20.测定某种特殊电池的电动势和内阻.其电动势E约为8V,内阻r约为50Ω.实验室提供的器材:A.量程为200 μA、内阻未知的电流表G;B.电阻箱R o(0~999.9Q);C.滑动变阻器R1(0~20kΩ);D.滑动变阻器R2(0~60kΩ);E.开关3只,导线若干.(1)先用如图1所示的电路来测定电流表G内阻.补充完成实验:①为确保实验仪器安全,滑动变阻器R'应该选取(选填“R1”或“R2”);②连接好电路,断开S1、S2,将R'的滑片调到(选填“a”或“b”)端;③闭合S1,调节R',使电流表G满偏;④保持R'不变,再闭合S2,调节电阻箱电阻R o=2Ω时,电流表G的读数为100 μA;⑤调节电阻箱时,干路上电流几乎不变,则测定的电流表G内阻Rg=Ω.(2)再用如图2所示的电路,测定该特殊电池的电动势和内阻.由于电流表G内阻较小,在电路中串联了合适的定值电阻R3作为保护电阻.按电路图连接好电路,然后闭合开关S,调整电阻箱Ro的阻值为R,读取电流表的示数I,记录多组数据(R,I),建立坐标系,描点作图得到了如图3所示的图线,图线斜率为V﹣l,电池的电动势E=V,内阻r=Ω.21.现有一特殊的电池,其电动势E约为9V,内阻r在35~55Ω范围,最大允许电流为50mA.为测定这个电池的电动势和内阻,某同学利用如图甲的电路进行实验.图中电压表的内电阻很大,对电路的影响可以不计;R为电阻箱,阻值范围为0~9999Ω;R0是定值电阻.(1)实验室备有的定值电阻R0有以下几种规格:A.10Ω,2.5W B.50Ω,1.0W C.150Ω,1.0W D.1500Ω,5.0W本实验应选用,其作用是.(2)该同学接入符合要求的R0后,闭合开关S,调整电阻箱的阻值读出电压表的示数U,再改变电阻箱阻值,取得多组数据,作出了如图乙的图线.则根据该同学所作的图线可知图象的横坐标与纵坐标的比值表示.(3)根据乙图所作出的图象求得该电池的电动势E为V,内电阻r为Ω.22.有同学利用如图1所示的电路测定电源的电动势和内阻,提供的器材有:A.干电池两节,每节电动势约为1.5V,内阻未知B.直流电压表V1、V2,内阻很大C.直流电流表A,内阻可忽略不计D.定值电阻R0,阻值未知,但不小于5E.滑动变阻器F.导线和开关(1)请根据所给电路图,以笔画线代表导线,在图2的实物图上将所缺导线画上.(2)甲同学利用该电路完成实验时,由于某根导线发生断路故障,导致一只电压表始终没有读数,因此只记录了一只电压表和电流表的示数,如表所示:U/V 2.62 2.48 2.34 2.20 2.06 1.92I/A 0.08 0.12 0.19 0.20 0.24 0.28利用表格中的数据在图3中作出U﹣I图.(3)由图象可知,两节干电池总电动势为V,总内阻为.由计算得到的数据可以判断,能够示数的电压表应为表(选填“V1”或“V2”).23.某实验小组要测量电源的电动势E和内阻r.(1)甲同学设计了如图甲所示的电路,电源的电动势约为4.5V,电路中电压表的内阻很大,量程只有3V;电阻箱R的最大阻值为999.99Ω,R0是阻值为5.0Ω的定值电阻.实验时,闭合电键S,多次调节电阻箱的阻值,读出多组电阻箱阻值R和对应的电压表示数U,由测得的数据,绘出﹣R图线如图乙所示.则电源电动势E=V,内阻r=Ω (结果均保留两位有效数字)(2)乙同学找来一个电流表,用如图丙所示的电路也测量电池的电动势和内电阻.闭合开关S后,改变电阻箱阻值.当电阻箱阻值为R1时,电流表示数为I1;当电阻箱阻值为R2时,电流表示数为I2.已知电流表的内阻为R A.请你用R A、R1、R2、I1、I2表示出电池的内电阻r=.24.某同学利用下列器材测量两节干电池的电动势和内阻.A.待测干电池两节B.电压表V l、V2,量程均为3V,内阻很大C.定值电阻Ro(阻值未知)D.电阻箱RE.导线和开关.(1)根据如图甲所示的实物连接图,在图乙方框中画出相应的电路图;(2)实验之前,需要利用该电路测出定值电阻R o.先把电阻箱R调到某一阻值R1,再闭合开关,读出电压表V l和V2的示数分别为U10、U20,则R o=(用U10、U20、R1表示).(3)若测得R o=1.2Ω,实验中调节电阻箱R,读出相应电压表V l和V2的多组数据U1、U2,描绘出U1﹣U2图象如图丙所示,则两节干电池的总电动势E=V,总内阻r=Ω25.一位同学为了测量某蓄电池的电动势E和内阻r,设计了如图甲所示的实验电路.已知定值电阻的阻值为R0,电压表的内阻很大,可视为理想电压表.(1)请根据该同学所设计的电路,用笔画线代替导线,在图乙中完成实验电路的连接;(2)实验中,该同学多次改变滑动变阻器的滑片位置,记录电压表和的示数U1和U2,画出U2﹣U1图象如图丙所示.已知图线的横截距为a,纵截距为b,则蓄电池的电动势E=,内电阻r=(用题中给出的物理量符号表示);(3)若忽略测量误差的影响,则该同学通过实验得到的电源内阻的阻值(填“大于”“小于”或“等于”)真实值.26.某位同学利用图1所示电路测量电源电动势和内阻,(1)实验时多次改变电阻箱的阻值,记录电阻箱阻值R和电压表读数U,并在计算机上显示出如图2所示的﹣关系图线,由图线可知电池的电动势E a=V,内阻r a=Ω,该实验系统误差主要来自.(2)实验中,随着变阻箱阻值的改变,电压表的示数U以及电池内阻消耗的功率P都会发生变化.图3的各示意图中正确反映P﹣U关系的是.27.在测电源的电动势和内阻的实验中,提供的电表量程有些偏小,于是采用了如图甲所示的电路进行测量.其中定值电阻R1的阻值是3Ω,R2的阻值为6Ω,电流表和电压表都为理想电表.(1)在实物连线图乙中,缺少几条导线,请用笔画线代替导线,在图中补上缺少的几条导线,使之成为一个完整的、正确的电路实物连线图.(2)调节滑动变阻器R P阻值的大小,记录多组U、I数据,画出如图丙所示的U﹣I图象,根据图象可计算出该电源的电动势为V,电源的内阻为Ω.(结果保留三位有效数字)(3)实际上,电流表的内阻并不等于零,电压表的内阻也不是无限大,从系统误差的角度来看,电源的内阻比其真实内阻.(填下面选项前的字母)。
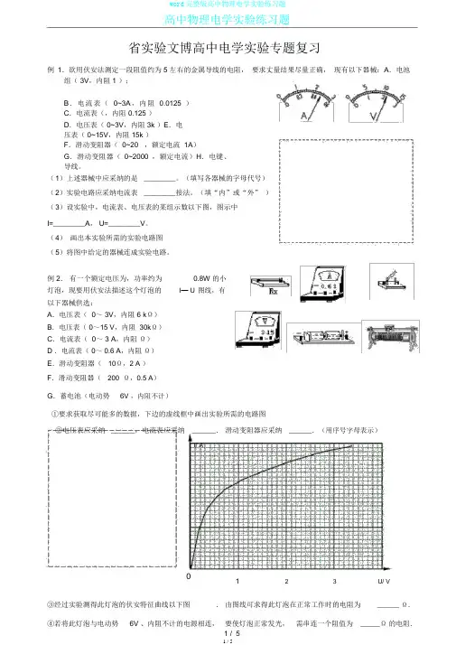
高中物理电学实验练习题省实验文博高中电学实验专题复习例1.欲用伏安法测定一段阻值约为5 左右的金属导线的电阻,要求丈量结果尽量正确,现有以下器械:A.电池组( 3V,内阻 1 );B.电流表(0~3A,内阻0.0125 )C.电流表(,内阻 0.125 )D.电压表( 0~3V,内阻 3k )E.电压表( 0~15V,内阻 15k )F.滑动变阻器( 0~20 ,额定电流 1A)G.滑动变阻器(0~2000 ,额定电流)H.电键、导线。
(1)上述器械中应采纳的是 ________。
(填写各器械的字母代号)(2)实验电路应采纳电流表 ________接法。
(填“内”或“外” )(3)设实验中,电流表、电压表的某组示数以下图,图示中I=________A, U=________V。
(4)画出本实验所需的实验电路图(5)将图中给定的器械连成实验电路。
例 2.有一个额定电压为,功率约为0.8W 的小I— U图线,有灯泡,现要用伏安法描述这个灯泡的以下器械供选:A.电压表( 0~ 3V,内阻 6 kΩ)B.电压表( 0~15 V,内阻 30kΩ)C.电流表( 0~ 3 A,内阻Ω)D .电流表( 0~ 0.6 A,内阻Ω)E.滑动变阻器(10Ω,2 A )F.滑动变阻器(200 Ω,0.5 A)G.蓄电池(电动势6V ,内阻不计)①要求获取尽可能多的数据,下边的虚线框中画出实验所需的电路图②电压表应采纳______,电流表应采纳______.滑动变阻器应采纳______.(用序号字母表示)I/ A123U/ V③经过实验测得此灯泡的伏安特征曲线以下图.由图线可求得此灯泡在正常工作时的电阻为______ Ω.高中物理电学实验练习题例3.某兴趣小组为了丈量一待测电阻R x的阻值,准备先用多用电表粗测出它的阻值,而后再用伏安法精确地丈量.实验室里准备了以下器械:A.电压表V l,量程 3V,内阻约5k ΩB.电压表V2,量程 15V,内阻约 25k ΩC.电流表A l,量程,内阻约0.2 ΩD.电流表A2,量程 3A,内阻约0.04 ΩE.滑动变阻器R l,最大阻值5Ω,最大电流为3AF.滑动变阻器R2,最大阻值2000 Ω,最大电流为G.多用电表H.电源,电动势I.电键 S、导线若干①在用多用电表粗测电阻时,该兴趣小组第一采纳“×10”欧姆挡,其阻值如图(甲)中指针所示,为了减小多用电表的读数偏差,多用电表的选择开关应换用_________欧姆挡;②按正确的操作程序再一次用多用电表丈量该待测电阻的阻值时,其阻值如图12(乙 )中指针所示,则 R x的阻值大概是 _________Ω;③在用伏安法丈量该电阻的阻值时,要求尽可能正确,而且待测电阻的电压从零开始能够连续调理,则在上述供给的器械中电压表应选;电流表应选;滑动变阻器应选。
高中物理《电学实验》练习题(附答案解析)学校:___________姓名:___________班级:___________一、单选题1.用欧姆表的×100挡测一电阻,发现指针偏角太小,应换下面哪个倍率挡位()A.×1挡B.×10挡C.×100挡D.×1k挡2.关于欧姆表及其使用中的问题,下列说法中正确的是()A.接表内电源负极的应是黑表笔B.换挡后,都要重新调零C.表盘刻度是均匀的D.表盘刻度最左边表示电阻阻值为03.如图,该电路元器件对应的符号是()A.B.C.D.4.在利用多用电表欧姆挡前要进行欧姆调零,欧姆调零利用的是()A.甲旋钮B.乙旋钮C.丙旋钮D.丁插孔5.某同学通过实验测定阻值约为5Ω的电阻x R,用内阻约为3kΩ的电压表,内阻约为0.125Ω的电流表进行测量。
他设计了图甲和图乙两种电路,下列说法正确的是()A .实验中应采用图甲电路,此电路测得的x R 偏大B .实验中应采用图乙电路,此电路测得的x R 偏大C .实验中应采用图甲电路,误差主要是由电压表分流引起的D .实验中应采用图乙电路,误差主要是由电流表分压引起的6.电容器是一种重要的电学元件,在电工和电子技术中应用广泛.使用图甲所示电路观察电容器的充电和放电过程.电路中的电流传感器(不计内阻)与计算机相连,可以显示电流随时间的变化.直流电源电动势为E ,实验前电容器不带电.先将开关K 拨到“1”给电容器充电,充电结束后,再将其拨到“2”,直至放电完毕.计算机显示的电流随时间变化的i t -曲线如图乙所示.则下列说法正确的是( )A .乙图中阴影部分的面积12S SB .乙图中阴影部分的面积12S S <C .由甲、乙两图可判断阻值12R R >D .由甲、乙两图可判断阻值12R R =7.在使用多用电表的欧姆档测电阻时,下列说法正确的是( )A .将红黑表笔短接,调节欧姆调零旋钮使指针指向左侧“0”刻度处B .测量时若发现指针偏转角度过小,则应该减小倍率,并重新欧姆调零后再进行测量C .欧姆表的电池使用时间太长,虽然仍能正常调零,但测量值将略偏大D .使用完毕,直接将多用电表摆放整齐即可8.用如图所示的电路测定电池的电动势和内阻,由于电表内阻的影响,关于电动势的真实值E 0与测量值E 及电池内阻的真实值r 0与内阻的测量值r 的说法正确的是( )A.E0>E,r0>r B.E0=E,r0<rC.E0=E,r0>r D.E0<E,r0<r二、多选题9.在用欧姆表测电阻的实验中,用“×10”挡测量一个电阻的阻值,发现表针偏转角度极小,正确的判断和做法是A.这个电阻值很小B.这个电阻值很大C.为了把电阻测得更准确一些,应换用“×1”挡,重新测量D.为了把电阻测得更准确一些,应换用“×100”挡,重新测量10.使用多用电表的欧姆挡测电阻时,下列说法正确的是.A.测量前应检查指针是否停在“Ω”刻度线的“∞”处B.每一次换挡,都要重新进行一次调零C.在外电路,电流从红表笔流经被测电阻到黑表笔D.测量时,若指针偏转很小(靠近∞附近),应换倍率更大的挡进行测量11.如图所示是伏安法测电阻的部分电路,开关先后接通a和b时,观察电压表和电流表示数的变化。
电学实验测定金属的电阻率1.在“测定金属的电阻率”的实验中,所测金属丝的电阻大约为5,先用伏安法测出该金属丝的电阻,然后根据电阻定律计算出该金属材料的电阻率。
用米尺测出该金属丝的长度L,用螺旋测微器测量该金属丝直径时的刻度位置如图所示。
(1)从图中读出金属丝的直径为______________mm。
(2)实验时,取来两节新的干电池、开关、若干导线和下列器材:A.电压表0~3 V,内阻10 kB.电压表0~15 V,内阻50 kC.电流表0~0.6A,内阻0.05D.电流表0~3 A,内阻0.01E.滑动变阻器,0~10F.滑动变阻器,0~100①要较准确地测出该金属丝的电阻值,电压表应选_______________,电流表应选______________,滑动变阻器选_____________(填序号)。
②实验中,某同学的实物接线如图所示,请指出该实物接线中的两处明显错误。
错误l:_____________________________;错误2:_____________________________。
2.为了测量某根金属丝的电阻率,根据电阻定律需要测量长为L的金属丝的直径D.电阻R。
某同学进行如下几步进行测量:(1)直径测量:该同学把金属丝放于螺旋测微器两测量杆间,测量结果如图,由图可知,该金属丝的直径d= 。
(2)欧姆表粗测电阻,他先选择欧姆×10档,测量结果如图所示,为了使读数更精确些,还需进行的步骤是。
A.换为×1档,重新测量B.换为×100档,重新测量C.换为×1档,先欧姆调零再测量D.换为×100档,先欧姆调零再测量(3)伏安法测电阻,实验室提供的滑变阻值为0~20Ω,电流表0~0.6A(内阻约0.5Ω),电压表0~3V(内阻约5kΩ),为了测量电阻误差较小,且电路便于调节,下列备选电路中,应该选择。
3.在测定金属电阻率的实验中,某同学连接电路如图(a)所示.闭合开关后,发现电路有故障(已知电源、电表和导线均完好,电源电动势为E):(1)若电流表示数为零、电压表示数为E,则发生故障的是断路.(填“待测金属丝”、“滑动变阻器”或“开关”).(2)实验中用螺旋测微器测得金属丝的直径如图(b)所示,其示数D=mm.4.测得接入电路的金属丝的长度为L,金属丝的直径d,已知其电阻大约为25Ω.(1)在用伏安法准确测其电阻时,有下列器材供选择,除必选电源(电动势1.5V,内阻很小)、导线、开关外,电流表应选,电压表应选,滑动变阻器应选。
高考电学实验题专项训练一、实验题1.在伏安法测电阻的实验中,提供以下实验器材:电源E(电动势约6V,内阻约1Ω),待测电阻x R(阻值小于10Ω),电压表V(量程3V,内阻约3kΩ),电流表A(量程0.6A,内阻约1Ω),滑动变阻器(最大阻值20Ω),单刀开关1S,单刀双掷开关2S,导线若干。
某同学利用上述实验器材设计如图所示的测量电路。
回答下列问题:(1)闭合开关1S前,滑动变阻器的滑片P应滑到___________(填“a”或“b”)端;(2)实验时,为使待测电阻的测量值更接近真实值,应将2S拨向___________(填“c”或“d”);在上述操作正确的情况下,引起实验误差的主要原因是___________(填正确选项前的标号);A.电流表分压B.电压表分流C.电源内阻分压(3)实验时,若已知电流表的内阻为1.2Ω,在此情况下,为使待测电阻的测量值更接近真实值,应将2S拨向___________(填“c”或“d”);读得电压表的示数为2.37V,电流表的示数为0.33A,则x R ___________Ω(结果保留两位有效数字)。
2.小明同学打算估测5个相同规格电阻的阻值。
现有一个量程为0.6 A的电流表、一个电池组(电动势E不大于4.5 V、内阻r未知)、一个阻值为R0的定值电阻、一个阻值为R1的定值电阻(用作保护电阻),开关S和导线若干。
他设计了如图(a)所示的电路,实验步骤如下:第一步∶把5个待测电阻分别单独接入A、B之间,发现电流表的示数基本一致,据此他认为5个电阻的阻值相等,均设为R。
第二步∶取下待测电阻,在A、B之间接入定值电阻R0,记下电流表的示数I0。
第三步∶取下定值电阻R 0,将n 个(n=1,2,3,4,5)待测电阻串联后接入A 、B 之间,记下串联待测电阻的个数n 与电流表对应示数I n 。
请完成如下计算和判断∶(1)根据上述第二步,01I 与R 0、R 1、E 、r 的关系式是01I =___________。
(每日一练)高中物理电学实验典型例题单选题1、在“测干电池的电动势和内电阻”实验中,某同学连接好电路进行测量,得到数据如下表所示。
分析得到的数据发现不对,进一步研究表明实验电路连接错了。
你认为()I/A 0.18 0.21 0.24 0.27 0.31 0.33A.该同学所连接的电路可能是上面电路图中的图cB.该同学所连接的电路可能是上面电路图中的图dC.为了准确完成实验目标,该同学还要继续采用图a继续实验D.为了准确完成实验目标,该同学还要继续采用图b继续实验答案:C解析:AB.图a、c、d的电路连接都满足全电路的欧姆定律E=U+Ir,随着电流的增大电压应该减小;而根据表格数据可知电压与电流为增函数,满足部分电路的欧姆定律规律U=IR,则该同学所连接的电路可能是上面电路图中的图b,故AB错误;CD.图b的电路和数据可算出阻值R1=0.600.18Ω=103Ω图a满足E=U+I(R1+r)可测出电动势和等效内阻(R1+r)的阻值,解得电源内阻,故为了准确完成实验目标,该同学还要继续采用图a 继续实验,故C正确,D错误;故选C。
2、某研究性学习小组用如图所示的电路,测定一节干电池的电动势和内阻,则引起该实验误差的主要原因是()A.由于电压表的分流作用造成电流表读数总是比电源实际输出的电流大B.由于电流表的分压作用造成电压表读数总是比电源实际输出的电压大C.由于电压表的分流作用造成电流表读数总是比电源实际输出的电流小D.由于电流表的分压作用造成电压表读数总是比电源实际输出的电压小答案:C解析:由电路图可以看出,由于电压表分流,造成电流表读数小于电源实际输出电流,导致电源电动势和内阻测量值偏小,故ABD错误,C正确。
故选C。
3、某同学用多用电表的欧姆挡的“×10Ω”挡测量一个电阻的阻值,发现表的指针偏转角度很大,为了准确测定该电阻的阻值,正确的做法是()A.应把选择开关换到“×100Ω”挡,重新进行欧姆调零后再测量B.应把选择开关换到“×100Ω”挡,不用再进行欧姆调零就直接测量C.应把选择开关换到“×1Ω”挡,重新进行欧姆调零后再测量D.应把选择开关换到“×1Ω”挡,不用再进行欧姆调零就直接测量答案:C解析:用多用电表的欧姆挡的“×10Ω”挡测量一个电阻的阻值,发现表的指针偏转角度很大,说明倍率档选择的过高,则为了准确测定该电阻的阻值,应该选择“×1Ω”挡,重新进行欧姆调零后再测量。
八、电学实验题集粹(33个)1.给你一只内阻不计的恒压电源,但电压未知,一只已知电阻R,一只未知电阻Rx,一只内阻不计的电流表但量程符合要求,以及开关、导线等,用来测Rx接在该恒压电源上时的消耗功率Px,画出测量线路图并写出简要测量步骤,以及Px的表达式.2.如图3-94所示是研究闭合电路的内电压、外电压和电源电动势间关系的电路.(1)电压表V的(填“正”或“负”)接线柱应接在电源正极A上,电压表V′的(填“正”或“负”)接线柱应接在探针D上.(2)当滑片P向右移动时,V′的示数将(填“变大”、“变小”或“不变”).图3-94 图3-953.有一只电压表,量程已知,内阻为RV,另有一电池(电动势未知,但不超过电压表的量程,内阻可忽略).请用这只电压表和电池,再用一个开关和一些连接导线,设计测量某一高值电阻Rx的实验方法.(已知Rx的阻值和RV相差不大)(1)在如图3-95线框内画出实验电路.(2)简要写出测量步骤和需记录的数据,导出高值电阻Rx的计算式.4.在“测定金属的电阻率”的实验中,用电压表测得金属丝两端的电压U,用电流表测得通过金属丝中的电流I,用螺旋测微器测得金属的直径d,测得数据如图3-96(1)、(2)、(3)所示.请从图中读出U=V,I=A,d=mm.图3-965.如图3-97所示,是一根表面均匀地镀有很薄的发热电阻膜的长陶瓷管,管长L约40cm,直径D约8cm.已知镀膜材料的电阻率为ρ,管的两端有导电箍M、N,现有实验器材:米尺、游标卡尺、电压表、电流表、直流电源、滑动变阻器、开关、导线若干根,请你设计一个测定电阻膜膜层厚度d的实验,实验中应该测定的物理量是,计算镀膜膜层厚度的公式是.图3-976.用万用表的欧姆挡测电阻时,下列说法中正确的是.(填字母代号)A.万用电表的指针达满偏时,被测电阻值最大B.万用电表的指针指示零时,说明通过被测电阻的电流最大C.测电阻前,把面板上的选择开关置于相关的欧姆挡上,将两表笔的金属杆直接短接,调整欧姆挡的调零旋钮使指针指在电流的最大刻度处D.用欧姆表的R×10Ω挡时,指针指在刻度20~40的正中央,则被测电阻的阻值为300ΩE.测量前,待测电阻应跟别的元件和电源断开F.用欧姆表的R×100Ω挡测电阻时,若指针指在零处附近,则应换用R×1kΩ挡7.在“测定金属的电阻率”的实验中,电阻丝的电阻值约为40~50Ω,可供选择的主要器材如下:A.电压表(内阻20kΩ,量程0~10V)B.电流表(内阻约20Ω,量程0~50mA)C.电流表(内阻约4Ω,量程0~300mA)D.滑动变阻器(额定电流1A,阻值为100Ω)E.滑动变阻器(额定电流0.3A,阻值为1700Ω)F.电池组(电动势为9V,内阻为0.5Ω)(1)电流表应选,滑动变阻器应选.(2)把如图3-98甲所示的器材连接成测电阻值的实验电路.(3)用螺旋测微器测电阻丝的直径,读数如图3-98(乙)所示,则电阻丝的直径d=mm.图3-988.要用伏安法测定一个阻值只有几欧的待测电阻Rx,现提供了以下器材:A.量程分别是0.6A、3A,内阻分别为几欧、十分之几欧的电流表1只;B.量程分别是3V、15V,内阻分别为1kΩ、几千欧的电压表1只;C.总阻值为20Ω的滑动变阻器1只;D.6V的蓄电池1只;E.开关1只和导线若干.为使电阻的测量较为准确,并使电表能从零值开始读数,根据提供的实验器材,在如图3-99甲的方框内,画出符合要求的实验电路图.图3-99用笔画线代替导线,将如图3-99乙所示的实物图连成实验电路.如果其中一次测量电表的读数如图399丙所示,则由这个测量算得电阻值Rx=.9.现有一阻值为10.0Ω的定值电阻、一个开关、若干根导线和一个电压表,该电压表表面上有刻度但无刻度值,要求设计一个能测定某电源内阻的实验方案(已知电压表内阻很大,电压表量程大于电源电动势,电源内阻约为几欧).要求:(1)在如图3-100所示的方框中画出实验电路图.(2)简要写出完成接线后的实验步骤:(3)写出用测得的量计算电源内阻的表达式r=.图3-10010.使用如图3-101所示器材测定小灯泡在不同电压下的电功率,并且作出小灯泡的电功率P与它两端电压的平方(U2)的关系曲线,已知小灯泡标有“6V,3W”的字样,电源是两个铅蓄电池串联组成的电池组,滑动变阻器有两种规格,R1标有“5Ω,2A”,R2标有“100Ω,20mA”.各电表的量程如图3-101所示,测量时要求小灯泡两端的电压从零开始,并测多组数据.(1)把图中实物连成实验电路,滑动变阻器应选用.(2)测量时电压表示数如图3-101所示,则U=V.(3)在如图3-101所示的P-U2图象中,可能正确的是,理由是.图3-10111.在用电流表和电压表测干电池的电动势和内阻时,所用滑动变阻器的阻值范围为2~20Ω,要求变阻器的滑动头在右端时,其所用阻值最大.线路连接图如图3-102所示,其中连线有错误的导线编号为;应改正的接线端为(说明由哪个接线端改为哪个接线端).图3-10212.利用电压表和电流表测1节干电池的电动势和内阻r,电路如图3-103所示,图中R1为粗调滑动变阻器,R2为微调滑动变阻器,实验得到四组数据如表中所示.(1)表中数据经处理后,可以确定电动势=V,内阻r=Ω.(2)现有滑动变阻器:A(10Ω,1A),B(500Ω,0.5A),C(500Ω,0.1A).那么在本次实验中,滑动变阻器R1应选用,R2应选用.(填“A”、“B”或“C”)I/mAU/V50.0 1.3575.0 1.35100.0 1.20150.0 1.05图3-10313.如图3-104为“研究电磁感应现象”的实验装置.(1)将图中所缺的导线补接完整.(2)如果在闭合开关时发现灵敏电流表的指针向右偏了一下,那么合上开关后[]图3-104A.将原线圈迅速插入副线圈时,电流计指针向右偏转一下B.将原线圈插入副线圈后,电流计指针一直偏在零刻线右侧C.原线圈插入副线圈后,将滑动变阻器触头迅速向左拉时,电流计指针向右偏转一下D.原线圈插入副线圈后,将滑动变阻器触头迅速向左拉时,电流计指针向左偏转一下14.用电流表和电压表测1节干电池的电动势和内电阻,如图3-105中给出了A、B两个供选用的电路图,为了较精确地测定电动势和内电阻,实验中应选用电路,正确选用电路后,试根据实验数据画出的U-I图线,得到电池的电动势=V,内电阻R=Ω.图3-10515.如图3-106为“研究电磁感应现象”的装置示意图.已知电流从正接线柱流入电流表时,指针向右偏转.(1)闭合开关S稳定后,将滑动变阻器的滑动触头P向右滑动,发现电流表指针向右偏转,则可断定电源的正极是.(2)以下做法能使电流表指针向左偏转的是.A.闭合开关S的瞬间B.保持开关S闭合,将原线圈从副线圈中迅速抽出C.将开关S断开的瞬间D.保持开关S闭合,将原线圈中的铁芯迅速抽出图3-10616.如图3-107是研究自感现象的演示电路图,电感线圈L的直流电阻与R相同,A1、A2是相同的电流表,当两电流表中的电流从右端流入时,指针均向右偏;从左端流入时,指针均为向左偏.则当开关S闭合瞬间,A1与A2中电流的大小关系是I1I2(填“>”、“<”或“=”);当开关S闭合一段时间再断开的瞬间,表A1和A2的指针偏转方向是:A1,A2;此时通过A1、A2的电流大小关系是:I1I2.(填“>”、“<”或“=”)图3-10717.一灵敏电流表,当电流从它的正接线柱流入时,指针向正接线柱一侧偏转.现把它与一个线圈串联,试就如图3-108中各图指出:图3-108(1)图甲中电表指针的偏转方向是.(2)图乙中磁铁下方的极性是.(3)图丙中磁铁的运动方向是.(4)图丁中线圈从上向下看的绕制方向是.18.现有阻值为10.0Ω的定值电阻两个,两个开关,若干根导线和一个电流表,该电流表表面上有刻度但无刻度值,要求设计一个能测定某电源内阻的实验方案(已知电流表内阻可忽略不计,电源内阻约为几欧,电流表量程满足测量要求).(1)在上边方框中画出实验电路图.(2)简要写出完成接线后实验步骤_________________.(3)写出用测得的量计算电源内阻的表达式r=_________________.19.一同学用如图3-73所示装置研究感应电流的方向与引起感应电流的磁场的关系.已知电流从a接线柱流入电流表时,电流表指针右偏.实验时,磁场方向、磁铁运动情况及电流表指针偏转情况均记录在下表中.图3-73实验序号磁场方向磁铁运动情况指针偏转情况1 向下插入右偏2 向下拔出左偏3 向上插入左偏4 向上拔出右偏(1)由实验1、3得出的结论是________.(2)由实验2、4得出的结论是________.(3)由实验1、2、3、4得出的结论是________.20.有一只电压表,量程已知,内电阻为RV,另有一电池组(电动势未知,但不超过电压表的量程,内电阻可忽略),请用这只电压表和电池组,再用一个开关和一些连接导线,设计测量某一高阻值电阻Rx的实验方法.(已知Rx的阻值和电压表的内电阻RV相差不大)(1)在下面方框内画出实验电路.(2)简要写出测量步骤和需记录的数据,导出高阻值电阻Rx的计算表达式.21.用如图3-74所示电路测量电源的电动势和内阻r,改变R的阻值,得到一系列I、U值,最后用U-I图象来处理实验数据,得到和r的值.由于实验原理带来的系统误差,使得求得的值偏________,内阻值r偏________,为了减小误差,必须选用内阻________的电压表和阻值________的电阻R.图3-7422.把一只量程为300μA的电流表改装成一只欧姆表,使电流表表盘上原100μA刻线改为10kΩ;则200μA的刻线改为________kΩ,该欧姆表内电路的电阻是________kΩ,电源电动势是________V.23.如图3-75为测量电源电动势和内阻的一种电路图3-75(1)在图中标出各表符号及正、负接线柱.(2)R0在电路中的作用是________;在合上开关前,变阻器的滑动片应放在________端.(填左、右)(3)用此电路测得的电源电动势和内电阻与真实值比较应该是测________真,r测________r真.(填“大于”、“小于”或“等于”)24.如图3-76所示是打点计时器的简易构造,电源是________压________流电流,分析说明振针打点原理.图3-7625.现有以下器材灵敏电流表:满偏值为6mA,内阻为100Ω;电池:电动势为3V,内阻为10Ω;另有可变电阻分别为R1:0~10Ω的滑动变阻器;R2:0~9999Ω的电阻箱:R3:0~1kΩ的电位器.要求用上述器材组装一个欧姆表,电路如图3-77所示,回答下列问题:图3-77(1)需要的可变电阻是________.(填代号)(2)该欧姆表正中间的刻度值是________.(3)若某次测量中发现指针在1500Ω处,则表明此时流过灵敏电流表的电流值是________.26.如图3-78实物分别为开关,两个电池串联的电源,电压表,电阻箱,还有导线若干(图中未画出).现用这些器材来测量电源的电动势和内电阻r.图3-78(1)在上面右边线框内画出实验电路图并按电路图在实物图上连接导线.(2)若要测得、r的值,电阻箱至少需取________个不同数值.(3)若电压表每个分度表示的电压值未知,但指针偏转角度与电压表两端电压成正比,能否用此电路测量?答:________.能否用此电路测r?答:________.27.发光二极管是电器、仪器上作指示灯用的一种电子元件,正常使用时带“+”号的一端要与电源正极相对(即让电流从元件带“+”号的一端流入).现要求用实验测出该元件两端的电压U和通过的电流I,并据此描绘该元件U-I图线(伏安特性曲线).图3-79(1)在图3-79方框内画出实验电路图(要求二极管两端电压能在0~2.5V间变化)(2)实验测得发光二极管U-I图象如图3-79所示,若发光二极管的正常工作电压为2.0V,而电源是由内阻不计、电动势均为1.5V的两节干电池串联而成,则应该串一个大小为________Ω的电阻才能使发光二极管正常工作.28.利用如图3-80所示电路对电流表进行校对.图中Ax为待校对电流表,A0为标准电流表,E为电源,R1为一限流电阻,R为一可变电阻,S为开关,为这一实验准备了如下器材:图3-80蓄电池(电动势6V,内阻约0.3Ω)待校对电流表(量程0~0.6A,内阻约为0.1Ω)标准电流表(量程0~0.6~3A,内阻不超过0.04Ω)定值电阻甲(阻值8Ω,额定电流1A)定值电阻乙(阻值15Ω,额定电流1A)滑动变阻器甲(阻值范围0~15Ω,额定电流1A)滑动变阻器乙(阻值范围0~100Ω,额定电流1A)已知两电流表的刻度盘都将量程均分为6大格,要求从0.1起对每条刻度一一进行校对.为此,定值电阻R0应选用________,变阻器R应选用________.29.如图3-81所示是“用伏安法测量电阻”实验的电路图,只是电压表未接入电路中.图3-82是相应的实验器材,其中待测量的未知电阻Rx阻值约为1kΩ,电流表量程20mA、内阻小于1Ω,电压表量程15V、内阻约1.5kΩ,电源输出电压约12V,滑动变阻器甲的最大阻值为200Ω,乙的最大阻值为20Ω.图3-81(1)在图3-81的电路图中把电压表连接到正确的位置.(2)根据图3-81的电路图把图3-82的实物连成实验电路.图3-82(3)说明本实验电路中两个滑动变阻器所起的作用有何不同?答:________.30.用伏安法测量一个定值电阻的阻值,备用器材如下:待测电阻Rx(阻值约200Ω,额定功率0.05W)电压表V1(量程0~1V,内阻10kΩ)电压表V2(量程0~10V,内阻100kΩ)电流表A(量程0~50mA,内阻30Ω)电源E1(电动势3V,额定电流1A,内阻不计)电源E2(电动势12V,额定电流2A,内阻不计)滑动变阻器(电阻0~10Ω,额定电流2A)开关及导线若干为使测量尽量准确,要求进行多次测量,并取平均值,请你在方框中画出实验电路原理图,其中,电源选用________,电压表选用________.31.利用电流表和两个阻值不同的定值电阻,可以测定电源的电动势和内电阻.在所用器材中电流表A量程为0~0.6~3A,定值电阻R1和R2的阻值都约在5~10Ω之间.电源为一节干电池,还有开关S1、单刀双掷开关S2及电线若干.图3-83图3-84(1)请按如图3-83所示电路图要求在如图3-84所示实物图上连线.(2)若考虑到电流表内阻rA对测量的影响,那么测量值与真实值相比,有测________真,r测________r真(选填“>”、“<”或“=”)32.用图3-85所示的电路(R1、R2为标准定值电阻)测量电源的电动势和内电阻r时,如果偶然误差可忽略不计,则下列说法中正确的是________.(填字母序号)图3-85A.电动势的测量值等于真实值B.内电阻的测量值大于真实值C.测量误差产生的原因是电流表具有内阻D.测量误差产生的原因是测量次数太少,不能用图象法求和r若将图3-85中的电流表去掉,改用量程适中的电压表来测定电源的电动势和内电阻r.(1)需要读取的数据是___________________.(2)其计算公式是___________________.(3)在下面虚线框内画出实验电路图.33.用如图3-86甲中所给的实验器材测量一个“12V、6W”的小灯泡在不同电压下的功率,其中电流表有3A、0.6A两挡,内阻可忽略,电压表有15V、3V两挡,内阻很大,测量时要求加在灯泡两端的电压可连续地从0调到12V.图3-86(1)按要求在实物图上连线.(2)某次测量时电流表的指针位置如图3-86乙所示,其读数为________A.参考答案1.(如图6)①先用电流表与R串联测出通过R的电流IR;②再用电流表与Rx串联测出通过Rx的电流IRx.Px=IRRIRx=IRIRxR2.正,正,变小3.(1)实验电路如图7(甲)、(乙).(2)测量步骤:A.按(甲)图连接实验电路,闭合开关S,读出电压表的示数U1.B.按(乙)图连接实验电路,闭合开关S,读出电压表的示数U2.C.根据闭合电路欧姆定律得=U1,=U2+RxU2/RV,联立求解得Rx=(U1-U2)RV/U2.4.1.74V0.452A 1.834mm5.管长L,管直径D,MN两端电压U,及通过MN的电流I,d=ρIL/πDU6.BCE7.(1)C,D(2)如图8所示(3)0.680图7 图88.实验电路图如图9(甲)所示,实物电路图如图9(乙)所示,Rx=4.58Ω.图99.(1)如图10所示(2)①断开开关,记下电压表偏转格数N1,②合上开关,记下电压表偏转格数N2,③r=R=(N1-N2)/N2.图10 图1110.(1)R1;实验电路如图11(电压表选0~15V,电流表选0.6A)(2)8.0(3)D;电压增大,灯丝温度升高,灯丝的电阻变大.11.③④⑤,D改B,3改0.6,+改0.612.(1)1.5,3(2)B,A13.(1)如图12所示(2)A,D图1214.B,1.50,0.5015.(1)A,(2)A16.>,向左,向右,=17.(1)偏向正极(2)S极(3)向上(4)顺时针绕制18.(1)实验电路如图7所示.图7(2)实验步骤:①合上开关S1、S2,记下电流表指针偏转格数N1;②合上开关S1,断开开关S2,记下电流表指针偏转格数N2.(3)((2N2-N1)/N1-N2)R或((N1-2N2)/(N2-N1)R.或实验电路如图8所示.图8(2)实验步骤:①合上开关S1,断开S2,记下电流表指针偏转格数N1;②合上开关S1、S2,记下电流表指针偏转格数N2.(3)((2N1-N2)/2(N2-N1))R或((N2-2N1)/2(N1-N2))R.19.(1)穿过闭合回路的磁通量增加时,感应电流的磁场方向与原磁场方向相反.(2)穿过闭合回路的磁通量减少时,感应电流的磁场方向与原磁场方向相同.(3)感应电流的磁场总是阻碍引起感应电流的磁通量的变化.20.(1)实验电路如图9的甲和乙所示图9(2)测量步骤:A.按(甲)图连接实验电路,闭合开关S,读出电压表的示数U1.B.按(乙)图连接实验电路,闭合开关S,读出电压表的示数U2.C.根据闭合电路欧姆定律:=U1,=U2+(U2/RV)Rx联立解得:Rx=((U1-U2)/U2)RV.21.小小大小22.2.5 5 1.523.(1)略(2)限流作用最右(3)<<24.①当左接线柱为“+”时,由安培定则判断知线圈右端为N极,此时指针落下②当左接线柱为“-”时,由安培定则判断知线圈右端为S极,此时指针抬起由①、②知交流电每变化一个周期,指针将打一个点25.(1)R3(2)500Ω(3)1.5mA26.(1)电路图如图10甲所示实物图如图10乙所示图10(2)2 (3)不能能27.(1)如图11所示图11(2)7728.固定电阻甲滑动变阻器乙29.(1)如图12所示(2)如图13所示(注:实物图只要与答案图2一致)(3)滑动变阻器甲为粗调;滑动变阻器乙为细调.图1330.电路原理图如图14所示E1V231.(1)如图15所示图14图15(2)=>32.A、B、C(1)两次电压表的读数U1和U2(2)E=((U2-U1)R1R2/(U1R2-U2R1))+U1,r=((U2-U1)/(U1R2-U2R1))R1R2(3)电路图略(将电压表接在电源两极上)33.①如图16所示图16②0.28(或0.280)。
电学实验1.(2022·河南省郑州市高三下二模)某同学为精确测量某金属导体的电阻,设计了如图甲所示的电路图。
图中E为学生电源、G为灵敏电流计、A1、A2为电流表、R1为电阻箱、R2与R3均为滑动变阻器、R0为定值电阻、S为开关、Rx为待测金属导体,另有导线若干。
具体的实验操作如下:A.按照如图甲所示的电路图连接好实验器材;B.将滑动变阻器R2的滑片、滑动变阻器R3的滑片均调至适当位置,闭合开关S;C.调整R3,并反复调整R1和R2使灵敏电流计的示数为零,测得此时A1的示数为I1,A2的示数为I2,电阻箱的示数为R1;D.实验完毕,整理器材。
(1)根据图甲实验电路图,将图乙实物图中连线补充完整________。
(2)电路中需要两个量程为6A的电流表,但实验室提供的器材中,只有量程为0.3A、内阻为20Ω的电流表。
现将量程为0.3A的电流表扩充为6A量程,则应该并联一个阻值R′ = _______Ω的电阻。
如图所示为某次测量时改装后的电流表表盘指针位置,则此时的电流读数为_______A。
(3)待测金属导体Rx的阻值为_________用所测物理量来表示);电流表A1、A2的内阻对测量结果______(选填“有”或“无”)影响。
2.(2021·全国甲卷)某同学用图(a)所示电路探究小灯泡的伏安特性,所用器材有:小灯泡(额定电压2.5V,额定电流0.3A)电压表(量程300mV,内阻300Ω)电流表(量程300mA,内阻0.27Ω)定值电阻R0滑动变阻器R1(阻值0-20Ω)电阻箱R2(最大阻值9999.9Ω)电源E(电动势6V,内阻不计)开关S、导线若干。
完成下列填空:(1)有3个阻值分别为10Ω、20Ω、30Ω的定值电阻可供选择,为了描绘小灯泡电流在0~300mA的U-I曲线,R0应选取阻值为___________Ω的定值电阻;(2)闭合开关前,滑动变阻器的滑片应置于变阻器的___________(填“a”或“b”)端;(3)在流过电流表的电流较小时,将电阻箱R2的阻值置零,改变滑动变阻器滑片的位置,读取电压表和电流表的示数U、I,结果如图(b)所示。
高考二轮专项训练:电学实验1.某同学设计了一个既可以测电阻和电源电动势与内阻的实验电路如图甲所示,实验室提供了以下实验器材:电源E(电动势为6V,内阻约为1Ω)定值电阻R0(阻值约为5Ω)电流表A(量程30mA,内阻约为0.5Ω)电流表B(量程0.6A,内阻约为1Ω)电压表C(量程8V,内阻约为5kΩ)电压表D(量程4V,内阻约为3kΩ)滑动变阻器F(阻值0﹣10Ω)滑动变阻器G(阻值0﹣500Ω)根据题中所给信息,请回答以下问题(1)电流表应选,滑动变阻器应选;(选填器材代号)(2)该同学操作正确无误,用U1、U2、I分别表示电表、、的读数,其数据如下表所示:I(A)0.30 0.35 0.40 0.45 0.50 0.55U1(V) 5.68 5.61 5.57 5.51 5.48 5.40U2(V) 1.44 1.69 1.91 2.16 2.39 2.62根据表中数据求得定值电阻R0=Ω(保留一位小数),其测量值真实值(填>、<或=);(3)该同学发现电源电动势偏低,于是再利用了一个辅助电源E′,采用如图乙所示电路测量,调节R1,使电流表A1的示数为0,这样电源的电动势的测量值电源电动势的真实值(填>、<或=).2.现有一只电压表有刻度但无刻度值,提供以下可选用的器材及导线若干,要求尽可能精确地测量一个电压表的满偏电压U g.A.待测电压表V1,满偏电压约3V,内阻R V1=3000Ω,刻度均匀、总格数为N;B.电流表A:量程0.6A、内阻R A约0.1Ω;C.电压表V2:量程15V、内阻R V2约15kΩ;D.标准电阻R1=10Ω;E.标准电阻R2=10kΩ;F.滑动变阻器R:最大阻值200Ω;G.学生电源E,电动势15V,内阻不计;H.开关一个.①如图方框中已画出部分实验电路图,请你完成剩余的部分电路图,并标上题目中所给仪器的字母代号.②测出多组数据,其中一组数据中待测电压表V 1的指针偏转了n 格,可计算出满偏电压U g 为 (用字母表示),式中除题目已给的物理量外,其他字母符号表示的物理量物理意义是 .3.某同学采用图甲的电路,测量电流表G1的内阻r 1.其中电流表G 1量程为0~5mA 内阻约200Ω; 电流表G 2量程为0~10mA ,内阻约40Ω;定值电阻Ro 阻值为200Ω; 电源电动势约为3V .请回答下列问题:①可供选择的滑动变阻器R 1阻值范围为0~1000Ω,R 2阻值范围为0~20Ω. 则滑动变阻器应选, (填写R l 或R 2).②图甲中,若要求G 1表示数变大,变阻器滑动头P 应向 端移动(填写A 或B ). ③清用笔画线在乙图完成实物连线.④若实验中读得G 1表和G 2表的读数为I l 和I 2,则G l 表的内阻r 1= ;(用I 1、I 2及R 0表示) 4.同学用电阻箱、多用电表、开关和导线测一节旧干电池的电动势和内阻.(1)他先用多用表电压档直接接在电源两极,读数如图甲,则电源电动势约为 V .(2)为了更准确的测量电源的电动势和内电阻,他用多用表的“直流100mA”档设计了如图乙的测量电路,为了电表安全,请估算开关闭合前电阻箱的最小取值为 Ω(3)将多用电表的选择开关从OFF 旋转至 “直流100mA”档,调节电阻箱到合适的值并记录其读数R ,合上开关从多用表上读出相应的示数I . (4)重复(3)获得多组数据,根据数据作出了如图丙所示的IR 1图线. (5)由图线得干电池的电动势E = V (保留三位有效数字),内阻r = Ω (取整数),多用表的内电阻对 (选填“E ”、“r ”或“E 和r ”)的测量结果有影响.5.小华、小刚共同设计了图甲所示的实验电路,电路中的各个器材元件的参数为:电池组(电动势约6 V ,内阻r 约3Ω )、电流表(量程2.OA ,内阻rA=O .8 Ω)、电阻箱R ,(O ~99.9 Ω)、滑动变阻器R2(0~Rt)、开关三个及导线若干。
电学实验副标题题号一总分得分一、实验题探究题(本大题共10小题,共90.0分)1.某同学要用“伏安法”测定一个待测电阻R x(阻值约为200Ω)的阻值,实验室提供了如下器材:电池组E(电动势为3V,内阻不计);电流表A1(量程为0~10mA,内阻约为40Ω~60Ω);电流表A2(量程为0~500μA,内阻为1000Ω);滑动变阻器R1(阻值范围为0~20Ω,额定电流为2A);电阻箱R2(阻值范围为0~9999Ω,额定电流为1A);开关S,导线若干.请你帮助该同学完成实验中的下述问题(实验中应尽可能的考虑更加准确地测量的阻值):(1)上述器材中缺少电压表,需选一只电流表将它改装成电压表。
请画出将电流表改装成电压表的电路原理图,并在图中标明所用器材的代号。
(2)请画出测量R1阻值的电路图,并在图中标明各器材的代号.(3)实验中,将电阻箱R2的阻值调为4000Ω,再调节滑动变阻器R1,使两表的示数如图所示,可读出电流表A1的示数是__________mA,电流表A2的示数是_________μA,测得R x的阻值是________Ω.2.某同学要探究一种新材料制成的圆柱体的电阻.步骤如下:(1)用游标为20分度的卡尺测量其长度如图1,由图可知其长度为______mm.(2)用螺旋测微器测量其直径如图2,由图可知其直径为______cm.(3)用多用电表的电阻“×10”挡,按正确的操作步骤测此圆柱体的电阻,表盘的示数如图3,则该电阻的阻值约为______Ω.(4)该同学想用伏安法更精确地测量其电阻R,现有的器材及其代号和规格如下:待测圆柱体电阻R电流表A1(量程0~4mA,内阻约50Ω)电流表A2(量程0~10mA,内阻约30Ω)电压表V1(量程0~3V,内阻约10kΩ)电压表V2(量程0~15V,内阻约25kΩ)直流电源E(电动势4V,内阻不计)滑动变阻器R1(阻值范围0~15Ω,允许通过的最大电流2.0A)滑动变阻器R2(阻值范围0~20kΩ,允许通过的最大电流0.5A)开关S导线若干为使实验误差较小,要求测得多组数据进行分析,请在图4方框中画出测量的电路图,并标明所用器材的代号.3.在“测定金属丝的电阻率”实验中,所用的测量仪器均已校准.待测金属丝接入电路部分的长度约为50cm.(1)用螺旋测微器测量金属丝的直径,某一次测量结果(接近多次测量的平均值)如图1所示,其读数为______mm.(2)用伏安法测金属丝的电阻R x的阻值(约为15Ω),实验室提供了如下器材:A.电池组E(电动势为3V,内阻约为1Ω)B.电流表A1(量程为0~0.6A,内阻约为0.5Ω)C.电流表A2(量程为0~3A,内阻为0.02Ω)D.电压表V1(量程为0~3V,内阻约为5kΩ)E.电压表V2(量程为0~15V,内阻为15kΩ)F.电阻箱R(阻值范围为0~99.99Ω,额定电流为1A)G.开关S,导线若干为使测量尽可能准确,电流表应选用______,电压表应选用______;(填器材前的字母标号)应采用图2给出的______电路进行测量.(3)根据记录的电阻箱阻值R及对应电流表示数I和电压表示数U,在坐标纸上作I U −1R图象如图2所示,根据图象可得金属丝的电阻R x=______Ω(保留两位有效数字).(4)根据以上数据估算金属丝的电阻率约为______(填选项前的字母标号).A.4×10−2Ω⋅mB.4×10−3Ω⋅mC.4×10−6Ω⋅mD.4×10−8Ω⋅m(5)关于本实验的误差,下列说法中正确的是______(填选项前的字母标号).A.用螺旋测微器测量金属丝的直径时,由于读数引起的误差属于系统误差B.由电流表和电压表内阻引起的误差属于偶然误差C.若将电流表和电压表内阻计算在内,可以消除由测量仪表引起的系统误差D.用IU −1R图象处理数据求金属丝的电阻可以减小偶然误差.4.(一)(1)在“测定金属丝的电阻率”实验中,某同学用用螺旋测微器测得金属丝的直径,其示数D=________mm.游标卡尺测了金属丝长度为L=____cm。
高三物理试题电学实验试题1.在测定金属丝电阻率的实验中,需要测量金属丝的电阻,可供选用的器材如下:待测金属丝:R x(阻值约5Ω)电流表A1:量程0.6A,内阻r1约为0.2Ω电流表A2:量程10mA,内阻r2=50Ω定值电阻R1:阻值20Ω定值电阻R2:阻值200Ω滑动变阻器R:阻值范围0~5Ω电源E:干电池2节开关S,导线若干。
①要想较准确测量待测金属丝的阻值,应选用定值电阻。
(填R1或R2)②实验中要求金属丝中的电流能从0开始变化,请在方框图中画出该实验的电路图(图中务必标出选用的电流表和定值电阻的符号)。
③若实验中A1表的示数为0.36A,A2表的示数为5.4mA,待测金属丝的阻值为Ω(结果保留两位有效数字)。
”欧姆挡,按正确的实验2.(1)①用多用电表的欧姆挡测量阻值时,选择倍率为“1操作步骤测量,表盘指针位置如图所示,该电阻的阻值约为Ω;②下列关于用多用电表欧姆挡测电阻的说法中正确的是()A.测量电阻时,如果红、黑表笔分别插在负、正插孔,则不会影响测量结果B.测量阻值不同的电阻时,都必须重新调零C.测量电路中的电阻时,应该把该电阻与电路断开D.欧姆表使用一段时间后,电池电动势变小,内阻变大,但仍能调零,其测量结果与原来相比不变。
③用多用电表探测二极管的极性,用欧姆挡测量,黑表笔接a端,红表笔接b端时,指针偏转角较大,然后黑、红表笔反接指针偏转角较小,说明(填“a”或“b”)端是二极管正极。
3.现要测量一个未知电阻R x的阻值,除R x外可用的器材有:A多用电表(仅可使用欧姆挡);B一个电池组E(电动势6V):C一个滑动变阻器R(0~20Ω,额定电流1A):D两个相同的电流表G(内阻R g=1000Ω,满偏电流I g=100μA):E两个标准电阻(R1=29000Ω,R2=0.1Ω):F一个电键S、导线若干。
①为了设计电路,先用多用电表的欧姆挡粗测未知电阻,采用“×10”挡,调零后测量该电阻,发现指针偏转非常大,最后几乎紧挨满偏刻度停下来,下列判断和做法正确的是(填字母代号)。
电学实验训练题1. 图示为简单欧姆表原理示意图,其中电流表的偏电流RI=300μA,内阻R g=100 Ω,可变电阻R的最大阻值为10 kΩ,电池的电动势E=1.5 V,内阻r=0.5 Ω,图中与接线柱A相连的表笔颜色应是色,接正确使用方法测量电阻R x的阻值时,指针指在刻度盘的正中央,则R x= kΩ.若该欧姆表使用一段时间后,电池电动势变小,内阻变大,但此表仍能调零,按正确使用方法再测上述R x其测量结果与原结果相比较(填“变大”、“变小”或“不变”)。
2.某同学通过查找资料自己动手制作了一个电池。
该同学想测量一下这个电池的电动势E 和内电阻r,但是从实验室只借到一个开关、一个电阻箱(最大阻值为9.999Ω,科当标准电阻用)一只电流表(量程RI=0.6A,内阻0.1gr=Ω)和若干导线①请根据测定电动势E内电阻r的要求,设计图4中器件的连接方式,画线把它们连接起来。
②接通开关,逐次改变电阻箱的阻值R,读处与R对应的电流表的示数I,并作记录当电阻箱的阻值 2.6R=Ω时,其对应的电流表的示数如图5所示。
处理实验数据时首先计算出每个电流值I 的倒数1I;再制作R-1I坐标图,如图6所示,图中已标注出了(1,RI)的几个与测量对应的坐标点,请你将与图5实验数据对应的坐标点也标注在图6中上。
③在图6上把描绘出的坐标点练成图线④根据图6描绘出的图线可得出这个电池的电动势E= V,内电阻r=Ω。
)3. 某同学利用多用电表做了以下实验:(1)使用多用电表测电阻,他的主要实验步骤如下①把选择开关扳到“×100”的欧姆挡上;②把表笔插入测试插孔中,先把两根表笔相接触,旋转欧姆调零旋钮,使指针指在电阻刻度的零位上;③把两根表笔分别与某一待测电阻的两端相接,发现这时指针偏转较小;④换用“×10”的欧姆档,随即记下欧姆数值;⑤把表笔从测试笔插孔中拔出后,就把多用表放回桌上原处,实验完毕。
这个学生在测量时已注意到:待测电阻与其他元件和电源断开,不用手碰表笔的金属杆,那么这个学生在实验中有哪些操作是错误的?(三个错误)错误一:_______________错误二:_______________错误三:___________(2)如图所示,为多用电表的表盘,测电阻时,若用的是×100量程,这时表针所示被测电阻的阻值应为_________ 欧;测直流电流时,用的是100mA的量程,指针所示电流值为_________毫安;测直流电压时,用的是50V量程,则指表针所示的电压值为_________伏。
(3)用多用电表欧姆挡(×100)测试三只晶体二极管,其结果依次如图甲、乙、丙所示。
由图可知,图中______的二极管是好的,该二极管的正极是____端。
4. 有一根细而均匀的导电材料样品(如图a所示),截面为同心圆环(如图b所示),此样品长L约为3cm,电阻约为100Ω,已知这种材料的电阻率为,因该样品的内径太小,无法直接测量.现提供以下实验器材:A.20等分刻度的游标卡尺B.螺旋测微器C.电流表A1(量程50mA,内阻r1=100Ω)D.电流表A2(量程100mA,内阻r2大约为40Ω)E.电流表A3(量程3A,内阻r3大约为0.1Ω)F.滑动变阻器R(0-10Ω,额定电流2A)G.直流电源E(12V,内阻不计)H.导电材料样品R x(长L约为3cm,电阻R x约为100Ω)I.开关一只,导线若干请根据上述器材设计一个尽可能精确地测量该样品内径d的实验方案,回答下列问题:(1)(4分)用游标卡尺测得该样品的长度如图甲所示,其示数L= mm;用螺旋测微器测得该样品的外径如图乙所示,其示数D= mm.(2)(4分)请选择合适的仪器,画出最佳实验电路图,并标明所选器材前的字母代号。
(3)(4分)说明各测量的物理意义,并用符号表示,然后用已知物理量的符号和测量量的符号来表示样品的内径d=5. 在“测定金属导体的电阻率”的实验中,待测金属导线的电阻R x 约为5.实验室备有下列实验器材A.电压表V1(量程3V,内阻约为15K) B.电压表V2 (量程15V,内阻约为75K)C.电流表A1(量程3A,内阻约为0.2) D.电流表A2(量程600mA.,内阻约为1)E.变阻器R1 (0~100,0.3A) F.变阻器R2 (0~2000,0.1 A)G.电池E(电动势为3V,内阻约为0.3) H.开关S,导线若干(1)为提高实验精确度,减小实验误差,应选用的实验器材有。
(2)为减小实验误差,应选用下图中(填“a”或“b”)为该实验的电原理图,并按所洗择的电原理图把实物图用导线连接起来.(3)若用刻度尺测得金属丝长度为60.00cm,用螺旋测微器测得导线的直径为0.635mm,两电表的示数分别如下图所示,则电阻值为,电阻率为___________。
6. 小灯泡灯丝的电阻会随温度的升高而变大。
某同学为研究这一现象,用实验描绘小灯泡的伏安特性曲线。
实验可供选择的器材有:D.滑动变阻器(0~10Ω, 额定电流1A )E.滑动变阻器(0~5Ω, 额定电流0.5A )F.电源(E=3V , 内阻不计)G.定值定阻R0(阻值R0=6Ω)H.开关一个和导线若干(1)要求小灯泡两端的电压从零开始变化,且能尽量消除系统误差,在方框内画出实验电路图。
(2)实验中,应该选用的滑动变阻器是 (填写器材前字母代号)。
(3)按照正确的电路图,该同学测得实验数据如下:(I是的示数,U是的示数,U灯是小灯泡两端的实际电压)。
请通过计算补全表格中的空格,然后在方格图中画出小灯泡的伏安特性曲线。
9. 用伏安法测电阻时,由于电压表、电流表内阻的影响,不论使用电流表内接法还是电流表外接法,都会产生系统误差。
为了消除系统误差,某研究性学习小组设计了如图所示的测量电路。
①请完成下列操作过程:第一步:先将R2的滑动头调到最左端,单刀双掷开关S2合向a,然后闭合电键S1,调节滑动变阻器R1和R2,使电压表和电流表的示数尽量大些(不超过量程),读出此时电压表和电流表的示数U1、I1。
第二步:保持两滑动变阻器的滑动触头位置不变,。
②根据以上记录数据写出被测电阻的表达式= 。
③根据实验原理图连接好实物图10. 某同学在实验室先后完成下面两个实验:①测定一节干电池的电动势和内电阻;②描绘小灯泡的伏安特性曲线。
(1)用①实验测量得到数据作出U—I图线如图中a线,实验测得干电池电动势为 V,内电阻为Ω。
(2)在描绘小灯泡伏安特性曲线的实验中,为减小实验误差,方便调节,请在给定的四个电路图和三个滑动变阻器中选取适当的电路或器材,并将它们的编号填在横线上. 应选取的电路是,滑动变阻器应选取。
E. 总阻值15 Ω,最大允许电流2 A的滑动变阻器F. 总阻值200 Ω,最大允许电流、2 A的滑动变阻器G. 总阻值1000 Ω,最大允许电流1 A的滑动变阻器(3)将实验②中得到的数据在实验①中同一U—I坐标系内描点作图,得到如图所示的图线b,如果将实验①中的电池与实验②中的小灯泡组成闭合回路,此时小灯泡的实际功率为W。
11. 如图甲是某金属材料制成的电阻R随摄氏温度t变化的图象,图中R0表示0℃时的电阻,k表示图线的斜率.若用该电阻与电池(电动势E、内阻r)、电流表A(内阻R g)、滑动变阻器R′串联起来,连接成如图乙所示的电路,用该电阻做测温探头,把电流表的电流刻度改为相应的温度刻度,就得到了一个简单的“金属电阻温度计”.使用“金属电阻温度计”前,先要把电流表的刻度值改为相应的温度刻度值,若温度t1<t2,则t1的刻度应在t2的侧(填“左”或“右”);在标识“金属电阻温度计”的温度刻度时,需要弄清所测温度和电流的对应关系.请用E、R0、k等物理量表示所测温度t与电流I的关系式t=。
12. 某同学对实验室的一个多用电表中的电池进行更换时发现,里面除了一节1.5V的干电池外,还有一个方形的电池(层叠电池),如图甲所示。
为了测定该电池的电动势和内电阻,实验室提供了下列器材:A.电流表G(滿偏电流10mA,内阻10Ω)B.电流表A(0~0.6 A~3A,内阻未知)C.滑动变阻器R(0~100Ω,1A)D.定值电阻R0(阻值990Ω)E.开关与导线若干(1)请根据实验器材,自行设计电路画在方框乙中.(2)丙图为该同学根据上述设计的实验电路利用测出的数据绘出的I1-I2图线(I1为电流表G的示数,I2为电流表A的示数),则由图线可以得到被测电池的电动势E=V ,内阻r= Ω。
13. 用DIS描绘电场等势线的实验中,在平整的木板上依次铺放白纸、复写纸和导电纸.在导电纸上平放两个圆柱形电极A与B,分别与直流电源的正、负极相连,如图所示.若以A、B连线为x轴,A、B连线的中垂线为y轴.将一个探针固定在y轴上的某一点,沿x轴移动另一个探针,发现无论怎样移动,计算机屏幕上电压测量值始终为零,若电源及连线都是完好的,可能的故障是________.将实验故障排除后,探针从BO间某处沿x轴向电极A移动的过程中,计算机屏幕上电压测量值的变化情况是___________。
14. 有一根细长而均匀的金属管线样品,横截面如图甲所示。
此金属管线长约30㎝,电阻约10。
已知这种金属的电阻率为,因管内中空部分截面积形状不规则,无法直接测量,请你设计一个实验方案,测量中空部分的截面积。
现已提供有如下器材:毫米刻度尺、螺旋测微器、电压表V(3V,6K)、蓄电池E(6V,0.05)、开关一个,带夹子的导线若干:(1)上列器材中,还缺少电流表和滑动变阻器,现提供以下一些器材供选择,请选出合适的器材,电流表应为,滑动变阻器应选用(只填代号字母)。
A.电流表A1(600mA, 1.0)B.电流表A2(3A,0.1)C.滑动变阻器R1(2K,0.5A)D.滑动变阻器R2(10,2A)(2)下面方框中画出你所设计的电路图,要求尽可能测出多组有关数值,并把图乙的实物连成实际测量电路。
(实验中要测量的物理量有:,计算金属管线内部空间截面积的表达式为:。
15. 某实验小组探究一种热敏电阻的温度特性.现在器材:直流恒流电源(在正常工作状态下输出的电流恒...定.)、电压表,待测热敏电阻、保温容器、温度计、开关和导线等.⑴(2分)若用上述器材测量热敏电阻的阻的随温度变化的特性,请你在下图的实物图上连线。
⑵(2分)实验的主要步骤:①正确连接电路,在保温容器中注入适量冷水,接通电源,调节并记录电源输出的电流值;②在保温容器中添加少量热水,待温度稳定后,闭合开关,,,断开开关;③重复第②步操作若干次,测得多组数据.⑶(2分)实验小组算得该热敏电阻在不同温度下的阻值,并据此绘得上图的R-t关系图线,请根据图线写出该热敏电阻的R-t关系式:R=+t(Ω)(保留3位有效数字)16. 要测量内阻较大的电压表的内电阻,可采用“电压半值法”,其实验电路如图所示。