ISO14001-2004环境管理体系审核检查表(Word)
- 格式:doc
- 大小:79.00 KB
- 文档页数:24
史上最全的ISO14001环境管理体系审核检查表
注:“检查结果记录”栏:符合○,轻微不符合△,严重不符合×(有不符合时要记录证据,并要求受审部门当事人签名确认)。
8-47
注:“检查结果记录”栏:符合○,轻微不符合△,严重不符合×(有不符合时要记录证据,并要求受审部门当事人签名确认)。
8-48
注:“检查结果记录”栏:符合○,轻微不符合△,严重不符合×(有不符合时要记录证据,并要求受审部门当事人签名确认)。
8-49
注:“检查结果记录”栏:符合○,轻微不符合△,严重不符合×(有不符合时要记录证据,并要求受审部门当事人签名确认)。
8-50
注:“检查结果记录”栏:符合○,轻微不符合△,严重不符合×(有不符合时要记录证据,并要求受审部门当事人签名确认)。
8-51。
德信诚培训网ISO14001-2004和OHSAS18001-2007审核检查表ISO14001 OHSAS18001 检查内容检查方法评定人员的记录/客观证据判定4.1 总要求4.1 总要求体系范围◆管理体系是否规定了体系范围并形成文件?4.2环境方针4.2职业健康安全方针◆环境、职业健康安全方针的制定◆是否制定了文件化的管理方针?◆管理方针是否经最高管理者批准?◆管理方针的内容◆是否与组织的宗旨相适宜。
◆是否适合于组织活动、产品或服务的性质、规模,适合于组织环境的影响、职业健康安全风险的性质和规模。
◆是否对满足顾客及其他相关方的要求,对持续改进、污染预防和降低风险作出承诺;◆是否对遵守有关环境、职业健康安全法律、法规和其他要求作出承诺。
◆是否提供建立和评审目标和指标的框架。
◆是否与公司的其他方针一致。
◆管理方针的传达与管理◆如何向全体员工和代表组织工作的人员传达的?◆采取了哪些方式?◆公众如何获得管理方针?◆是否得到实施◆检查绩效测量结果,确认方针是否得到实施?◆管理方针的评审与修订◆是否有定期评审管理方针的规定?◆最高管理者是否定期评审过管理方针?◆如何对管理方针进行修订?◆评审、修订的依据是什么?ISO14001 OHSAS18001 检查内容检查方法评定人员的记录/客观证据判定4.3.1 环境因素◆是否有环境因素识别和评价的程序◆有无环境因素识别和评价的程序?◆程序中是否包括环境因素识别和评价的要求?◆是否对组织的活动、产品和服务中的环境因素进行了识别◆是否按程序要求识别环境因素?◆是否规定了识别的范围和对象?◆是否有环境因素的清单?◆用什么方法和怎样进行环境因素的识别◆是否规定了识别环境因素的方法?◆方法是否适宜?◆识别环境因素时,收集了哪些原始资料?◆识别环境因素应把握的要点◆是否考虑三种状态?◆是否考虑三种时态?◆是否考虑了环境因素的七种类型?◆是否考虑到可对其施加影响的相关方带来的环境因素?。
环境管理体系内部审核检查表要素号:4.1 4.4.4 审核员:李斌项目编号:2013.3.18 第1 页环境管理体系内部审核检查表要素号:4.2 审核员:李斌项目编号:2013.3.18 第2 页环境管理体系内部审核检查表要素号:4.3.1 4.3.2 审核员:李斌项目编号:2013.3.18 第3 页环境管理体系内部审核检查表要素号:4.3.3 4.5.2 审核员:李斌项目编号:2013.3.18 第4 页环境管理体系内部审核检查表要素号:4.4.1 4.4.2 审核员:顾庆军项目编号:2013.3.18 第5 页环境管理体系内部审核检查表要素号:4.4.5 审核员:顾庆军项目编号:2013.3.18 第6 页环境管理体系内部审核检查表要素号:4.4.1 4.4.6 审核员:顾庆军项目编号:2013.3.18 第7 页环境管理体系内部审核检查表要素号:4.4.1 4.4.6 审核员:顾庆军项目编号:2013.3.18 第8 页环境管理体系内部审核检查表要素号:4.4.1 4.4.6 审核员:朱文东项目编号:2013.3.18 第9 页环境管理体系内部审核检查表要素号:4.4.1 4.4.6 审核员:朱文东项目编号:2013.3.18 第10 页环境管理体系内部审核检查表要素号:4.4.6 审核员:朱文东项目编号:2013.3.18 第11 页环境管理体系内部审核检查表要素号:4.4.6 审核员:朱文东项目编号:2013.3.18 第12 页环境管理体系内部审核检查表要素号:4.4.6 审核员:朱文东项目编号:2013.3.18 第13 页环境管理体系内部审核检查表要素号:4.4.6 审核员:张银根项目编号:2013.3.18 第14 页环境管理体系内部审核检查表要素号:4.4.6 审核员:张银根项目编号:2013.3.18 第15 页环境管理体系内部审核检查表要素号:4.5.1 4.4.7 4.5.3 审核员:张银根项目编号:2013.3.18 第16 页环境管理体系内部审核检查表要素号:4.5.4 4.5.5 审核员:张银根项目编号:2013.3.18 第17 页。
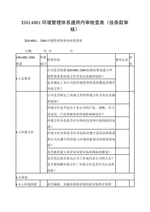
ISO14001审核检查表环境管理体系内审检查表受审核部门:管理层编制人/日期:08.4.2 批准人/日期:08.4.2 审核准则:ISO14001、体系文件、适用法律法规审核日期:08.4.2 审核员:ISO14001 条款检查内容是否适用参考文件检查方法检查结果记录提问文件查阅现场检查4.2环境方针◆环境方针的制定◆是否制定了文件化的环境方针?◆环境方针是否经最高管理者批准?√√◆环境方针的内容◆环境方针是否适合于组织活动、产品或服务的性质、规模与环境影响?◆环境方针是否对持续改进和污染预防作出承诺,对遵守有关环境法律、法规和其他要求作出承诺◆环境方针是否提供了建立和评审环境目标和指标的框架√√√◆环境方针的传达与管理◆如何向全体员工传达的?◆采取了哪些方式?◆询问员工,看员工是否了解环境方针?◆为公众获得环境方针提供了何种方便?◆公众如何获得环境方针?√√√√√√◆环境方针是否得到实施◆检查绩效测量结果,确认方针是否得到实施?√◆环境方针的评审与修订◆是否有定期评审环境方针的规定?◆最高管理者是否定期评审过环境方针?◆如何对环境方针进行修订?◆评审、修订的依据是什么?√√√√注:“检查结果记录”栏:符合○,轻微不符合△,严重不符合×(有不符合时要记录证据,并要求受审核部门当事人签名确认)。
环境管理体系内审检查表受审核部门:管理层编制人/日期:08.4.2 批准人/日期:08.4.2审核准则:ISO14001、体系文件、适用法律法规审核日期:08.4.2 审核员:ISO14001 条款检查内容是否适用参考文件检查方法检查结果记录提问文件查阅现场检查4.4.1资源,作用,职责和权限是否明确规定了组织的组织结构、职责、权限◆是否有清晰的组织结构图?◆相关职能部门或岗位的环境职责是否得到规定并形成文件?◆受审部门的环境职责是什么?√√√√√最高管理者的职责、权限◆是否明确了最高管理者的各项职责?◆最高管理者是否指定了管理者代表、是否恰当地明确了管理者代√√√√表的职责和权限?管理者代表的职责权限◆管理者代表是否对体系的建立、实施、保持负责?◆是否向最高管理者报告环境管理体系析运行情况?√√管理者的作用◆管理者是否为实施、控制和改进环境管理体系提供必要的资源,包括人力资源、专项技能、技术和财务资源?提供资源的途径是否明确?◆承担管理职责的人员,√√√如何表明其对环境绩效持续改进的承诺?◆管理者如何参与和支持环境活动?◆有关职责、权限是如何传达到位的◆各部门、各类人员的职责权限是如何传达的?◆各有关人员是否明确各自的职责权限?◆各类人员是否明确完成职责任务与实现环境方针之间的关系?√√√环境管理体系内审检查表受审核部门:管理层编制人/日期:08.4.2 批准人/日期:08.4.2审核准则:ISO14001、体系文件、适用法律法规审核日期:08.4.2 审核员:ISO14001 条款检查内容是否适用参考文件检查方法检查结果记录提问文件查阅现场检查4.5.5 内部审核◆组织是否建立了环境管理体系审核程序◆文件化是否包括实施审核、确保审核的独立性、记录审核结果并向管理者报告的职责和要求?◆程序中是否包含审核的范围、频次、计划、方法?√√◆内部审核方案的策划◆是否进行了年度内审方案策划且明确规定了审核的准则、范围、频次、方法?◆年度内审方案是否经管理层批准?◆年度内审方案是否发给有关部门?◆是否按年度内审方案的计划实施了审核?√√√√◆内部审核的实施◆是否制定了内审实施计划?◆内审实施计划是否覆盖全部要素和全部部门?◆审核是否由非从事受审活动的人员进行?◆审核员是否经过培训,并取得了资格证?◆审核是否抓住了关键环节(部门、设备、活动)和重大环境因素?◆审核用检查表是否充分、符合要求?◆审核报告的内容是否全面?能否说明环境管理体系的符合性和有效性?√√√√√√√√◆对内部审核中发现的不符合是否采取了纠正措施◆对内部审核中发现的不符合是否采取了纠正措施?◆采取的纠正措施是否按期完成。
環境管理體系審核通用檢查表注:“記事”欄:符合○、輕微不符合△、重大不符合×(不符時記入證據、事實)注:“記事”欄:符合○、輕微不符合△、重大不符合×(不符時記入證據、事實)注:“記事”欄:符合○、輕微不符合△、重大不符合×(不符時記入證據、事實)注:“記事”欄:符合○、輕微不符合△、重大不符合×(不符時記入證據、事實)注:“記事”欄:符合○、輕微不符合△、重大不符合×(不符時記入證據、事實)注:“記事”欄:符合○、輕微不符合△、重大不符合×(不符時記入證據、事實)注:“記事”欄:符合○、輕微不符合△、重大不符合×(不符時記入證據、事實)注:“記事”欄:符合○、輕微不符合△、重大不符合×(不符時記入證據、事實)注:“記事”欄:符合○、輕微不符合△、重大不符合×(不符時記入證據、事實)注:“記事”欄:符合○、輕微不符合△、重大不符合×(不符時記入證據、事實)注:“記事”欄:符合○、輕微不符合△、重大不符合×(不符時記入證據、事實)注:“記事”欄:符合○、輕微不符合△、重大不符合×(不符時記入證據、事實)注:“記事”欄:符合○、輕微不符合△、重大不符合×(不符時記入證據、事實)注:“記事”欄:符合○、輕微不符合△、重大不符合×(不符時記入證據、事實)注:“記事”欄:符合○、輕微不符合△、重大不符合×(不符時記入證據、事實)注:“記事”欄:符合○、輕微不符合△、重大不符合×(不符時記入證據、事實)注:“記事”欄:符合○、輕微不符合△、重大不符合×(不符時記入證據、事實)注:“記事”欄:符合○、輕微不符合△、重大不符合×(不符時記入證據、事實)注:“記事”欄:符合○、輕微不符合△、重大不符合×(不符時記入證據、事實)注:“記事”欄:符合○、輕微不符合△、重大不符合×(不符時記入證據、事實)注:“記事”欄:符合○、輕微不符合△、重大不符合×(不符時記入證據、事實)注:“記事”欄:符合○、輕微不符合△、重大不符合×(不符時記入證據、事實)。
审核部门:总经理、管理者代表
审核部门:管理者代表、管理部
审核部门:管理部/文控
审核部门:管理部/各部门
审核部门:管理者代表/管理部
审核部门:总经理、管理者代表
审核部门:管理部
审核部门:管理部
审核部门:管理部、文控
审核部门:管理部、文控
审核部门:厂务部、业务部
审核部门:厂务部
审核部门:管理部、厂务部、业务部
审核部门:管理部、管理者代表
审核部门:管理部、厂务部、业务部
审核部门:管理部、文控
审核部门:管理者代表、管理部
审核部门:总经理、管理者代表。
环境管理体系审核通用检查表(适合各部门)注:“检查结果记录”栏:符合○,轻微不符合△,严重不符合×(有不符合时要记录证据,并要求受审核部门当事人签名确认)。
注:“检查结果记录”栏:符合○,轻微不符合△,严重不符合×(有不符合时要记录证据,并要求受审核部门当事人签名确认)。
注:“检查结果记录”栏:符合○,轻微不符合△,严重不符合×(有不符合时要记录证据,并要求受审核部门当事人签名确认)。
注:“检查结果记录”栏:符合○,轻微不符合△,严重不符合×(有不符合时要记录证据,并要求受审核部门当事人签名确认)。
注:“检查结果记录”栏:符合○,轻微不符合△,严重不符合×(有不符合时要记录证据,并要求受审核部门当事人签名确认)。
注:“检查结果记录”栏:符合○,轻微不符合△,严重不符合×(有不符合时要记录证据,并要求受审核部门当事人签名确认)。
注: “检查结果记录”栏:符合○,轻微不符合△,严重不符合×(有不符合时要记录证据,并要求受审核部门当事人签名确认)。
注:“检查结果记录”栏:符合○,轻微不符合△,严重不符合×(有不符合时要记录证据,并要求受审核部门当事人签名确认)。
注:“检查结果记录”栏:符合○,轻微不符合△,严重不符合×(有不符合时要记录证据,并要求受审核部门当事人签名确认)。
注:“检查结果记录”栏:符合○,轻微不符合△,严重不符合×(有不符合时要记录证据,并要求受审核部门当事人签名确认)。
注:“检查结果记录”栏:符合○,轻微不符合△,严重不符合×(有不符合时要记录证据,并要求受审核部门当事人签名确认)。
注:“检查结果记录”栏:符合○,轻微不符合△,严重不符合×(有不符合时要记录证据,并要求受审核部门当事人签名确认)。
注:“检查结果记录”栏:符合○,轻微不符合△,严重不符合×(有不符合时要记录证据,并要求受审核部门当事人签名确认)。
环境管理体系审核通用检查表(适合各部门)注:“检查成果记录”栏:符合○,轻微不符合△,严重不符合×(有不符合时要记录证据,并规定受审核部门当事人签名确认)。
注:“检查成果记录”栏:符合○,轻微不符合△,严重不符合×(有不符合时要记录证据,并规定受审核部门当事人签名确认)。
注:“检查成果记录”栏:符合○,轻微不符合△,严重不符合×(有不符合时要记录证据,并规定受审核部门当事人签名确认)。
注:“检查成果记录”栏:符合○,轻微不符合△,严重不符合×(有不符合时要记录证据,并规定受审核部门当事人签名确认)。
注:“检查成果记录”栏:符合○,轻微不符合△,严重不符合×(有不符合时要记录证据,并规定受审核部门当事人签名确认)。
续表注:“检查成果记录”栏:符合○,轻微不符合△,严重不符合×(有不符合时要记录证据,并规定受审核部门当事人签名确认)。
续表注:“检查成果记录”栏:符合○,轻微不符合△,严重不符合×(有不符合时要记录证据,并规定受审核部门当事人签名确认)。
注:“检查成果记录”栏:符合○,轻微不符合△,严重不符合×(有不符合时要记录证据,并规定受审核部门当事人签名确认)。
续表注:“检查成果记录”栏:符合○,轻微不符合△,严重不符合×(有不符合时要记录证据,并规定受审核部门当事人签名确认)。
续表注:“检查成果记录”栏:符合○,轻微不符合△,严重不符合×(有不符合时要记录证据,并规定受审核部门当事人签名确认)。
续表注:“检查成果记录”栏:符合○,轻微不符合△,严重不符合×(有不符合时要记录证据,并规定受审核部门当事人签名确认)。
续表注:“检查成果记录”栏:符合○,轻微不符合△,严重不符合×(有不符合时要记录证据,并规定受审核部门当事人签名确认)。
续表注:“检查成果记录”栏:符合○,轻微不符合△,严重不符合×(有不符合时要记录证据,并规定受审核部门当事人签名确认)。
ISO14001-2004和OHSAS18001-2007审核检查表
ISO14001 OHSAS18001 检查内容检查方法评定人员的记录/客观证据判定4.1 总要
求
4.1 总要求体系范围◆管理体系是否规定了体系范围并形成文件?
4.2
环境方针4.2
职业健康安
全方针
◆环境、职业健康安全方
针的制定
◆是否制定了文件化的管理方针?
◆管理方针是否经最高管理者批准?
◆管理方针的内容◆是否与组织的宗旨相适宜。
◆是否适合于组织
活动、产品或服务的性质、规模,适合于组织环
境的影响、职业健康安全风险的性质和规模。
◆是否对满足顾客及其他相关方的要求,对持续
改进、污染预防和降低风险作出承诺;
◆是否对遵守有关环境、职业健康安全法律、法
规和其他要求作出承诺。
◆是否提供建立和评审目标和指标的框架。
◆是否与公司的其他方针一致。
◆管理方针的传达与管理◆如何向全体员工和代表组织工作的人员传达
的?
◆采取了哪些方式?
◆公众如何获得管理方针?
◆是否得到实施◆检查绩效测量结果,确认方针是否得到实施?。
結論分為:合格( 表示)、基本合格(“_”表示 ) 、不合格( “X ” 表示)三種
結論分為:合格( 表示)、基本合格(“_”表示 ) 、不合格( “X ” 表示)三種
結論分為:合格( V 表示)、基本合格(“_”表示 ) 、不合格( “X ” 表示)三種
審核檢查記錄表
結論分為:合格( 表示)、基本合格(“_”表示 ) 、不合格( “X ” 表示)三種
審核檢查記錄表
結論分為:合格( 表示)、基本合格(“_”表示 ) 、不合格( “X ” 表示)三種
結論分為:合格( 表示)、基本合格(“_”表示 ) 、不合格( “X ” 表示)三種
結論分為:合格( 表示)、基本合格(“_”表示 ) 、不合格( “X ” 表示)三種
結論分為:合格( 表示)、基本合格(“_”表示 ) 、不合格( “X ” 表示)三種
結論分為:合格( 表示)、基本合格(“_”表示 ) 、不合格( “X ” 表示)三種
結論分為:合格( 表示)、基本合格(“_”表示 ) 、不合格( “X ” 表示)三種。
环境管理体系审核通用检查表注: “记事”栏: 符合○、轻微不符合△、重大不符合×(不符时记入证据、事实)注: “记事”栏: 符合○、轻微不符合△、重大不符合×(不符时记入证据、事实)注: “记事”栏: 符合○、轻微不符合△、重大不符合×(不符时记入证据、事实)注: “记事”栏: 符合○、轻微不符合△、重大不符合×(不符时记入证据、事实)注: “记事”栏: 符合○、轻微不符合△、重大不符合×(不符时记入证据、事实)注: “记事”栏: 符合○、轻微不符合△、重大不符合×(不符时记入证据、事实)注: “记事”栏: 符合○、轻微不符合△、重大不符合×(不符时记入证据、事实)注: “记事”栏: 符合○、轻微不符合△、重大不符合×(不符时记入证据、事实)注: “记事”栏: 符合○、轻微不符合△、重大不符合×(不符时记入证据、事实)注: “记事”栏: 符合○、轻微不符合△、重大不符合×(不符时记入证据、事实)注: “记事”栏: 符合○、轻微不符合△、重大不符合×(不符时记入证据、事实)注: “记事”栏: 符合○、轻微不符合△、重大不符合×(不符时记入证据、事实)注: “记事”栏: 符合○、轻微不符合△、重大不符合×(不符时记入证据、事实)注: “记事”栏: 符合 ○、轻微不符合 △、重大不符合 ×(不符时记入证据、事实)注: “记事”栏: 符合○、轻微不符合△、重大不符合×(不符时记入证据、事实)注: “记事”栏: 符合○、轻微不符合△、重大不符合×(不符时记入证据、事实)注: “记事”栏: 符合○、轻微不符合△、重大不符合×(不符时记入证据、事实)注: “记事”栏: 符合○、轻微不符合△、重大不符合×(不符时记入证据、事实)注: “记事”栏: 符合○、轻微不符合△、重大不符合×(不符时记入证据、事实)注: “记事”栏: 符合○、轻微不符合△、重大不符合×(不符时记入证据、事实)注: “记事”栏: 符合○、轻微不符合△、重大不符合×(不符时记入证据、事实)注: “记事”栏: 符合○、轻微不符合△、重大不符合×(不符时记入证据、事实)。
ISO14001:2004环境管理体系审核检查表
组织是否建立、实施并保持一个或多个程序,用来:
识别适用于其活动、产品和服务中环境因素的法律法规要求和其他要求并
建立获取这些要求的渠道;
确定这些要求和环境因素之间的关联?
组织是否确保在建立、实施和保持环境管理体系时,对这些适用的法律、法规要求和其他环境要求加以考虑?(4.3.2)
组织在建立和评审环境目标时,是否考虑法律、法规要求和其他应遵守的要求、它自身的重要环境因素、可选技术方案、财务、运行和经营要求,以及相关方的观点?
组织是否制定、实施并保持一个或多个旨在实现环境目标和指标的方案?其中是否包括:
规定组织内各有关职能和层次实现环境目标和指标的职责;
实现目标和指标的方法和时间表?(4.3.3)
组织是否建立、实施并保持一个或多个程序,用于有关其环境因素和环境管理体系的
组织内部各层次和职能间的信息交流;
与外部相关方联络的接收、形成文件和答复?
组织是否建立、实施并保持一个或多个程序,用来处理实际或潜在的不符合,采取纠正与预防措施?程序中是否规定以下方面的要求:
确定和纠正不符合,并采取措施减少所造成的环境影响;
对不符合进行调查,确定其产生原因,并采取措施避免再次发生;
评价预防措施的必要性,并对所制定的适当措施予以实施;
记录采取纠正措施和预防措施的结果;
评审纠正措施和预防措施的有效性?
所采取的措施是否与问题和环境影响的严重性相适应?
组织是否确保按照计划的间隔对环境管理体系进行内部审核?目的是否是:
a) 判定环境管理体系
是否符合预定的环境管理安排,包括本标准的要求;
是否得到了妥善的实施和保持?
b) 向管理者报送审核结果?
组织是否根据运行的环境重要性和以前审核的结果,策划、制定和保持审核方案?
是否制定、实施和保持审核程序,用来规定:
策划和实施审核以及报告审核结果的职责和要求;
审核准则、范围、频次和方法?对审核员的选择和对审核的实施是否均确保审核过程的客观性和公正性?(4.5.5)
最高管理者是否按规定的时间间隔,对组织的环境管理体系进行评审,以确保它的持续
适用性、充分性和有效性?评审是否包括评价对环境管理体系,包括环境方针、环境目标和指标进行改进的机遇和修改的需求?管理评审记录是否予以保存?管理评审结果是否形成文件?
管理评审的输入是否至少包括:
环境管理体系审核的结果;
和外部相关方交流取得的信息;
环境管理体系的表现(行为);
目标和指标的实现程度;
纠正和预防措施的状况;
以前管理评审后采取的后续措施;
客观环境的变化;
进建议?
(注:文件素材和资料部分来自网络,供参考。
请预览后才下载,期待你的好评与关注。
)。