分析工高级理论知识考试
- 格式:doc
- 大小:2.64 MB
- 文档页数:23
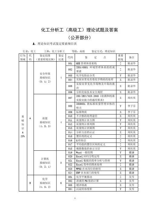
化工分析工(高级工)理论试题及答案(公开部分)A、理论知识考试鉴定要素细目表行业:化工工种:化工分析工等级:高级鉴定方式:理论知识理论知识试题:一、选择题(每题四个选项,只有一个是正确的,将正确的选项填入括弧内)01.AA001 HSE管理体系文件可分为( )层。
A 二B 三C 四 D五答案:B02.AA001在HSE管理体系中,()是管理手册的支持性文件,上接管理手册,是管理手册规定的具体展开。
A 作业文件 B作业指导书 C程序文件 D管理规定答案:C03.AA001在HSE管理体系中,不安全行为是指( )安全规则或安全常识,使事故有可能发生的行为。
A违反B遵守 C 准备 D 传授答案:A04.AA001在HSE管理体系中,物的不安全状态是指使事故( )发生的不安全条件或物质条件。
A不可能 B 可能 C 必然 D 必要答案:B05.AA001 在HSE管理体系中,风险评价是评价( )程度,并确定是否在可承受范围的全过程。
A 控制B 检测C 预防D 风险答案:D06.AA002 ISO14001环境管理体系共由()个要素所组成。
A 18B 17C 16D 15答案:B07.AA002 ISO14001标准由环境方针,策划,实施与运行,检查和纠正、管理评审等()要素构成,各要素之间有机结合,紧密联系,形成PDCA循环,并确保企业的环境行为持续改善。
A五个部分的15个 B五个部分的16个 C五个部分的17个 D五个部分的18个。
答案:C08.AA002 ISO14001环境管理体系标准作为ISO14000系列的核心,是企业建立环境体系并开展审核认证的()。
A依据 B衡量标准 C重要依据 D根本准则答案:D09.AA003按化学品的危险特性,我国将危险化学分()类。
A 4B 6C 8D 10答案:C10.AA003凡是摩擦、撞击、震动、热量或因其他因素的影响,能发生爆炸的物品称为爆炸品。
按其性质、用途和安全要求可以分为()。
职业技能鉴定分析工 高级 理论知识(A )试卷注 意 事 项1、考试时间:90分钟。
2、请首先按要求在试卷的标封处填写您的姓名、准考证号和所在单位的名称。
3、请仔细阅读各种题目的回答要求,在规定的位置填写您的答案。
4、不要在试卷上乱写乱画,不要在标封区填写无关的内容。
一、单项选择(选择正确的答案,将相应的字母填入题内的括号中。
每题0.5分,满分80分。
) 1、职业道德是指从事一定职业的人们,在( A )的工作和劳动中以其内心信念和特殊社会手段来维系的,以善恶进行评价的心理意识、行为原则和行为规范的总和。
(A )特定行业 (B )所有行业 (C )服务性行业 (D )教育2、社会主义市场经济本质上是一种经济利益导向的经济,要求人们( B )。
(A )义利并重(B )重利轻义(C )重义轻利(D )注重个人利益3、下面有关文明礼貌的论述错误的是( D )。
(A )文明礼貌是从业人员的基本素质 (B )文明礼貌是从业的基本条件 (C )文明礼貌是一生一世的事情(D )文明礼貌只是要求从业人员语言美4、下面有关爱岗敬业的论述中错误的是( D )。
(A )爱岗敬业是中华民族的传统美德 (B )爱岗敬业是现代企业精神(C )爱岗敬业是社会主义职业道德的一条重要规范。
(D )爱岗敬业与企业精神无关5、下面有关爱岗敬业与职业选择的关系中正确的是( D )。
(A )当前严峻的就业形式要求人们爱岗敬业(B )是否具有爱岗敬业的职业道德与职业选择无关 (C )是否具有爱岗敬业的职业道德只与服务行业有关(D )市场经济条件下不要求爱岗敬业6、在下列有机化合物的定义中,( D )的说法是正确的。
(A) 只要是含碳的化合物,都是有机物(B) 除碳酸盐外的含碳类化合物,都是有机物(C) 除碳酸盐、碳酸氢盐外的含碳类化合物,都是有机物(D) 除碳单质、碳的氧化物、碳酸盐、碳酸氢盐、碳的金属化合物外的含碳类化合物,称为有机化合物7、在对有机化合物易燃性质的叙述中,正确的是( D )。
分析工理论考试题及答案一、判断题 1. 分子和原子的主要区别是:分子可以构成物质,原子不行。
() 2. 准确度是测定值与真实值之间相符合的程度,可用误差表示,误差越小准确度越高。
() 3. 精密度表示各次测定结果的平均值与真实值之间的相互接近程度。
() 4. 郎伯-比耳定律适用于原子吸收光谱法分析。
() 5. 温度不是影响玻璃量器准确度的因素之一。
() 6. 重复测定和平行测定含义相同。
() 7. 定量滤纸也称无灰滤纸,只用于定量分析。
() 8、郎伯-比耳定律适用于一切有色溶液。
() 9、溶解度是指在一定温度下,某种物资在 100g 溶液中达到溶解平衡状态时所溶解的克数。
() 10、在氧化还原反应中,氧化剂得电子变为还原剂,还原剂失电子变为氧化剂。
因此氧化剂发生氧化反应,还原剂发生还原反应。
() 11、配合物的稳定常数 K 稳为一不变的常数,它与溶液的酸度大小无关。
() 12、氧化剂就是在反应中得到电子的物质。
() 13、称取 NaOH 样品应使用一次减量法。
1/ 3() 14、分光光度法的测量范围仅限于可见光区域内。
() 15、用邻菲络林作显色剂光电比色法测定溶液中Fe2+浓度应选用红色滤光片。
() 16、氢火焰检测器可用来分析 O2、 N2、 SO2、CO 气体。
() 17、在实际测定溶液的 PH 时,常用标准缓冲溶液来校正,其目的是为了消除不对称电位。
( ) 18、 H2O2即可做氧化剂又可做还原剂。
() 19、在 PHgt;9 的溶液中,玻璃电极产生的钠差能使测得的 PH 值较实际的 PH 值偏高。
() 20、提高柱温能提高柱子的选择性但会延长分析时间,降低柱效率。
() 21、酸碱浓度每增大 10 倍,滴定突跃范围就增加一个 PH 单位() 22、佛尔哈德法要求在中性或微碱性溶液中进行。
() 23、 10gKI 溶于水后稀释至 100ml,该 KI 的浓度应为 10%( ) 24、在实际测定溶液的 PH 时,常用标准缓冲溶液来校正,其目的是为了消除不对称电位。
职业技能鉴定国家题库 化学分析工高级理论知识试卷 注 意 事 项 1、考试时间:120分钟。
2、请首先按要求在试卷的标封处填写您的姓名、准考证号和所在单位的名称。
3、请仔细阅读各种题目的回答要求,在规定的位置填写您的答案。
4、不要在试卷上乱写乱画,不要在标封区填写无关的内容。
一 二 总 分 得 分 得 分 评分人 一、单项选择(第1题~第80题。
选择一个正确的答案,将相应的字母填入题内的括号中。
每题1分,满分80分。
) 1. 可逆反应2HI (气) H 2(气)+I 2(气)这一可逆反应,在密闭容器中进行,当容器中压强增加时,其影响是( )。
A 、正反应的速率与逆反应的速率相同程度增加 B 、只增加正反应的速率 C 、只增加逆反应速率 D 、正反应速率比逆速率增加得快 2. 下列溶液具有缓冲作用的是()。
A 、食盐和铵盐组成的水溶液 B 、盐酸和苛性碱组成的水溶液 C 、碳酸和纯碱组成的水溶液 D 、醋酸和它的钠盐组成的水溶液 3. 碘的电极反应式为:I 2+2e=2I -,若溶液中[I -]=10-2mol/dm 3时,电极电位是( )。
(ϕ︒I 2/2I -=0.534V ) A 、0.78V B 、-0.653V C 、0.653V D 、-0.78V 4. 标定AgNO 3用的氯化钠干燥的条件是( )。
A 、100℃烘至恒重 B 、180℃烘至恒重 C 、250℃烘至恒重 D 、500~600℃烘至恒重 5. 在实验室,常用浓盐酸与()反应,来制备氯气。
A 、Fe 2O 3 B 、KMnO 4 C 、Mg D 、MnO 2 6. 在某离子溶液中,加入过量的NaOH ,先有白色沉淀产生,既而沉淀又消失,变得澄清的阳离子是()。
A 、K +B 、Al 3+考 生 答 题 不 准 超 过 此 线 地区姓名单位名称准考证号C、Fe3+D、Mg2+7. 能与稀H2SO4形成硫酸盐沉淀,且有SO2气体释放的是( )。
化学检验分析高级理论知识试卷B注 意 事 项1、考试时间:120分钟。
2、本试卷依据《中华人民共和国工人技术等级标准》命制。
3、请首先按要求在试卷的标封处填写您的姓名、准考证号和所在单位的名称。
4、请仔细阅读各种题目的回答要求,在规定的位置填写您的答案。
5、不要在试卷上乱写乱画,不要在标封区填写无关的内容。
一、填空题(将正确的答案填入题内的空白处。
每空1分,满分30分。
)1、滴定管体积校正的常用方法: 、 。
2、采样要及时记录,包括试样名称、采样地点部位、编号、数量、采样日期、采样人。
3、化验室危险种类分为:火灾爆炸、化学烧伤和腐蚀、中毒、触电。
4、化学试剂纯度分为:优级纯、分析纯、化学纯、化学试剂5、化学试剂按用途分为:一般试剂、基准试剂、有机试剂、色谱试剂、生物试剂、指示剂6、20.1583+1.1+0.208经数据处理后的值为21.5 ,(2.1064ⅹ74.4)/2经数据处理后的值为78.57、由于水溶液的附着力和内聚力的作用,滴定管液面呈弯月面。
8、色谱定量分析中的定量校正因子可分为相对校正因子和 绝对校正因子。
9、滴定管读数时应遵守的规则是:(1)初读终读都要等1—2分钟 (2)保持滴定管垂直向下(3)读数到小数点后两位(4)初读终读方法应一致。
二、选择题(将正确答案的序号填入题内的括号中。
每题2分,满分30分。
)1、天平称量绝对误差为+0.2mg ,若要求称量相对误差小于0.2%,则应至少称取 (C )g 。
A 、1gB 、0.2gC 、0.1gD 、0.02g 2、数字中,有三位有效数字的是(B )A 、pH 值为4.30B 、滴定管内溶液消耗体积为5.40mLC 、分析天平称量5.3200gD 、台称称量0.50g3、某溶液主要含有Ca 2+、Mg 2+及少量Al 3+、Fe 3+,今在pH=10时加入三乙醇胺后,用EDTA 滴定,用铬黑T 为指示剂,则测出的是BA 、Mg 2+的含量B 、Ca 2+、Mg 2+含量C 、Al 3+、Fe 3+的含量D 、Ca 2+、Mg 2+、Al 3+、Fe 3+的含量 4、在目视比色法中,常用的标准系列法是比较DA.入射光的强度B.透过溶液后的强度C.透过溶液后的吸收光的强度D.一定厚度溶液的颜色深浅 5、气相色谱中,直接表示组分在固定相中停留时间长短的保留参数是 A.保留时间 B.保留体积 C.相对保留值 D.调整保留时间 6、固定相老化的目的是:CA 、除去表面吸附的水分;B 、除去固定相中的粉状物质;C 、除去固定相中残余的溶剂及其它挥发性物质;D 、提高分离效能。
分析工理论考试题一、判断题(在题后括号内作记号,“√”表示对," X ”表示错。
)1 .在X 射线荧光光谱分析中,连续X 射线光谱起干扰作用,只有特征的X 射线光谱才是分析的依据。
(√)2 .在电磁波谱区域表中,从Y 射线区到射频区波长由长到短。
(×)3 .在X 射线荧光光谱分析中,管压决定原极谱的形状,而在管压和靶材确定的情况下,管流决定原极谱的强度。
(√)4 . X 射线荧光光谱仪和光电直读光潜仪一样,都采用光电倍增价来接受特征的光潜线信号。
(×)5 . X 射线探测器是一种将X 射线光子能量转换成电脉冲的装置。
(√)6 .光电直读光谱仪上,某通道产生了溢出,这时应增加负高压位。
(×)7 .光电倍增管的工作原理是光电效应。
(√)8 .真空直读光谱的真空度未达到规定值时不能加上负高压。
(√)9 .光电直读光谱仪执行完描迹仪后必须重新进行标准化。
(√)10 .在红外碳硫仪分析中,试样中的C和S是和坩埚释放的氧气结合生成C02 和SO2被检测的。
(×)11. 红外碳硫仪的旁路炉子测试是指去掉炉子后检查测量单元是否漏气。
(√)12. N /O分析仪要求作为载气的氦气纯度应在99.99%以上。
(×)13. N /O分析仪是用两种原理相同的检测器分别测定氧和测定氮。
(×)14. N /O分析仪的电极炉需要用循环水冷却。
(√)15. 精密度是指分析结果与真实值接近程度。
(×)16. 钢按化学成分可分为碳素钢和合金钢两大类。
(√)17. 计算机病毒是人为编制的一种特殊的计算机程序。
(√)18. 炼钢工艺采用溅渣护炉的作用是减少炉忖消耗,提高炉龄。
(√)19. 炼钢企业标准规定45钢种C含量的平均值是0.45。
(√)20. 所谓偏析是指铸坯中化学成分的差异。
(√)21. 铍窗越薄的X 光管将更有效的激发轻元素。
(√)22. X射线的波长越短,其能量越大,穿透力越强。
化学分析工试题(高级工)一、填空:1、系统误差可分为( 仪器 ) 误差、(试剂 ) 误差、(方法)误差、环境误差和操作误差。
2、我国化学试剂分为(优级 )纯、 (分析) 纯 、(化学)纯和实验试剂。
3、滴定分析法按反应类型可分为( 酸碱滴定)法、 (氧化还原滴定)法、 (配位滴定)法和 (沉淀滴定)法。
4、化学键有(离子键) 、(共价键) 、(配位键)三类。
5、共价键的键合力一般比离子键的键合力(强 ) 。
6、石英玻璃制品能承受(温度)的剧烈变化,是优良的(电)绝缘体,能透过(紫外线 ), 不能接触( 氢氟)酸。
7、铂坩埚在煤气灯上加热时, 只能在 (氧化或外) 焰中加热, 不能在 (还原或内) 焰中加热。
8、托盘天平的分度值是( ) g,工业天平的分度值是() g,分析天平的分度值是() g 。
9 、天平的计量性能包括稳定性、 (灵敏度) 、(正确性 )和( 示值变动性)。
10 有机试剂应按(官能团)分类存放,贵重试剂应由(专人)保管。
11 、在弱酸和弱碱溶液中, pH 和 pOH 之和等于( 14 ) 。
12、化学反应完成时的化学计量点称为(等量点 ),指示剂颜色改变的转折点称为(滴定终 点),二者的差值称为(滴定误差或终点误差 ) 。
13、酸碱直接滴定时要使相对误差≤ %, PH 突跃必须大于( )单位,因此要求 C*K ≥10-8 才 行。
14、弱酸的电离常数 Ka 与酸的(浓度 )无关,只随(温度 ) 变化。
15、某溶液的 PH=,它的[H + ]= ( ) mol/L 。
16、酸碱知识剂本身都是(弱酸或者弱碱) ,它们的变色范围是( pK+ 1 ) 。
17、醋酸溶液稀释后,电离度会(增大 ),氢离子浓度会(减小 ) 。
18 、在酸碱质子理论中, H 2O 的共轭酸是(H 3O + ), 共轭碱是 (OH - ) 。
19 、在酸碱质子理论中, NH 3 的共轭酸是(NH 4+ ),共轭碱是(NH 2- ) 。
职业技能鉴定试题库化学分析工〔高级工〕理论知识试卷考前须知:1考试时间:90分钟。
2按要求在试卷的标封处填写姓名、准考证号和所在单位的名称。
3仔细阅读各种题目的答复要求,在规定的位置填写答案。
4不要在试卷上乱写乱画,不要在标封区填写无关的内容。
一、单项选择第1~70题。
选择一个正确的答案,每题1分,共70分〔请把答案填写在下面的表格里,否那么不计入成绩〕 〔 〕1职业道德是指从事一定职业的人们,在〔 〕的工作和劳动中以其内心信念和特殊社会手段来维系的,以善恶进行评价的心理意识、行为原那么和行为标准的总和。
A 特定行业B 所有行业C 效劳性行业D 教育 〔 〕2社会主义市场经济本质上是一种经济利益导向的经济,要求人们〔 〕。
A 义利并重B 重利轻义C 重义轻利D 注重个人利益 〔 〕=的强碱溶液与L 于试管中,参加数滴酸化硝酸银水溶液摇匀,在〔 〕看溶液是否变白色浑浊,如无氯离子应为无色透明。
A 浅色背景B 粉色背景C 白色背景D 黑色背景考 生 答 题 不 准超过此 线〔〕16气相色谱分析中标准样品主体含量应〔〕。
A不得低于% B不得高于% C不得低于% D不得高于%〔〕17二级标准碳酸钠用前应在〔〕灼烧至恒重。
℃-270℃℃℃-110℃℃-300℃〔〕18标准杂质溶液是指〔〕。
A用于制备单位容积内含有准确数量物质之溶液,应用于检定化学试剂中的有机杂质B用于制备单位容积内含有准确数量物质之溶液,应用于检定化学试剂中的无机杂质C用于制备单位容积内含有准确数量物质之溶液,应用于检定化学试剂中主成分含量D用于制备单位容积内含有准确数量物质之溶液,应用于检定化学试中剂的杂质〔〕19二级标准氧化锌用前应在〔〕灼烧至恒重。
℃-270℃℃℃-110℃℃-300℃〔〕2021高锰酸钾溶液应选择〔〕做基准物。
A氯化钠 B氧化锌 C无水碳酸钠 D草酸钠〔〕21标定硫酸标准溶液适宜的指示剂是〔〕。
A酚酞 B甲基橙 C甲基红 D溴甲酚绿-甲基红混合指示剂〔〕22在21℃时由滴定管放出水,其质量为克。
职业技能鉴定国家题库分析工高级理论知识试卷注 意 事 项1、考试时间:90分钟;2、本试卷依据2001年颁布的分析工 国家职业标准命制;3、请首先按要求在试卷的标封处填写您的姓名、身份号和所在单位的名称;4、请仔细阅读各种题目的回答要求,在规定的位置填写您的答案;5、不要在试卷上乱写乱画,不要在标封区填写无关的内容;一、单项选择第1题~第50题;选择一个正确的答案,将相应的字母填入题内的括号中;每题1分,满分50分;1、国家标准规定的实验室用水分为 级; A 、4 B 、5 C 、3 D 、22、pH=中的有效数字是 位; A 、0 B 、2 C 、3 D 、43、用过的极易挥发的有机溶剂,应 A 、倒入密封的下水道 B 、用水稀释后保存C 、倒入回收瓶中D 、放在通风厨保存4、分析用水的电导率应小于 ;A 、 μS/cm B、μS/cm C、μS/cm D、μS/cm5、试液取样量为1~10mL 的分析方法称为A 、微量分析B 、常量分析C 、半微量分析D 、超微量分析 6、贮存易燃易爆,强氧化性物质时,最高温度不能高于:A 、20℃B 、10℃C 、30℃D 、0℃7、计量器具的检定标识为黄色说明A 、合格,可使用B 、不合格应停用C 、检测功能合格,其他功能失效D 、没有特殊意义8、已知TNaOH/H 2SO 4=0.004904g/mL,则氢氧化钠的量浓度为 mol/L; A 、 B 、0.005000 C 、 D 、9、对于相似元素Li +、Na +、K +的分离常用 法;A 、萃取分离法B 、色谱分离法C 、离子交换分离法D 、沉淀分离法 10、滴定分析中,若试剂含少量待测组分,可用于消除误差的方法是 A 、仪器校正 B 、空白试验 C 、对照分析 11、用L NaOH 标准溶液滴定同浓度的H 2C 2O 42a 109.51-⨯=K 、5a 104.62-⨯=K 时,有几个滴定突跃应选用何种指示剂A 、二个突跃,甲基橙40.3pK HIn =B 、二个突跃,甲基红00.5pK HIn =C 、一个突跃,溴百里酚蓝30.7pK HIn =D 、一个突跃,酚酞10.9pK HIn =12、在HCl 滴定NaOH 时,一般选择甲基橙而不是酚酞作为指示剂,主要是由于A.甲基橙水溶液好;B.甲基橙终点CO 2影响小;C. 甲基橙变色范围较狭窄D.甲基橙是双色指示剂.13、用EDTA 标准滴定溶液滴定金属离子M,要求相对误差小于%,则要求A 、c M ·MY K '≥106B 、c M ·MY K '≤106C 、MY K '≥106D 、MY K '·αYH ≥106 14、产生金属指示剂的封闭现象是因为A 、指示剂不稳定B 、MIn 溶解度小C 、MIn K ' < MY K 'D 、MIn K '> MY K '15、在酸性介质中,用KMnO 4溶液滴定草酸盐溶液,滴定应 A 、在室温下进行 B 、将溶液煮沸后即进行C 、将溶液煮沸,冷至85℃进行D 、将溶液加热到75℃~85℃时进行E 、将溶液加热至60℃时进行16、用KMnO 4法测定Fe 2+,可选用下列哪种指示剂A 、红-溴甲酚绿B 、二苯胺磺酸钠C 、铬黑TD 、自身指示剂17、称量分析中以Fe 2O 3为称量式测定FeO,换算因数正确的是 A 、)O Fe ()FeO (232M M F =B 、)O Fe ()FeO (32M M F =C 、)O Fe (3)FeO (232M M F =D 、)O Fe ()Fe (32M M F =18、下列各条件中何者违反了非晶形沉淀的沉淀条件A 、沉淀反应易在较浓溶液中进行B 、应在不断搅拌下迅速加沉淀剂C 、沉淀反应宜在热溶液中进行D 、沉淀宜放置过夜,使沉淀陈化; 19、熔点的测定中,应选用的设备是 A 、提勒管 B 、茹可夫瓶 C 、比色管 D 、滴定管20、有机物经钠熔后的溶液用稀HAc 酸化,加入稀PbAc 2溶液,有黑色沉淀,说明该化合物中含 元素; A 、NB 、SC 、ID 、Cl21、碘酸钠氧化法测定糖含量时,测定对象 A 、醛糖B 、酮糖C 、醛糖和酮糖D 、蔗糖22、下列叙述错误的是A 、折光率作为纯度的标志比沸点更可靠B 、阿贝折光仪是据临界折射现象设计的C 、阿贝折光仪的测定范围在~D 、折光分析法可直接测定糖溶液的浓度 23、羟值是指A 、100g 样品中的羟基相当于氢氧化钾的克数B 、1g 样品中的羟基相当于氢氧化钾的克数C 、100g 样品中的羟基相当于氢氧化钾的毫克数D 、1g 样品中的羟基相当于氢氧化钾的毫克数24、测定沸程安装蒸馏装置时,使测量温度计水银球上端与蒸馏瓶和支管接合部的 保持水平;A 、无一定要求B 、上沿C 、下沿D 、中部25、官能团检验时,希夫试验要求的条件为A 、强碱性B 、弱碱性C 、弱酸性D 、中性26、下列试样既能用密度瓶法又能用韦氏天平法测定其密度的是 A 、丙酮 B 、汽油 C 、乙醚 D 、甘油 27、双光束分光光度计与单光束分光光度计相比,其突出优点是 A 、可以扩大波长的应用范围 B、可以采用快速响应的检测系统 C、可以抵消吸收池所带来的误差 D、可以抵消因光源的变化而产生的误差28、下列化合物中,吸收波长最长的化合物是A、CH3CH26CH3; B、CH32C=CHCH2CH=CCH32;C、CH2=CHCH=CHCH3; D、CH2=CHCH=CHCH=CHCH3;29、原子吸收光谱分析中,噪声干扰主要来源于:A、空心阴极灯B、原子化系统C、喷雾系统D、检测系统;30、原子吸收分光光度法是基于从光源辐射出待测元素的特征谱线的光,通过样品的蒸气时,被蒸气中待测元素的__________所吸收A 原子B 基态原子C 激发态原子D 分子31、离子选择性电极的选择性主要取决于A、离子浓度B、电极膜活性材料的性质C、待测离子活度D、测定温度32、电导滴定法是根据滴定过程中由于化学反应所引起的溶液来确定滴定终点的;A、电导B、电导率C、电导变化D、电导率变化 33、气相色谱检测器的温度必须保证样品不出现现象A、冷凝B、升华C、分解D、气化34、气相色谱的主要部件包括A、载气系统、分光系统、色谱柱、检测器B、载气系统、进样系统、色谱柱、检测器C、载气系统、原子化装置、色谱柱、检测器D、载气系统、光源、色谱柱、检测器35、红外吸收峰的强度,根据的大小可粗略分为五级A、吸光度AB、透光率TC、波长λD、波数υ36、红外吸收光谱的产生是由于A、分子外层电子、振动、转动能级的跃迁B、原子外层电子、振动、转动能级的跃迁C、分子振动-转动能级的跃迁D、分子外层电子的能级跃迁37、在液相色谱中,为了改变柱子的选择性,可以进行的操作A、改变柱长B、改变填料粒度C、改变流动相或固定相种类D、改变流动相的流速38、反相键合相色谱是指A、固定相为极性,流动相为非极性B、固定相的极性远小于流动相的极性C、被键合的载体为极性,键合的官能团的极性小于载体极性D、被键合的载体为非极性,键合的官能团的极性大于载体极性39、下列用于高效液相色谱的检测器,______检测器不能使用梯度洗脱;A、紫外检测器B、荧光检测器C、蒸发光散射检测器D、示差折光检测器40、TCD的基本原理是依据被测组分与载气的不同;A、相对极性B、电阻率C、相对密度D、导热系数41、液相色谱流动相过滤必须使用何种粒径的过滤膜A、μmB、μmC、μmD、μm42、电位滴定与容量滴定的根本区别在于:A、滴定仪器不同B、指示终点的方法不同C、滴定手法不同D、标准溶液不同43、在气固色谱中各组份在吸附剂上分离的原理是A、各组份的溶解度不一样 B、各组份电负性不一样C、各组份颗粒大小不一样D、各组份的吸附能力不一样44、氢火焰检测器的检测依据是A、不同溶液折射率不同B、被测组分对紫外光的选择性吸收C、有机分子在氢氧焰中发生电离D、不同气体热导系数不同45、在示差光度法中,需要配制一个标准溶液作参比用来A、扣除空白吸光度B、校正仪器的漂移C、扩展标尺D、扣除背景吸收46、控制适当的吸光度范围的途径不可以是A、调整称样量B、控制溶液的浓度C、改变光源D、改变定容体积47、在原子吸收分析中,已知由于火焰发射背景信号很高,因而采取了下面一些措施,指出哪种措施是不适当的A、减小光谱通带B、改变燃烧器高度C、加入有机试剂D、使用高功率的光源48、有机化合物的旋光性是由于产生的;A、有机化合物的分子中有不饱和键;B、有机化合物的分子中引入了能形成氢键的官能团;C、有机化合物的分子中含有不对称结构;D、有机化合物的分子含有卤素;49、一种能作为色散型红外光谱仪色散元件的材料为A、玻璃B、石英C、卤化物晶体D、有机玻璃50、纸层析法的固定相是A、层析纸上游离的水B、层析纸上纤维素C、层析纸上纤维素键合的水D、层析纸上吸附的吸附剂二、多项选择题每题2分共26分1、洗涤下列仪器时,不能用去污粉洗刷的是A、烧杯B、滴定管C、比色皿D、漏斗2、以CaCO3为基准物标定EDTA时, 需用操作液润洗;A、滴定管B、容量瓶C、移液管D、锥形瓶3、测定中出现下列情况,属于偶然误差的是A、滴定时所加试剂中含有微量的被测物质B、某分析人员几次读取同一滴定管的读数不能取得一致C、滴定时发现有少量溶液溅出D、某人用同样的方法测定,但结果总不能一致4、下列物质中,哪几种不能用标准强碱溶液直接滴定A、盐酸苯胺C6H5NH2·HClC6H5NH2的Kb=×10-10;B、NH42SO4NH3·H2O的Kb=×10-5;C、邻苯二甲酸氢钾邻苯二甲酸的Ka=×10-6;D、苯酚Ka=×10-10;5、在碘量法中为了减少I2的挥发,常采用的措施有A、使用碘量瓶B、溶液酸度控制在pH>8C、适当加热增加I2的溶解度,减少挥发 D、加入过量KI6、下列哪些要求不是重量分析对量称形式的要求A、性质要稳定增长B、颗粒要粗大C、相对分子量要大D、表面积要大7、在下列有关留样的作用中,叙述正确的是 ;A、复核备考用B、比对仪器、试剂、试验方法是否有随机误差C、查处检验用D、考核分析人员检验数据时,作对照样品用8、下列叙述不正确的是 ;A、皂化法测酯,可用皂化值和酯值表示结果B、酯值包含游离酸所耗KOH 的量C、酯值 = 酸值 + 皂化值D、皂化法测酯,碱的浓度越大越好9、下列哪些方法属于分光光度分析的定量方法A、工作曲线法B、直接比较法C、校正面积归一化法 D 、标准加入法10、在原子吸收光谱法中,由于分子吸收和化学干扰,应尽量避免使用来处理样品;A、H2SO4B、HNO3C、H3PO4D、HClO411、离子强度调节缓冲剂可用来消除的影响有:A、溶液酸度B、离子强度C、电极常数D、干扰离子12、下列气相色谱操作条件中,正确的是:A、汽化温度愈高愈好B、使最难分离的物质对能很好分离的前提下,尽可能采用较低的柱温C、实际选择载气流速时,一般略低于最佳流速D、检测室温度应低于柱温13、并不是所有的分子振动形式其相应的红外谱帯都能被观察到,这是因为A、分子既有振动,又有转动,太复杂B、分子中有些振动能量是简单的C、因为分子中有C、H、O以外的原子存在D、分子中某些振动能量相互抵消三、判断题将判断结果填入括号中;正确的填“√”,错误的填“×”;每题1分,满分24分;1、国标规定,一般滴定分析用标准溶液在常温15~25℃下使用两个月后,必须重新标定浓度;2、天平和砝码应定时检定,按照规定最长检定周期不超过一年;3、酸效应曲线的作用就是查找各种金属离子所需的滴定最低酸度;4、用因吸潮带有少量湿存水的基准试剂Na2CO3标定HC1溶液的浓度时,结果偏高;若用此HCl溶液测定某有机碱的摩尔质量时结果也偏高;5、配制好的KMnO4溶液应放在棕色瓶中保存,如果没有棕色瓶应避光处保存;6、标定I2溶液时,既可以用Na2S2O3滴定I2溶液,也可以用I2滴定Na2S2O3溶液,且都采用淀粉指示剂;这两种情况下加入淀粉指示剂的时间是相同的;7、可以将AgNO3溶液放入在碱式滴定管进行滴定操作;8、重量分析中当沉淀从溶液中析出时,其他某些组份被被测组份的沉淀带下来而混入沉淀之中这种现象称后沉淀现象9、紫外可见分光光度分析中,在入射光强度足够强时,单色器狭缝越窄越好;10、饱和碳氢化合物在紫外光区不产生光谱吸收,所以经常以饱和碳氢化合物作为紫外吸收光谱分析的溶剂11、石墨炉原子吸收测定中,所使用的惰性气体的作用是保护石墨管不因高温灼烧而氧化、作为载气将气化的样品物质带走; 12、进行原子光谱分析操作时,应特别注意安全;点火时应先开助燃气、再开燃气、最后点火;关气时应先关燃气再关助燃气;13、更换玻璃电极即能排除酸度计的零点调不到的故障;14、气相色谱分析中分离度的大小综合了溶剂效率和柱效率两者对分离的影响;15、热导检测器桥流的选择原则是在灵敏度满足分析要求的情况下,尽量选用较低的桥流 ;16、流动相不变、流速不变,更换更长的色谱柱,有利于改善分离度;17、在红外光谱分析中,对不同的分析样品气体、液体和固体应选用相应的吸收池;18、毛细管法测定熔点时,装样量过多使测定结果偏高;19、仪器分析测定中,常采用校准曲线分析方法;如果要使用早先已绘制的校准曲线,应在测定试样的同时,平行测定零浓度和中等浓度的标准溶液各两份,其均值与原校准曲线的精度不得大于5%~10%,否则应重新制作校准曲线;20、空心阴极灯亮,但高压开启后无能量显示,可能是无高压21、只要关闭电源总开关,TCD检测器的开关可以不关;22、反相键合相色谱柱长期不用时必须保证柱内充满甲醇流动相;23、氢火焰离子化检测器的使用温度不应超过100℃,温度高可能损坏离子头;24、用气相色谱法分析非极性组分时,一般选择极性固定液,各组分按沸点由低到高的顺序流出;。
职业技能鉴定国家题库化学分析工高级理论知识试卷注 意 事 项1、考试时间:120分钟。
2、本试卷依据2001年颁布的《化学分析工 国家职业标准》命制。
3、请首先按要求在试卷的标封处填写您的姓名、准考证号和所在单位的名称。
4、请仔细阅读各种题目的回答要求,在规定的位置填写您的答案。
5、不要在试卷上乱写乱画,不要在标封区填写无关的内容。
一、单项选择(第1题~第140题。
选择一个正确的答案,将相应的字母填入题内的括号中。
每题分,满分70分。
)1. 在硅酸盐的分析中,在铵盐存在下,加入氨水控制PH 值为8-9,溶液中的Fe 3+、Al 3+、TiO 22+形成( )而与Ca 2+、Mg 2+分离。
A 、络合物B 、沉淀物C 、挥发物D 、有色物2. 《污水综合排放标准》对一些污染物规定了最高允许排放( )。
A 、时间B 、浓度C 、数量D 、范围3. 操作中,温度的变化属于( )。
A 、系统误差B 、方法误差C 、操作误差D 、偶然误差4. PH=5和PH=3的两种盐酸以1∶2体积比混合,混合溶液的PH 是( )。
A 、 B 、10.1 C 、 D 、5. ( )是按规定程序减小试样粒度和数量的过程。
A 、试样的采取B 、试样的制备C 、试样的分解D 、试样的处理6. 在非水酸碱滴定中,苯溶液属于( )。
A 、两性溶剂B 、酸性溶剂C 、碱性溶剂D 、惰性溶剂7. 只能在( )溶液中使用KCN 作掩蔽剂。
A 、中性B 、碱性C 、微酸性D 、酸性8. [()]Cu NH 342+,在溶液中电离方程式正确的是( )。
A 、Cu NH ()342+Cu NH ()332++NH 3 B 、Cu NH ()342+Cu NH ()332++2NH 3 C 、Cu NH ()342+Cu NH ()332++3NH 3 D 、Cu NH ()342+Cu 2++4NH 39. 在电位滴定中,若以作图法(E 为电位、V 为滴定剂体积)确定滴定终点,则滴定终点为( )。
0910分析高级试卷1(总6页)--本页仅作为文档封面,使用时请直接删除即可----内页可以根据需求调整合适字体及大小--化工行业特有工种试题库 分析工(高级)理论知识试卷 注 意 事 项 1、考试时间:120分钟。
2、本试卷依据2002年颁布的《化学检验工 国家职业标准》命制。
3、请首先按要求在试卷的标封处填写您的姓名、准考证号和所在单位的名称。
4、请仔细阅读各种题目的回答要求,在规定的位置填写您的答案。
5、不要在试卷上乱写乱画,不要在标封区填写无关的内容。
60题。
选择一个正确的答案,将相应的字母填入题内的括号中。
每题1分,满分60分。
) 1、已知F2/F-、Cl2/Cl-和Br2/Br-电对的标准电极电位分别为、和,则还原能力次序为( )。
(A)Br->Cl->F- (B)、F-<Br-<Cl- (C)、Cl-<F-<Br- (D)、Br-<Cl-<F- 2、L 乙酸溶液的pH 值为(已知K HAc =×10-5)( )。
(A) (B) (C) (D) 3、LNa 2CO 3溶液的pH 值为(K a1=×10-7、K a2=×10-11)( )。
(A) (B) (C) (D)考 生答题 不准 超过 此 线4、已知在标准状态下,铜离子无法氧化碘离子(V E Cu Cu 17.00/2=++、V E I I 535.00/2=-);但若生成CuI 沉淀后情况会有所变化。
通过计算判定(均在标准状态下)2Cu 2++4I -→2CuI ↓+I 2↓反应的方向(K spCuI =×10-12)( )。
(A) 、反应向左进行 (B) 、反应向左进行(C) 、反应向右进行 (D) 、反应向右进行5、已知在25℃时铬酸银的溶解度为×10-5mol/L 则铬酸银的溶度积为( )。
(A) ×10-5 (B) ×10-9 (C) ×10-12 (D) ×10-136、在下列吸附中,属于化学吸附的是( )。
职业技能鉴定国家题库 化学分析工高级理论知识试卷 注 意 事 项 1、考试时间:120分钟。
2、请首先按要求在试卷的标封处填写您的姓名、准考证号和所在单位的名称。
3、请仔细阅读各种题目的回答要求,在规定的位置填写您的答案。
4、不要在试卷上乱写乱画,不要在标封区填写无关的内容。
一 二 总 分 得 分 得 分 评分人 一、单项选择(第1题~第80题。
选择一个正确的答案,将相应的字母填入题内的括号中。
每题1分,满分80分。
) 1. 下列说法正确的是( )。
A 、反应级数愈大,反应速度愈快 B 、一般化学反应应在一定的温度范围内,温度每升高10K 反应速度约增加1~3倍 C 、反应速度只决定于温度,温度相同时各反应速度常数相等 D 、活化能越大,反应速度越快 2. 可逆反应A (气)+3D (气)2E (气)处于平衡状态,为使反应向正反应方向进行,最适宜的条件是( )。
A 、降低压强,升高温度,加催化剂 B 、降低压强,增加E 的浓度 C 、增加压强,降低A 的浓度 D 、增加压强,降低E 的浓度 3. PH=5和PH=3的两种盐酸以1∶2体积比混合,混合溶液的PH 是( )。
A 、3.17 B 、10.1 C 、5.3 D 、8.2 4. 与缓冲溶液的缓冲容量大小有关的因素是( )。
A 、缓冲溶液的PH 值范围 B 、缓冲溶液的总浓度 C 、外加的酸 D 、外加的碱 5. 酸效应对沉淀溶解影响不明显的是( )。
A 、Mg (OH )2 B 、CaCO 3 C 、CaSO 4 D 、Cu (OH )2 6. 氢气、一氧化碳、氮气、甲烷四种气体混合,体积比为10∶2∶1∶7,则此混合气体在标准状态下的密度为( )。
A 、1.08 B 、0.54 C 、0.482 D 、0.957. 下列基准物质的干燥条件中正确的是( )。
A 、H 2C 2O 4·2H 2O 放在空的干燥器中B 、NaCl 放在空的干燥器中考 生 答 题 不 准 超 过 此 线 地区姓名单位名称准考证号C、Na2CO3在105~110℃电烘箱中D、邻苯二甲酸氢钾在500~600℃的电烘箱中8. ( )与稀H2SO4反应,产物是Na2SO4和H2O。
化学分析工理论考试复习题一、选择题(第1~120 题。
选择正确的答案,将相应的字母填入题内的括号中。
每题1.0分。
满分120分):1、0.01mol/L Na2SO4溶液中[Na+]是( )。
(A) 0 (B) 0.02mol/L (C) 0.01mol/L (D) 0.005mol/L2、0.01mol/L NaOH溶液中[H+]对0.001mol/L NaOH溶液中[H+]的倍数是( )。
(A) 10-1 (B) 10-11 C) 106 (D) 10103、12.26+7.21+2.1341三位数相加,由计算器所得结果为21.6041应修约为( )。
(A) 21.60 (B) 21.6 (C) 21 (D) 21.6044、20℃时,( )是标准液体的运动粒度与在毛细管粘度计中流过的时间之比。
(A) 运动粘度常数 (B) 标准粘度常数 (C) 恒定粘度常数 (D) 粘度计常数5、7.4克Na2H2Y·2H2O(M=372.24g/mol)配成1升溶液,其浓度(单位mol/L)约为( )。
(A) 0.1 (B) 0.01 (C) 0.02 (D) 0.26、721型分光光度计底部干燥筒内的干燥剂要( )检查更换。
(A) 保持潮湿 (B) 定期 (C) 经常 (D) 使用时7、CuSO4溶液和Na2S溶液混合后的产物是( )。
(A) Cu↓+S↓+Na2SO4(B) CuS↓+Na2SO4(C) Cu(OH)2↓+H2S↑+Na2SO4(D) 以上答案都不对8、KMnO4标准溶液配制时,正确的是( )。
(A) 将溶液加热煮沸1小时,放置数日,用砂心、漏斗过滤贮于棕色试剂瓶中(B) 将溶液加热煮沸1小时,放置数日,用砂心、漏斗过滤贮于无色试剂瓶中(C) 将溶液加热煮沸,冷却后用砂心、漏斗过滤贮于棕色试剂瓶中(D) 将溶液加热,待完全溶解,放置数日,贮于棕色试剂瓶中9、Na2CO3溶液中滴加入BaCl2溶液,有BaCO3沉淀产生,能使此沉淀又溶解的物质是( )。
职业技能鉴定国家题库 分析工高级理论知识试卷 注 意 事 项 1、考试时间:120分钟。
2、本试卷依据2002年颁布的《分析工国家职业标准》命制。
3、请首先按要求在试卷的标封处填写您的姓名、准考证号和所在单位的名称。
4、请仔细阅读各种题目的回答要求,在规定的位置填写您的答案。
5、不要在试卷上乱写乱画,不要在标封区填写无关的内容。
题。
选择一个正确的答案,将相应的字母填入题内的括号中。
每题0.5分,满分80分。
) 1. 某人根据置信度为95%对某项分析结果计算后,写出如下报告,合理的是( )。
A 、(25.48±0.1)% B 、(25.48±0.135)% C 、(25.48±0.13)% D 、(25.48±0.1348)% 2. 下列各混合溶液,哪个不具有PH 的缓冲能力( )。
A 、100ml 1mol/L HA C +100ml 1mol/L NaOH B 、100ml 1mol/L HCl+200ml 2mol/L NH 3·H{O C 、200ml 1mol/L HA C +100ml 1mol/L NaOH D 、100ml 1mol/L NH 4Cl+100ml 1mol/L NH 3·H{O 3. 原子吸收光谱仪的高温石墨管原子化器主要由( )组成。
(其中:1.雾化器;2.燃烧器;3.石墨管;4.水冷外套;5.石英窗;6.电极;7.搅拌器) A 、1、2、3、4 B 、2、3、4、5 C 、3、4、5、6 D 、4、5、6、7 4. 00234430371071275....⨯⨯的结果是( )。
A 、0.0561259 B 、0.056 C 、0.05613 D 、0.0561 5. 难溶于水的羧酸,可以用过量的( )标准溶液溶解,然后用酸标准溶液返滴定测定其含量。
A 、酸 B 、碱 C 、水 D 、醇 6. 某人根据置信度为90%对某项分析结果计算后写出如下报告、合理的是( )。