土方方格网计算公式
- 格式:ppt
- 大小:1.67 MB
- 文档页数:2
方格网法土方量计算及测量(总7页)--本页仅作为文档封面,使用时请直接删除即可----内页可以根据需求调整合适字体及大小--土方施工技术场地平整理论知识:一、平整场地土方量计算公式与步骤1. 读识方格网图方格网图由设计单位(一般在1:500的地形图上)将场地划分为边长a=10~40m的若干方格,与测量的纵横坐标相对应,在各方格角点规定的位置上标注角点的自然地面标高(H)和设计标高(Hn),如图所示.2.确定场地设计标高1)场地初步标高:H0=S(H11+H12+H21+H22)/4MH11、H12、H21、H22 ——一个方格各角点的自然地面标高;M——方格个数.或:H0=(∑H1+2∑H2+3∑H3+4∑H4)/4MH1--一个方格所仅有角点的标高;H2、H3、H4--分别为两个、三个、四个方格共用角点的标高.2)场地设计标高的调整按泄水坡度调整各角点设计标高:①单向排水时,各方格角点设计标高为: Hn = H0 ± Li②双向排水时,各方格角点设计标高为:Hn = H0 ± Lx ix ± L yi y3.计算场地各个角点的施工高度施工高度为角点设计地面标高与自然地面标高之差,是以角点设计标高为基准的挖方或填方的施工高度.各方格角点的施工高度按下式计算:式中 hn------角点施工高度即填挖高度(以“+”为填,“-”为挖),m;n------方格的角点编号(自然数列1,2,3,…,n). Hn------角点设计高程, H------角点原地面高程.4.计算“零点”位置,确定零线方格边线一端施工高程为“+”,若另一端为“-”,则沿其边线必然有一不挖不填的点,即“零点”(如图1-4所示).图1-4 零点位置零点位置按下式计算:式中 x1、x2 ——角点至零点的距离,m;h1、h2 ——相邻两角点的施工高度(均用绝对值),m; a —方格网的边长,m. 确定零点的办法也可以用图解法,如图1-5所示.方法是用尺在各角点上标出挖填施工高度相应比例,用尺相连,与方格相交点即为零点位置。
方格网计算土方量原理方格网法是一种用于测量土地表面不规则形状的土方量的方法。
它是一种简单而有效的方法,可以帮助工程师和土木工程师快速准确地计算土地表面的土方量。
接下来,我们将介绍方格网法的原理和计算步骤。
方格网法的原理是将土地表面划分为一个个小方格,并通过对每个小方格的测量来计算土方量。
首先,需要在土地表面建立一个方格网,网格的大小可以根据实际情况来确定,一般情况下,网格大小为1米×1米或2米×2米。
然后,对每个小方格的高程进行测量,可以使用全站仪或其他测量仪器来进行高程测量。
通过对每个小方格的高程测量,可以得到土地表面的高程数据。
在进行高程测量之后,需要对每个小方格的面积进行测量。
可以通过测量每个小方格的边长来计算出每个小方格的面积。
在测量完所有小方格的高程和面积之后,就可以利用这些数据来计算土方量了。
土方量的计算公式为,土方量 = Σ(高程差×面积)。
其中,Σ表示对所有小方格进行求和,高程差表示每个小方格的最大高程和最小高程之差,面积表示每个小方格的面积。
通过对所有小方格的高程差和面积进行求和,就可以得到土地表面的土方量。
在实际应用中,方格网法可以帮助工程师和土木工程师快速准确地计算土地表面的土方量,特别是对于不规则形状的土地表面,方格网法可以更加方便地进行土方量的计算。
通过合理设置方格网的大小和密度,可以得到更加精确的土方量计算结果。
总之,方格网法是一种简单而有效的土方量计算方法,通过对土地表面进行方格划分和测量,可以快速准确地得到土方量的计算结果。
在工程实践中,方格网法可以帮助工程师和土木工程师更加方便地进行土方量的计算,为工程设计和施工提供重要的参考依据。
用方格网法计算土方步骤方格网法是一种常用的土方计算方法,可以用于计算土方的体积和步骤。
方格网法的基本原理是将土地划分为一系列方格,并测量每个方格的高程差。
然后,通过计算每个方格的体积,并将其累加,即可得到土方的总体积。
下面将详细介绍方格网法的计算步骤。
第一步:测量区域边界首先,需要准确测量土地或施工场地的边界线,并在各个角点处标记测量点。
这些测量点将作为方格网中每个方格的角点。
第二步:确定网格间距根据实际情况,确定方格网的间距。
间距的选择应该根据场地尺寸和地形的复杂程度进行合理调整。
通常情况下,间距可以选择为1米或更小。
第三步:建立方格网使用测量点确定的位置,可以使用绳子或钉子等工具在地面上建立方格网。
确保方格网的边缘和角点都严格平行和垂直。
第四步:测量高程差使用水准仪或其他测量工具,对方格网中的每个角点进行高程测量。
记录每个位置的高程数值。
第五步:计算体积根据高程差测量结果,可以计算每个方格的土方体积。
通常情况下,每个方格的土方体积计算公式为:V=(A1+A2+A3+A4)/4*h,其中A为方格四个角点的高程数值,h为方格中心点的高程数值。
第六步:累加体积将每个方格的土方体积累加,即可得到整个土地或施工场地的土方体积。
如果方格网是等距的,可以直接将每个方格的体积相加。
如果方格网是非等距的,需要按照实际情况进行体积调整。
方格网法可以用于计算多个区域的土方体积。
例如,可以将场地划分为不同的区域,然后按照上述步骤逐个计算每个区域的土方体积,并将结果累加得到总体积。
需要注意的是,方格网法只适用于地形平坦的场地。
如果场地地形复杂或存在斜坡等情况,则需要使用其他方法进行土方计算,如三角测量法或通过地形测量仪器获取高程数据。
总结起来,方格网法是一种简单而实用的土方计算方法,适用于平坦的场地。
通过将场地划分为一系列方格,并测量各个角点的高程数值,然后计算每个方格的土方体积并累加,可以得到土方的总体积。
方格网法常用方格网计算公式横截面计算步骤及方法1.方格网法方格网计算步骤及方法图示计算步骤方法适用范围1.划方格网根据地形图划分方格网,尽量使其与测量或施工坐标网重合,方格一般采用20m×20m~40m×40m,将相应设计标高和自然地面标高分别标注在方格点的右上角和右下角,求出各点的施工高度(挖或填),填在方格网左上角,挖方为(+),填方为(-)。
2.计算零点位置计算确定方格网中两端角点施工高度符号不同的方格边上零点位置,标于方格网上,联接零点,即得填方与挖方区的分界线。
零点的位置按下式计算,见图(a):;式中、——角点至零点的距离 m;、——相邻两角点的高程 m,均用绝对值;a——方格网的边长 m。
零点亦可采用图解法求出,如图(b)用尺在各角上标出相应比例,用尺相接,与方格相交点即为零点位置。
3.计算土方工程量按方格网底面图形和下表体积计算公式,计算每个方格内的挖方或填方量。
4.汇总分别将挖方区和填方区所有方格计算土方量汇总,即得该建筑场地挖方区和填方区的总土方量。
适于地形较平缓或台阶宽度较大的地段采用计算方法较为复杂,但作为平整场地土方量计算,精度较高。
2. 常用方格网计算公式项目图示计算公式一点填方或挖方(三角形)当时,二点填方或挖方(梯形)三点填方或挖方(五角形)四点填方或挖方(正方形)注:1)a——方格网的边长,m;b、c——零点到一角的边长,m;h1,h2,h3,h4——方格网四角点的施工高程,m,用绝对值代入;Σh——填方或挖方施工高程的总和 ,m,用绝对值代入;——挖方或填方体积,m。
2)本表公式是按各计算图形底面积乘以平均施工高程而得出的。
3. 横截面计算步骤及方法图示计算步骤方法适用范围1.划分横截面根据地形图、竖向布置图或现场检测,将要计算的场地划分为若干个横截面; ; ……,使截面尽量垂直等高线或建筑物边长;截面间距可不等,一般取10 m或20 m,但最大不大于100 m.2.划横截面按比例绘制每个横截面的自然地面和设计地面的轮廓线。
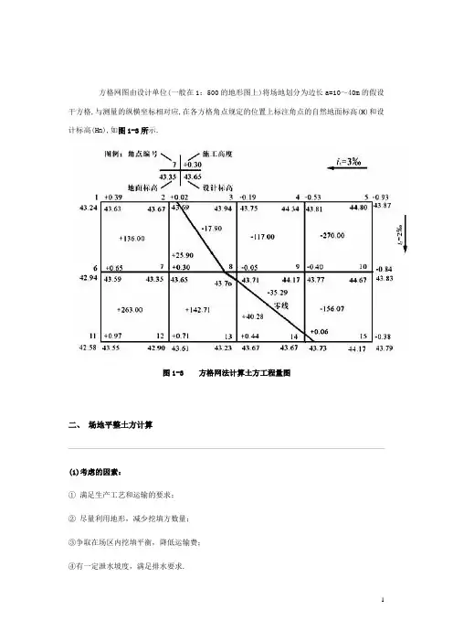
方格网图由设计单位(一般在1:500的地形图上)将场地划分为边长a=10~40m的假设干方格,与测量的纵横坐标相对应,在各方格角点规定的位置上标注角点的自然地面标高(H)和设计标高(Hn),如图1-3所示.图1-3 方格网法计算土方工程量图二、场地平整土方计算(1)考虑的因素:① 满足生产工艺和运输的要求;② 尽量利用地形,减少挖填方数量;③争取在场区内挖填平衡,降低运输费;④有一定泄水坡度,满足排水要求.⑤场地设计标高一般在设计文件上规定,如无规定:A.小型场地――挖填平衡法;B.大型场地――最正确平面设计法(用最小二乘法,使挖填平衡且总土方量最小)。
\(2)初步标高(按挖填平衡)场地初步标高:H0=S(H11+H12+H21+H22)/4MH11、H12、H21、H22 ——一个方格各角点的自然地面标高;M——方格个数.或:H0=(∑H1+2∑H2+3∑H3+4∑H4)/4MH1--一个方格所仅有角点的标高;H2、H3、H4--分别为两个、三个、四个方格共用角点的标高.(3)场地设计标高的调整按泄水坡度、土的可松性、就近借弃土等调整.按泄水坡度调整各角点设计标高:①单向排水时,各方格角点设计标高为: Hn = H0 ±Li②双向排水时,各方格角点设计标高为:Hn = H0± Lx ix± L yi y施工高度为角点设计地面标高与自然地面标高之差,是以角点设计标高为基准的挖方或填方的施工高度.各方格角点的施工高度按下式计算:式中hn------角点施工高度即填挖高度(以“+”为填,“-”为挖),m;n------方格的角点编号(自然数列1,2,3,…,n).Hn------角点设计高程,H------角点原地面高程.4.计算“零点”位置,确定零线方格边线一端施工高程为“+”,假设另一端为“-”,则沿其边线必然有一不挖不填的点,即“零点”(如图1-4所示).图1-4 零点位置零点位置按下式计算:式中x1、x2 ——角点至零点的距离,m;h1、h2 ——相邻两角点的施工高度(均用绝对值),m;a —方格网的边长,m.确定零点的方法也可以用图解法,如图1-5所示.方法是用尺在各角点上标出挖填施工高度相应比例,用尺相连,与方格相交点即为零点位置。
11.2.1方格网法土方计算
方格网法土方计算适用于地形变化比较平缓的地形情况,用于计算场地平整的土方量计算较为精确。
具体做法如下:
首先建立地形的坐标方格网,方格网的一边与地形等高线或场地坐标网平行,大小根据地形变化的复杂程序和设计要求的精度确定,边长一般常采用20m ×20m或40m×40m(地形平坦、机械化施工时也可采用100m×100m)。
然后求出方格各个角点的自然标高、设计标高以及施工高程。
计算零点位置,在每相邻的填方点和挖方点之间总存在一个零点,零点的确定方法如下:
说明:
X t:零点据填方角顶的距离;X w:零点据挖方角顶的距离
h t:填方高度;h w:挖方高度;a:方格边长
连接每个方格上的相邻两个零点,根据零线将方格划分的情况,采用相应公式来计算,如表11-2所示。
汇总,分别将填方区、挖方区所有土方汇总,得到填、挖土方总量。
说明:
a:方格边长(m)
h1、h2、h3、h4:方格网角点的施工高度,正值代表填方,负值代表挖方V+、V-:填方(或挖方)的体积(m3)。
网格法平整场地土方量计算公式:1、方格四个角点全部为填土式挖方,其土方量:2a)h?h?(h?h?Vh,h,h,h为角点填方高度,为绝对值。
)(注:4321432142、方格的相邻两角点为挖方,另两角点为填方。
其挖方部分工程量:21)??(V4h?hh?h3214222hha其222hha填方部分工程量:34)(?V?4h?hh?h3421h,hhh,为需填方角点填方高度。
皆为绝对值。
(注:为需挖方角点挖方高度,)43213、方格的三个角点为挖方,另一个角点为填方。
其填方部分工程量:4?V46(h?h)(h?h)43142a其挖方32ha部分工程量:V?h)??2hh?2hV?(4143,1,2326hhh,h,为需填方角点填方高度。
皆为绝对值。
)(注:为需挖方角点挖方高度,43124、方格的一个角点为挖方,相对的角点为填方。
另两个角点为零点时2a(零线为方格的对角线),其挖填方工程量为:hV?b4/ 142 /常用方格网计算公式2.计算公式项目图示一点填方或挖方(三角形)当时,二点填方或挖方(梯)形三点填方或挖方(五角形)四点填方正(或挖方方形)4/ 3注:1)a——方格网的边长,m;b、c——零点到一角的边长,m;h,h,h,h方格网四角点的施工高程,m,用绝对值代入;Σh——填方或挖方施工高程的——1423)本表公式是按各计算图形底面积乘以平均施工高程而得出的。
2。
挖方或填方体积,用绝对值代入; ,m总和——,m4/ 4。
方格网法常用方格网计算公式横截面计算步骤及方法1.方格网法方格网计算步骤及方法图示计算步骤方法适用范围1.划方格网根据地形图划分方格网,尽量使其与测量或施工坐标网重合,方格一般采用20m×20m~40m×40m,将相应设计标高和自然地面标高分别标注在方格点的右上角和右下角,求出各点的施工高度(挖或填),填在方格网左上角,挖方为(+),填方为(-)。
2.计算零点位置计算确定方格网中两端角点施工高度符号不同的方格边上零点位置,标于方格网上,联接零点,即得填方与挖方区的分界线。
零点的位置按下式计算,见图(a):;式中、——角点至零点的距离 m;、——相邻两角点的高程 m,均用绝对值;a——方格网的边长 m。
零点亦可采用图解法求出,如图(b)用尺在各角上标出相应比例,用尺相接,与方格相交点即为零点位置。
3.计算土方工程量按方格网底面图形和下表体积计算公式,计算每个方格内的挖方或填方量。
4.汇总分别将挖方区和填方区所有方格计算土方量汇总,即得该建筑场地挖方区和填方区的总土方量。
适于地形较平缓或台阶宽度较大的地段采用计算方法较为复杂,但作为平整场地土方量计算,精度较高。
2. 常用方格网计算公式项目图示计算公式一点填方或挖方(三角形)当时,二点填方或挖方(梯形)三点填方或挖方(五角形)四点填方或挖方(正方形)注:1)a——方格网的边长,m;b、c——零点到一角的边长,m;h1,h2,h3,h4——方格网四角点的施工高程,m,用绝对值代入;Σh——填方或挖方施工高程的总和 ,m,用绝对值代入;——挖方或填方体积,m。
2)本表公式是按各计算图形底面积乘以平均施工高程而得出的。
3. 横截面计算步骤及方法图示计算步骤方法适用范围1.划分横截面根据地形图、竖向布置图或现场检测,将要计算的场地划分为若干个横截面; ; ……,使截面尽量垂直等高线或建筑物边长;截面间距可不等,一般取10 m或20 m,但最大不大于100 m.2.划横截面按比例绘制每个横截面的自然地面和设计地面的轮廓线。
fl]点编、 ?/ % 1血锲+0^0Zi=3%o4^ 65地伺菲窟/、设讣标髙】r0 392 +0 023 小 94 -0 556 理如建筑工程技术土方量(方格网)计算、方格网识图:方格网图由设计单位(一般在1: 500的地形图上)将场地划分为边长a=10〜40m 的若干方格,与测 量的纵横坐标相对应,在各方格角点规定的位置上标注角点的自然地面标高 (H )和设计标高(Hn ),如图 1-3所示.图1-3 方格网法计算土方工程量图场地平整土方计算考虑的因素:① 满足生产工艺和运输的要求;② 尽量利用地形,减少挖填方数量; ③ 争取在场区内挖填平衡,降低运输费; ④ 有一定泄水坡度,满足排水要求.43 6343 67*17^043 73 4-1 34 43 81-27000*11700+ U6ODL0-0 4043 65 +0.97+Q 71+ 044 151342.58 4^5543 67歸73⑤场地设计标高一般在设计文件上规定,如无规定:A. 小型场地——挖填平衡法;B. 大型场地一一最佳平面设计法(用最小二乘法,使挖填平衡且总土方量最小)。
1、初步标高(按挖填平衡),也就是设计标高。
如果已知设计标高,1.2步可跳过。
场地初步标高:H0=(刀 H1+2E H2+3E H3+迟 H4)/4MH1———个方格所仅有角点的标高;H2 H3 H4——分别为两个、三个、四个方格共用角点的标高 .M——方格个数.2. 地设计标高的调整按泄水坡度、土的可松性、就近借弃土等调整 .按泄水坡度调整各角点设计标高:①单向排水时,各方格角点设计标高为:Hn = H0 ± Li②双向排水时,各方格角点设计标高为:Hn = H0 土 Lx ix ± L yi y3. 计算场地各个角点的施工高度施工高度为角点设计地面标高与自然地面标高之差,是以角点设计标高为基准的挖方或填方的施工高度•各方格角点的施工高度按下式计算:h n = H n-H式中hn——角点施工高度即填挖高度(以“ +”为填,“-”为挖),mn------方格的角点编号(自然数列1,2, 3,…,n).Hn --- 角点设计高程,H——角点原地面高程.4. 计算“零点”位置,确定零线方格边线一端施工高程为“ +” ,若另一端为“-”,则沿其边线必然有一不挖不填的点,即“零点”(如图1-4所示).图1-4 零点位置零点位置按下式计算:工=式中 x1、x2——角点至零点的距离,m;hl、h2 ――相邻两角点的施工高度(均用绝对值),m ; a —方格网的边长,m.5. 计算方格土方工程量按方格底面积图形和表1-3所列计算公式,逐格计算每个方格内的挖方量或填方量表1-3常用方格网点计算公式6. 边坡土方量计算场地的挖方区和填方区的边沿都需要做成边坡,以保证挖方土壁和填方区的稳定。
方格网计算步骤及方法图示计算步骤方法适用范围1.划方格网根据地形图划分方格网,尽量使其与测量或施工坐标网重合,方格一般采用20m×20m~40m×40m,将相应设计标高和自然地面标高分别标注在方格点的右上角和右下角,求出各点的施工高度(挖或填),填在方格网左上角,挖方为(+),填方为(-)。
2.计算零点位置计算确定方格网中两端角点施工高度符号不同的方格边上零点位置,标于方格网上,联接零点,即得填方与挖方区的分界线。
零点的位置按下式计算,见图(a):;式中、——角点至零点的距离 m;、——相邻两角点的高程 m,均用绝对值;a——方格网的边长 m。
零点亦可采用图解法求出,如图(b)用尺在各角上标出相应比例,适于地形较平缓或台阶宽度较大的地段采用计算方法较为复杂,但作为平整场地土方量计算,精度较高。
1 / 13用尺相接,与方格相交点即为零点位置。
3.计算土方工程量按方格网底面图形和下表体积计算公式,计算每个方格内的挖方或填方量。
4.汇总分别将挖方区和填方区所有方格计算土方量汇总,即得该建筑场地挖方区和填方区的总土方量。
2. 常用方格网计算公式项目图示计算公式一点填方或挖方(三角形)2 / 13当时,二点填方或挖方(梯形)三点填方或挖方(五角形)四点填方或挖方3 / 13(正方形)注:1)a——方格网的边长,m;b、c——零点到一角的边长,m;h1,h2,h3,h4——方格网四角点的施工高程,m,用绝对值代入;Σh——填方或挖方施工高程的总和 ,m,用绝对值代入;——挖方或填方体积,m。
2)本表公式是按各计算图形底面积乘以平均施工高程而得出的。
4 / 133. 横截面计算步骤及方法图示计算步骤方法适用范围1.划分横截面根据地形图、竖向布置图或现场检测,将要计算的场地划分为若干个横截面; ; ……,使截面尽量垂直等高线或建筑物边长;截面间距可不等,一般取10 m或20 m,但最大不大于100 m.2.划横截面按比例绘制每个横截面的自然地面和设计地面的轮廓线。
方格网计算土方量原理方格网法是一种常用的土方量计算方法,它通过将地形图划分为等距的方格网,然后根据每个方格的高程数据来计算土方量。
这种方法简单易行,适用于各种地形复杂程度的场地,因此在工程测量中得到了广泛的应用。
方格网法的原理是将地形图按照一定的间距划分为方格,然后通过对每个方格的高程数据进行处理,计算出每个方格的土方量,最后将所有方格的土方量相加得到整个场地的土方量。
具体的计算步骤如下:首先,将地形图按照一定的间距进行方格划分。
划分的间距需要根据实际情况来确定,一般情况下,地形较为平坦的地区可以适当增大间距,而地形较为复杂的地区则需要缩小间距,以保证计算的准确性。
其次,对每个方格内的高程数据进行处理。
通常情况下,可以采用平均高程法,即将每个方格的四个角点的高程数据相加后除以4,得到该方格的平均高程。
也可以根据实际情况采用其他方法,如最高点法、最低点法等。
然后,根据方格的平均高程计算土方量。
计算土方量的公式为,土方量 = 方格面积(挖方深度或填方高度地表高程)。
其中,方格面积可以通过方格间距来确定,挖方深度或填方高度则需要根据工程设计要求来确定,地表高程即为方格的平均高程。
最后,将所有方格的土方量相加得到整个场地的土方量。
这样就完成了整个场地的土方量计算。
方格网法的优点是计算简单、适用范围广,能够较为准确地计算出场地的土方量。
但也存在一些局限性,例如在地形变化较为剧烈的地区,方格网法可能无法完全准确地反映实际情况,需要结合其他方法进行综合分析。
总的来说,方格网法是一种简单实用的土方量计算方法,通过合理的划分和处理,能够较为准确地计算出场地的土方量,为工程测量提供了重要的参考依据。
在实际应用中,需要根据具体情况选择合适的间距和处理方法,以确保计算结果的准确性和可靠性。
土方工程量计算详解(方格网法)一、土方量计算方格网法计算场地平整土方量步骤如图1-1所示。
图1-1 方格网法计算场地平整土方量步骤(一)读识方格网图图1-2 方格网法计算土方工程量图(二)确定场地设计标高1.确定场地设计标高需要考虑的因素(1)满足生产工艺和运输的要求。
(2)尽量利用地形,减少挖填方数量。
(3)争取在场区内挖填平衡,降低运输费。
(4)有一定泄水坡度,满足排水要求。
2.初步计算场地设计标高(按挖填平衡)计算的场地设计标高:式中,H1、H2、H3、H4分别为一个方格、两个方格、三个方格、四个方格共用角点的标高(m),如图1-3b所示。
(三)场地各方格角点的施工高度的计算施工高度为场地各方格角点设计地面标高与自然地面标高之差,是以角点设计标高为基准的挖方或填方的施工高度。
各方格角点的施工高度按下式计算:式中,hn为各角点的施工高度,即填挖高度(以“+”为填,“-”为挖)(m);n为方格的角点编号(自然数列1,2,3,…,n);Hn为角点的设计标高(m),若无泄水坡时,即为场地的设计标高(m);H为角点原地面标高(m)。
(四)计算“零点”位置,确定“零线”方格边线一端施工标高为“+”,若另一端为“-”,则沿其边线必然有一处不挖不填的点,即“零点”,如图1-5所示。
零点位置按下式计算:式中,x1、x2为角点至零点的距离(m);h1、h2为相邻两角点的施工高度(均用绝对值)(m);a为方格网的边长(m)。
(五)计算方格土方工程量的计算1.方格的4个角点全为填方或挖方方格的4个角点全为填方或挖方,如图1-7所示。
其计算公式如下:2 . 两个点填方,两个点挖方方格的相邻两个角点为填方,另外两个点为挖方,如图1-8所示。
其计算公式如下:①挖方部分土方量计算公式:②填方部分土方量计算公式:3 . 方格的3个角点为挖方(填方)方格的3个角点为挖方(填方),如图1-9所示。
其计算公式如下:①一个角点部分的土方量:②三个角点部分的土方量:(六)边坡土方量的计算了保证挖方土壁和填方区的稳定和施工安全,场地挖方区和填方区的边沿都需要做成边坡,其平面图如图1-10所示。
建筑工程技术土方量(方格网)计算一、方格网识图:方格网图由设计单位(一般在1:500的地形图上)将场地划分为边长a=10~40m的若干方格,与测量的纵横坐标相对应,在各方格角点规定的位置上标注角点的自然地面标高(H)和设计标高(Hn),如图1—3所示。
图1—3 方格网法计算土方工程量图二、场地平整土方计算考虑的因素:① 满足生产工艺和运输的要求;② 尽量利用地形,减少挖填方数量;③争取在场区内挖填平衡,降低运输费;④有一定泄水坡度,满足排水要求。
⑤场地设计标高一般在设计文件上规定,如无规定:A。
小型场地――挖填平衡法;B.大型场地――最佳平面设计法(用最小二乘法,使挖填平衡且总土方量最小)。
1、初步标高(按挖填平衡),也就是设计标高。
如果已知设计标高,1。
2步可跳过。
场地初步标高:H0=(∑H1+2∑H2+3∑H3+4∑H4)/4MH1--一个方格所仅有角点的标高;H2、H3、H4--分别为两个、三个、四个方格共用角点的标高.M --方格个数。
2、地设计标高的调整按泄水坡度、土的可松性、就近借弃土等调整。
按泄水坡度调整各角点设计标高:①单向排水时,各方格角点设计标高为: Hn = H0 ± Li②双向排水时,各方格角点设计标高为:Hn = H0 ± Lx ix ± L yi y3.计算场地各个角点的施工高度施工高度为角点设计地面标高与自然地面标高之差,是以角点设计标高为基准的挖方或填方的施工高度。
各方格角点的施工高度按下式计算:式中hn-—-———角点施工高度即填挖高度(以“+”为填,“-”为挖),m;n—-----方格的角点编号(自然数列1,2,3,…,n).Hn-—-———角点设计高程,H-—-—--角点原地面高程。
4。
计算“零点"位置,确定零线方格边线一端施工高程为“+",若另一端为“—”,则沿其边线必然有一不挖不填的点,即“零点”(如图1-4所示).图1—4 零点位置零点位置按下式计算:式中x1、x2 ——角点至零点的距离,m;h1、h2 ——相邻两角点的施工高度(均用绝对值),m;a —方格网的边长,m.5。