D级GPS控制网技术指标
- 格式:doc
- 大小:515.50 KB
- 文档页数:3
GPS控制网等级1、控制网等级及其用途按照国家标准《全球定位系统(GPS)测量规范》(GB/T13814-2009),GPS测量按其精度分为A、B、C、D、E五级。
其中:1)A级GPS网由卫星定位连续运行基站构成,用于建立国家一等大地控制网,进行全球性的地球动力学研究、地壳变形测量和卫星精密定轨测量。
2)B级GPS测量主要用于建立国家二等大地控制网,建立地方或者城市坐标基准框架、区域性的地球动力学研究、地壳变形测量和各种精密工程测量等。
3)C级GPS测量用于建立三等大地控制网,以及区域、城市及工程测量的基本控制网等。
4)D级GPS测量用于建立四等大地控制网。
5)E级GPS测量用于测图、施工等控制测量。
2、精度要求3、卫星定位连续运行基准站网的布设1)布设原则CORS依据管理形式、任务要求和应用范围,划分为国家基准站网、区域基准站网和专业应用站网。
(1)国家基准站网国家基准站网的布设应顾及社会发展、经济建设和自然条件因素。
在即将实施的国家大地基准基础设施建设项目中,我国将在全国范围内建设360个地基稳定、分布均匀的连续运行基准站(其中:新建150个、改造60个、直接利用已有的站150个)。
(2)区域基准站网区域基准站网是指在省、市地区建立的连续运行基准站网,主要构成高精度、连续运行的区域坐标基准框架,为省、市区域提供不同精度的位置服务和相关信息服务。
区域基准站网的布设按实时定位精度而选择基准站间的距离,当采用网络RTK技术满足厘米级实时定位,其区域基准站布设间距不应超过80KM。
(3)专业应用站网专业应用站网是由专业部门或者机构根据专业需求建立的基准网站,用于开展专业信息服务。
它的布设间距主要根据专业需求,当满足实时定位分米级要求,则基准站布设间距一般在100~150KM之间。
2)基准站设计与选址基准站设计时应根据基准站网布设原则,在图上标出设计基准站站址,同时标明基准站及其周围地区的主要地质构造、地震活动,与设计有关的地震台、人卫站,以及可以利用的GPS、大地测量网站点。
D级GPS控制测量技术要求1、D级GPS控制网的网型设计GPS控制网的网型设计,是保证控制网精度的基础。
首先考虑起算点的位置和图形强度,遵循从整体到局部、分级布网的原则进行布设。
D级GPS控制网中不要求每点之间通视,整个控制网中应联测不少于3个高等级已知点,并根据需要联测一定数量的高程点。
D级GPS控制网最简独立闭合环或附合路线边数及相邻点之间的平均距离如下表:相邻点最小距离可为平均距离的1/3-1/2;最大距离可为平均距离的2-3倍。
2、D级GPS控制网选点埋石D级GPS控制网选点埋石必须遵守下列原则,并按下列规定进行。
1). 选点人员应收集测区地质资料,实地勘察选定点位。
同时考察卫星通视环境与电磁干扰环境,确定可用标石类型、记录点之记有关内容,实地树立标志牌等。
选点(埋石)所占用的土地,应得到土地使用者或管理者的同意。
2).点位应选择在稳定坚实的基岩、岩石、土层、建筑物顶部等能长期保存、满足观测条件的地点,并做好选点标记。
点位尽可能位于地面,城区内应尽量选在楼顶上,以便于保存和通视。
点位应尽量选在交通便利,方便观测的位置。
3).选点时应避开环境变化大,测量标志难以永久保存的地点,如易受水淹的河床、低地、靠近铁路、公路、已规划的易受施工影响有剧烈震动的地点。
点位离开铁路的距离应不小于100m。
4). 选点时应避开地质环境不稳定的地区,如断裂破碎带边缘、易发生洪水、滑坡、岩崩区、局部沉降区,有大量物质搬移的矿区、采石场、大量取土、地下水剧烈变化的地点。
5).选点时应远离发射功率强大的无线发射源、微波信道、高压线等,距离不小于200米,应远离高压输电线和微波无线电传送通道,其距离不得小于50米。
并应实地了解发射源和电磁波影响状况,标注在点之记环视图上。
6).选点时应避开多路径环境影响,避免靠近水面、树冠、高大建筑物、低洼潮湿等地点,应保证15°以上无遮挡。
50米以内的各种固定与变化反射体应标注在点之记环视图上。
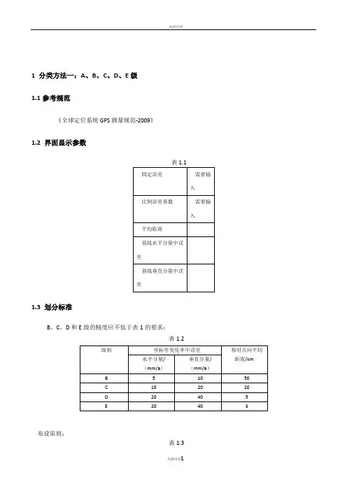
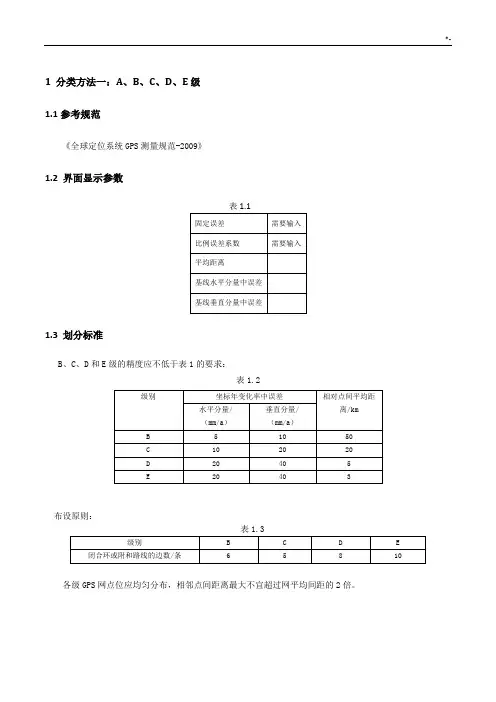
1 分类方法一:A、B、C、D、E级1.1参考规范《全球定位系统GPS测量规范-2009》1.2 界面显示参数1.3 划分标准B、C、D和E级的精度应不低于表1的要求:表1.2布设原则:表1.3各级GPS网点位应均匀分布,相邻点间距离最大不宜超过网平均间距的2倍。
接收机的选用:表1.4级别 B C D、E单频/双频双频/全波长双频/全波长双频/单频观测量至少有L1、L2载波相位L1、L2载波相位L1载波相位同步观测机数≥4 ≥3 ≥2观测:表1.5级别级别B C D E卫星截止高度角/度10 15 15 15同时观测有效卫星数≥4 ≥4 ≥4 ≥4有效观测卫星总数≥20 ≥6 ≥4 ≥4 观测时段数≥3 ≥2 ≥1.6 ≥1.6时段长度≥23h ≥4h ≥60min ≥40min采样间隔30 10-30 5-15 5-15注1:计算有效观测卫星总数时,应该各时段的有效观测卫星扣除期间的重复卫星数注2:观测时段长度,应为开始纪律数据到结束记录的时间段注3:观测时段≥1.6,指采用网观测模式时,每站至少观测一时段,其中二次设站点数应不少于GPS网总点数的60%注4:采用基于卫星定位连续运行基准站点观测模式时,可连续观测,但观测时间应不低于表中规定的各时段观测时间的和数据处理(1)外业数据检核1)B级GPS网基线外业预处理和C、D、E级GPS网基线处理,复测基线的长度较差ds应满足公式1.1的规定:ds≦2σ (1.1)σ---为基线测量中误差,单位为毫米2)B、C、D、E级GPS网基线测量中误差σ采用外业测量时使用的GPS接收机的标称精度,计算时变长按实际平均边长计算。
3)B、C、D、E级GPS网同步环闭合差,不宜超过以下规定:三边同步环中只有两个同步边成果可以视为独立的成果,第三边成果应为其余两边的代数和。
由于模型误差和处理软件的内在缺陷,第三边处理结果与前两边的代数和常不为零,其差值应符合公式1.2≦≦≦(1.2)式中:σ----基线测量中误差,单位为毫米,计算按12.2.5规定执行。
D级GPS控制网技术指标GPS(全球定位系统)是一种用于定位和导航的先进技术。
D级GPS 控制网是一种用于测量和控制GPS系统误差的技术。
下面是D级GPS控制网的技术指标,详细介绍如下:1.网络精度:D级GPS控制网的主要目标是提供高精度的定位和导航服务。
因此,网络精度是评估D级GPS控制网性能的关键指标。
D级GPS 控制网的网络精度应达到亚米级甚至更小,以满足各种应用的需求。
2.网络稳定性:D级GPS控制网应具有良好的稳定性,以确保测量结果的一致性。
网络稳定性通常通过安全系数来衡量,安全系数越高表示网络越稳定。
在D级GPS控制网中,应保证网络稳定性大于等于53.网络覆盖范围:D级GPS控制网应具有广泛的覆盖范围,以满足不同区域的需求。
网络覆盖范围应涵盖全球范围,并可以提供高精度的定位和导航服务。
4.网络可靠性:D级GPS控制网应具有高度的可靠性,以克服各种干扰和故障。
网络可靠性可以通过冗余设计和备份系统来提高,以确保即使在部分系统故障的情况下,仍然可以提供可靠的定位和导航服务。
5.数据质量:D级GPS控制网应提供高质量的测量数据,以确保准确的定位和导航结果。
数据质量可以通过对测量设备和算法的优化来提高,以减少误差和噪声对测量结果的影响。
6.系统容量:D级GPS控制网应具有足够的系统容量,以支持大量用户和同时的定位和导航请求。
系统容量可以通过增加基站数量和优化网络结构来提高。
7.安全性:D级GPS控制网应具有高度的安全性,以防止未经授权的访问和操纵。
安全性可以通过加密通信和身份验证等措施来保护用户和系统数据的安全。
8.实时性:D级GPS控制网应能够实时处理和更新测量数据,以及及时提供定位和导航结果。
对于一些实时应用,如交通管理和航空导航,实时性是至关重要的指标。
9.成本效益:D级GPS控制网应具有较高的成本效益,以确保其在各种应用场景中的可行性。
成本效益可以通过选择合适的技术和管理策略来提高,以及充分利用网络资源。
级控制测量技术要求D GPS、级控制网的网型设计D GPS1控制网的网型设计,是保证控制网精度的基础。
首先考虑起GPS算点的位置和图形强度,遵循从整体到局部、分级布网的原则进行布设。
级控制网中不要求每点之间通视,整个控制网中应联测GPSD不少于个高等级已知点,并根据需要联测一定数量的高程点。
3级控制网最简独立闭合环或附合路线边数及相邻点之间GPSD的平均距离如下表:平均距离的;最大距离可为点最小距离可为平均距离的相邻1/3-1/2倍。
2-3点埋石选、级控制网D2GPS进规,并按下列定点埋石必须遵守下列原则控制网级选DGPS 行。
考选定点位。
同时料,实地勘察测选点人员应收集区地质资1).有点之记境,确定可用标石类型、记录扰环视环察卫星通境与电磁干得到土地应标志牌等。
选点(埋石)所占用的土地,树关内容,实地立使用者或管理者的同意。
部等能定在.点位应选择稳坚实的基岩、岩石、土层、建筑物顶2)长期保存、满足观测条件的地点,并做好选点标记。
点位尽可能位于地面,城区内应尽量选在楼顶上,以便于保存和通视。
点位应尽量选在交通便利,方便观测的位置。
.选点时应避开环境变化大,测量标志难以永久保存的地点,3)如易受水淹的河床、低地、靠近铁路、公路、已规划的易受施工影响有剧烈震动的地点。
点位离开铁路的距离应不小于。
100m选点时应避开地质环境不稳定的地区,如断裂破碎带边缘、4).易发生洪水、滑坡、岩崩区、局部沉降区,有大量物质搬移的矿区、采石场、大量取土、地下水剧烈变化的地点。
.选点时应远离发射功率强大的无线发射源、微波信道、高压5)线等,距离不小于米,应远离高压输电线和微波无线电传送通道,200其距离不得小于米。
并应实地了解发射源和电磁波影响状况,标50注在点之记环视图上。
.选点时应避开多路径环境影响,避免靠近水面、树冠、高大建6)筑物、低洼潮湿等地点,应保证以上无遮挡。
米以内的各种固15°50定与变化反射体应标注在点之记环视图上。
D级GPS控制网的布设与精度分析摘要:本文全面介绍了永年-肥乡测区GPS平面控制网的布设方案,包括GPS 控制网技术设计、外业观测、数据处理、控制网平差及精度分析和可靠性检验等,同时对永年-肥乡测区GPS平面控制网建立的有关问题提出一些建议。
关键词:基线解算网平差精度分析可靠性检验全球定位系统(Global Positioning System,缩写GPS)是美国第二代卫星导航定位系统。
该系统以其全能性(陆地、海洋、航空和航天)、全球性、全天候、连续性和实时性的导航定位功能,已被广泛地应用于各种等级精度的城市控制测量中。
本文以永年-肥乡测区为例,进行GPS控制网布设与精度分析。
1.测区概况永年-肥乡测区位于河北省南部,中心坐标为东经114°15′18″,北纬36°52′25″。
京珠和京广高速公路横贯测区,测区交通较为方便。
测区位于冀南平原地区,地势平坦。
海拔标高一般在30~50m,地形条件较好,居民地较多。
2.控制网的布设(1)已有资料及利用1)平面控制资料:测区附近有张西堡镇M1(B级GPS点)、M2(C级GPS点),两点坐标系统为北京54坐标系,中央子午线为117,属6度带。
该两点标石保存完好,经检验精度能够满足要求,作为本测区平面控制的起算点。
2)高程控制资料:测区附近有水准点N1(Ⅱ等)、N2(Ⅱ等),其高程属1985年高程基准,该测区水准点标石保存完好,能够作为本测区高程控制网的起算点。
(2)控制网的布设以张西堡镇M1(B级GPS点)、M2(C级GPS点)为平面起算点,N1(Ⅱ等)、N2(Ⅱ等)为高程起算点,布设D级GPS控制网点15个,其编号采用流水编号GPS01、GPS02…,所布设的GPS点其高程是由高程起算点进行高程拟合所得,经检测满足精度要求。
3.GPS控制网的观测本次测量使用六台套中海达V8接收机测,标称精度为m基=±5mm+1ppm×D(式中D为水平距离,以km为单位),仪器经鉴定中心进行鉴定,鉴定结果合格。
目录一、课程设计的目的和任务 (3)1.1.设计目的 (3)1.2.任务概述 (3)二、测区概况 (3)2.1.测区自然地理概况 (3)2.2民族种类 (3)2.3已有资料情况 (3)2.4测区的范围: (3)三、设计的依据 (3)四、主要的技术指标 (4)4.1GPS测量 (4)4.2水平角观测 (6)4.2.1水平距离的观测 (6)4.2.2导线网 (6)五、坐标系统的选择 (7)六、设计方案 (7)6.1布网的原则 (7)6.1.1.GPS网型网型方案设计 6.2.图上展绘已知点(或图上查找已知点) (7)6.3按点位要求与测区情况在图上选点布网 (8)6.4.判断和检查点间的通视(主要点间) (10)6.5.外业选点埋石 (10)6.5.1选点 (10)6.5.2标志埋设 (11)六、仪器设备的选择 (12)七、外野实测方案设计 (12)7.1. GPS外业工作的原则 (12)7.2安置天线要求 (12)7.2.1对仪器设备的要求 (13)7.3观测方法 (13)7.3.1 GPS 观测方法 (13)7.4 地籍勘丈 (14)7.4.1 、地籍勘丈的方法: (14)7.4.2. 宗地图编号 (14)7.4.3. 地籍图的规格及分幅 (14)7.4.4 地籍勘丈的基本精度 (14)7.4.5界址点的施测方法 (15)7.4.6 界址点边长的检核: (15)7.4.7 地籍图的表示原则: (15)7.4.8 宗地图 (15)7.4.9面积量算与汇总统计 (16)7.4.10提交成果 (16)7.5数据的记录 (16)八、数据处理的方法与要求 (17)8.1.外业观测数据处理 (17)8.2外业观测数据质量检核 (17)8.3数据处理和平差计算 (19)8.3.1数据处理 (19)8.3.1无约束平差 (19)8.3.2约束平差 (19)8.4 GPS 高程拟合 (20)七、提交成果 (20)八、参考文献 (21)D级GPS控制网技术方案设计一、课程设计的目的和任务1.1.设计目的:本次课程设计的主要目的是通过本课程的学习并结合“GPS”技术完成一项“GPS”D级网的技术设计,为下一步大比例尺数字测图提供基础控制。
我院顺利完成D级GPS控制网的布设更新日期:2009-2-18为满足漳州市城镇地籍调查1:500地形图数字化测图工程的需求,我院经过一个多月的努力,在原有C级GPS控制网的基础上,在市区35平方公里范围内布设了由32个点组成的D级GPS控制网。
该点位采取水泥桩明标埋设和不锈钢金属灌标两种方式布设,平均点位间距约2公里。
外业观测采用GPS静态观测方法,按点边混连方式观测,共获取基线195条。
同时为满足高程精度,按四等水准要求共观测水准线路长14公里。
经过严格的检查、测算,最终成果各项指标均优于规范要求,完全满足地籍测图首级控制的需求,也为今后市区控制网改造和信息化测绘工作开展打下坚实的基础。
GPS控制网及数字测图技术设计书一、项目概述本次实习的目的是了解控制测量作业的全过程,掌握GPS静态测量数据处理的基本知识;掌握数字测图的基本原理,熟练大比例尺1:500地形图的测绘,提高操作绘图软件的能力,从而巩固课堂学习的理论知识,将理论与实践有机结合,提高理论水平与外业操作能力。
二、测量依据1、GPS静态测量《全球定位系统(GPS)测量规范》(CH 2001-92)《全球定位系统城市测量技术规程》(CJJ 73-97)《城市测量规范》(CJJ 8-85)2、数字测图《1:500、1:1000、1:2000地形图图式》(GB/T 20257.1-2007)《1:500、1:1000、1:2000地形图数字化规范》(GB/T17160—1997)本技术设计书三、测区概况(一)、测区范围1、GPS静态测量测区为桂林市七星区,位于风景秀丽的漓江东畔,东经109°45''-104°40'、北纬24°18''-25°41''。
南起于漓江路,北止于环城北二路,西起于小东江,东止于普陀路;2、数字测图:测区为桂林理工大学整个屏风校区。
D级GPS控制测量专业技术总结编写单位:编写者:年月日审核意见:审核者:年月日桂林市七星区GPS 控制测量技术总结一、测区概况七星区位于桂林市的东南部,北至迭彩区,南至 穿山公园,西至象山区,东至桂林环城公路。
测区内平均高程为海拔150米。
测区房屋较多,通视不是很好。
但测区平坦,交通便利,便利了测绘工作的开展。
测区控制范围大致位于东经110°17' 49" - 110°19' 57",北纬25°15' 50" - 25°18' 00" 之间。
二、作业依据和已有测绘资料1、《GPS 与数字化测图实习指导书》2、本次实习《技术设计书》3.中华人民共和国建设部标准《全球定位系统城市测量技术规程》。
4.国家测绘局颁布的《全球定位系统(GPS )测量规范》(CH2001-92)。
城市各级GPS 控制网平均边长 表1(单位:km )等级 C D E 一级 二级 平均距离 10~15 5~10 2~51 〈1城市各级GPS 控制网最弱边相对中误差 表2等级 固定误差a比例误差b最弱边相对中误差C 10 5 1/120000D 10 10 1/80000E 10 20 1/45000 一级 10 20 1/20000 二级 15201/10000表3:级别相邻点基线分量中误差 相邻点间平均距离 /km 水平分量 /mm 垂直分量 /mmB5 10 50 C 10 20 20 D 20 40 5 E20 40 3三、坐标系的选择中央子午线精度为111°,测区投影分带为6°带的第19带,3°带的第38带。
GPS网的无约束平差平面坐标系统选用WGS-84坐标系,高程采用85黄海国家高程基准。
横轴加常数500000m。
GPS的约束平差选择桂林本地的自建坐标系统和无大地水准模型的椭球,卫星星历采用广播星历。
我国规范衡量GPS 网精度的指标• GPS 网的精度衡量指标 – 相邻点基线长度精度σ标准差mm) a 固定误差mm b 比例误差d 相邻点间距离mm重复设站次数• 定义:在同一测站上所进行观测的时段数。
• 规范中规定了不同等级的网,每个测站的最少平均重复设站次数。
最少观测期数• 定义– 根据规范要求,布设一GPS 网,需要观测的最少时段数。
• 特性– 最少观测期数与网的等级、点的数量和用于观测的接收机的数量有关。
• 计算公式:最少平均重复设站次数262)10(-⋅⋅+=d b a σ第五节 GPS 网的必要独立基线 定义及计算公式• 定义– 测定网中所有点的坐标所需要的独立基线的最少数量。
• 计算公式– 对于一个只以已知点作为起算数据的网,其必要独立基线数可采用下式计算算例 •问– 某网由100个点构成,计划用4台接收机进行观测,如果要求平均重复设站次数不得低于2.0,问至少需要观测多少个时段,可测得多少独立基线,必要独立基线是多少?• 答:⎩⎨⎧>-=-=0,0,1p p n p n nmin min 100 2.0INT 504(1)50(41)1501100199t n S l S m l n ⨯⎛⎫== ⎪⎝⎭=⨯-=⨯-==-=-=第二节 GPS 基线解算的观测值 差分观测值的形成①• 差分方式– 站间差分 – 星间差分 – 历元间差分差分观测值的形成②• 站间差分– 求差方式• 同步观测值在接收机间求差– 数学形式– 特点• 消除了卫星钟差影响 • 削弱了电离层折射影响 • 削弱了对流层折射影响• 削弱了卫星轨道误差的影响差分观测值的形成③• 星间差分– 求差方式• 同步观测值在卫星间求差– 数学形式– 特点• 消除了接收机钟差的影响差分观测值的形成④• 历元间差分– 差分方式站间差分)()()(,t t t IA IB I B A ϕϕϕ-=星间差分•观测值在间历元求差–数学形式–特点•消去了整周未知数参数。
不同级别GPS网的精度标准
表1-1
基线测量的精度可达±(5mm+1×10-6D),D为基线长度,以公里计。
最简独立闭合环或符合路线边数的规定
表1-2
现在全球定位系统采用的WGS-84坐标系统,是一个精确的全球大地坐标系统。
而我国的国家大地坐标系采用的是1954北京坐标系及1980西安坐标系。
同时IPSM\RTK目录下生成一包括OutData、Transect两个文件夹和temp.rec,temp.hkw,t emp.knw,temp.prj的temp文件夹。
(其中*.prj为项目文件, *.rec为记录点库文件,*.kn w控制点库文件,*.hkw水准点库文件。
)
.碎部数据文件格式的转换
将采集的碎部点坐标以文本格式导出,注意在Type里选择要导出的数据格式类型,有以下
类型可选:中海达ZHD Fmt(*.ism)、威远图SV300(*.svf)、威远图DAT(*.dat)、开思Scsg2000(*.dat)、南方Cass5.0(*.dat)、南方Cass4.0(*.dat)、海洋局成图(*.txt)、CAD2000(*.dxf)、南方(*.dxf)、N,X,Y,H(*.txt)、瑞得(*.txp)、清华山维(*.cor)、BLH 格式(*.blh)。
其转换成果最好保存在同一项目下的“OUTDATA”文件夹内,以便进行统一的项目管理。
注:A、七参数、一步法至少需要3个已知点,且平面高程均要知道;
B、四参数至少需要2个已知点
C、平面拟合至少需要3个已知点
D、曲面拟合至少需要6个已知点。
D级GPS控制测量技术要求1、D级GPS控制网的网型设计GPS控制网的网型设计,是保证控制网精度的基础。
首先考虑起算点的位置和图形强度,遵循从整体到局部、分级布网的原则进行布设。
D级GPS控制网中不要求每点之间通视,整个控制网中应联测不少于3个高等级已知点,并根据需要联测一定数量的高程点。
D级GPS控制网最简独立闭合环或附合路线边数及相邻点之间的平均距离如下表:相邻点最小距离可为平均距离的1/3-1/2;最大距离可为平均距离的2-3倍。
2、D级GPS控制网选点埋石D级GPS控制网选点埋石必须遵守下列原则,并按下列规定进行。
1). 选点人员应收集测区地质资料,实地勘察选定点位。
同时考察卫星通视环境与电磁干扰环境,确定可用标石类型、记录点之记有关内容,实地树立标志牌等。
选点(埋石)所占用的土地,应得到土地使用者或管理者的同意。
2).点位应选择在稳定坚实的基岩、岩石、土层、建筑物顶部等能长期保存、满足观测条件的地点,并做好选点标记。
点位尽可能位于地面,城区内应尽量选在楼顶上,以便于保存和通视。
点位应尽量选在交通便利,方便观测的位置。
3).选点时应避开环境变化大,测量标志难以永久保存的地点,如易受水淹的河床、低地、靠近铁路、公路、已规划的易受施工影响有剧烈震动的地点。
点位离开铁路的距离应不小于100m。
4). 选点时应避开地质环境不稳定的地区,如断裂破碎带边缘、易发生洪水、滑坡、岩崩区、局部沉降区,有大量物质搬移的矿区、采石场、大量取土、地下水剧烈变化的地点。
5).选点时应远离发射功率强大的无线发射源、微波信道、高压线等,距离不小于200米,应远离高压输电线和微波无线电传送通道,其距离不得小于50米。
并应实地了解发射源和电磁波影响状况,标注在点之记环视图上。
6).选点时应避开多路径环境影响,避免靠近水面、树冠、高大建筑物、低洼潮湿等地点,应保证15°以上无遮挡。
50米以内的各种固定与变化反射体应标注在点之记环视图上。
D级GPS控制网技术指标D级GPS控制网是指在全球定位系统(GPS)中用于实现高精度定位服务的一种技术方案。
它是在传统的C级GPS控制网的基础上进行改进和优化而来,具有更高的精度和可靠性。
以下是D级GPS控制网的一些技术指标。
1.网络结构:D级GPS控制网采用分层结构,由若干个基准站组成,其中一个基准站作为主站,其他基准站作为从站。
主站负责数据处理和控制,从站负责接收测量数据,并将数据传输给主站进行处理。
2.精度要求:D级GPS控制网的精度要求相对较高,通常在几毫米到十几毫米之间。
这要求基准站的观测精度和数据处理算法具有较高的精度和可靠性。
3.数据传输:D级GPS控制网采用实时差分定位的方式,通过无线电或互联网传输数据。
数据传输的速度和稳定性对于实时差分定位的精度和可靠性至关重要,因此需要采用高速、稳定的数据传输方式。
4.基准站密度:D级GPS控制网的基准站密度相对较高,通常为每平方公里1-2个基准站。
密集的基准站布局可以提高定位的精度和可靠性,并能够满足更多用户的需求。
5.数据处理算法:D级GPS控制网需要使用高精度的数据处理算法,以提取出基准站和测站之间的相对位置差分。
常见的数据处理算法包括双差法、无电离层组合法等,这些算法在处理多路径效应和其他误差时具有较好的效果。
6.系统可靠性:D级GPS控制网需要具有较高的系统可靠性,以保证系统的正常运行和数据的准确性。
为了实现系统可靠性,需要采用备份机制、冗余设计等技术手段,以避免单点故障对整个系统的影响。
7.故障监测和维护:D级GPS控制网需要具备故障监测和维护功能,及时发现和排除系统故障,确保系统的稳定运行。
监测和维护包括基准站状态监测、数据质量评估、设备维护等。
总之,D级GPS控制网是一种用于实现高精度定位服务的技术方案,具有高精度、高可靠性和系统化的特点。
通过采用分层结构、实时差分定位、高精度的数据处理算法等,D级GPS控制网能够满足用户对于高精度定位的需求。