E级GPS控制网有关技术要求(参考)
- 格式:doc
- 大小:49.54 KB
- 文档页数:10
GPS控制系统⽹等级分类和要求规范1 分类⽅法⼀:A、B、C、D、E级1.1参考规范《全球定位系统GPS测量规范-2009》1.2 界⾯显⽰参数1.3 划分标准B、C、D和E级的精度应不低于表1的要求:表1.2布设原则:表1.3各级GPS⽹点位应均匀分布,相邻点间距离最⼤不宜超过⽹平均间距的2倍。
接收机的选⽤:表1.4观测:表1.5数据处理(1)外业数据检核1)B级GPS⽹基线外业预处理和C、D、E级GPS⽹基线处理,复测基线的长度较差ds应满⾜公式1.1的规定:ds≦2σ (1.1)σ---为基线测量中误差,单位为毫⽶2)B、C、D、E级GPS⽹基线测量中误差σ采⽤外业测量时使⽤的GPS接收机的标称精度,计算时变长按实际平均边长计算。
3)B、C、D、E级GPS⽹同步环闭合差,不宜超过以下规定:三边同步环中只有两个同步边成果可以视为独⽴的成果,第三边成果应为其余两边的代数和。
由于模型误差和处理软件的内在缺陷,第三边处理结果与前两边的代数和常不为零,其差值应符合公式1.2≦≦≦(1.2)式中:σ----基线测量中误差,单位为毫⽶,计算按12.2.5规定执⾏。
对于四站以上同步观测时段,在处理完个边观测值后,应检查⼀切可能的三边环闭合差。
4) B、C、D、E级GPS⽹外业基线的处理结果,其独⽴闭合环或附和路线坐标闭合差W S和各坐标分量闭合差应满⾜公式(1.3)的规定。
≦3σ≦3σ≦3σ≦3σ (1.3) W S= n为闭合环数。
(2)基线向量解算基本要求(略参考规范12.3.3节)2 分类⽅法⼆:城市⼆、三、四等和⼀、⼆级城市或⼯程GPS按相邻点的平均距离和精度划分为⼆、三、四等和⼀、⼆级。
2.1参考规范《全球定位系统城市测量技术规范-1997》2.2 界⾯显⽰参数表2.12.3 划分标准1)各等级GPS⽹相邻点间弦长精度应按公式2.1计算σ= (2.1)式中σ----标准差(基线向量的弦长中误差mm);a-----固定误差(mm);b-----⽐例误差系数(1X10-6);d-----相邻点间的距离(km)。
E级GPS控制测量技术设计书XXX建筑工程设计院二0一四年二月目录1、作业技术流程2、技术要点2.1准备工作2.2技术设计2.4选点埋石2.5野外观测2.6数据处理2.7平差计算2.8质量检查与自检报告2.9技术报告3.0成果整理与提交3、范例1、作业技术流程E级GPS控制测量在地形测量、地籍测量中一般是测区的首级平面控制,控制网的精度保证是后续其它工序的基础。
E级GPS控制测量工作时一般按下列流程进行工作:准备工作→技术设计→选点埋石→野外观测→数据处理→平差计算→质量检查与自检报告→技术报告→成果整理与提交。
2、技术要点2.1准备工作E级GPS控制测量的准备工作主要有:熟悉工程的合同或协议,了解委托单位对工程的特殊要求。
收集与测区有关的高等级控制点成果及相关资料,收集需用的地形图资料、技术标准,按规范或委托单位的要求制作标石,对参加施工的仪器设备按要求进行检验或校验。
进行现场踏勘了解测区现状和已知高等级控制点的保存情况,为技术设计做好准备。
准备施工的其它后勤保障工作。
2.2 选点埋石2.2.1 选点1.选点人员应由熟悉GPS测量技术及地质技术的人员承担。
选点前必须充分研究专业设计书;充分认知测区的地理、地质、水文、气象、验潮等环境信息;熟悉可利用的各种设施、位置环境、交通、水电等信息。
2. 选点人员应收集测区地质资料,实地勘察选定点位。
同时考察卫星通视环境与电磁干扰环境,确定可用标石类型、记录点之记有关内容,实地树立标志牌、拍摄照片等。
选点(埋石)所占用的土地,应得到土地使用者或管理者的同意。
3.点位应选择在稳定坚实的基岩、岩石、土层、建筑物顶部等能长期保存、满足观测条件的地点,并做好选点标记。
点位尽可能位于地面,城区内应尽量选在楼顶上,以便于保存和通视。
点位应尽量选在交通便利,方便观测的位置。
4.选点时应避开环境变化大,测量标志难以永久保存的地点,如易受水淹的河床、低地、靠近铁路、公路、已规划的易受施工影响有剧烈震动的地点。
E级GPS平面控制网技术设计书1、概述本次gps平面控制测量任务和作业容是位于北部松花江主航道北侧,为配合本次控制测量课程设计任务,需在江心岛开发区约4.2平方公里的测区围建立E级GPS平面控制网。
2、测区自然地理概况和已有资料2.1、测区自然地理概况测区位于省市北部松花江主航道北侧,是松花江泛洪区自然形成的梭形岛,为河漫滩湿地。
该岛地理位置优越,南北与市区相望,西隔宾洲铁路桥与太阳岛相望。
测区东西长约4.5公里,南北最宽约1.3公里,面积达4.2平方公里,平均海拔115米,位于松花江中游,属中温带大陆性季风气候,冬长夏短,全年平均降水量569.1毫米,降水主要集中在6-9月,夏季占全年降水量的60%。
四季分明,冬季1月平均气温约零下19度;夏季7月的平均气温约23度。
测区围:测区地理坐标为东经:126度37分—126度40分北纬:45度48分实测围呈不规则形状,围面积约4.2平方公里。
2.2、测区已有资料成果情况测区有google earth卫星遥感图一幅,该图可供图上选点。
此外,测区有校区控制三角点2个,其数据如下:3、测量技术设计依据(1)GB-T-18314-2009《全球定位系统(GPS)测量规》(2)CJJ 73-97《全球定位系统城市测量技术规程》(3)CH 1002-95《测绘产品检查验收规定》(4)CH 1003-95《测绘产品质量评定标准》(5)CH / T1004《测绘技术设计规定》(5)CJJ -8-99《城市测量规》4、使用仪器本次测量采用的GPS接收机型号是南方北极星GPS 9600,该GPS仪接受的信号是L1-C/A码。
其平面精度:5mm+1ppm ,高程精度:10mm+2ppm 。
5、布网方案5.1、布网要求GPS 网相邻点间基线中误差按下式计算:式中(mm)为固定误差;(ppm)为比例误差系数;(km)为相邻点间的距离。
GPS-E 级网的主要技术要求应符合表1规定。
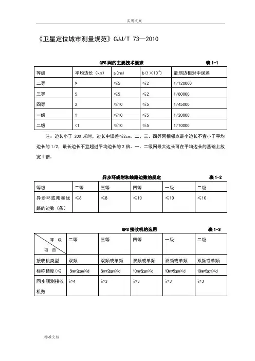
《卫星定位城市测量规范》CJJ/T 73—2010GPS网的主要技术要求表1-1注:边长小于200米时,边长中误差≤2cm。
二、三、四等网相邻点最小边长不宜小于平均边长的1/2,最长边长不宜超过平均边长的2倍。
一、二级网最大边长可在平均边长的基础上放宽1倍。
异步环或附和线路边数的规定表1-2GPS接收机的选用表1-3GPS 测量各等级作业的基本技术要求 表1-4各项限差规定 σ())((22bd a +=σ采用表1-1加乘常数)同步环闭合差限差σω53x ≤, σω53y ≤, σω53z ≤, σω53≤同步环只计算三边同步环,))((22bd a +=σ,d 按照该等级平均边长计算,ω—环闭合差,222z y x ωωωω++=异步环闭合差限差σωn 2x ≤, σωn 2y ≤, σωn 2z ≤, σωn 32≤n —独立环的边数,d 按照该等级平均边长计算,))((22bd a +=σ,ω—环闭合差,222z y x ωωωω++=重复基线限差复测基线的长度较差ds ,同一基线不同时段较差应满足 σ23ds ≤(σ按照实际边长计算)三维无约束平差中,基线分量的改正数(X V ∆,Y V ∆,Z V ∆)绝对值应满足下列要求σ∆3V X ≤,σ∆3V Y ≤,σ∆3V Z ≤))((22bd a +=σd 按照基线边长计算约束平差中,基线分量的改正数与经过剔除粗差后的无约束平差结果的同一基线相应改正数较差应满足下列要求(或者进行已知点检查,已知点点位变化相对于约束点的边长相对中误差不应低于表1-1规定的上一等级控制网中最弱边相对中误差)σ∆2dV X ≤,σ∆2dV Y ≤,σ∆2dV Z ≤))((22bd a +=σd 按照基线边长计算《工程测量规范》GB50026-2007GPS 网的主要技术要求 表2-1控制网测量中误差m ≤σ⎥⎦⎤⎢⎣⎡=n WW N 31m ,N 为控制网中异步环的个数,n 为异步环边数,W 为异步环全长闭合差。
附录E E级GPS控制网有关技术要求(参考)一、控制网执行的技术标准1、全球定位系统(GPS)测量规范(GB/T 18314—2001),中华人民共和国国家标准;2、《国家三、四等水准测量规范》(GB12898-1991),中华人民共和国国家标准;3、技术设计书。
二、使用仪器测量采用的GPS接收机型号及其标称精度。
三、布网方案1、布网要求GPS网相邻点间基线中误差 按下式计算:式中a(mm)为固定误差;b(ppm)为比例误差系数;d(km)为相邻点间的距离。
GPS-E 级网的主要技术要求应符合表1规定。
相邻点最小距离应为平均距离的1/2~1/3;最大距离应为平均距离的2~3倍。
表1 GPS网的主要技术要求2、布网原则与网形设计(1)GPS网应根据测区实际需要和交通状况进行设计。
GPS网的点与点间不要求每点通视,但考虑常规测量方法加密时的应用,每点应有1~2个通视方向。
(2)在布网设计中应顾及原有测绘成果资料以及各种大比例尺地形图的沿用,对凡符合GPS-E级网布点要求的旧有控制点,应充分利用其标石。
(3)GPS网应由若干个独立观测环构成,也可采用附合线路构成。
E级GPS网中每个闭合环或附合线路中的边数应符合表2的规定。
非同步观测的GPS基线向量边,应按所设计的网图选定,也可按软件功能自动挑选独立基线构成环路。
表2 闭合环或附合线路边数的规定(4制点联测,联测总点数不得少于3个。
(5)为了求得GPS网点正常高,应进行水准测量的高程联测,高程联测采用等级水准测量方法进行,联测的GPS-E级控制点且应均匀分布于网中。
四、选点与标石埋设1、选点在了解任务、目的、要求和测区自然地理条件的基础上,进行现场踏勘,最后进行选点。
选点应符合下列要求:(1)点位的选择应符合技术设计要求,并有利于其它测量手段进行扩展与联测;(2)点位的基础应坚实稳定,易于长期保存,并应有利于安全作业;(3)点位应便于安置接收设备和操作,视野应开阔,视场内周围障碍物的高度角一般应小于15°;(4)点位应远离大功率无线电发射源(如电视台、微波站等),其距离不得小于200m,并应远离高压输电线其距离不得小于50m,以避免周围磁场对卫星信号的干扰;(5)点位附近不应有对电磁波反射(或吸收)强烈的物体,以减少多路径效应的影响;(6)交通应便于作业,以提高作业效率;(7)应充分利用符合上述要求原有的控制点及其标石,但利用旧点时应检查旧点的稳定性、完好性,符合要求方可利用;(8)选好点后应按合理的方法给GPS点编号。
附录A E级GPS控制网有关技术要求(参考)一、控制网执行的技术标准1、全球定位系统(GPS)测量规范(GB/T 18314—2001),中华人民共和国国家标准;2、《国家三、四等水准测量规范》(GB12898-1991),中华人民共和国国家标准;3、技术设计书。
二、使用仪器测量采用的GPS接收机型号及其标称精度。
三、布网方案1、布网要求GPS网相邻点间基线中误差 按下式计算:式中a(mm)为固定误差;b(ppm)为比例误差系数;d(km)为相邻点间的距离。
GPS-E级网的主要技术要求应符合表1规定。
相邻点最小距离应为平均距离的1/2~1/3;最大距离应为平均距离的2~3倍。
2、布网原则与网形设计(1)GPS网应根据测区实际需要和交通状况进行设计。
GPS网的点与点间不要求每点通视,但考虑常规测量方法加密时的应用,每点应有1~2个通视方向。
(2)在布网设计中应顾及原有测绘成果资料以及各种大比例尺地形图的沿用,对凡符合GPS-E级网布点要求的旧有控制点,应充分利用其标石。
(3)GPS网应由若干个独立观测环构成,也可采用附合线路构成。
E级GPS 网中每个闭合环或附合线路中的边数应符合表2的规定。
非同步观测的GPS基线向量边,应按所设计的网图选定,也可按软件功能自动挑选独立基线构成环路。
(4的原有控制点联测,联测总点数不得少于3个。
(5)为了求得GPS网点正常高,应进行水准测量的高程联测,高程联测采用等级水准测量方法进行,联测的GPS-E级控制点且应均匀分布于网中。
四、选点与标石埋设1、选点在了解任务、目的、要求和测区自然地理条件的基础上,进行现场踏勘,最后进行选点。
选点应符合下列要求:(1)点位的选择应符合技术设计要求,并有利于其它测量手段进行扩展与联测;(2)点位的基础应坚实稳定,易于长期保存,并应有利于安全作业;(3)点位应便于安置接收设备和操作,视野应开阔,视场内周围障碍物的高度角一般应小于15°;(4)点位应远离大功率无线电发射源(如电视台、微波站等),其距离不得小于200m,并应远离高压输电线其距离不得小于50m,以避免周围磁场对卫星信号的干扰;(5)点位附近不应有对电磁波反射(或吸收)强烈的物体,以减少多路径效应的影响;(6)交通应便于作业,以提高作业效率;(7)应充分利用符合上述要求原有的控制点及其标石,但利用旧点时应检查旧点的稳定性、完好性,符合要求方可利用;(8)选好点后应按合理的方法给GPS点编号。
E级GPS控制网有关技术要求(参考)一、控制网执行的技术标准1、全球定位系统(GPS)测量规范(GB/T 18314—2001),中华人民共和国国家标准;2、《国家三、四等水准测量规范》(GB12898-1991),中华人民共和国国家标准;3、技术设计书。
二、使用仪器测量采用的GPS接收机型号及其标称精度。
三、布网方案1、布网要求GPS网相邻点间基线中误差按下式计算:式中(mm)为固定误差;(ppm)为比例误差系数;(km)为相邻点间的距离。
GPS-E级网的主要技术要求应符合表1规定。
相邻点最小距离应为平均距离的1/2~1/3;最大距离应为平均距离的2~3倍。
级别平均距离(km) (mm) (1×10-6) 最弱边相对中误差E级0.2~5 ≤10≤201/450002、布网原则与网形设计(1)GPS网应根据测区实际需要和交通状况进行设计。
GPS网的点与点间不要求每点通视,但考虑常规测量方法加密时的应用,每点应有1~2个通视方向。
(2)在布网设计中应顾及原有测绘成果资料以及各种大比例尺地形图的沿用,对凡符合GPS-E级网布点要求的旧有控制点,应充分利用其标石。
(3)GPS网应由若干个独立观测环构成,也可采用附合线路构成。
E级GPS 网中每个闭合环或附合线路中的边数应符合表2的规定。
非同步观测的GPS基线向量边,应按所设计的网图选定,也可按软件功能自动挑选独立基线构成环路。
级别 E 级闭合环或附合线路边数(条)≤10(4的原有控制点联测,联测总点数不得少于3个。
(5)为了求得GPS网点正常高,应进行水准测量的高程联测,高程联测采用等级水准测量方法进行,联测的GPS-E级控制点且应均匀分布于网中。
四、选点与标石埋设1、选点在了解任务、目的、要求和测区自然地理条件的基础上,进行现场踏勘,最后进行选点。
选点应符合下列要求:(1)点位的选择应符合技术设计要求,并有利于其它测量手段进行扩展与联测;(2)点位的基础应坚实稳定,易于长期保存,并应有利于安全作业;(3)点位应便于安置接收设备和操作,视野应开阔,视场内周围障碍物的高度角一般应小于15°;(4)点位应远离大功率无线电发射源(如电视台、微波站等),其距离不得小于200m,并应远离高压输电线其距离不得小于50m,以避免周围磁场对卫星信号的干扰;(5)点位附近不应有对电磁波反射(或吸收)强烈的物体,以减少多路径效应的影响;(6)交通应便于作业,以提高作业效率;(7)应充分利用符合上述要求原有的控制点及其标石,但利用旧点时应检查旧点的稳定性、完好性,符合要求方可利用;(8)选好点后应按合理的方法给GPS点编号。
1 分类方法一:A、B、C、D、E级1.1参考规范《全球定位系统GPS测量规范-2009》1.2 界面显示参数1.3 划分标准B、C、D和E级的精度应不低于表1的要求:表1.2布设原则:表1.3各级GPS网点位应均匀分布,相邻点间距离最大不宜超过网平均间距的2倍。
接收机的选用:表1.4级别 B C D、E单频/双频双频/全波长双频/全波长双频/单频观测量至少有L1、L2载波相位L1、L2载波相位L1载波相位同步观测机数≥4 ≥3 ≥2观测:表1.5级别级别B C D E卫星截止高度角/度10 15 15 15同时观测有效卫星数≥4 ≥4 ≥4 ≥4有效观测卫星总数≥20 ≥6 ≥4 ≥4 观测时段数≥3 ≥2 ≥1.6 ≥1.6时段长度≥23h ≥4h ≥60min ≥40min采样间隔30 10-30 5-15 5-15注1:计算有效观测卫星总数时,应该各时段的有效观测卫星扣除期间的重复卫星数注2:观测时段长度,应为开始纪律数据到结束记录的时间段注3:观测时段≥1.6,指采用网观测模式时,每站至少观测一时段,其中二次设站点数应不少于GPS网总点数的60%注4:采用基于卫星定位连续运行基准站点观测模式时,可连续观测,但观测时间应不低于表中规定的各时段观测时间的和数据处理(1)外业数据检核1)B级GPS网基线外业预处理和C、D、E级GPS网基线处理,复测基线的长度较差ds应满足公式1.1的规定:ds≦2σ (1.1)σ---为基线测量中误差,单位为毫米2)B、C、D、E级GPS网基线测量中误差σ采用外业测量时使用的GPS接收机的标称精度,计算时变长按实际平均边长计算。
3)B、C、D、E级GPS网同步环闭合差,不宜超过以下规定:三边同步环中只有两个同步边成果可以视为独立的成果,第三边成果应为其余两边的代数和。
由于模型误差和处理软件的内在缺陷,第三边处理结果与前两边的代数和常不为零,其差值应符合公式1.2≦≦≦(1.2)式中:σ----基线测量中误差,单位为毫米,计算按12.2.5规定执行。
《卫星定位城市测量规范》CJJ/T 73—2010注:边长小于200米时,边长中误差≤2cm。
二、三、四等网相邻点最小边长不宜小于平均边长的1/2,最长边长不宜超过平均边长的2倍。
一、二级网最大边长可在平均边长的基础上放宽1倍。
各项限差规定 σ())((22bd a +=σ采用表1-1加乘常数) 同步环闭合差限差σω53x ≤, σω53y ≤, σω53z ≤, σω53≤ 同步环只计算三边同步环,))((22bd a +=σ,d 按照该等级平均边长计算,ω—环闭合差,222z y x ωωωω++=异步环闭合差限差σωn 2x ≤, σωn 2y ≤, σωn 2z ≤, σωn 32≤n —独立环的边数,d 按照该等级平均边长计算,))((22bd a +=σ,ω—环闭合差,222z y x ωωωω++=重复基线限差复测基线的长度较差ds ,同一基线不同时段较差应满足 σ23ds ≤(σ按照实际边长计算)三维无约束平差中,基线分量的改正数(X V ∆,Y V ∆,Z V ∆)绝对值应满足下列要求σ∆3V X ≤,σ∆3V Y ≤,σ∆3V Z ≤))((22bd a +=σd 按照基线边长计算约束平差中,基线分量的改正数与经过剔除粗差后的无约束平差结果的同一基线相应改正数较差应满足下列要求(或者进行已知点检查,已知点点位变化相对于约束点的边长相对中误差不应低于表1-1规定的上一等级控制网中最弱边相对中误差)σ∆2dV X ≤,σ∆2dV Y ≤,σ∆2dV Z ≤))((22bd a +=σd 按照基线边长计算《工程测量规范》GB50026-2007控制网测量中误差m ≤σ⎥⎦⎤⎢⎣⎡=n WW N 31m ,N 为控制网中异步环的个数,n 为异步环边数,W 为异步环全长闭合差。
各项限差规定σ ())((22bd a +=σ采用表2-1加乘常数) 同步环闭合差限差σω5n x ≤, σω5n y ≤, σω5n z ≤, σω5n 3≤ n —同步环的边数,))((22bd a +=σ,d 按照该等级平均边长计算,ω—环闭合差,222z y x ωωωω++=异步环闭合差限差σωn 2x ≤, σωn 2y ≤, σωn 2z ≤, σωn 32≤n —独立环的边数,d 按照该等级平均边长计算,))((22bd a +=σ,ω—环闭合差,222z y x ωωωω++=重复基线限差复测基线的长度较差ds ,同一基线不同时段较差应满足 σ23ds ≤(σ按照实际边长计算)三维无约束平差中,基线分量的改正数(X V ∆,Y V ∆,Z V ∆)绝对值应满足下列要求σ∆3V X ≤,σ∆3V Y ≤,σ∆3V Z ≤))((22bd a +=σd 按照基线边长计算约束平差中,控制网的最弱边边长相对中误差,应满足表2-1中相应等级的规定。
竭诚为您提供优质文档/双击可除e等gps静态测量规范篇一:gps静态控制测量外业操作指南gps控制测量外业作业要求及技术指南一:外业观测作业人员操作内容安置接收机天线(严格对中整平、定向、量取仪器高)、设置接收机中的参数(如观测模式、截止高度角、和采样间隔等;如不设参数,接收机一般就采用缺省值),以及开机、关机等工作,其他工作由接收机自动完成。
二:操作流程:【选点与埋石——gps接收机的检查——观测方案设计——观测作业——外业观测成果质量检核】1.选点准备:根据收集的测区内及周边现有平面和高程控制点以及测区地形图等,依据项目任务书或合同书以及相关规范的要求在图上进行设计,标绘处计划设站的区域。
1.1选点的基本要求基本要符合规范(全球定位系统gps测量规范gb/t18314-20xx)的相关要求:a)测站四周视野开阔,高度角15°以上不允许存在成片的障碍物b)远离大功率无线电发射源,以免损坏接收机天线,高压1/16电线50米至少,大功率无线发射源至少200米。
c)测站远离房屋、围墙、广告牌、山坡及大面积平静水面(湖泊、池塘)等信号反射物,以免出现严重的多路径效应。
d)点位应位于地质条件良好、点位稳定、易于保护的地方,并尽可能顾及交通条件。
1.2选点作业a)测量人员应按照在图上选择的初步位置以及对点位的基本要求,在实地最终选定点位,并做好相应的标记。
b)利用旧点时,应对旧点的稳定性、可靠性和完好性进行检查,符合要求时方可利用。
c)点名以该点位所在地命名,无法区分时,可在点名后加注(一)、(二)。
d)新旧点重合时,应沿用旧点名,一般不应更改。
e)选点工作完成后,应按规范要求的形式绘制gps网选点图,可以用相机或手机拍照片。
提交的资料:①点之记②gps网选点图1.3埋石c、d、e及gps点在满足标石稳定、易于长期保存的前提下,均可根据具体情况选用。
提交的资料:标石建造的照片2/162.仪器的验检:2.1一般视检gps接收机及其天线的外观是否良好,是否有挤压摩擦造成的伤痕,仪器、天线等设备的型号是否正确。
E级G P S控制网技术要求文件排版存档编号:[UYTR-OUPT28-KBNTL98-UYNN208]附录E E级GPS控制网有关技术要求(参考)一、控制网执行的技术标准1、全球定位系统(GPS)测量规范(GB/T 18314—2001),中华人民共和国国家标准;2、《国家三、四等水准测量规范》(GB12898-1991),中华人民共和国国家标准;3、技术设计书。
二、使用仪器测量采用的GPS接收机型号及其标称精度。
三、布网方案1、布网要求GPS网相邻点间基线中误差 按下式计算:式中a(mm)为固定误差;b(ppm)为比例误差系数;d(km)为相邻点间的距离。
GPS-E级网的主要技术要求应符合表1规定。
相邻点最小距离应为平均距离的1/2~1/3;最大距离应为平均距离的2~3倍。
表1 GPS网的主要技术要求2、布网原则与网形设计(1)GPS网应根据测区实际需要和交通状况进行设计。
GPS网的点与点间不要求每点通视,但考虑常规测量方法加密时的应用,每点应有1~2个通视方向。
(2)在布网设计中应顾及原有测绘成果资料以及各种大比例尺地形图的沿用,对凡符合GPS-E级网布点要求的旧有控制点,应充分利用其标石。
(3)GPS网应由若干个独立观测环构成,也可采用附合线路构成。
E级GPS 网中每个闭合环或附合线路中的边数应符合表2的规定。
非同步观测的GPS基线向量边,应按所设计的网图选定,也可按软件功能自动挑选独立基线构成环路。
表2 闭合环或附合线路边数的规定(4的原有控制点联测,联测总点数不得少于3个。
(5)为了求得GPS网点正常高,应进行水准测量的高程联测,高程联测采用等级水准测量方法进行,联测的GPS-E级控制点且应均匀分布于网中。
四、选点与标石埋设1、选点在了解任务、目的、要求和测区自然地理条件的基础上,进行现场踏勘,最后进行选点。
选点应符合下列要求:(1)点位的选择应符合技术设计要求,并有利于其它测量手段进行扩展与联测;(2)点位的基础应坚实稳定,易于长期保存,并应有利于安全作业;(3)点位应便于安置接收设备和操作,视野应开阔,视场内周围障碍物的高度角一般应小于15°;(4)点位应远离大功率无线电发射源(如电视台、微波站等),其距离不得小于200m,并应远离高压输电线其距离不得小于50m,以避免周围磁场对卫星信号的干扰;(5)点位附近不应有对电磁波反射(或吸收)强烈的物体,以减少多路径效应的影响;(6)交通应便于作业,以提高作业效率;(7)应充分利用符合上述要求原有的控制点及其标石,但利用旧点时应检查旧点的稳定性、完好性,符合要求方可利用;(8)选好点后应按合理的方法给GPS点编号。
一、控制网执行的技术标准1、全球定位系统(GPS)测量规范(GB/T 18314—2001),中华人民共和国国家标准;2、《国家三、四等水准测量规范》(GB12898-1991),中华人民共和国国家标准;3、技术设计书。
二、使用仪器测量采用的GPS接收机型号及其标称精度。
三、布网方案1、布网要求GPS网相邻点间基线中误差按下式计算:式中(mm)为固定误差;(ppm)为比例误差系数;(km)为相邻点间的距离。
GPS-E级网的主要技术要求应符合表1规定。
相邻点最小距离应为平均距离的1/2~1/3;最大距离应为平均距离的2~3倍。
注:当边长小于200m时,边长中误差应小于20mm。
2、布网原则与网形设计(1)GPS网应根据测区实际需要和交通状况进行设计。
GPS网的点与点间不要求每点通视,但考虑常规测量方法加密时的应用,每点应有1~2个通视方向。
(2)在布网设计中应顾及原有测绘成果资料以及各种大比例尺地形图的沿用,对凡符合GPS-E级网布点要求的旧有控制点,应充分利用其标石。
(3)GPS网应由若干个独立观测环构成,也可采用附合线路构成。
E级GPS 网中每个闭合环或附合线路中的边数应符合表2的规定。
非同步观测的GPS基线向量边,应按所设计的网图选定,也可按软件功能自动挑选独立基线构成环路。
(4)为求定GPS点在54北京坐标系中的坐标,应与当地54北京坐标系中的原有控制点联测,联测总点数不得少于3个。
(5)为了求得GPS网点正常高,应进行水准测量的高程联测,高程联测采用等级水准测量方法进行,联测的GPS-E级控制点且应均匀分布于网中。
四、选点与标石埋设1、选点在了解任务、目的、要求和测区自然地理条件的基础上,进行现场踏勘,最后进行选点。
选点应符合下列要求:(1)点位的选择应符合技术设计要求,并有利于其它测量手段进行扩展与联测;(2)点位的基础应坚实稳定,易于长期保存,并应有利于安全作业;(3)点位应便于安置接收设备和操作,视野应开阔,视场内周围障碍物的高度角一般应小于15°;(4)点位应远离大功率无线电发射源(如电视台、微波站等),其距离不得小于200m,并应远离高压输电线其距离不得小于50m,以避免周围磁场对卫星信号的干扰;(5)点位附近不应有对电磁波反射(或吸收)强烈的物体,以减少多路径效应的影响;(6)交通应便于作业,以提高作业效率;(7)应充分利用符合上述要求原有的控制点及其标石,但利用旧点时应检查旧点的稳定性、完好性,符合要求方可利用;(8)选好点后应按合理的方法给GPS点编号。
E级GPS控制测量技术设计书XXX建筑工程设计院二0一四年二月目录1、作业技术流程2、技术要点2。
1准备工作2.2技术设计2.4选点埋石2.5野外观测2。
6数据处理2.7平差计算2.8质量检查与自检报告2。
9技术报告3。
0成果整理与提交3、范例1、作业技术流程E级GPS控制测量在地形测量、地籍测量中一般是测区的首级平面控制,控制网的精度保证是后续其它工序的基础。
E级GPS控制测量工作时一般按下列流程进行工作:准备工作→技术设计→选点埋石→野外观测→数据处理→平差计算→质量检查与自检报告→技术报告→成果整理与提交.2、技术要点2。
1准备工作E级GPS控制测量的准备工作主要有:熟悉工程的合同或协议,了解委托单位对工程的特殊要求。
收集与测区有关的高等级控制点成果及相关资料,收集需用的地形图资料、技术标准,按规范或委托单位的要求制作标石,对参加施工的仪器设备按要求进行检验或校验。
进行现场踏勘了解测区现状和已知高等级控制点的保存情况,为技术设计做好准备。
准备施工的其它后勤保障工作.2。
2 选点埋石2.2。
1 选点1.选点人员应由熟悉GPS测量技术及地质技术的人员承担。
选点前必须充分研究专业设计书;充分认知测区的地理、地质、水文、气象、验潮等环境信息;熟悉可利用的各种设施、位置环境、交通、水电等信息。
2. 选点人员应收集测区地质资料,实地勘察选定点位。
同时考察卫星通视环境与电磁干扰环境,确定可用标石类型、记录点之记有关内容,实地树立标志牌、拍摄照片等。
选点(埋石)所占用的土地,应得到土地使用者或管理者的同意。
3.点位应选择在稳定坚实的基岩、岩石、土层、建筑物顶部等能长期保存、满足观测条件的地点,并做好选点标记。
点位尽可能位于地面,城区内应尽量选在楼顶上,以便于保存和通视.点位应尽量选在交通便利,方便观测的位置.4.选点时应避开环境变化大,测量标志难以永久保存的地点,如易受水淹的河床、低地、靠近铁路、公路、已规划的易受施工影响有剧烈震动的地点。
1分类方法一:A、B、C、D、E级1.1参考规范《全球定位系统GPS测量规范-2009》1.2界面显示参数表1.5有效观测卫星总数≥20 ≥6 ≥4 ≥4 观测时段数≥3 ≥2 ≥1.6 ≥1.6时段长度≥23h ≥4h ≥60min ≥40min采样间隔30 10-30 5-15 5-15注1:计算有效观测卫星总数时,应该各时段的有效观测卫星扣除期间的重复卫星数注2:观测时段长度,应为开始纪律数据到结束记录的时间段注3:观测时段≥1.6,指采用网观测模式时,每站至少观测一时段,其中二次设站点数应不少于GPS网总点数的60% 注4:采用基于卫星定位连续运行基准站点观测模式时,可连续观测,但观测时间应不低于表中规定的各时段观测时间的和数据处理(1)外业数据检核1)B级GPS网基线外业预处理和C、D、E级GPS网基线处理,复测基线的长度较差ds应满足公式1.1的规定:ds≦2σ(1.1)σ---为基线测量中误差,单位为毫米2)B、C、D、E级GPS网基线测量中误差σ采用外业测量时使用的GPS接收机的标称精度,计算时变长按实际平均边长计算。
3)B、C、D、E级GPS网同步环闭合差,不宜超过以下规定:三边同步环中只有两个同步边成果可以视为独立的成果,第三边成果应为其余两边的代数和。
由于模型误差和处理软件的内在缺陷,第三边处理结果与前两边的代数和常不为零,其差值应符合公式1.2≦≦≦(1.2)式中:对于四站以上同步观测时段,在处理完个边观测值后,应检查一切可能的三边环闭合差。
和各坐4)B、C、D、E级GPS网外业基线的处理结果,其独立闭合环或附和路线坐标闭合差WS标分量闭合差应满足公式(1.3)的规定。
≦3σ≦3σ≦3σ≦3σ(1.3)=n为闭合环数。
WS(2)基线向量解算2分类方法二:城市二、三、四等和一、二级城市或工程GPS按相邻点的平均距离和精度划分为二、三、四等和一、二级。
2.1参考规范《全球定位系统城市测量技术规范-1997》2.2界面显示参数表2.1固定误差需要输入比例误差系数需要输入最弱边相对中误差平均距离同步环坐标分量相对闭合差同步环线全长相对闭合差2.3划分标准1)各等级GPS网相邻点间弦长精度应按公式2.1计算σ=(2.1)式中σ----标准差(基线向量的弦长中误差mm);a-----固定误差(mm);b-----比例误差系数(1X10-6);d-----相邻点间的距离(km)。
GPS控制网技术设计方案课程设计说明书设计题目:鞍山市及周边E级GPS操纵网技术设计书学院、系:资源与土木工程学院专业班级:测绘工程2020-2学生姓名:张贺指导教师:宁殿民杨凤芸成绩:2010年12 月31 日名目一、作业目的及任务............................................................................ - 1 -二、测区概况........................................................................................ - 1 -三、测量依据、原那么........................................................................ - 4 -四、技术指标........................................................................................ - 4 -五、技术设计内容步骤........................................................................ - 8 -六、高程操纵的布设...........................................................................- 11 -七、1:500测区地势图测绘................................................................ - 12 -八、工作进程、时刻安排.................................................................. - 12 -九、检查验收...................................................................................... - 13 -十、上交资料...................................................................................... - 13 - 十一、经费预算............................................................................ - 14 -一、作业目的及任务为满足鞍山市及周边的规划设计用图的需要,受鞍山市委市政府〔甲方〕托付,辽宁科技大学资源与土木工程学院测绘工程08级学生〔乙方〕承揽1:500、1:2000数字化地势图测量任务。
E级GPS控制网有关技术要求(参考)一、控制网执行的技术标准1、全球定位系统(GPS)测量规范(GB/T 18314—2001),中华人民共和国国家标准;2、《国家三、四等水准测量规范》(GB12898-1991),中华人民共和国国家标准;3、技术设计书。
二、使用仪器测量采用的GPS接收机型号及其标称精度。
三、布网方案1、布网要求GPS网相邻点间基线中误差按下式计算:式中(mm)为固定误差;(ppm)为比例误差系数;(km)为相邻点间的距离。
GPS-E级网的主要技术要求应符合表1规定。
相邻点最小距离应为平均距离的1/2~1/3;最大距离应为平均距离的2~3倍。
1 GPS网的主要技术要求(km) (mm) (1×10-6)≤10 ≤202、布网原则与网形设计(1)GPS网应根据测区实际需要和交通状况进行设计。
GPS网的点与点间不要求每点通视,但考虑常规测量方法加密时的应用,每点应有1~2个通视方向。
(2)在布网设计中应顾及原有测绘成果资料以及各种大比例尺地形图的沿用,对凡符合GPS-E级网布点要求的旧有控制点,应充分利用其标石。
(3)GPS网应由若干个独立观测环构成,也可采用附合线路构成。
E级GPS 网中每个闭合环或附合线路中的边数应符合表2的规定。
非同步观测的GPS基线向量边,应按所设计的网图选定,也可按软件功能自动挑选独立基线构成环路。
(4的原有控制点联测,联测总点数不得少于3个。
(5)为了求得GPS网点正常高,应进行水准测量的高程联测,高程联测采用等级水准测量方法进行,联测的GPS-E级控制点且应均匀分布于网中。
四、选点与标石埋设1、选点在了解任务、目的、要求和测区自然地理条件的基础上,进行现场踏勘,最后进行选点。
选点应符合下列要求:(1)点位的选择应符合技术设计要求,并有利于其它测量手段进行扩展与联测;(2)点位的基础应坚实稳定,易于长期保存,并应有利于安全作业;(3)点位应便于安置接收设备和操作,视野应开阔,视场内周围障碍物的高度角一般应小于15°;(4)点位应远离大功率无线电发射源(如电视台、微波站等),其距离不得小于200m,并应远离高压输电线其距离不得小于50m,以避免周围磁场对卫星信号的干扰;(5)点位附近不应有对电磁波反射(或吸收)强烈的物体,以减少多路径效应的影响;(6)交通应便于作业,以提高作业效率;(7)应充分利用符合上述要求原有的控制点及其标石,但利用旧点时应检查旧点的稳定性、完好性,符合要求方可利用;(8)选好点后应按合理的方法给GPS点编号。
E级GPS控制网有关技术要求(参考)一、控制网执行的技术标准1、全球定位系统(GPS)测量规范(GB/T 18314—2001),中华人民共和国国家标准;2、《国家三、四等水准测量规范》(GB12898-1991),中华人民共和国国家标准;3、技术设计书。
二、使用仪器测量采用的GPS接收机型号及其标称精度。
三、布网方案1、布网要求GPS网相邻点间基线中误差按下式计算:式中(mm)为固定误差;(ppm)为比例误差系数;(km)为相邻点间的距离。
GPS-E级网的主要技术要求应符合表1规定。
相邻点最小距离应为平均距离的1/2~1/3;最大距离应为平均距离的2~3倍。
1 GPS网的主要技术要求(km) (mm) (1×10-6)≤10 ≤202、布网原则与网形设计(1)GPS网应根据测区实际需要和交通状况进行设计。
GPS网的点与点间不要求每点通视,但考虑常规测量方法加密时的应用,每点应有1~2个通视方向。
(2)在布网设计中应顾及原有测绘成果资料以及各种大比例尺地形图的沿用,对凡符合GPS-E级网布点要求的旧有控制点,应充分利用其标石。
(3)GPS网应由若干个独立观测环构成,也可采用附合线路构成。
E级GPS 网中每个闭合环或附合线路中的边数应符合表2的规定。
非同步观测的GPS基线向量边,应按所设计的网图选定,也可按软件功能自动挑选独立基线构成环路。
(4的原有控制点联测,联测总点数不得少于3个。
(5)为了求得GPS网点正常高,应进行水准测量的高程联测,高程联测采用等级水准测量方法进行,联测的GPS-E级控制点且应均匀分布于网中。
四、选点与标石埋设1、选点在了解任务、目的、要求和测区自然地理条件的基础上,进行现场踏勘,最后进行选点。
选点应符合下列要求:(1)点位的选择应符合技术设计要求,并有利于其它测量手段进行扩展与联测;(2)点位的基础应坚实稳定,易于长期保存,并应有利于安全作业;(3)点位应便于安置接收设备和操作,视野应开阔,视场内周围障碍物的高度角一般应小于15°;(4)点位应远离大功率无线电发射源(如电视台、微波站等),其距离不得小于200m,并应远离高压输电线其距离不得小于50m,以避免周围磁场对卫星信号的干扰;(5)点位附近不应有对电磁波反射(或吸收)强烈的物体,以减少多路径效应的影响;(6)交通应便于作业,以提高作业效率;(7)应充分利用符合上述要求原有的控制点及其标石,但利用旧点时应检查旧点的稳定性、完好性,符合要求方可利用;(8)选好点后应按合理的方法给GPS点编号。
此外,有时还需考虑测区内的通讯设施、电力供应等情况,以便于各点之间的联络和设备用电或充电。
综上所述,结合测区的实际情况, GPS控制点宜布设在较高的永久性建筑物、山顶及其它符合要求的地方,或已成型的较宽的城市主干道、路口或其它较开阔而又稳固的建(构)筑物上。
2、标石埋设(1)E级GPS点的标石及标志规格参见附录D,标石的中心标志用铜材料制作,标志中心应刻有清晰、精细的十字丝;(2)地面E级GPS点标石可用混凝土预先制作,然后运往各点埋设,埋设时坑底填以沙石,捣固夯实或浇灌混凝土底层,楼顶E级GPS点标石应现场浇灌,浇灌前应将楼面磨出新层、打毛,钉上3~4颗钢钉,再套模浇灌;(3)埋石结束后应填写GPS点之记;(4)待标石埋设稳定,没有下沉,或现场浇灌的标石凝固后2~3天方可观测。
五、作业要求1、基本技术要求为保证GPS测量精度,采用载波相位静态相对定位作业模式,E级GPS测量作业的基本技术要求应符合表3的规定。
2、可不观测气象要素,但应记录雨、晴、阴、云等天气状况。
2、GPS卫星预报和观测调度计划(1)保证GPS作业观测工作顺利进行,保障观测成果达到预定的精度,提高作业工效,在进行GPS外业观测之前,应事先编制GPS卫星可见性预报表。
预报表应包括可见卫星号、卫星高度角和方位角、最佳观测卫星组、最佳观测时间、点位图形几何强度因子等内容。
(2)编制预报表所用概略位置应采用测区中心位置的经、纬度。
(3)作业组在观测前应根据参加作业的GPS接收机台数、网形及卫星预报表编制作业调度表,其内容应包括观测时间、测站号、测站名称以及接收机号等项内容。
3、观测准备(1)每天出发工作前应检查电池容量是否充足,仪器及其附件是否携带齐全。
(2)作业前应检查接收机内存是否充足。
(3)天线安置应符合下列要求:①作业员到测站后应先安置好接收机使其处于静置状态,然后再安置天线;②天线可用脚架直接安置在测量标志中心的铅垂线方向上,对中误差应小于3mm。
天线应整平,天线基座上的圆水准所泡应居中;③天线定向标志应指向正北,定向误差不宜超过±5°。
4、观测作业要求(1)观测组应严格按调度表规定的时间进行作业,以保证同步观测同一卫星组。
当情况有变化需修改调度计划时,应经作业队负责人同意,观测组不得擅自更改计划。
(2)接收机电源电缆和天线应连接无误,接收机预置状态应正确,然后方可启动接收机进行观测。
(3)各观测时段的前后各量取天线高一次,两次量高之差不大于3mm。
取平均值作为最后天线高,记录在手簿。
若互差超限,应查明原因,提出处理意见记入手簿备注栏中。
天线高是指观测时天线平均相位中心至测站中心标志面的高度,分为上、下两段:上段是指相位中心至天线底面的高度,这是常数hc,由厂家给出;下段是从天线底面至测站中心标志面的高度,由观测员在现场采用倾斜测量方法直接量取。
具体方法是:从三脚架三个空档(互成120°)测量天线底盘下表面至测站中心标志面的距离,互差应小于3mm,取平均值为L,天线底盘半径为R,再利用厂家提供的hc,按天线高求出。
(4)接收机开始记录数据后,作业人员可使用专用功能键选择菜单,查看测站信息、接收卫星数、卫星号、各通道信噪比、实时定位结果及存贮介质记录情况等。
(5)仪器工作正常后,作业员及时(每隔15min)逐项填写测量手簿中各项内容。
(6)一个时段观测过程中不得进行以下操作:关闭接收机以重新启动;进行自测试(发现故障除外);改变卫星截止高度角;改变数据采样间隔;改变天线位置;按动关闭文件和删除文件等功能。
(7)观测员在作业期间不得擅自离开测站,并防止仪器受震动和被移动,防止人和其它物体靠近天线,遮挡卫星信号。
(8)接收机在观测过程中不应在接收机近旁使用对讲机和手机等通讯设备;雷雨过境时应关机停测,并卸下天线以防雷击。
(9)观测中应保证接收机工作正常,数据记录正确,每日观测结束后,应及时将数据下载到计算机硬、软盘上,确保观测数据不丢失。
5、外业观测记录(1)录项目应包括下列内容:①测站名、测站号;②观测月、日/年积日、天气状况、时段号;③观测时间应包括开始与结束记录时间,宜采用协调世界时UTC,填写至时、分;④接收机设备应包括接收机类型及号码,天线号码;⑤近似位置应包括测站的近似经、纬度和近似高程,经、纬度应取至1′,高程应取至0.1m;⑥天线高应包括测前、测后量得的高度及其平均值,均取至0.001m;⑦观测状况应包括电池电压、接收卫星号及其信噪比(SNR)、故障情况等。
(2)记录应符合下列要求:①原始观测值和记事项目应按规格现场记录,字迹要清楚、整齐、美观,不得涂改、转抄;②外业观测记录各时段结束后,应及时将每天外业观测记录结果录入计算机硬、软盘;③接收机内存数据文件在下载到存贮介质上时,不得进行任何剔除与删改,不得调用任何对数据实施重新加工组合的操作指令。
六、数据处理方案1、基线解算及其质量检验(1)基线解算以双差固定解作为最终结果,双差固定解的可靠性由以下两项指标来判别,即固定解的单位权中误差(Rms)和整周模糊度检验倍率(Ratio),其检验值见表4。
根据表4判别时,Rms必须首先符合要求,而Ratio值越大表示固定值越可靠。
对于采用同一种数学模型的基线解,其同步时段中任一三边同步环的坐标分量相对闭合差和全长相对闭合差不宜超过表5的规定。
对于采用不同数学模型的基线解,其同步时段中任一三边同步环的坐标分量闭合差和全长相对闭合差按独立环闭合差要求检核。
同步时段中的多边形同步环,可不重复检核。
-6(3)重复基线边检验重复基线的长度较差不宜超过下式的规定:式中:为E级GPS控制网规定的精度(按实际平均边长计算)(4)独立环闭合差检验无论采用单基线模式或多基线模式解算基线,都应在整个GPS网中选取的独立基线构成独立环,各独立环的坐标分量闭合差和全长闭合差应符合下式的规定:式中: :为闭合环边数;:为E级GPS控制网规定的精度(按实际平均边长计算)=2、补测与重测(1)无论何种原因造成一个控制点不能与两条合格的独立基线相连接,则在该点上应补测或重测不得少于一条独立基线。
(2)可以舍弃在重复基线较差、同步环闭合差、独立环闭合差中超限的基线,但应保证舍弃基线后的独立环所含基线数不超过表2的规定,否则应重测该基线或者有关的同步图形。
(3)由于点位不符合GPS测量要求而造成一个测站多次重测仍不能满足各项技术规定时,可按技术设计要求另增选新点进行重测。
3、GPS网平差(1)起算数据与坐标系统首先要了解测区中央子午线经度,起算数据的带号,采用的坐标系等。
如岳麓山校区的起算数据为3度带的1954北京坐标,则中央子午线经度为114°,故采用1954北京坐标系,取中央子午线经度L=114°的3°带高斯投影。
即有:参考椭球为克拉索夫斯基椭球,长半径a=6378245m,扁率α=1/298.3;中央子午线经度L=114°00′00″。
高程系统采用1985国家高程基准。
(2)三维无约束平差当GPS基线各项质量检验符合要求时,应以所有独立基线组成闭合图形,以三维基线向量及其协方差阵作为观测信息,以一个点的WGS-84系三维坐标作为起算依据,进行GPS网的三维无约束平差。
以提供各GPS控制点在WGS-84坐标系下的三维坐标,各基线向量三个坐标差观测值的改正数,基线边长以及点位和边长的精度信息,并生成GPS高程拟合的数据文件。
在三维无约束平差中,基线向量的改正数(Vδx 、Vδy、Vδz)绝对值应满足下式要求:Vδx≤3Vδy≤3Vδz≤3式中:为E级GPS控制网规定的基线的精度。
当超限时,可认为该基线或其附近存在粗差基线,应采用软件提供的方法或人工方法剔除粗差基线,直至符合上式要求。
(3)二维约束平差在无约束平差确定的有效观测量基础上,以起算数据中提供的已知点作为强制约束的固定值,进行二维约束平差。
平差结果就输出各GPS控制点在前述的坐标系统中的二维平面坐标,基线向量改正数,基线边长、方位以及坐标、基线边长、方位的精度信息,转换参数及其精度信息。