工程类供方履约评价(汇总表)
- 格式:xlsx
- 大小:26.39 KB
- 文档页数:27
工程合同履约评价表一、基本信息- 项目名称:__________- 合同编号:__________- 甲方(业主):__________- 乙方(承包商):__________- 合同金额:__________- 合同签订日期:__________- 工程起止日期:__________二、评价内容及标准1. 工程质量- 符合设计要求和技术规范:优/良/中/差- 材料使用符合标准:是/否- 施工过程中的质量监控:到位/一般/不到位- 隐蔽工程验收合格率:____%2. 工程进度- 工程进度计划合理性:合理/较合理/不合理- 实际进度与计划进度的偏差:提前/按时/延迟- 进度调整的及时性与有效性:及时有效/一般/不及时无效3. 成本控制- 预算执行情况:未超预算/轻微超预算/严重超预算- 成本节约措施的实施效果:显著节约/有所节约/无节约 - 变更订单的管理与控制:良好/一般/差4. 安全管理- 安全生产责任制的落实情况:落实良好/一般/未落实- 安全教育培训的定期开展:是/否- 安全事故的发生情况:无事故/小事故/重大事故5. 环境保护- 施工现场环境管理:规范/一般/不规范- 废弃物处理与回收:合规/一般/不合规- 噪音、扬尘等污染控制:良好/一般/差三、综合评价根据上述各项指标的评价结果,对乙方的整体履约情况进行综合评价,分为优秀、良好、合格、不合格四个等级。
四、存在问题及建议列出在履约过程中发现的主要问题,并提出针对性的建议和改进措施。
五、其他需要说明的事项如有其他需要补充说明的事项,可在此栏目下进行说明。
六、签字确认甲方代表(签字):__________ 日期:____年__月__日乙方代表(签字):__________ 日期:____年__月__日。
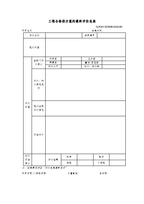
工程合格供方履约最终评价总表Q/POLY GC3006-2014/B2项目名称填表时间项目经理/工程部经理:主管副总:总经理:评价总表编制说明:1.履约过程评价综合得分建议为项目部/工程部综合得分*6.5+预算部综合得分*1.5+技术部综合得分*2.0+扣分、加分数,评价综合得分只保留小数点后2位;2.履约最终评价综合得分建议为项目部/工程部综合得分*6.5+预算部综合得分*1.0+技术部综合得分*1.5+营销/客服部综合得分*0.5+物业公司综合得分*0.5+扣分、加分数,评价综合得分只保留小数点后2位;3.通过加分或扣分项对评价结果进行修正,其中每次评价累计加分总数不得超过10分,累计扣分总数不设上限,具体加、扣分原则如下:1) 该供方与我司有三年至五年连续合作关系,信誉良好,且全国各公司合作项目超过5个的,每次评价可有2分的加分,当该供方与我司有五年以上的连续合作关系,信誉良好,且全国各公司合作项目超过10个的,每次评价可有4分的加分;2) 该供方在参评项目的合同履约内容取得相应的国家级、省级及市级奖项,可在评价中分别取得5分、3分、1分的加分;3) 该供方在参评项目的进度、质量、安全文明施工、配合、交楼、维保等方面有突出表现,且在集团第三方巡检综合排名靠前时,可酌情加1-3分;该供方参与评价的项目在进度、质量、安全文明施工、配合、交楼、维保等方面表现极差,且在集团第三方巡检综合排名靠后时,可酌情减1-3分。
4) 因供方原因,导致参评项目出现较为重大的质量、安全事故或有重要节点工期未按期完成的,在评价时扣3-5分。
5)进行工程合格供方履约最终评价时,在履约最终评价前参评项目该供方履约过程评价综合得分结果有不合格的,每一次扣1分,结果为优秀的,每一次加0.5分。
6) 其它经认定,可进行加分或扣分的情况。
4.表格中履约过程评价情况为该供方参评项目履约过程评价次数及评价结果;5.表格中综合评价内容包含:供方主要存在问题、改进建议、供方履约评价等;6.评价结果90分(含)以上为优秀,75分(含)至90分为良好,60分(含)至75分为合格,60分以下为不合格。
供方履约评价表(工程施工类)说明:1、“□”代表需打分的项目,“_”代表该阶段该部门不需打分的项目,其部门权重平均分至其他打分部门。
2、由各参评部门分别在“□"中对所列指标打分,采用100分制;3、指标得分=∑(部门评分×部门权重) ×∑指标权重(参评部门);4、总分=∑指标得分。
供方履约评价表(材料设备)采购工程师:成本招采中心负责人:供方履约评价表(专业分包/基础设施/配套设施)说明:1、“□"代表需打分的项目,“_”代表该阶段该部门不需打分的项目,其部门权重平均分至其他打分部门。
2、由各参评部门分别在“□”中对所列指标打分,采用100分制;3、指标得分=∑(部门评分×部门权重) ×∑指标权重(参评部门);4、总分=∑指标得分。
供方履约评价表(监理)说明:1、“□"代表需打分的项目,“_"代表该阶段该部门不需打分的项目,其部门权重平均分至其他打分部门。
2、由各参评部门分别在“□"中对所列指标打分,采用100分制;3、指标得分=∑(部门评分×部门权重) ×∑指标权重(参评部门);4、总分=∑指标得分。
供方履约评价表(营销供方)说明:1、营销供方履约评价每月组织一次;2、考核分值达到4。
5分以上为优异,4分以上为良好,3分以上为达标,低于3分为不合格。
供方履约评价表(广告代理、发布类供方)合作单位名称:评价人:日期说明:考核分值达到4。
5分以上为优异,4分以上为良好,3分以上为达标,低于3分为不合格。
供方履约评价表(市调供方)合作单位名称:评价人:日期说明:考核分值达到4.5分以上为优异,4分以上为良好,3分以上为达标,低于3分为不合格.供方履约评价总表备注:优秀供方:分值90分以上;良好供方:分值75分~90分(含);合格供方:分值60分~75分(含);不合格供方:分值60分(含)以下。
mauu
CAH UZ it! Y I
供方履约评价表(总包)
3)施工进度计划报送及时;
说明:1、‘/'代表该阶段该部门不需打分的项目,其部门权重平均分至其他打分部门
2、由各参评部门分别对所列指标打分,采用100分制;
3、指标得分=E(部门评分X部门权重)X"指标权重(参评部门);
4、总分=刀指标得分。
供方履约评价表(分包)评价对象:□专业分包□基础设施□配套设施
说明:1、‘/'代表该阶段该部门不需打分的项目,其部门权重平均分至其他打分部门
2、由各参评部门分别对所列指标打分,采用100分制;
3、指标得分=E(部门评分X部门权重)X"指标权重(参评部门);
4、总分=刀指标得分。
财富賈业
供方履约评价表(监理)
说明:1、‘/'代表该阶段该部门不需打分的项目,其部门权重平均分至其他打分部门
2、由各参评部门分别对所列指标打分,采用100分制;
3、指标得分=E(部门评分X部门权重)X"指标权重(参评部门);
4、总分=刀指标得分。
好好学习社区
供方履约评价汇总表
项目名称
供方名称合同名称
合同编号合同金额
合同签约日期合同完成日期
合同期内共次评估次评估时间
第次履约评估意见:
□优秀供方□良好供方□合格供方□不合格供方得分:
第次履约评估意见:
□优秀供方□良好供方□合格供方□不合格供方得分:
第次履约评估意见:
□优秀供方□良好供方□合格供方□不合格供方得分:
第次履约评估意见:
□优秀供方□良好供方□合格供方□不合格供方得分:
第次履约评估意见:
□优秀供方□良好供方□合格供方□不合格供方得分:
综合评价结果:(标准分100分)
□优秀供方□良好供方□合格供方□不合格供方得分:
采购工程师签字/日期:
成本招采中心负责人意见:
□同意□不同意
签字/日期:
采购分管领导意见:
□同意□不同意
签字/日期:
分~75分(含);不合格供方:分值60分(含)以下。
更多优惠资料下载:德信诚培训网。
供方履约评价表(工程施工类)说明:1、“□”代表需打分的项目,“_”代表该阶段该部门不需打分的项目,其部门权重平均分至其他打分部门。
2、由各参评部门分别在“□”中对所列指标打分,采用100分制;3、指标得分=∑(部门评分×部门权重) ×∑指标权重(参评部门);4、总分=∑指标得分。
供方履约评价表(材料设备)采购工程师:成本招采中心负责人:供方履约评价表(专业分包/基础设施/配套设施)评价对象:□专业分包□基础设施□配套设施说明:1、“□”代表需打分的项目,“_”代表该阶段该部门不需打分的项目,其部门权重平均分至其他打分部门。
2、由各参评部门分别在“□”中对所列指标打分,采用100分制;3、指标得分=∑(部门评分×部门权重) ×∑指标权重(参评部门);4、总分=∑指标得分。
供方履约评价表(监理)说明:1、“□”代表需打分的项目,“_”代表该阶段该部门不需打分的项目,其部门权重平均分至其他打分部门。
2、由各参评部门分别在“□”中对所列指标打分,采用100分制;3、指标得分=∑(部门评分×部门权重) ×∑指标权重(参评部门);4、总分=∑指标得分。
供方履约评价表(营销供方)说明:1、营销供方履约评价每月组织一次;2、考核分值达到4.5分以上为优异,4分以上为良好,3分以上为达标,低于3分为不合格。
供方履约评价表(广告代理、发布类供方)合作单位名称: 评价人:日期说明:考核分值达到4.5分以上为优异,4分以上为良好,3分以上为达标,低于3分为不合格。
供方履约评价表(市调供方)合作单位名称: 评价人:日期说明:考核分值达到4.5分以上为优异,4分以上为良好,3分以上为达标,低于3分为不合格。
供方履约评价总表备注:优秀供方:分值90分以上;良好供方:分值75分~90分(含);合格供方:分值60分~75分(含);不合格供方:分值60分(含)以下。