汽车维护与保养实训项目.doc
- 格式:docx
- 大小:88.69 KB
- 文档页数:45
汽车维护与保养实训报告范文3000字全文共3篇示例,供读者参考汽车维护与保养实训报告范文字篇1一、发动机的使用(一)新发动机的走合初期行驶里程在公里务必遵守下列规则:汽车起步前要中低速运转,避免高速大负荷行驶;发动机怠速运转或全速全负荷运转严禁超过5分钟;适当换档,防止发动机硬施;经常检查机油、冷却液液位。
发动机的启动每天首次启动前要检查冷却液面、机油标尺。
(二)日常使用注意事项1、起动机起动时间不能超过30秒,连续起动要间隔2分钟2、发动机的预热和怠速:发动机在起动预热运行时,应逐渐提高发动机转速,禁止大油门运转发动机。
3、发动机怠速运转严禁超过20分钟。
发动机怠速时间长,会导致燃烧室温度下降,引起燃烧不良,形成积碳阻塞油嘴喷孔,并引起活塞环和气阀的胶着。
4、发动机停机前如果发动机之前大负荷运转,必须怠速运转1至2分钟,以便让润滑油和冷却液把燃烧室、轴承和摩擦副的热量带走特别是增压和增压中冷的发动机,尤为重要。
5、发动机在油门全开、最大扭矩转速下的运转时间一定不要超过30秒。
在下陡坡时,要防止发动机超速,应联合使用变速箱挂档和7、发动机或行车制动器来控制车速和发动机转速。
6、严禁发动机带故障运行。
发动机在实际运转过程中,在发生故障前都有其相应的先期征兆,要注意观察发动机的性能、声音以及各种参数的变化,若发现异常,应立即停机检查或修理。
(三)如何正确地使用挑选机油1、必须使用质量等级合适的机油,这是保证发动机正常工作的关键。
2、临时采用代用油品要加强观察:如油品供应不及时或没有合适的油品,可临时采用代用油品,但是在使用中必须加强观察,注意油品质量及机油滤清器是否有堵塞情况,发现问题及时停车处理。
3、要选用适当粘度的油品:应按照本地气温选用合适粘度的油品,认为粘度越大越好的看法是不对的,因为粘度太大,刚起动时机油流动太慢,容易使机件磨损加剧,甚至造成烧瓦事故。
4、保持正常的油面高度:油量不足时,不仅会加速机油变质,而且会因缺油而引起机件的烧损;相反,油量太多,机油会沿缸壁和活塞环之间的间隙窜入燃烧室,造成发动机烧机油。
汽车维护与保养实训指导书(总11页)本页仅作为文档封面,使用时可以删除This document is for reference only-rar21year.March汽车维护与保养实训指导书实训项目一汽车维护工量具的认识与使用一、实训内容及目的;通过学习工量具实训项目的实践操作,让学生掌握对汽车工量具的认识、读数方法,学会汽车专用量具的使用测量方法、注意事项、操作流程,并利用汽车发动机汽缸体、曲轴、连杆等进行现场操作,以检验学生对汽车专用量具测量的掌握程度。
二、技术标准及要求;1.认识汽车工量具的名称、类别、读数方法;2.掌握汽车专用量具的使用测量方法、注意事项、操作流程;3.利用汽车发动机汽缸体、曲轴、连杆等进行现场操作;4.通过现场实训以检验学生对汽车专用量具测量的掌握程度;三、实训学时及分组;1、实训学时(4学时);2、把学生分成6组(每组4~5人);四、实训器材及设备;1、工具:常用工具5套、游标卡尺、外径千分尺、内径百分表等各三件。
2、设备:汽车462发动机汽缸体、曲轴、连杆、活塞等各两件。
五、实训步骤及工作要点;1、由主讲教师讲解汽车常用工具的名称、游标卡尺、外径千分尺、内径百分表的校尺、校表、读数、测量及验证方法,汽车专用量具的使用注意事项、操作流程,然后由学生分组进行实训。
2、利用汽车462发动机汽缸体、曲轴、连杆、活塞现场测量并读取数据,演示测量过程及注意事项。
3、在实训完毕之后、每个实训小组随机抽查一位同学,由主讲教师根据实训内容进行现场提问,并要求学生回答与讲解、演示,再由同学们评价该位同学的表现,当所有同学都提问完毕后,最后由主讲老师做总结并指出这次实训的成功与改进方法。
六、注意事项;1、遵守实训室规章制度;2、未经许可,不得移动和拆卸仪器与设备;3、注意人身安全和教具完好;4、学生在实验开始前,要认真听取教师讲课和注意事项,未经教师准许不得开始实验,在完全明确实验要求并经教师同意后,方可进行实验;七、思考题;1、游标卡尺、外径千分尺、内径百分表之间的关系项目、发动机室内的日常维护与保养项目,掌握其技术操作要求。
汽车维护保养的实训报告一、实训目的汽车维护保养是车辆使用过程中必不可少的环节,只有正确地进行维护保养,才能保证车辆的正常运行,延长车辆的使用寿命,提高安全性能。
本次实训的目的是通过实际操作,掌握汽车维护保养的基本技能,了解汽车各个零部件的功能和维护保养要点。
二、实训内容本次实训的内容主要包括以下几个方面:1.汽车润滑油更换:了解不同部位的润滑油种类、更换周期以及更换方法,学会正确更换润滑油,避免因润滑油过期使用导致的机件磨损和故障。
2.汽车发动机检查:学习发动机的基本构造和工作原理,掌握发动机故障排除的方法,了解发动机维修保养的要点,如更换火花塞、清洗进气道等。
3.轮胎维护保养:熟悉轮胎的规格、压力要求和更换周期,学会正确测量轮胎压力、更换轮胎,并了解轮胎的旋转平衡调整方法。
4.刹车系统检查:了解刹车系统的结构和工作原理,学习刹车片和刹车盘的更换方法,掌握刹车片磨损程度的判断依据。
5.车灯系统维护:学习车灯系统的基本原理和常见故障排查方法,了解灯泡的更换方法和注意事项,掌握车灯调整的要点。
通过以上实训内容的学习和实际操作,可以提升我们对汽车维护保养的认识和技能水平,为日后的实际使用和维护提供基础。
三、实训过程本次实训是在专业的汽车维修保养实训基地进行的,具备完善的设备和实践环境。
在实训过程中,我们首先由专业教师进行实地讲解,介绍了不同零部件的基本信息和维护保养要点,然后通过观摩和实操两种方式进行学习。
润滑油更换环节,教师示范了滤芯的更换方法,讲解了不同类型的润滑油选择和更换周期的重要性,同时提醒我们注意更换时的安全操作。
发动机检查环节,教师首先介绍了发动机的工作原理和故障排除的方法。
然后,我们观摩了老师的操作步骤,包括更换火花塞、检查曲轴、清洗进气道等。
轮胎维护保养环节,我们观摩了轮胎气压测量的方法和轮胎更换的步骤,了解了轮胎的规格和更换周期,并学会了如何进行轮胎平衡调整。
刹车系统检查环节,教师引导我们了解了刹车系统的构造和工作原理,教给了我们判断刹车片磨损程度的方法,并示范了刹车片和刹车盘的更换。
现代汽车维护与保养实训报告随着汽车的普及,汽车维护与保养也成为了人们生活中不可或缺的一部分。
为了更好地了解现代汽车的维护与保养,我参加了一次现代汽车维护与保养实训。
在实训中,我们首先学习了汽车的基本构造和工作原理。
了解了汽车的构造和工作原理,才能更好地进行维护和保养。
我们学习了发动机、变速箱、制动系统、悬挂系统、电气系统等汽车的主要部件和系统。
通过实际操作,我们更加深入地了解了这些部件和系统的工作原理。
在学习了汽车的基本构造和工作原理后,我们开始学习汽车的维护和保养。
汽车的维护和保养是保证汽车正常运行和延长汽车使用寿命的重要措施。
我们学习了汽车的日常保养、定期保养和特殊保养。
日常保养包括检查机油、冷却液、制动液、轮胎气压等,定期保养包括更换机油、更换空气滤清器、更换火花塞等,特殊保养包括更换正时皮带、更换变速箱油等。
通过实际操作,我们掌握了汽车的维护和保养技能。
在实训中,我们还学习了汽车故障诊断和维修。
汽车故障是汽车使用过程中难免会遇到的问题,及时发现和解决故障是保证汽车正常运行的关键。
我们学习了故障诊断的基本方法和技巧,包括观察、听声音、闻气味、测量等。
我们还学习了汽车维修的基本方法和技巧,包括拆卸、检修、更换等。
通过实际操作,我们掌握了汽车故障诊断和维修技能。
在实训中,我们还学习了汽车安全驾驶知识。
汽车安全驾驶是保证驾驶人员和乘客安全的重要措施。
我们学习了安全驾驶的基本知识和技巧,包括安全带的正确使用、遵守交通规则、注意交通信号等。
通过实际操作,我们更加深入地了解了汽车安全驾驶知识。
通过这次现代汽车维护与保养实训,我不仅学习了汽车的基本构造和工作原理,还掌握了汽车的维护和保养技能、汽车故障诊断和维修技能、汽车安全驾驶知识。
这些知识和技能不仅可以帮助我更好地维护和保养自己的汽车,还可以帮助我更好地了解汽车,提高自己的汽车驾驶技能。
汽车保养实训报告总结
一、实训内容:
本次汽车保养实训包括对汽车轮胎、机油、水箱、燃油、制动系统等方面的保养和维修。
我们采取实际操作与理论知识相结合的形式,充分发挥了自己的动手实践能力,提高了实践掌握能力和知识水平。
二、实训过程:
1. 轮胎保养:清洗轮毂、检查轮胎气压并充气,对轮胎进行旋转平衡调整。
2. 机油更换:拆卸旧机油滤清器和密封垫,更换新机油和密封垫,并更换新的机油滤清器。
3. 水箱清洗:拆卸水箱底部固定螺丝,将封口塞移动到合适的位置,清洗水箱内部,重装水箱并加入适量的防冻液。
4. 燃油系统检修:拆卸油泵透平,检查是否磨损、卡滞、齿轮是否有裂纹、断裂、变形等问题。
更换磨损的部件或整个油泵。
5. 制动系统检修:检查制动片磨损及制动器壳体的磨损情况,在合适时机对制动器片进行更换。
三、实训收获:
通过本次实训,我们进一步了解和掌握了汽车保养和维修的内容和方法,并提高了实践能力和操作技巧。
同时,我们也深刻认识到保养维修是汽车使用过程中必须要去完成的任务,只有做好保养和维修,才能保证汽车在安全、高效、经济的状态下运行。
四、实训建议:
在今后的实训中,我们应该更加认真对待汽车保养和维修,不断提高自身的实践能力和知识水平,充分发挥自己的动手实践能力,不断提高在汽车保养和维修方面的技能和能力。
同时,也要注重安全和团队协作,确保实训顺利,达到预期的效果。
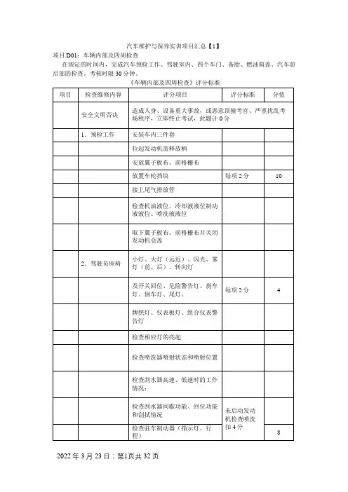
汽车维护与保养实训项目汇总【1】项目D01:车辆内部及四周检查在规定的时间内,完成汽车预检工作、驾驶室内、四个车门、备胎、燃油箱盖、汽车前后部的检查。
考核时限30分钟。
《车辆内部及四周检查》操作工单作业内容:信息获取,车型:数据记录:不正常现象(没有异常可以不填)项目D02:车辆底部的检查在规定的时间内,完成汽车漏油、驱动轴、制动系统、转向系统、前后悬架系统、燃油管路、排气系统的检查,汽车底盘各螺栓的扭矩复核。
考核时限30分钟。
《车辆底部的检查》操作工单作业内容:作业基本要求:不正常现象(没有异常可以不填)项目D03:车轮维护在规定的时间内,完成指定车轮轴承的检查,指定轮胎的拆装、制动器检查与测量。
考核时限30分钟。
《车轮维护》操作工单作业内容:信息获取,车型:作业基本要求:不正常现象(没有异常可以不填)项目D04:发动机舱维护在规定的时间内,完成指定火花塞、蓄电池、传动桥、制冷剂量、动力转向液的检查及发动机启动前的常规检查。
考核时限30分钟。
作业内容:信息获取,车型:数据记录:作业基本要求:不正常现象(没有异常可以不填)项目D05:正时皮带的更换在规定的时间内,完成正时皮带的拆卸、更换、安装和调整工作。
考核时限30分钟。
作业内容:信息获取,车型:数据记录:不正常现象(没有异常可以不填)项目D06:冷却液的更换在规定的时间内,完成冷却液的更换工作。
考核时限30分钟。
《冷却液的更换》操作工单作业内容:信息获取,车型:操作记录:不正常现象(没有异常可以不填)项目D07:车轮换位在规定的时间内,完成所有车轮的换位工作。
考核时限30分钟。
《车轮换位》操作工单作业内容:信息获取,车型:操作记录:作业基本要求:不正常现象(没有异常可以不填)项目D08:齿轮油的更换在规定的时间内,完成齿轮油的更换工作。
考核时限30分钟。
作业内容:信息获取,车型:操作记录:作业基本要求:不正常现象(没有异常可以不填)项目D09:汽油机喷油嘴清洗维护考生根据维修手册查找考车喷油嘴的拆卸步骤并做好相应准备工作,喷油嘴的拆卸步骤要求口述,并记录。
现代汽车维护与保养实训报告一、汽车维护概述汽车维护是指维修、调整和检查汽车上的机械和电子系统,以保持汽车性能的稳定性。
现代汽车维护与保养实训,旨在培养学生熟练掌握汽车维护与保养的实际操作技能,有效解决汽车维护与保养的相关知识问题。
二、实训内容1、发动机的检查和保养实训内容包括发动机机油的更换、空气滤芯、空滤器、燃油滤芯的更换、曲轴皮带的检查、更换助力油泵等。
2、变速箱的检查和保养实训内容包括变速箱的油量检查、变速箱油的更换、排档检查、变速箱油壶的清洗等。
3、刹车系统的检查和保养实训内容包括刹车液的更换、刹车油气分离器的检查修理、刹车片的检查与更换等。
4、悬挂系统的检查和保养实训内容包括悬挂系统的检查与调节、橡胶减震器的检查与调节等。
三、实训过程1、汽车熟悉首先,本次实训主要是检查和保养一辆汽车,因此需要学生对汽车有一定的熟悉,了解汽车的主要零部件及原理,并熟悉汽车的操作程序,以便进行检查和保养。
2、实训前准备在开始实训之前,应检查汽车的各种油液是否满足使用标准,并准备必要的更换备件及清洁工具。
3、实训过程(1)根据实训教材和实际情况,实施汽车的检查和保养工作,包括发动机、变速箱、刹车系统和悬挂系统的检查和保养等。
(2)检查汽车各部位温度是否正常,检查发动机的启动、熄火是否正常,检查刹车和换档是否正常,检查悬挂系统是否有异常噪音。
(3)检查汽车油位、水位、机油温度和电气系统是否正常。
(4)在实训过程中,实践、比较、测量、总结等方法熟练掌握,并能对所保养部件的工作状况有一定的判断能力。
四、实训结果通过本次实训,学生已经熟练掌握了汽车维护与保养的实际操作技能,能够有效解决汽车维护与保养的相关知识问题。
学生对汽车的维护与保养有了进一步的了解,还深刻体会到安全行驶的重要性,并学会了如何维护汽车的性能,从而提高驾驶安全。
实训课指导书课程名称汽车维护与保养适用专业汽车技术服务与营销、汽车电子技术汽车维修、汽车制造与装配任课教师谢绍基开课系机电系广州珠江职业技术学院教务处制汽车维护与保养实训项目安排具体安排如下:项目一现代汽车维护与保养的作业规范及作业范围一、实训目标掌握现代汽车维护保养的作业规范和作业范围二、实训资源(设备、材料、工量具等)整车一辆。
三、实训内容现代汽车维护与保养作业四、实训安排(1)实训课时:2学时。
(2)实训组织:每组5~6位学生,老师指导,学生动手。
五、实训步骤与过去的维护制度相比,现行的维护制度进行了以下规范:1)取消了整车解体式的三级维护。
生产实践证明,对主要总成大拆大卸的工艺方法是不科学的,也是不符合技术经济原则的。
同时,“三级维护”作业内容既有维护作业又有修理作业,不便于维护和修理的区分。
2)没有对各级维护周期作统一规定,由省、市、自治区按车型,结合本地区具体情况提出统一的维护周期,但制定了车辆维护技术规范以保证车辆的维护质量。
3)对季节性维护作了规范。
当车辆进入冬、夏两季运行时,一般结合二级维护对车辆进行季节性维护。
汽车维护作业的规范和范围项目二发动机润滑油、液力传动油、制动液、汽车轮胎等运行材料的认知、选用练习一、实训目标掌握发动机润滑油、自动变速器油、制动液等重要工作液的正确选用方法二、实训资源(设备、材料、工量具等)发动机润滑油、自动变速器油、制动液、轮胎。
汽车整车一辆。
三、实训内容发动机润滑油、液力传动油、制动液、汽车轮胎等运行材料的认知、选用练习四、实训安排(1)实训课时:3学时。
(2)实训组织:每组5~6位学生,老师指导,学生动手。
五、实训步骤1.发动机润滑油机油的牌号及选用汽车发动机机油按发动机的类型分为汽油机机油和柴油机机油两种,同时又按照机油的品质标准和粘度标准分为若干级别。
目前世界上通用的机油品质分类标准是美国石油学会的API标准,粘度标准是美国汽车工程师协会的SAE标准。
汽车维护与保养实训项目1. 概述汽车维护与保养实训项目是现代职业教育的重要内容之一。
由于汽车已成为人们生活和工作的必需品,对汽车的保养和维修需求也不断增加。
因此,对于从事汽车维护行业的学生和职业技能人才来说,掌握汽车维护和保养方面的知识和技能至关重要。
本文将介绍汽车维护与保养实训项目的基本内容和要求,帮助读者全面了解该项目。
2. 实训内容汽车维护与保养实训项目包括以下内容:2.1 汽车基础知识汽车维护与保养实训项目中,首先要掌握的是汽车基础知识,包括汽车结构、原理和分类等方面的内容。
主要包括以下知识点:•汽车的分类和构造•汽车的发动机原理•汽车传动系统原理•汽车制动系统原理•汽车悬挂系统原理•汽车导向系统原理•汽车电气系统原理2.2 常见故障维修在汽车的使用过程中,可能会遇到一些常见的故障,这时候需要进行维修。
汽车维护与保养实训项目还应该包括对常见故障的诊断和维修方法的学习。
主要包括以下常见故障:•发动机启动困难•发动机熄火•偏离行驶方向•刹车失灵•车灯不亮•车窗玻璃无法升降•漏油等2.3 汽车保养知识汽车保养贯穿汽车的整个使用过程,保养不好会导致各种各样的问题出现。
因此,汽车维护与保养实训项目中还应该包括汽车保养方面的知识。
主要包括以下内容:•轮胎的检查和更换•机油的更换•空滤清洗•刹车油的更换•灯光的检查和更换•弹簧悬挂的保养以及润滑系统的维护3. 实训要求汽车维护与保养实训具有实践性、操作性和团队合作性等特点。
因此,在进行实训时,需要满足以下要求:3.1 实训标准为了达到实训的目的,实训应该根据具体的标准进行。
根据学生的实训能力和实际需要,可以制定实训标准,包括技能要求、操作要求、实训项目和实训时间等方面的内容,以便于实训的顺利进行。
3.2 实训基地汽车维护与保养实训需要专业场地和设备来进行教学和实践。
因此,需要在地方当局或者校方提供的汽车教学用房内建立汽车维护和保养实训基地,为学生提供一个良好的实训环境。
汽车维护与保养实训报告
本次汽车维护与保养实训,我们学习了汽车的常规保养、故障检修、常见维修及日常维护等知识。
在实践中,我们通过亲手操作和观察老师的示范,深刻地理解了维修保养的重要性,掌握了一定的汽车保养维修技能。
首先,我们学习了汽车保养的基础知识,如汽车机油、机滤、空滤、燃油滤清器等的更换方法和保养周期。
在更换机油时,我们学会了正确的排放旧机油的方法,避免对环境的污染。
同时,在保养过程中,我们也注重了汽车的清洁,包括车身保养、内饰清洁等,使汽车保持干净整洁,美观大方。
其次,我们掌握了故障检修的方法,如常见的电路故障、机械故障等。
在实践中,我们学会了使用测试设备、检测仪器等工具,对汽车故障进行定位和修复。
同时,我们也注重了现场的安全和环境保护,避免在修理时造成更多的损害。
最后,我们学习了日常维护的方法,如汽车轮胎的保养、刹车片的检查等。
在实践中,我们体验了轮胎平衡、凸轮修修整等操作,了解了轮胎的保养和更换周期,保证了汽车行驶的安全性。
通过本次实训,我们不仅掌握了汽车维修保养的技能和知识,更深刻地认识了汽车的保养和维修对于汽车寿命和行驶安全的重要性。
未来,在自驾出行的路上,我们将更加注重汽车的保养和维修,避免不必要的损失和危险。
《汽车维护与保养一体化教程(第2版)》实习报告工单第一单元:汽车维护作业准备工作作业任务1:学生着装、课程组织及安全事项作业任务2:作业场地基本要求作业任务3:常用工具及设备使用作业任务4:举升机安全操作作业任务5:汽车定期维护作业项目流程第二单元:汽车定期维护作业流程作业任务6:车辆防护、发动机舱检查作业任务7:车辆灯光检查作业任务8:蓄电池静态电压、传动带、冷却系统软管检查作业任务9:安全带、换挡杆及挡位指示灯检查作业任务10:座椅、车门检查作业任务11:油箱盖、后车灯、行李舱检查作业任务12:备用轮胎检查作业任务13:空调制冷剂纯度、空调通风、冷却风扇检查作业任务14:发动机、变速器、散热器泄漏检查作业任务15:发动机机油排放、滤清器更换作业任务16:制动管路、燃油管路检查作业任务17:排气管路检查作业任务18:驱动轴护套、转向连接机构检查作业任务19:前、后悬架检查作业任务20:机油加注、滤清器更换(保养)作业任务21:制动器性能检查作业任务22:洗涤器、刮水器和后窗除霜检查作业任务23:喇叭、方向盘检查作业任务24:轮毂、制动器及泄漏检查作业任务27:车辆维护作业“恢复、清洁、整理”第三单元:汽车维护与保养作业中的其他重要操作项目作业任务28:车辆道路检查训练作业任务29:新车走合保养作业任务30:发动机正时检查及正时带(链)更换作业任务31:冷却液更换及冷却系重要部件检查作业任务32:燃油滤清器更换与供油压力检测作业任务33:供油系统及节气门体清洗作业任务34:汽油机点火系统检测作业任务35:蓄电池使用状况检查作业任务36:冷却液、空调、自动传动桥液位检查作业任务37:发动机密封性检测作业任务38:离合器检查与调整作业任务39:变速器油液检查与更换作业任务40:液压助力转向系统检测作业任务41:制动液更换作业任务45:车轮轮胎换位及平衡。
汽车维护与保养实训报告1. 引言在汽车行驶过程中,维护与保养是必不可少的环节。
本实训旨在提高学员对汽车维护与保养的实际操作技能,以减少汽车故障发生可能,并延长车辆的使用寿命。
本报告将从维护与保养的重要性、实训目标、实训内容及操作流程以及实训成果几个方面进行阐述。
2. 维护与保养的重要性汽车维护与保养对车辆的安全性、可靠性以及经济性等方面都起着重要作用。
定期维护和保养可以检测并修复潜在的问题,避免故障发生,并确保车辆的良好工作状态。
同时,合理的维护和保养还可以延长汽车的使用寿命,降低维修成本,提高车辆的二手市场价格。
3. 实训目标本实训旨在培养学员以下实际操作技能:- 定期更换机油和滤清器;- 检查并调整轮胎气压;- 清洗并更换空气滤清器;- 检查并添加冷却液;- 检查并更换火花塞;- 检查并更换刹车片;- 清洗并更换燃油滤清器。
4. 实训内容与操作流程4.1 机油和滤清器更换a)将汽车停在平坦的场地上,保证发动机冷却后才进行操作;b)使用千斤顶将汽车抬高,使得车底部可以轻松观察和操作;c)找到发动机下部的机油排放阀,将废弃的机油放入收集容器中;d)拧下机油滤清器盖,更换新的机油滤清器;e)使用油漏斗和量杯,将新机油倒入发动机中;f)确认机油已经加满后,将机油滤清器盖拧紧。
4.2 轮胎气压检查与调整a)使用压力表检查每个轮胎的气压;b)根据汽车制造商提供的标准气压值,调整轮胎气压;c)确保每个轮胎气压均匀一致。
4.3 空气滤清器清洗与更换a)打开发动机盖,找到并拆下空气滤清器;b)用无尘布轻轻擦拭,并用压缩空气吹去灰尘;c)如果空气滤清器无法清洗,应更换新的滤清器。
4.4 冷却液检查与更换a)在发动机冷却后,打开冷却液容器的盖子;b)使用冷却液液尺来确定冷却液的水平是否在合适范围;c)如果需要,可以加入适量的新的冷却液。
4.5 火花塞更换a)找到并拆下点火线圈,以便达到火花塞;b)使用火花塞扳手拧下旧的火花塞;c)将新的火花塞插入并手动拧入火花塞孔中;d)继续使用火花塞扳手拧紧新的火花塞。
汽车维护与保养实训项目汇总项目D01 :车辆内部及四周检查在规定的时间内,完成汽车预检工作、驾驶室内、四个车门、备胎、燃油箱盖、汽车前后部的检查。
考核时限30分钟。
作业内容:信息获取,车型:作业基本要求:不正常现象(没有异常可以不填)项目D02 :车辆底部的检查在规定的时间内,完成汽车漏油、驱动轴、制动系统、转向系统、前后悬架系统、燃油管路、排气系统的检查,汽车底盘各螺栓的扭矩复核。
考核时限30分钟。
作业内容:信息获取,车型:作业基本要求:不正常现象(没有异常可以不填)项目D03 :车轮维护在规定的时间内,完成指定车轮轴承的检查,指定轮胎的拆装、制动器检查与测量。
考核时限30分钟。
《车轮维护》操作工单作业内容:信息获取,车型:_______________________________一、车轮维护:1根据《汽车维护操作》教材要求,按照标准流程进行车辆保养作业;2 •根据修理手册和实际测量值填写以下数据记录;3•实际操作过程中,要边操作边向考核教师叙述操作内容和检查结果。
1只用完成指定车轮和制动器的相关工作;2. 不用检查前制动盘跳动;3. 制动盘厚度只要求测一个点;4. 不用操作后鼓制动器相关项目。
作业基本要求:不正常现象(没有异常可以不填)项目D04 :发动机舱维护在规定的时间内,完成指定火花塞、蓄电池、传动桥、制冷剂量、动力转向液的检查及发动机启动前的常规检查。
考核时限30分钟。
作业内容:信息获取,车型:作业基本要求:不正常现象(没有异常可以不填)项目D05 :正时皮带的更换在规定的时间内,完成正时皮带的拆卸、更换、安装和调整工作。
考核时限30分钟。
作业内容:信息获取,车型:数据记录:项目D06 :冷却液的更换在规定的时间内,完成冷却液的更换工作。
考核时限30分钟。
作业内容:信息获取,车型: 一、冷却液的更换:操作记录:作业基本要求:不正常现象(没有异常可以不填)项目D07 :车轮换位在规定的时间内,完成所有车轮的换位工作。
考核时限30分钟。
《车轮换位》操作工单作业内容:信息获取,车型: 一、车轮换位:操作记录:作业基本要求:项目D08 :齿轮油的更换在规定的时间内,完成齿轮油的更换工作。
考核时限30分钟。
《齿轮油的更换》操作工单作业内容:信息获取,车型: 一、齿轮油的更换:操作记录:作业基本要求:不正常现象(没有异常可以不填)项目D09 :汽油机喷油嘴清洗维护考生根据维修手册查找考车喷油嘴的拆卸步骤并做好相应准备工作,喷油嘴的拆卸步骤要求口述,并记录。
考核时限30分钟。
《汽油机喷油嘴清洗维护》操作工单作业内容:信息获取,车型: 一、汽油机喷油嘴清洗维护:操作记录:作业基本要求:不正常现象(没有异常可以不填)项目D10 :汽车空调制冷系统维护汽车空调制冷系统维护考试内容为制冷剂的回收、系统抽真空、加注冷冻机油、加注制冷剂;要求在实验轿车上进行维护操作。
考核时限:40分钟。
项目D11 :发电机皮带的检查与调整在规定的时间内,完成指定发电机皮带松紧度的检查,并对其进行调整。
考核时限30分钟。
《发电机皮带的检查与调整》操作工单作业内容:信息获取,车型:作业基本要求:不正常现象(没有异常可以不填)项目D12 :火花塞的更换在规定的时间内,完成火花塞的拆卸及更换工作。
考核时限30分钟。
《火花塞的更换》操作工单作业内容:信息获取,车型:作业基本要求:不正常现象(没有异常可以不填)项目D13 :手动变速器润滑油的更换在规定的时间内,完成手动变速器润滑油的更换工作。
考核时限30分钟。
《手动变速器润滑油的更换》项目操作工单作业内容:信息获取,车型:操作记录:作业基本要求:项目D14 :拆装蓄电池后音响、时钟恢复考生根据维修手册查找考车蓄电池的拆卸步骤并做好相应准备工作,记录音响及失重并正确实施蓄电池的拆卸与装配步骤,正确操作音响并恢复音响、时钟设置。
考核时限30分钟。
项目D15 :更换汽油滤清器考生根据维修手册查找考车汽油滤清器的拆卸步骤并做好相应准备工作,汽油滤清器的拆卸和安装步骤要求口述,并记录。
考官应向考生描述故障现象并说明作业范围。
考核时限30分钟。
《更换汽油滤清器操作》项目工单检查准备工作安装座椅套安装地板垫安装方向盘套拉起发动机盖释放杆打开发动机盖安装翼子板布安装前格栅布安装车轮挡块(可以用举升机顶起部分车辆重量)取下燃油泵电源保险丝或继电器起动发动机,怠速运转直到失速。
发动机失速后,发动发动机大约5秒钟,以确保燃油轨压力已经释放。
将点火开关转到OFF位置断开蓄电池接地电缆拆卸汽油滤清器拆卸后排坐垫拆卸汽油泵连接线束拆卸汽油管接头拆下汽油泵及汽油滤清器总成拆下汽油滤清器安装汽油滤清器安装汽油滤清器安装汽油泵及汽油滤清器总成安装汽油管接头安装汽油泵连接线束安装后排坐垫连接蓄电池接地电缆起动发动机检查燃油管路泄露状况车辆恢复恢复/清洁拆卸翼子板布和前盖拆卸方向盘套和地板垫和座椅套项目D16 :更换自动变速器油液考生根据维修手册查找考车自动变速器油液的类型及更换步骤并做好相应准备工作,实施作业并记录。
考官应向考生描述故障现象并说明作业范围。
考核时限30分钟。
《更换自动变速器油液》项目操作工单检查准备工作安装座椅套安装地板垫安装方向盘套拉起发动机盖释放杆打开发动机盖安装翼子板布安装前格栅布安装车轮挡块(可以用举升机顶起部分车辆重量)更换自动变速器油液起动发动机并加热ATF从放油孔中排出ATF更换排放塞密圭寸垫片安装排放塞加注ATF检查自动变速器油量起动发动机并暖机检查有无自动变速箱液泄漏。
将车辆停放在水平地面上设置驻车制动P”位置起动发动机,并将换档杆在各档位位置上移动。
最后将换档杆置于检查并自动变速箱液的高度关闭点火钥匙车辆恢复恢复/清洁拆卸翼子板布和前盖拆卸方向盘套和地板垫和座椅套项目D17 :传动轴就车检查与维护在规定的时间内,完成对指定车辆传动轴的检查,维护与紧固,确保其正常使用。
考核时限30分钟。
《传动轴就车检查与维护》项目操作工单准备准备维修手册、耗材、工具将车辆挂入空挡、放下手刹将车辆升至合适工作高度拆卸隔音板检查、紧固检查传动轴□变形检查传动轴平衡块□脱落检查万向节连接螺栓扭矩□裂纹□损伤□正常□正常测量安装磁性表座百分表转动传动轴一周测量径向跳动安装角度测量专业SST标准值:__________ 实际值: ____________ 标准角度: 实际角度:__________润滑使用黄油枪对滑键加注钙基润滑脂使用齿轮油压力枪对十字轴万向节加注齿轮油复位清洁传动轴润滑部位整理工具、量具、清扫场地项目D18 :汽车大灯灯光检查与调整汽车大灯光束照射位置的检查与光束的调整;要求在实验轿车上进行维护操作。
考核时限30分钟。
预检车辆车辆水平停放检查大灯附件车身检查轮胎压力确认油箱燃料充足接尾排管、放置三角木检查光束将白色薄纸垂直放置在距前照灯3m的位置调整纸面角度使之与车辆中心线垂直在纸上画一条大灯可能的照射位置的水平线(H线)将车辆中心线(V线)垂直画在纸上在V线两边画两条垂直线表示两侧大灯可能照射位置画一条水平线将两个近光灯中心记号连起启动发动机打开大灯检查大灯照射位置是否符合维修手册的要求是 /调整同时调整右侧与左侧的位置根据手册调整螺栓A改变光束在垂直方向的位置根据手册调整螺栓A改变光束在垂直方向的位置复位、清洁收起车漆表面防护布(罩)、座椅防护套、方向盘套等收起尾排、三角木清洁大灯附件车漆表面项目D19 :汽车空调制冷制热系统及泄漏的检查在规定的时间内,完成对指定车辆制冷制热系统及泄漏的检查。
考核时限:40分钟。
《汽车空调制冷制热系统的泄漏检查》项目操作工单 准备安装座椅套、地板垫、档位杆套、方向盘套 拉发动机释放杆打开引擎盖 铺装翼子板布、前格栅布检查发动机机油、制动液、冷却液、动力转向液 接尾排、安放三角木检查制冷系统复位、清洁收起翼子板布、前格栅布、座椅防护套、方向盘套等 收起尾排、三角木 清洁操作区域启动发动机控制油门保持发动机转速在 1500rpm 鼓风机转速控制开关打到 HI 位检查各出风口风量大小 温度控制盘旋至最大制冷位置 打开所有车门检查空调各管路及接头有无油污泄漏 检查观察孔气泡状态判断制冷剂量 □过量用检漏仪检查空调管路泄漏□异常 □正常□油污 □正常□不足泄漏点: ______________________□正常检查制热系统打开制热控制开关检查各出风口风量大小□异常 □正常 检查进出暖水管路及接头有无泄漏 □泄漏 □正常 检查进出暖水管路是否损伤□老化□裂纹 正常检查进出暖水管路卡箍是否松动 □松动□正常□鼓包。