成套配电柜配电箱检验批质量验收记录
- 格式:docx
- 大小:15.24 KB
- 文档页数:14
成套配电柜控制柜和动力照明配电箱安装检验批验收记录我们将按照以下步骤进行成套配电柜、控制柜(屏、台)和动力、照明配电箱(盘)安装检验批验收记录。
1.验收人员准备:确保验收人员熟悉相关的安装要求和验收标准,包括相关的技术规范、图纸和设计文件。
2.安装准备:确定每个配电柜、控制柜和配电箱的位置和布局,并确保安装现场符合相关的安全要求。
安装人员应按照设计要求和施工图纸进行安装。
3.安装检查:检查每个配电柜、控制柜和配电箱的安装质量。
包括以下内容:-安装位置是否准确,间距是否符合要求。
-安装是否平整牢固,螺栓是否拧紧。
-配线槽和接线端子是否安装正确,并且接线端子是否紧固可靠。
-配电柜内部的导线是否整齐、有序,并且符合设计要求。
4.验收测试:按照设计要求进行各种功能测试和安全测试,包括以下内容:-接地测试:使用接地电阻测试仪检测所有金属部件的接地电阻,确保符合相关标准。
-对地绝缘测试:使用绝缘电阻测试仪对所有电缆进行测试,确保对地绝缘符合要求。
-过电压保护测试:对过电压保护装置进行测试,确保在发生过电压时能够及时切断电源。
-短路保护测试:对短路保护装置进行测试,确保在发生短路时能够及时切断电源。
5.验收记录:将每个配电柜、控制柜和配电箱的安装和验收结果记录在验收表中。
该记录应包括以下内容:-设备的型号、规格和数量。
-安装的日期、地点和安装人员。
-检查和测试的结果。
-验收人员的签字和日期。
6.验收报告:根据以上记录,编写验收报告,对整个安装过程进行总结和评价。
报告应包括以下内容:-安装质量的总体评价。
-安装过程中出现的问题和处理方法。
-各个配电柜、控制柜和配电箱的详细检查和测试结果。
-验收人员的建议和意见。
以上是成套配电柜、控制柜和动力、照明配电箱安装检验批验收记录的一般步骤和要点。
根据具体的项目和要求,还可以根据需要增加其他的检查和测试内容。
株质监新标
统编2002-1
编号6.〔〕〔〕〔〕
建筑电气工程检验批质量验收记录
成套配电柜、控制柜〔屏、
检验批质量验收记录〔首页〕
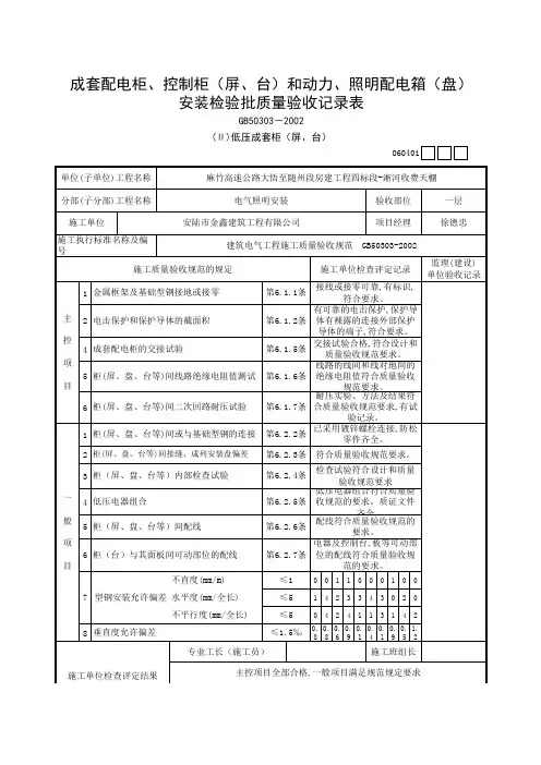
工程名称:株洲城市主要街道夜景艺术照明工程C标段
检验批质量验收记录〔中1页〕
成套配电柜、控制柜〔屏、
检验批质量验收记录〔中2页〕 工程名称:株洲城市主要街道夜景艺术照明工程C 标段 成套配电柜、控制柜〔屏、
台〕与动力、照明配电箱
成套配电柜、控制柜〔屏、
检验批质量验收记录〔尾页〕
注:1.标准中黑体字为强制性条文。
2.检查批质量验收记录由施工工
程专业质量检查员填写,监理工程师组织工程专业质量检查员等进展验收。
株质监新标楮品文2002.1统编建筑电气1:程检脸批质S验收记录((編6 () 成套配电柜、控制柜(屏、台)检验批质量验收记录(首页)和动力、照明配电箱(盘)安装_________________C工程名称:标段株洲城市主要街道夜景艺术照明工程手午、抽出式成套配电柜推拉应灵活,无卡阻碰撞现盘。
动触头与 和触头的中心线应一致,且触头接触紧密,投入时,退岀时•接 地触头先于主触头接触:接地融头后于主触头脱开。
岛压成g 配电柜必须按木规范第3丄8条的规定交接试验合格,且 应符合下列规宦:1.继电保护元器件、逻辑元件.变送器和控制用il •算机等飛体校 验合格•整组试验动作正确.整定参数符合设il •要求:进入市场投 入使川的新裕压电气设备凡经法定程序批2・和继电保护装a.按产品技术文件要求交接试验。
株质监新标2002・1统編崔筑电气工程检验批质ft 验收记录()6・()()編号成套配电柜.控制柜(屏.台)检验批质量验收记录和动力.照明配电箱(盘)安装项 目 范规 序号质量验收规范的规定及检验方法施工单位自 检记录监理单位 验收记录主控 项 目6丄5低压成奁配电柜交接试验•必须符合木规范第41.5条的规定。
64.6柜、屏、台.箱.盘间线路的线间和线对地间绝缘电阻值•. :一次回路必须大于1 Mfi 馈电线路必须大于0.5MO6.1.7柜、屏、台.箱、盘间-次回路交流工频耐压试验• :绝缘电阴值 大于10卜5时・用25OOV 兆欧表摇测Imim 应无闪交流工 1000V1-10络击穿现彖:艸绝缘电阻值在MQ 时•做,应无闪络 击穿现象.频耐压试验时间linm精品文档. 精品文档6.1.64.4精品文档. 精品文档般 项 目6.2.2柜.屏、台.箱.盘相互间或与基础型钢应用破锌螺栓连接,且 防松零件齐全。
623%"相互柜、辟.台、箱、盘安装垂直度允许偏差为1.5 •成列盘 面偏差不应大于5mma 间接缝不应大于2mm6.2.4柜、屏、台、箱、盘内检査试验应符合下列规定:1 •控制开关及 保护装g 的规格.型号符合设计要求:2•闭锁装置动作准确、可靠: 3•主开关的辅助开关切换动作与主开关动作一致:柜、屏、台.箱、 盘上的标识器件标明被控设备編号及名4.称・或操作位宜・接线 端子有編号.且清晰.工整、不易脱色。
成套配电柜控制柜和动力照明配电箱安装检验批质量验收记录日期:xxxx年xx月xx日地点:xxxx工地项目名称:xxxx项目施工单位:xxxx公司一、项目概况本次验收的工程为成套配电柜、控制柜(屏、台)和动力、照明配电箱(盘)的安装工程。
二、验收人员1. 施工单位代表:xxx2. 监理单位代表:xxx3. 动力设备代表:xxx4. 照明设备代表:xxx5. 监理单位代表:xxx三、施工方案1.施工单位提供了详细的施工方案,并按照相关规范和标准进行施工。
2.施工单位配备了足够的工人和施工设备,确保施工的顺利进行。
四、施工过程1.成套配电柜的安装(1)施工单位根据设计要求,安装并固定了配电柜,确保其稳定和可靠。
(2)采用了正确的线缆穿线方式,并保持线缆的整齐、美观。
(3)按照相关规范,进行了接地、接零和接触动作试验,并记录了相应的数据。
2.控制柜(屏、台)的安装(1)施工单位根据设计要求,安装并固定了控制柜,并进行了必要的标识。
(2)采用了正确的线缆穿线方式,并保持线缆的整齐、美观。
(3)按照相关规范,进行了接地、接零和接触动作试验,并记录了相应的数据。
3.动力配电箱(盘)的安装(1)施工单位根据设计要求,安装并固定了动力配电箱,确保其稳定和可靠。
(2)采用了正确的线缆穿线方式,并保持线缆的整齐、美观。
(3)按照相关规范,进行了接地、接零和接触动作试验,并记录了相应的数据。
4.照明配电箱(盘)的安装(1)施工单位根据设计要求,安装并固定了照明配电箱,确保其稳定和可靠。
(2)采用了正确的线缆穿线方式,并保持线缆的整齐、美观。
(3)按照相关规范,进行了接地、接零和接触动作试验,并记录了相应的数据。
五、质量验收结果1.成套配电柜、控制柜(屏、台)和动力、照明配电箱(盘)的安装符合国家相关标准和规范的要求。
2.安装工程质量良好,各项试验指标均满足要求,无明显缺陷。
3.施工单位按照设计要求进行了正确的安装,所有设备安装牢固、线缆整齐、接地可靠。
成套配电柜、控制柜(屏、台)和动力、照明配电箱(盘)安装检验批质量验收记录注:本表内容的填写需依据《现场验收检验批检查原始记录》。
本检验批质量验收的规范依据见本页背面。
填写说明一、填写依据1 《建筑电气工程质量验收规范》GB50303-2002。
2 《建筑工程施工质量验收统一标准》GB50300-2013。
二、检验批划分按设计系统、区域、楼层、施工段划分。
三、GB50303-2002规范摘要主控项目6.1.1 柜、屏、台、箱、盘的金属框架及基础型钢必须接地(PE)或接零(PEN)可靠;装有电器的可开启门,门和框架的接地端子间应用裸编织铜线连接,且有标识。
6.1.2 低压成套配电柜、控制柜(屏、台)和动力、照明配电箱(盘)应有可靠的电击保护。
柜(屏、台、箱、盘)内保护导体应有裸露的连接外部保护导体的端子,当设计无要求时,柜(屏、台、箱、盘)内保护导体最小截面积Sp不应小于表6.1.2的规定。
注:S指柜(屏、台、箱、盘)电源进线相线截面积,且两者(S、Sp)材质相同。
6.1.3 手车、抽出式成套配电柜推拉应灵活,无卡阻碰撞现象。
动触头与静触头的中心线应一致,且触头接触紧密,投入时,接地触头先于主触头接触;退出时,接地触头后于主触头脱开。
6.1.4 高压成套配电柜必须按本规范第3.1.8条的规定交接试验合格,且应符合下列规定:1 继电保护元器件、逻辑元件、变送器和控制用计算机等单体校验合格,整组试验动作正确,整定参数符合设计要求。
2 凡经法定程序批准,进入市场投入使用的新高压电气设备和继电保护装置,按产品技术文件要求交接试验。
6.1.5 低压成套配电柜交接试验,必须符合本规范第4.1.5条的规定。
6.1.6 柜、屏、台、箱、盘间线路的线间和线对地间绝缘电阻值,馈电线路必须大于0.5MΩ;二次回路必须大于1MΩ。
6.1.7 柜、屏、台、箱、盘间二次回路交流工频耐压试验,当绝缘电阻值大于10MΩ时,用2500V兆欧表摇测1min,应无闪络击穿现象;当绝缘电阻值在1~10MΩ时,做1000V交流工频耐压试验,时间1min,应无闪络击穿现6.1.8 直流屏试验,应将屏内电子器件从线路上退出,检测主回路线间和线对地间绝缘电阻值应大于0.5MΩ,直。
成套配电柜控制柜和动力照明配电箱及控制柜安装检验批质量验收记录一、项目基本信息项目名称:XX建筑工程验收时间:XXXX年XX月XX日施工单位:XX建设有限公司监理单位:XX监理有限公司验收单位:XX电力设计院二、工程概况本次验收的项目为成套配电柜、控制柜和动力、照明配电箱及控制柜安装工程。
其安装范围为XX建筑工程的动力、照明配电系统及控制系统。
1.安装材料的验收a)成套配电柜、控制柜和配电箱等设备的材质、规格、型号、数量是否符合设计要求;b)设备的外观是否完好无损,是否有明显的划痕、损坏等状况。
2.安装过程的验收a)成套配电柜、控制柜和配电箱等设备的安装是否符合图纸要求;b)安装是否符合施工规范要求;c)安装是否牢固可靠;d)安装过程中是否存在安全隐患。
3.安装记录的验收a)安装过程是否有实际记录,包括日期、施工人员等;b)安装记录中是否有安装误差的修正过程、调试等信息。
4.试运行的验收a)进行试运行前是否做了必要的漏电、短路等安全检查;b)试运行时设备是否正常运行;c)设备运行是否稳定,有无异常声音、异味等。
5.安全防护设施的验收a)是否按照国家标准和规范要求设置了必要的防护设施,如接地、绝缘等;b)防护设施是否有效,是否存在安全隐患。
四、验收结论根据以上安装质量验收记录,现对本次项目进行综合评定,结论如下:1.本次成套配电柜、控制柜和动力、照明配电箱及控制柜安装工程,安装质量符合设计要求和施工规范要求。
2.安装过程中符合安全要求,安全防护设施设置合理,不存在安全隐患。
3.设备试运行正常,运行稳定,没有发现异常情况。
以上结论经验收单位认可。
五、问题和不足在验收过程中发现以下问题和不足:1.部分设备外观存在小划痕,影响美观。
2.部分安装记录不完整,未记录安装误差的修正过程和设备调试情况。
以上问题和不足需施工单位进行整改。
六、整改要求1.施工单位应对设备外观划痕进行修复,使外观恢复完好。
2.施工单位应对安装记录进行补充,完善记录内容。
建筑电气工程检验批质量验收记录
成套配电柜、控制柜(屏、台)
和动力、照明配电箱(盘)安装检验批质量验收记录(首页)
建筑电气工程检验批质量验收记录
成套配电柜、控制柜(屏、台) 和动力、照明配电箱(盘)安『
检验批质量验收记录(中1页)
柜、屏、台、箱、盘内检查试验应符合下列规定:
1.控制开关及保护装置的规格、型号符合设计要求;
2.闭锁装置动作准确、可靠;
3.主开关的辅助开关切换动作与主开关动作一致;
4.柜、屏、台、箱、盘上的标识器件标明被控设备编号及名称,或操作位置,接线端子有编号,且清
晰、工整、不易脱色。
5.回路中的电子元件不应参加交流工频耐压试验;48V及以
下回路可不做交流工频耐压试验。
建筑电气工程检验批质量验收记录
成套配电柜、控制柜(屏、台).
和动力、照明配电箱(盘)安装检验批质量验收记录(中2页)
工程名称:株洲城市主要街道夜景艺术照明工程C标段
成套配电柜、控制柜(屏、台)
和动力、照明配电箱(盘)安装检验批质量验收记录(尾页)
注:规范中黑体字为强制性条文。
检查批的质量验收记录由施工项目专业质量检查员填写,监理工程师组织项目专业质量检查员等进行验收。
(注:范文素材和资料部分来自网络,供参考。
只是收取少量整理收集费用,请预览后才下载,期待你的好评与关注)。
目录号:4.3.7.5 成套配电柜、控制柜(屏、台)和动力、照明配电箱(盘)
检验批质量验收记录
成套配电柜、控制柜(屏、台)和动力、照明配电箱(盘)
检验批质量验收记录(续表)
表13.3.3 GB50303-2002
成套配电柜、控制柜(屏、台)和动力、照明配电箱(盘)
检验批质量验收记录(续表)
成套配电柜、控制柜(屏、台)和动力、照明配电箱(盘)
检验批质量验收记录(续表)
目录号:4.3.7.5 成套配电柜、控制柜(屏、台)和动力、照明配电箱(盘)
检验批质量验收记录
表13.3.3 GB50303-2002
成套配电柜、控制柜(屏、台)和动力、照明配电箱(盘)
检验批质量验收记录(续表)
表13.3.3 GB50303-2002
成套配电柜、控制柜(屏、台)和动力、照明配电箱(盘)
检验批质量验收记录(续表)
表13.3.3 GB50303-2002
成套配电柜、控制柜(屏、台)和动力、照明配电箱(盘)
检验批质量验收记录(续表)
表13.3.3
GB50303-2002
目录号:4.3.7.5 成套配电柜、控制柜(屏、台)和动力、照明配电箱(盘)
检验批质量验收记录
成套配电柜、控制柜(屏、台)和动力、照明配电箱(盘)
检验批质量验收记录(续表)
表13.3.3 GB50303-2002
成套配电柜、控制柜(屏、台)和动力、照明配电箱(盘)
检验批质量验收记录(续表)
成套配电柜、控制柜(屏、台)和动力、照明配电箱(盘)
检验批质量验收记录(续表)
表13.3.3 GB50303-2002
是这个宇宙的一部分。
(文档可以编辑这句话可以删除)。
成套配电柜控制柜和动力照明配电箱安装检验批质量验收记录一、前期准备1.检查施工方案和图纸,确保安装的配电柜位置符合要求。
2.检查材料清单,确保配电柜、控制柜和配电箱的规格、型号等与合同要求一致。
3.检查施工人员持证上岗情况,确保施工人员具备相应的操作技能和安全意识。
4.确定检验人员,并对其进行相关培训,使其了解验收的流程和要求。
二、安装检验过程1.安装前的准备工作:(1)检查现场环境是否清洁,确保无杂物和水淹情况,以免影响安装质量。
(2)检查场地的通风、排水等设施是否满足要求。
(3)核实验收人员的身份,确保落实责任。
2.安装过程:(1)按照施工方案和图纸要求,合理布置配电柜、控制柜和配电箱的位置。
(2)对配电柜、控制柜和配电箱进行安装,注意固定牢固,并确保布线连接正确。
(3)安装完毕后,进行清洁工作,确保无埋藏杂物和灰尘。
3.调试测试:(1)进行线路接地测试,确保接地电阻符合要求。
(2)进行线路绝缘测试,确保线路绝缘阻抗满足要求。
(3)进行电气性能测试,确保设备正常运行。
4.安全验收:(1)检查安装的配电柜、控制柜和配电箱是否牢固、合理。
(2)检查布线是否规范,接线是否正确。
(3)检查接地装置是否符合要求。
(4)检查标志、警示标识是否齐全、清晰。
以上检查工作,可制作检查表格,便于记录。
1.验收日期:_______年_______月_______日。
2.验收单位:_________。
3.验收人员:_________。
4.验收内容:(1)配电柜、控制柜和配电箱安装是否合理、牢固。
(2)布线是否规范、接线是否正确。
(3)接地装置是否符合要求。
(4)标志、警示标识是否齐全、清晰。
5.验收结果:(1)验收通过。
(2)验收不通过,具体原因:________________。
6.验收意见及处理:(1)对通过的部分可略过。
(2)对不通过的部分,应详细记录不通过的原因,并针对相应问题提出改进意见。
7.验收结论:根据以上验收情况,经过合理判定,对本次安装进行验收结论的明确。