配电箱系统图符号大全
- 格式:doc
- 大小:63.50 KB
- 文档页数:11
配电箱符号大全配电箱符号高压开关柜 AH高压计量柜 AM高压配电柜 AA高压电容柜 AJ低压电力配电箱柜 AP低压照明配电箱柜 AL应急电力配电箱柜 APE应急照明配电箱柜 ALE低压负荷开关箱柜 AF低压电容补偿柜 ACC或ACP直流配电AD操作信号箱柜 AS控制屏台箱柜 AC继电保护箱柜 AR计量箱柜 AW励磁箱柜 AE低压漏电断路器箱柜 ARC双电源自动切换箱柜 AT多种电源配电箱柜 AM刀开关箱柜 AK电源插座箱 AX建筑自动化控制器箱 ABC火灾报警控制器箱 AFC设备监控器箱 ABC住户配线箱 ADD信号放大器箱 ATF分配器箱 AVP接线端子箱 AXT敷设方式一、电线穿线管一般有:PVC管:PC20、焊接钢管:SC20、扣压式镀锌薄壁电线管:KBG20、紧定式镀锌薄壁电线管:JDG20、二、电气设计施工图中常用线路敷设方式:SR:沿钢线槽敷设BE:沿屋架或跨屋架敷设CLE:沿柱或跨柱敷设WE:沿墙面敷设CE:沿天棚面或顶棚面敷设ACE:在能进入人的吊顶内敷设BC:暗敷设在梁内CLC:暗敷设在柱内WC:暗敷设在墙内CC:暗敷设在顶棚内ACC:暗敷设在不能进入的顶棚内FC:暗敷设在地面内SCE:吊顶内敷设,要穿金属管一,导线穿管表示SC-焊接钢管MT-电线管PC-PVC塑料硬管FPC-阻燃塑料硬管CT-桥架MR-金属线槽M-钢索CP-金属软管PR-塑料线槽RC-镀锌钢管二,导线敷设方式的表示DB-直埋TC-电缆沟BC-暗敷在梁内CLC-暗敷在柱内WC-暗敷在墙内CE-沿天棚顶敷设CC-暗敷在天棚顶内SCE-吊顶内敷设F-地板及地坪下SR-沿钢索BE-沿屋架,梁WE-沿墙明敷三,灯具安装方式的表示CS-链吊DS-管吊W-墙壁安装C-吸顶R-嵌入S-支架CL-柱上沿钢线槽:SR沿屋架或跨屋架:BE沿柱或跨柱:CLE穿焊接钢管敷设:SC穿电线管敷设:MT穿硬塑料管敷设:PC穿阻燃半硬聚氯乙烯管敷设:FPC电缆桥架敷设:CT金属线槽敷设:MR塑料线槽敷设:PR用钢索敷设:M穿聚氯乙烯塑料波纹电线管敷设:KPC 穿金属软管敷设:CP直接埋设:DB电缆沟敷设:TC导线敷设部位的标注沿或跨梁(屋架)敷设:AB暗敷在梁内:BC沿或跨柱敷设:AC暗敷设在柱内:CLC沿墙面敷设:WS暗敷设在墙内:WC沿天棚或顶板面敷设:CE暗敷设在屋面或顶板内:CC吊顶内敷设:SCE地板或地面下敷设:FC施耐德型号施耐德接触器:LC1-D09M5C型号含义:LC1----T eSys系列单个接触器D----09---电流规格A,有06、09、12、18、25、32、38、40、50、65、80、95、115、150、170、205、245、300、410、475、620(95以下自带INO+INC,95以上不带辅助接点)M----线圈电压代号,有B-24、CC-36、D-42、E-48、F-110、M-220、P-230、U-240、Q-380、V-400、N-415、R-440、S-500、Y-6605----50Hz,3.8以下是50/60Hz,7-50/60Hz,D-标准直流线圈C----SSIC制造(9~620A)特点:TeSys系列接触器与T eSys系列热继电器可以直接插装。
配电箱系统图符号大全配电箱是数据上的海量参数,一般是构成低压林按电气接线,要求将开关设备、测量仪表、保护电器和辅助设备组装在封闭或半封闭金属柜中或屏幅上,构成低压配电箱。
正常运行时可借助手动或自动开关接通或分断电路。
首先,先来介绍关于配电箱的一些知识内容。
配电箱的用途合理的分配电能,方便对电路的开合操作。
有较高的安全防护等级,能直观的显示电路的导通状态。
工作原理配电箱是按电气接线要求将开关设备、测量仪表、保护电器和辅助设备组装在封闭或半封闭金属柜中或屏幅上,构成低压配电装置。
正常运行时可借助手动或自动开关接通或分断电路。
故障或不正常运行时借助保护电器切断电路或报警。
借测量仪表可显示运行中的各种参数,还可对某些电气参数进行调整,对偏离正常工作状态进行提示或发出信号。
常用于各发、配、变电所中。
用途便于管理,当发生电路故障时有利于检修。
配电箱和配电柜配电盘配电凭等,是集中安装开关、仪表等设备的成套装置。
常用的配电箱有木制和铁板制两种,现在哪儿的用电量都挺大的,所以还是铁的用的比较多。
配电箱的用途:当然是方便停、送电,起到计量和判断停、送电的作用。
分类按结构特征和用途分类(1)固定面板式开关柜,常称开关板或配电屏。
它是一种有面板遮拦的开启式开关柜,正面有防护作用,背面和侧面仍能触及带电部分,防护等级低,只能用于对供电连续性和可靠性要求较低的工矿企业,作变电室集中供电用。
(2)防护式(即封闭式)开关柜,指除安装面外,其它所有侧面都被封闭起来的一种低压开关柜。
这种柜子的开关、保护和监测控制等电气元件,均安装在一个用钢或绝缘材料制成的封闭外壳内,可靠墙或离墙安装。
柜内每条回路之间可以不加隔离措施,也可以采用接地的金属板或绝缘板进行隔离。
通常门与主开关操作有机械联锁。
另外还有防护式台型开关柜(即控制台),面板上装有控制、测量、信号等电器。
防护式开关柜主要用作工艺现场的配电装置。
(3)抽屉式开关柜。
这类开关柜采用钢板制成封闭外壳,进出线回路的电器元件都安装在可抽出的抽屉中,构成能完成某一类供电任务的功能单元。
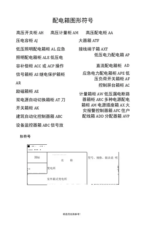
配电箱图形符号高压开关柜AH 高压计量柜 AM 高压配电柜 AA 高压电容柜AJ 低压电力配电箱AP低压照明配电箱柜AL 应急电力配电箱柜APE 应急照明配电箱柜ALE 低压负荷开关箱柜 AF低压电容补偿柜 ACC或ACP 直流配电箱柜 AD 操作信号箱柜 AS 控制屏台箱柜 AC 继电保护箱柜AR 计量箱柜 AW 励磁箱柜 AE 低压漏电断路器箱柜 ARC双电源自动切换箱柜AT 多种电源配电箱柜 AM 刀开关箱柜 AK 电源插座箱 AX 建筑自动化控制器箱 ABC 火灾报警控制器箱 AFC 设备监控器箱 ABC 住户配线箱 ADD 信号放大器箱 ATF 分配器箱 AVP 接线端子箱 AXT图形符号图形符号国标名称型号、规格、做法说明变电所室外箱式变电所杆上变电所屏、台、箱、柜的一般符号配电室及进线用开关柜多种电源配电箱(盘) 画于墙外为明装,除注明外底边边距地1. 2米画于墙内为暗装,除注明外底边边距地1. 4米电力配电箱(盘)照明配电箱(盘) 画于墙外为明装,除注明外底边边距地2. 0米,明装电能表板底距地1.8米画于墙内为暗装,除注明外底边边距地1. 4米,明装电能表板底距地1.8米电源切换箱(盘) 画于墙外为明装,除注明外底边边距地1. 2米画于墙内为暗装,除注明外底边边距地1. 4米电气图用图形符号事故照明配电箱(盘) 画于墙外为明装,除注明外底边边距地1. 2米画于墙内为暗装,除注明外底边边距地1. 4米组合开关箱画于墙外为明装,除注明外底边边距地1. 2米画于墙内为暗装,除注明外底边边距地1.4米电铃操作盘除注明外,底边距地1.2米吹风机操作盘 距地1.2米,容量见设计图纸配电盘编号 圈内的数字为动力或照明的编号交流电动机 除注明外,只做出线口,防水弯头距机座0.2米,均附接地螺丝按钮盒 圈或点数表示按钮数,除注明外,均为明装,距地1.4米,按钮组合排列见设计图立柱式按钮箱 风扇一般符号 除注明外,只做出线盒及吊钩暖风机或冷风机轴流风扇风扇电阻开关 除注明外,距地1.4米电铃 除注明外,距地0.3米号志箱交流电钟 除注明外,只做出线口(明线时,用明插座),距顶0.3米电气图用图形符号明装单相二级插座 250伏-10安,距地0.3米,居民住宅及儿童活动场所应注意安全插座,如采用普通插座时,应距地1.8米(见本表注)明装单相三极插座(带接地) 明装单相四级插座(带接地) 380伏-15安,25安,距地0.3米暗装单相二级插座 250伏-10安,距地0.3米,居民住宅及儿童活动场所应注意安全插座,如采用普通插座时,应距地1.8米(见表下注)明装单相三极插座(带接地)明装单相四级插座(带接地) 380伏-15安,25安,距地0.3米,容量选用见设计图暗装单相二级防脱锁紧型插座250伏-10安,距地0. 3米,居民住宅及儿童活动场所应注意安全插座,如采用普通插座时,应距地1.8米2图形符号图集使用的范例和说明国标名称型号、规格、做法说明暗装单相三极防脱锁紧型插座(带接地) 250伏-10安,距地0.3米,居民住宅及儿童活动场所应采用安全插座,如采用普通插座时,应距地1.8米暗装三相四极防脱锁紧型插座(带接地)380伏-20安,距地0.3米安装T型插座50伏-10安,距地0.3米(见表注) 暗装调光开关调光开关,距地1.4米(见表注)金属地面出线盒防水拉线开关(单相二线)250伏-3安,瓷制拉线开关(单极二线)250伏-3安拉线双控开关(单极三线)250伏-3安电气图用图形符号吊线灯附装拉线开关250伏-3安(立轮式),开关绘制方向表示拉线开关的安装方向明装单极开关(单极二线)跷板式开关,250伏-6安(见表注)暗装单极开关(单极二线)跷板式开关,250伏-6安(见表注)明装双控开关(单极三线) 跷板式开关,250伏-6安(见表注)暗装双控开关(单极三线) 跷板式开关,250伏-6安(见表注)暗装按钮式定时开关 250伏-6安(见表注)暗装拉线式定时开关 250伏-6安暗装拉线式多控开关 250伏-6安暗装按钮式多控开关 250伏-6安电铃开关 250伏-6安天棚灯座(裸灯头)容量和安装方式见设计图墙上灯座(裸灯头)各灯具一般符号 灯具型号见本图集花灯 符号下面的数字,为选用本图集中待选定型灯具的设计编号非定型特制灯具 具体要求详见工程图注,下面数字为区别种类的编号荧光灯列(带状排列荧光灯)规格、容量、型号、数量按工程设计图要求,施工中一般均应用高效节能型荧光灯灯具及与其配套的高可靠、高功率因素(>0.95)的交流电子镇流器单管荧光灯双管荧光灯 三管荧光灯 荧光灯花灯组合防爆型光灯投光灯 规格、容量详见设计图注3 图形符号 图 集 使 用 的 范 例 和 说 明国 标 名 称 型号、规格、做法说明电源引入线 除注明外,架空引入时,高度与一层顶板同一般电杆天天电气社区,http://www.electri 除有设计图或说明外,均按本图集带照明灯具的电杆带照明灯具的电杆及投照方向 拉线的一般符号 带撑杆的电杆带高桩拉线的电杆交流配电线路铝芯导线时为2根铜芯导线时为2根导线型号的选择详见工程设计说明;除工程设计图中注明外,暗敷时,按图集JD5-605~607选配相应的管径及线槽交流配电线路 铝芯导线时为3根 铜芯导线时为3根 交流配电线路 铝芯导线时为4根 铜芯导线时为4根 交流配电线路 铝芯导线时为5根 铜芯导线时为5根 交流配电线路铝芯导线时为6根铜芯导线时为6根支路编号电缆穿管(钢管、非金属管)保护 管径规格见具体工程图注中途穿线盒或分线盒 做法见伸缩缝穿线盒做法见电缆人孔除注明外,见电缆手孔管线引向符号引上,引下,由上引来,由下引来,引上并引下,由上引来再引下,由下引来再引上电缆桥架封闭式母线引向符号线槽引上,引下,由上引来,由下引来,引上并引下,由上引来再引下,由下引来再引上避雷线除注明外,见避雷针双极带熔断器开关除注明外,均为HK1型单相胶壳闸三极带熔断器开关除注明外,均为HK1型三相胶壳闸双极带熔断器开关除注明外,均为HH3或HH4型单相铁壳开关三极带熔断器开关除注明外,均为HH3或HH4型三相铁壳开关双极三相转换开关除注明外,均为两电流切换开关三相低压断路器规格、型号详见工程图注跌落式熔断器除注明外,均为RW3-10型户外跌落式熔断器除注明外,均为RW4-10型户外跌落式熔断器4图形符号图集使用的范例和说明国标名称型号、规格、做法说明熔断器除注明外,均为RC1A瓷插式熔断器电气图用图形符号指示式电流表、电压表除注明外,为1T1-A型交流电流表天天电气社区[http://www.electri ]除注明外,为1T1-V型交流电压表有功电能表除注明外,均由供电部门备料安装(虚线时为表位)无功电能表除注明外,均由供电部门备料安装(虚线时为表位)安培表的换相开关伏特表的换相开关壁龛电话交接箱除注明外,暗装距地0.3米室内电话分线盒除注明外,只做出线口,暗装距地0.3米扬声器除注明外,距顶板0.5米广播分线箱(盘) 除注明外,暗装距地0.3米电话线路末端线路,简化标注时,只注明电话对数RVB(2×0.2) 暗装时穿管1对1(2×0.2)SC15、PC15、TC20、FEC15、(KRG)202对2(2×0.2)3对3(2×0.2)4对4(2×0.2)5对 5(2×0.2)广播线路 除注明外,同电话线路注法,导线穿管见JD50-608电视线路 除注明外,电缆采用SYY-75-5-1型,穿(KRG)15、FEC15、TC15,明、暗敷设有设计定设计照度 表示100勒克司电气图用图形符号 安装或敷设高度(米) 自室内该处地面算起安装或敷设高度(米) 自室外该处地面算起消防专用按钮 SFAN-1型实验室用暗装塑料插销组板 安装高度:除注明者外,距地1.2米;装于依墙实验台处,距台面上0.3米 实验室用暗装插销组板 安装高度:除注明者外,距地1.2米;装于依墙实验台处,距台面上0.3米实验室插销组板、箱编号 圈内数字:A 为分盘号;B 为设计选定插销组板或箱的排列方案电气图用图形符号实验室明装接地端子板 右下角数字表示安装接地端子的节数,由设计选定.安装高度:除注明外,距地3米实验室暗装接地端子箱 接地接线柱板 采用633型100安接线柱组合电气图用图形符号。
配电箱图形符号高压开关柜AH高压计量柜 AM高压配电柜 AA高压电容柜AJ 低压电力配电箱AP低压照明配电箱柜AL应急电力配电箱柜APE应急照明配电箱柜ALE低压负荷开关箱柜 AF低压电容补偿柜 ACC或ACP直流配电箱柜 AD操作信号箱柜 AS控制屏台箱柜 AC继电保护箱柜AR计量箱柜 AW励磁箱柜 AE低压漏电断路器箱柜 ARC双电源自动切换箱柜AT多种电源配电箱柜 AM刀开关箱柜 AK电源插座箱 AX建筑自动化控制器箱 ABC火灾报警控制器箱 AFC设备监控器箱 ABC住户配线箱 ADD信号放大器箱 ATF分配器箱 AVP接线端子箱 AXT图形符号图形符号型号、规格、做法说国标名称明变电所室外箱式变电所杆上变电所配电室及进线用开关屏、台、箱、柜的一般符号柜多种电源配电箱(盘) 画于墙外为明装,除注明外底边边距地1.2米画于墙内为暗装,除注明外底边边距地1.4米电力配电箱(盘)照明配电箱(盘) 画于墙外为明装,除注明外底边边距地2.0米,明装电能表板底距地1.8米画于墙内为暗装,除注明外底边边距地1.4米,明装电能表板底距地1.8米电源切换箱(盘) 画于墙外为明装,除注明外底边边距地1.2米画于墙内为暗装,除注明外底边边距地1.4米电气图用图形符号事故照明配电箱(盘) 画于墙外为明装,除注明外底边边距地1.2米画于墙内为暗装,除注明外底边边距地1.4米组合开关箱画于墙外为明装,除注明外底边边距地1.2米画于墙内为暗装,除注明外底边边距地1.4米电铃操作盘除注明外,底边距地1.2米吹风机操作盘距地1.2米,容量见设计图纸配电盘编号圈内的数字为动力或照明的编号交流电动机除注明外,只做出线口,防水弯头距机座0.2米,均附接地螺丝按钮盒圈或点数表示按钮数,除注明外,均为明装,距地1.4米,按钮组合排列见设计图立柱式按钮箱风扇一般符号除注明外,只做出线盒及吊钩暖风机或冷风机轴流风扇风扇电阻开关除注明外,距地1.4米电铃除注明外,距地0.3米号志箱交流电钟除注明外,只做出线口(明线时,用明插座),距顶0.3米电气图用图形符号明装单相二级插座250伏-10安,距地0.3米,居民住宅及儿明装单相三极插座(带接地) 童活动场所应注意安全插座,如采用普通插座时,应距地1.8米(见本表注)明装单相四级插座(带接地)380伏-15安,25安,距地0.3米暗装单相二级插座250伏-10安,距地0.3米,居民住宅及儿童活动场所应注意安全插座,如采用普通插座时,应距地1.8米(见表下注)明装单相三极插座(带接地)明装单相四级插座(带接地)380伏-15安,25安,距地0.3米,容量选用见设计图暗装单相二级防脱锁紧型插座250伏-10安,距地0.3米,居民住宅及儿童活动场所应注意安全插座,如采用普通插座时,应距地1.8米2图形符号图集使用的 X 例和说明国标名称型号、规格、做法说明暗装单相三极防脱锁紧型插座(带接地) 250伏-10安,距地0.3米,居民住宅及儿童活动场所应采用安全插座,如采用普通插座时,应距地1.8米暗装三相四极防脱锁紧型插座(带接地)380伏-20安,距地0.3米安装T型插座50伏-10安,距地0.3米(见表注)暗装调光开关调光开关,距地1.4米(见表注)金属地面出线盒防水拉线开关(单相二线)250伏-3安,瓷制拉线开关(单极二线)250伏-3安拉线双控开关(单极三线)250伏-3安电气图用图形符号吊线灯附装拉线250伏-3安(立轮式),开关绘制方向表开关示拉线开关的安装方向明装单极开关跷板式开关,250伏-6安(见表注) (单极二线)暗装单极开关跷板式开关,250伏-6安(见表注) (单极二线)明装双控开关跷板式开关,250伏-6安(见表注) (单极三线)暗装双控开关跷板式开关,250伏-6安(见表注) (单极三线)暗装按钮式定时250伏-6安(见表注)开关暗装拉线式定时250伏-6安开关暗装拉线式多控250伏-6安开关暗装按钮式多控250伏-6安开关电铃开关250伏-6安天棚灯座(裸灯容量和安装方式见设计图头)墙上灯座(裸灯头)各灯具一般符号灯具型号见本图集花灯符号下面的数字,为选用本图集中待选定型灯具的设计编号非定型特制灯具具体要求详见工程图注,下面数字为区别种类的编号荧光灯列(带状排列荧光灯)规格、容量、型号、数量按工程设计图要求,施工中一般均应用高效节能型荧光灯灯具及与其配套的高可靠、高功率因素(>0.95)的交流电子镇流器单管荧光灯双管荧光灯三管荧光灯荧光灯花灯组合防爆型光灯投光灯规格、容量详见设计图注3图形符号图集使用的 X 例和说明国标名称型号、规格、做法说明电源引入线除注明外,架空引入时,高度与一层顶板同一般电杆天天电气社区,.electric365.除有设计图或说明外,均按本图集带照明灯具的电杆带照明灯具的电杆及投照方向拉线的一般符号带撑杆的电杆带高桩拉线的电杆交流配电线路铝芯导线时为2根铜芯导线时为2根导线型号的选择详见工程设计说明;除工程设计图中注明外,暗敷时,按图集JD5-605~607选配相应的管径及线槽交流配电线路铝芯导线时为3根铜芯导线时为3根交流配电线路铝芯导线时为4根铜芯导线时为4根交流配电线路铝芯导线时为5根铜芯导线时为5根交流配电线路铝芯导线时为6根铜芯导线时为6根支路编号电缆穿管(钢管、非金属管)保护管径规格见具体工程图注中途穿线盒或分线盒做法见伸缩缝穿线盒做法见电缆人孔除注明外,见电缆手孔管线引向符号引上,引下,由上引来,由下引来,引上并引下,由上引来再引下,由下引来再引上电缆桥架封闭式母线引引上,引下,由上引来,由下引来,引上并引下,由上引来再引下,由下引向符号线槽来再引上避雷线除注明外,见避雷针双极带熔断器开关除注明外,均为HK1型单相胶壳闸三极带熔断器开关除注明外,均为HK1型三相胶壳闸双极带熔断器开关除注明外,均为HH3或HH4型单相铁壳开关三极带熔断器开关除注明外,均为HH3或HH4型三相铁壳开关双极三相转换开关除注明外,均为两电流切换开关三相低压断路器规格、型号详见工程图注跌落式熔断器除注明外,均为RW3-10型户外跌落式熔断器除注明外,均为RW4-10型户外跌落式熔断器4图形符号图集使用的 X 例和说明国标名称型号、规格、做法说明熔断器除注明外,均为RC1A瓷插式熔断器电气图用图形符号指示式电流表、电压表除注明外,为1T1-A型交流电流表天天电气社区[.electric365.]除注明外,为1T1-V型交流电压表有功电能表除注明外,均由供电部门备料安装(虚线时为表位)无功电能表除注明外,均由供电部门备料安装(虚线时为表位)安培表的换相开关伏特表的换相开关壁龛交接箱除注明外,暗装距地0.3米室内分线盒除注明外,只做出线口,暗装距地0.3米扬声器除注明外,距顶板0.5米广播分线箱(盘) 除注明外,暗装距地0.3米线路末端线路,简化标注时,只注明对数RVB(2×0.2)暗装时穿管1对1(2×0.2)SC15、PC15、TC20、FEC15、(KRG)202对2(2×0.2)3对3(2×0.2)4对4(2×0.2)5对5(2×0.2)广播线路除注明外,同线路注法,导线穿管见JD50-608电视线路除注明外,电缆采用SYY-75-5-1型,穿(KRG)15、FEC15、TC15,明、暗敷设有设计定设计照度表示100勒克司电气图用图形符号安装或敷设高度(米)自室内该处地面算起安装或敷设高度(米)自室外该处地面算起消防专用按钮SFAN-1型实验室用暗装塑料插销组板安装高度:除注明者外,距地1.2米;装于依墙实验台处,距台面上0.3米实验室用暗装插销组板安装高度:除注明者外,距地1.2米;装于依墙实验台处,距台面上0.3米实验室插销组板、箱编号圈内数字:A为分盘号;B为设计选定插销组板或箱的排列方案电气图用图形符号实验室明装接地端子板右下角数字表示安装接地端子的节数,由设计选定.安装高度:除注明外,距地3米实验室暗装接地端子箱接地接线柱板采用633型100安接线柱组合电气图用图形符号。
配电箱图形符号配电箱图形符号高压开关柜AH 高压计量柜 AM 高压配电柜 AA 高压电容柜AJ 低压电力配电箱AP低压照明配电箱柜AL 应急电力配电箱柜APE 应急照明配电箱柜ALE 低压负荷开关箱柜 AF低压电容补偿柜 ACC或ACP 直流配电箱柜 AD 操作信号箱柜 AS 控制屏台箱柜 AC 继电保护箱柜AR 计量箱柜 AW 励磁箱柜 AE 低压漏电断路器箱柜 ARC双电源自动切换箱柜AT 多种电源配电箱柜 AM 刀开关箱柜 AK 电源插座箱 AX 建筑自动化控制器箱 ABC 火灾报警控制器箱 AFC 设备监控器箱 ABC 住户配线箱 ADD 信号放大器箱 ATF 分配器箱 AVP 接线端子箱 AXT图形符号图形符号国标名称型号、规格、做法说明变电所室外箱式变电所杆上变电所屏、台、箱、柜的一般符号配电室及进线用开关柜多种电源配电箱(盘) 画于墙外为明装,除注明外底边边距地1.2米画于墙内为暗装,除注明外底边边距地1.4米电力配电箱(盘)照明配电箱(盘) 装,除注明外底边边距地2.0米,明装电能表板底距地1.8米画于墙内为暗装,除注明外底边边距地1.4米,明装电能表板底距地1.8米电源切换箱(盘) 画于墙外为明装,除注明外底边边距地1.2米画于墙内为暗装,除注明外底边边距地1.4米电气图用图形符号事故照明配电箱(盘) 装,除注明外底边边距地1.2米画于墙内为暗装,除注明外底边边距地1.4米组合开关箱画于墙外为明装,除注明外底边边距地1.2米画于墙内为暗装,除注明外底边边距地1.4米电铃操作盘除注明外,底边距地1. 2米吹风机操作盘距地1. 2米,容量见设计图纸配电盘编号圈内的数字为动力或照明的编号交流电动机除注明外,只做出线口,防水弯头距机座0.2米,均附接地螺丝按钮盒圈或点数表示按钮数,除注明外,均为明装,距地1.4米,按钮组合排列见设计图立柱式按钮箱风扇一般符号除注明外,只做出线盒及吊钩暖风机或冷风机轴流风扇风扇电阻开关除注明外,距地1.4米电铃除注明外,距地0.3米号志箱交流电钟除注明外,只做出线口(明线时,用明插座),距顶0. 3米电气图用图形符号明装单相二级插座250伏-10安,距地0. 3米,居民住宅及儿童活动场所应注意安全插座,如采用普通插座时,应距地1.8米(见本表注)明装单相三极插座(带接地)明装单相四级插座(带接地) 380伏-15安,2 5安,距地0.3米暗装单相二级插座250伏-10安,距地0. 3米,居民住宅及儿童活动场所应注意安全插座,如采用普通插座时,应距地1.8米(见表下注)明装单相三极插座(带接地)明装单相四级插座(带接地) 380伏-15安,2 5安,距地0.3米,容量选用见设计图暗装单相二级防脱锁紧型插座250伏-10安,距地0. 3米,居民住宅及儿童活动场所应注意安全插座,如采用普通插座时,应距地1.8米2图形符号图集使用的范例和说明国标名称型号、规格、做法说明暗装单相三极防脱锁紧型插座(带接地) 250伏-10安,距地0.3米,居民住宅及儿童活动场所应采用安全插座,如采用普通插座时,应距地1. 8米暗装三相四极防脱锁紧型插座(带接地) 380伏-20安,距地0.3米安装T型插座50伏-10安,距地0.3米(见表注)暗装调光开关调光开关,距地1. 4米(见表注)金属地面出线盒防水拉线250伏-3安,瓷制开关(单相二线)拉线开关250伏-3安(单极二线)拉线双控开关(单极三线) 250伏-3安电气图用图形符号吊线灯附装拉线开关250伏-3安(立轮式),开关绘制方向表示拉线开关的安装方向明装单极开关(单极二线) 跷板式开关,250伏-6安(见表注)暗装单极开关(单极二线) 跷板式开关,250伏-6安(见表注)明装双控开关(单极三线) 跷板式开关,250伏-6安(见表注)暗装双控开关(单极三线) 跷板式开关,250伏-6安(见表注)暗装按钮式定时开关250伏-6安(见表注)暗装拉线式定时开关250伏-6安暗装拉线式多控开关250伏-6安暗装按钮式多控开关250伏-6安电铃开关250伏-6安天棚灯座(裸灯头) 容量和安装方式见设计图墙上灯座(裸灯头)各灯具一般符号灯具型号见本图集花灯符号下面的数字,为选用本图集中待选定型灯具的设计编号非定型特制灯具具体要求详见工程图注,下面数字为区别种类的编号荧光灯列(带状排列荧光灯)规格、容量、型号、数量按工程设计图要求,施工中一般均应用高效节能型荧光灯灯具及与其配套的高可靠、高功率因素(>0.95)的交流电子镇流器单管荧光灯双管荧光灯三管荧光灯荧光灯花灯组合防爆型光灯投光灯规格、容量详见设计图注3图形符号图集使用的范例和说明国标名称型号、规格、做法说明电源引入线除注明外,架空引入时,高度与一层顶板同一般电杆天天电气社区,http://www.electric365.cn除有设计图或说明外,均按本图集带照明灯具的电杆带照明灯具的电杆及投照方向拉线的一般符号带撑杆的电杆带高桩拉线的电杆交流配电线路铝芯导线时为2根铜芯导线时为2根导线型号的选择详见工程设计说明;除工程设计图中注明外,暗敷时,按图集JD5-605~607选配相应的管径及线槽交流配电线路铝芯导线时为3根铜芯导线时为3根交流配电线路铝芯导线时为4根铜芯导线时为4根交流配电线路铝芯导线时为5根铜芯导线时为5根交流配电线路铝芯导线时为6根铜芯导线时为6根支路编号电缆穿管(钢管、非金属管)保护管径规格见具体工程图注中途穿线盒或分线盒做法见伸缩缝穿做法见线盒电缆人孔除注明外,见电缆手孔管线引向符号引上,引下,由上引来,由下引来,引上并引下,由上引来再引下,由下引来再引上电缆桥架封闭式母线引向符号线槽引上,引下,由上引来,由下引来,引上并引下,由上引来再引下,由下引来再引上避雷线除注明外,见避雷针双极带熔断器开关除注明外,均为HK1型单相胶壳闸三极带熔断器开关除注明外,均为HK1型三相胶壳闸双极带熔断器开关除注明外,均为HH3或HH4型单相铁壳开关三极带熔断器开关除注明外,均为HH3或HH4型三相铁壳开关双极三相转换开关除注明外,均为两电流切换开关三相低压断路器规格、型号详见工程图注跌落式熔断器除注明外,均为RW3-10型户外跌落式熔断器除注明外,均为RW4-10型户外跌落式熔断器4图形符号图集使用的范例和说明国标名称型号、规格、做法说明熔断器除注明外,均为R C1A瓷插式熔断器电气图用图形符号指示式电流表、电压表除注明外,为1T1 -A型交流电流表天天电气社区[http://www.e ]除注明外,为1T1-V型交流电压表有功电能表除注明外,均由供电部门备料安装(虚线时为表位)无功电能表除注明外,均由供电部门备料安装(虚线时为表位)安培表的换相开关伏特表的换相开关壁龛电话交接箱除注明外,暗装距地0.3米室内电话分线盒除注明外,只做出线口,暗装距地0. 3米扬声器除注明外,距顶板0.5米广播分线箱(盘) 除注明外,暗装距地0.3米电话线路末端线路,简化标注时,只注明电话对数RVB(2×0.2)暗装时穿管1对1(2×0.2)SC15、PC15、TC20、FEC15、(KRG)22对2(2×0.2)3对3(2×0.2)4对4(2×0.2)5对5(2×0.2)广播线路除注明外,同电话线路注法,导线穿管见JD50-608电视线路除注明外,电缆采用SYY-75-5-1型,穿(KRG)15、FEC15、TC15,明、暗敷设有设计定设计照度表示100勒克司电气图用图形符号安装或敷设高度(米) 自室内该处地面算起安装或敷设高度(米) 自室外该处地面算起消防专用按钮SFAN-1型实验室用暗装塑料插销组板安装高度:除注明者外,距地1.2米;装于依墙实验台处,距台面上0.3米实验室用暗装插销组板安装高度:除注明者外,距地1.2米;装于依墙实验台处,距台面上0.3米实验室插销组板、箱编号圈内数字:A为分盘号;B为设计选定插销组板或箱的排列方案电气图用图形符号实验室明装接地端子板右下角数字表示安装接地端子的节数,由设计选定.安装高度:除注明外,距地3米实验室暗装接地端子箱接地接线柱板采用633型100安接线柱组合电气图用图形符号。
电气符号大全SR:沿钢线槽敷设; BE:沿屋架或跨屋架敷设; CLE:沿柱或跨柱敷设;WE:沿墙面敷设; CE:沿天棚面或顶棚面敷设; ACE:在能进入人的吊顶内敷设;BC:暗敷设在梁内;CLC:暗敷设在柱内;WC:暗敷设在墙内;CC:暗敷设在顶棚内;ACC:暗敷设在不能进入的顶棚内;FC:暗敷设在地面内SCE:吊顶内敷设,要穿金属管一,导线穿管表示SC-焊接钢管; MT-电线管; PC-PVC塑料硬管; FPC-阻燃塑料硬管; CT-桥架; MR-金属线槽; M-钢索CP-金属软管; PR-塑料线槽; RC-镀锌钢管二,导线敷设方式的表示DB-直埋; TC-电缆沟; BC-暗敷在梁内; CLC-暗敷在柱内; WC-暗敷在墙内;CE-沿天棚顶敷设CC-暗敷在天棚顶内; SCE-吊顶内敷设; F-地板及地坪下; SR-沿钢索;BE-沿屋架,梁; WE-沿墙明敷三,灯具安装方式的表示CS-链吊; DS-管吊; W-墙壁安装; C-吸顶; R-嵌入; S-支架; CL-柱上沿钢线槽:SR;沿屋架或跨屋架:BE;沿柱或跨柱:CLE;穿焊接钢管敷设:SC;穿电线管敷设:MT穿硬塑料管敷设:PC;穿阻燃半硬聚氯乙烯管敷设:FPC;电缆桥架敷设:CT;金属线槽敷设:MR塑料线槽敷设:PR;用钢索敷设:M;穿聚氯乙烯塑料波纹电线管敷设:KPC;穿金属软管敷设:CP直接埋设:DB;电缆沟敷设:TC;导线敷设部位的标注;沿或跨梁(屋架)敷设:AB;暗敷在梁内:BC沿或跨柱敷设:AC;暗敷设在柱内:CLC;沿墙面敷设:WS;暗敷设在墙内:WC;沿天棚或顶板面敷设:CE暗敷设在屋面或顶板内:CC;吊顶内敷设:SCE;地板或地面下敷设:FC HSM8-63C/3PDTQ30-32/2P 这两个应该是两种塑壳断路器的型号,HSM8-63C/3P 适用于照明回路中,为3极开关,额定电流为63A(3联开关)DTQ30-32/2P 也是塑壳断路器的一种,额定电流32A,2极开关其他那些符号都是关于导线穿管和敷设方式的一些表示方法,你对照着查一下矿用铠装控制电缆;MKVV22,MKVV32?? 2*0.5,3*0.75,4*4,------37*1.5mm铠装控制电缆;KVV22,KVV32,KVVR22?? 2*0.5,3*0.75,4*4,------37*1.5mm铠装屏蔽控制电缆KVVP-22,RVVP-22,KVVRP-22,KVVP2-22,KVVRP2-222*0.5,3*0.75,4*4,------37*1.5mm铠装阻燃控制电缆;ZR-KVV22,ZR-KVV32,ZR-KVVR222*0.5,3*0.75,4*4,------37*1.5mm铠装阻燃屏蔽控制电缆;ZR-KVVP22,ZR-KVVRP22,ZR-KVVP2-22,ZR-KVVRP2-222*0.5,3*0.75,4*4,------37*1.5mm铠装通信电缆;HYA22,HYA23,HYA53,HYV22,HYV23?? 5对,10对------2400对,0.4-0.5-0.6-0.7-0.8-0.9线径铠装充油通信电缆;HYAT22,HYAT23,NYAT53?? 5对,10对------800对0.4-0.5-0.6-0.7-0.8-0.9线径铠装阻燃通信电缆;ZR-HYA22,ZR-HYA23,ZR-HYA53,WDZ-HYA23,WDZ-HYA535对,10对------2400对,0.4-0.5-0.6-0.7-0.8-0.9线径矿用铠装阻燃通信电缆;MHYA22,MHYV22,MHYA32,MHYV325对,10对------200对,0.5-0.6-0.7-0.8-0.9-1.0线径铠装计算机电缆;DJYVP22,ZR-DJYVP22,DJYVRP22,DJYPV22,ZR-DJYPV22DJYPVR22 DJYPVP22,DJYPVRP22,ZR-DJYPVP22,ZR-DJYPVPR221*2*0.75?? 2*2*1.0?? 3*2*1.5?? ------30*2*1.5mm铠装铁路信号电缆;PZY23,PTY23,PZY22,PTY22,PZYH23,PTYH23 PZYA23,PZYA22,PZYAH22,PTYAH22,PTYAH32,PZY324芯-6芯-8芯-9芯------6型号含义:R-连接用软电缆(电线),软结构。
配电箱图形符号高压开关柜 AH 高压计量柜 AM 高压配电柜 AA高压电容柜 AJ低压电力配电箱AP 低压照明配电箱柜 AL应急电力配电箱柜APE应急照明配电箱柜 ALE低压负荷开关箱柜 AF低压电容补偿柜 ACC 或 ACP直 流 配 电 箱 柜 AD操 作 信 号 箱 柜 AS控制屏台箱柜 AC继电保护箱柜 AR计量箱柜 AW励磁箱柜 AE低压漏电断路器箱柜 ARC双电源自动切换箱柜AT多 种 电 源 配 电 箱 柜 AM刀开关箱柜 AK电源插座箱 AX建筑自动化控制器箱 ABC火灾报警控制器箱AFC设 备 监 控 器 箱 ABC住户配线箱 ADD信号放大器箱ATF分 配 器 箱 AVP接线端子箱 AXT图形符号图形符号 国标名称型号、规格、做法说-可编辑修改-。
明变电所室外箱式变电所杆上变电所配电室及进线用开关 屏、台、箱、柜的一般符号柜多种电源配电箱(盘)画于墙外为明装,除 注明外底边边距地 1. 2米电力配电箱(盘) 照明配电箱(盘)画于墙内为暗装,除 注明外底边边距地 1. 4米画于墙外为明装,除 注明外底边边距地 2. 0 米,明装电能表板底 距地 1.8 米 画于墙内为暗装,除 注明外底边边距地 1. 4 米,明装电能表板底 距地 1.8 米-可编辑修改-。
电源切换箱(盘)事故照明配电箱(盘) 组合开关箱 电铃操作盘画于墙外为明装,除 注明外底边边距地 1. 2米 画于墙内为暗装,除 注明外底边边距地 1. 4 米电气图用图形符 号画于墙外为明装,除 注明外底边边距地 1. 2米 画于墙内为暗装,除 注明外底边边距地 1. 4米画于墙外为明装,除 注明外底边边距地 1. 2米画于墙内为暗 装,除注明外底边边 距地 1.4 米除注明外,底边距地 1.2 米-可编辑修改-。
吹风机操作盘配电盘编号交流电动机按钮盒 立柱式按钮箱风扇一般符号 暖风机或冷风机 轴流风扇 风扇电阻开关 电铃 号志箱 交流电钟-可编辑修改-距地 1.2 米,容量见设 计图纸 圈内的数字为动力或 照明的编号 除注明外,只做出线 口,防水弯头距机座 0.2 米,均附接地螺丝 圈或点数表示按钮 数,除注明外,均为明 装,距地 1.4 米,按钮 组合排列见设计图 除注明外,只做出线 盒及吊钩除注明外,距地 1.4 米 除注明外,距地 0.3 米除注明外,只做出线 口(明线时,用明插。
配电箱符号序号名称符号(字母)备注1 高压开关柜AH2 高压计量柜AM3 高压配电柜AA4 高压电容柜AJ5 低压电力配电箱柜AP6 低压照明配电箱柜AL7 应急电力配电箱柜APE8 应急照明配电箱柜ALE9 低压负荷开关箱柜AF10 低压电容补偿柜ACC或ACP11 直流配电AD12 操作信号箱柜AS13 控制屏台箱柜AC14 继电保护箱柜AR15 计量箱柜AW16 励磁箱柜AE17 低压漏电断路器箱柜ARC18 双电源自动切换箱柜AT19 多种电源配电箱柜AM20 刀开关箱柜AK21 电源插座箱AX22 建筑自动化控制器箱ABC23 火灾报警控制器箱AFC24 设备监控器箱ABC25 住户配线箱ADD26 信号放大器箱ATF27 分配器箱AVP28 接线端子箱AXT配电箱符号序号名称符号(字母)备注一、电线穿线管一般有:1 PVC管:PC202 焊接钢管:SC203 扣压式镀锌薄壁电线管:KBG204 紧定式镀锌薄壁电线管:JDG20二、电气设计施工图中常用线路敷设方式:序号名称符号名称符号1 沿钢线槽敷设SR沿屋架或跨屋架敷设BE2 沿柱或跨柱敷设CLE沿墙面敷设WE3 沿天棚面或顶棚面敷设CE 在能进入人的吊顶内敷设ACE4 暗敷设在梁内BC暗敷设在柱内CLC5 暗敷设在墙内WC暗敷设在顶棚内CC6 暗敷设在不能进入的顶棚内ACC暗敷设在地面内FC7 吊顶内敷设,要穿金属管SCE一,导线穿管表示序号符号名称符号名称1 SC -焊接钢管CT-桥架2 MT -电线管PC-PVC塑料硬管3 FPC -阻燃塑料硬管MR -金属线槽4 M -钢索CP -金属软管5 PR -塑料线槽RC -镀锌钢管二,导线敷设方式的表示1 DB -直埋TC -电缆沟2 BC -暗敷在梁内CLC -暗敷在柱内3 WC -暗敷在墙内CE -沿天棚顶敷设4 CC -暗敷在天棚顶内SCE -吊顶内敷设5 F -地板及地坪下SR -沿钢索6 BE -沿屋架,梁WE -沿墙明敷三,灯具安装方式的表示1 CS -链吊DS -管吊2 W -墙壁安装 C -吸顶3 R -嵌入S -支架4 CL -柱上5 SR 沿钢线槽:BE 沿屋架或跨屋架:6 CLE 沿柱或跨柱:SC 穿焊接钢管敷设:7 MT 穿电线管敷设:PC 穿硬塑料管敷设:8 FPC 穿阻燃半硬聚氯乙烯管敷设:CT 电缆桥架敷设:9 MR 金属线槽敷设:PR 塑料线槽敷设:10 M 用钢索敷设:KPC 穿聚氯乙烯塑料波纹电线管敷设:11 CP 穿金属软管敷设:DB 直接埋设:12 TC 电缆沟敷设:AB 导线敷设部位的标注沿或跨梁(屋架)敷设:13 BC 暗敷在梁内:AC 沿或跨柱敷设:14 CLC 暗敷设在柱内:WS 沿墙面敷设:常用电气元件文字符号表序号名称符号序号名称符号1 发电机G 40 电压小母线WV2 电动机M 41 控制小母线WCL3 控制变压器TC 42 事故音响小母线WFS4 自耦变压器TA 43 预告音响小母线WPS5 整流变压器TR 44 闪光小母线WF6 稳压器TS 45 直流母线WB7 电压互感器TV 46 电压继电器KV8 电流互感器TA 47 电流继电器KA9 熔断器FU 48 时间继电器KT10 断路器QF 49 中间继电器KM11 隔离开关QS 50 信号继电器KS12 负荷开关QL 51 闪光继电器KFR13 刀开关QK 52 差动继电器KD14 刀熔开关QR 53 接地继电器KE15 交流接触器KM 54 控制继电器KC16 电阻器R 55 热继电器(热元件)KH17 压敏电阻器RV 56 控制、选择转换开关SA18 启动电阻器RS 57 行程开关ST19 制动电阻器RB 58 微动开关SS20 电容器 C 59 限位开关SL21 电感器、电抗器L 60 按钮SB22 变频器U 61 合闸按钮SBC23 压力变换器BP 62 分闸按钮SBS24 温度变换器BT 63 试验按钮SBT25 避雷器 F 64 合闸线圈YC26 黄色指示灯HY 65 跳闸线圈YT27 绿色指示灯HG 66 接线柱X28 红色指示灯HR 67 连接片XB29 白色指示灯HW 68 端子板(排)XT30 蓝色指示灯HB 69 插座XS31 照明灯EL 70 插头XP32 蓄电池GB 71 电流表P33 加热器EH 72 电压表 PV PV34 光指示器HL 73 有功电度表PJ35 声音报警器HA 74 无功电度表PJR36 二极管VD 75 有功功率表PW37 三极管V 76 无功功率表PR38 晶闸管VT 77 功率因数表PPF39 电位器RP 78 频率表PF电缆型号NH是耐火,YJV是交联聚乙烯绝缘,聚氯乙烯护套铜芯电缆 4*150是4芯150平方毫米 E70是接地用线为70平方毫米。
配电箱图形符号压电容柜AJ低压照明配电箱柜AL 应急照明配电箱柜ALE 低压电容补偿柜ACC 或ACP 操作信号箱柜AS 继电保护箱柜AR励磁箱柜AE双电源自动切换箱柜AT 刀开关箱柜AK建筑自动化控制器箱ABC 设备监控器箱ABC 信号放大器箱ATF接线端子箱AXT低压电力配电箱AP应急电力配电箱柜APE 低压负荷开关箱柜AF控制屏台箱柜AC计量箱柜AW 低压漏电断路器箱柜ARC 多种电源配电箱柜AM 电源插座箱AX 火灾报警控制器箱AFC 住户配线箱ADD 分配器箱AVP形符号高压开关柜AH 高压计量柜AM 高压配电柜AA直流配电箱柜 AD杆上变电所屏、台、箱、柜的一般符号II多种电源配电箱(盘)•••••配电室及进线用开关柜冷・•—••• IM MB ••• »W ••• W 画于墙外为明装,除注明外底边边距地1. 2米电力配电箱(盘)照明配电箱(盘)EK 电源切换箱(盘)事故照明配电箱(盘)组合开关箱■i1电铃操作盘|画于墙内为暗装,除 |注明外底边边距地 V米| »:・••• ••• ••• ••• ••• ••• •一••• ••• —••• —••• ••• ••• ••• ― ••• ― ••• 1 •••< [画于墙外为明装,除 :注明外底边边距地2.0米,明装电能表板底 |距地1.8米I画于墙内为暗装,除 :注明外底边边距地1.4米,明装电能表板底 |距地1.8米t•••* ••• ••• ••• •••・•• ••• ••• ••• •«* •••・・• ••• ••• ••• ••• i画于墙外为明装,除I注明外底边边距地仁|2米i画于墙内为暗装,除I注明外底边边距地1. 也米电气图用图形符[号••• ••• ••• ••• ••• ••• • ••• —• ••• —• ••• ••• •••I画于墙外为明装,除 :注明外底边边距地1. 12米|画于墙内为暗装,除 |注明外底边边距地仁M米••• ••• ••• ••• ••• ••• —••• ••• ••• ••• ••• ••• •・• •••[画于墙外为明装,除I注明外底边边距地i.i 匕米[i it i | lEl J•墙内为暗 \ I装,除注明外底边边! I距地1.4米| 彳・"・«M>・・・_・・・・■・・・・—•“・_・・・一•|« X ・—•・• 999 •・■••• •・• ••• •■・••• tw ••• ・・・ » ・・♦i距地仁2米,容量见设 i计图纸!圈或点数表示按钮I 数,除注明外,均为明 |装,距地1.4米,按钮 I组合排列见设计图暧风机或冷风机轴流风扇汀徐注明外,距地0.3米 • •• ••• • ••• •••« ••• ■ ••• •••・•• ••• MV ・•••••••• ••••••号志箱©e配电盘编号交流电动机【圈内的数字为动力或 I照明的编号•••••• ••• IM MB ••• ••• W I 除注明外,只做出线I 口,防水弯头距机座 8.2米,均附接地螺丝••• •••• ••• ••• ••• ••• ••• ••• ••• ••• I •••••• ••• ••• ••• ••• ••• ••• I •••<HEJ风扇一般符号 [除注明外,只做出线 !盒及吊钩风扇电阻开关除注明外,距地1.4米El吹风机操作盘按钮盒 立柱式按钮箱电铃I 4 W 匚................. -1■K・■・••• X・••• ••• X・••・••• X・•••• •・• X ••• ••• •明装单相四级插座(带接地)• ••・•♦—■—•・・•••《•・♦•—・■■ ••・•••・■• •••・■■ 999380 伏J5 安,25 安,j1 ▲11111•暗装单相二级防脱锁紧型插座• •• —••• ••• ••• —• •••••• —••• ••• ••• ••• ••• ••• •••—・• •—••• ••• ••• •—••• •—••• ••••250伏・10安,距地0.3米,居民住宅及儿童活动场所应注意安全插座,如采用普通插座时,应距地1.8米♦••• ••• •••・•• •—图形符号»• •—••• •― ••• ••• ••••••• ••• •••••• ••• •••• aoa •••••••«• ••• ••• ••• •■■・••••••••• eoa ••• •■■■ ••••••••• ••• ••• ••• •••• •••••• ••• ••• ••• ••• ••• •••• ••• ••• ••• ••• •图集使用的范例和说明型号、规格、做法说明丨电源引入线_• •—■—••• ■—••• ■—••••••• •一般电杆除注明外,架空引入时,高度与一层顶板同i带照明灯具的电杆带照明灯具的电杆及投照方向i拉线的一般符号j交流配电线路••• ••• •—••- ••••••$支路编号Ct )天天电气社K ,http://www.electric365.c n除有设计图或说明外,均按本图集i2根铜芯导线时为2根3根铜芯导线时为3根4根铜芯导线时为4根5根铜芯导线时为5根铝芯导线时为6根铜芯导线时为6根• •MM •■电缆穿管(钢管、非金属管)保护中途穿线盒或分线盒导线型号的选择详见工程设计说明;除工程设计图中注明外,I 暗敷时,按图!集JD5-605-1607选配相:应的管径及| 线槽管径规格见具体工程图注做法见4【本文档内容可以自由复制内容或自由编辑修改内容期待 你的好评和关注,我们将会做得更好】—S ——I}电视线路 | 对 5|5(“0.2)|I••・•1------------------ L --------------------------------------- L ---------------------------------------------」i 除注明外,同电话线路注法,导线穿管| | 见 JD50-608 I除注明外,电缆采用SYY-75-5-1型,穿I !(KRG)15. FEC15、TC15,明、暗敷设] 有设计定I 表示100勒克司电气图用图形符号I I !±0.000安装或敷设高度 (米)H 室内该处地面算起安装或敷设高度 (米)门室外该处地而算起消防专用按钮 SFAN-1 型实验室用暗装塑料插销组板 安装高度:除注明者外,距地1.2米;装 于依墙实验台处,距台面上0.3米 实验室用暗装插 销组板安装高度:除注明者外,距地1.2米;装 于依墙实验台处,距台而上0.3米 实验室插销 组板、箱编号 圈内数字:A 为分盘号;B 为设计选定插 销组板或箱的排列方案电气图用图形 符号实验室明装接地 端子板 实验室暗装接地 端子箱 右下角数字表示安装接地端子的节数. 由设计选定•安装高度:除注明外,距地 3米接地接线柱板采用633型100安接线柱组合电气图 用图形符号i 设计照度i。
常用配电箱表示符号
AW 电表箱ALE 应急照明配电箱
DT 电梯电源箱AP 动力配电箱
AL 照明配电箱AT 双电源切换箱
VP 弱电箱如电视电话网络等SBX 水表箱
TX 电话网络箱FX 电话网络分线箱
DJ 对讲接线箱HD 家居多媒体接线箱
脱扣方式
MA-磁脱扣TM-热磁脱扣MIC-电子脱扣
电线敷设方式表示符号
AB-沿或跨梁(屋架)敷设BC-暗敷设在梁内AC-沿或跨柱敷设CLC-暗敷设在柱内WS-沿墙面敷设WC-暗敷设在墙内CE-沿天棚或顶板面敷设CC-暗敷设在屋面或顶板内
SCE-吊顶内敷设FC-地板或地面下敷设SC-穿焊接钢管敷设MT-穿电线管敷设PC-穿硬塑料管敷设M-用钢索敷设
CT-电缆桥架敷设MR-金属线槽敷设TC-电缆沟敷设
CP-穿金属软管敷设DB-直接埋设CE-混凝土排管敷设KPC-穿聚氯乙烯塑料波纹电线管敷设FPC-穿阻燃半硬聚氯乙烯管敷设
常用电线穿线管表示符号
扣压式镀锌薄壁电线管:KBG20焊接钢管:SC20
紧定式镀锌薄壁电线管:JDG20 PVC管:PC20
导线穿线管表示符号
SC-焊接钢管 MT-电线管PC-PVC塑料硬管CT-桥架FPC-阻燃塑料硬管MR-金属线槽M-钢索CP-金属软管PR-塑料线槽RC-镀锌钢管。
机房常用
AA——高压配电柜(低压柜部分)AP——低压电力配电箱柜AL——低压照明配电箱柜AT——双电源自动切换箱柜
AX——电源插座箱
AFC——火警报警控制器箱AS——操作信号箱柜
UAP ----UPS动力配电柜
UPD---UPS输出配电柜
PM---精密配电柜列头柜
AH——高压开关柜
AM——高压计量柜
AJ——高压电容柜
APE——应急电力配电箱柜ALE——应急照明配电箱柜AF——低压负荷开关箱柜
ACC或ACP——低压电容补偿柜AD——直流配电箱柜
AC——控制屏台箱柜
AR——继电保护箱柜
AW——计量箱柜
AE——励磁箱柜
ARC——低压漏电断路器箱柜
AM——多种电源配电箱柜AK——刀开关箱柜
ABC——建筑自动化控制箱柜ADD——住户配电箱
ATF——信号放大器箱AVP——分配器箱
AXT——接线端子箱ABC——设备监控器箱。
高压开关柜AH高压计量柜AM高压配电柜AA 高压电容柜AJ低压电力配电箱AP低压照明配电箱柜AL应急电力配电箱柜APE应急照明配电箱柜ALE低压负荷开关箱柜AF低压电容补偿柜ACC或ACP 直流配电箱柜AD操作信号箱柜AS 控制屏台箱柜AC继电保护箱柜AR 计量箱柜AW励磁箱柜AE 低压漏电断路器箱柜ARC双电源自动切换箱柜AT 多种电源配电箱柜AM刀开关箱柜AK 电源插座箱AX建筑自动化控制器箱ABC 火灾报警控制器箱AFC设备监控器箱ABC 住户配线箱ADD信号放大器箱ATF 分配器箱AVP接线端子箱AXT 图形符号图形符号国标名称型号、规格、做法说明变电所室外箱式变电所杆上变电所屏、台、箱、柜的一般符号配电室及进线用开关柜多种电源配电箱(盘)画于墙外为明装,除注明外底边边距地1 .2米画于墙内为暗装,除注明外底边边距地1 .4米电力配电箱(盘)照明配电箱(盘)画于墙外为明装,除注明外底边边距地2 .0米,明装电能表板底距地1.8米画于墙内为暗装,除注明外底边边距地1 .4米,明装电能表板底距地1.8米电源切换箱(盘)画于墙外为明装,除注明外底边边距地1 .2米画于墙内为暗装,除注明外底边边距地1 .4米电气图用图形符号事故照明配电箱(盘)画于墙外为明装,除注明外底边边距地1 .2米画于墙内为暗装,除注明外底边边距地1 .4米组合开关箱画于墙外为明装,除注明外底边边距地1 .2米画于墙内为暗装,除注明外底边边距地1.4米电铃操作盘除注明外,底边距地1.2米吹风机操作盘距地1.2米,容量见设计图纸配电盘编号圈内的数字为动力或照明的编号交流电动机除注明外,只做出线 口,防水弯头距机座 0.2 米,均附接地螺丝按钮盒 圈或点数表示按钮数 ,除注明外,均为明装, 距地 1.4 米,按钮组 合排列见设计图立柱式按钮箱风扇一般符号 除注明外,只做出线 盒及吊钩暖风机或冷风机轴流风扇风扇电阻开关除注明外,距地 1.4 米电铃除注明外,距地 0.3 米号志箱交流电钟除注明外,只做出线 口(明线时,用明插座) ,距顶 0.3 米电气图 用图形符号明装单相二级插座250 伏-10 安,距地 0. 3 米,居民住宅及儿童活动场所应注意安 全插座,如采用普通 插座时,应距地 1.8米(见本表注)明装单相三极插座(带接地 )明装单相四级插座(带接地 ) 380 伏-15 安,25 安, 距地 0.3 米 暗装单相二级插座250 伏-10 安,距地 0.3 米,居民住宅及儿童活动场所应注意安 全插座,如采用普通 插座时,应距地 1.8米(见表下注)明装单相三极插座(带接地 )明装单相四级插座(带接地 ) 380 伏-15 安,25 安, 距地 0.3 米,容量选2图形符号图集使用的范例和说明国标名称型号、规格、做法说明暗装单相三极防脱锁紧型插座(带接地)250伏-10安,距地0.3米,居民住宅及儿童活动场所应采用安全插座,如采用普通插座时,应距地1.8米暗装三相四极防脱锁紧型插座(带接地)380伏-20安,距地0.3米安装T型插座50伏-10安,距地0.3米(见表注)暗装调光开关调光开关,距地1.4米(见表注)金属地面出线盒防水拉线开关(单相二线)250伏-3安,瓷制拉线开关(单极二线)250伏-3安拉线双控开关(单极三线)250伏-3安电气图用图形符号吊线灯附装拉线开关250伏-3安(立轮式),开关绘制方向表示拉线开关的安装方向明装单极开关(单极二线)跷板式开关,250伏-6安(见表注)暗装单极开关(单极二线)跷板式开关,250伏-6安(见表注)明装双控开关(单极三线)跷板式开关,250伏-6安(见表注)用见设计图暗装单相二级防脱锁紧型插座250伏-10安,距地0. 3米,居民住宅及儿童活动场所应注意安全插座,如采用普通插座时,应距地1.8米3暗装双控开关(单极三线)跷板式开关,250 伏-6 安(见表注)暗装按钮式定 时开关250 伏-6 安(见表注)暗装拉线式定 时开关250 伏-6 安暗装拉线式多 控开关250 伏-6 安暗装按钮式多 控开关250 伏-6 安电铃开关250 伏-6 安天棚灯座(裸灯 头)容量和安装方式见设计图墙上灯座(裸灯 头)各灯具一般符 号灯具型号见本图集花灯符号下面的数字,为选用本图集中待选 定型灯具的设计编号非定型特制灯 具 具体要求详见工程图注,下面数字为区 别种类的编号荧光灯列(带状 排列荧光灯)规格、容量、型号、数量按工程设计图 要求,施工中一般均应用高效节能型荧 光灯灯具及与其配套的高可靠、高功率 因素(>0.95)的交流电子镇流器单管荧光灯 双管荧光灯 三管荧光灯 荧光灯花灯组 合防爆型光灯投光灯 规格、容量详见设计图注图形符号 图 集 使 用 的 范 例 和 说 明国 标名 称 型号、规格、做法说明电源引入线 除注明外,架空引入时,高度与一层顶 板同一般电杆天天电气社区,http://www.electri 除有设计图或说明外,均按本图 集带照明灯具的电 杆带照明灯具的电 杆及投照方向拉线的一般符号 带撑杆的电杆 带高桩拉线的电 杆交流配电线路铝芯导线时为 2 根铜芯导线时为 2 根导线型号的 选择详见工 程设计说明; 除工程设计 图中注明外, 暗敷时,按图 集 JD5-605 ~607 选配相 应的管径及 线槽交流配电线路铝芯导线时为 3 根铜芯导线时为 3 根交流配电线路铝芯导线时为 4 根铜芯导线时为 4 根交流配电线路铝芯导线时为 5 根铜芯导线时为 5 根交流配电线路铝芯导线时为 6 根铜芯导线时为 6根支路编号电缆穿管(钢管、 非金属管)保护管径规格见具体工程图注中途穿线盒或分线盒做法见伸缩缝穿线盒做法见电缆人孔除注明外,见电缆手孔管线引向符号引上,引下,由上引来,由下引来,引上并引下,由上引来再引下,由下引来再引上电缆桥架封闭式母线引向符号线槽引上,引下,由上引来,由下引来,引上并引下,由上引来再引下,由下引来再引上避雷线除注明外,见避雷针双极带熔断器开关除注明外,均为HK1型单相胶壳闸三极带熔断器开关除注明外,均为HK1型三相胶壳闸双极带熔断器开关除注明外,均为HH3或HH4型单相铁壳开关三极带熔断器开关除注明外,均为HH3或HH4型三相铁壳开关双极三相转换开关除注明外,均为两电流切换开关三相低压断路器规格、型号详见工程图注跌落式熔断器除注明外,均为RW3-10型户外跌落式熔断器除注明外,均为RW4-10型户外跌落式熔断器4图形符号图集使用的范例和说明国标名称型号、规格、做法说明熔断器除注明外,均为RC1A瓷插式熔断器电气图用图形符号指示式电流表、电压表除注明外,为1T1-A型交流电流表天天电气社区[http://www.electri ]除注明外,为1T1-V型交流电压表有功电能表除注明外,均由供电部门备料安装(虚线时为表位)无功电能表除注明外,均由供电部门备料安装(虚线时为表位)安培表的换相开关伏特表的换相开关壁龛电话交接箱除注明外,暗装距地0.3米室内电话分线盒除注明外,只做出线口,暗装距地0.3米扬声器除注明外,距顶板0.5米广播分线箱(盘)除注明外,暗装距地0.3米电话线路末端线路,简化标注时,只注明电话对数RVB(2×0.2)暗装时穿管1对1(2×0.2)SC15、PC15、TC20、FEC15、(KRG)202对2(2×0.2)3对3(2×0.2)4 对4(2×0.2)5 对5(2×0.2)广播线路除注明外,同电话线路注法,导线穿管 见 JD50-608电视线路除注明外,电缆采用 SYY -75-5-1 型, 穿(KRG)15、FEC15、TC15,明、暗 敷设有设计定设计照度表示 100 勒克司电气图用图形符号安装或敷设高度( 米)自室内该处地面算起安装或敷设高度( 米)自室外该处地面算起消防专用按钮SFAN -1 型实验室用暗装塑 料插销组板 安装高度:除注明者外,距地 1.2 米;装 于依墙实验台处,距台面上 0.3 米实验室用暗装插 销组板安装高度:除注明者外,距地 1.2 米;装 于依墙实验台处,距台面上 0.3 米实验室插销 组板、箱编号 圈内数字:A 为分盘号;B 为设计选定 插销组板或箱的排列方案电气图用图 形符号实验室明装接地 端子板右下角数字表示安装接地端子的节数, 由设计选定.安装高度:除注明外,距地 3 米实验室暗装接地 端子箱接地接线柱板采用 633 型 100 安接线柱组合电气 图用图形符号。
配电箱图形符号The Standardization Office was revised on the afternoon of December 13, 2020配电箱图形符号高压开关柜AH 高压计量柜 AM 高压配电柜 AA 高压电容柜AJ 低压电力配电箱AP低压照明配电箱柜AL 应急电力配电箱柜APE应急照明配电箱柜ALE 低压负荷开关箱柜 AF低压电容补偿柜 ACC或ACP 直流配电箱柜AD 操作信号箱柜 AS 控制屏台箱柜 AC 继电保护箱柜AR计量箱柜 AW 励磁箱柜 AE 低压漏电断路器箱柜 ARC 双电源自动切换箱柜AT多种电源配电箱柜 AM 刀开关箱柜 AK 电源插座箱 AX 建筑自动化控制器箱 ABC火灾报警控制器箱 AFC 设备监控器箱 ABC 住户配线箱 ADD 信号放大器箱 ATF 分配器箱 AVP 接线端子箱 AXT图形符号图形符号国标名称型号、规格、做法说明变电所室外箱式变电所杆上变电所屏、台、箱、柜的一般符号配电室及进线用开关柜多种电源配电箱(盘) 画于墙外为明装,除注明外底边边距地米画于墙内为暗装,除注明外底边边距地米电力配电箱(盘)照明配电箱(盘) 画于墙外为明装,除注明外底边边距地米,明装电能表板底距地米画于墙内为暗装,除注明外底边边距地米,明装电能表板底距地米电源切换箱(盘) 画于墙外为明装,除注明外底边边距地米画于墙内为暗装,除注明外底边边距地米电气图用图形符号事故照明配电箱(盘) 画于墙外为明装,除注明外底边边距地米画于墙内为暗装,除注明外底边边距地米组合开关箱画于墙外为明装,除注明外底边边距地米画于墙内为暗装,除注明外底边边距地米电铃操作盘除注明外,底边距地米吹风机操作盘距地米,容量见设计图纸配电盘编号圈内的数字为动力或照明的编号交流电动机除注明外,只做出线口,防水弯头距机座米,均附接地螺丝按钮盒 圈或点数表示按钮数,除注明外,均为明装,距地米,按钮组合排列见设计图 立柱式按钮箱 风扇一般符号 除注明外,只做出线盒及吊钩 暖风机或冷风机轴流风扇风扇电阻开关 除注明外,距地米 电铃 除注明外,距地米 号志箱交流电钟除注明外,只做出线口(明线时,用明插座),距顶米电气图用图形符号明装单相二级插座 250伏-10安,距地米,居民住宅及儿童活动场所应注意安全插座,如采用普通插座时,应距地米(见本表注)明装单相三极插座(带接地)明装单相四级插座(带接地)380伏-15安,25安,距地米暗装单相二级插座 250伏-10安,距地米,居民住宅及儿童活动场所应注意安全插座,如采用普通插座时,应距地米(见表下注)明装单相三极插座(带接地)明装单相四级插座(带接地)380伏-15安,25安,距地米,容量选用见设计图暗装单相二级防脱锁紧型插座250伏-10安,距地米,居民住宅及儿童活动场所应注意安全插座,如采用普通插座时,应距地米2图形符号图集使用的范例和说明国标名称型号、规格、做法说明暗装单相三极防脱锁紧型插座(带接地) 250伏-10安,距地米,居民住宅及儿童活动场所应采用安全插座,如采用普通插座时,应距地米暗装三相四极防脱锁紧型插座(带接地)380伏-20安,距地米安装T型插座50伏-10安,距地米(见表注) 暗装调光开关调光开关,距地米(见表注) 金属地面出线盒防水拉线开关(单相二线)250伏-3安,瓷制拉线开关(单极二线)250伏-3安拉线双控开关(单极三线)250伏-3安电气图用图形符号吊线灯附装拉线开关250伏-3安(立轮式),开关绘制方向表示拉线开关的安装方向明装单极开关(单极二线)跷板式开关,250伏-6安(见表注)暗装单极开关(单极二线)跷板式开关,250伏-6安(见表注)明装双控开关(单极三线)跷板式开关,250伏-6安(见表注)暗装双控开关(单极三线)跷板式开关,250伏-6安(见表注)暗装按钮式定时开关250伏-6安(见表注)暗装拉线式定时开关250伏-6安暗装拉线式多控开关250伏-6安 暗装按钮式多控开关 250伏-6安 电铃开关 250伏-6安天棚灯座(裸灯头)容量和安装方式见设计图墙上灯座(裸灯头)各灯具一般符号 灯具型号见本图集 花灯符号下面的数字,为选用本图集中待选定型灯具的设计编号非定型特制灯具 具体要求详见工程图注,下面数字为区别种类的编号 荧光灯列(带状排列荧光灯) 规格、容量、型号、数量按工程设计图要求,施工中一般均应用高效节能型荧光灯灯具及与其配套的高可靠、高功率因素(>的交流电子镇流器 单管荧光灯 双管荧光灯 三管荧光灯 荧光灯花灯组合 防爆型光灯投光灯规格、容量详见设计图注3图形符号 图 集 使 用 的 范 例 和 说 明国 标名 称 型号、规格、做法说明 电源引入线 除注明外,架空引入时,高度与一层顶板同一般电杆天天电气社区,除有设计图或说明外,均按本图集带照明灯具的电杆带照明灯具的电杆及投照方向拉线的一般符号带撑杆的电杆带高桩拉线的电杆交流配电线路铝芯导线时为2根铜芯导线时为2根导线型号的选择详见工程设计说明;除工程设计图中注明外,暗敷时,按图集JD5-605~607选配相应的管径及线槽交流配电线路铝芯导线时为3根铜芯导线时为3根交流配电线路铝芯导线时为4根铜芯导线时为4根交流配电线路铝芯导线时为5根铜芯导线时为5根交流配电线路铝芯导线时为6根铜芯导线时为6根支路编号电缆穿管(钢管、非金属管)保护管径规格见具体工程图注中途穿线盒或分线盒做法见伸缩缝穿线盒做法见电缆人孔除注明外,见电缆手孔管线引向符号引上,引下,由上引来,由下引来,引上并引下,由上引来再引下,由下引来再引上电缆桥架封闭式母线引向符号线槽引上,引下,由上引来,由下引来,引上并引下,由上引来再引下,由下引来再引上避雷线除注明外,见避雷针双极带熔断器开关除注明外,均为HK1型单相胶壳闸三极带熔断器开关除注明外,均为HK1型三相胶壳闸双极带熔断器开关除注明外,均为HH3或HH4型单相铁壳开关三极带熔断器开关除注明外,均为HH3或HH4型三相铁壳开关双极三相转换开关除注明外,均为两电流切换开关三相低压断路器规格、型号详见工程图注跌落式熔断器除注明外,均为RW3-10型户外跌落式熔断器除注明外,均为RW4-10型户外跌落式熔断器4图形符号图集使用的范例和说明国标名称型号、规格、做法说明熔断器除注明外,均为RC1A瓷插式熔断器电气图用图形符号指示式电流表、电压表除注明外,为1T1-A型交流电流表天天电气社区[除注明外,为1T1-V型交流电压表有功电能表除注明外,均由供电部门备料安装(虚线时为表位)无功电能表除注明外,均由供电部门备料安装(虚线时为表位)安培表的换相开关伏特表的换相开关壁龛电话交接箱除注明外,暗装距地米室内电话分线盒除注明外,只做出线口,暗装距地米扬声器除注明外,距顶板米广播分线箱(盘) 除注明外,暗装距地米电话线路末端线路,简化标注时,只注明电话对数RVB(2×暗装时穿管1对1(2×SC15、PC15、TC20、FEC15、(KRG)202对2(2×3对3(2×4对4(2×5对5(2×广播线路除注明外,同电话线路注法,导线穿管见JD50-608电视线路除注明外,电缆采用SYY-75-5-1型,穿(KRG)15、FEC15、TC15,明、暗敷设有设计定设计照度表示100勒克司电气图用图形符号安装或敷设高度(米)自室内该处地面算起安装或敷设高度(米)自室外该处地面算起消防专用按钮SFAN-1型实验室用暗装塑料插销组板安装高度:除注明者外,距地米;装于依墙实验台处,距台面上米实验室用暗装插销组板安装高度:除注明者外,距地米;装于依墙实验台处,距台面上米实验室插销组板、箱编号圈内数字:A为分盘号;B为设计选定插销组板或箱的排列方案电气图用图形符号实验室明装接地端子板右下角数字表示安装接地端子的节数,由设计选定.安装高度:除注明外,距地3米实验室暗装接地端子箱接地接线柱板采用633型100安接线柱组合电气图用图形符号。
配电箱图形符号高压开关柜AH 高压计量柜 AM 高压配电柜 AA 高压电容柜AJ 低压电力配电箱AP低压照明配电箱柜AL 应急电力配电箱柜APE 应急照明配电箱柜ALE 低压负荷开关箱柜 AF低压电容补偿柜 ACC或ACP 直流配电箱柜 AD 操作信号箱柜 AS 控制屏台箱柜 AC 继电保护箱柜AR 计量箱柜 AW 励磁箱柜 AE 低压漏电断路器箱柜 ARC双电源自动切换箱柜AT 多种电源配电箱柜 AM 刀开关箱柜 AK 电源插座箱 AX 建筑自动化控制器箱 ABC 火灾报警控制器箱 AFC 设备监控器箱 ABC 住户配线箱 ADD 信号放大器箱 ATF 分配器箱 AVP 接线端子箱 AXT图形符号图形符号型号、规格、做法说国标名称明变电所室外箱式变电所杆上变电所屏、台、箱、柜的一般符号配电室及进线用开关柜多种电源配电箱(盘) 画于墙外为明装,除注明外底边边距地1.2米画于墙内为暗装,除注明外底边边距地1.4米电力配电箱(盘)照明配电箱(盘) 画于墙外为明装,除注明外底边边距地2.0米,明装电能表板底距地1.8米画于墙内为暗装,除注明外底边边距地1.4米,明装电能表板底距地1.8米电源切换箱(盘) 画于墙外为明装,除注明外底边边距地1.2米画于墙内为暗装,除注明外底边边距地1.4米电气图用图形符号事故照明配电箱(盘) 画于墙外为明装,除注明外底边边距地1.2米画于墙内为暗装,除注明外底边边距地1.4米组合开关箱画于墙外为明装,除注明外底边边距地1.2米画于墙内为暗装,除注明外底边边距地1.4米电铃操作盘除注明外,底边距地1.2米吹风机操作盘距地1.2米,容量见设计图纸配电盘编号圈内的数字为动力或照明的编号交流电动机除注明外,只做出线口,防水弯头距机座0.2米,均附接地螺丝按钮盒圈或点数表示按钮数,除注明外,均为明装,距地1.4米,按钮组合排列见设计图立柱式按钮箱风扇一般符号除注明外,只做出线盒及吊钩暖风机或冷风机轴流风扇风扇电阻开关除注明外,距地1.4米电铃除注明外,距地0.3米号志箱交流电钟除注明外,只做出线口(明线时,用明插座),距顶0.3米电气图用图形符号明装单相二级插座250伏-10安,距地0.3米,居民住宅及儿童活动场所应注意安全插座,如采用普通插座时,应距地1.8米(见本表注)明装单相三极插座(带接地)明装单相四级插座(带接地)380伏-15安,25安,距地0.3米 暗装单相二级插座250伏-10安,距地0.3米,居民住宅及儿童活动场所应注意安全插座,如采用普通插座时,应距地1.8米(见表下注) 明装单相三极插座(带接地)明装单相四级插座(带接地)380伏-15安,25安,距地0.3米,容量选用见设计图暗装单相二级防脱锁紧型插座250伏-10安,距地0.3米,居民住宅及儿童活动场所应注意安全插座,如采用普通插座时,应距地1.8米2图形符号图集使用的范例和说明国标名称型号、规格、做法说明暗装单相三极防脱锁紧型插座(带接地) 250伏-10安,距地0.3米,居民住宅及儿童活动场所应采用安全插座,如采用普通插座时,应距地1.8米暗装三相四极防脱锁紧型插座(带接地)380伏-20安,距地0.3米安装T型插座50伏-10安,距地0.3米(见表注) 暗装调光开关调光开关,距地1.4米(见表注) 金属地面出线盒防水拉线开关(单相二线)250伏-3安,瓷制拉线开关(单极250伏-3安拉线双控开关(单极三线)250伏-3安电气图用图形符号吊线灯附装拉线开关250伏-3安(立轮式),开关绘制方向表示拉线开关的安装方向明装单极开关(单极二线)跷板式开关,250伏-6安(见表注) 暗装单极开关(单极二线)跷板式开关,250伏-6安(见表注) 明装双控开关(单极三线)跷板式开关,250伏-6安(见表注) 暗装双控开关(单极三线)跷板式开关,250伏-6安(见表注) 暗装按钮式定时开关250伏-6安(见表注)暗装拉线式定时开关250伏-6安暗装拉线式多控开关250伏-6安暗装按钮式多控250伏-6安电铃开关 250伏-6安天棚灯座(裸灯头)容量和安装方式见设计图墙上灯座(裸灯头)各灯具一般符号 灯具型号见本图集花灯符号下面的数字,为选用本图集中待选定型灯具的设计编号非定型特制灯具具体要求详见工程图注,下面数字为区别种类的编号荧光灯列(带状排列荧光灯) 规格、容量、型号、数量按工程设计图要求,施工中一般均应用高效节能型荧光灯灯具及与其配套的高可靠、高功率因素(>0.95)的交流电子镇流器单管荧光灯 双管荧光灯 三管荧光灯 荧光灯花灯组合 防爆型光灯投光灯规格、容量详见设计图注3图形符号 图 集 使 用 的 范 例 和 说 明国 标名 称型号、规格、做法说明 电源引入线除注明外,架空引入时,高度与一层顶板同一般电杆 天天电气社区,http://www.el除有设计图或说明外,均按本图集 带照明灯具的电杆带照明灯具的电杆及投照方向拉线的一般符号带撑杆的电杆带高桩拉线的电杆交流配电线路铝芯导线时为2根 铜芯导线时为2根导线型号的选择详见工程设计说明;除工程设计图中注明外,暗敷时,按图集J交流配电线路铝芯导线时为3根铜芯导线时为3根交流配电线路铝芯导线时为4根铜芯导线时为4根D5-605~607选配相应的管径及线槽交流配电线路铝芯导线时为5根铜芯导线时为5根交流配电线路铝芯导线时为6根铜芯导线时为6根支路编号电缆穿管(钢管、非金属管)保护管径规格见具体工程图注中途穿线盒或分线盒做法见伸缩缝穿线盒做法见电缆人孔除注明外,见电缆手孔管线引向符号引上,引下,由上引来,由下引来,引上并引下,由上引来再引下,由下引来再引上电缆桥架封闭式母线引向符号线槽引上,引下,由上引来,由下引来,引上并引下,由上引来再引下,由下引来再引上避雷线除注明外,见避雷针双极带熔断器开关除注明外,均为HK1型单相胶壳闸三极带熔断器开关除注明外,均为HK1型三相胶壳闸双极带熔断器开关除注明外,均为HH3或HH4型单相铁壳开关三极带熔断器开关除注明外,均为HH3或HH4型三相铁壳开关双极三相转换开关除注明外,均为两电流切换开关三相低压断路器规格、型号详见工程图注跌落式熔断器除注明外,均为RW3-10型户外跌落式熔断器除注明外,均为RW4-10型户外跌落式熔断器4图形符号图集使用的范例和说明国标名称型号、规格、做法说明熔断器除注明外,均为RC1A瓷插式熔断器电气图用图形符号指示式电流表、电压表除注明外,为1T1-A型交流电流表天天电气社区[http://www.ele ]除注明外,为1T1-V型交流电压表有功电能表除注明外,均由供电部门备料安装(虚线时为表位)无功电能表除注明外,均由供电部门备料安装(虚线时为表位)安培表的换相开关伏特表的换相开关壁龛电话交接箱除注明外,暗装距地0.3米室内电话分线盒除注明外,只做出线口,暗装距地0.3米扬声器除注明外,距顶板0.5米广播分线箱(盘) 除注明外,暗装距地0.3米电话线路末端线路,简化标注时,只注明电话对数RVB(2×0.2)暗装时穿管1对1(2×0.2)SC15、PC15、TC20、FEC15、(KRG)202对2(2×0.2)3对3(2×0.2)4对4(2×0.2)5对5(2×0.2)广播线路除注明外,同电话线路注法,导线穿管见JD50-608电视线路除注明外,电缆采用SYY-75-5-1型,穿(KRG)15、FEC15、TC15,明、暗敷设有设计定设计照度表示100勒克司电气图用图形符号安装或敷设高度(米)自室内该处地面算起安装或敷设高度(米)自室外该处地面算起消防专用按钮SFAN-1型实验室用暗装塑料插销组板安装高度:除注明者外,距地1.2米;装于依墙实验台处,距台面上0.3米实验室用暗装插销组板安装高度:除注明者外,距地1.2米;装于依墙实验台处,距台面上0.3米实验室插销组板、箱编号圈内数字:A为分盘号;B为设计选定插销组板或箱的排列方案电气图用图形符号实验室明装接地端子板右下角数字表示安装接地端子的节数,由设计选定.安装高度:除注明外,距地3米实验室暗装接地端子箱采用633型100安接线柱组合电气图接地接线柱板用图形符号。
配电箱系统图的所有符号,你都认识吗?什么是配电箱?所有用户用电的总的一个电路分配箱工作原理:配电箱是按电气接线要求将开关设备、测量仪表、保护电器和辅助设备组装在封闭或半封闭金属柜中或屏幅上,构成低压配电装置。
正常运行时可借助手动或自动开关接通或分断电路。
故障或不正常运行时借助保护电器切断电路或报警。
借测量仪表可显示运行中的各种参数,还可对某些电气参数进行调整,对偏离正常工作状态进行提示或发出信号。
常用于各发、配、变电所中。
用途:便于管理,当发生电路故障时有利于检修。
配电箱和配电柜配电盘配电凭等,是集中安装开关、仪表等设备的成套装置。
常用的配电箱有木制和铁板制两种,现在哪儿的用电量都挺大的,所以还是铁的用的比较多。
配电箱的用途:当然是方便停、送电,起到计量和判断停、送电的作用。
分类:按结构特征和用途分类:(1)固定面板式开关柜,常称开关板或配电屏。
它是一种有面板遮拦的开启式开关柜,正面有防护作用,背面和侧面仍能触及带电部分,防护等级低,只能用于对供电连续性和可靠性要求较低的工矿企业,作变电室集中供电用。
(2)防护式(即封闭式)开关柜,指除安装面外,其它所有侧面都被封闭起来的一种低压开关柜。
这种柜子的开关、保护和监测控制等电气元件,均安装在一个用钢或绝缘材料制成的封闭外壳内,可靠墙或离墙安装。
柜内每条回路之间可以不加隔离措施,也可以采用接地的金属板或绝缘板进行隔离。
通常门与主开关操作有机械联锁。
另外还有防护式台型开关柜(即控制台),面板上装有控制、测量、信号等电器。
防护式开关柜主要用作工艺现场的配电装置。
(3)抽屉式开关柜。
这类开关柜采用钢板制成封闭外壳,进出线回路的电器元件都安装在可抽出的抽屉中,构成能完成某一类供电任务的功能单元。
功能单元与母线或电缆之间,用接地的金属板或塑料制成的功能板隔开,形成母线、功能单元和电缆三个区域。
每个功能单元之间也有隔离措施。
抽屉式开关柜有较高的可靠性、安全性和互换性,是比较先进的开关柜,目前生产的开关柜,多数是抽屉式开关柜。
配电箱系统图符号大全
配电箱是数据上的海量参数,一般是构成低压林按电气接线,要求将开关设备、测量仪表、保护电器和辅助设备组装在封闭或半封闭金属柜中或屏幅上,构成低压配电箱。
正常运行时可借助手动或自动开关接通或分断电路。
首先,先来介绍关于配电箱的一些知识内容。
配电箱的用途
合理的分配电能,方便对电路的开合操作。
有较高的安全防护等级,能直观的显示电路的导通状态。
工作原理
配电箱是按电气接线要求将开关设备、测量仪表、保护电器和辅助设备组装在封闭或半封闭金属柜中或屏幅上,构成低压配电装置。
正常运行时可借助手动或自动开关接通或分断电路。
故障或不正常运行时借助保护电器切断电路或报警。
借测量仪表可显示运行中的各种参数,还可对某些电气参数进行调整,对偏离正常工作状态进行提示或发出信号。
常用于各发、配、变电所中。
用途
便于管理,当发生电路故障时有利于检修。
配电箱和配电柜配电盘配电凭等,是集中安装开关、仪表等设备的成套装置。
常用的配电箱有木制和铁板制两种,现在哪儿的用电量都挺大的,所以还是铁的用的比较多。
配电箱的用途:当然是方便停、送电,起到计量和判断停、送电的作用。
分类。