验货报告模板
- 格式:doc
- 大小:32.50 KB
- 文档页数:3
验货报告范本
尊敬的客户:
根据您的委托,我们对您的货物进行了验货工作。
现将验货报告如下:
一、货物基本信息。
货物名称,(填写货物名称)。
货物数量,(填写货物数量)。
货物规格,(填写货物规格)。
货物生产日期,(填写生产日期)。
货物包装,(填写包装情况)。
二、外观验货。
我们对货物的外观进行了仔细的检查。
货物外观整体无损坏、污渍、变形等情况,包装完好,无破损、漏气等现象。
三、数量验货。
根据您提供的订单信息,我们对货物的数量进行了核对。
核对结果与订单数量一致,未发现数量差异。
四、质量验货。
我们对货物进行了抽样检测,结果显示货物质量符合相关标准要求,无质量问题。
五、其他情况。
在验货过程中,我们未发现货物有任何异常情况,符合您的要求。
六、结论。
根据我们的验货结果,货物外观完好,数量无误,质量符合标准要求,可以满足您的使用需求。
七、建议。
建议您在收到货物后,再次进行外观检查和数量核对,以确保货物在运输过程中未受损或有遗漏。
八、附件。
1. 货物外观照片。
2. 货物数量核对表。
3. 质量检测报告。
以上是我们对货物的验货报告,如有任何疑问或需要进一步了解,请随时与我们联系。
感谢您对我们的信任与支持。
此致。
敬礼。
(您的姓名)。
(您的职务)。
(公司名称)。
(联系方式)。
教你怎么写验货报告导读:篇一:验货报告篇二:验货报告 JunFeng ElectricAppliancesCo.Ltd 验货报告客户名称订单号码订单数量产品编号出货数量出货港口一、外观:二、尺寸:三、组装:四、包装方式:其它原因:六、检验情况备注:篇三:验货报告 FINAL INSPECTION REPO篇一:验货报告篇二:验货报告JunFengElectricAppliancesCo.Ltd验货报告客户名称订单号码订单数量产品编号出货数量出货港口一、外观:二、尺寸:三、组装:四、包装方式:其它原因:六、检验情况备注:篇三:验货报告FINAL INSPECTION REPORTInspection No. : Date : 30-05-202xP. : 1 / 11105-0-64045 - Rev. 1Inspected By :BILLI YANGRESULT : AcceptedREMARK:SIGNATURE :This report is signed by Anna Peng of user ID anna@ on 30-05-202x 18:43:30.NAME : Anna PengStart Time : 26-05-202x 15:00End Time : 26-05-202x 15:25TITLE :ManagerThe defects found and listed in this report are the findings at the time of inspection mentioned above. The supplier is responsible for the whole lot products shipped.。
验货报告范本模板示例1:验货报告是商业行为中重要的一环,它记录了货物的实际情况,有助于双方交易的顺利进行和解决潜在的问题。
下面是一个验货报告范本模板,供您参考:[公司/组织名称][地址][电话][日期]验货报告受托方:[供应商名称]地址:[供应商地址]联系人:[供应商联系人]电话:[供应商电话]委托方:[公司/组织名称]地址:[公司/组织地址]联系人:[公司/组织联系人]电话:[公司/组织电话]一、验货时间及地点:验货时间:[具体日期]验货地点:[具体地点]二、验货货物信息:货物名称:[货物名称]品牌:[品牌]数量:[货物数量]规格:[货物规格]包装方式:[货物包装方式]三、验货过程:1. 验货项目:- [验货项目1]:[检查结果]- [验货项目2]:[检查结果]- [验货项目3]:[检查结果]- ...2. 异常情况:- [异常情况1]:[详细描述]- [异常情况2]:[详细描述]- ...四、验货结论:根据上述验货过程,我们得出以下结论:1. 验货结果良好,货物符合质量标准,无明显瑕疵。
或者2. 验货结果存在以下问题,供应商需要采取相应措施:- [问题1]:[详细描述]- [问题2]:[详细描述]- ...五、附加说明/建议:[附加说明/建议]六、签名:委托方签名:日期:受托方签名:日期:以上是验货报告范本模板,可以根据具体情况进行修改和完善。
记得在验货过程中,严格按照验货标准进行操作,确保结果的准确性和可靠性。
示例2:验货报告范本模板标题:验货报告日期:[日期]报告编号:[报告编号]1. 概述本次验货报告涵盖了对某种产品的质量检查和验货过程的详细描述。
我们对该产品进行了全面的外观、尺寸、包装和性能等方面的检查,并将结果记录在下文中。
2. 产品信息- 产品名称:[产品名称]- 型号/规格:[型号/规格]- 生产日期:[生产日期]- 生产厂家:[生产厂家]- 所在地:[所在地]- 数量:[数量]3. 检查内容在验货过程中,我们关注了以下几个方面的检查:- 产品表面是否有划痕、磨损或变形- 零部件是否完整- 颜色、涂层和印刷是否符合要求- 产品是否有异味或污渍3.2 尺寸检查- 使用标准测量工具对产品尺寸进行测量- 确保产品尺寸符合设计要求3.3 包装检查- 检查包装是否完好,没有破损或污染- 核对包装和产品标签是否准确无误- 包装是否符合相关法规和要求3.4 功能性检查- 按照产品说明书或使用手册进行功能操作测试- 确保产品功能正常运作,不存在故障或漏洞4. 检查结果根据我们的检查,以下是我们对该产品的评估结果:- 产品外观正常,没有划痕、磨损或变形- 零部件完整- 颜色、涂层和印刷符合要求- 产品没有异味或污渍4.2 尺寸评估- 产品尺寸符合设计要求4.3 包装评估- 包装完好,没有破损或污染- 包装和产品标签准确无误- 包装符合相关法规和要求4.4 功能性评估- 产品功能正常,没有故障或漏洞5. 建议和建议根据我们的评估结果,我们建议以下几点:- 如果产品存在任何质量问题,建议与生产厂家或供应商联系,寻求解决方案。
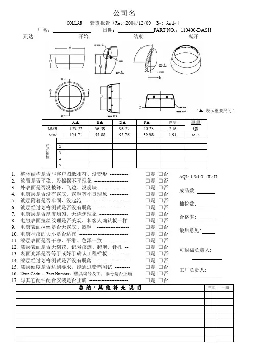
公司名COLLAR 验货报告(Rev:2004/12/09 By: Andy )厂名: 日期: PART NO.:110400-DASH到达:__________ 开始:__________ 结束:__________ 离开:__________A ▲B ▲D ▲F ▲厚度重量(g)MAX. 125.22 56.39 96.27 40.23 2.16 MIN.124.7155.8895.7639.981.9161.0 产品抽检12 3 4 51. 整体结构是否与客户图纸相符、没变形 ----------- □是 □否2. 放置是否平稳、没摇摆不平现象 -------------------- □是 □否3. 外表面是否没披锋、飞边、没崩缺 ----------------- □是 □否4. 电镀层是否没有露底、露铜等不良现象 ----------- □是 □否5. 镀层附着是否牢固、没起泡 -------------------------- □是 □否6. 镀层经过划格测试是否没有脱落 -------------------- □是 □否7. 电镀层是否厚度均匀、无烧焦现象 ----------------- □是 □否8. 电镀表面拉丝纹理是否美观,和客人确认板一样 □是 □否9. 电镀表面拉丝是否无露底、露铜 ------------------- □是 □否 10. 电镀挂痕的大小是否适宜 ----------------------------- □是 □否 11. 漆层表面是否干净、平滑、色泽一致 -------------- □是 □否 12. 漆层表面是否无划花、记号痕迹、起泡、针孔 -- □是 □否 13. 表面光泽是否等于或好于确认工程样板 ------------ □是 □否 14. 漆层经过划格测试是否没有脱落 --------------------- □是 □否 15. 漆层硬度是否达到要求,能通过铅笔测试 --------- □是 □否 16. D 、Part Number 、模具编号及工厂编号是否正确 □是 □否 与其它配件配合安装是否正确 -----------------------□是 □否总 结 / 其 他 补 充 说 明严重 一般AQL: 1.5/4.0 IL: II成品数:抽检数:合格率:最后意见:可耐福负责人:工厂负责人:(▲表示重要尺寸)。
生产厂家验货报告模板
验货报告模板
日期:XXXX年XX月XX日
生产厂家:XXX公司
一、验货内容
1. 产品名称:{填写产品名称}
2. 产品规格:{填写产品规格}
3. 验货数量:{填写验货数量}
4. 验货地点:{填写验货地点}
5. 验货人员:{填写验货人员名称}
6. 验货时间:{填写验货时间}
二、外观质量
1. 包装:{填写包装情况,如是否完好,是否有损坏}
2. 外观:{填写产品外观情况,如是否有划痕、变形等问题}
三、功能性能
1. 功能:{填写产品的功能是否正常,是否存在性能问题}
2. 操作方法:{填写产品操作方法是否易懂,并指出操作时的注意事项}
四、材料质量
1. 主要材料:{填写产品主要材料如金属、塑料等的质量情况}
2. 耐用性:{填写产品的耐用性如何,是否容易损坏}
五、安全性
1. 安全性:{填写产品的安全性能如何,是否存在安全隐患}
2. 标识:{填写产品是否有必要的警示标识或使用说明}
六、综合评价
1. 总体评价:{填写对产品质量的总体评价,如优点、不足之处}
2. 建议:{填写针对产品质量存在的问题提出建议,如改进措施}
总结:
本次验货过程中,对产品进行了全面的检查,发现了{填写问题及数量}等问题,经过沟通,厂家表示愿意负责并解决相关问题。
总体评价产品质量尚可,希望在后续的合作中能够进一步加强产品质量的把控,提高客户满意度。
验货人员签字:日期:
生产厂家代表签字:日期:。
验货报告模板
验货报告模板
报告名称:验货报告
日期:[填写日期]
1. 商品信息
商品名称:[填写商品名称]
商品型号:[填写商品型号]
商品数量:[填写商品数量]
商品价格:[填写商品价格]
2. 验货内容
2.1 外包装验货
外包装是否完好:[填写是/否]
外包装是否有破损或变形:[填写是/否]
外包装是否被打开过:[填写是/否]
2.2 商品外观验货
商品外观是否完整:[填写是/否]
商品外观是否有划痕或污渍:[填写是/否] 商品外观是否与产品描述相符:[填写是/否]
2.3 商品功能验货
商品是否正常运行:[填写是/否]
商品功能是否齐全:[填写是/否]
是否进行过功能测试:[填写是/否]
3. 验货结果
根据以上验货内容,我判断如下:
商品外包装完好,无破损或变形,未被打开过;
商品外观良好,无划痕或污渍,与产品描述相符;
商品功能正常运行,功能齐全,通过了功能测试。
4. 验货建议
针对以上验货结果,我提出以下建议:
对于商品外包装完好、外观良好、功能正常运行的商品,建议将其视为合格品,可进一步进行销售或分发;
对于存在问题的商品,建议及时联系供应商进行退换货或维修处理。
5. 其他说明
在进行验货过程中,我注意到以下问题或需要补充说明的地方:[填写其他问题或需要说明的事项]
6. 附件
[如果有相关照片或文档,可在此处添加附件]
以上为本次验货报告,请查收。
如有任何疑问或需要进一步了解,请随时与我联系。
验货员签名:[填写验货员的签名]
联系方式:[填写验货员的联系方式]。
成品验货报告格式
一、产品信息
品名:
型号:
规格:
材质:
生产厂家:
生产日期:
生产地点:
二、外观验收
1.包装验收
外包装:完整、平整、无污渍、破损、开裂、水印等。
配件:数量、品质、规格等是否符合规定。
2.产品尺寸
测量产品尺寸,是否符合标准要求,有无偏差。
3.色差和花纹
对比产品样品,是否存在色差和花纹差异,差异是否超过可接受范围。
4.表面处理
观察产品表面是否光亮、无污渍、划痕等问题。
5.产品质量
检查产品边角是否完整,产品表面是否平整,无毛刺、无气泡等问题。
三、技术验收
1.功能测试
根据产品功能说明,测试产品是否能正常使用,是否达到产品要求。
2.安全测试
根据产品安全测试要求,测试产品的安全性,是否存在隐患。
四、检验结论
产品检验结果:符合/不符合
产品检验结论:
原因分析:
处理措施:
五、审核意见
审核人员签名:
审核日期:
六、备注
备注:(如:对产品中存在的问题或不足进行备注)。
以上为成品验货报告格式,具体内容可根据实际情况进行调整和补充,以确保成品的质量和安全性。
第1篇一、报告概述本报告旨在对本次成品验货过程进行总结,分析验货过程中发现的问题,并提出相应的改进措施。
本次验货旨在确保产品符合质量标准,满足客户需求。
以下是本次验货的详细总结。
二、验货背景本次验货的产品为公司生产的某型号电子产品,共计1000台。
产品在工厂完成组装、测试后,需进行成品验货,以确保产品在出厂前达到质量要求。
本次验货由质量管理部门组织,检验员负责具体实施。
三、验货过程1. 验货准备(1)编制验货计划:明确验货时间、地点、人员、检验标准等。
(2)准备检验工具:如万用表、示波器、显微镜等。
(3)收集相关资料:产品技术规格、检验标准、检验流程等。
2. 验货实施(1)外观检验:检查产品外观是否有划痕、破损、变形等缺陷。
(2)功能检验:测试产品各项功能是否正常,如充电、通话、拍照等。
(3)性能检验:测试产品性能指标是否符合要求,如电池容量、通话质量、拍照效果等。
(4)安全检验:检查产品是否存在安全隐患,如电路短路、过热等。
3. 验货结果本次验货共发现以下问题:(1)外观缺陷:5台产品存在划痕、破损、变形等缺陷。
(2)功能缺陷:3台产品存在通话质量差、充电不稳定等问题。
(3)性能缺陷:2台产品电池容量低于标准要求。
(4)安全隐患:1台产品存在电路短路风险。
四、问题分析1. 外观缺陷:主要原因是生产过程中操作不规范、检验不严格。
2. 功能缺陷:可能是设计问题、元器件质量不佳或生产过程控制不严。
3. 性能缺陷:可能是元器件质量不佳、生产工艺不合理或测试方法不当。
4. 安全隐患:可能是设计缺陷、元器件质量不佳或生产过程控制不严。
五、改进措施1. 加强生产过程管理:规范操作流程,提高员工操作技能,加强检验力度。
2. 优化产品设计:针对功能缺陷和性能缺陷,优化产品设计和生产工艺。
3. 严格元器件采购:选择质量可靠的元器件供应商,确保元器件质量。
4. 强化安全意识:加强员工安全教育培训,提高安全意识。
5. 优化检验流程:完善检验标准,提高检验效率。
工厂验货报告模板
成品检验报告
报告编号: ZL-XLY-000 产品名称: 规格型号: 订单号: 颜色: 数量: 供应
商: 检验日期: 抽样数量: 检验员: 开始时间结束时间
AQL 严重主要: 次要:
抽检标准:GB/T2828-2003
AC/ RE 0/1
不合格数量检验项目不合格描述备注严重主要. 次要.
包装检查
产品外观
性能检测
其它要求
合计
检验结果: ?合格 ?不合格
审核: 日期:
不合格评审代码: A:返工 B:让步接收 C:FQC重检
不合格评审 (请填写字母代号)
质量部:, , 运营总监:, , 业务部:, , 总经理:, , 签名: ,,,, 签名: ,,,, 签名: ,,, , 签名: ,,,, 日期: ,,,, 日期: ,,,, 日期: ,,, , 日期: ,,,, 评审说明:
最终判定:, , 审批: ,,,,,, 日期:,,,,,, 此栏由供应填写 :
实施情况:
供应: 日期:。
验货报告,模板篇一:通用验货报告Results1. 此报告仅作为本公司对所抽验货品质量之确认,,由厂方负全部责任. 2. 验货标准:MIL-STD-105E II级单次抽样. 此次验货 AQL MAJ= ,MIN =; MAJ= MIN =3. 验货时工厂应最少完成批货量80%的完整包装;验货时数量不足、无货或验货不通过,每次扣款QA验货费用RMB 元,- 1 -Page 1 sur 2表单编号: XX-QC-001/A1. 此报告仅作为本公司对所抽验货品质量之确认,,由厂方负全部责任. 2. 验货标准:MIL-STD-105E II级单次抽样. 此次验货 AQL MAJ= ,MIN =; MAJ= MIN =3. 验货时工厂应最少完成批货量80%的完整包装;验货时数量不足、无货或验货不通过,每次扣款QA验货费用RMB 元,- 2 -Page 2 sur 2 表单编号: XX-QC-001/A篇二:教你怎么写验货报告怎样写验货报告一份验货报告是一次验货的真实记录。
一份完整的验货报告应该真实、全面、公正,要让我们的客户在没有亲自到场的情况下,对委托给我们的货的各种状况有一个清晰的认识。
这就对报告提出了很高的要求。
以下是一份***杂货组GENERAL的空白报告模式,我们以它为例,分析一下该怎样写好一份合格的报告(黑体部分为原报告内容)。
CTION REPORTAPPLICANT:DESCRIPTION BUYER申请验货人的地址DATE: 验货日期(一般为客户,但也可能是中间商,具体情况参考BOOKING FORM SHEET上的信息。
)ATTN.: 联系人: 产产品描述,一般形似为:数量+产品。
例:5000PCS of Wooden Table: 客户名称: 中间商名称(如果该次验货有客户申请,则此处须填上;如果该次验货由中间商申SUPPLIER请,则此处不填。
) : 定单号ORDER NO. (注:要注意是ORDER NO.或CONTRACT NO.,例如一般为CONTRACT NO.)MODEL NO./STYLE NO. : 客人的货号(可在定单中找出): 中间商的货号(可在定单中找出) SUPPLIER ART. NO.: 产品颜色(如果有的话) COLORDATE OF INSPECTION : 验货日期to PLACE OF INSPECTION : 验货地点THE INSPECTION RESULTS OF THE ABOVE MENTIONED MERCHANDISE ARE FOUND AS FOLLOWS: A) QUANTITY AVAILABLE 验货员到厂时,所验的这批货的完整包装的数量是否达到客人的要求。
闲鱼验货报告
闲鱼验货报告
日期:XXXX年XX月XX日
卖方信息:
卖方昵称:XXXXX
卖方手机号码:XXXXXXXX
商品信息:
商品名称:XXXXX
交易价格:XXXXX元
商品描述页面:XXXXXXXXXXXXXXXXX
交易时间:XXXX年XX月XX日
交易地点:XXXXXX
验货时间:XXXX年XX月XX日
验货地点:XXXXXX
验货结果:
经过仔细检查,本次验货结果如下:
1. 外观检查:
(1) 商品整体外观良好,无明显刮痕或磨损;
(2) 商品外包装完好无损,无明显撕裂或压碎等情况;
(3) 商品配件齐全,无缺失或损坏。
2. 内部检查:
(1) 打开商品包装,内部物品齐全,无缺失或替换;
(2) 商品电器部分正常运行,功能完好无误;
(3) 商品外观与描述页面所示图片相符,无瑕疵或变形。
3. 测试检查:
(1) 对商品进行电池电量测试,电量正常,能够正常工作;
(2) 对商品进行相关功能测试,如操作、接口连接等,一切正常。
结论:
本次闲鱼验货结果显示,通过检查后确认此商品外观完好、配件齐全,内部物品无损失,电器部分功能正常,配合测试检查也表明商品可以正常工作。
根据验货结果,无疑可以确定此商品为一个良好的交易。
注意事项:
1. 鉴于本次交易故障,对于任何潜在的问题或瑕疵,建议买方在收到商品后尽快进行测试并反馈;
2. 如有任何不满或争议,建议双方沟通解决或通过闲鱼客服介入处理;
3. 验货报告仅做参考,若有其他问题请及时联系。
验货报告(模板)尊敬的客户:一、验货基本信息1. 验货日期:[填写具体日期]2. 验货地点:[填写具体地点]3. 验货人员:[填写验货人员姓名]4. 产品名称:[填写产品名称]5. 产品型号:[填写产品型号]6. 产品数量:[填写产品数量]二、外观检查1. 包装:[描述包装情况,如完好、破损、变形等]2. 标识:[描述产品标识是否清晰、完整]3. 外观:[描述产品外观是否完好、无划痕、无变形等]三、功能测试1. 启动:[描述产品启动是否正常]2. 运行:[描述产品运行是否平稳、无异常噪音]3. 功能:[描述产品各项功能是否正常,如开关、按键、显示等]四、质量检查1. 材质:[描述产品材质是否与描述一致]2. 结构:[描述产品结构是否牢固、无松动]3. 配件:[描述产品配件是否齐全、完好]五、其他检查1. 附件:[描述产品附件是否齐全、完好]2. 说明书:[描述产品说明书是否齐全、清晰]3. 售后服务:[描述产品售后服务政策]六、验货结论祝您使用愉快![公司名称][验货报告编号][报告日期]尊敬的客户:一、产品一致性检查1. 型号匹配:我们核实了产品的型号,确认与您的订单信息一致,无误。
2. 颜色与设计:产品颜色和设计细节与您选择的一致,无色差或设计偏差。
二、性能评估1. 功能验证:我们对产品的主要功能进行了逐一测试,确保每个功能都能正常运行。
2. 稳定性测试:在模拟实际使用环境下,产品表现出稳定的性能,无频繁死机或重启现象。
三、安全性检测1. 安全标准:产品符合国家或国际安全标准,无安全隐患。
2. 保护措施:产品附带的安全保护措施(如防滑垫、安全锁等)齐全,安装正确。
四、配件完整性1. 配件清单:所有随附配件均已检查,与产品包装清单相符。
2. 配件质量:配件质量良好,无损坏或瑕疵。
五、使用体验1. 用户体验:产品设计符合人体工程学,操作简便,用户界面友好。
2. 噪音水平:产品在运行过程中噪音在可接受范围内,不影响正常使用。
验货报告范本验货报告
供应商:
检验日期:
货物名称:
规格型号:
数量:
一、外观检查:
1、外观形态检查:合格/不合格
2、表面整洁度检查:合格/不合格
3、特殊标志检查:合格/不合格
二、尺寸检查:
1、长度:合格/不合格
2、宽度:合格/不合格
3、厚度:合格/不合格
三、功能检查:
1、质量检查:合格/不合格
2、稳定性检查:合格/不合格
3、安装检查:合格/不合格
四、机械性能:
1、耐久性能:合格/不合格
2、强度性能:合格/不合格
3、精度性能:合格/不合格
五、检验结论:
根据上述检验结果,货物符合约定质量标准,合格率:检验人:
日期:。
袜子工厂验货报告模板范文前言本次验货报告旨在对某袜子工厂进行全面检查,确保生产的袜子符合质量标准。
本报告将对工厂的生产设备、产品质量控制以及工作环境进行评估,并提供改进建议。
1. 工厂概述袜子工厂位于某某地区,占地面积约XXXX平方米,员工数量XXX 人。
该工厂主要生产棉质袜子,年产量达到XXXXX双。
2. 设备检查2.1 设备现状在本次检查中,发现工厂已经使用了先进的生产设备。
设备运行平稳,生产效率较高,能够满足大规模生产的需求。
2.2 设备维护工厂设备维护得当,处于良好工作状态。
设备定期保养,维修记录清晰,设备故障率较低。
但为了确保设备长期稳定运行,建议增加定期设备维护计划,包括定期检查和润滑设备。
3. 产品质量控制3.1 原材料检查工厂采用优质的原材料进行生产。
原材料供应商均具备相关认证,确保提供符合国际质量标准的原材料。
3.2 生产工艺工厂的生产工艺有条不紊,遵循一套严格的生产流程。
生产过程中,每个环节都有负责人员进行质量控制和品检。
同时,工厂拥有先进的生产线监控系统,能够及时发现并处理生产中的问题。
3.3 成品检验工厂建立了完善的成品检验流程。
对每批次生产的袜子进行全面检查,确保产品的质量符合标准。
成品抽检过程详尽,确保每批产品的质量可控。
3.4 产品质量问题分析在本次验货中,发现少部分袜子存在以下问题:- 部分袜子有织疵、线头未处理或线头未剪除等质量问题;- 部分袜子尺寸不符合要求,存在尺码过大或过小的情况;- 部分袜子颜色与样品有较大差异。
4. 工作环境4.1 车间环境工厂的生产车间干净整洁,安全通道畅通,照明充足。
车间内设有消防器材,并按时进行消防演练。
但部分工人未按规范佩戴劳动防护用品。
4.2员工培训工厂定期进行员工安全培训,并保留相关培训记录。
但部分员工的操作技能和质量意识仍需加强。
建议加强员工培训计划,提高员工技能水平和意识。
5. 改进建议为了进一步提升质量控制,工厂应采取以下改进建议:- 加强设备定期维护计划,确保设备长期稳定运行;- 进一步优化生产工艺,减少质量缺陷的发生;- 增加质检工序,提高产品出厂合格率;- 加强员工培训,提高技能水平和质量意识。
杯子验货报告模板1. 引言本报告旨在对杯子进行验货评估,以确保杯子的质量符合要求。
本报告将提供杯子的整体评估以及对各项验货指标的具体评估结果。
2. 杯子概述2.1 产品基本信息•产品名称:杯子•产品材质:玻璃•产品规格:容量500ml•生产厂商:XXXX 公司•生产日期:YYYY年MM月DD日2.2 产品外观评估2.2.1 外观检查根据外观检查,杯子表面无明显划痕或瑕疵,符合验货要求。
2.2.2 包装评估杯子的包装完好无损,无任何磨损或撕裂痕迹,并且杯子与包装间无异味。
2.2.3 产品标识杯子上的产品标识清晰可见,包括产品名称、容量等相关信息,并符合国家标准要求。
2.3 产品性能评估2.3.1 耐温性能通过将杯子放入热水中测量其温度变化,结果显示杯子能够正常承受高温,无渗漏现象。
2.3.2 耐冷性能通过将杯子放入冷冻室中测量其温度变化,结果显示杯子能够正常承受低温,无裂纹或破损现象。
2.3.3 耐摔性能将杯子从一米高度处自由落下,经检查发现杯子无任何破损或裂纹,符合耐摔性能要求。
2.3.4 密封性能将杯子盖紧,倒置杯子并加压,经检查发现杯子无漏水现象,符合密封性能要求。
3. 总结根据对杯子的全面评估,可以得出以下结论:•外观检查:杯子表面无明显划痕或瑕疵。
•包装评估:杯子的包装完好无损,无任何磨损或撕裂痕迹,并且杯子与包装间无异味。
•产品标识:杯子上的产品标识清晰可见,符合国家标准要求。
•耐温性能:杯子能够正常承受高温,无渗漏现象。
•耐冷性能:杯子能够正常承受低温,无裂纹或破损现象。
•耐摔性能:杯子无任何破损或裂纹,符合耐摔性能要求。
•密封性能:杯子无漏水现象,符合密封性能要求。
综上所述,该批次杯子的质量符合要求,可以放心购买和销售。
验货报告书写格式
验货报告书写格式
验货报告书写格式
验货报告
初期□中期□尾期□
客户:________________工厂:______________合同:______________数量:______________
款号:________________款式:_______________布料:______________货期:______________
生产进度:样办裁剪车缝洗水后整包装正在进行中工序/情况
完成数量:
物料无对错做工品质良好一般不合格包装无对错
面料款式/做法主唛
里布/袋布洗水效果洗水唛
拉链裁剪尺码/产地唛
缝制缝制手工旗唛/贴缝/商标
衬朴辅料/装缝其他:
拼/贴钮门/打枣挂牌/价钱牌/贴纸
绣花/印花钮/扣/钉/鸡眼装配胶袋/印刷
花边/织带/捆条线头/修整纸箱/箱唛/箱尺寸
丈根/魔术贴整理效果外观包装分配
章/牌尺寸规格包装方法
线/扣/撞钉/鸡眼色差处理
结构强度
安全功度
操作问题/疵点轻微严重处理意见
疵点总数:
尺码:出货数:箱:件:
抽查箱号:AQL4.0抽查数:
抽查件数:量度结果:□合格□不合格
颜色:接受出货/翻工整改/扣查待决
跟单QC:______________工厂负责人:________________。
公司名称
订单号码:验货日期:月日,年 P. 1 工厂: TEL: 产品:
主办人:手机号:销售地区:
名片:出口日期:月日,年
此订单质量为:
验货程序:
1.先核对每一种产品的唛头(正、侧唛)对不对?条形码对不对?
2.把每种产品、外箱尺寸、净重、毛重、条形码记录在订单内。
3.要求工厂,每款先各抽一箱,到光线好的地方,准备验货。
4. 打开每个型号: P. 2
1)有原样,取出原样,有相片,比对相片,看款式对不对?核对颜色配比对不对?列出有问题的配比。
STYLE NO.
2)检查副料对不对? P.3
主标、洗标、尺寸标,彩卡,彩盒,条形码贴标,饰物、拉链, 检查做工,外观,包装。
5.问工厂船样寄上海全寄齐了吗?未寄齐的,方便拿,就现场取回;不方便拿过大过重的,请工厂寄快递(注意告之工厂包装要密实,尤其是玻璃、陶瓷品等)
6. 取回副料、吊卡、条形码标各三套,以利公司留底备查。
7. 取回两套工厂目录,并在现场看别人定单生产什么,照相回来,给客人参考,并问工厂有没有新产品,或别人有采买,好销的,一并照相,取样回来(知此,知彼,才有进步)
8. 体积,够不够整柜,装柜时,有多,有少,装完柜后,一定要立即与我司联络(。
)
9. 装柜3天后,要催工厂INVOICE,PACKING LIST,以利我们打单。
10. 发票要依据“实际出口数量”去打,也一定要注明出口数量不短缺、如有少出,工厂要负起全部责任。
REMARK:
本公司派员查货主旨是为了,了解工厂承做定单之进度状况,并仅能抽验部分货品,因此贵工厂(贵出口公司)仍然应该保证全部货品如下:
1) 品质、款式、包装、数量,仍应完全依照订单规定生产,并必须符合要求。
2) 查货过程中,如有发现任何瑕疵或问题,请工厂务必全力改进,并保证一定改正。
3) 贵工厂(贵出口公司)所提供给本公司的实际出口包装、数量、金额一定要与出口文件相符,如有任何不符之处,责工厂(贵出口公司)须负完全责任。
4) 出口装柜后,须立即传真INVOICE,PACKING LIST,并同时立即列出船名、航次、出口日期(VESSEL NAME,VOYAGE,ON BOARD DATE),以利本公司通知客户装
船细节(SHIPPING ADVICE),此外一旦贵工厂(贵出口公司)领到提单(BILL OF LADING),也请立即传真提单给本公司,以利本公司发出验货报告。
5) 装船须知:一定要装满柜(FULL CONTAINER)才能出口,如有出口后发现货柜并没装满,所有少装材积引起的运费,贵工厂(贵出口公司)必须无条件,无异议
担保并立即汇出退还给本公司的客户。
6) 成衣尾箱要求:最多允许1箱,且要求“不可断色,断码,不可混款,要求是整打出口“不能少于1打出口。
工厂名: xxxx公司查货员:
陪同验货者:
日期:日期:。