基于matlab--psat软件的电力系统潮流计算课程设计
- 格式:docx
- 大小:1.16 MB
- 文档页数:17
内蒙古科技大学本科生课程设计说明书题目:基于MATLAB的电力系统复杂潮流分析学生姓名:XXX学号:专业:电气工程及其自动化班级:电气2011—1班指导教师:XXX目录摘要--------------------------------------------------------------------------------1Abstract------------------------------------------------------------------------- 2内蒙古科技大学课程设计任务书-------------------------------------- 31 概述--------------------------------------------------------------------------51.1待设计电气设备系统图-----------------------------------------51.2电力系统概述------------------------------------------------------51.3 潮流计算的概述--------------------------------------------------61.4电力系统稳态分析潮流计算总结----------------------71.5 MATLAB的相关知识与学习----------------------------------82程序设计-------------------------------------------------------------------142.1设计思路----------------------------------------------------------142.2设计流程思路----------------------------------------------------152.3设计程序----------------------------------------------------------163 设计结果----------------------------------------------------------------204 总结-----------------------------------------------------------------------38参考文献---------------------------------------------------------------------39基于MATLAB的电力系统复杂潮流分析摘要电力系统潮流计算是电网分析的基础应用,是对复杂电力系统正常和故障条件下稳态运行状态的计算。
matalab电力系统课程设计一、课程目标知识目标:1. 学生能够理解电力系统的基础理论,掌握Matlab在电力系统中的应用。
2. 学生能够运用Matlab软件进行电力系统的基本分析和计算,如潮流计算、短路计算等。
3. 学生能够掌握电力系统中常用的Matlab函数和工具箱。
技能目标:1. 学生能够熟练操作Matlab软件,进行电力系统的模拟和仿真。
2. 学生能够利用Matlab解决电力系统中的实际问题,如优化、稳定分析等。
3. 学生能够通过Matlab编程实现电力系统的自动化分析,提高计算效率。
情感态度价值观目标:1. 学生对电力系统和Matlab产生浓厚的兴趣,培养主动探索和学习的积极性。
2. 学生在团队协作中培养良好的沟通能力和合作精神,增强解决问题的自信心。
3. 学生能够认识到电力系统对社会发展的重要性,增强对电力行业的责任感。
课程性质分析:本课程为电力系统专业课程,结合Matlab软件进行教学,旨在培养学生的实际操作能力和解决问题的能力。
学生特点分析:学生已具备一定的电力系统基础知识,对Matlab软件有一定了解,但实际操作能力较弱。
教学要求:1. 理论与实践相结合,注重培养学生的动手能力。
2. 采用案例教学,引导学生运用Matlab解决实际问题。
3. 强化团队合作,提高学生的沟通能力和协作精神。
二、教学内容1. 电力系统基础理论回顾:包括电力系统的基本概念、元件和模型,为后续Matlab应用打下基础。
- 教材章节:第一章 电力系统基本概念与元件- 内容:电力系统的组成、基本运行原理,主要电气设备的工作原理。
2. Matlab在电力系统中的应用介绍:介绍Matlab软件在电力系统分析中的应用,如潮流计算、短路计算等。
- 教材章节:第二章 Matlab在电力系统中的应用- 内容:Matlab软件的安装与配置,电力系统工具箱的介绍。
3. 潮流计算及稳定性分析:利用Matlab进行电力系统的潮流计算和稳定性分析。
4设计图及源程序4.1MATLAB仿真相关的原始数据输入格式如下:1、B1是支路参数矩阵,第一列和第二列是节点编号。
节点编号由小到大编写。
2、对于含有变压器的支路,第一列为低压侧节点编号,第二列为高压侧节点编号,将变压器的串联阻抗置于低压侧处理,第三列为支路的串列阻抗参数,第四列为支路的对地导纳参数,第五烈为含变压器支路的变压器的变比,第六列为变压器是否是否含有变压器的参数,其中“1”为含有变压器,“0”为不含有变压器。
3、B2为节点参数矩阵,其中第一列为节点注入发电功率参数;第二列为节点负荷功率参数;第三列为节点电压参数;第六列为节点类型参数,其中“1”为平衡节点,“2”为PQ节点,“3”为PV 节点参数。
4、X为节点号和对地参数矩阵。
其中第一列为节点编号,第二列为节点对地参数。
4.2潮流计算源程序close allclear alln=input('请输入节点数:n=');n1=input('请输入支路数:n1=');isb=input('请输入平衡节点号:isb=');pr=input('请输入误差精度:pr=');B1=input('请输入支路参数:B1=');B2=input('请输入节点参数:B2=');X=input('节点号和对地参数:X=');Y=zeros(n);Times=1; %置迭代次数为初始值%创建节点导纳矩阵for i=1:n1if B1(i,6)==0 %不含变压器的支路p=B1(i,1);q=B1(i,2);Y(p,q)=Y(p,q)-1/B1(i,3);Y(q,p)=Y(p,q);Y(p,p)=Y(p,p)+1/B1(i,3)+0.5*B1(i,4);Y(q,q)=Y(q,q)+1/B1(i,3)+0.5*B1(i,4);else %含有变压器的支路p=B1(i,1);q=B1(i,2);Y(p,q)=Y(p,q)-1/(B1(i,3)*B1(i,5));Y(q,p)=Y(p,q);Y(p,p)=Y(p,p)+1/B1(i,3);YOrgS=zeros(2*n-2,1);DetaS=zeros(2*n-2,1); %将OrgS、DetaS初始化%创建OrgS,用于存储初始功率参数h=0;j=0;for i=1:n %对PQ节点的处理if i~=isb&B2(i,6)==2h=h+1;for j=1:nOrgS(2*h-1,1)=OrgS(2*h-1,1)+real(B2(i,3))*(real(Y(i,j))*real(B2(j,3))-imag(Y(i,j))*imag(B2(j,3)))+imag(B2(i,3))*(real(Y(i,j) )*imag(B2(j,3))+imag(Y(i,j))*real(B2(j,3)));OrgS(2*h,1)=OrgS(2*h,1)+imag(B2(i,3))*(real(Y(i,j))*real(B2(j,3))-imag(Y(i,j))*imag(B2(j,3)))-real(B2(i,3))*(real(Y(i,j))*im ag(B2(j,3))+imag(Y(i,j))*real(B2(j,3)));endendendfor i=1:n %对PV节点的处理,注意这时不可再将h初始化为0if i~=isb&B2(i,6)==3h=h+1;for j=1:nOrgS(2*h-1,1)=OrgS(2*h-1,1)+real(B2(i,3))*(real(Y(i,j))*real(B2(j,3))-imag(Y(i,j))*imag(B2(j,3)))+imag(B2(i,3))*(real(Y(i,j) )*imag(B2(j,3))+imag(Y(i,j))*real(B2(j,3)));OrgS(2*h,1)=OrgS(2*h,1)+imag(B2(i,3))*(real(Y(i,j))*real(B2(j,3))-imag(Y(i,j))*imag(B2(j,3)))-real(B2(i,3))*(real(Y(i,j))*im ag(B2(j,3))+imag(Y(i,j))*real(B2(j,3)));endendendOrgS%创建PVU 用于存储PV节点的初始电压PVU=zeros(n-h-1,1);t=0;for i=1:nif B2(i,6)==3t=t+1;PVU(t,1)=B2(i,3);endend%创建DetaS,用于存储有功功率、无功功率和电压幅值的不平衡量h=0;for i=1:n %对PQ节点的处理if i~=isb&B2(i,6)==2h=h+1;DetaS(2*h-1,1)=real(B2(i,2))-OrgS(2*h-1,1);DetaS(2*h,1)=imag(B2(i,2))-OrgS(2*h,1);endendt=0;for i=1:n %对PV节点的处理,注意这时不可再将h初始化为0if i~=isb&B2(i,6)==3h=h+1;t=t+1;DetaS(2*h-1,1)=real(B2(i,2))-OrgS(2*h-1,1);DetaS(2*h,1)=real(PVU(t,1))^2+imag(PVU(t,1))^2-real(B2(i,3))^2-imag(B2(i,3))^2;endendDetaS%创建I,用于存储节点电流参数i=zeros(n-1,1);h=0;for i=1:nif i~=isbh=h+1;I(h,1)=(OrgS(2*h-1,1)-OrgS(2*h,1)*sqrt(-1))/conj(B2(i,3));endendI%创建Jacbi(雅可比矩阵)Jacbi=zeros(2*n-2);h=0;k=0;for i=1:n %对PQ节点的处理if B2(i,6)==2h=h+1;for j=1:nif j~=isbk=k+1;if i==j %对角元素的处理Jacbi(2*h-1,2*k-1)=-imag(Y(i,j))*real(B2(i,3))+real(Y(i,j))*imag(B2(i,3))+imag(I(h,1));Jacbi(2*h-1,2*k)=real(Y(i,j))*real(B2(i,3))+imag(Y(i,j))*imag(B2(i,3))+real(I(h,1));Jacbi(2*h,2*k-1)=-Jacbi(2*h-1,2*k)+2*real(I(h,1));Jacbi(2*h,2*k)=Jacbi(2*h-1,2*k-1)-2*imag(I(h,1));else %非对角元素的处理Jacbi(2*h-1,2*k-1)=-imag(Y(i,j))*real(B2(i,3))+real(Y(i,j))*imag(B2(i,3));Jacbi(2*h-1,2*k)=real(Y(i,j))*real(B2(i,3))+imag(Y(i,j))*imag(B2(i,3));Jacbi(2*h,2*k-1)=-Jacbi(2*h-1,2*k);Jacbi(2*h,2*k)=Jacbi(2*h-1,2*k-1);endif k==(n-1) %将用于内循环的指针置于初始值,以确保雅可比矩阵换行k=0;endendendendendk=0;for i=1:n %对PV节点的处理if B2(i,6)==3h=h+1;for j=1:nif j~=isbk=k+1;if i==j %对角元素的处理Jacbi(2*h-1,2*k-1)=-imag(Y(i,j))*real(B2(i,3))+real(Y(i,j))*imag(B2(i,3))+imag(I(h,1));Jacbi(2*h-1,2*k)=real(Y(i,j))*real(B2(i,3))+imag(Y(i,j))*imag(B2(i,3))+real(I(h,1));Jacbi(2*h,2*k-1)=2*imag(B2(i,3));Jacbi(2*h,2*k)=2*real(B2(i,3));else %非对角元素的处理Jacbi(2*h-1,2*k-1)=-imag(Y(i,j))*real(B2(i,3))+real(Y(i,j))*imag(B2(i,3));Jacbi(2*h-1,2*k)=real(Y(i,j))*real(B2(i,3))+imag(Y(i,j))*imag(B2(i,3));Jacbi(2*h,2*k-1)=0;Jacbi(2*h,2*k)=0;endif k==(n-1) %将用于内循环的指针置于初始值,以确保雅可比矩阵换行k=0;endendendendendJacbi%求解修正方程,获取节点电压的不平衡量DetaU=zeros(2*n-2,1);DetaU=inv(Jacbi)*DetaS;DetaU%修正节点电压j=0;for i=1:n %对PQ节点处理if B2(i,6)==2j=j+1;B2(i,3)=B2(i,3)+DetaU(2*j,1)+DetaU(2*j-1,1)*sqrt(-1);endendfor i=1:n %对PV节点的处理if B2(i,6)==3j=j+1;B2(i,3)=B2(i,3)+DetaU(2*j,1)+DetaU(2*j-1,1)*sqrt(-1);endendB2%开始循环**********************************************************************while abs(max(DetaU))>prOrgS=zeros(2*n-2,1); %!!!初始功率参数在迭代过程中是不累加的,所以在这里必须将其初始化为零矩阵h=0;j=0;for i=1:nif i~=isb&B2(i,6)==2h=h+1;for j=1:nOrgS(2*h-1,1)=OrgS(2*h-1,1)+real(B2(i,3))*(real(Y(i,j))*real(B2(j,3))-imag(Y(i,j))*imag(B2(j,3)))+imag(B2(i,3))*(real(Y(i,j) )*imag(B2(j,3))+imag(Y(i,j))*real(B2(j,3)));OrgS(2*h,1)=OrgS(2*h,1)+imag(B2(i,3))*(real(Y(i,j))*real(B2(j,3))-imag(Y(i,j))*imag(B2(j,3)))-real(B2(i,3))*(real(Y(i,j))*im ag(B2(j,3))+imag(Y(i,j))*real(B2(j,3)));endendendfor i=1:nif i~=isb&B2(i,6)==3h=h+1;for j=1:nOrgS(2*h-1,1)=OrgS(2*h-1,1)+real(B2(i,3))*(real(Y(i,j))*real(B2(j,3))-imag(Y(i,j))*imag(B2(j,3)))+imag(B2(i,3))*(real(Y(i,j) )*imag(B2(j,3))+imag(Y(i,j))*real(B2(j,3)));OrgS(2*h,1)=OrgS(2*h,1)+imag(B2(i,3))*(real(Y(i,j))*real(B2(j,3))-imag(Y(i,j))*imag(B2(j,3)))-real(B2(i,3))*(real(Y(i,j))*im ag(B2(j,3))+imag(Y(i,j))*real(B2(j,3)));endendendOrgS%创建DetaSh=0;for i=1:nif i~=isb&B2(i,6)==2h=h+1;DetaS(2*h-1,1)=real(B2(i,2))-OrgS(2*h-1,1);DetaS(2*h,1)=imag(B2(i,2))-OrgS(2*h,1);endendt=0;for i=1:nif i~=isb&B2(i,6)==3h=h+1;t=t+1;DetaS(2*h-1,1)=real(B2(i,2))-OrgS(2*h-1,1);DetaS(2*h,1)=real(PVU(t,1))^2+imag(PVU(t,1))^2-real(B2(i,3))^2-imag(B2(i,3))^2;endendDetaS%创建Ii=zeros(n-1,1);h=0;for i=1:nif i~=isbh=h+1;I(h,1)=(OrgS(2*h-1,1)-OrgS(2*h,1)*sqrt(-1))/conj(B2(i,3));endendI%创建JacbiJacbi=zeros(2*n-2);h=0;k=0;for i=1:nif B2(i,6)==2h=h+1;for j=1:nif j~=isbk=k+1;if i==jJacbi(2*h-1,2*k-1)=-imag(Y(i,j))*real(B2(i,3))+real(Y(i,j))*imag(B2(i,3))+imag(I(h,1));Jacbi(2*h-1,2*k)=real(Y(i,j))*real(B2(i,3))+imag(Y(i,j))*imag(B2(i,3))+real(I(h,1));Jacbi(2*h,2*k-1)=-Jacbi(2*h-1,2*k)+2*real(I(h,1));Jacbi(2*h,2*k)=Jacbi(2*h-1,2*k-1)-2*imag(I(h,1));elseJacbi(2*h-1,2*k-1)=-imag(Y(i,j))*real(B2(i,3))+real(Y(i,j))*imag(B2(i,3));Jacbi(2*h-1,2*k)=real(Y(i,j))*real(B2(i,3))+imag(Y(i,j))*imag(B2(i,3));Jacbi(2*h,2*k-1)=-Jacbi(2*h-1,2*k);Jacbi(2*h,2*k)=Jacbi(2*h-1,2*k-1);endif k==(n-1)k=0;endendendendendk=0;for i=1:nif B2(i,6)==3h=h+1;for j=1:nif j~=isbk=k+1;if i==jJacbi(2*h-1,2*k-1)=-imag(Y(i,j))*real(B2(i,3))+real(Y(i,j))*imag(B2(i,3))+imag(I(h,1));Jacbi(2*h-1,2*k)=real(Y(i,j))*real(B2(i,3))+imag(Y(i,j))*imag(B2(i,3))+real(I(h,1));Jacbi(2*h,2*k-1)=2*imag(B2(i,3));Jacbi(2*h,2*k)=2*real(B2(i,3));elseJacbi(2*h-1,2*k-1)=-imag(Y(i,j))*real(B2(i,3))+real(Y(i,j))*imag(B2(i,3));Jacbi(2*h-1,2*k)=real(Y(i,j))*real(B2(i,3))+imag(Y(i,j))*imag(B2(i,3));Jacbi(2*h,2*k-1)=0;Jacbi(2*h,2*k)=0;endif k==(n-1)k=0;endendendendendJacbiDetaU=zeros(2*n-2,1);DetaU=inv(Jacbi)*DetaS;DetaU%修正节点电压j=0;for i=1:nif B2(i,6)==2j=j+1;B2(i,3)=B2(i,3)+DetaU(2*j,1)+DetaU(2*j-1,1)*sqrt(-1);endendfor i=1:nif B2(i,6)==3j=j+1;B2(i,3)=B2(i,3)+DetaU(2*j,1)+DetaU(2*j-1,1)*sqrt(-1);endendB2Times=Times+1; %迭代次数加1endTimes。
基于MATLAB的电力系统潮流计算课程设计课程设计报告学生姓名:学号:学院: 电气工程学院班级:题目: 基于MATLAB的电力系统潮流计算指导教师:职称:职称:2014年 1 月 10 日目录:一、电力系统潮流计算概述 (5)二、潮流计算方法概述 (5)2.1节点分类 (5)2.2牛顿—拉夫逊法概要 (6)2.2.1牛顿—拉夫逊法迭代原理 (6)2.2.1 牛顿法的框图及求解过程 (7)三、课程设计任务 (9)3.1题目原始数据 (10)3.2课程设计要求 (11)四、初步分析 (11)4.1节点设置及分类 (11)4.2 参数计算 (11)4.3等值电路绘制 (13)五、潮流计算 (14)5.1 给定负荷下的潮流计算 (14)5.1.1 B1/B2矩阵的形成 (14)5.1.2 潮流调整及分析 (14)5.1.3 仿真比较 (16)5.2 变电所负荷变化时的潮流计算 (18)5.2.1 4个变电所负荷同时以2%的比例增大 (18)5.2.2 4个变电所负荷成比例2%下降 (20)5.2.3 1、4号负荷下降,2、3号负荷上升 (23)5.2.4 仿真比较 (25)5.3断线潮流计算 (27)5.5.1 断开1、3节点间的一条支路 (27)5.3.2 断开1、5支路的一条线 (29)5.3.3 断开1、7支路的一条线 (31)5.3.4 断开2、9支路的一条线 (33)5.3.5 断开7、9支路的一条线 (35)5.3.6 仿真比较 (37)六、潮流分析总结 (39)七、心得体会 (41)参考文献: (42)附录: (42)潮流计算课程设计摘要电力系统潮流计算是研究电力系统稳态运行情况的一种计算,它根据给定的运行条件及系统接线情况确定整个电力系统各部分的运行状态:各母线的电压。
各元件中流过的功率,系统的功率损耗等等。
在电力系统规划的设计和现有电力系统运行方式的研究中,都需要利用潮流计算来定量的分析比较供电方案或运行方式的合理性、可靠性和经济性。
《电力系统分析》课程设计基于Matlab的电力系统潮流计算专业电气工程及其自动化班级 1402班姓名郭娟学号 14039208同组成员孙帆郭娟陈朝辉苏新波吕应发指导教师楚冰清完成时间 2016 .12 .30目录1概述 (1)1.1设计目的 (1)1.2设计题目 (1)1.3设计内容 (1)2电力系统潮流计算概述 (2)2.1电力系统简介 (2)2.2潮流计算简介 (2)2.3潮流计算意义及其发展 (2)3 Matlab概述 (3)3.1 Matlab简介 (3)3.2 Matlab应用 (4)4 潮流计算过程 (4)4.1系统图及参数 (5)4.1.1 系统图 (5)4.1.2 各元件参数 (5)4.2电网潮流计算思路 (5)4.3潮流计算过程 (5)4.3.1各元件参数计算 (5)4.3.2绘制等效电路图 (7)4.3.3功率分布计算 (7)5 Matlab程序及运行结果 (10)5.1Matlab程序 (10)5.2运行结果 (20)6设计心得与体会 (23)参考文献 (25)1 概述1.1 设计目的在如今的社会,电力已经成为人们必不可少的需求,而建立结构合理的大型电力系统不仅便于电能生产与消费的集中管理、统一调度和分配,减少总装机容量节省动力设施投资,且有利于地区能源资源的合理开发利用,更大限度地满足地区国民经济日益增长的用电需要。
电力系统建设往往是国家及地区国民经济发展规划的重要组成部分。
电力系统的出现,使高效、无污染、使用方便、易于调控的电能得到广泛应用,推动了社会生产各个领域的变化,开创了电力时代,发生了第二次技术革命。
电力系统的规模和技术水准已成为一个国家经济发展水平的标志之一。
电力系统稳态分析包括潮流计算(或潮流分析)和静态安全分析。
潮流计算针对电力革统各正常运行方式,而静态安全分析则要研究各种运行方式下个别系统元件退出运行后系统的状况。
其目的是校验系统是否能安全运行,即是否有过负荷的元件或电压过低的母线等。
课程设计课程名称:电力系统分析设计题目:基于Matlab计算程序的电力系统运行分析学院:电力工程学院专业:电气工程自动化年级: 2011教务处制目录任务书 (1)前言 (2)第一章电网模型的建立 (3)第二章潮流计算 (8)第三章故障电流计算 (18)第四章思考题 (31)总结体会 (34)参考文献 (35)前言电力系统潮流计算是电力系统分析中的一种最基本的计算,是对复杂电力系统正常和故障条件下稳态运行状态的计算。
潮流计算的目标是求取电力系统在给定运行状态的计算。
即节点电压和功率分布,用以检查系统各元件是否过负荷.各点电压是否满足要求,功率的分布和分配是否合理以及功率损耗等。
对现有电力系统的运行和扩建,对新的电力系统进行规划设计以及对电力系统进行静态和暂态稳定分析都是以潮流计算为基础。
潮流计算结果可用如电力系统稳态研究,安全估计或最优潮流等对潮流计算的模型和方法有直接影响。
在电力系统中可能发生的各种故障中,危害最大且发生概率较高的首推短路故障。
产生短路故障的主要原因是电力设备绝缘损坏。
短路故障分为三相短路、两相短路、单相接地短路及两相接地短路。
其中三相短路时三相电流仍然对称,其余三类短路统成为不对称短路。
短路故障大多数发生在架空输电线路。
电力系统设计与运行时,要采取适当的措施降低短路故障的发生概率。
短路计算可以为设备的选择提供原始数据。
第一章电网模型的建立一、目标电网接线图二、目标电网数据系统参数表1. 线路参数表线路编号线路型号线路长度(km)线路电阻{Ω/km} 线路正序电抗{Ω/km}线路容纳之半{S/km}4-5 LGJ-240/30 113 0.0470.4 1.78×4-6 LGJ-120/70 120 0.0741.47×610-5-7 LGJ-120/25 165 0.0791.60×610-6-9 LGJ-95/55 166 0.0921.80×610-7-8 LGJ-240/30 92 0.0471.78×610-8-9 LGJ-240/30 122 0.0471.78×610-说明:线路零序电抗为正序电抗3倍。
基于MATLAB的电⼒系统潮流计算_毕业设计论⽂基于MATLAB的电⼒系统潮流计算摘要潮流计算是电⼒系统最基本、最常⽤的计算。
根据系统给定的运⾏条件、⽹络接线及元件参数,通过潮流计算可以确定各母线的电压(幅值及相⾓),各元件中流过的功率、整个系统的功率损耗等。
潮流计算是实现电⼒系统安全经济发供电的必要⼿段和重要⼯作环节。
因此潮流计算在电⼒系统的规划设计、⽣产运⾏、调度管理及科学研究中都有着⼴泛的应⽤。
本次设计的主要⽬的就是⾯向⼀般的电⼒⽹络,形成节点导纳矩阵,确定合适的算法,编写通⽤的计算程序,得到计算结果。
设计中主要介绍了⽜顿拉夫逊和PQ分解两种算法,PQ分解法虽然在结构上⽐⽜顿法更加简化,但是针对⼀般⽹络现代计算机在存储空间及计算速度上已经⼗分强⼤,鉴于对⽜顿法的熟悉与其算法的直观性,本次设计在编程时采⽤了⽜顿拉夫逊法的直⾓坐标形式。
解⽅程的过程利⽤Matlab的强⼤计算功能,编写M语⾔,合理设置变量,实现通⽤计算功能。
关键词: 电⼒系统,潮流计算,⽜顿—拉夫逊法,Matlab。
AbstractPower system load flow calculation is the most basic and commonly used calculations. Given according to the system operating conditions, the network connection and device parameters can be determined by power flow calculation of the bus voltage (magnitude and phase angle), the power flowing through the components, overall system power consumption and so on. Flow calculation is to achieve economic development of power system supply the necessary means and important part of the work. Therefore flow calculation in power system planning and design, production and operation, scheduling management, and scientific research have a wide range of applications.The main purpose of this design is for the general electricity network, the formation of the node admittance matrix, determine the appropriate method, the preparation of general-purpose computer program to get results. Introduces the design and the PQ decomposition Newton Raphson two algorithms, PQ decomposition although the structure is more streamlined than the Newton method, but for the general network of modern computer storage space and computing speed has been very strong, in view of the Newton Familiar with its intuitive algorithm, this design in programming using Newton Raphson polar form. The process of solving equations using matlab powerful computing capabilities, the preparation of M language, a reasonable set variables, to achieve general-purpose computing functions.Keywords: power system, power flow calculation, Newton - Raphson method, Matlab.⽬录摘要 (I)Abstract ................................................................................................................................................ II ⽬录.................................................................................................................................................... I II 1 引⾔ .. (1)1.1 潮流计算⽬的 (1)1.2 潮流计算意义 (1)1.3 潮流计算发展史 (1)1.4基于MATLAB 的电⼒系统潮流计算发展前景 (2)2简单电⼒系统潮流计算 (4)2.1简单辐射⽹络的潮流计算 (4)2.1.1简单⽀路的潮流分布和电压降落 (4)2.1.2 辐射型⽹络的⼿⼯潮流计算⽅法 (6)2.2 简单环⽹的潮流计算 (7)2.2.1两端电压相等 (7)2.2.2两端电压不相等 (8)3 复杂电⼒系统潮流计算的计算机算法 (10)3.1电⼒⽹络⽅程及等值电路 (10)3.2节点导纳矩阵形成及修改 (11)3.3节点的分类 (14)3.3.1 PQ节点 (14)3.3.2 PV节点 (14)3.3.3 平衡节点 (14)3.4潮流计算的约束条件 (15)3.5⽜顿-拉夫逊法(直⾓坐标) (15)3.5.1⽜顿-拉夫逊法的推导过程 (15)3.5.2潮流计算时的修正⽅程(直⾓坐标) (17) 3.5.3雅可⽐矩阵的特点: (19)3.5.4⽜顿-拉夫逊法计算步骤 (19)3.6 P-Q分解法潮流计算 (20)3.6.1 P-Q分解法潮流计算概述 (20)3.6.2 P-Q分解法的潮流计算步骤 (20)3.6.3 P-Q分解法的特点 (21)4 Matlab概述 (22)4.1Matlab简介 (22)4.2 Matlab中的变量 (22)4.3 Matlab编程 (23)4.3.1矩阵的输⼊ (23)4.3.2矩阵的运算 (24)4.3.3 MatLab的控制流 (24)5 ⽜顿法潮流计算程序设计及实例 (26)5.1⼿算 (26)5.2计算机算法的数据输⼊ (29)5.3潮流计算程序 (30)5.3 计算结果分析 (36)结论 (37)参考⽂献 (38)附录A 程序流程图 (39)附录B Matlab仿真 (40)致谢 (1)1 引⾔1.1 潮流计算⽬的电⼒系统潮流计算是研究电⼒系统稳态运⾏情况的⼀种基本电⽓计算。
湖北民族学院信息工程学院课程设计报告书题目: 电力系统潮流计算专业:电气工程及其自动化班级:学号:学生姓名:指导教师:2011年 6 月 10 日2011年6月12日信息工程学院课程设计成绩评定表摘要电力系统稳态分析包括潮流计算和静态安全分析。
本文主要运用的事潮流计算,潮流计算是电力网络设计与运行中最基本的运算,对电力网络的各种设计方案及各种运行方式进行潮流计算,可以得到各种电网各节点的电压,并求得网络的潮流及网络中的各元件的电力损耗,进而求得电能损耗。
本位就是运用潮流计算具体分析,并有MATLAB仿真。
关键词:电力系统潮流计算 MATLAB仿真AbstractElectric power system steady flow calculation and analysis of the static safety analysis. This paper, by means of the calculation, flow calculation is the trend of the power network design and operation of the most basic operations of electric power network, various design scheme and the operation ways to tide computation, can get all kinds of each node of the power grid voltage and seek the trend of the network and the network of the components of the power loss, and getting electric power. The standard is to use the power flow calculation and analysis, the specific have MATLAB simulation.Key words: Power system; Flow calculation; MATLAB simulation目录1 任务提出与方案论证 (2)2 总体设计 (3)2.1潮流计算等值电路 (3)2.2建立电力系统模型 (3)2.3模型的调试与运行 (3)3 详细设计 (4)3.1 计算前提 (4)3.2手工计算 (7)4设计图及源程序 (11)4.1MATLAB仿真 (11)4.2潮流计算源程序 (11)5 总结 (19)参考文献 (20)1 任务提出与方案论证潮流计算是在给定电力系统网络结构、参数和决定系统运行状态的边界条件的情况下确定系统稳态运行状态的一种基本方法,是电力系统规划和运营中不可缺少的一个重要组成部分。
基于MATLAB的电力系统潮流计算课程设计课程设计报告学生姓名:学号:学院: 电气工程学院班级:题目: 基于MATLAB的电力系统潮流计算指导教师:职称:职称:2014年 1 月 10 日目录:一、电力系统潮流计算概述 (5)二、潮流计算方法概述 (5)2.1节点分类 (5)2.2牛顿—拉夫逊法概要 (6)2.2.1牛顿—拉夫逊法迭代原理 (6)2.2.1 牛顿法的框图及求解过程 (7)三、课程设计任务 (9)3.1题目原始数据 (10)3.2课程设计要求 (11)四、初步分析 (11)4.1节点设置及分类 (11)4.2 参数计算 (11)4.3等值电路绘制 (13)五、潮流计算 (14)5.1 给定负荷下的潮流计算 (14)5.1.1 B1/B2矩阵的形成 (14)5.1.2 潮流调整及分析 (14)5.1.3 仿真比较 (16)5.2 变电所负荷变化时的潮流计算 (18)5.2.1 4个变电所负荷同时以2%的比例增大 (18)5.2.2 4个变电所负荷成比例2%下降 (20)5.2.3 1、4号负荷下降,2、3号负荷上升 (23)5.2.4 仿真比较 (25)5.3断线潮流计算 (27)5.5.1 断开1、3节点间的一条支路 (27)5.3.2 断开1、5支路的一条线 (29)5.3.3 断开1、7支路的一条线 (31)5.3.4 断开2、9支路的一条线 (33)5.3.5 断开7、9支路的一条线 (35)5.3.6 仿真比较 (37)六、潮流分析总结 (39)七、心得体会 (41)参考文献: (42)附录: (42)潮流计算课程设计摘要电力系统潮流计算是研究电力系统稳态运行情况的一种计算,它根据给定的运行条件及系统接线情况确定整个电力系统各部分的运行状态:各母线的电压。
各元件中流过的功率,系统的功率损耗等等。
在电力系统规划的设计和现有电力系统运行方式的研究中,都需要利用潮流计算来定量的分析比较供电方案或运行方式的合理性、可靠性和经济性。
目录摘要 (1)第一章电力系统潮流计算简介 (2)第二章电力网络的数学模型-节点电压方程 (4)2.1 电力网络的节点电压方程 (2)2.2节点导纳矩阵 (2)2.2.1 自导纳和互导纳的确定方法 (2)2.2.2 节点导纳矩阵的性质和意义 (4)2.2.3 非标准变比变压器等值电路 (5)第三章潮流计算的数学模型-潮流方程 (7)3.1 潮流计算的基本方程 (7)3.2 电力系统节点分类 (10)3.3 潮流计算的约束条件 (11)第四章牛顿-拉夫逊法潮流计算 (12)4.1 牛顿-拉夫逊法基本原理 (12)4.2 牛顿-拉夫逊法潮流计算方法 (14)4.2.1 以直角坐标形式表示 (14)4.2.2 牛顿-拉夫逊法程序框图 (17)4.2.3 牛顿-拉夫逊法求解过程 (18)4.2.4 程序需要输入数据 (19)总结 (20)参考文献 (21)附录牛顿—拉夫逊法潮流计算程序及其结果分析 (22)基于Matlab的电力系统潮流仿真计算学员姓名:单位:摘要:Matlab是一种交互式、面向对象的程序设计语言,广泛应用于工业界与学术界,主要用于矩阵运算,同时在数值分析、自动控制模拟、数字信号处理、动态分析、绘图等方面也具有强大的功能。
通过M语言,可以用类似数学公式的方式来编写算法,大大降低了程序的难度并节省了时间,从而可把主要的精力集中在算法的构思而不是编程上。
传统的潮流计算程序缺乏图形用户界面,结果显示不直观,难于与其他分析功能集成,网络原始数据输入工作量大且易于出错。
Matlab潮流计算研究近年来得到了长足的发展。
针对这一现状结合电力系统的基本特点,以牛顿—拉夫逊法潮流计算方法为例,对IEEE-6BUS标准试验系统的潮流计算进行仿真,提出了基于Matlab的电力系统潮流仿真计算。
它大大提高了计算速度,占用内存少;计算结果有良好的可靠性和可信性;适应性好,即能处理变压器变比调整,系统元件的不同描述和与其它程序配合的能力强。
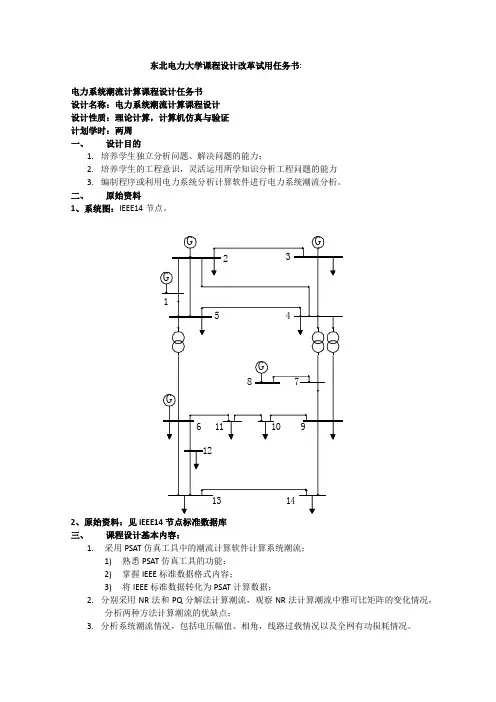
东北电力大学课程设计改革试用任务书:电力系统潮流计算课程设计任务书设计名称:电力系统潮流计算课程设计设计性质:理论计算,计算机仿真与验证计划学时:两周一、设计目的1.培养学生独立分析问题、解决问题的能力;2.培养学生的工程意识,灵活运用所学知识分析工程问题的能力3.编制程序或利用电力系统分析计算软件进行电力系统潮流分析。
二、原始资料1、系统图:IEEE14节点。
2、原始资料:见IEEE14节点标准数据库三、课程设计基本内容:1.采用PSAT仿真工具中的潮流计算软件计算系统潮流;1)熟悉PSAT仿真工具的功能;2)掌握IEEE标准数据格式内容;3)将IEEE标准数据转化为PSAT计算数据;2.分别采用NR法和PQ分解法计算潮流,观察NR法计算潮流中雅可比矩阵的变化情况,分析两种方法计算潮流的优缺点;3.分析系统潮流情况,包括电压幅值、相角,线路过载情况以及全网有功损耗情况。
4.选择以下内容之一进行分析:1)找出系统中有功损耗最大的一条线路,给出减小该线路损耗的措施,比较各种措施的特点,并仿真验证;2)找出系统中电压最低的节点,给出调压措施,比较各种措施的特点,并仿真验证;3)找出系统中流过有功功率最大的一条线路,给出减小该线路有功功率的措施,比较各种措施的特点,并仿真验证;5.任选以下内容之一作为深入研究:(不做要求)1)找出系统中有功功率损耗最大的一条线路,改变发电机有功出力,分析对该线路有功功率损耗灵敏度最大的发电机有功功率,并进行有效调整,减小该线路的损耗;2)找出系统中有功功率损耗最大的一条线路,进行无功功率补偿,分析对该线路有功功率损耗灵敏度最大的负荷无功功率,并进行有效调整,减小该线路的损耗;3)找出系统中电压最低的节点,分析对该节点电压幅值灵敏度最大的发电机端电压,并有效调整发电机端电压,提高该节点电压水平;四、课程设计成品基本要求:1.绘制系统潮流图,潮流图应包括:1)系统网络参数2)节点电压幅值及相角3)线路和变压器的首末端有功功率和无功功率2.撰写设计报告,报告内容应包括以下几点:1)本次设计的目的和设计的任务;2)电力系统潮流计算的计算机方法原理,分析NR法和PQ分解法计算潮流的特点;3)对潮流计算结果进行分析,评价该潮流断面的运行方式安全性和经济性;4)找出系统中运行的薄弱环节,如电压较低点或负载较大线路,给出调整措施;5)分析各种调整措施的特点并比较它们之间的差异;6)结论部分以及设计心得;五、考核形式1.纪律考核:学生组织出勤情况和工作态度等;2.书面考核:设计成品的完成质量、撰写水平等;3.答辩考核:参照设计成品,对计算机方法进行电力系统潮流计算的相关问题等进行答辩;4.采用五级评分制:优、良、中、及格、不及格五个等级。
基于MATLAB的电力系统潮流计算【摘要】本文基于MATLAB,通过建立电力系统潮流计算的数学模型,实现了节点电压和支路功率的准确计算。
在正文部分中,详细介绍了数学模型的建立过程,节点电压和支路功率的计算方法,以及在MATLAB中的实现步骤。
通过对计算结果进行分析,发现了电力系统中可能存在的问题和优化方向。
在结论部分中,总结了本文的研究意义和实际应用价值,并展望了未来的改进方向。
该研究对电力系统的稳定运行和优化管理具有重要意义,为实际工程应用提供了有力支持。
通过本文的研究,可以更好地了解和应用MATLAB在电力系统潮流计算中的优势,推动电力系统领域的进一步发展。
【关键词】电力系统、潮流计算、MATLAB、数学模型、节点电压、支路功率、实现、结果分析、研究意义、改进展望、实际应用。
1. 引言1.1 概述电力系统潮流计算是电力系统分析中重要的一部分,通过对电力系统中节点间的电压、功率等参数进行计算,可以有效地评估系统的运行状况。
随着电力系统规模的不断扩大和电力负荷的增加,潮流计算的准确性和效率显得尤为重要。
基于MATLAB的电力系统潮流计算,可以帮助工程师更方便地进行系统分析和优化。
本文旨在探讨基于MATLAB的电力系统潮流计算方法,从数学模型建立开始,详细介绍节点电压计算和支路功率计算的过程,然后通过MATLAB编程实现这些计算。
将对计算结果进行分析,探讨其在电力系统优化中的应用前景。
通过本文的研究,将有助于深入理解电力系统潮流计算的原理和实现方法,为电力系统规划和运行提供更准确、高效的分析工具。
本文还将探讨MATLAB在电力系统领域的实际应用价值,为未来的研究和工程实践提供参考。
1.2 研究背景电力系统潮流计算是电力系统分析中十分重要的一个环节,它主要用于分析电力系统中各节点和支路上的电压、电流以及功率等参数。
通过潮流计算,可以帮助电力系统运行人员了解系统当前的负荷情况,优化系统运行,提高系统运行的效率和稳定性。
matalb潮流计算课程设计一、教学目标本课程旨在通过MATLAB潮流计算的学习,使学生掌握电力系统潮流计算的基本原理和方法,能够熟练使用MATLAB软件进行潮流计算,并分析计算结果。
具体目标如下:1.掌握电力系统潮流计算的基本概念和原理。
2.理解电力系统潮流计算的数学模型和算法。
3.熟悉MATLAB软件的基本操作和编程方法。
4.能够使用MATLAB软件进行电力系统潮流计算。
5.能够分析潮流计算结果,判断系统运行状态。
6.能够根据实际情况,调整计算参数,优化系统运行。
情感态度价值观目标:1.培养学生的科学思维和解决问题的能力。
2.培养学生的团队合作和创新精神。
3.培养学生的责任感和使命感,使其能够为电力系统的安全稳定运行做出贡献。
二、教学内容本课程的教学内容主要包括以下几个部分:1.电力系统潮流计算的基本概念和原理。
2.电力系统潮流计算的数学模型和算法。
3.MATLAB软件的基本操作和编程方法。
4.使用MATLAB软件进行电力系统潮流计算的实践操作。
5.潮流计算结果的分析方法和技巧。
6.电力系统潮流计算的基本概念和原理(2课时)。
7.电力系统潮流计算的数学模型和算法(2课时)。
8.MATLAB软件的基本操作和编程方法(3课时)。
9.使用MATLAB软件进行电力系统潮流计算的实践操作(4课时)。
10.潮流计算结果的分析方法和技巧(2课时)。
三、教学方法为了提高学生的学习兴趣和主动性,本课程将采用多种教学方法相结合的方式进行教学,包括:1.讲授法:用于讲解电力系统潮流计算的基本概念、原理和算法。
2.讨论法:用于讨论MATLAB软件的使用方法和编程技巧。
3.案例分析法:用于分析实际电力系统的潮流计算案例。
4.实验法:用于学生亲自动手进行MATLAB软件的操作和潮流计算实践。
四、教学资源为了支持教学内容和教学方法的实施,丰富学生的学习体验,我们将准备以下教学资源:1.教材:《电力系统潮流计算》相关教材。
第35卷2007年4月云 南 电 力 技 术Y UNNAN ELECT R I C P OW ER Vol 135No 12Ap r 12007 收稿日期:2006-11-28基于PSAT 的电力系统潮流计算叶利东1,喻向阳2(11云南电网公司玉溪供电局,云南 玉溪 653100;21昆明理工大学,云南 昆明 650224)摘要:潮流计算软件PS AT 是基于MAT LAB 的,以图形用户界面为基础,集绘图、分析、计算与数据管理为一体的自由软件。
首先简要概述PS AT 的功能和特点,结合两个潮流计算实例说明了电力网络的建立、模型参数的设置等关键问题,最后得到了正确的结果。
关键词:PS AT,潮流计算,电力系统,MAT LAB 语言中图分类号:T M 743 文献标识码:B 文章编号:1006-7345(2007)02-0008-021 引 言电力系统潮流计算研究电力系统稳态运行情况,根据给定的发电运行方式及系统接线方式求解各母线的电压、各元件中通过的功率及功率损耗等。
潮流计算在数学上是多元非线性方程式组求解问题,采用迭代算法。
20世纪50年代是用计算机解潮流问题的起始阶段,有基于节点导纳矩阵的高斯-赛德尔法。
牛顿-拉夫逊方法的出现克服了阻抗法消耗内存大、计算量大的缺点,牛顿-拉夫逊方法还衍生出快速解藕法等。
之后又出现P -Q 分解法。
法国学者在60年代提出最优潮流,它是一个非线性规划问题。
随之而来的大量的商用软件,价格昂贵,自由软件的出现,使专业型应用软件走出了自我封闭,更好地服务于学科发展及工程建设的需要,由意大利学者Federico M ilano 博士开发的PS AT (Po wer Syste m Analysis Toolbox )就是这样的自由软件。
2 P SAT 简介PS AT 是基于MAT LAB 的电力系统静态和动态分析及控制工具箱。
它提供这样一些功能:潮流计算,延拓潮流计算,最优潮流计算,小信号稳定性分析和时域仿真等。
一、实验目的了解计算机潮流分析的基本原理、主要步骤;熟悉Matlab运行环境;了解MATLAB潮流分析的步骤;对给定网络的运行方式做潮流分析,并初步分析计算结果。
二、实验原理:实验原理如下图:图1 系统原理图三、实验仪器、设备:一台装有MATLAB R2010a的个人计算机三相同步发电机模型,变压器模型,负荷模型,线路元件模型四、实验步骤:(1)熟悉原始资料:根据计算要求,整理数据,包括:计算网络中线路、变压器的参数(以上数据均采用有名值计算)(2)上机调试:熟悉Matlab的运行环境,准确输入原始数据、节点编号、节点注入功率等信息;(3)整理计算结果:根据计算结果作电网潮流分布图。
五、实验网络接线图及原始数据如图所示,3为平衡节点,1、2为P、Q节点,电压等级为110kV,节点处功率已将各线路充电功率考虑在内,3节点电压为115kV,角度为0。
原始数据各参数是以其自身额定功率和额定电压为基准的标幺值。
发电机参数 Pn=100MV·A,Un=10.5KV ,fn=50Hz, 变压器参数采用Y-Y 连接方式 T1的参数 Pn=100MV·A,fn=50Hz,一次绕组:U1=10.5KV ,R1=0.002,L1=0,二次绕组:U2=121KV ,R2=0.002,L2=0.015, Rm=5000,Lm=5000 T2的参数 Pn=100MV·A,fn=50Hz,一次绕组:U1=10.5KV ,R1=0.002,L1=0, 二次绕组:U2=121KV ,R2=0.002,L2=0.03,25+j18MV A3225+j18MVA32Rm=5000,Lm=5000线路参数L23:R*=0.08,X*=0.30,Y*=0.5L31:R*=0.10,X*=0.35,Y*=0L12:R*=0.04,X*=0.25,Y*=0.5六、实验数据记录及处理:从各个Scope中可以看到输电线π型等值电路两端的有功与无功功率的波形,具体操作方法是从Workspace中读出记录的数据(如图三、图四),数据有多组,取其平均值,分别得到各输电线π型等值电路两端的有功和无功功率。
基于MATLAB和PSASP的电力系统潮流分析与计算
本报告将介绍一个基于MATLAB和PSASP的电力系统潮流分析和计算的过程。
电力系统潮流分析主要用于分析电力系统的物理特性。
本文将描述如何使用MATLAB和PSASP软件进行潮流计算和分析,并对计算结果进行解释。
MATLAB是一种高级编程语言,它通常用于编写数学程序和模拟。
它可以用来分析电力系统的潮流情况。
MATLAB可以帮助用户构建模型,并分析其潮流状态。
MATLAB可以根据电力系统中每个组件的电压、电流和功率数据,来计算整个系统的潮流情况。
PSASP是一个用于电力系统潮流分析和计算的强大工具。
它可以用来分析电力系统的潮流、电压和功率因素。
PSASP可以用于计算电力系统的潮流,并分析电力系统的安全性和优化性能。
本文将使用MATLAB和PSASP软件分析和计算电力系统的潮流。
使用MATLAB编写的程序,可以轻松构建电力系统的模型,并计算每个组件的电压、电流和功率数据。
通过将这些数据导入PSASP,可以对电力系统进行潮流分析。
由于PSASP可以分析潮流、电压和功率因素,因此它可以用来诊断电力系统的故障,以提高系统的安全性和运行效率。
因此,通过使用MATLAB和PSASP,可以对电力系统进行有效的潮流分析和计算。
通过这种分析,可以帮助用户更好地了
解电力系统的特性,更有效地优化系统的运行,并保持电力系统的安全性。
matlab潮流计算课程设计一、教学目标本课程的目标是使学生掌握Matlab在电力系统潮流计算方面的应用。
通过本课程的学习,学生将能够:1.理解电力系统潮流计算的基本原理;2.熟练使用Matlab进行电力系统潮流计算;3.分析并解决电力系统潮流计算中的实际问题。
二、教学内容教学内容将按照以下大纲进行:1.电力系统潮流计算基本概念;2.Matlab在电力系统潮流计算中的应用;3.电力系统潮流计算案例分析。
具体到教材,我们将参考《电力系统潮流计算》一书,并结合Matlab软件进行实践操作。
三、教学方法本课程将采用讲授法、案例分析法和实验法相结合的教学方法。
通过讲授法,使学生掌握电力系统潮流计算的基本原理;通过案例分析法,让学生深入了解Matlab在电力系统潮流计算中的应用;通过实验法,提高学生的实际操作能力。
四、教学资源教学资源包括教材、参考书、多媒体资料和实验设备。
教材方面,我们将使用《电力系统潮流计算》作为主教材,并提供相关的参考书籍。
多媒体资料包括PPT、视频等,用于辅助教学。
实验设备包括计算机和Matlab软件,用于让学生进行实际操作。
五、教学评估本课程的评估方式包括平时表现、作业和考试三部分。
平时表现主要评估学生在课堂上的参与程度和表现;作业则通过学生提交的Matlab编程练习来评估其掌握程度;考试则全面考察学生对电力系统潮流计算原理和Matlab应用的理解。
评估方式将力求客观、公正,全面反映学生的学习成果。
六、教学安排本课程的教学安排将根据课程内容和学生的实际情况制定。
教学进度将确保在计划时间内完成所有教学任务,教学时间将合理安排在学生便于学习的时段,教学地点则选在设备齐全、环境适宜的教学场所。
七、差异化教学针对学生的不同学习风格、兴趣和能力水平,我们将设计差异化的教学活动和评估方式。
例如,对于编程能力较强的学生,可以提供更具挑战性的编程项目;对于理论基础需要加强的学生,则提供额外的辅导和资料。
东北电力大学课程设计改革试用任务书:
电力系统潮流计算课程设计任务书
设计名称:电力系统潮流计算课程设计
设计性质:理论计算,计算机仿真与验证
计划学时:两周
一、设计目的
1.培养学生独立分析问题、解决问题的能力;
2.培养学生的工程意识,灵活运用所学知识分析工程问题的能力
3.编制程序或利用电力系统分析计算软件进行电力系统潮流分析。
二、原始资料
1、系统图:IEEE14节点。
2、原始资料:见IEEE14节点标准数据库
三、课程设计基本内容:
1.采用PSAT仿真工具中的潮流计算软件计算系统潮流;
1)熟悉PSAT仿真工具的功能;
2)掌握IEEE标准数据格式内容;
3)将IEEE标准数据转化为PSAT计算数据;
2.分别采用NR法和PQ分解法计算潮流,观察NR法计算潮流中雅可比矩阵的变化情况,
分析两种方法计算潮流的优缺点;
3.分析系统潮流情况,包括电压幅值、相角,线路过载情况以及全网有功损耗情况。
4.选择以下内容之一进行分析:
1)找出系统中有功损耗最大的一条线路,给出减小该线路损耗的措施,比较各种措施
的特点,并仿真验证;
2)找出系统中电压最低的节点,给出调压措施,比较各种措施的特点,并仿真验证;
3)找出系统中流过有功功率最大的一条线路,给出减小该线路有功功率的措施,比较
各种措施的特点,并仿真验证;
5.任选以下内容之一作为深入研究:(不做要求)
1)找出系统中有功功率损耗最大的一条线路,改变发电机有功出力,分析对该线路有
功功率损耗灵敏度最大的发电机有功功率,并进行有效调整,减小该线路的损耗;
2)找出系统中有功功率损耗最大的一条线路,进行无功功率补偿,分析对该线路有功
功率损耗灵敏度最大的负荷无功功率,并进行有效调整,减小该线路的损耗;
3)找出系统中电压最低的节点,分析对该节点电压幅值灵敏度最大的发电机端电压,
并有效调整发电机端电压,提高该节点电压水平;
四、课程设计成品基本要求:
1.绘制系统潮流图,潮流图应包括:
1)系统网络参数
2)节点电压幅值及相角
3)线路和变压器的首末端有功功率和无功功率
2.撰写设计报告,报告内容应包括以下几点:
1)本次设计的目的和设计的任务;
2)电力系统潮流计算的计算机方法原理,分析NR法和PQ分解法计算潮流的特点;
3)对潮流计算结果进行分析,评价该潮流断面的运行方式安全性和经济性;
4)找出系统中运行的薄弱环节,如电压较低点或负载较大线路,给出调整措施;
5)分析各种调整措施的特点并比较它们之间的差异;
6)结论部分以及设计心得;
五、考核形式
1.纪律考核:学生组织出勤情况和工作态度等;
2.书面考核:设计成品的完成质量、撰写水平等;
3.答辩考核:参照设计成品,对计算机方法进行电力系统潮流计算的相关问题等进行答辩;
4.采用五级评分制:优、良、中、及格、不及格五个等级。
原版任务书:
电力系统潮流计算课程设计任务书
一 .题目原始资料
1、系统图:两个发电厂分别通过变压器和输电线路与四个变电所相连。
2、发电厂资料:
母线1和2为发电厂高压母线,发电厂一总装机容量为( 400MW ),母线3为机压母线,机压母线上装机容量为( 100MW ),最大负荷和最小负荷分别为50MW 和30MW ;发电厂二总装机容量为( 200MW )。
3、变电所资料:
(1) 变电所1、2、3、4低压母线的电压等级分别为:10KV 35KV 10KV 35KV
(2) 变电所的负荷分别为:
50MW 70MW 40MW 70MW
(3) 每个变电所的功率因数均为cos φ=0.85;
(4) 变电所2和变电所4分别配有两台容量为75MVA 的变压器,短路损耗414KW ,短路电
压(%)=16.7;变电所1和变电所3分别配有两台容量为63MVA 的变压器,短路损耗为245KW ,短路电压(%)=10.5;
4、输电线路资料:
发电厂和变电所之间的输电线路的电压等级及长度标于图中,单位长度的电阻为 17.0,单位长
变电所1 变电所2 母线 电厂一 电厂二
度的电抗为 0.402,单位长度的电纳为S -610*2.78。
六、 课程设计基本内容:
4. 对给定的网络查找潮流计算所需的各元件等值参数,画出等值电路图。
5. 输入各支路数据,各节点数据利用给定的程序进行在变电所在某一负荷情况下的潮流计
算,并对计算结果进行分析。
6. 跟随变电所负荷按一定比例发生变化,进行潮流计算分析。
1) 4个变电所的负荷同时以2%的比例增大;
2) 4个变电所的负荷同时以2%的比例下降
3) 1和4号变电所的负荷同时以2%的比例下降,而2和3号变电所的负荷同时以2%
的比例上升;
7. 在不同的负荷情况下,分析潮流计算的结果,如果各母线电压不满足要求,进行电压的
调整。
(变电所低压母线电压10KV 要求调整范围在9.5-10.5之间;电压35KV 要求调整范围在35-36之间)
8. 轮流断开环网一回线,分析潮流的分布。
9. 利用DDRTS 软件,进行绘制系统图进行上述各种情况潮流的分析,并进行结果的比较。
10. 最终形成课程设计成品说明书。
三、课程设计成品基本要求:
1. 在读懂程序的基础上画出潮流计算基本流程图
2. 通过输入数据,进行潮流计算输出结果
3. 对不同的负荷变化,分析潮流分布,写出分析说明。
4. 对不同的负荷变化,进行潮流的调节控制,并说明调节控制的方法,并列表表示调节控
制的参数变化。
5. 打印利用DDRTS 进行潮流分析绘制的系统图,以及潮流分布图。
以下是基于原图,将线路由轻载改为重载后的课程设计:。