《反渗透工艺流程图》(1)
- 格式:dwg
- 大小:126.52 KB
- 文档页数:1
反渗透膜RO(Reverse Osmosis)反渗透技术是利用压力差为动力的膜分离过滤技术,其孔径小至纳米级(1纳米=10-9米),在一定的压力下,H2O分子可以通过RO膜,而源水中的无机盐、重金属离子、有机物、胶体、细菌、病毒等杂质无法透过RO膜,从而使可以透过的纯水和无法透过的浓缩水严格区分开来。
反渗膜工作原理图:反渗透原理图及常规工艺流程图:反渗透装置主要由高压泵、反渗透膜和控制部分组成。
高压泵对源水加压,除水分子可透过RO膜外,水中的其它物质(矿物质、有机物、微生物等)几乎都被拒于膜外,无法透过RO膜而被高压浓水冲走。
反渗透技术的特点:1、反渗透的脱盐率高,单只膜的脱盐率可达99%,单级反渗透系统脱盐率一般可稳定在90%以上,双级反渗透系统脱盐率一般可稳定在98%以上。
2、由于反渗透能有效去除细菌等微生物、有机物,以及金属元素等无机物,出水水质极大地优于其它方法。
3、反渗透制纯水运行成本及人工成本低廉,减少环境污染。
4、减缓了由于源水水质波动而造成的产水水质变化,从而有利于生产中水质的稳定,这对纯水产品质量的稳定有积极的作用。
5、可减少后续处理设备的负担,从而延长后续处理设备的使用寿。
反渗透系统故障判断和解决手段引发问题的可能原因故障症状膜污染多发生在反渗透装置的第-进行对金属氧化物污1段染物的清洗所在位置及鉴别手段解决问题方法-分析日常SDI测试膜截-改善予处理工艺和运金属氧化物污染留物质-通过分析清洗液中的金属离子-解剖分析被污染的膜元件盐透过率升高,产水量却下降,每段之间的压力差增大胶体污染多发生在反渗透装置的第-采用含有脂类洗涤剂1段清洗行条件-分析日常SDI测试膜截-改善予处理工艺和运留物质-解剖分析被污染的膜元件多发生在反渗透装置最-针对具体情况选择合后1段适的清洗剂清洗行条件-校核浓水系统LSI指数-调整系统水回收率无机盐垢污和可能生成的难溶物溶度积测试.-解剖分析被污染的典型膜元件降最大-校核反渗透系统浓淡水盐透过率高,产水量满意,-设计或运行操作不合理,引起反甚至稍高,每渗透膜系统的过分浓差极化段压力差较大比例和运行水回收率-更换已损坏的反渗透膜元件上的U型密封-检查反渗透装置上压力圈容器及压力管道固定是否合适,压力容器是否发生-改善配管固定方式翘曲或变形-检查膜元件的U型浓水密封圈-改善予处理系统反渗透装置第1段上压-加大反渗透浓水的运行流量,降低反渗透系统水回收率.-选择更有效的阻垢/分散药剂投加盐透过率增加,产水流量加大,压力差降低-膜表面被给水的颗粒物质或系统产生浓差极化而生成的无机盐垢污晶体滑伤-分析第1段进水端堆积-改善予处理系统的悬浮颗粒污染物-调整系统水回收率-分析最后1段无机盐垢污,校核浓水LSI值,测-选择投加更有效的试难溶物的溶度积数值阻垢/分散剂膜元件或压-对压力容器的取样管型圈漏水发生位置-更换在膜元件或容流O型圈-对破损的膜元件进行更换力容器上的O取样试验分析确认具体器上已损坏或产生漏膜元件膜袋-压力容器取样试验判盐透过率高,产水量满意或稍高,每段之间的压力压力容器及膜元件有伴随流粘合线破裂、定发生具体位置膜元件中心产品管破裂或膜-对膜元件进行真空试-检查给水压力,元件机械损验,判定发生具体位置水压力及膜元件在运坏分析原因系统运行有-检查设备启动程序是水锤产生的原因-修改设计和运行条否合理,找出产生水锤件和系统启动程序行的压力降是否合-膜元件膜卷伸出,解剖适,并调整之。
我国水资源及淡水资源极度匮乏且分布不均匀,这在很大程度上制约了我国经济发展,因此,将污废水回收再利用是提高水资源利用率的有效方法。
反渗透技术是目前用于水处理比较高效、环保、节能的技术。
该技术不仅在海水淡化、苦咸水脱盐、纯水及超纯水领域得到应用,而且也能够在污废水回收方面得到相应发展。
污水废水的复杂性对膜性能的要求更加苛刻,良好的东丽TMG20-400反渗透膜性能不仅需要较好的初始运行性能,而且更加追求系统长期的稳定运行,而膜污染恰恰是限制膜系统寿命的一个重要方面,开发及使用抗污染膜能够大大减少膜的清洗频率,提供膜运行性能。
东丽反渗透膜在石化行业中的应用中水再生系统处理工艺在连续2年对进水水质进行监测的基础上,最终确定了如下进水及产水设计指标,见表-1及表-2:表-1 进水水质指标表-2 产水水质指标在以上进水及产水指标要求下确定如下处理工艺(见图-1):图-1 石化再生水工艺流程图利用反渗透技术进行再生水处理是非常可行的,化工行业是工业用水大户,大力推广反渗透回用技术不仅可以取得较好的经济效益,而且可以取得很好的环境效益。
针对复杂的再生原水,需要注意以下几方面:(1) 针对特定的原水,选择合适的反渗透膜元件,废水处理推荐使用东丽抗污染膜;低污染膜脱盐层通过改良具有良好的亲水性,大大减低了污染物在膜表面的吸附;(2) 高横向流速可增加水流的湍流程度,减少污染物在膜元件隔网中的堆积和在膜表面上的沉淀。
较高的横向流速同时也提高了膜表面处高浓度盐分的扩散速度,降低浓差极化的危害,减薄边界层厚度,防止了污染物在膜表面处的沉淀。
而膜面横向流速的大小是由给水流量、膜元件给水流道的宽度及厚度等因素所决定的。
研究发现宽给水隔网可以大大减少膜污染程度,由此,废水回用推荐使用31-34mil的给水格网膜元件;(3) 复杂的原水尽量少串联膜元件,减少末端膜元件浓差极化及污染;(4) 加强预处理是RO系统长期高效稳定运行的保证。
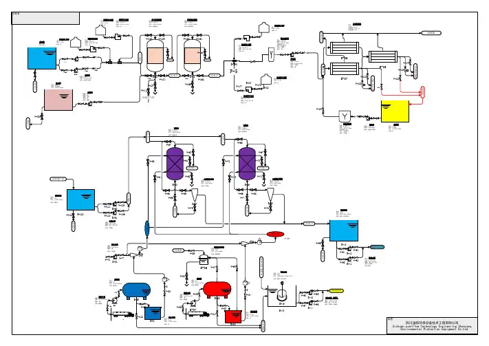
技术文件一、反渗透膜技术简介二、设计基础三、工艺说明四、控制系统和仪表五、设备清单六、设备技术规范书附:工艺流程图;一、反渗透技术简介反渗透简称RO,是六十年代发展起来的一种膜分离技术,其原理是原水在高压力的作用下通过反渗透膜,水中的溶剂由高浓度向底浓度扩散从而达到分离、提纯、浓缩的目的,由于它于自然界的渗透方向相反,因而称它位反渗透。
反渗透可以去除水中的细菌、病毒、胶体、有机物和98%以上的溶解性盐类。
该方法具有运行成本低,操作简单,自动化程度高,出水水质稳定等特点。
与其他传统的水处理方法相比具有明显的优胜,广泛运用于水处理相关行业。
反渗透水处理工艺基本上属于物理脱盐方法,它在诸多方面具有传统的水处理方法所没有的优异特点:1、反渗透是在室温条件下,采用无相变的物理方法将含盐水进行脱盐、纯化。
目前,超薄复合膜元件的脱盐率可达到99.5%以上,并可同时去除水中的胶体、有机物、细菌、病毒等。
2、水的处理仅依靠水的压力作为推动力,其能耗在许多处理中最低。
3、不用大量的化学药剂和酸、碱再生处理,无化学费液排放,无环境污染。
4、反渗透可以连续运行制水,系统简单,操作方便,产品水质稳定。
5、反渗透装置自动化程度高,运行维护和设备维护工作量很少。
6、设备占地面积小,需要的空间也小。
7、适应于较大范围的原水水质,既适应于苦咸水、海水以至污水的处理,又适应于低含盐量的淡水处理。
我公司集多年工业水处理系统的工艺设计、设备制造、系统成套及膜应用技术的经验,选取合理的工艺设置和设计参数,确保设备长期稳定运行。
二、设计基础1、水源水质2、设计标准2.1设备制造和材料符合下列标准和规定的最新版本的要求。
a)GB150《钢制压力容器》b) JB2932《水处理设备制造技术条件》c) HGJ32《橡胶衬里化工设备》d)《压力容器安全技术监察规程》e) JB/T4715-92《固定式管板式换热器式与基本参数》f) JB/T4717-92《U形管式换热器型式与基本参数》2.2进口设备的制造工艺和材科符合美国机械工程师协会(ASME)和美国材料试验学(ASTM)的工业法规中涉及的标准或相当标准。
技术文件一、反渗透膜技术简介二、设计基础三、工艺讲明四、操纵系统和仪表五、设备清单六、设备技术规范书附:工艺流程图;一、反渗透技术简介反渗透简称RO,是六十年代进展起来的一种膜分离技术,其原理是原水在高压力的作用下通过反渗透膜,水中的溶剂由高浓度向底浓度扩散从而达到分离、提纯、浓缩的目的,由于它于自然界的渗透方向相反,因而称它位反渗透。
反渗透能够去除水中的细菌、病毒、胶体、有机物和98%以上的溶解性盐类。
该方法具有运行成本低,操作简单,自动化程度高,出水水质稳定等特点。
与其他传统的水处理方法相比具有明显的优胜,广泛运用于水处理相关行业。
反渗透水处理工艺差不多上属于物理脱盐方法,它在诸多方面具有传统的水处理方法所没有的优异特点:1、反渗透是在室温条件下,采纳无相变的物理方法将含盐水进行脱盐、纯化。
目前,超薄复合膜元件的脱盐率可达到99.5%以上,并可同时去除水中的胶体、有机物、细菌、病毒等。
2、水的处理仅依靠水的压力作为推动力,其能耗在许多处理中最低。
3、不用大量的化学药剂和酸、碱再生处理,无化学费液排放,无环境污染。
4、反渗透能够连续运行制水,系统简单,操作方便,产品水质稳定。
5、反渗透装置自动化程度高,运行维护和设备维护工作量专门少。
6、设备占地面积小,需要的空间也小。
7、适应于较大范围的原水水质,既适应于苦咸水、海水以至污水的处理,又适应于低含盐量的淡水处理。
我公司集多年工业水处理系统的工艺设计、设备制造、系统成套及膜应用技术的经验,选取合理的工艺设置和设计参数,确保设备长期稳定运行。
二、设计基础1、水源水质2、设计标准2.1设备制造和材料符合下列标准和规定的最新版本的要求。
a)GB150《钢制压力容器》b) JB2932《水处理设备制造技术条件》c) HGJ32《橡胶衬里化工设备》d)《压力容器安全技术监察规程》e) JB/T4715-92《固定式管板式换热器式与差不多参数》f) JB/T4717-92《U形管式换热器型式与差不多参数》2.2进口设备的制造工艺和材科符合美国机械工程师协会(ASME)和美国材料试验学(ASTM)的工业法规中涉及的标准或相当标准。
、丿LKfl r #“j J».>-j r 、”h i e I W L XL . n ,m_*. *”」r 、^血. ,** 山罰* f.,垃灯土UnUjrt 腱;ftnTl> 丄 >”i, kt u>^抱fB菏汞w^B〕谢甘 J3^B S窥J^S颇^ ^号造l!l岳监w抡HI振捂iH^s 全4s^» 3fto 3SS <5揍$j杂尸^ 龄^p^B ift益肃直饮水、高纯水、超纯水制备工艺流程图及直饮水系统、高纯水设备、超纯水制备系统介绍直饮水、高纯水、超纯水制备工艺1直饮水基本工艺流程:2.矿泉水、纯净水生产工艺:3.制药、化工、电子工艺用水,电厂锅炉给水、高纯水、超纯水处理直饮水、高纯水、超纯水制备工艺流程图及直饮水系统、高纯水设备、超纯水制备系统介绍直饮水、高纯水、超纯水制备工艺1 •直饮水基本工艺流程:2 •矿泉水、纯净水生产工艺:抑药沉淀市政自来水| _ 丽词一丽i|2|金介履过词一|活"吸視|--- ------ r --------------- 1 Ph调节怖药------- - ---- --------------- —►| 一级胃压泵| —|-级R0装JK| -------------- |二級高压泵| —|二级肿装召灌装线;* |紫外线杀菌装罢—咸品水箱卜一臭氧杀苗液| —3.制药、化工、电子工艺用水,电厂锅炉给水、高纯水、超纯水处理注:1. 选配①为根据各地用户水质硬度情况不同选用软化或加药。
2. 选配②为根据用户一次性投资预算考虑选混床或EDI。
3. 选配③为根据用户对成品水质的要求确定是否需要。
自来水制备超纯水制备系统反渗透纯水设备一、自来水泵入不锈钢水箱,加药,砂滤,活性炭过滤。
二、得到软化水,加药,进入一级反渗透,出来纯水三、再进入二级大型工业反渗透水处理设备系统,出来超纯水高纯水超纯水用在电子工业等标准:二级反渗透出水电导率 1 us/cm2电阻率大于15兆欧/cm2超纯水工业等标准反渗透设备超纯水处理 : 电子半导体、集成电路芯片及封装、液晶显示、高精度线路板、光电器件、各种电子器件、微电子工业、大规模、超大规模集成电路需用大量的高纯水、超纯水清洗半成品、成品。
反渗透简介宁波水处理宁波水处理价格宁波水处理图片(一)设备简介:反渗透是一种借助于选择透过(半透过)性膜的工力能以压力为推动力的膜分离技术,当系统中所加的压力大于进水溶液渗透压时,水分子不断地透过膜,经过产水流道流入中心管,然后在一端流出水中的杂质,如离子、有机物、细菌、病毒等,被截留在膜的进水侧,然后在浓水出水端流出,从而达到分离净化目的。
技术特点:RO反渗透技术生产的水纯净度是目前人类掌握的一切制水技术中最高的,洁净度几乎达到100%。
我公司采用法国原装进口设备,开机后设备实现膜自动冲洗功能,冲洗时间2-10分钟可调。
设备有废水回流装置,可对水进行二次利用,提高水的利用率,节省水费。
低压保护系统,当源水压力不足或无源水时,设备自动停机,保护高压泵及设备安全。
纯水箱水满后设备可自动停机。
设备设有清洗保养系统,可定期对设备定行清洗保养,延长反渗透膜使用寿命3-5年。
设备采用不锈钢架结构,实现无卫生死角,设备无腐蚀,使用10-20年依旧如新。
双级反渗透设备设有多路调节阀,可实现双级出水、单级出水或单双级同时出水,使产水水质多元化。
反渗透设备可灌装机设备配套使用,减少投资成本,提高水资源利用率。
设备基本可实现24小时无人值守运行。
备有在线水质检测仪,随时观察出水水质。
应用范围:系统配置全自动低压冲洗装置,在线CIP清洗系统、高低压保护装置、电导率仪、流量计、压力表等设备。
是食品饮料行业、电子工业集成电路用高纯水、医药行业、化妆品、电镀、电站用水、高压锅炉给水的优选配置。
工艺流程图:上海水处理海反渗透批发反渗透设备,主要是分离溶液中的离子范围,它无需加热,更没有相变过程,因此比传统的方法能耗低。
反渗透设备体积小,操作简单,在锅炉、光电、光伏、化工、造纸等行业都应用很广泛。
用反渗透设备,处理工业用水,不耗用大量酸碱,无二次污染,它的运行费用也比较低。
反渗透膜分离技术,简称RO技术。
RPRO1-12T单反渗透宁波水处理设备浙江水处理设备台州纯水设备台州反渗透设备台州超滤设备台州水处理厂家宁波大型超滤设备厂家台州大型超滤设备价格象山大型超滤设备原我公司生产的反渗透纯水处理设备可使回收率达到75%,脱盐率高达98%以上,而且关键部件反渗膜为美国进口产品,使出水水质得到保证且出水水质稳定。
二级反渗透+EDI超纯水设备工艺流程图1.前言要求如下:1.1纯水水量18MΩ.cm 25 m3/h1.2、系统制备的主要技术参数:前处理产水量: ≥45m3/h;反渗透系统二级反渗透产水量: ≥28m3/h;EDI去离子系统产水量: ≥25m3/h;1.3产水水质指标10m3/h ≥18 MΩ·cm (参照国标EW-Ⅱ)供水压力 0.35Mpa 温度:常温;1.4 系统配置:预处理、二级反渗透、EDI超纯水设备电再生连续除盐装置床。
1.5供水方式:连续产出(24小时运行)。
2. 设计依据莱特莱德郑州水处理设备厂家为新老用户提供。
本电子工业纯水站工程项目设计依据如下:1.原水水质分析资料;2.高纯水的品质要求(产品水水质指标),以及相关国家标准;3.高纯水的生产规模;4.用户对系统整体水准要求。
2.1 原水水质资料和技术指标表1. 原水水样水质分析报告(供参考):检测报告表原水:市政自来水检测结果:无2.2 电子级水国家标准4.1 预处理部分目的:为反渗透装置提供合格的进水。
4.1.1原水预处理的目的和组成A.反渗透系统进水要求:(1)污染指数:SDI≤4;(2)余氯: <0.1 ppm(3)浊度 <1NTU(4)供水Fe3+ ≤0.01ppm。
(5)供水水温适宜范围 10~30℃。
(6)碳酸钙饱和指数 LSI:<0B.预处理系统就是通过过滤、吸附等方法使反渗透进水达到以上要求,以实现以下目的:(1)防止反渗透装置膜面结垢(包括CaCO3、CaSO4、SrSO4、CaF2、SiO2、铁铝氧化物等);(2)防止胶体物质及悬浮固体微粒对反渗透的污堵;(3)防止有机物质的对反渗透的污堵和降解;(4)防止微生物对反渗透的污堵;(5)防止氧化性物质对反渗透膜的氧化破坏;C.预处理系统的组成:包括机械滤器、活性炭滤器。
4.1.2机械滤器机械滤器中的滤料包括多种规格的石英砂,用于除去原水中的悬浮物及及脱稳后的胶体,以使出水的污染指数SDI<4达到RO进水要求。
反渗透水处理技术主要工艺及基本指标一、反渗透设备基本原理RO反渗透技术是一种高科技水处理技术,它依靠反渗透膜在压力下使溶液中的溶剂和溶质分离的特性工作。
“渗透”是一种物理现象,逆渗透就是在含有盐及各种细微杂质的水中(即原水)施加比自然渗透更大的压力,使水从浓度高的一方逆渗透到浓度低的一方,而原水中绝大多数的细微杂质、有机物、重金属、细菌、病毒及其它有害物质等都经污水出口排放掉。
二、反渗透设备标准工艺流程图三、反渗透纯水设备主要工艺流程说明1.原水罐(可选)储存原水,用于沉淀水中的大泥沙颗粒及其它可沉淀物质。
同时缓冲原水管中水压不稳定对水处理系统造成的冲击。
(如水压过低或过高引起的压力传感的反应)。
2.原水泵恒定系统供水压力,稳定供水量。
3.多介质过滤器采用多次过滤层的过滤器,主要目的是去除原水中含有的泥沙、铁锈、胶体物质、悬浮物等颗粒在20um以上的物质,可选用手动阀门控制或者全自动控制器进行反冲洗、正冲洗等一系列操作。
保证设备的产水质量,延长设备的使用寿命。
4.活性炭过滤器系统采用果壳活性炭过滤器,活性炭不但可吸附电解质离子,还可进行离子交换吸附。
经活性炭吸附还可使高锰酸钾耗氧量(COD)由15mg/L(O2)降至2~7mg/L(O2),此外,由于吸附作用使表面被吸附复制的浓度增加,因而还起到催化作用、去除水中的色素、异味、大量生化有机物、降低水的余氯值及农药污染物和除去水中的三卤化物(THM)以及其它的污染物。
可选用手动阀门控制或者全自动控制器进行反冲洗、正冲洗等一系列操作。
保证设备的产水质量,延长设备的使用寿命。
同时,设备具有自我维护系统,运行费用很低。
5.离子软化系统/加药系统R/O装置为了溶解固体形物的浓缩排放和淡水的利用,为防止浓水端特别是RO装置最后一根膜组件浓水侧出现CaCO3,MgCO3,MgSO4,CaSO4,BaSO4, SrSO4, SiSO4的浓度积大于其平衡溶解度常数而结晶析出,损坏膜原件的应有特性,在进入反渗透膜组件之前,应使用离子软化装置或投放适量的阻垢剂阻止碳酸盐, SiO2,硫酸盐的晶体析出.6.精密过滤器采用精密过滤器对进水中残留的悬浮物、非曲直粒物及胶体等物质去除,使RO系统等后续设备运行更安全、更可靠。
反渗透—纯水机组操作规程一、工艺流程:炭滤—精滤—反渗透—混床(详细流程图附后)二、主要技术指标控制:适用原水—自来水产水量:5000t/h用水电导率:≤16us/Am试剂用纯水电导率<0.9us/Am(用硝酸银检验无氯离子为合格)三、注意事项:1、高压泵进水压力要达到0.2MPa以上。
2、]运行时要使浓水排放量与除盐水大致相当,且浓水排放量不小于3000~5000L/h。
四、操作方法(一)反渗透机组操作1、打开焦炭过滤器进出水阀1、5,精密过滤器出水阀6,反渗透除盐水阀9,使水充满设备,注意打开精密过滤器顶部排气阀排气,气体排出后关闭。
2、稍开回流量调节阀7,打开浓水调节阀8,当给水压力达到0.1MPa以上,浓水排放口有气体排出,此时从浓水流量计会看到有气泡,当气泡消失才可进入运行,以免产生高压水锤。
3、启动高压泵,调节浓水量调节阀8,使用浓水排放量不小于3000~5000L/h;同时调节回流调节阀7,使反渗透组件进口压力(工作压力)为0.8~1.3 MPa,使出水量不小超过5000L/h。
调节好后,反渗透机组即能正常运行。
4、取试剂用纯水时,当大于0.9us/Am时应停止,转入工业氨水用水;当水质指标>16us/Am时应转入再生。
(二)树脂混床操作及树脂再生1、混床操作:后级混床系统操作方法参照树脂纯水系统操作规程,先将混床运行阀门打开,将纯水箱出水阀13打开,最后开启纯水泵即可。
注意:反渗透机组前期未合格的除盐水及混床前期未合格的出水均送往浓水贮罐。
2、树脂再生:当混床中的离子交换树脂达到交换终点,再从柱内流出的水就不能符合要求,此时必须对树脂进行再生(交换的逆反应),使其重新获得交换水中正、负离子的能力。
(1)反洗(分层):采用常水逆流漂洗(从出水管进水,进水管出水),除去树脂交换过程式中沉积在树脂层中的不溶性杂质和泥沙。
漂流至流出的水澄清为止。
(2)分离:阳、阴混合的树脂要分离后分别再生,通常利用阳、阴树脂的比重不同(阳树脂比重大,阴树脂比重小),在逆流漂洗过程进行分离。
纳滤、反渗透系统操作手册目录1.纳滤、反渗透膜简介 (1)2.过滤机理 (1)3.纳滤、反渗透系统介绍 (2)3.1纳滤、反渗透膜元件 (2)3.2纳滤、反渗透运行参数 (2)4.纳滤、反渗透术语 (2)5.纳滤、反渗透工艺介绍 (3)5.1 工艺流程图 (3)5.2系统操作规程 (4)5.3系统中主要部件介绍 (5)6.纳滤、反渗透设备操作规程 (7)6.1纳滤、反渗透系统的控制 (12)6.2设备起动的准备 (12)6.3设备开机运行 (13)6.4关机 (13)7.设备的维护 (14)7.1 保安过滤器的清洗 (14)7.1.1 精密过滤芯的更换 (14)7.2 纳滤膜、反渗透的清洗 (14)7.2.1 纳滤膜反渗透元件的污染物 (14)7.2.2 污染物的去除 (15)7.2.3 纳滤膜、反渗透的清洗方法 (15)8.纳滤、反渗透设备常见故障及处理方法 (17)1.纳滤、反渗透膜简介纳滤NF:纳滤介于反渗透膜和超滤膜之间,约150~1000道尔顿。
此外,由于其表面分离层由聚电解质所构成,故对不同价态的粒子存在Donnan效应,对无机盐有一定截留率,约40~90%。
纳滤对二价离子的截留率比对一价的高,在渗滤液中优先脱色。
NF的作用:主要是去除超滤单元不能去除的不可降解有机物、部分总氮、色度、二价离子等。
反渗透 RO:反渗透是最精密的膜法液体分离技术,它能阻挡所有溶解性盐及分子量大于100 的有机物,但允许水分子透过,脱盐率一般大于98%。
它们广泛用于海水及苦咸水淡化,锅炉给水、工业纯水及电子级超纯水制备,饮用纯净水生产,废水处理及特种分离等过程RO的作用:实际运行过程中若原水的C/N比不能满足去除总氮的要求,外加碳源有没有及时供给时,因硝酸盐氮的影响 NF出水总氮就不能达标,这时需要有一最后把关单元,一般采用 RO处理单元,RO单元可保证出水总氮、COD等全部指标达标2. 过滤机理纳滤、反渗透膜具有以下三种特别的机能。