A江坝后式厂房双曲拱坝设计计算书
- 格式:doc
- 大小:1.95 MB
- 文档页数:56
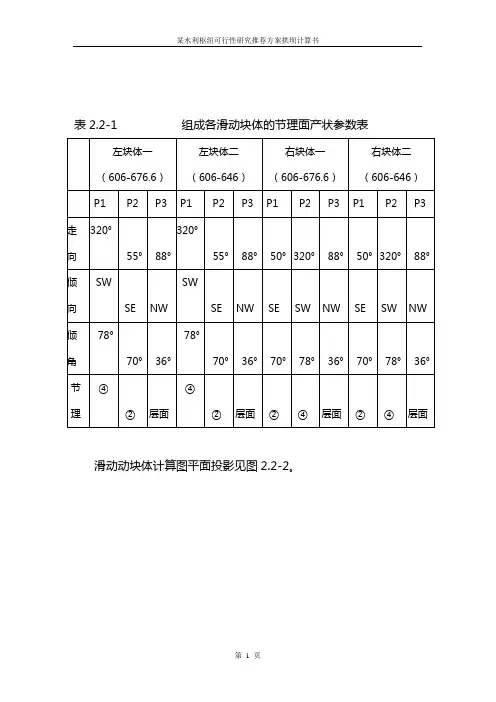
表2.2-1 组成各滑动块体的节理面产状参数表滑动动块体计算图平面投影见图2.2-2。
拱坝坝肩稳定分析中考虑的作用荷载有:坝体作用与滑动体的作用力(包括拱端轴向力H a,径向剪力V a,梁底切向剪力V ct,梁底径向剪V cr,垂直力W1。
由拱梁分载法应力计算获得其分布),滑动体自重,作用于滑动体各面上的扬压力或水压力。
荷载组合:基本组合时,以“正常蓄水位+温降”和“校核洪水位+温升”情况为代表情况;特殊组合时,以“校核洪水位+温升”为代表情况。
2.4 荷载计算a)拱端力计算由于双曲拱坝各高程拱圈拱端轴向和径向各不相同,为计算拱端合力,以坝顶拱圈拱端的轴向和径向为基准,将以下各拱圈的拱端力和梁底剪力换算成坝顶拱圈拱端的轴向和径向两各方向的分布力,然后根据坝肩滑动体在坝基面出露的范围计算坝体作用于滑动体的合力。
坝顶拱圈左拱端轴向方位角为151.98°,右拱端轴向方位角为234.82°。
由拱梁分载法计算给出的左、右岸各拱圈拱端力、梁底剪力分布,以及转换为沿坝顶拱端轴向和径向作用力分布(沿单位高度分布)见表2.5-1到表2.5-5。
表2.4-1 左岸各拱圈拱端力和梁底剪力分布单位:1000kN/m表2.4-2 右岸各拱圈拱端力和梁底剪力分布单位:1000kN/m表2.4-3 左岸各拱圈拱端力和梁底剪力分布单位:1000kN/m表2.4-4 右岸各拱圈拱端力和梁底剪力分布单位:1000kN/m表2.4-5 左岸各拱圈拱端力和梁底剪力分布单位:1000kN/m表2.4-6 右岸各拱圈拱端力和梁底剪力分布单位:1000kN/m根据各滑动楔形体在坝基面上出露的高程范围由表 4.5-1~表4.5-5计算得出作用于各块体拱端力见表4.5-6。
表2.4-7 拱坝坝端作用于各滑动体的合力计算结果单位:1000kNB)滑动体自重计算滑动块体体积由其平面图采用平行切面法计算,岩体容重为26.3kN/m。
双曲拱坝简介(double-curvature arch dam)双向(水平向及竖向)弯曲的拱坝。
它是拱坝中最具有代表性的坝型。
双曲拱坝的水平向弯曲可以发挥拱的作用,竖直向弯曲可实现变中心、变半径以调整拱坝上下部的曲率和半径。
双曲拱坝的优越性可从这两个方向的弯曲中体现出来。
一般情况,上部半径大些,可使拱座推力更指向岸里;下部半径小些,可适当加大下部中心角以提高拱的作用。
因此,双曲拱坝一般均采用变中心、变半径布置,具体又有等中心角及变中心角之分和拱冠梁有近乎直立和俯向下游之分。
为适应特定的地形、地质和溢洪、泄水及厂房布置要求,使拱坝体型、应力及拱座稳定等更趋合理,可调整双曲拱坝的各种参数,双曲拱坝并可在坝基增设垫座以周边缝与坝身份开,或在坝身设置切入缝和分离缝等。
设置周边缝和垫座一般可改善地基(特别是不均匀或不规整地基)对拱坝坝身应力的影响,及改善或降低坝基(即垫座底部)应力以适应地基的要求。
设置切入缝或分离缝可改变拱梁系统荷载分配以改善坝身及坝基应力以适应特定的要求。
周边缝、切入缝及分离缝自20世纪50年代以后才逐渐出现。
它们改进了拱坝应力并扩大了拱坝的应用范围,优点较多。
但也有人认为这些缝破坏了拱坝的整体性,削弱了坝体强度,其结构作用不明确。
虽然对它们的作用至今还存在肯定和怀疑两种不同的观点,但从世界修建拱坝的实践看,这些结构缝屡见不鲜,且有逐渐增多的趋势。
发展20世纪50年代前后,意大利、瑞士、法国建成了较高的有代表性的双曲拱坝。
当时最高的意大利瓦依昂拱坝,高262m,最大底厚22.1m,厚高比仅0.084;瑞士莫瓦桑拱坝高237m,最大底厚53.6m,厚高比为0.227。
这些双曲拱坝的建成,标志着拱坝的设计施工达到了一个新的水平。
意大利著名工程师C.塞门扎等称:双曲拱坝体形的决定在很大程度上依靠模型试验。
50~60年代许多著名的双曲拱坝的体型设计都是出自世界上著名的意大利模型和结构试验研究所。
计算书目录:1、设计参数及控制指标2、拱坝体形3、应力计算4、拱坝稳定计算5、消能计算6、坝体细部及放空、取水孔设计1、设计参数及控制指标1.1坝体参数坝体材料:C15砼砌600#毛石,坝体容重r=2.3t/m3,坝体弹模E=9.0×109Pa,坝体变模E′=5.0×109Pa,泊松比μ=0.25。
线膨胀系数取0.8×105/℃,导温系数取3m2/月。
坝基:左坝基为灰岩,变形模量E′=5.0×109Pa,泊松比μ=0.28。
右坝基为泥灰岩,变形模量E′=3.8×109Pa,泊松比μ=0.30,坝体底部为泥页岩,变形模量E′=2.5×109Pa,泊松比μ=0.32。
线膨胀系数取0.8×105/℃,导温系数取3m2/月。
水文及地质资料见附件1。
1.2控制指标大坝坝肩稳定及应力控制指标按《浆砌石坝设计规范》(SL25-91)执行,见表1-1、1-2。
表1-1 抗滑稳定安全系数表表1-2 大坝允许应力表2、拱坝体形拱坝体形为双曲拱坝,拱圈平面曲线采用圆弧。
因两岸地形基本对称而采用相同半径的双曲拱坝。
2.1 坝顶高程的拟定2.1.1 已知:校核洪水位(p=0.2%):746.50m设计洪水位(p =2%):744.00m 正常蓄水位:742.50m2.1.2 坝顶高程根据各种运行情况的水库静水位加上相应超高后的最大值确定。
坝顶超高值△h 按下式计算(《浆砌石坝设计规范》(SL25-91)第八章坝体构造)△h =2 h 1+h 0+hc 式中:△h……坝顶距水库静水位的高度,m 2 h……波浪高,mh 0……波浪中心线超出水库静水位的风壅高度,mhc……安全超高,m :正常运用情况取0.4m ,非常运用取0.3m 。
2.1.3 波浪要素按《浆砌石坝设计规范》(SL25-91)附录二计算。
波高、波长可按下式计算2h 2=31450166.0f f D υ 2L L =8.01)2(4.10hh 0=LL L H cth L h 12124ππ式中:2h 2——浪高,m ;2L L ——波长,m ;f υ——计算风速,按瓮安县多年平均最大风速为11.1m/s ; f D ——计算吹程(km ),f D =0.8km ;h 0——波浪中心线超出水库静水位的风雍高度,m ; H 1——坝前上游水深,m 。
双曲拱坝和连拱坝计算方法**《双曲拱坝和连拱坝计算方法》**嘿,朋友!今天我要跟你唠唠双曲拱坝和连拱坝的计算方法,这可是我的独家秘籍哦,一般人我可不告诉他!首先咱来说说双曲拱坝的计算方法。
想象一下双曲拱坝就像一个超级厉害的大弯弓,要计算它可得有点小技巧。
第一步,咱得搞清楚它的几何形状和尺寸。
这就好比你要给一个超级英雄量身材,得知道他的身高、肩宽、腰围啥的。
把坝体的各种参数,比如坝高、坝顶弧长、坝底弧长等等,都弄得明明白白的。
我之前有一次就因为把这些参数搞混了,算出来的结果那叫一个离谱,被老师一顿批,说我这不是在计算,是在“瞎算”!第二步,就是分析受力情况啦。
双曲拱坝承受着水的压力、自身的重力等等,这就像是一个大力士被好几个人同时拉扯。
咱们得把这些力都搞清楚方向和大小,可别像我有次似的,把力的方向都给弄反了,那结果能对才怪呢!第三步,运用合适的计算理论和公式。
这就像你有了一堆食材,得按照正确的菜谱来做菜。
常用的有拱梁分载法,把拱和梁的作用分开计算,然后再综合起来。
这一步可不能马虎,公式要选对,参数要带准,不然算出来的结果能让你哭笑不得。
再来说说连拱坝的计算方法。
第一步,同样先了解连拱坝的结构特点。
你就把连拱坝想象成一排手牵手的小朋友,他们相互依靠,共同承受压力。
搞清楚每个拱墩的形状、尺寸和连接方式。
第二步,分析荷载。
这时候你得想象那些荷载就像一群调皮的小猴子,在坝上跳来跳去,你得把它们的行踪和力量都掌握清楚。
第三步,选择计算方法。
比如可以用结构力学的方法,或者有限元法。
这就像是你有不同的工具,得根据情况选对工具才能干活儿顺溜。
不管是双曲拱坝还是连拱坝的计算,都要记得多检查几遍。
别像我有次做完计算,高兴得不行,结果一检查,发现少乘了一个系数,那叫一个悲催啊!还有啊,计算过程中别着急,慢慢来,就像跑马拉松,一步一步稳稳地跑,才能跑到终点。
要是心急,很可能就跑偏啦!朋友,这就是我给你分享的双曲拱坝和连拱坝的计算方法,多练习,多琢磨,相信你一定能掌握的!加油哦!。
六、双曲拱坝坝肩稳定分析1 概述某水利枢纽工程坝址出露地层为三迭系上统须家河组浅灰色厚层石屑砂岩夹少量灰质页岩、泥岩和灰质页岩透镜体。
岩层走向88°,与河流流向近于正交,倾向NW,倾角36°,即倾向上游略偏右岸。
坝址断层不发育,主要地质构造发育有4组陡倾角节理:①组走向320°~330°,倾向SW∠50°~55°;②组走向50°~60°,倾向SE∠60°~70,③组走向335°~345°,倾向SW∠65°~88°;④组走向310°~320°,倾向SW∠58°~78°。
节理连通率为0.6,其中第④组节理有夹泥。
水库正常蓄水位675.00m,大坝采用双曲拱坝坝型,坝体采用小石子混凝土砌块石。
坝顶高程676.60m,河床坝基面高程596.00m,坝顶弧长162.23m,中心角97.16°,坝顶宽5.00m,最大坝高80.60m,最大坝底厚24.00m,大坝体形几何参数见表1-1,表1-1某拱坝体形参数表2 坝肩稳定分析2.1 坝肩稳定地质条件分析根据坝址地质情况,拱坝两岸坝肩无明显的断裂构造切割,形成特定的滑动块体。
影响坝肩稳定的主要地质因素为坝址区发育的4组陡倾角节理和倾角较缓的岩层层面(走向88°,倾向NW∠36°)。
根据这几组节理面的产状与拱坝两岸坝肩坝轴线方向的几何关系分析,节理①、③、④可构成右岸坝肩的侧向切割面和左岸坝肩的上游拉裂面,节理②可构成左岸坝肩的侧向切割面和右岸坝肩的上游拉裂面,而缓倾角的岩层层可构成坝肩滑动体的底滑面。
因此,左、岸坝肩受节理切割均有可能构成影响坝肩稳定的滑动楔形体。
由于岩层倾向上游偏右岸,相对左岸坝肩而言,岩层层面为倾向上游偏河床,对左岸坝肩稳定的影响较不利;相对右岸坝肩来说,岩层层面为倾向下游偏山里,对右岸坝肩稳定的影响比左岸要小。
某拱坝设计计算书一、工程概况某水利枢纽正常水位相应库容982万m3;设计水位675.09m;校核洪水位676.01m,相应库容1027万m3。
拱坝以50一遇洪水设计,500年一遇洪水校核。
二、拱坝坝高及体型设计1.1坝顶高程计算:拱坝中间为溢流坝段,两端为挡水坝段。
溢流坝段为2孔泄流,孔口尺寸为7×4m,采用弧形闸门,堰顶高程为▽671.00m。
校核洪水频率P=0.2%,坝前校核洪水位▽676.01m,坝下校核洪水位▽595.72m。
设计洪水频率P=2%,坝前校核洪水位▽676.01m,坝下设计洪水位▽595.31m。
坝顶高于静水位的超高值△h=h l+h z+h ch l——波浪高度(m)。
h z——波浪中心线至正常或校核洪水位的高差(m)。
h c——安全加高(m)。
(《混凝土重力坝规范》P43)坝的安全级别为Ⅲ级,校核洪水位时h c=0.3m,设计洪水位h c=0.4m。
h l=0.0166V05/4D1/3L=10.4(h l)0.8V0——计算风速(m/s)D ——风作用于水域的长度(km ),称为吹程。
相应季节50年重现期的最大风速为20m/s ,相应洪水期最大风速的多年平均风速为9.90 m/s 。
吹程为0.4km 。
h z =LHcth L h l ππ22H ——坝前水深(m ),校核洪水位H=73.41m ,设计洪水位H=72.49m 。
1.2校核洪水位时:h l =0.0166×9.945×0.431=0.215mL=10.4 ×(0.215)0.8=3.041m h z =041.341.732041.3215.02ππcth=0.048m △h=0.215+0.048+0.3=0.56m校核洪水位坝顶防浪墙高:Z 校坝=Z 校核水位+△h Z 校坝=676.01+0.563=676.57m 1.3设计洪水位时:h l =0.0166×2045×0.431=0.517mL=10.4 ×(0.517)0.8=6.135m h z =135.649.722135.6517.02ππcth=0.137m △h=0.517+0.137+0.4=1.054m设计洪水位坝顶防浪墙高:Z 设坝=Z 设计水位+△h Z 设坝=675.09+1.0555=676.14m 坝顶高程取以上结果较大值676.60m 。
第一章工程概况碧龙源水电站位于遂昌县龙洋乡境内,座落在钱塘江水系乌溪江支流碧龙源上。
电站水库总库容735万m3,电站装机容量2×6300kw,属Ⅳ等工程。
电站主要由拦河坝、发电输水建筑物、调压井、电站厂房等组成。
本标段工程主要包括拦河坝、输水系统进口段及插坑引水工程。
拦河坝坝型为混合线型优化拱坝,材料为C15(W6)砼,最大坝高为47.4m,正常蓄水位为422.7m,设计洪水位为426.18m,校核洪水位为427.40m。
大坝拱冠梁处底厚7.28m,顶厚2.68,厚高比1:0.15,坝顶弧长105.1m,弧高比2.22。
拱坝最大中心角99.77°,最小中心角59.84°。
坝体最大倒悬度上游面为1:0.3,下游面为1:0.1。
坝体横缝计6条,共分7个坝段,横缝采用径向布置,内设键槽。
横缝上游侧设一道止水紫铜片(兼止浆片),下游设止浆片,形成11个灌浆区,其中380m~400m.。
高程5个,400m~420.20m高程6个。
坝体冷却采用预埋蛇形冷却水管进行通水冷却,待坝体温度降到封拱温度时再进行封拱灌浆。
设计封拱温度380m~400m高程为12℃,400m~420.20m高程为12.5℃。
在坝体右侧403m高程设Ф800放水管一根。
在放水管出口末端设阀门。
坝顶溢流段长40m,堰顶高程为420.20m,溢流面为WES曲线。
WES 曲末端接反弧段,反弧半径R=5m,挑射角18°。
堰顶设交通桥及8扇5m×2.5m(宽×高)水力自控翻板闸门。
4扇闸门为1组,共2组,2组之间设中墩,每组的4扇间按“一”排列,两者之间直接线布置,中墩和边墩原则上按径向布置,在闸门附近中、边墩形状按两墩之间等距原则作局部调整,以利于闸门的起闭。
左右边墩收缩角均为8°。
坝体内布设测缝计22支,温度计21支,并在溢流段边墩处设置倒垂观装置一套,垂线中间设2个测点。
目录第一章拱坝基本参数计算 (2)1.1坝顶高程的确定 (2)1.1.1坝顶超高计算 (2)1.1.2坝顶高程计算 (3)1.2坝型方案及结构布置 (3)第二章应力分析 (6)2.1 荷载计算 (6)2.1.1自重 (6)2.1.3泥沙压力 (9)2.1.4扬压力 (10)2.1.5温度荷载 (11)2.2 地基位移计算 (12)2.3拱冠应力分析(拱冠梁法) (15)γγ的确定 (38)2.2.3拱冠径向变位系数,i i2.2.4拱冠梁变位的计算 (41)2.2.5拱冠梁应力计算 (44)2.2.6拱圈应力计算 (52)第三章坝肩稳定分析 (56)3.1 稳定分析 (56)3.1.1计算式 (56)3.1.2分析过程 (57)第四章溢流设计及消能防冲设计 (60)4.1溢流面计算 (60)4.2下游消能防冲复核 (60)第一章拱坝基本参数计算1.1坝顶高程的确定1.1.1坝顶超高计算根据《水利水电工程等级划分及洪水标准》(SL252—2000)规定:龙源口水库设计洪水标准采用50年一遇,校核洪水标准采用500年一遇,按照《浆砌石坝设计规范》SL25—91,《砼拱坝设计规范》SL282—2003中规定计算大坝需要的坝顶超高。
坝顶超高按下式计算:△h=Zhi +h+hC式中:Zhi—波浪高(m)h—波浪中心线至水库静水位的高度(m)h C —安全超高(m)(正常运行情况hC=0.4m,非常运行情况hC=0.3m)g(Zhi)/V△2=0.0076V-1/12(gD/V2)1/3gLm/ V02=0.331 V-7/15(gD/V2)4/15h 0=[π(Zhi)2/Lm]Cth(2πH1/Lm)式中:Lm—波长(m)D—吹程(D=3000m)V 0—多年平均最大风速,V=17.5m/s,正常运用条件下采用 V′=1.5 VH1—水域平均水深(m)坝顶超高计算成果列如表1-4。
表1-4 坝顶超高计算成果表1.1.2坝顶高程计算坝顶高程计算结果列表于1-5。
(此文档为word格式,下载后您可任意编辑修改!)第一章工程概况碧龙源水电站位于遂昌县龙洋乡境内,座落在钱塘江水系乌溪江支流碧龙源上。
电站水库总库容735万m3,电站装机容量2×6300kw,属Ⅳ等工程。
电站主要由拦河坝、发电输水建筑物、调压井、电站厂房等组成。
本标段工程主要包括拦河坝、输水系统进口段及插坑引水工程。
拦河坝坝型为混合线型优化拱坝,材料为C15(W6)砼,最大坝高为47.4m,正常蓄水位为422.7m,设计洪水位为426.18m,校核洪水位为427.40m。
大坝拱冠梁处底厚7.28m,顶厚2.68,厚高比1:0.15,坝顶弧长105.1m,弧高比2.22。
拱坝最大中心角99.77°,最小中心角59.84°。
坝体最大倒悬度上游面为1:0.3,下游面为1:0.1。
坝体横缝计6条,共分7个坝段,横缝采用径向布置,内设键槽。
横缝上游侧设一道止水紫铜片(兼止浆片),下游设止浆片,形成11个灌浆区,其中380m~400m.。
高程5个,400m~420.20m高程6个。
坝体冷却采用预埋蛇形冷却水管进行通水冷却,待坝体温度降到封拱温度时再进行封拱灌浆。
设计封拱温度380m~400m高程为12℃,400m~420.20m高程为12.5℃。
在坝体右侧403m高程设Ф800放水管一根。
在放水管出口末端设阀门。
坝顶溢流段长40m,堰顶高程为420.20m,溢流面为WES曲线。
WES 曲末端接反弧段,反弧半径R=5m,挑射角18°。
堰顶设交通桥及8扇5m×2.5m(宽×高)水力自控翻板闸门。
4扇闸门为1组,共2组,2组之间设中墩,每组的4扇间按“一”排列,两者之间直接线布置,中墩和边墩原则上按径向布置,在闸门附近中、边墩形状按两墩之间等距原则作局部调整,以利于闸门的起闭。
左右边墩收缩角均为8°。
坝体内布设测缝计22支,温度计21支,并在溢流段边墩处设置倒垂观装置一套,垂线中间设2个测点。
拱坝专业课程设计计算水工建筑物课程设计设计题目:拱坝学院:土木建筑工程学院班级:水电061姓名:徐君学号:指导老师:肖良锦老师第一章工程概况某工程位于排坡河中游河段,以发电为主。
电站装机2X630Kw,坝址以上流域面积151Km2。
枢纽主要建筑物有混凝土拱坝,坝后引水式厂房等。
大坝为五等5级建筑物。
设计洪水(三十年一遇)367m3/s,校核洪水(二百年一遇)572m3/s。
坝址河床为较对称的V型河谷,两岸坡较陡。
河床及漫滩砂砾石层厚为0~3m,弱风化层厚2~。
坝后冲刷坑范围以内河床为炉山组中至厚层白云岩,其岩性坚硬致密,隐节理发育,抗冲刷强度高。
该电站位于我省东部多暴雨地区,洪水强度大,流域坡度陡,汇流快,洪水陡涨陡落,枢纽建筑物布置多集中于河床。
确定正常蓄水位与溢流堰顶高程平齐。
课程设计任务根据以上提供的基本情况及地形图,布置设计混凝土拱坝。
步骤如下:1、拱坝布置的原则在地形图上布置双曲拱坝。
选择7层拱圈,坝肩及河床的开挖深度按5m,坝顶无通行汽车要求。
根据布置的尺寸进行拱坝应力分析,直至满足应力要求为止。
(时间2天)2、选择坝顶溢流方式及消能方式,进行相应水力学计算。
确定;孔口尺寸、闸墩宽度、上游设计水位、校核水位、下游设计水位、校核水位、工作桥。
(时间1天)3、根据布置及计算结果,要求提供以下成果。
(时间2天)拱坝平面布置图(建议比例1:200)溢流坝剖面图(建议比例1:200)非溢流坝剖面图(建议比例1:200)拱坝下游立视图或展视图(建议比例1:200)设计计算书1份第二章拱坝的体形和布置坝体材料:C20混凝土,,×109(坝体弹模考虑徐变的影响,),,线胀系数1×10-5/℃,导温系数3m 2/月。
坝基:白云岩,,×109,,×10-5/℃,导温系数3m 2/月。
,内摩擦角14°。
温度荷载按规范(SD145-85)计算,封拱灌浆温度取8~12℃。
摘要A江是我国东南地区的一条河流,根据流域规划拟建一座水电站。
A江水利枢纽同时兼有防洪、发电、灌溉、渔业等综合作用,水库正常蓄水位183.75m,设计洪水位186.7m,校核洪水位189.80m,汛前限制水位182m,死水位164m,尾水位103.5m。
水库死库容 4.76亿m3,总库容9.6亿m3。
A江水利枢纽工程等别为一等,工程规模为大(1)型工程,主要建筑物级别为1级,次要建筑物级别为3级,临时性建筑物级别为4级。
A江水利枢纽的主要组成建筑物有挡水建筑物、主副厂房、泄水建筑物、过木筏道等。
经过坝型比选,选定挡水建筑物为一变圆心变外半径的双曲拱坝,坝顶弦长312m,最大坝高100.4m,坝底厚25.7m,坝顶宽8.5m。
设计中对四种工况的坝体应力分别采用了电算和手算,手算运用拱冠梁法。
泄水建筑物由两个浅孔和两个中孔组成:浅孔位于两岸,孔口宽8.5m,高8.0m,进口底高程为164m,出口底高程为154m;中孔位于水电站进水口两侧,孔口宽7.5m,高7.5m,进口底高程为135m,出口底高程为130m。
在坝身泄水孔的上下游侧分别布置检修闸门和工作闸门,检修闸门采用平板门,工作闸门采用弧形闸门,在每一个工作闸门的上方有启闭机房,浅孔启闭机房高程为173.38m,中孔启闭机房高程为150.82m。
泄槽支撑结构采用框架式结构。
坎顶高程为117.m,浅孔反弧半径为40m,中孔反弧半径为50m。
泄槽直线段的坡度与孔身底部坡度一致,挑射角θ=20o,导墙厚度为1.0m, 浅孔导墙高度为8.5m,中孔导墙高度为11m。
坝后式厂房装有4台5万kW的发电机组,主厂房长81m,宽18m,副厂房长66m,宽10m,安装场长21m,宽18m。
压力管道的直径为4.6m,进水口底高程为152.4m。
发电机层高程为114.8m,尾水管底高程为90.8m,厂房顶高程为130.5m。
为防止坝基渗漏,在坝基靠近上游侧进行帷幕灌浆,并且为了减少坝基的扬压力,在灌浆帷幕之后设置排水孔。
目录第一章调洪演算....................................................................- 4 -1.1调洪演算的原理.. (4)1.2泄洪方案的选择 (4)1.2.1 对三种泄洪方案进行调洪演算.................. - 4 -1.2.2 泄洪方案的选择.............................. - 6 -1.2.3 计算坝高.................................... - 6 -第二章大坝工程量比较........................................................- 8 -2.1大坝剖面设计计算. (8)2.1.1 基本剖面.................................... - 8 -2.1.2 实用剖面.................................... - 8 -2.1.3排水位置.................................... - 8 -2.1.4 荷载计算.................................... - 9 -2.2工程量比较.. (12)第三章第一建筑物——大坝的设计计算 ........................ - 14 -3.1拱坝的剖面设计以及拱坝的布置.. (14)3.1.1 坝型选择双曲拱坝........................... - 14 -3.1.2拱坝的尺寸................................. - 14 -3.2荷载组合 (15)3.3拱坝的应力计算 (15)3.3.1 对荷载组合⑴,⑵,⑶使用FORTRAN程序进行电算- 15 -3.3.2 对荷载组合⑷进行手算....................... - 17 -3.4坝肩稳定验算. (23)3.4.1 计算原理................................... - 23 -3.4.2 验算工况................................... - 24 -3.4.3 验算步骤................................... - 24 -第四章泄水建筑物设计 .................................................... - 29 -4.1泄水建筑物的组成与布置.. (30)4.2坝身泄水口设计 (30)4.2.1 管径的计算................................. - 30 -4.2.2 进水口的高程............................... - 30 -4.3泄槽设计 (31)4.3.1 坎顶高程................................... - 31 -4.3.2 坎上水深h c................................. - 31 -4.3.3 反弧半径R ................................. - 31 -4.3.4 坡度....................................... - 31 -4.3.5 挑射角:挑射角θ=20o....................... - 31 -4.4导墙设计 (32)4.5消能放冲计算 (32)4.5.1 水舌挑距................................... - 32 -4.5.2 冲刷坑深度................................. - 33 -4.5.3 消能率计算................................. - 34 -4.6孔口应力计算及配筋. (34)4.6.1计算原理 (34)4.6.2应力计算 (34)参考文献........................................................................... - 35 -第一章 调洪演算1.1 调洪演算的原理先对一种泄洪方案,求得不同水头下的孔口泄洪能力,并作孔口泄洪能力曲线,再假定几组最大泄流量,对设计(校核)洪水过程线进行调洪演算,求得这几组最大泄流量分别对应的水库存水量,查水位库容曲线,得出这几组最大泄流量分别对应的上游水位,并作最大泄流量与上游水位的关系曲线。
目录第一章调洪演算 ........................ - 3 -1.1 调洪演算的原理.......................................... - 3 -1.2 调洪方案的选择.......................................... - 3 -1.2.1对以下四种方案进行调洪演算......................... - 3 -1.2.2方案比较........................................... - 7 -1.2.3 2浅孔+2中孔方案选定后坝顶高程的计算 .............. - 8 -第二章大坝工程量比较 .................. - 10 -2.1 大坝剖面设计计算....................................... - 10 -2.1.1混凝土重力坝设计.................................. - 10 -2.2 大坝工程量比较......................................... - 17 -2.2.1重力坝工程量...................................... - 17 -2.2.2拱坝工程量........................................ - 18 -2.2.3重力坝与拱坝工程量比较............................ - 19 -第三章第一主要建筑物的设计 ............ - 19 -3.1 拱坝的型式尺寸及布置................................... - 19 -3.1.1坝型选择.......................................... - 19 -3.1.2拱坝的尺寸........................................ - 19 -3.2 荷载组合............................................... - 23 -3.2.1 正常水位+温降 .................................... - 23 -3.2.2 设计水位+温升 .................................... - 23 -3.2.3 校核水位+温升 .................................... - 23 -3.2.4 正常水位+温降+地震 ............................... - 23 -3.3 拱坝的应力计算......................................... - 23 -3.3.1对荷载组合1,2,3使用FORTRAN程序进行电算........ - 23 -3.3.2对荷载组合4进行手算.............................. - 24 -3.4 坝肩稳定验算........................................... - 37 -3.4.1计算原理.......................................... - 37 -3.4.2验算工况.......................................... - 38 -3.4.3验算步骤.......................................... - 38 -4.1泄水建筑物的型式尺寸 ................................... - 42 -4.2坝身进水口设计 ......................................... - 42 -4.2.1管径的计算........................................ - 42 -4.2.2进水口的高程...................................... - 42 -4.3泄槽设计计算 ........................................... - 43 -4.3.1坎顶高程.......................................... - 43 -4.3.2坎上水深h........................................ - 43 -c4.3.3反弧半径R ........................................ - 44 -4.3.4坡度(直线段).................................... - 44 -4.3.5挑射角............................................ - 44 -4.4导墙设计 ............................................... - 44 -4.5消能防冲计算 ........................................... - 45 -4.5.1水舌挑距.......................................... - 45 -4.5.3消能率计算........................................ - 47 -4.6泄水孔口应力及配筋 ..................................... - 49 -4.6.1孔口应力.......................................... - 49 -4.6.2配筋计算.......................................... - 51 -附录 ................................... - 53 -参考文献 ............................... - 55 -结语 ................................... - 56 -第一章 调洪演算1.1 调洪演算的原理先对一种泄洪方案,求得不同水头下的孔口泄洪能力,并作孔口泄洪能力曲线,再假定几组最大泄流量,对设计(校核)洪水过程线进行调洪演算,求得这几组最大泄流量分别对应的水库存水量,查水位库容曲线,得出这几组最大泄流量分别对应的上游水位,并作最大泄流量与上游水位的关系曲线。
上述两条曲线相交得出一交点,此交点坐标即为设计(校核)情况下的孔口最大泄流量及相应的水库水位,再对其它泄洪方案按同样的方法进行调洪演算,最后选定的泄洪方案孔口最大泄流量应接近并不超过容许值,并最好与所给限制流量差值在100m 3/s 以内。
1.2 调洪方案的选择1.2.1对以下四种方案进行调洪演算(1) 2浅孔+2中孔 (2)4表孔+2中孔(3) 4中孔 (4)坝身泄流与利用导流隧洞 1.2.1.1方案一 2浅孔+2中孔浅孔: 进口底高程为164m, 出口底高程为154m1Q μ=(1-1)式中:B —孔口宽,m ; H —孔口高,m ;A —孔口面积(=B ×H),m 2;μ—流量系数(μ=0.80); H 0—出口中心处水头,m 。
中孔: 进口高程底135m, 出口底高程130m2Q μ=式中:B —孔口宽,m ; H —孔口高,m ;A —孔口面积(A=B ×H) ,m 2;μ—流量系数,(μ=0.97-0.3a/H 0 ); a —孔口高度,m ;H-出口中心处水头,m。
表1-1 2浅孔流量表1-2 2中孔流量表1-3 2浅孔+2中孔总流量表1-4 最大泄洪流量与最高水位结果表最大设计泄洪流量为6600m 3/s ,校核流量为6880m 3/s ,最高设计水位为186.7m ,最高校核水位为189.8m 。
1.2.1.2方案二 4表孔+2中孔表孔: 进口底高程179m2/3012H g B m Q ε= (1-2)式中: B —堰顶宽,m ;m —流速系数;ε—侧收缩系数;H 0—出口中心处水头,m 。
中孔: 进口底高程135m, 出口底高程130m022gH A Q μ=式中: B —孔口宽,m ; H —孔口高,m ;A —孔口面积(=B ×H),m 2; μ—流量系数(μ=0.97-0.3a/H 0); a —孔口高度,m ; H 0—出口中心处水头,m 。
表1-5 4表孔流量表1-6 2中孔流量表1-7 4表孔+2中孔总流量表1-8 最大泄洪量与最高水位结果表1.2.1.3方案三 4中孔中孔: 进口底高程135m, 出口底高程130mQ μ=式中:B —孔口宽,m ; H —孔口高,m ;A —孔口面积(=B ×H),m 2; μ—流量系数(μ=0.97-0.3a/H 0 );a —孔口高度,m ;H 0—出口中心处水头,m 。
表1-9 4中孔最大泄洪量与最高水位结果表1.2.1.4方案四 坝身泄流与利用导流隧洞因客观因素,现对坝身泄流与利用导流隧洞不进行调洪计算,只对其进行定性分析。
1.2.2方案比较方案一即泄水建筑物采用2浅孔+2中孔时所需坝顶高程最小,加之方案一与方案三都存在对坝体的结构影响较大的问题(方案二的4表孔使得坝体堰顶以上失去空间结构作用,方案三的4中孔使得坝体同一高程开孔数量过多,该层拱圈削弱过多),并由调洪演算结果看,故本设计选择2浅孔+2中孔的泄流方案,浅孔位于两岸,中孔位于水电站进水口两侧,对称布置。
设计洪水时,允许泄量6650m 3/s ,校核洪水时,允许泄量7650m 3/s 。
设置两浅孔,孔口宽8.5m ,高8.0m ,进口底高程为164m ,出口底高程为154m ;两中孔,孔口宽7.5m ,高7.5m ,进口底高程为135m ,出口底高程为130m ,设计洪水时,下泄流量6600m 3/s ,校核洪水时,下泄流量6880m 3/s ,均小于允许下泄流量,设计洪水位为186.7m ,校核洪水位为189.8m 。
1.2.3 2浅孔+2中孔方案选定后坝顶高程的计算拱坝坝顶超出水库静水位的高度△h 为1%z c 2h h h h ∆=++ (1-3)式中 h 1%—累积频率1%的波浪高度(m ),按式(1-4)、(1-5)、(1-6)求出; h z —波浪中心线高出静水位的高度 (m),按式(1-7)计算;h c —取决于坝的级别和计算情况的安全超高(等级为1级时:设计hc=0.7m ,校核hc=0.5m )。