编码器接线规范
- 格式:pdf
- 大小:634.02 KB
- 文档页数:4
编码器的安装方法
在编码器的现场实际应用中,我们会在安装上遇到各种问题,包括机械方面和电气方面的,如果不注意或是做的不规范,都会影响编码器的正常使用和寿命。
实心轴编码器
实心轴编码器安装会有同步法兰和夹紧法兰等两种安装方式,在安装支架上会有所区别。
1、直接利用编码器法兰端面的安装孔,你来实现编码器与安装支架的固定。
2、利用夹紧法兰的安装凸台,通过夹具(图中2)来实现编码器与安装支架的固定。
3、利用同步法兰的夹紧槽,通过偏心夹具(图中2)来实现编码器与安装支架的固定。
盲孔空心轴编码器
无论增量型或绝对值型编码器,都需要注意轴的长度和轴套的深度是否相配,列如DBS60,一般要求轴的长度不小于15mm,不超过40mm。
而ATM60_SSI,则是一般要求轴的长度不小于15mm,不超过30mm。
通孔空心轴编码器
增量型编码器可以选择夹紧环和安装簧片在同侧或是不同侧的,可以根据现场的安装环境来定,主要是看在安装簧片固定好之后,再去固定夹紧环是否会更方便。
联轴器
1、联轴器安装时,应保持自然的原始状态,不要有任何扭曲;
2、联轴器上的顶丝扭矩一般为0.6Nm,不要使用过大扭矩,导致螺丝损坏;
3、编码器与联轴器的安装需要保持同心,任何偏差都可能导致编码器轴上的机械负载超过额定范围;
机械设零位
增量型编码器可以通过轴或轴套,以及法兰上的标记来设置零位,方便现场编码器
的装配和使用。
通孔/盲孔空心轴编码器上的轴套固定孔对应到法兰面上的零点标志位,就是机械零位。
实心轴编码器的轴上的平面端,其中心线对准法兰上的零点标志位,就是机械零位。
各种输出形式的旋转编码器与后续设备(PLC、计数器等)接线分别怎么接?⑴与PLC连接,以CPM1A为例①NPN集电极开路输出方法1:如下图所示这种接线方式应用于当传感器的工作电压与PLC的输入电压不同时,取编码器晶体管部分,另外串入电源,以无电压形式接入PLC。
但是需要注意的是,外接电源的电压必须在DC30V以下,开关容量每相35mA以下,超过这个工作电压,则编码器内部可能会发生损坏。
具体接线方式如下:编码器的褐线接编码器工作电压正极,蓝线接编码器工作电压负极,输出线依次接入PLC的输入点,蓝线接外接电源负极,外接电源正极接入PLC的输入com端。
方法2:编码器的褐线接电源正极,输出线依次接入PLC的输入点,蓝线接电源负极,再从电源正极端拉根线接入PLC输入com端。
②电压输出接线方式如图所示:具体接线方式如下:编码器的褐线接电源正极,输出线依次接入PLC的输入点,蓝线接电源负极,再从电源正极端拉根线接入PLC输入com端。
不过需要注意的是,不能以下图方式接线。
③PNP集电极开路输出接线方式如下图所示:具体接线方式如下:编码器的褐线接工作电压正极,蓝线接工作电压负极,输出线依次接入PLC的输入com端,再从电源负极端拉根线接入PLC的输入com端。
④线性驱动输出具体接线如下:输出线依次接入后续设备相应的输入点,褐线接工作电压的正极,蓝线接工作电压的负极。
⑵与计数器连接,以H7CX(OMRON制)为例H7CX输入信号分为无电压输入和电压输入。
①无电压输入:以无电压方式输入时,只接受NPN输出信号。
NPN集电极开路输出的接线方式如下:具体接线方式如下:褐线接电源正极,蓝线接电源负极,再从电源负极端拉根线接6号端子,黑线和白线接入8和9号端子,如果需要自动复位,则橙线接入7号端子。
NPN电压输出的接线方式如下:接线方式与NPN集电极开路输出方式一样。
②电压输入NPN集电极开路输出的接线方式如下图所示:具体接线方式如下:褐线接电源正极,蓝线接电源负极,再从电源负极端拉根线接6号端子,黑线和白线接入8和9号端子,如果需要自动复位,则橙线接入7号端子。
DP接线规则是确定的,不管是不是软冗余。
接法是串行连接,网络两端的485连接器只接A1,B1,并且终端电阻为ON,网络中间节点终端电阻为OFF,A1,B1,A2,B2都有接线。
举个例子:你的一个CPU315-2DP为第一个DP接头,一个153-2为第二个接头,另一个个153-2为第三个接头。
那么接法是1A1--2A1,1B1---2B1,2A2---3A1,2B2--3B1;第一个和第三个接头终端电阻为ON,第二个接头终端电阻为OFF。
我在AB前面加了123,分别代表第一个接头,第二个接头和第三个接头。
DP的连线是带屏蔽的二芯电缆PROFIBUS-DP协议一.PROFIBUS – Dp用于现场层的高速数据传送。
主站周期地读取从站的输入信息并周期地向从站发送输出信息。
总线循环时间必须要比主站(PLC)程序循环时间短。
除周期性用户数据传输外,PROFIBUS-Dp还提供智能化设备所需的非周期性通信以进行组态.诊断和报警处理。
①传输技术:RS-485双绞线.双线电缆或光缆。
波特率从9.6K bit/s到12M bit/s。
②总线存取:各主站间令牌传递,主站与从站间为主-从传送。
支持单主或多主系统。
总线上最站点(主-从设备)数为126。
③通信:点对点(用户数据传送)或广播(控制指令)。
循环主-从用户数据传送和非循环主-主数据传送。
④运行模式:运行.清除.停止。
⑤同步:控制指令允许输入和输出同步。
同步模式:输出同步;锁定模式:输入同步。
⑥功能:DP主站和DP从站间的循环用户有数据传送。
各DP从站的动态激活和可激活。
DP从站组态的检查。
强大的诊断功能,三级诊断诊断信息。
输入或输出的同步。
通过总线给DP从站赋予地址。
通过部线对DP主站(DPM1)进行配置,每DP从站的输入和输出数据最大为246字节。
⑦可靠性和保护机制:所有信息的传输按海明距离HD=4进行。
DP从站带看门狗定时器(Watchdog Timer)。
编码器检验方法及规范1.编码器接线编码器连接线两两一股,每股中有一根黑线,为表示区别,命名为黑(红)、黑(橙)、黑(蓝)、黑(绿),与端子连接的具体对应列表如下:1...………...黑(红)2…………..红3…………..橙4…………..黑(橙)5…………..蓝6…………..黑(蓝)绿和黑(绿)不接,留做备用。
2.准备工作首先将示波器调整到如下状态:纵坐标代表电压,调整到5V/格;横坐标代表触发时间,调整到25ms/格。
右侧显示测量值,分别为两个通道的电压最大值和频率值。
其次检验24V电源的供电质量:使用万用表测量电源的输入是否达到AC220~230V,输出是否达到DC24V,若未达到请更换电源。
最后将24V电源的正、负极分别接入待检编码器的接线端子2、1;示波器两通道表笔的地线相连后与电源负极连接;将带键的手轮插入主轴。
以上工作做完后即可开始编码器的检验。
3.检验项目A.检验波形匀速转动主轴,同时用示波器两表笔分别测量端子3、4、5、6的输出波形,每次两组,观察波形状态是否正确,右图所示为正确波形。
B.记录各项电压最大值匀速转动主轴,同时用示波器两表笔分别测量3、4、5、6、9、10各端子的输出电压最大值,显示在示波器显示屏上。
C.检查轴套绝缘性用万用表测量主轴与编码器其他各金属部分的绝缘情况,保证其主轴与其他金属部分绝缘。
D.检查连接线的通断情况用万用表检测编码器连接线两端,确保每条线均为单独连通的。
4.填写检验明细以上项目检验同时记录检验数据于明细表,交库房留底。
编码器是一种用来将机械或光学运动转换成电子信号的设备。
它可以将运动的信息转换成数字形式,用于控制系统或者数据采集。
在编码器中,接线是非常重要的一部分,正确的接线可以确保编码器正常工作,反之则会导致编码器失效。
本文将介绍编码器接线的原理和方法。
一、编码器接线的原理1.编码器的工作原理编码器是由光电传感器和旋转盘(或者线性标尺)组成的。
当旋转盘或者线性标尺发生运动时,光电传感器会感应到运动的变化,然后将这些变化转换成电子信号。
这些电子信号可以表示旋转的方向和速度,也可以用来计数和控制。
2.编码器的接线原理编码器接线的原理是将光电传感器产生的信号接入到相应的控制系统或者数据采集卡中,以便进行信号的处理和分析。
一般来说,编码器的接线会包括信号线、供电线和接地线。
信号线用来传输编码器产生的信号,供电线用来为编码器提供工作电源,接地线用来保证信号的稳定和可靠传输。
二、编码器接线的方法1.确定编码器的接线方式在进行编码器接线之前,首先需要确定编码器的接线方式。
一般来说,编码器的接线方式有两种,分别是增量式编码器和绝对式编码器。
增量式编码器的接线比较简单,一般只需要将信号线、供电线和接地线接入相应的接口即可。
而绝对式编码器的接线比较复杂,需要根据具体的接口和信号类型来确定接线方式。
2.进行接线测试在确定了编码器的接线方式之后,需要进行接线测试。
接线测试的目的是验证接线的正确性,确保编码器可以正常工作。
接线测试一般包括对信号线、供电线和接地线进行测试,检测它们之间的连接是否正常,以及信号的稳定性和准确性。
3.接线固定接线测试通过之后,需要对接线进行固定。
接线固定的目的是防止接线在运动中松动或者断开,导致编码器失效。
一般来说,可以使用绝缘胶带或者接线端子来固定接线,确保接线的可靠性和稳定性。
三、总结编码器是将机械或者光学运动转换成电子信号的设备,它在自动化控制和数据采集中起着重要的作用。
正确的接线是确保编码器正常工作的关键,我们需要了解编码器的接线原理和方法,确保接线的正确性和稳定性。
详细图文解析编码器正确的接线方法
编码器正确的接线方法:
(1)正确接线至关重要,如图1 为NPN 输出增量型E6B2-CWZ6C 的接线原理,图2 为NPN 输出增量型E6B2-CWZ6C 的实际接线,棕色线接电源正极,蓝色线接电源负极,黑色线接输入0.00,白色线接输入0.01,橙色线接输入0.04,PLC 的COM 接电源正极。
(2)下图为PNP 输出增量型E6B2-CWZ6B 的实际接线图,棕色线接电源正极,蓝色线接电源负极,黑色线接输入0.00,白色线接输入0.01,橙色线接输入0.04,PLC 的COM 接电源负极。
(3)图1 为绝对值型编码器的线与PLC 输入的点的对应图,图2 为NPN 输出绝对值型E6C3-AG5C 的实际接线图,红色线接电源正极,黑色线接电源负极,褐色线接输入0.00,橙色线接输入0.01,黄色线接输入0.02,绿色线接输入0.03,蓝色线接输入0.04,紫色线接输入0.05,灰色线接输入0.06,白色线接输入0.07,粉色线接输入0.08,PLC 的COM 接电源正极。
(4)下图为PNP 输出绝对值型E6C3-AG5B 的实际接线图,红色线接。
详细图文解析编码器正确的接线方法
编码器正确的接线方法:
(1)正确接线至关重要,如图1 为NPN 输出增量型E6B2-CWZ6C 的接线原理,图2 为NPN 输出增量型E6B2-CWZ6C 的实际接线,棕色线接电源正极,蓝色线接电源负极,黑色线接输入0.00,白色线接输入0.01,橙色线接输入0.04,PLC 的COM 接电源正极。
(2)下图为PNP 输出增量型E6B2-CWZ6B 的实际接线图,棕色线接电源正极,蓝色线接电源负极,黑色线接输入0.00,白色线接输入0.01,橙色线接输入0.04,PLC 的COM 接电源负极。
(3)图1 为绝对值型编码器的线与PLC 输入的点的对应图,图2 为NPN 输出绝对值型E6C3-AG5C 的实际接线图,红色线接电源正极,黑色线接电源负极,褐色线接输入0.00,橙色线接输入0.01,黄色线接输入0.02,绿色线接输入0.03,蓝色线接输入0.04,紫色线接输入0.05,灰色线接输入0.06,白色线接输入0.07,粉色线接输入0.08,PLC 的COM 接电源正极。
(4)下图为PNP 输出绝对值型E6C3-AG5B 的实际接线图,红色线接
电源正极,黑色线接电源负极,褐色线接输入0.00,橙色线接输入0.01,黄色线接输入0.02,绿色线接输入0.03,蓝色线接输入0.04,紫色线接输入0.05,灰色线接输入0.06,白色线接输入0.07,粉色线接输入0.08,PLC 的COM 接电源负极。
(5)图1 为线驱动编码器的接线原理,图2 为实际接线图,黑色线接A0+,黑红镶边线A0-,白色线接B0+,白红镶边线接B0-, 橙色线接Z0+,橙红镶边线接Z0-,褐色线接电源+5V,蓝色线接电源0V,切勿接线错误。
。
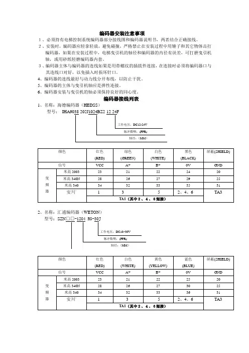
编码器安装注意事项
1、必须持有电梯控制系统编码器部分接线图和编码器说明书,两者结合正确接线。
2、安装时,编码器应轻拿轻放,避免碰撞,严格禁止在安装过程中用锤子和其它物体击打编码器,如果在安装过程中,电梯曳引机的轴径和编码器的内径有误差,可打磨曳引机轴,或用砂纸轻磨编码器内套。
3、编码器主体与编码器的连线如果是用带螺纹的插拔件连接,在连接时必须将编码器口与其连线口对好,以免插入时损坏针口。
4、编码器的连线最好与动力线分开布线,以防止干扰。
5、编码器的主体与曳引机轴应是弹性连接。
6、编码器安装与曳引机的轴必须保持良好的同心度。
编码器接线列表
1、名称:海德编码器(HEDSS)
型号:
2、名称:汇通编码器(WETON)
型号:。
Encoder system connection4.5 Sensor Module Cabinet-Mounted SMC30Control Units and additional system components198Manual, (GH1), 10.2008 Edition, 6SL3097-2AH00-0BP5CAUTIONThe sensor power supply can be parameterized to 5 V or 24 V. The sensor may be destroyed if you enter the wrong parameters.4.5.3.5X521 / X531 alternative encoder system interfaceTable 4-15 X521 / X531 alternative encoder system interface1) Because the physical transmission media is more robust, the bipolar connection shouldalways be used. The unipolar connection should only be used if the encoder type does not output push-pull signals.2) Only from Order No. 6SL3055-0AA00-5CA1 and Firmware 2.4CAUTIONWhen the encoder system is connected via terminals, make sure that the cable shield is connected to the component. Refer to the Chapter "Electrical connection".Control Units6.5 CUA32 Control Unit AdapterAC Drive250Manual, (GH6), 06/2008 Edition, 6SL3097-2AL00-0BP36.5.3.4X220 HTL/TTL/SSI encoder interfaceTable 6-41 Encoder connection X220Pin Signal name Technical specifications 1 +Temp KTY or PTC input2 SSI_CLK SSI clock, positive3 SSI_XCLKSSI clock, negative 4 P_Encoder 5 V / 24 V Encoder power supply 5 P_Encoder 5 V / 24 V Encoder power supply6 P_Sense Sense input encoder power supply7 M_Encoder (M) Ground for encoder power supply8 -Temp Ground for KTY or PTC9 M_Sense Ground sense input 10 RP R track positive 11RN R track negative 12 BN B track negative 13 BPB track positive14 AN_SSI_XDAT A track negative / SSI data negative15AP_SSI_DATA track positive / SSI data positiveType: 15-pin sub D connectorNOTICEThe KTY temperature sensor/the PTC must be connected with the correct polarity.Cables with integral connectors, Details1.6 Signal cables 6FX...Cables and ConnectionsConfiguration Manual, 12/2007276FX⃞ 002-2AH00-.... (✓6FX5..., ⃞6FX7..., ✓6FX8…)6FX⃞ 002-2AH04-.... (✓6FX5..., ⃞6FX7..., ✓6FX8…)F na lulyX220定义定义6FX5002-2AH001+TEMP KTY84+2234P_ENCODER 5V/24V15V 125P_ENCODER 5V/24V67M_ENCODER0V 108-TEMPKTY84-11910R+ZEROTRACK 311R-*ZEROTRACK412B-*B 113B+B 814A-*A 615A+A51PH7 电机编码器电缆CUA32。
编码器安装及接线注意事项编码器安装调试过程中应注意以下两个方面:一,机械安装方面:1.不得对编码器本体和轴进行任何形式的机械加工。
安装过程中,不得对编码器本体及轴进行敲砸、拆卸等,会造成编码器机械损伤。
2.轴型编码器安装时,编码器本体采用刚性支架固定,应采用弹性联轴器联接编码器轴和驱动轴,X2轴向偏差应小于0.5mm,X3角度偏差应小于2度。
联轴器固定时应保持自然状态,以保证具有弹性能力。
3.轴套型编码器安装时,编码器套装在驱动轴上,必须采用弹性支架固定编码器本体。
弹性形变区域内不得有干涉。
驱动轴伸入编码器部分应大于编码器厚度的3/4。
编码器轴套的加工精度是H7,故要求电机轴的加工精度为g6。
二,电气接线方面:1.电气接线应按照编码器接线色标和信号的对应关系正确联接,不得将编码器信号线短接到电源端,电源线接线时应避免短路现象。
2.未使用信号线应进行单独绝缘处理,防止发生短路。
3.电缆对接处应采用接线端子连接,接线应牢靠,避免发生电气意外。
4.编码器信号电缆布线应避免与动力线缆混布于同一电缆槽架,这样会对编码器信号造成干扰,影响编码器信号反馈。
现场判断编码器好坏的方法:1.给编码器通电后,使用示波器查看输出通道A和B的输出波形。
如图,当示波器查看的编码器信号通道输出波形正常,电压伏值正常时,表示编码器工作正常。
否则,表示编码器存在接线故障或编码器本身有故障。
2.使用万用表判断编码器:给编码器通电后,使用万用表分别测量A和B通道与电源负的电压。
当编码器运转时,测得的输出电压为标准输出电压的1/2时,表示编码器通道有输出,编码器能够正常工作。
否则如果只能测量到0V,或高电平,表示编码器接线故障或编码器故障。
欢迎您的下载,资料仅供参考!致力为企业和个人提供合同协议,策划案计划书,学习资料等等打造全网一站式需求。
1.1联网接入架构各类社会单位视频监控资源分布在多个不同的网络环境中,包括行业单位专网或私网、互联网等。
公安机关在互联网上建设省市县三级社会单位视频监控接入平台,各类社会单位的视频信息通过互联网接入至县级社会单位视频监控接入平台。
即县级社会单位视频监控接入平台,能够整合并统一管理所有不同链路、不同技术要求的社会图像监控资源。
未来,随着社会视频监控资源的逐渐增多,有条件的派出所也可建设社会单位视频监控联网接入平台。
县(市、区)公安机关在互联网内部署建设社会视频接入平台,用于接入汇聚本辖区的社会视频监控资源。
市级社会视频接入平台级联各县级社会视频接入平台,可管理、监看本市的社会单位视频信息。
省级社会视频接入平台级联各市级社会视频接入平台,可管理、监看全省的社会单位视频信息。
各级平台应搭建于具备固定IP的互联网环境下,兼顾经济性与多用户同时使用的需求,县级以上平台互联网带宽应不低于50M。
5.1.1通信协议结构5.1.1.1概述视频、音频、数据等信息传输、交换、控制的通信协议的结构见下图所示。
图通信协议结构图联网系统在进行视音频传输及控制时应建立两个传输通道:会话通道和媒体流通道。
会话通道用于在设备之间建立会话并传输系统控制命令;媒体流通道用于传输视音频数据,经过压缩编码的视音频流采用RTP/RTCP传输。
5.1.1.2会话初始协议安全注册、实时媒体点播、历史媒体的回放等应用的会话控制采用RFC 3261(SIP)规定的REGISTER、INVITE等请求和响应方法实现,历史媒体回放控制采用SIP扩展协议RFC2976规定的INFO方法实现,前端设备控制、信息查询等应用的会话控制采用SIP扩展协议RFC 3428规定的MESSAGE方法实现。
SIP消息应支持基于UDP和TCP传输。
5.1.1.3会话描述协议联网系统有关设备之间会话建立过程的会话协商和媒体协商应采用RFC 4566(SDP)协议描述,主要内容包括会话描述、媒体信息描述、时间信息描述。
旋转编码器国家标准旋转编码器是一种常用的测量设备,用于测量旋转物体的角度和速度。
在工业自动化控制系统中,旋转编码器扮演着至关重要的角色。
为了确保旋转编码器的准确性和可靠性,国家标准对其进行了规范和要求,以保证其在各个领域的应用具有统一的标准和规范性。
首先,国家标准对旋转编码器的基本参数和性能进行了详细的规定。
包括但不限于分辨率、脉冲输出、工作温度范围、防护等级等。
这些参数的规范性要求,可以帮助用户在选型和使用时,更加清晰地了解旋转编码器的性能特点,从而更好地满足实际应用需求。
其次,国家标准对旋转编码器的安装和使用进行了规范。
在安装过程中,需要注意安装位置、固定方式、连接线路等细节,以确保旋转编码器的稳定性和准确性。
在使用过程中,需要注意避免外界干扰、防止碰撞损坏等情况,以保证旋转编码器的正常运行。
此外,国家标准还对旋转编码器的维护和保养提出了具体要求。
定期的清洁、检查、润滑等工作,可以有效延长旋转编码器的使用寿命,保证其长期稳定地运行。
同时,对于故障处理和维修,国家标准也进行了规范,以确保在发生故障时能够及时有效地进行处理,减少损失。
在旋转编码器的生产和质量控制方面,国家标准也进行了详细的规定。
从原材料的选择和检验、生产工艺的控制、产品质量的检测等方面,都有相应的标准和要求。
这些规定可以帮助生产厂家建立健全的质量管理体系,确保旋转编码器产品质量稳定可靠。
最后,国家标准还对旋转编码器的标志和包装进行了规范。
产品标志应清晰、醒目,包装应坚固、耐用,以确保产品在运输和使用过程中不受损坏。
总的来说,国家标准对旋转编码器的规范和要求,旨在提高产品的质量和可靠性,促进行业的健康发展。
生产企业和用户单位应严格按照国家标准的要求进行生产和使用,以确保旋转编码器在各个领域的应用具有统一的标准和规范性。
同时,国家标准的不断修订和完善,也将为旋转编码器行业的发展提供有力的支持和保障。
编码器接线规范编码器(encoder)是将物理信号编制、转换为可用以通讯、传输和存储的信号的一种设备。
应用于速度控制或位置控制系统的检测元件。
现场运输小车均使用的是帝尔TR 厂家的CEV65 M 型号编码器,其中C 表示紧凑绝对型、E 表示光学、V 表示实轴、M 表示多圈、65表示外壳65mm。
图1编码器图2编码器后盖地址设定及接线端子介绍编码器接线方法1:所需工具:剥线刀、开口2mm一字改锥、内六花一套、偏口钳一把,开口3mm十字螺丝刀一把。
操作步骤:1)设定地址,接线口朝下拿编码器,左边拨码是十位,右边拨码是个位。
2)设定终端:只接入线时,此编码器是终端,两个终端都打到ON;入线和出线都接时两个拨码都拨到1位。
3)接线:a)把接线端子的附件按顺序套在DP线上,如图3;图3接线附属设备安装顺序b)剥除DP线外层的橡胶层10cm左右,如图4;图4 DP线拨线图5处理屏蔽线c)把内层的金属屏蔽层屡开,并拧成一股,如图5;d)剥开线内部白色保护层,把屏蔽层接到图7中椭圆标出的螺丝上,并接网线,A接绿线,B接红线,如图6,图7。
图6穿线图7接线此方法优、缺点:优点:屏蔽层接触好;缺点:接线方法复杂,不易于操作编码器接线方法2:所需工具:DP线剥线刀、开口2mm一字改锥、内六花一套、偏口钳一把,开口3mm十字螺丝刀一把。
操作步骤:1)设定地址,接线口朝下拿编码器,左边拨码是十位,右边拨码是个位。
2)设定终端:只接入线时,此编码器是终端,两个终端都打到ON;入线和出线都接时两个拨码都拨到1位。
3)接线:a)用专业DP线剥线刀剥线,按图8按顺序穿上附件,并做好屏蔽;图8剥线图9穿线b)接线,A接绿线,B接红线,如图10。
图10接线 此方法优、缺点:优点:接线方法简单,易于操作;缺点:屏蔽层容易接触不良。
船舶主机编码器的安装方法
船舶主机编码器的安装方法如下:
1. 确定安装位置:选择一个离主机传动器近且便于安装的位置。
确保安装位置稳固、平整。
2. 准备工作:清理安装位置,确保没有杂物和灰尘。
检查编码器和相关配件是否完好。
3. 安装编码器:根据编码器的类型和安装方式,将编码器固定在预定位置上。
使用螺丝和螺母将编码器牢固固定。
4. 连接电缆:将编码器的电缆与主机控制系统的相应接口连接。
按照编码器的接线图,确保正确连接。
5. 定位校准:根据编码器的要求和主机传动器的位置,调整编码器的位置和方向,使之与传动器配合良好。
使用调整工具(如螺丝刀)逐步调整编码器的方位,直到准确对齐。
6. 固定连接:根据编码器的安装方式,进一步固定编码器和连接电缆,确保安全可靠。
7. 动态测试:完成安装后,进行测试确保编码器正常运行。
根据主机控制系统的指示,观察编码器的指示灯是否正常亮起,并检查主机是否能正确读取编码器的数据。
8. 定期维护:定期检查编码器和连接电缆的状态,清理灰尘和杂物。
如有需要,进行调整和维修。
编码器接线规范
编码器(encoder)是将物理信号编制、转换为可用以通讯、传输和存储的信号的一种设备。
应用于速度控制或位置控制系统的检测元件。
现场运输小车均使用的是帝尔TR 厂家的CEV65 M 型号编码器,其中C 表示紧凑绝对型、E 表示光学、V 表示实轴、M 表示多圈、65表示外壳
65mm。
图1编码器
图2
编码器后盖地址设定及接线端子介绍
编码器接线方法1:
所需工具:剥线刀、开口2mm一字改锥、内六花一套、偏口钳一把,开口3mm十字螺丝刀一把。
操作步骤:
1)设定地址,接线口朝下拿编码器,左边拨码是十位,右边拨码是个位。
2)设定终端:只接入线时,此编码器是终端,两个终端都打到ON;入线和出线都接时两个拨码都拨到1位。
3)接线:
a)把接线端子的附件按顺序套在DP线上,如图3;
图3接线附属设备安装顺序
b)剥除DP线外层的橡胶层10cm左右,如图4;
图4 DP线拨线图5处理屏蔽线
c)把内层的金属屏蔽层屡开,并拧成一股,如图5;
d)剥开线内部白色保护层,把屏蔽层接到图7中椭圆标出的螺丝上,
并接网线,A接绿线,B接红线,如图6,图7。
图6穿线图7接线
此方法优、缺点:
优点:屏蔽层接触好;
缺点:接线方法复杂,不易于操作
编码器接线方法2:
所需工具:DP线剥线刀、开口2mm一字改锥、内六花一套、偏口钳一把,开口3mm十字螺丝刀一把。
操作步骤:
1)设定地址,接线口朝下拿编码器,左边拨码是十位,右边拨码是个位。
2)设定终端:只接入线时,此编码器是终端,两个终端都打到ON;入线和出线都接时两个拨码都拨到1位。
3)接线:
a)用专业DP线剥线刀剥线,按图8按顺序穿上附件,并做好屏蔽;
图8剥线图9穿线
b)接线,A接绿线,B接红线,如图10。
图10接线 此方法优、缺点:
优点:接线方法简单,易于操作;
缺点:屏蔽层容易接触不良。