项目一、照明平面图
- 格式:ppt
- 大小:2.15 MB
- 文档页数:18
【例3-2】有一栋楼,电源进户线标注是VLV23(3 >50 + 2 &5)SC50-BC表示该线路是采用铝芯塑料绝缘、塑料护套钢带铠装五芯电力电缆,其中三芯是50mm2,两芯是25mm2,穿钢管暗敷设,管径50mm,暗敷设在梁内。
⑵总开关的型号规格、熔断器的规格型号。
出线回路数量、用途、用电负载功率数,各条照明支路分相情况。
如图3-1中C45N-32A/1P表示是C45系列小型断路器,N表示保护线路用,若是AD则表示保护电动机用,单极,额定容量32A。
⑶配电系统图上,还应表示出该工程总的设备容量、需要系数、计算容量、计算电流、配电方式等。
也可以采用绘制一个小表格的方式标出用电参数。
⑷电气系统图中各条配电回路上,应标出该回路编号和照明设备的总容量,其中也包括电风扇、插座和其他用电器具等的容量。
电气系统图一般都是用单线条表示,见图3-1所示。
各回路的断路器型号和容量都相同时,可以只标注配电系统最上面的回路。
图3-1照明配电系统图图3-2是一栋典型的大楼配电系统干线图,图中地下2层配电室有10面配电柜,通过立管送电到各层动力及照明配电箱。
例如2层有一个配电箱标注AL-2-4,其中AL表示是照明配电箱,2层第4号箱。
又如首层有一个配电箱标注AP-1-3,其中AP表示是动力配电箱,1层第3号箱。
其余类推,文字符号可查相关各表,不再赘述。
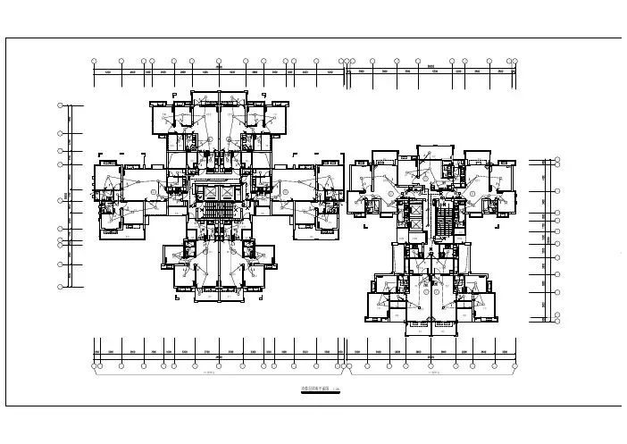
3.2.2照明平面图在照明平面图上需要表达的内容主要有:电源进线位置、导线根数及敷设方式,灯具位置,型号及安装方式,各种用电设备的位置等。
电气照明灯具在平面图上的表示方法见图3-3所示。
照明灯具在平面图上表示的方法往往用图形符号加文字标注。
灯具的一般符号是一个圆,单管荧光灯的符号是中间一竖很长的工”字。
插座符号内涂黑表示嵌入墙内安装。
图例符号见上文,或国标GB4728。
照明平面图上为了表示出不同的灯,经常是将一般符号加以变化来表示,比如将圆圈下部涂黑表示壁灯,圆圈中画 >表示信号灯。
《照明系统安装与维修》课程标准一、适用对象全日制中职教育层次电子电器应用与维修专业的学生。
二、课程定位本课程是中职电子电器应用与维修专业的技能方向课程,具有很强的操作性和实践性。
其前修课程是《电工技术基础》,后续课程是《楼宇安防系统装调》。
三、参考学时72学时四、课程目标通过该课程的学习,使学生掌握照明线路设备安装的理论知识和基本技能,培养学生诚实、守信、沟通、合作的品质,为学生专业发展奠定良好的基础。
1.职业知识(1)了解照明线路的基本知识,识读电气照明平面图。
(2)掌握室内配线方式、安装要求及步骤。
(3)了解照明方式与照明种类,掌握选择导线、开关、熔断器等器件的方法,以及照明线路的保护及照明配电方式。
(4)掌握配电图纸的识读方法。
2.职业技能:(1)安全用电。
(2)能安装简单的照明线路,并会检测和处理常见故障。
(3)能完成室内配线的施工,并进行竣工检查与试验。
(4)能进行照明配电装置的运行管理与维护。
3.职业素养:(1)巩固专业思想,熟悉职业规范和道德。
(2)培养吃苦耐劳、锐意进取、团结协作、爱岗敬业的品质。
(3)培养良好的自主能力和计划能力。
(4)形成正确的就业观和创业观。
五、设计思路本课程主要以企业岗位现场操作所需要具备的技能为主线,充分体现以技术为主线的职教特色;实行项目式教学组合,每个项目均贴近企业岗位现场生产实际,使学生在任务驱动下,在完成项目制作的过程中,学到知识,掌握技术,提升能力;贯彻在“评价中学习”的理念,积极推行过程性、形成性评价,考评标准具体明确,可操作性强;紧扣专业培养目标,注重学习本课程的基础性、实用性和综合性原则。
六、课程教学项目七、项目教学设计项目一基本照明线路的安装:任务二:识读电气照明平面图项目二室内配线的安装项目三照明配电系统::任务五:照明配电装置的运行与管理项目四配电图纸的识读任务一:识读高级住宅配电线路图任务二:识读多层住宅照明线路图八.评价与考核教学评价采用过程性评价和终结性评价相结合的方法。
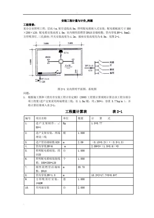
安装工程计量与计价_例题工程背景:某办公室照明工程,层高4 m,架空进线高3m;照明配电箱嵌入式安装,配电箱板面尺寸350×250×120,配电箱安装高度1.8m;室内刚性阻燃管DN15沿墙暗敷,管内穿线BV-1.5mm2;方形吸顶灯,三孔插座;开关安装高度为1.2m,插座安装高度均为0.3m。
见图2-1。
图2-1 室内照明平面图、系统图问题:1.根据施工图和《重庆市安装工程计价定额》(2008)工程量计算规则计算出该工程分部分项工程量(进户支架采用两端埋设三线,长1.8m/根,用∠50*4,容重3.77kg/m ),并将计算结果填入表2-1;工程量计算表表2-1工程背景:某办公楼室内给排水安装工程量清单如下表1-1所示。
经公司研究按照招标文件要求依据《重庆市安装工程计价定额》(2008)和《重庆市建设工程费用定额》(2008)进行投标报价。
相关费用及费率如下:人工单价:50元/工日;规费费率:25.83%;安全文明施工专项费费率7%;工程定额测定费费率0.14%;税金费率3.41%;管理费费率60%;利润费率40%;暂不考虑风险因素。
分部分项工程量清单表1-1问题:(1)请按照《重庆市安装工程计价定额》(2008)以及《重庆市建设工程费用定额》(2008)工程量清单计价格式,计算分部分项工程综合单价。
(10分)条件:①《重庆市安装工程计价定额》(2008)相关内容见表1-2;②相关主材单价如下:镀锌钢管DN40 21.50元/m;塑料管DN50 5.8元/m;螺纹阀门DN40 85元/个④《重庆市安装工程计价定额》(2008)人工基价28元/工日。
条件:①措施项目费合计为6800.00元,其他项目费合计为5600.00元;(3)答:工程量清单的作用是:①为投标者提供一个公开、公平、公正的竞争环境;(1分)②约束招标投标双方的计价行为。
是计价和评标的基础;(1分)③为支付工程进度款提供依据;(1分)④为办理竣工结算及工程索赔提供依据;(1分)(4)工程量清单标准格式,由工程量清单说明与工程量清单表格两大部分组成;(2分)(5)答:清单项目特征,其作用是描述项目名称;(1分)如描述项目所在工程部位、名称、类型、施工工艺、材料品种、规格和型号等; (1分)它是设置项目的主要依据,它影响项目实体价值(或价格),是形成工程造价的主要因素; (1分)特征描述必须准确、清楚和完善,否则影响招标与计价; (1分)工程背景:某室内给排水安装工程,如下图3-1所示。
1 暗敷设在屋面或顶板PA 1内CC I Ceili ngCon cealed• ISuspe ndedceili ng Con cealed 11 暗敷设在不能进人的 PN AAC 【例3・2】有一栋楼,电源进户线标注是VLV23(3>50+ 2 &5)SC50・BC表示该线路是采用铝芯塑料绝缘、塑料护套钢带铠装五芯电力电缆,其中三芯是 50mm2,两芯是25mm2,穿钢管暗敷设,管径50mm ,暗敷设在梁内。
⑵总开尖的型号规格、熔断器的规格型号。
出线回路数量、用途、用电负载功率 数,各条照明支路分相情况。
如图3-1中C45N-32A/1P 表示是C45系列小型断路 器,N 表示保护线路用,若是AD 则表示保护电动机用,单极,额定容量32A 。
⑶配电系统图上,还应表示出该工程总的设备容量、需要系数、计算容量、计算 电流、配电方式等。
也可以采用绘制一个小表格的方式标出用电参数。
⑷电气系统图中各条配电回路上,应标出该回路编号和照明设备的总容量,其中 也包括电风扇、插座和其他用电器具等的容量。
电气系统图一般都是用单线条表示, 见图3-1所示。
各回路的断路器型号和容量都相同时,可以只标注配电 系统最上面的 回路。
图3-1照明配电系统图图3・2是一栋典型的大楼配电系统干线图,图中地下2层配电室有10面配电 柜,通过立管送电到各层动力及照明配电箱。
例如2层有一个配电箱标注AL-2-4, 其中AL 表示是照明配电箱,2层第4号箱。
又如首层有一个配电箱标注AP-1 -3,其 中AP 表示是动力配电箱,1层第3号箱。
其余类推,文字符号可查相尖各表,不再赘 述。
3.2.2照明平面图在照明平面图上需要表达的内容主要有:电源进线位置、导线根数及敷设方式, 灯具位置,型号及安装方式,各种用电设备的位置等。
电气照明灯具在平面图上的表示方法见图3・3所示。
照明灯具在平面图上表示的 间一竖很长的工”字。
插座符号内涂黑表示嵌入墙内安装。