蝶阀阀杆校核计算书样本
- 格式:xls
- 大小:64.50 KB
- 文档页数:9
图号零件名称
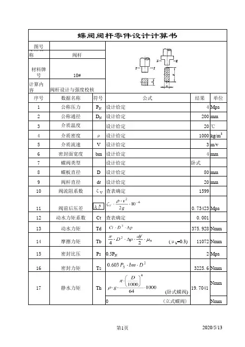
计算内容序号数据名称符号
公式结果单位1公称压力P N 设计给定4Mpa
2公称通径D N 设计给定
200mm 3介质温度设计给定20℃4介质密度ρ设计给定1000kg/m 3
5介质流速V
设计给定
3m/v 6密封面宽度bm 设计给定
4mm
7蝶阀类型设计给定卧式
8蝶板直径D 设计给定80mm 9阀杆直径d f 设计给定20mm 10阀流阻系数ζ
V
查表确定
159911阀前后压差0.73423Mpa 12动水力矩系数Ct 查表确定0.00113动水力矩Td
375.928Nmm 14摩擦力矩Tb (μb =0.3)11072Nmm
15密封比压Ps 0.5P N 2Mpa 16
密封力矩
Ts
3225.6Nmm
(卧式蝶阀)
Nmm 0 (立式蝶阀)Nmm
10#
17静水力矩
Th 19.7041
蝶阀阀杆零件设计计算书
阀杆
阀杆设计与强度校核材料牌号P
D 6
2
102-⋅⋅⋅g
v V ρζp
D Ct D ⋅⋅3b
df p D μπ⋅⋅D ⋅⋅2422
603.0D bm P S ⋅⋅10006410004
⋅⎪
⎭
⎫
⎝⎛⋅⋅⋅D g πρ。
阀门检验报告单-样本
自查报告。
日期,2022年10月15日。
自查人,XXX。
自查内容,阀门检验报告单。
自查结果:经过仔细检查,发现阀门检验报告单中存在以下问题:
1. 缺少阀门型号和规格信息。
2. 未标明阀门的使用压力范围。
3. 缺少阀门材质和制造商信息。
4. 未提供阀门的检验日期和地点。
自查结论,以上问题严重影响了阀门检验报告单的完整性和可
靠性,需要及时进行修正和补充。
自查改进措施:
1. 补充阀门型号和规格信息,确保准确性和完整性。
2. 标明阀门的使用压力范围,以便后续使用时参考。
3. 提供阀门材质和制造商信息,确保阀门质量可追溯。
4. 补充阀门的检验日期和地点,确保报告单的真实性和可信度。
自查负责人签名,XXX。
自查日期,2022年10月15日。
自查结论已报告相关部门并进行了改进措施的落实,以确保阀
门检验报告单的准确性和可靠性。
编号:设计计算书名称:三偏心硬密封蝶阀型号:D343H公称通径:150mm公称压力:1.6Mpa编制:________________审核:________________批准:________________XXXX阀门有限公司二OO九年十二月I目录T (1)计算内容壁厚1M (2)计算内容密封面上计算比压8计算内容阀杆力矩 (4)计算内容阀杆强度验算 (6)计算内容蝶板厚度计算 (8)计算内容蝶板强度验算 (9)计算内容流量系数的计算 (11)附录 (12)I1零件名称 阀体 材料牌号 WCB 计算内容 壁厚 1T序 号 计算数据名称 符号 式中符号公式 单位 计算数据1 计算壁厚 SB ’ []2.3L PN DNC Pσ+-mm 4.3 2 计算压力 PN 设计给定 Mpa 1.6 3 计算内径 DN设计给定mm 150 4许用拉应力[]L σ查《实用阀门设计手册》表3-3Mpa 82 5 腐蚀余量 C 设计给定 mm 3 6 实际壁厚 SB设计给定mm12结论:1.SB ≥SB ’,故合格。
2.管路附件温度压力级是根据材料相应温度下的许用应力制定的,故不进行高温核算。
2零件名称 阀座 材料牌号 WCB计算内容 密封面上计算比压8M序 号 计算数据名称 符号 式中 符号公式 单位 计算数据 1 密封面上总作用力 MZ Q MZ MF Q +QN37799 2 密封面上介质作用力MJ Q ()2MN M πD +b P 4N 26179 3 密封面内径 MN D 图示,设计给定 mm 142 4 密封面外径 MW D图示,设计给定 mm 146.67 5 密封面与球面接触半角 α图示,设计给定 72 6 阀座密封面宽度 M b 设计给定 mm 2.335 7 设计压力 P设计给定Mpa 1.6 8 密封面上密封力 MF Q ()22M MW MN MF πf D -D 1+q tan α4⎛⎫ ⎪⎝⎭N 11620 9密封面磨擦因数M f查《实用阀门设计手册》表3-260.3310 密封面必须比压 MF q查《实用阀门设计手册》表3-13 Mpa10 11 密封面计算比压 q()MZMW MN M Q D +D πb sin αMpa 18.77 12密封面许用比压[]q查《实用阀门设计手册》表3-14Mpa150结论 MF q < q<[]q 故合格。
电动蝶阀DN2800计算书铁岭大沃阀门(集团)有限公司D943X-2.5QDN2800(BS日式公式计算)电动蝶阀计算书铁岭大沃阀门(集团)有限公司二O一O年十月十五日目录1.启闭力矩计算 (1)2.阀轴强度计算 (6)3.轴套强度计算 (7)4.销轴强度计算 (8)5.阀体壁厚计算 (9)6.蝶板强度计算 (10)7.参考资料 (17)D943X-2.5Q DN2800 电动蝶阀设计计算设计参数:公称直径: DN2800 mm 公称压力: 0.25MPa阀体试验压力: 0.375MPa密封试验压力: 0.275MPa 管内最高流速: <5m/s1. 启闭力矩计算:1.1 蝶板在全关位置的开阀力矩 1.1.1.密封比压q m = ——————— ﹝1.1﹞公式引自阀门设计 q m == 0.911 MPab m ——密封面宽度5(㎜) P ——公称压力0.25 (MPa) 1.1.2密封力矩Mm=4q m R b m f m (h 2+R 2)1/2 ————﹝1.2﹞公式出处同公式(1.1)mb p*+6.04525.06.04*+=4×0.911×1373.5×5×0.9×(2102+1373.52)1/2×10-3=31294 (Nm)R=1373.5(㎜) f m ——摩擦系数 0.9 h ——门轴距离210(㎜)1.1.3偏心力矩M p = ————﹝1.3﹞公式出处同公式(1.1)M P ==36926 N.mD ——公称直径2800(㎜) P ——公称压力0.25(MPa) h 2——二次偏心6×10-3m1.1.4轴承、填料等摩擦力矩M T = ————﹝1.4﹞公式引自日本久保田计算书M T = =62016 N.md ——阀轴直径 260(㎜) μ——摩擦系数 0.31.1.5.静水力矩 (仅适用于卧式安装)414.322Ph D *410625.0280014.332-****μπ∙∙242d P D 32103.0226025.028004-X X XX πMj=49D4×10-11=49×28004×10-11=30118 N.m1.1.6总的开阀力矩Mz= M m+M P+M T+M j=31294+36926+62016+30118 =160354 N.m2.阀轴强度计算2.1设计参数D—公称通径D=D N=2800mm P—公称压力P=P N=0.6Mpad — 设计预定轴颈d=260mm l — 轴承长度 l=1.5d=390mm C — 阀体与蝶板间隙C=60mm a — a=l/3=130mm X — x=c+a=60+130=190mm阀轴材质:2Cr13调质,材质的屈服强度σs =450Mpa 许用剪切应力 ﹝τ﹞=(0.5~0.6)[σ] ﹝τ﹞=s4σ=112.5 Mpa 2.2阀轴承受弯矩MM=Q*x=21***24D P x π———— ﹝2.1﹞公式引自日本久保田计算书所以:M=8πx(2800/1000)2x0.25x106x160/1000=123151 N.m2.3弯扭合成力矩M ⅢM Ⅲ﹝2.2﹞公式出处同公式(2.1)式中M Ⅲ N.m 2.4阀轴轴颈计算d 2.3﹞公式出处同公式(2.1) 式中M Ⅲ—弯扭合成力矩 ﹝τ﹞—材料许用剪切应力所以d 209mm =经过圆整取d=260mm 3轴套强度计算规格260-390 材料FZ —2 3.1轴套承受压力F=24D P π————————————————(3.1) 式中 D — 公称通径D=DN=2800mmP — 最高使用压力P=0.66Mpa 所以F=4πx(2800x10-3)2x0.66x106=4061904 N 3.2轴承承受力面积SS=l*d ———————————————(3.2) 式中l —轴套长度l=1.5d=390mm d —阀轴直径d=260mm 所以S=390x10-3x260x10-3=0.1014m 2 3.3轴套所受挤压力PmPm=2FS———————————————(3.3)《材料力学》P 64 所以Pm=6406190420.101410⨯⨯=20.3 MPa因为〔Pm 〕=70 MPa所以Pm <〔Pm 〕轴套强度满足要求 4锥销强度计算规格65X495 锥度1:50材料2Cr13 ﹝τ﹞=112.5 Mpa 4.1锥销的受剪面积A 4.1.1 B —B 断面面积A B 如图24B B A d π=267.335574B A π=⨯= mm24.1.2 C —C 断面面积A C 如图24B B A d π=272.441164B A π=⨯= mm24.1.3锥销的受剪面积A A = A B +A C =3557+4116 =7673 mm 2 4.2锥销的剪应力τ τ=2F T A n d A n⨯= T ——阀轴所受的扭矩 160354 N.m n ——锥销个数 3A ——锥销的受剪面积 7673 mm 2 τ=122160354260107673103--⨯⨯⨯⨯⨯ = 53.6 MPa τ=53.6 MPa <[τ]=112.5 MPa 锥销强度满足要求。
D343H-25C-DN600 蝶阀设计计算书共 6 页第1 页蝶阀设计计算书共 6 页 第2 页计 算 内 容: 密封面比压计算产 品型 号D343H-25C 简图:公称压力 PN2.5MPa 公称通径 DN600零 件图 号D343H-25C-DN600-05名 称 阀 体 材 料ASTM A 216 WCB序号 项 目 符号 公 式 计 算 数 值 单 位 1 密封面上总作用力 Q MZ Q MJ +Q MF730964.7+965073.36827472.06 N 2 密封面上介质作用力 Q MJ ()2MN M πD +b P4730964.7 N 3 密封面内径 D MN 设计给定 573.5 mm 4 密封面外径 D MW 设计给定 596.3 mm 5 密封面与球面接触半角 α 设计给定 72° 6 阀座密封面宽度 b M 设计给定 36.8 mm 7 设计压力 P设计给定2.5MPa 8密封面上密封力 Q MFπ/4x (D 2MW- D 2MN )(1+f m /tan α) q MFπ/4x (596.32- 573.52)(1+0.3/tan72) 4.2 965073.36N9 密封面摩擦因数 f M 查《实用阀门设计手册》表3-26 0.3 10密封面必须比压 q MF查《实用阀门设计手册》表3-13 4.2MPa11 密封面计算比压 q Q MZ /sin α(D MW + D MN )πb M 827472.06/sin72(596.3+573.5)π36.86.44 MPa12 密封面许用比压[q ]查《实用阀门设计手册》表3-14150 MPa结论:q MF < q< [q ] 故合格。
蝶阀设计计算书共 6 页第3 页共 6 页第 4 页共 6 页第5 页共 6 页第6 页。
编号:设计计算书名称:三偏心硬密封蝶阀型号:D343H公称通径:150mm公称压力:1.6Mpa编制:________________审核:________________批准:________________XXXX阀门有限公司二OO九年十二月I目录T (1)计算内容壁厚1M (2)计算内容密封面上计算比压8计算内容阀杆力矩 (4)计算内容阀杆强度验算 (6)计算内容蝶板厚度计算 (8)计算内容蝶板强度验算 (9)计算内容流量系数的计算 (11)附录 (12)I1零件名称 阀体 材料牌号 WCB 计算内容 壁厚 1T序 号 计算数据名称 符号 式中符号公式 单位 计算数据1 计算壁厚 SB ’ []2.3L PN DNC Pσ+-mm 4.3 2 计算压力 PN 设计给定 Mpa 1.6 3 计算内径 DN设计给定mm 150 4许用拉应力[]L σ查《实用阀门设计手册》表3-3Mpa 82 5 腐蚀余量 C 设计给定 mm 3 6 实际壁厚 SB设计给定mm12结论:1.SB ≥SB ’,故合格。
2.管路附件温度压力级是根据材料相应温度下的许用应力制定的,故不进行高温核算。
2零件名称 阀座 材料牌号 WCB计算内容 密封面上计算比压8M序 号 计算数据名称 符号 式中 符号公式 单位 计算数据 1 密封面上总作用力 MZ Q MZ MF Q +QN37799 2 密封面上介质作用力MJ Q ()2MN M πD +b P 4N 26179 3 密封面内径 MN D 图示,设计给定 mm 142 4 密封面外径 MW D图示,设计给定 mm 146.67 5 密封面与球面接触半角 α图示,设计给定 72 6 阀座密封面宽度 M b 设计给定 mm 2.335 7 设计压力 P设计给定Mpa 1.6 8 密封面上密封力 MF Q ()22M MW MN MF πf D -D 1+q tan α4⎛⎫ ⎪⎝⎭N 11620 9密封面磨擦因数M f查《实用阀门设计手册》表3-260.3310 密封面必须比压 MF q查《实用阀门设计手册》表3-13 Mpa10 11 密封面计算比压 q()MZMW MN M Q D +D πb sin αMpa 18.77 12密封面许用比压[]q查《实用阀门设计手册》表3-14Mpa150结论 MF q < q<[]q 故合格。
图号零件名称材料牌号蝶阀类型蝶板类型
计算内容序号
数据名称符号公式
结果
单位1公称压力P N 设计给定Mpa 2公称通径D N 设计给定mm 3密封面宽度bm
设计给定mm
4轴承摩擦系数设计给定5阀杆直径d f 设计给定mm 6填料高ht
设计给定
mm
7填料摩擦系数设计给定
8偏心距l 设计给定(偏置蝶板)
mm 9球体半径R mm 10阀门流量Q 设计给定mm 3/h 11阀门关闭时间t 设计给定
s 12压力升值Mpa 13
静水头
H
m
14密封比压
q mf
Mpa 15密封面摩擦力矩Qm
Nmm 16密封面摩擦力矩Mm Qm*R
Nmm
17轴承处摩擦力矩Mc
Nmm
蝶阀阀杆校核计算书
阀杆
阀杆扭应力μ
t μ)(8
1)(4222
22偏置或对称l D D +8
.02
22⨯⨯⨯⨯mf q r D π2
4
2
2f
d
Pn D μ
π
⋅2
)
(6.04r P P N ∆+⨯+P ∆t
Dn Q ⋅⋅21600π()
p Pn ∆+⋅100。