LM324芯片手册
- 格式:pdf
- 大小:191.02 KB
- 文档页数:3
LM324 双极型线性集成电路
摘自—第一价值网(IC网络超市)
四运算放大器
★LM324内部包括有两个独立的、高增益、内部频率补偿
的运算放大器,适合于电源电压范围很宽的单电源使用,
也适用于双电源工作模式,在推荐的工作条件下,电源
电流与电源电压无关。
它的使用范围包括传感放大器、
直流增益模块和其他所有可用单电源供电的使用运算放
大器的场合。
★ LM324的封装形式为塑封14引线双列直插式。
特点
★内部频率补偿
★直流电压增益高(约100dB)
★单位增益频带宽(约1MHz)
★电源电压范围宽:单电源(3—32V);
双电源(±1.5—±16V)
★低功耗电流,适合于电池供电
★低输入偏流
★低输入失调电压和失调电流
★共模输入电压范围宽,包括接地
★差模输入电压范围宽,等于电源电压范围
★输出电压摆幅大(0至VCC-1.5V)
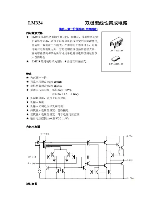
内部电路图
极限参数
电参数(除非特别说明,Vcc=5.0V,VEE=GND,TA=25℃)
电参数(除非特别说明,Vcc=5.0V,VEE=GND,0℃≤TA≤70℃)
管脚排列图
外形尺寸图
第一价值网为您提供最优惠的价格,保证最好的品质UTC324 PDF资料查询,下载。
LM324中文资料大全LM324系列器件带有真差动输入的四运算放大器。
与单电源应用场合的标准运算放大器相比,它们有一些显著优点。
该四放大器可以工作在低到3.0伏或者高到32伏的电源下,静态电流为MC1741的静态电流的五分之一。
共模输入范围包括负电源,因而消除了在许多应用场合中采用外部偏置元件的必要性。
每一组运算放大器可用图1所示的符号来表示,它有5个引出脚,其中“+”、“-”为两个信号输入端,“V+”、“V-”为正、负电源端,“Vo”为输出端。
两个信号输入端中,Vi-(-)为反相输入端,表示运放输出端Vo的信号与该输入端的位相反;Vi+(+)为同相输入端,表示运放输出端Vo的信号与该输入端的相位相同。
LM324系列由四个独立的,高增益,内部频率补偿运算放大器,其中专为从单电源供电的电压范围经营。
从分裂电源的操作也有可能和低电源电流消耗是独立的电源电压的幅度。
应用领域包括传感器放大器,直流增益模块和所有传统的运算放大器现在可以更容易地在单电源系统中实现的电路。
例如,可直接操作的LM324系列,这是用来在数字系统中,轻松地将提供所需的接口电路,而无需额外的±15V电源标准的5V电源电压。
运放类型:低功率放大器数目:4带宽:1.2MHz针脚数:14工作温度范围:0°C to +70°C封装类型:SOIC3dB带宽增益乘积:1.2MHz变化斜率:0.5V/μs器件标号:324器件标记:LM324AD增益带宽:1.2MHz工作温度最低:0°C工作温度最高:70°C放大器类型:低功耗温度范围:商用电源电压最大:32V电源电压最小:3V芯片标号:324表面安装器件:表面安装输入偏移电压最大:7mV运放特点:高增益频率补偿运算逻辑功能号:324额定电源电压, +:15V1.短路保护输出2.真差动输入级3.可单电源工作:3V-32V4.低偏置电流:最大100nA5.每封装含四个运算放大器。
LM324中文资料LM324是四运放集成电路,它采用14脚双列直插塑料封装,外形如图所示。
它的内部包含四组形式完全相同的运算放大器,除电源共用外,四组运放相互独立。
每一组运算放大器可用图1所示的符号来表示,它有5个引出脚,其中“+”、“-”为两个信号输入端,“V+”、“V-”为正、负电源端,“V o”为输出端。
两个信号输入端中,Vi-(-)为反相输入端,表示运放输出端Vo的信号与该输入端的相位相反;Vi+(+)为同相输入端,表示运放输出端V o的信号与该输入端的相位相同。
LM324的引脚排列见图2。
图 1 图2由于LM324四运放电路具有电源电压范围宽,静态功耗小,可单电源使用,价格低廉等优点,因此被广泛应用在各种电路中。
下面介绍其应用实例。
●反相交流放大器电路见附图。
此放大器可代替晶体管进行交流放大,可用于扩音机前置放大等。
电路无需调试。
放大器采用单电源供电,由R1、R2组成1/2V+偏置,C1是消振电容。
放大器电压放大倍数Av仅由外接电阻Ri、Rf决定:Av=-Rf/Ri。
负号表示输出信号与输入信号相位相反。
按图中所给数值,Av=-10。
此电路输入电阻为Ri。
一般情况下先取Ri与信号源内阻相等,然后根据要求的放大倍数在选定Rf。
Co和Ci为耦合电容。
●同相交流放大器见附图。
同相交流放大器的特点是输入阻抗高。
其中的R1、R2组成1/2V+分压电路,通过R3对运放进行偏置。
电路的电压放大倍数Av也仅由外接电阻决定:Av=1+Rf/R4,电路输入电阻为R3。
R4的阻值范围为几千欧姆到几十千欧姆。
●交流信号三分配放大器此电路可将输入交流信号分成三路输出,三路信号可分别用作指示、控制、分析等用途。
而对信号源的影响极小。
因运放Ai输入电阻高,运放A1-A4均把输出端直接接到负输入端,信号输入至正输入端,相当于同相放大状态时Rf=0的情况,故各放大器电压放大倍数均为1,与分立元件组成的射极跟随器作用相同。
1POST OFFICE BOX 655303 •DALLAS, TEXAS 75265(26 V for LM2902)− Dual Supplies ...+1.5 V to +16 V (+13 V for LM2902)D Low Supply-Current Drain Independent of Supply Voltage ...0.8 mA TypD Common-Mode Input Voltage RangeIncludes Ground, Allowing Direct Sensing Near GroundDLow Input Bias and Offset Parameters − Input Offset Voltage ...3mV TypA Versions ...2mV Typ− Input Offset Current ...2 nA Typ − Input Bias Current ...20 nA TypA Versions ...15 nA TypD Differential Input Voltage Range Equal toMaximum-Rated Supply Voltage ...32V (26 V for LM2902)DOpen-Loop Differential Voltage Amplification ...100 V/mV Typ DInternal Frequency Compensationdescription/ordering information These devices consist of four independenthigh-gain frequency-compensated operational amplifiers that are designed specifically to operate from a single supply over a wide range of voltages.Operation from split supplies also is possible if the difference between the two supplies is 3 V to 32 V (3 V to 26 V for the LM2902), and V CC is at least 1.5 V more positive than the input common-mode voltage. The low supply-current drain is independent of the magnitude of the supply voltage.Applications include transducer amplifiers, dc amplification blocks, and all the conventional operational-amplifier circuits that now can be more easily implemented in single-supply-voltage systems. For example, the LM124 can be operated directly from the standard 5-V supply that is used in digital systems and provides the required interface electronics, without requiring additional ±15-V supplies.PRODUCTION DATA information is current as of publication date.Products conform to specifications per the terms of Texas Instruments standard warranty. Production processing does not necessarily include testing of all parameters.1234 5671413121110981OUT 1IN−1IN+V CC 2IN+2IN−2OUT4OUT 4IN−4IN+GND 3IN+3IN−3OUTLM2902K ...D, DB, N, NS, OR PW PACKAGE LM2902KV, LM2902KAV ...D OR PW PACKAGE(TOP VIEW)32120199101112134567818171615144IN+NC GND NC 3IN+1IN+NC V CC NC 2IN+LM124, LM124A ...FK PACKAGE(TOP VIEW)1I N −1O U T N C 3I N −4I N −2I N −2O U T N C NC − No internal connection3O U T 4O U T On products compliant to MIL-PRF-38535, all parameters are tested unless otherwise noted. On all other products,production processing does not necessarily include testing of all parameters.LM124, LM124A, LM224, LM224A, LM324, LM324A, LM2902, LM2902V,LM224K, LM224KA, LM324K, LM324KA, LM2902K, LM2902KV, LM2902KAV QUADRUPLE OPERATIONAL AMPLIFIERSSLOS066T − SEPTEMBER 1975 − REVISED MARCH 20102POST OFFICE BOX 655303 •DALLAS, TEXAS 75265ORDERING INFORMATION {T AV IO max AT 25°CMAX TESTED V CCPACKAGE }ORDERABLEPART NUMBER TOP-SIDE MARKING PDIP (N)Tube of 25LM324N LM324N PDIP (N)Tube of 25LM324KN LM324KNTube of 50LM324D Reel of 2500LM324DR Reel of 2500LM324DRG3LM324SOIC (D)Tube of 50LM324KD 7mV 30V Reel of 2500LM324KDR LM324K 7 mV 30 VReel of 2000LM324NSR LM324Tube of 50LM324KNS SOP (NS)Reel of 2000LM324KNSR LM324K Tube of 90LM324PW TSSOP (PW)Reel of 2000LM324PWR L324TSSOP (PW)Tube of 90LM324KPW C to 70Reel of 2000LM324KPWR L324K 0°C to 70°CPDIP (N)Tube of 25LM324AN LM324AN PDIP (N)Tube of 25LM324KAN LM324KAN Tube of 50LM324AD SOIC (D)Reel of 2500LM324ADR LM324A SOIC (D)Tube of 50LM324KAD Reel of 2500LM324KADR LM324KA 3mV 30V Reel of 2000LM324ANSR LM324A 3 mV 30 VTube of 50LM324KANS SOP (NS)Reel of 2000LM324KANSR LM324KA SSOP (DB)Reel of 2000LM324ADBR LM324A Tube of 90LM324APW TSSOP (PW)Reel of 2000LM324APWR L324A TSSOP (PW)Tube of 90LM324KAPW Reel of 2000LM324KAPWR L324KA PDIP (N)Tube of 25LM224N LM224N PDIP (N)Tube of 25LM224KN LM224KN 5mV 30V Tube of 50LM224D 5 mV30 VSOIC (D)Reel of 2500LM224DR LM224SOIC (D)Tube of 50LM224KD 25C to 85Reel of 2500LM224KDR LM224K −25°C to 85°CPDIP (N)Tube of 25LM224AN LM224AN PDIP (N)Tube of 25LM224KAN LM224KAN 3mV 30V Tube of 50LM224AD 3 mV30 VSOIC (D)Reel of 2500LM224ADR LM224A SOIC (D)Tube of 50LM224KAD Reel of 2500LM224KADRLM224KA †For the most current package and ordering information, see the Package Option Addendum at the end of this document, or see the TIweb site at .‡Package drawings, thermal data, and symbolization are available at /packaging.LM124, LM124A, LM224, LM224A, LM324, LM324A, LM2902, LM2902V,LM224K, LM224KA, LM324K, LM324KA, LM2902K, LM2902KV, LM2902KAVQUADRUPLE OPERATIONAL AMPLIFIERSSLOS066T − SEPTEMBER 1975 − REVISED MARCH 20103POST OFFICE BOX 655303 •DALLAS, TEXAS 75265ORDERING INFORMATION (CONTINUED)T AV IO max AT 25°CMAX TESTED V CCPACKAGE †ORDERABLEPART NUMBER TOP-SIDE MARKING PDIP (N)Tube of 25LM2902N LM2902N PDIP (N)Tube of 25LM2902KN LM2902KN Tube of 50LM2902D SOIC (D)Reel of 2500LM2902DR LM2902SOIC (D)Tube of 50LM2902KD Reel of 2500LM2902KDR LM2902K Reel of 2000LM2902NSR LM2902Tube of 50LM2902KNS 7 mV26 VSOP (NS)Reel of 2000LM2902KNSR LM2902K −40°C to 125°CSSOP (DB)Tube of 80LM2902KDB 40SSOP (DB)Reel of 2000LM2902KDBR L2902K Tube of 90LM2902PW TSSOP (PW)Reel of 2000LM2902PWR L2902TSSOP (PW)Tube of 90LM2902KPW Reel of 2000LM2902KPWR L2902K 32V SOIC (D)Reel of 2500LM2902KVQDR L2902KV 32 VTSSOP (PW)Reel of 2000LM2902KVQPWR L2902KV 2mV 32V SOIC (D)Reel of 2500LM2902KAVQDR L2902KA 2 mV32 VTSSOP (PW)Reel of 2000LM2902KAVQPWR L2902KA CDIP (J)Tube of 25LM124J LM124J CFP (W)Tube of 25LM124W LM124W LCCC (FK)Tube of 55LM124FK LM124FK 55C to 125 5 mV30 VSOIC (D)Tube of 50LM124D −55°C to 125°CSOIC (D)Reel of 2500LM124DR LM124CDIP (J)Tube of 25LM124AJ LM124AJ 2 mV30 V CFP (W)Tube of 25 LM124AW LM124AW LCCC (FK)Tube of 55LM124AFKLM124AFK†Package drawings, standard packing quantities, thermal data, symbolization, and PCB design guidelines are available at /sc/package.symbol (each amplifier)−+IN−IN+OUTLM124, LM124A, LM224, LM224A, LM324, LM324A, LM2902, LM2902V,LM224K, LM224KA, LM324K, LM324KA, LM2902K, LM2902KV, LM2902KAV QUADRUPLE OPERATIONAL AMPLIFIERSSLOS066T − SEPTEMBER 1975 − REVISED MARCH 20104POST OFFICE BOX 655303 •DALLAS, TEXAS 75265schematic (each amplifier)V CCOUTGNDIN−IN+COMPONENT COUNT(total device)Epi-FET Transistors Diodes Resistors Capacitors1954114†ESD protection cells - available on LM324K and LM324KA onlyLM124, LM124A, LM224, LM224A, LM324, LM324A, LM2902, LM2902V,LM224K, LM224KA, LM324K, LM324KA, LM2902K, LM2902KV, LM2902KAVQUADRUPLE OPERATIONAL AMPLIFIERSSLOS066T − SEPTEMBER 1975 − REVISED MARCH 20105POST OFFICE BOX 655303 •DALLAS, TEXAS 75265absolute maximum ratings over operating free-air temperature range (unless otherwise noted)†LM2902ALL OTHER DEVICES UNIT Supply voltage, V CC (see Note 1)±13 or 26±16 or 32V Differential input voltage, V ID (see Note 2)±26±32V Input voltage, V I (either input)−0.3 to 26−0.3 to 32VDuration of output short circuit (one amplifier) to ground at (or below) T A = 25°C, V CC ≤ 15 V (see Note 3)UnlimitedUnlimitedD package 8686DB package9696θN package 8080°C/WPackage thermal impedance, JA (see Notes 4 and 5)NS package 7676PW package 113113FK package5.61q J package 15.05°C/W Package thermal impedance, JC (see Notes 6 and 7)W package14.65Operating virtual junction temperature, T J 150150°C Case temperature for 60 secondsFK package 260°C Lead temperature 1,6 mm (1/16 inch) from case for 60 seconds J or W package300300°C Storage temperature range, T stg−65 to 150−65 to 150°C†Stresses beyond those listed under “absolute maximum ratings” may cause permanent damage to the device. These are stress ratings only, and functional operation of the device at these or any other conditions beyond those indicated under “recommended operating conditions” is not implied. Exposure to absolute-maximum-rated conditions for extended periods may affect device reliability.NOTES: 1.All voltage values (except differential voltages and V CC specified for the measurement of I OS ) are with respect to the network GND.2.Differential voltages are at IN+, with respect to IN−.3.Short circuits from outputs to V CC can cause excessive heating and eventual destruction.4.Maximum power dissipation is a function of T J (max), q JA , and T A . The maximum allowable power dissipation at any allowableambient temperature is P D = (T J (max) − T A )/q JA . Operating at the absolute maximum T J of 150°C can affect reliability.5.The package thermal impedance is calculated in accordance with JESD 51-7.6.Maximum power dissipation is a function of T J (max), q JC , and T C . The maximum allowable power dissipation at any allowable casetemperature is P D = (T J (max) − T C )/q JC . Operating at the absolute maximum T J of 150°C can affect reliability.7.The package thermal impedance is calculated in accordance with MIL-STD-883.ESD protectionTEST CONDITIONSTYP UNIT Human-Body ModelLM224K, LM224KA, LM324K, LM324KA, LM2902K, LM2902KV, LM2902KAV±2kVLM124, LM124A, LM224, LM224A, LM324, LM324A, LM2902, LM2902V,LM224K, LM224KA, LM324K, LM324KA, LM2902K, LM2902KV, LM2902KAV QUADRUPLE OPERATIONAL AMPLIFIERSSLOS066T − SEPTEMBER 1975 − REVISED MARCH 20106POST OFFICE BOX 655303 •DALLAS, TEXAS 75265electrical characteristics at specified free-air temperature, V CC = 5 V (unless otherwise noted)‡LM124LM224LM324LM324KPARAMETERTEST CONDITIONS †T AMINTYP §MAXMINTYP §MAXUNITInput offset voltage 25°C 3537V IO Input offset voltage V CC = 5 V to MAX,V IC = V ICR min,V O = 1.4 V Full range 79mV Input offset current 14V 25°C 230250I IO Input offset current V O = 1.4 V Full range 100150nA Input bias current V 14V25°C −20−150−20−250I IBInput bias currentO = 1.4 V Full range −300−500nA5V to MAX 25°C0 to V CC − 1.50 to V CC − 1.5V ICRCommon-mode input voltage rangeV CC = 5 V to MAXFull range 0 to 0 to VFull rangeV CC − 2V CC − 2R L = 2 k Ω25°C V CC − 1.5V CC − 1.5High-levelR L = 10 k Ω25°CV OHoutput voltage MAXR L = 2 k ΩFull range 2626Vp gV CC = MAX R L ≥ 10 k ΩFull range 27282728V OLLow-level output voltage R L ≤ 10 k ΩFull range 520520mVLarge-signaldifferential voltage V 25°C 5010025100A VD differential voltage amplification CC = 15 V, V O = 1 V to 11 V,R L ≥ 2 k ΩFull range 2515V/mV CMRRCommon-mode rejection ratio V IC = V ICR min25°C70806580dBSupply-voltage rejection ratio k SVR rejection ratio (∆V CC /∆V IO )25°C 6510065100dBV O1/V O2Crosstalk attenuationf = 1 kHz to 20 kHz 25°C 120120dBV = 15 V,1V 25°C−20−30−60−20−30−60CC V ID = 1 V,V O = 0SourceFull range −10−10I Output current V = 15 V,1V 25°C10201020mAOpCC V ID = −1 V,V O = 15 V Sink Full range 55V ID = −1 V,V O = 200 mV 25°C 12301230µA I OSShort-circuit output current V CC at 5 V,GND at −5 V V O = 0,25°C ±40±60±40±60mASupply current V O = 2.5 V,No load Full range 0.7 1.20.7 1.2I CCSupply current (four amplifiers)V CC = MAX,V O = 0.5 V CC ,No loadFull range1.431.43mA†All characteristics are measured under open-loop conditions, with zero common-mode input voltage, unless otherwise specified. MAX V CC for testing purposes is 26 V for LM2902 and 30 V for the others.‡Full range is −55°C to 125°C for LM124, −25°C to 85°C for LM224, and 0°C to 70°C for LM324.§All typical values are at T A= 25°C.LM124, LM124A, LM224, LM224A, LM324, LM324A, LM2902, LM2902V,LM224K, LM224KA, LM324K, LM324KA, LM2902K, LM2902KV, LM2902KAVQUADRUPLE OPERATIONAL AMPLIFIERSSLOS066T − SEPTEMBER 1975 − REVISED MARCH 20107POST OFFICE BOX 655303 •DALLAS, TEXAS 75265electrical characteristics at specified free-air temperature, V CC = 5 V (unless otherwise noted)TEST CONDITIONS ‡LM2902LM2902VPARAMETERTEST CONDITIONS †T A MINTYP §MAXMINTYP §MAXUNITV 5V t Non-A-suffix25°C 3737Input offset voltage CC = 5 V to MAX,devices Full range 1010V IOInput offset voltageV = V min,14V 25°C 12mV IC ICR V O = 1.4 V A-suffix devicesFull range 4∆V IO /∆T Input offset voltage temperature drift R S = 0 ΩFull range 7µV/°C Input offset current 14V25°C 250250I IO Input offset current V O = 1.4 V Full range 300150nA ∆I IO /∆T Input offset current temperature drift Full range10pA/°C Input bias current V 14V25°C −20−250−20−250I IBInput bias currentO = 1.4 V Full range −500−500nA 5V to MAX25°C0 to V CC − 1.50 to V CC − 1.5V ICRCommon-mode input voltage rangeV CC = 5 V to MAX Full range 0 to 0 to VFull rangeV CC − 2V CC − 2R L = 2 k Ω25°C High-levelR L = 10 k Ω25°C V CC − 1.5V CC − 1.5V OHoutput voltage MAX R L = 2 k ΩFull range 2226Vp gV CC = MAXR L ≥ 10 k ΩFull range 232427V OLLow-level output voltage R L ≤ 10 k ΩFull range 520520mV Large-signaldifferential voltage V 25°C 2510025100A VD differential voltage amplification CC = 15 V, V O = 1 V to 11 V,R L ≥ 2 k ΩFull range 1515V/mV CMRRCommon-mode rejection ratio V IC = V ICR min25°C50806080dBSupply-voltage rejection ratio k SVR rejection ratio (∆V CC /∆V IO )25°C 5010060100dBV O1/V O2Crosstalk attenuationf = 1 kHz to 20 kHz 25°C 120120dBV = 15 V,1V S 25°C−20−30−60−20−30−60CC V ID = 1 V,V O = 0SourceFull range −10−10I OOutput currentV = 15 V,1V 25°C10201020mACC V ID = −1 V,V O = 15 V Sink Full range 55V ID = −1 V,V O = 200 mV 25°C 301240µA I OSShort-circuit output current V CC at 5 V,GND at −5 V V O = 0,25°C ±40±60±40±60mASupply current V O = 2.5 V,No load Full range 0.7 1.20.7 1.2I CCSupply current (four amplifiers)V CC = MAX,V O = 0.5 V CC ,No loadFull range1.431.43mA†All characteristics are measured under open-loop conditions, with zero common-mode input voltage, unless otherwise specified. MAX V CC fortesting purposes is 26 V for LM2902 and 32 V for LM2902V.‡Full range is −40°C to 125°C for LM2902.§All typical values are at T A= 25°C.LM124, LM124A, LM224, LM224A, LM324, LM324A, LM2902, LM2902V,LM224K, LM224KA, LM324K, LM324KA, LM2902K, LM2902KV, LM2902KAVQUADRUPLE OPERATIONAL AMPLIFIERSSLOS066T − SEPTEMBER 1975 − REVISED MARCH 20109POST OFFICE BOX 655303 •DALLAS, TEXAS 75265operating conditions, V CC = ±15 V, T A = 25°CPARAMETERTEST CONDITIONSTYP UNIT SR Slew rate at unity gain R L = 1 M Ω, C L = 30 pF , V I = ±10 V (see Figure 1)0.5V/µsB 1Unity-gain bandwidth R L = 1 M Ω,C L = 20 pF (see Figure 1) 1.2MHz V nEquivalent input noise voltageR S = 100 Ω, VI = 0 V, f = 1 kHz (see Figure 2)35nV/√HzFigure 1. Unity-Gain AmplifierFigure 2. Noise-Test CircuitPACKAGE OPTION ADDENDUM23-Mar-2012Addendum-Page 1PACKAGING INFORMATIONOrderable Device Status(1)Package Type PackageDrawingPins Package QtyEco Plan(2)Lead/Ball FinishMSL Peak Temp (3)Samples (Requires Login)5962-7704301VCA ACTIVE CDIP J 141TBD A42N / A for Pkg Type 5962-9950403V9B ACTIVE XCEPT KGD 0100TBD Call TI N / A for Pkg Type 5962-9950403VCAACTIVE CDIP J 1425TBD A42N / A for Pkg Type 77043012A ACTIVE LCCC FK 201TBD Call TI Call TI 7704301CA ACTIVE CDIP J 141TBD Call TI Call TI 7704301DA ACTIVE CFP W 141TBD Call TI Call TI 77043022A ACTIVE LCCC FK 201TBD Call TI Call TI 7704302CA ACTIVE CDIP J 141TBD Call TI Call TI 7704302DA ACTIVE CFP W 141TBD Call TI Call TIJM38510/11005BCAACTIVE CDIP J 141TBD A42N / A for Pkg Type LM124ADR OBSOLETE SOIC D 14TBD Call TI Call TILM124AFKB ACTIVE LCCC FK 201TBD POST-PLATE N / A for Pkg TypeLM124AJ ACTIVE CDIP J 141TBD A42N / A for Pkg Type LM124AJB ACTIVE CDIP J 141TBD A42N / A for Pkg Type LM124AWB ACTIVE CFP W 141TBD A42N / A for Pkg TypeLM124D ACTIVE SOIC D 1450TBDCU NIPDAU Level-3-245C-168 HR LM124DG4ACTIVE SOIC D 1450Green (RoHS & no Sb/Br)CU NIPDAU Level-1-260C-UNLIM LM124DR ACTIVE SOIC D 142500TBD CU NIPDAU Level-3-245C-168 HR LM124DRG4ACTIVE SOIC D 142500Green (RoHS & no Sb/Br)CU NIPDAU Level-1-260C-UNLIM LM124FKB ACTIVE LCCC FK 201TBD POST-PLATE N / A for Pkg TypeLM124J ACTIVE CDIP J 141TBD A42N / A for Pkg Type LM124JB ACTIVE CDIP J 141TBD A42N / A for Pkg Type LM124N OBSOLETE PDIP N 14TBD Call TI Call TILM124W ACTIVE CFP W 141TBD A42N / A for Pkg Type LM124WB ACTIVE CFP W 141TBD A42N / A for Pkg TypeLM224AD ACTIVE SOIC D 1450Green (RoHS & no Sb/Br)CU NIPDAU Level-1-260C-UNLIM LM224ADE4ACTIVESOICD1450Green (RoHS & no Sb/Br)CU NIPDAU Level-1-260C-UNLIM23-Mar-2012Orderable Device Status (1)Package Type PackageDrawing Pins Package Qty Eco Plan (2)Lead/Ball FinishMSL Peak Temp (3)Samples(Requires Login)LM224ADG4ACTIVE SOIC D1450Green (RoHS& no Sb/Br)CU NIPDAU Level-1-260C-UNLIMLM224ADR ACTIVE SOIC D142500Green (RoHS& no Sb/Br)CU NIPDAU Level-1-260C-UNLIMLM224ADRE4ACTIVE SOIC D142500Green (RoHS& no Sb/Br)CU NIPDAU Level-1-260C-UNLIMLM224ADRG4ACTIVE SOIC D142500Green (RoHS& no Sb/Br)CU NIPDAU Level-1-260C-UNLIM LM224AN ACTIVE PDIP N1425Pb-Free (RoHS)CU NIPDAU N / A for Pkg Type LM224ANE4ACTIVE PDIP N1425Pb-Free (RoHS)CU NIPDAU N / A for Pkg Type LM224D ACTIVE SOIC D1450Green (RoHS& no Sb/Br)CU NIPDAU Level-1-260C-UNLIMLM224DE4ACTIVE SOIC D1450Green (RoHS& no Sb/Br)CU NIPDAU Level-1-260C-UNLIMLM224DG4ACTIVE SOIC D1450Green (RoHS& no Sb/Br)CU NIPDAU Level-1-260C-UNLIMLM224DR ACTIVE SOIC D142500Green (RoHS& no Sb/Br)CU NIPDAU Level-1-260C-UNLIMLM224DRE4ACTIVE SOIC D142500Green (RoHS& no Sb/Br)CU NIPDAU Level-1-260C-UNLIMLM224DRG3ACTIVE SOIC D142500Green (RoHS& no Sb/Br)CU SN Level-1-260C-UNLIMLM224DRG4ACTIVE SOIC D142500Green (RoHS& no Sb/Br)CU NIPDAU Level-1-260C-UNLIMLM224KAD ACTIVE SOIC D1450Green (RoHS& no Sb/Br)CU NIPDAU Level-1-260C-UNLIMLM224KADE4ACTIVE SOIC D1450Green (RoHS& no Sb/Br)CU NIPDAU Level-1-260C-UNLIMLM224KADG4ACTIVE SOIC D1450Green (RoHS& no Sb/Br)CU NIPDAU Level-1-260C-UNLIMLM224KADR ACTIVE SOIC D142500Green (RoHS& no Sb/Br)CU NIPDAU Level-1-260C-UNLIMLM224KADRE4ACTIVE SOIC D142500Green (RoHS& no Sb/Br)CU NIPDAU Level-1-260C-UNLIMLM224KADRG4ACTIVE SOIC D142500Green (RoHS& no Sb/Br)CU NIPDAU Level-1-260C-UNLIM23-Mar-2012Orderable Device Status (1)Package Type PackageDrawing Pins Package Qty Eco Plan (2)Lead/Ball FinishMSL Peak Temp (3)Samples(Requires Login)LM224KAN ACTIVE PDIP N1425Pb-Free (RoHS)CU NIPDAU N / A for Pkg Type LM224KANE4ACTIVE PDIP N1425Pb-Free (RoHS)CU NIPDAU N / A for Pkg Type LM224KD ACTIVE SOIC D1450Green (RoHS& no Sb/Br)CU NIPDAU Level-1-260C-UNLIMLM224KDE4ACTIVE SOIC D1450Green (RoHS& no Sb/Br)CU NIPDAU Level-1-260C-UNLIMLM224KDG4ACTIVE SOIC D1450Green (RoHS& no Sb/Br)CU NIPDAU Level-1-260C-UNLIMLM224KDR ACTIVE SOIC D142500Green (RoHS& no Sb/Br)CU NIPDAU Level-1-260C-UNLIMLM224KDRE4ACTIVE SOIC D142500Green (RoHS& no Sb/Br)CU NIPDAU Level-1-260C-UNLIMLM224KDRG4ACTIVE SOIC D142500Green (RoHS& no Sb/Br)CU NIPDAU Level-1-260C-UNLIM LM224KN ACTIVE PDIP N1425Pb-Free (RoHS)CU NIPDAU N / A for Pkg Type LM224KNE4ACTIVE PDIP N1425Pb-Free (RoHS)CU NIPDAU N / A for Pkg Type LM224N ACTIVE PDIP N1425Pb-Free (RoHS)CU NIPDAU N / A for Pkg Type LM224NE4ACTIVE PDIP N1425Pb-Free (RoHS)CU NIPDAU N / A for Pkg Type LM2902D ACTIVE SOIC D1450Green (RoHS& no Sb/Br)CU NIPDAU Level-1-260C-UNLIMLM2902DE4ACTIVE SOIC D1450Green (RoHS& no Sb/Br)CU NIPDAU Level-1-260C-UNLIMLM2902DG4ACTIVE SOIC D1450Green (RoHS& no Sb/Br)CU NIPDAU Level-1-260C-UNLIMLM2902DR ACTIVE SOIC D142500Green (RoHS& no Sb/Br)CU NIPDAU Level-1-260C-UNLIMLM2902DRE4ACTIVE SOIC D142500Green (RoHS& no Sb/Br)CU NIPDAU Level-1-260C-UNLIMLM2902DRG3ACTIVE SOIC D142500Green (RoHS& no Sb/Br)CU SN Level-1-260C-UNLIMLM2902DRG4ACTIVE SOIC D142500Green (RoHS& no Sb/Br)CU NIPDAU Level-1-260C-UNLIMLM2902KAVQDR ACTIVE SOIC D142500Green (RoHS& no Sb/Br)CU NIPDAU Level-1-260C-UNLIM23-Mar-2012Orderable Device Status (1)Package Type PackageDrawing Pins Package Qty Eco Plan (2)Lead/Ball FinishMSL Peak Temp (3)Samples(Requires Login)LM2902KAVQDRG4ACTIVE SOIC D142500Green (RoHS& no Sb/Br)CU NIPDAU Level-1-260C-UNLIMLM2902KAVQPWR ACTIVE TSSOP PW142000Green (RoHS& no Sb/Br)CU NIPDAU Level-1-260C-UNLIMLM2902KAVQPWRG4ACTIVE TSSOP PW142000Green (RoHS& no Sb/Br)CU NIPDAU Level-1-260C-UNLIMLM2902KD ACTIVE SOIC D1450Green (RoHS& no Sb/Br)CU NIPDAU Level-1-260C-UNLIMLM2902KDB ACTIVE SSOP DB1480Green (RoHS& no Sb/Br)CU NIPDAU Level-1-260C-UNLIMLM2902KDBE4ACTIVE SSOP DB1480Green (RoHS& no Sb/Br)CU NIPDAU Level-1-260C-UNLIMLM2902KDBG4ACTIVE SSOP DB1480Green (RoHS& no Sb/Br)CU NIPDAU Level-1-260C-UNLIMLM2902KDE4ACTIVE SOIC D1450Green (RoHS& no Sb/Br)CU NIPDAU Level-1-260C-UNLIMLM2902KDG4ACTIVE SOIC D1450Green (RoHS& no Sb/Br)CU NIPDAU Level-1-260C-UNLIMLM2902KDR ACTIVE SOIC D142500Green (RoHS& no Sb/Br)CU NIPDAU Level-1-260C-UNLIMLM2902KDRE4ACTIVE SOIC D142500Green (RoHS& no Sb/Br)CU NIPDAU Level-1-260C-UNLIMLM2902KDRG4ACTIVE SOIC D142500Green (RoHS& no Sb/Br)CU NIPDAU Level-1-260C-UNLIM LM2902KN ACTIVE PDIP N1425Pb-Free (RoHS)CU NIPDAU N / A for Pkg Type LM2902KNE4ACTIVE PDIP N1425Pb-Free (RoHS)CU NIPDAU N / A for Pkg Type LM2902KNSR ACTIVE SO NS142000Green (RoHS& no Sb/Br)CU NIPDAU Level-1-260C-UNLIMLM2902KNSRE4ACTIVE SO NS142000Green (RoHS& no Sb/Br)CU NIPDAU Level-1-260C-UNLIMLM2902KNSRG4ACTIVE SO NS142000Green (RoHS& no Sb/Br)CU NIPDAU Level-1-260C-UNLIMLM2902KPW ACTIVE TSSOP PW1490Green (RoHS& no Sb/Br)CU NIPDAU Level-1-260C-UNLIMLM2902KPWE4ACTIVE TSSOP PW1490Green (RoHS& no Sb/Br)CU NIPDAU Level-1-260C-UNLIM23-Mar-2012Orderable Device Status (1)Package Type PackageDrawing Pins Package Qty Eco Plan (2)Lead/Ball FinishMSL Peak Temp (3)Samples(Requires Login)LM2902KPWG4ACTIVE TSSOP PW1490Green (RoHS& no Sb/Br)CU NIPDAU Level-1-260C-UNLIMLM2902KPWR ACTIVE TSSOP PW142000Green (RoHS& no Sb/Br)CU NIPDAU Level-1-260C-UNLIMLM2902KPWRE4ACTIVE TSSOP PW142000Green (RoHS& no Sb/Br)CU NIPDAU Level-1-260C-UNLIMLM2902KPWRG4ACTIVE TSSOP PW142000Green (RoHS& no Sb/Br)CU NIPDAU Level-1-260C-UNLIMLM2902KVQDR ACTIVE SOIC D142500Green (RoHS& no Sb/Br)CU NIPDAU Level-1-260C-UNLIMLM2902KVQDRG4ACTIVE SOIC D142500Green (RoHS& no Sb/Br)CU NIPDAU Level-1-260C-UNLIMLM2902KVQPWR ACTIVE TSSOP PW142000Green (RoHS& no Sb/Br)CU NIPDAU Level-1-260C-UNLIMLM2902KVQPWRG4ACTIVE TSSOP PW142000Green (RoHS& no Sb/Br)CU NIPDAU Level-1-260C-UNLIM LM2902N ACTIVE PDIP N1425Pb-Free (RoHS)CU NIPDAU N / A for Pkg Type LM2902NE4ACTIVE PDIP N1425Pb-Free (RoHS)CU NIPDAU N / A for Pkg Type LM2902NSR ACTIVE SO NS142000Green (RoHS& no Sb/Br)CU NIPDAU Level-1-260C-UNLIMLM2902NSRG4ACTIVE SO NS142000Green (RoHS& no Sb/Br)CU NIPDAU Level-1-260C-UNLIMLM2902PW ACTIVE TSSOP PW1490Green (RoHS& no Sb/Br)CU NIPDAU Level-1-260C-UNLIMLM2902PWE4ACTIVE TSSOP PW1490Green (RoHS& no Sb/Br)CU NIPDAU Level-1-260C-UNLIMLM2902PWG4ACTIVE TSSOP PW1490Green (RoHS& no Sb/Br)CU NIPDAU Level-1-260C-UNLIM LM2902PWLE OBSOLETE TSSOP PW14TBD Call TI Call TILM2902PWR ACTIVE TSSOP PW142000Green (RoHS& no Sb/Br)CU NIPDAU Level-1-260C-UNLIMLM2902PWRE4ACTIVE TSSOP PW14Green (RoHS& no Sb/Br)CU NIPDAU Level-1-260C-UNLIMLM2902PWRG3ACTIVE TSSOP PW142000Green (RoHS& no Sb/Br)CU SN Level-1-260C-UNLIM23-Mar-2012Orderable Device Status (1)Package Type PackageDrawing Pins Package Qty Eco Plan (2)Lead/Ball FinishMSL Peak Temp (3)Samples(Requires Login)LM2902PWRG4ACTIVE TSSOP PW142000Green (RoHS& no Sb/Br)CU NIPDAU Level-1-260C-UNLIMLM2902QN OBSOLETE PDIP N14TBD Call TI Call TILM324AD ACTIVE SOIC D1450Green (RoHS& no Sb/Br)CU NIPDAU Level-1-260C-UNLIM LM324ADBLE OBSOLETE SSOP DB14TBD Call TI Call TILM324ADBR ACTIVE SSOP DB142000Green (RoHS& no Sb/Br)CU NIPDAU Level-1-260C-UNLIMLM324ADBRE4ACTIVE SSOP DB142000Green (RoHS& no Sb/Br)CU NIPDAU Level-1-260C-UNLIMLM324ADBRG4ACTIVE SSOP DB142000Green (RoHS& no Sb/Br)CU NIPDAU Level-1-260C-UNLIMLM324ADE4ACTIVE SOIC D1450Green (RoHS& no Sb/Br)CU NIPDAU Level-1-260C-UNLIMLM324ADG4ACTIVE SOIC D1450Green (RoHS& no Sb/Br)CU NIPDAU Level-1-260C-UNLIMLM324ADR ACTIVE SOIC D142500Green (RoHS& no Sb/Br)CU NIPDAU Level-1-260C-UNLIMLM324ADRE4ACTIVE SOIC D142500Green (RoHS& no Sb/Br)CU NIPDAU Level-1-260C-UNLIMLM324ADRG4ACTIVE SOIC D142500Green (RoHS& no Sb/Br)CU NIPDAU Level-1-260C-UNLIM LM324AN ACTIVE PDIP N1425Pb-Free (RoHS)CU NIPDAU N / A for Pkg Type LM324ANE4ACTIVE PDIP N1425Pb-Free (RoHS)CU NIPDAU N / A for Pkg Type LM324ANSR ACTIVE SO NS142000Green (RoHS& no Sb/Br)CU NIPDAU Level-1-260C-UNLIMLM324ANSRE4ACTIVE SO NS142000Green (RoHS& no Sb/Br)CU NIPDAU Level-1-260C-UNLIMLM324ANSRG4ACTIVE SO NS142000Green (RoHS& no Sb/Br)CU NIPDAU Level-1-260C-UNLIMLM324APW ACTIVE TSSOP PW1490Green (RoHS& no Sb/Br)CU NIPDAU Level-1-260C-UNLIMLM324APWE4ACTIVE TSSOP PW1490Green (RoHS& no Sb/Br)CU NIPDAU Level-1-260C-UNLIM23-Mar-2012Orderable Device Status (1)Package Type PackageDrawing Pins Package Qty Eco Plan (2)Lead/Ball FinishMSL Peak Temp (3)Samples(Requires Login)LM324APWG4ACTIVE TSSOP PW1490Green (RoHS& no Sb/Br)CU NIPDAU Level-1-260C-UNLIMLM324APWLE OBSOLETE TSSOP PW14TBD Call TI Call TILM324APWR ACTIVE TSSOP PW142000Green (RoHS& no Sb/Br)CU NIPDAU Level-1-260C-UNLIMLM324APWRE4ACTIVE TSSOP PW142000Green (RoHS& no Sb/Br)CU NIPDAU Level-1-260C-UNLIMLM324APWRG4ACTIVE TSSOP PW142000Green (RoHS& no Sb/Br)CU NIPDAU Level-1-260C-UNLIMLM324D ACTIVE SOIC D1450Green (RoHS& no Sb/Br)CU NIPDAU Level-1-260C-UNLIMLM324DE4ACTIVE SOIC D1450Green (RoHS& no Sb/Br)CU NIPDAU Level-1-260C-UNLIMLM324DG4ACTIVE SOIC D1450Green (RoHS& no Sb/Br)CU NIPDAU Level-1-260C-UNLIMLM324DR ACTIVE SOIC D142500Green (RoHS& no Sb/Br)CU NIPDAU Level-1-260C-UNLIMLM324DRE4ACTIVE SOIC D142500Green (RoHS& no Sb/Br)CU NIPDAU Level-1-260C-UNLIMLM324DRG3ACTIVE SOIC D142500Green (RoHS& no Sb/Br)CU SN Level-1-260C-UNLIMLM324DRG4ACTIVE SOIC D142500Green (RoHS& no Sb/Br)CU NIPDAU Level-1-260C-UNLIMLM324KAD ACTIVE SOIC D1450Green (RoHS& no Sb/Br)CU NIPDAU Level-1-260C-UNLIMLM324KADE4ACTIVE SOIC D1450Green (RoHS& no Sb/Br)CU NIPDAU Level-1-260C-UNLIMLM324KADG4ACTIVE SOIC D1450Green (RoHS& no Sb/Br)CU NIPDAU Level-1-260C-UNLIMLM324KADR ACTIVE SOIC D142500Green (RoHS& no Sb/Br)CU NIPDAU Level-1-260C-UNLIMLM324KADRE4ACTIVE SOIC D142500Green (RoHS& no Sb/Br)CU NIPDAU Level-1-260C-UNLIMLM324KADRG4ACTIVE SOIC D142500Green (RoHS& no Sb/Br)CU NIPDAU Level-1-260C-UNLIM LM324KAN ACTIVE PDIP N1425Pb-Free (RoHS)CU NIPDAU N / A for Pkg Type。
功能应用简介LM324是四运放集成电路,它采用14脚双列直插塑料封装,外形如图所示。
它的内部包含四组形式完全相同的运算放大器,除电源共用外,四组运放相互独立。
每一组运算放大器可用图1所示的符号来表示,它有5个引出脚,其中“+”、“-”为两个信号输入端,“V+”、“V-”为正、负电源端,“Vo”为输出端。
两个信号输入端中,Vi-(-)为反相输入端,表示运放输出端Vo的信号与该输入端的相位相反;Vi+(+)为同相输入端,表示运放输出端Vo的信号与该输入端的相位相同。
LM324的引脚排列见图2。
图1图 2由于LM324四运放电路具有电源电压范围宽,静态功耗小,可单电源使用,价格低廉等优点,因此被广泛应用在各种电路中。
下面介绍其应用实例。
反相交流放大器电路见附图。
此放大器可代替晶体管进行交流放大,可用于扩音机前置放大等。
电路无需调试。
放大器采用单电源供电,由R1、R2组成1/2V+偏置,C1是消振电容。
放大器电压放大倍数Av仅由外接电阻Ri、Rf 决定:Av=-Rf/Ri。
负号表示输出信号与输入信号相位相反。
按图中所给数值,Av=-10。
此电路输入电阻为Ri。
一般情况下先取Ri与信号源内阻相等,然后根据要求的放大倍数在选定Rf。
Co和Ci为耦合电容。
同相交流放大器见附图。
同相交流放大器的特点是输入阻抗高。
其中的R1、R2组成1/2V+分压电路,通过R3对运放进行偏置。
此电路可将输入交流信号分成三路输出,三路信号可分别用作指示、控制、分析等用途。
而对信号源的影响极小。
因运放Ai输入电阻高,运放A1-A4均把输出端直接接到负输入端,信号输入至正输入端,相当于同相放大状态时Rf=0的情况,故各放大器电压放大倍数均为1,与分立元件组成的射极跟随器作用相同。
电路的电压放大倍数Av也仅由外接电阻决定:Av=1+Rf/R4,电路输入电阻为R3。
R4的阻值范围为几千欧姆到几十千欧姆。
交流信号三分配放大器R1、R2组成1/2V+偏置,静态时A1输出端电压为1/2V+,故运放A2-A4输出端亦为1/2V+,通过输入输出电容的隔直作用,取出交流信号,形成三路分配输出。
LM324资料:
LM324为四运放集成电路,采用14脚双列直插塑料封装。
,内部有四个运算放大器,有相位补偿电路。
电路功耗很小,lm324工作电压范围宽,可用正电源3~30V,或正负双电源±1.5V~±15V工作。
它的输入电压可低到地电位,而输出电压范围为O~Vcc。
它的内部包含四组形式完全相同的运算放大器,除电源共用外,四组运放相互单独。
每一组运算放大器可用如图所示的符号来表示,它有5个引出脚,其中“+”、“-”为两个信号输入端,“V+”、“V-”为正、负电源端,“Vo”为输出端。
两个信号输入端中,Vi-(-)为反相输入端,表示运放输出端Vo的信号与该输入端的相位相反;Vi+(+)为同相输入端,表示运放输出端Vo 的信号与该输入端的相位相同。
LM324引脚排列见图1。
2。
lm124、lm224和lm324引脚功能及内部电路完全一致。
lm124是军品;lm22 4为工业品;而lm324为民品。
由于LM324四运放电路具有电源电压范围宽,静态功耗小,可单电源使用,价格低廉等特点,因此他被非常广泛的应用在各种电路中。
《lm324引脚图》
《lm324管脚图》
《lm324原理图》
《lm324工作电压》。
lm324芯片手册LM324是一种很常见的操作放大器芯片,也叫做四路运算放大器。
它由德州仪器公司于1970年推出,具有低功耗、低噪声、宽输入电压范围和高共模抑制比等特点。
在电子设计中,LM324经常被用于模拟信号处理、电压比较和传感器信号放大等应用。
LM324芯片的引脚图如下所示:```┌─────────┐VCC ──────│ V+│─── OUT1VIN- ─────│- │VIN+ ─────│+ │VEE ──────│ V-│─── OUT2(│(+) │)│ ││ ││ │VREF ─────│ V1│─── OUT3│ ││ ││(–) │IN1 ─────│+ │IN2 ──────│- ││ ││ │GND ──────│ V2│─── OUT4└─────────┘```其中,VCC和VEE是芯片的正负电源引脚,VIN+和VIN-是输入信号的正负引脚,VREF是基准电压引脚,IN1和IN2是四路输入信号的引脚,OUT1到OUT4是四路输出信号的引脚。
V+和V-是运算放大器的电源引脚,它们可以在单电源或双电源电路中提供运算放大器所需的电源。
引脚V1和V2可以被外接电阻调整,用于设置运算放大器的放大倍数。
为了提高LM324芯片的使用效果,除了正确连接引脚之外,还需要注意以下几点:1. 电源设置:在单电源供电时,VCC和VEE分别用来连接正负电源,电源电压范围为3V至32V。
在双电源供电时,VCC用来连接正电源,VEE用来连接负电源,电源电压范围为±1.5V至±16V。
2. 输入电压范围:LM324芯片的输入电压范围很大,一般情况下可以达到电源电压的范围。
在单电源供电时,输入电压范围为0至VCC-1.5V。
在双电源供电时,输入电压范围为VEE+1.5V至VCC-1.5V。
3. 输出电压范围:LM324芯片的输出电压范围接近电源电压的范围,但不能达到电源电压的最大值。
LM324为四运放集成电路芯片,一般采用14脚双列直插塑料封装,它的内部包含四组形式完全相同的运算放大器,除电源共用外,四组运放相互独立。
每一组运算放大器可用如图6-1所示的符号来表示,它有5个引出脚,其中“+”、“-”为两个信号输入端,“V +”、“V -”分别为正、负电源端,“Vo ”为输出端,两个信号输入端中,Vi -(-)为反相输入端,表示运算放大输出端Vo 的信号与该输入端的信号相位相反,Vi +(+)为同相输入端,表示运算放大输出端Vo 的信号与该输入端的信号相位相同。
LM324的引脚排列见图6-2。
图 6-1 运算放大器符号
图 6-2 LM324引脚排列图 LM324各个引脚功能如下表:
表 6-1 LM324各引脚功能
引脚 功能 引脚 功能 1 输出1 8 输出3
2
反相输入1
9
反相输入3
LM324
U-
U + 1
8
2 3
4
5 6
7
9
10 11 13 12
14
3 正相输入110正相输入3
4电源11地
5正相输入212正相输入4
6反相输入2 13反相输入4
7输出2 14输出4
6.2 LM324的特点
1.短路保护输出
2.真差动输入级
3.工作电压范围宽,可用正电源3V~32V或正负双电源±1.5V~±16V工作4.低偏置电流:最大100nA
5.封装含四个运算放大器
6.具有内部补偿的功能
7.共模范围扩展到负电源
8.输入端具有静电保护功能。
LM324中文资料如下:四运算放大器LM324可工作在单电源下,电压范围是3.0V-32V或+16V.1.短跑保护输出1.短跑保护输出2.真差动输入级3.可单电源工作:3V-32V4.低偏置电流:最大100nA(LM324A)5.每封装含四个运算放大器。
6.具有内部补偿的功能。
7.共模范围扩展到负电源8.行业标准的引脚排列9.输入端具有静电保护功能LM324中文资料之管脚图LM324中文资料之应用电路图:1.LM324电压参考电路图2.LM324多路反馈带通滤波器电路图3.LM324高阻抗差动放大器电路图4.LM324函数发生器电路图5.LM324双四级滤波器7.LM324滞后比较器电路图LM324中文资料单元电路的设计与参数计算1.系统电源模块在图1中,220V市电经220V/40V变压器降压后得到的40V交流电压,经过一个全波整流滤波后可得到+48V左右的电压供给调整管,作为电源对外输出。
另外使用的辅助电源经三端稳压器LM7812、LM7912得到+12V、-12V,再经过LM7805、LM7905得到+5V、-5V的电压。
-5V提供给OP07的负电源,+12V、-12V提供给LM324工作。
辅助电源位芯片提供工作电流及系统本身的工作电源。
另外OP07的正电源由33V稳压管提供。
系统电源模块原理2.电压调整模块该稳压电源中的电压调整模块电路如图2所示。
其中调整管采用场效应管组成,以实现大电流输出,由于该设计要求Iomax=5A,Iomin=0A,Pm=(Vimax-Vomin)Iomax=(30×5)=150W,因此,本电路中的调整管可选TL431电路的比较放大采用运放OP07,CPU通过DAC控制输出电压,再由R9、R10、RP组成的取样电路进行电压采样。
场效应管和OP07、LM324及取样电路构成的负反馈电路可实现调节输出电压的目的(稳压)。
电压调整模块原理3.过流保护电路的设计电路中的过流保护由电流采样经LM324比较器来控制继电器断合组成。
LM324中文资料大全LM324系列器件带有真差动输入的四运算放大器。
与单电源应用场合的标准运算放大器相比,它们有一些显著优点。
该四放大器可以工作在低到3.0伏或者高到32伏的电源下,静态电流为MC1741的静态电流的五分之一。
共模输入范围包括负电源,因而消除了在许多应用场合中采用外部偏置元件的必要性。
每一组运算放大器可用图1所示的符号来表示,它有5个引出脚,其中“+”、“-”为两个信号输入端,“V+”、“V-”为正、负电源端,“Vo”为输出端。
两个信号输入端中,Vi-(-)为反相输入端,表示运放输出端Vo的信号与该输入端的位相反;Vi+(+)为同相输入端,表示运放输出端Vo的信号与该输入端的相位相同。
LM324系列由四个独立的,高增益,内部频率补偿运算放大器,其中专为从单电源供电的电压范围经营。
从分裂电源的操作也有可能和低电源电流消耗是独立的电源电压的幅度。
应用领域包括传感器放大器,直流增益模块和所有传统的运算放大器现在可以更容易地在单电源系统中实现的电路。
例如,可直接操作的LM324系列,这是用来在数字系统中,轻松地将提供所需的接口电路,而无需额外的±15V电源标准的5V电源电压。
运放类型:低功率放大器数目:4带宽:1.2MHz针脚数:14工作温度范围:0°C to +70°C封装类型:SOIC3dB带宽增益乘积:1.2MHz变化斜率:0.5V/μs器件标号:324器件标记:LM324AD增益带宽:1.2MHz工作温度最低:0°C工作温度最高:70°C放大器类型:低功耗温度范围:商用电源电压最大:32V电源电压最小:3V芯片标号:324表面安装器件:表面安装输入偏移电压最大:7mV运放特点:高增益频率补偿运算逻辑功能号:324额定电源电压, +:15V1.短路保护输出2.真差动输入级3.可单电源工作:3V-32V4.低偏置电流:最大100nA5.每封装含四个运算放大器。
四运算放大电路LM3241.概述与特点LM324是由四个独立的运算放大器组成的电路。
它设计在较宽的电压范围内单电源工作,但亦可在双电源条件下工作。
本电路在家用电器上和工业自动化及光、机、电一体化领域中有广泛的应用。
其特点如下:●具有宽的单电源或双电源工作电压范围;单电源3V~30V,双电源±1.5V~±15V●内含相位校正回路, 外围元件少●消耗电流小:Icc=0.6mA (典型值, R L=∞)●输入失调电压低:±2mV (典型值)●电压输出范围宽:0V ~ Vcc—1.5V●共模输入电压范围宽:0V ~ Vcc—1.5V●封装形式:DIP14 SOP-142. 功能框图与引脚说明2. 1功能框图2. 2 引脚说明引脚符号功能引脚符号功能1 OUT1运放1输出8 OUT3运放3输出2 IN1-运放1反相输入9 IN3-运放3反相输入3 IN1+运放1同相输入10 IN3+运放3同相输入4 V CC-电源11 GND 地5 IN2+运放2同相输入12 IN4+运放4同相输入6 IN2-运放2反相输入13 IN4-运放4反相输入7 OUT1运放2输出14 OUT4运放4输出2.电特性1.1极限参数除非另有规定T= 25℃amb参数名称 符号 额定值 单位电源电压 V CC32 V输入差分电压 V ID32 V功耗 P D720 mW 工作环境温度 T amb-30~85 ℃贮存温度 T stg-55~125 ℃3. 2推荐工作条件推荐条件参数名称 符号最小典型最大单位 电源电压单电源 V CC+3 +5 +30 V电源电压双电源 VCCV EE±1.5 ±2.5 ±15 V3. 3电特性除非另有规定Tamb = 25℃,VCC= 5V规范值参数名称符号测试条件最小典型最大单位静态电流I CCQ1 0.6 2 mA 静态电流I CCQ2V CC=30 1.5 3 mA 输入失调电压V IO±2 ±7mA 输入失调电流I IO 5 50 nA 输入偏置电流I IB45 250 nA 输入共模电压范围V ICR0 V CC-1.5 V 共模抑制比K CMR65 80 dB 大信号电压增益Av V CC=15VR L≥2kOHM88 100 dB 输出电压范围Vo 0 V CC-1.5 V 电源电压变动抑制比K SVR65 100 dB 输出源电流I OSOURCE VIN+=1V, VIN-=0V20 40 mA输出灌电流I OSSINK IN+=0V,IN-=1V 10 20 mA通道分离度 C.S f=1kHZ~20kHZ 120 dB 4.4. 测试线路4.1 测试线路14.2 测试线路25典线特性6. 应用线路与应用说明 6.7.外型尺寸。
1.LM324电压参考电路图
ffi 7.电压參老
给宦I 缶二中心频奉
A 〔怙戶屮心感牛犀益 选择4C 的值
-0 R3
忠一
RZ
4(?-/31-^3
X'l fo WBW 单壷为 Hz
苦源阳扛改变・滤波器血加电圧毂随器缓沖「
对于来自运舜放犬器的小于1叹的現墓匚
©几卩I
BW 2.LM324多路反馈带通滤波器电路图
3. LM324高阻抗差动放大器电路图
9.高阻抗羞动放大器
4. LM324函数发生器电路图
12函数发生器
R1+RC 若
R2R1
4CRjR1 1 芯册 5. LM324双四级滤波器
R
1C
= C 11 a 4
巧
n C
1 c -w. 1?4
LM324
= 2 RC
=2 V CC
6.LM324维思电桥振荡器电路图
其中;石严中心频率増益 口电带半台増益 討干:t =
WkHz d=io 耶
y 阿=1
R “60皿
C =fl.0O1
nF
R1 -1.6 MU
R2 d.6MU
R3・1』
K uia^z n% * w “.苗通帝由 細 - J ------------- ^'zfRC
mofi
T BF 阳
詡R2 。
討OC 图8•维思电桥振藕器
7.LM324滞后比较器电路图
对于:f 0 ■ 1.0 kHz
R- 16K1
C = C.01pF。