球墨铸铁验收标准
- 格式:doc
- 大小:3.47 MB
- 文档页数:14
球墨铸铁件验收标准及缺陷分析一.验收引用标准GB1348 球墨铸铁件GB9441 球墨铸铁金相检验GB228 金属拉伸试验方法GB229 金属冲击试验方法GB231 金属布氏硬度试验方法GB6060.1 表面粗糙度比较样块铸造表面GB2828 逐批检查计数抽样程序及抽样表二.材质要求1.机械性能球铁件的牌号应符合GB1348和图纸要求的规定。
1.1球铁件的机械性能应符合表1到表4的规定1.2球铁件的机械性能以抗拉强度和延伸率两个指标为验收依据。
1.3须做屈服强度、冲击韧性和硬度试验时,应在图样上或在有关的技术文件中注明。
其数值应符合本标准的规定。
2. 金相组织2.1 金相组织标准按GB9441-88《球墨铸铁金相检验》2.2球化分级 (jia )铸件毛坯本体的球化率在70%以上,球化级别80%为1-3级,最差部位原则上不低于4级2.3.石墨等级原则上球径为5-7级。
2.4 基体组织(参考)3 .化学成分原则上化学成分不作为验收依据,客户明确要求的除外。
球铁体的化学成分、金相组织及热处理工艺应符合图样或技术文件中的注明。
三.几何形状与尺寸球铁件的几何形状与尺寸应符合图样中的规定要求。
1.尺寸公差1.1本标准规定的尺寸公差,是指球铁件在正常生产情况下应达到的公差。
1.2球铁件的尺寸公差数值应符合表5的规定;公差等级按表6的规定选取。
现我公司球铁件主要用户的公差等级一般为CT9级2.其他尺寸要求铸件应符合相应的毛坯图尺寸规定。
铸件错型≤1.0mm,砂芯歪斜量≤1.5mm。
四..表面质量1 .铸件毛坯表面应无粘砂、氧化皮等缺陷,铸件毛坯表面的浇冒口、出气孔、多肉、飞边、毛刺等清除干净。
加工面浇冒口残余不大于1mm。
其余原则上不大于2 mm2. 铸件毛坯不允许有裂纹、缩孔、疏松、冷隔等影响使用性能的铸造缺陷。
3铸造毛坯非加工表面粗糙度Ra≤100粗糙度评定按GB6060.1-85的规定进行。
4 铸造毛坯不允许有锈蚀。
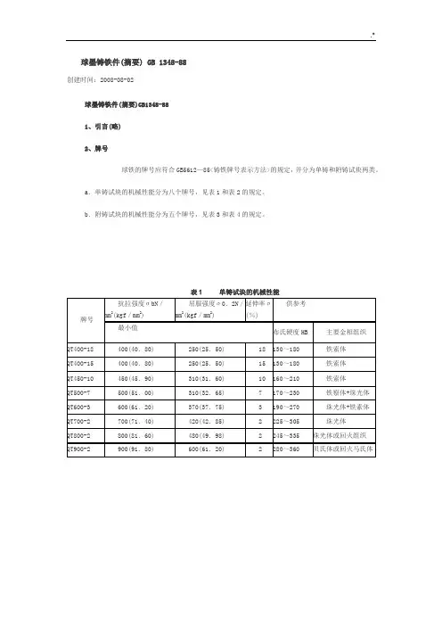
球墨铸铁件(摘要) GB 1348-88创建时间:2008-08-02球墨铸铁件(摘要)GB1348-881、引言(略)2、牌号球铁的牌号应符合GB5612—85<铸铁牌号表示方法>的规定,并分为单铸和附铸试块两类。
a.单铸试块的机械性能分为八个牌号,见表1和表2的规定。
b.附铸试块的机械性能分为五个牌号,见表3和表4的规定。
表1单铸试块的机械性能表2 单铸试块V 型缺口试样的冲击值注:字母“L”表示该牌号在低温时的冲击值。
表3附铸试块的机械性能表3 附铸试块的机械性能注:牌号后面的字母A系表示该牌号在附铸试块上测定的机械性能,以区别表1的单铸试块测定的性能。
表4 附铸试块V型缺口试样的冲击值3技术要求3.1生产方法、化学成分和热处理生产方法、化学成分和热处理工艺,可由供方自行决定。
但必须保证协议书、技术条件上所规定的球铁牌号或达到本标准规定的机械性能指标。
对于化学成分,热处理方法有特殊要求的球铁件由供需双方商定。
3.2机械性能3.2.1球铁件的机械性能以抗拉强度和延伸率两个指标作为验收依据。
3.2.2冲击试验只适用于表2和表4所规定的牌号,并且仅在需方要求做冲击试验时,冲击值才作为验收依据。
3.2.3对屈服强度、硬度有要求时,经供需双方商定,可作为验收依据。
3.2.4如果以硬度作为验收指标时,按附录A的规定进行。
3.2.5如果是在铸件本体上取样时,取样部位及要达到的性能指标,由供需双方规定。
3.3金相组织如果需方要求进行金相组织检验时,可按GB9441—88《球墨铸铁金相检验》的规定进行,球化级别_般不得低于4级,其检验次数和取样位置由供需双方商定。
球化级别和基体组织,可用无损检测方法进行检验,如有争议时,应用金相检验法裁决。
3.4球铁件的几何形状及其尺寸公差3.4.1球铁件的几何形状及其尺寸应符合球铁件图样的规定。
3.4.2球铁件的尺寸公差应按GB 6414 - 86<铸件尺寸公差>的规定执行。
资料│球铁铸件验收标准一、引用标准GB9441-88 球墨铸铁金相检验GB6060.1-85 表面粗糙度比较样块铸造表面 GB321-81 硬度试验二、技术要求三、机械性能机械性能为铸态毛坯本体试块测试值。
1、金相组织按GB9441-88《球墨铸铁金相检验》2、石墨铸件毛坯本体的球化率在60%以上,球化级别80%为1-3级,最差部位不低于5级,球径为5-7级。
3、基体(参考)铸件本体的基础组织为:铁素体80%以上,碳化物含量小于2%。
4、几何形状与尺寸铸件应符合相应的毛坯图尺寸规定。
铸件错型≤0.5mm,砂芯歪斜量≤0.8mm。
5、表面质量①铸件毛坯表面应无粘砂、氧化皮等缺陷,铸件毛坯表面的浇冒口、出气孔、多肉、飞边、毛刺等清除干净。
②铸件毛坯不允许有裂纹、缩孔、疏松、冷隔等影响使用性能的铸造缺陷。
③铸造毛坯非加工表面粗糙度R a≤100粗糙度评定按GB6060.1-85的规定进行。
④铸造毛坯不允许有锈蚀。
⑤铸件外表气孔和渣孔加工部位:直径≤Φ3mm,最大深度≤1.5mm,Φ2mm以上气孔数量每侧面不多于4个,Φ2mm以下气孔数量每侧面不多于7个。
非加工部位:直径≤Φ2mm,最大深度≤1.5mm,Φ2mm以上气孔数量不多于2个,Φ2mm以下气孔数量不多于5个。
6、铸件上的缺陷不允许修补。
7、批次的标识铸件毛坯必须在其本体的表面铸出永久性炉次标志即炉号。
炉号用六位组成。
第一位表示年号,取年号尾数,第二、三位表示月号,第四、五位为H号,第六位为流水号(当一炉铁水分作多包球化浇注时)× ×× ×× ×年号尾数月号日号流水号四、检验方法1、在提供最处样件时,铸件必须经解剖检测,X射线检测或Y射线检测无缩孔、缩松、裂纹等缺陷;在正常生产时,为确保质量稳定,要定期进行上述方式检测。
并且抽1‰铸件进行解剖检测。
生产设备改变、材料改变、更换模具、更改工艺或更换操作者时,铸件必须经以上解剖与检测。
球墨铸铁管验收标准球墨铸铁管是一种常用的排水管道材料,其质量的验收标准对于工程质量和安全具有重要意义。
以下是对球墨铸铁管验收标准的详细介绍。
1.外观质量验收。
球墨铸铁管的外观应该平整光滑,无裂纹、气泡、夹渣、砂眼等缺陷。
管道表面应无明显的锈蚀和腐蚀现象,管口应平整、无毛刺。
验收时应对管道的外观进行仔细检查,确保其符合相关标准要求。
2.尺寸偏差验收。
球墨铸铁管的外径、壁厚和长度应符合设计要求和国家标准规定。
验收时应采用测量工具对管道的尺寸进行检测,确保其尺寸偏差在允许范围内。
3.力学性能验收。
球墨铸铁管的抗拉强度、屈服强度和伸长率等力学性能指标应符合相关标准要求。
验收时应进行拉伸试验、压缩试验等,确保管道的力学性能满足设计要求。
4.化学成分验收。
球墨铸铁管的化学成分应符合国家标准规定,主要包括碳含量、硅含量、锰含量等。
验收时应对管道材料进行化学成分分析,确保其化学成分符合标准要求。
5.内部质量验收。
球墨铸铁管的内部应平整光滑,无夹渣、气泡、砂眼等缺陷。
验收时应采用内窥镜等工具对管道的内部质量进行检查,确保其内部质量符合标准要求。
6.防腐涂层验收。
球墨铸铁管的防腐涂层应均匀牢固,无脱落和破损现象。
验收时应对管道的防腐涂层进行外观检查和附着力测试,确保其防腐性能符合标准要求。
7.连接质量验收。
球墨铸铁管的连接应牢固可靠,无渗漏现象。
验收时应对管道的连接部位进行水压试验或气密性试验,确保其连接质量符合标准要求。
综上所述,球墨铸铁管的验收标准涉及外观质量、尺寸偏差、力学性能、化学成分、内部质量、防腐涂层和连接质量等多个方面,需要进行全面细致的检查和测试。
只有严格按照相关标准进行验收,才能确保球墨铸铁管的质量达到要求,从而保障工程质量和使用安全。
球墨铸铁用生铁采购验收标准
Pig iron used for spheroidal graphite cast iron
本标准适用于本公司球墨铸铁用生铁。
1、牌号及化学成分:
2.块重
各号生铁均应铸成5±2kg小块。
而大于7kg小于2kg的铁块之和,每批中应不超过总重量的10%。
铁块长度不大于200mm。
根据需方要求,方可供应重量不大于40公斤的铁块。
3.表面要求
铁块表面要洁净。
如表面有炉渣和砂粒,应消除掉,但允许附有石灰和石墨。
4、试验方法:
1)取样执行GB719-84。
2)化学分析执行化学分析方法按GB223.1~223.7-81《钢铁及其合金化学分析方法》中碳、硫、磷、锰硅量的测定和YB35(1~28)-78《钢铁化学分析方法》或执行能保证标准规定的本公司化学分析方法。
仲裁分析只能按GB223.1~223.7-81和YB35(1~28)-78所规定的方法进行。
5、质量证明书
每批交货生铁,必须随运单附有证明生铁符合本标准要求的质量证明书。
并应注明:
a、订货合同号;
b、铁号;
c、生产日期、炉次、组、级、类和重量;
d、化学成分分析结果;
e、标准编号
6、其它要求执行GB/T1412-2005。
球墨铸铁管敷设验收规范广州工程仿真科技有限公司工程仿真网球墨铸铁管敷设6.1 一般规定6.1.1 球墨铸铁管的安装应配备合适的工具、器械和设备。
6.1.2 应使用起重机或其它合适的工具和设备将管道放入沟渠中,不得损坏管材和保护性涂层。
当起吊或放下管子的时候,应使用钢丝绳或尼龙吊具。
当使用钢丝绳的时候,必须使用衬垫或橡胶套。
6.1.3 安装前应对球墨铸铁管及管件进行检查,并应符合下列要求:1. 管道及管件表面不得有裂纹及影响使用的凹凸不平的缺陷。
2. 使用橡胶密封圈密封时,其性能必须符合燃气输送介质的使用要求。
橡胶圈应光滑、轮廓清晰,不得有影响接口密封的缺陷。
3. 管道及管件的尺寸公差应符合现行国家标准《离心铸造球墨铸铁管》GB13295和《球墨铸铁管件》GB13294的要求。
6.2 管道连接6.2.1 管道连接前,应将管道中的异物清理干净。
6.2.2 清除管道承口和插口端工作面的团块状物、铸瘤和多余的涂料,并整修光滑,擦干净。
6.2.3 在承口密封面、插口端和密封圈上涂一层润滑剂,将压兰套在管子的插口端,使其延长部分唇缘面向插口端方向,然后将密封圈套在管子的插口端,使胶圈的密封斜面也面向管子的插口方向。
6.2.4 将管道的插口端插入到承口内,并紧密、均匀的将密封胶圈CAE 有限元工程仿真有限元软件工程分析广州工程仿真科技有限公司工程仿真网按进填密槽内,橡胶圈安装就位后不得扭曲。
在连接过程中,承插接口环形间隙应均匀,其值及允许偏差应符合表6.2.4的规定。
表6.2.4 承插口环形间隙及允许偏差管道公称直径(mm) 环形间隙( mm ) 允许偏差( mm )+3 80 , 200 10 -2250 , 450 11+4500 , 900 12-21000 , 1200 136.2.5 将压兰推向承口端,压兰的唇缘靠在密封胶圈上,插入螺栓。
6.2.6 应使用扭力扳手拧紧螺栓。
拧紧螺栓顺序:底部的螺栓—顶部的螺栓—两边的螺栓—其它对角线的螺栓。
球墨铸铁件验收标准及缺陷分析一.验收引用标准GB1348 球墨铸铁件GB9441 球墨铸铁金相检验GB228 金属拉伸试验方法GB229 金属冲击试验方法GB231 金属布氏硬度试验方法GB6060.1 表面粗糙度比较样块铸造表面GB2828 逐批检查计数抽样程序及抽样表二.材质要求1.机械性能球铁件的牌号应符合GB1348和图纸要求的规定。
1.1球铁件的机械性能应符合表1到表4的规定1.2球铁件的机械性能以抗拉强度和延伸率两个指标为验收依据。
1.3须做屈服强度、冲击韧性和硬度试验时,应在图样上或在有关的技术文件中注明。
其数值应符合本标准的规定。
2. 金相组织2.1 金相组织标准按GB9441-88《球墨铸铁金相检验》2.2球化分级 (jia )铸件毛坯本体的球化率在70%以上,球化级别80%为1-3级,最差部位原则上不低于4级2.3.石墨等级原则上球径为5-7级。
2.4 基体组织(参考)3 .化学成分原则上化学成分不作为验收依据,客户明确要求的除外。
球铁体的化学成分、金相组织及热处理工艺应符合图样或技术文件中的注明。
三.几何形状与尺寸球铁件的几何形状与尺寸应符合图样中的规定要求。
1.尺寸公差1.1本标准规定的尺寸公差,是指球铁件在正常生产情况下应达到的公差。
1.2球铁件的尺寸公差数值应符合表5的规定;公差等级按表6的规定选取。
现我公司球铁件主要用户的公差等级一般为CT9级2.其他尺寸要求铸件应符合相应的毛坯图尺寸规定。
铸件错型≤1.0mm,砂芯歪斜量≤1.5mm。
四..表面质量1 .铸件毛坯表面应无粘砂、氧化皮等缺陷,铸件毛坯表面的浇冒口、出气孔、多肉、飞边、毛刺等清除干净。
加工面浇冒口残余不大于1mm。
其余原则上不大于2 mm2. 铸件毛坯不允许有裂纹、缩孔、疏松、冷隔等影响使用性能的铸造缺陷。
3铸造毛坯非加工表面粗糙度Ra≤100粗糙度评定按GB6060.1-85的规定进行。
4 铸造毛坯不允许有锈蚀。
球墨铸铁管材料验收规范
欢迎来到球墨铸铁管材料验收规范!
球墨铸铁管是一种耐高温和耐磨性能较好的金属基础管材,用于循环系统和工业系统中的承压管道,在这里我们简要介绍一下它的验收规范。
首先,球墨铸铁管外观,表面应光洁,不得有凹坑或者缺陷。
管材的长度应符合标准的要求,宽度应在国家标准范围,厚度应符合国家标准和产品技术要求。
此外,针对球墨铸铁管材料,表面应采用新鲜的油漆,用于防止腐蚀,对外机械性能进行检测时,应符合国家标准,测试压力应在正常范围内,数据应满足规定的标准。
最后,球墨铸铁管的验收应符合质量缺陷控制规定,产品缺陷按照规定进行归类,超出规定等级应报废,并按照标准要求修改。
球墨铸铁管的验收规范不仅是保证产品质量的重要部分,也是促进企业信誉发展的重要抓手,希望大家能够遵守这些标准,为企业发展贡献自己的一份力量。
球墨铸铁检测方法_球墨铸铁检测材质小编单位的部分球墨铸铁铸件总是在高温下出现断裂,而在同样的环境下其他同样的铸件(不同厂家制造)却没事,小编怀疑可能材质出现问题了,那么球墨铸铁检测方法是什么呢,球墨铸铁检测材质需要多大的样品呢,今天本文就球墨铸铁检测进行讨论,一起看下文吧。
【球墨铸铁材质检测】1、球墨铸铁件材质检验标准:球墨铸件材质验收标准应符合GB1348或EN1563:1997球墨铸铁的标准,以机械性能(抗拉强度、延伸率)、球化率和渗碳体含量为验收依据,硬度、其它金相组织及化学成份做为参考。
(1)球墨铸铁牌号及机械性能(单铸试块)见下表:(2)球墨铸铁常规金相组织:(3)球墨铸铁化学成份:2、灰铸铁件材质检验标准:灰铸件材质验收标准应符合GB9439或EN 1561:1997灰铸铁件的标准,以机械性能(抗拉强度)和硬度为验收依据,金相组织及化学成份做为参考。
(1)灰铸铁牌号及机械性能(单铸试块)见下表:(2)灰铸铁常规金相组织:【球墨铸铁材质检测】快速金相检验炉前处理完毕后,从铁水包中取铁水浇注直径25毫米试棒。
待试棒冷却凝固后淬入水中。
抛光后在显微镜下观察磨面(100X)。
如试样淬水冷却球径太小难以辨别,可放大到200倍观察磨面。
此项检验只用于炉前检验石墨球化情况,不用于评定整个铸件质量。
(2)三角试片检验试片在干坭芯铸型中浇出。
待表面呈暗红色淬入水中。
冷却后观察断口,测量白口宽度。
球化良好的试棒表面均有缩沉,断口细密,呈银白色,中心有缩松,白口清晰。
敲击发出金属声。
此试验可探查球化情况,基本中碳化物存在情况。
特别是用于检测孕育处理质量,效果明显。
图4—5显示处理前(左图)及锶处理后(右图和平片断面。
试片白口宽度没有统一规定,应按所浇注铸件厚度和现场积累的经验判断。
(3)光电直读光谱仪分析铸件化学成分当前炉前快速分析多采用光电直读光谱仪。
这种仪器智能化程度高,只要选择和调整好光道数量、分析元素含量范围、分析线和内标线,就可以同时准确快速测定多种元素含量,包括微量元素含量。
球墨铸铁井盖验收标准规范文件一、基本要求。
1.1 外观。
球墨铸铁井盖的外观那可是相当重要啊。
表面得光滑平整,不能坑坑洼洼的像月球表面似的。
可不能有明显的砂眼、气孔之类的瑕疵,要是有这些小毛病,就像漂亮脸蛋上长了麻子,多难看啊。
而且井盖的边缘也得整齐,不能有毛刺或者残缺的部分,不然容易伤着人。
1.2 尺寸。
尺寸必须得符合设计要求啊。
这就好比我们做衣服,尺寸不对那衣服肯定不合身。
井盖的直径、厚度等尺寸偏差可不能太大,太大了就安装不上或者安装后不稳固。
比如说,要是井盖直径小了,就像小鞋套大脚,怎么也盖不住井口;要是厚了,又会高出地面,那就成了绊脚石了。
二、质量性能。
2.1 承载能力。
这承载能力可就是球墨铸铁井盖的硬功夫了。
它得能承受一定的重量,就像大力士能扛得住重物一样。
根据不同的使用场景,有相应的承载标准。
像在马路上的井盖,要能经得住车辆的来来往往,要是承载能力不行,那车子一压就坏了,这可就是“中看不中用”了。
2.2 韧性。
球墨铸铁井盖得有一定的韧性。
不能像玻璃一样一摔就碎,要能经受住一些冲击力。
比如说,有时候东西不小心砸到井盖上了,要是没有韧性,那井盖就可能会断裂。
这就好比一个人得有柔韧性,遇到挫折能扛得住,不会一下子就垮了。
2.3 耐腐蚀性。
耐腐蚀性也是不可或缺的。
毕竟井盖要长期在户外经受风吹雨打,要是不耐腐蚀,就像铁生锈一样,很快就会变得破破烂烂的。
所以在验收的时候,要检查井盖的防腐涂层是否完好,这就像是给井盖穿上了一层保护衣,能让它延年益寿呢。
三、标识与包装。
3.1 标识。
井盖上的标识必须清晰准确。
就像人的身份证一样,得让人一眼就能看出来这井盖是干什么用的,是雨水井盖还是污水井盖,生产厂家是谁等等信息。
要是标识不清楚,那就容易造成混乱,到时候维修或者管理的时候就抓瞎了。
3.2 包装。
包装虽然是个小环节,但也不能马虎。
包装得能够保护井盖在运输过程中不被损坏,要是包装不好,就像把鸡蛋没有放在合适的盒子里一样,一路颠簸就容易磕坏了。
球墨铸铁件 ( 摘要 ) GB 1348-88创建时间: 2008-08-02球墨铸铁件 ( 摘要 )GB1348-881、引言 ( 略)2、牌号球铁的牌号应符合GB5612— 85<铸铁牌号表示方法>的规定,并分为单铸和附铸试块两类。
a.单铸试块的机械性能分为八个牌号,见表 1 和表 2 的规定。
b.附铸试块的机械性能分为五个牌号,见表 3 和表 4 的规定。
表 1单铸试块的机械性能抗拉强度σbN/屈服强度σ 0.2N/延伸率σ供参考2222( % )mm(kgf /mm)mm(kgf /mm)牌号最小值布氏硬度 HB主要金相组织QT400-18400(40 . 80)250(25 . 50)18130~180铁索体QT400-15400(40 . 80)250(25 . 50)15130~180铁索体QT450-10450(45 . 90)310(31 . 60)10160~210铁索体QT500-7500(51 . 00)310(32 . 65)7170~230铁察体 +珠光体QT600-3600(61 . 20)370(37 . 75)3190~270珠光体 +铁素体QT700-2700(71 . 40)420(42 . 85)2225~305珠光体QT800-2800(81 . 60)480(49 . 98)2245~335珠光体或回火组织QT900-2900(91 . 80)600(61 . 20)2280~360贝氏体或回火马氏体表 2 单铸试块 V 型缺口试样的冲击值22最小冲击值 a K J / cm(kgf . m /cm)牌号室温 23±5℃低温 -20 ±2℃三个试样平均 个别值三个试样平均值个别值值QT400 —18 14(1 .43)11(1 .12)QT400 —18L12(1 .22) 9(0 .92)注:字母“ L ”表示该牌号在低温时的冲击值。
1最新球墨铸铁管质量控制标准球墨铸铁管设计内防腐采用采用水泥砂浆内衬环氧涂料。
外防腐采用喷锌并涂覆沥青防腐漆。
金属锌喷涂的厚度应不小于130g/m2,金属锌的含锌量至少为%。
技术要求执行标准1.GB/T13295-2013《水及燃气管道用球墨铸铁管、管件和附件》;2.管件内衬水泥砂浆,外喷镀锌沥青,分别执行ISO4179和£08179标准。
3.内村环氧密封层符合ISO16132-2004标准4.自锚管符合GB/T13295-2013《水及燃气管道用球墨铸铁管、管件和附件》5.检测方法、检验规则、尺寸、外形、重量及允许偏差、标志、包装、质量证明、运输和贮存及技术要求等均按GB/T13295-2013标准执行。
力学性能管子采用离心铸造工艺生产,并且必须经过退火处理,力学性能如下所示:尺寸、外形、重量1.接口采用滑入式T型接口、自锚式接口,尺寸符合GB/T13295-2013标准的规定。
2.有效长度L=6000mm,压力等级分别采用K9。
3.铸铁管的端面应与轴线相垂直。
4.管道规格尺寸及允许偏差应符合GB/T13295-2013的规定。
5.重量验收:按国家标准计算,标准质量公差允许误差为±3%。
质量要求1.球墨铸铁管的材质应为铁素体基体的球墨铸铁。
在组织中应有一定数量的球状石墨。
2.水压试验、抗拉强度、伸长率应符合GB/T13295-2013标准的规定。
3.表面硬度不得大于230HBW。
4.内外表面不允许有妨碍使用的缺陷。
5.铸铁管内部采用水泥砂浆内衬,部分采用水泥砂浆内衬环氧密封层,外部采用喷锌沥青涂层,涂覆前,内外表面应光洁,无铁锈、铁片。
涂覆后,内外表面应光洁,涂层均匀、粘附牢固,并不因气候冷热而发生异常。
水泥砂浆内衬管道糙率要求小于、水泥砂浆内衬加环氧密封层管道糙率要求小于。
金属锌喷涂的厚度应不小于130g/m2,金属锌的含锌量至少6.在插口外表面用白漆喷涂插入标记,按GB/T13295-2013标准进行。
4.4.1 铸铁管、球墨铸铁管及管件的外观质量应符合下列规定:4.4.1.1 管及管件表面不得有裂纹,管及管件不得有妨碍使用的凹凸不平的缺陷;4.4.1.2 采用橡胶圈柔性接口的铸铁、球墨铸铁管,承口的内工作面和插口的外工作面应光滑、轮廓清晰,不得有影响接口密封性的缺陷;4.4.1.3 铸铁管、球墨铸铁管及管件的尺寸公差应符合现行国家产品标准的规定。
4.4.2 管及管件下沟前,应清除承口内部的油污、飞刺、铸砂及凹凸不平的铸瘤;柔性接口铸铁管及管件承口的内工作面、插口的外工作面应修整光滑,不得有沟槽、凸脊缺陷;有裂纹的管及管件不得使用。
4.4.3 沿直线安装管道时,宜选用管径公差组合最小的管节组对连接,接口的环向间隙应均匀,承插口间的纵向间隙不应小于3mm。
4.4.4 管道沿曲线安装时,接口的允许转角,不得大于表4.4.4的规定。
表4.4.4 沿曲线安装接口的允许转角4.4.5 刚性接口材料应符合下列规定:4.4.5.1 水泥宜采用425号水泥;4.4.5.2 石棉应选用机选4F级温石棉;4.4.5.3 油麻应采用纤维较长、无皮质、清洁、松软、富有韧性的油麻;4.4.5.4 圆形橡胶圈应符合国家现行标准《预应力、自应力钢筋混凝土管用橡胶密封圈》的规定;4.4.5.5 铅的纯度不应小于99%。
4.4.6 刚性接口填料应符合设计规定。
设计无规定时,宜符合表4.4.6的规定表4.4.6 刚性接口填料的规定4.4.7 石棉水泥应在填打前拌和,石棉水泥的重量配合比应为石棉30%,水泥70%,水灰比宜小于或等于0.20;拌好的石棉水泥应在初凝前用完;填打后的接口应及时潮湿养护。
4.4.8 热天或昼夜温差较大地区的刚性接口,宜在气温较低时施工,冬期宜在午间气温较高时施工,并应采取保温措施。
4.4.9 采用石棉水泥做接口外层填料时,当地下水对水泥有侵蚀作用时,应在接口表面涂防腐层。
4.4.10 刚性接口填打后,管道不得碰撞及扭转。
球墨铸铁井盖验收标准规范文件一、外观方面。
1.1 表面质量。
球墨铸铁井盖的表面那可不能有砂眼、气孔之类的缺陷。
这就好比一个人的脸,要是满脸麻子或者坑坑洼洼的,那可不行。
表面得光滑平整,不能有明显的瑕疵。
而且啊,井盖的字和图案得清晰,不能模模糊糊的,就像我们写字得工工整整一样。
1.2 色泽。
色泽要均匀一致。
不能一块黑一块白的,就像染布一样,得染得均匀才好看。
正常情况下,球墨铸铁井盖的颜色应该是那种深灰色,看起来稳重、扎实。
要是颜色乱七八糟的,看着就不像是合格的产品。
二、尺寸规格。
2.1 直径或边长。
这尺寸可必须得符合设计要求。
就像盖房子,尺寸不对那房子能盖好吗?大一点小一点都不行。
比如说设计的是直径800毫米的井盖,那实际测量就得在规定的误差范围内,误差不能太大,不然就没法严丝合缝地盖在井口上,这就成了“驴唇不对马嘴”了。
2.2 厚度。
井盖的厚度也是关键。
厚了浪费材料,薄了又不结实。
得按照标准规定的厚度来生产。
太薄的井盖就像纸糊的一样,哪能承受得住车辆和行人的重量啊。
这就好比让一个瘦弱的人去干重体力活,肯定是干不了的。
三、性能要求。
3.1 承载能力。
这承载能力可是重中之重。
球墨铸铁井盖得能承受得住相应的压力。
不同的使用场景对承载能力要求不一样。
像在马路上的井盖,得能承受重型车辆的碾压,要是一压就碎,那可就成了“豆腐渣工程”了。
必须经过严格的压力测试,达到规定的承载标准才行。
3.2 球化率。
球化率得达标。
这球化率就像是井盖的内在品质,球化率高了,井盖的性能就好。
就像一个团队,团队成员要是个个都很优秀,那这个团队肯定厉害。
如果球化率低,井盖的韧性和强度就会受到影响,就容易出问题。
球墨铸铁管敷设验收规范广州工程仿真科技有限公司工程仿真网球墨铸铁管敷设6.1 一般规定6.1.1 球墨铸铁管的安装应配备合适的工具、器械和设备。
6.1.2 应使用起重机或其它合适的工具和设备将管道放入沟渠中,不得损坏管材和保护性涂层。
当起吊或放下管子的时候,应使用钢丝绳或尼龙吊具。
当使用钢丝绳的时候,必须使用衬垫或橡胶套。
6.1.3 安装前应对球墨铸铁管及管件进行检查,并应符合下列要求:1. 管道及管件表面不得有裂纹及影响使用的凹凸不平的缺陷。
2. 使用橡胶密封圈密封时,其性能必须符合燃气输送介质的使用要求。
橡胶圈应光滑、轮廓清晰,不得有影响接口密封的缺陷。
3. 管道及管件的尺寸公差应符合现行国家标准《离心铸造球墨铸铁管》GB13295和《球墨铸铁管件》GB13294的要求。
6.2 管道连接6.2.1 管道连接前,应将管道中的异物清理干净。
6.2.2 清除管道承口和插口端工作面的团块状物、铸瘤和多余的涂料,并整修光滑,擦干净。
6.2.3 在承口密封面、插口端和密封圈上涂一层润滑剂,将压兰套在管子的插口端,使其延长部分唇缘面向插口端方向,然后将密封圈套在管子的插口端,使胶圈的密封斜面也面向管子的插口方向。
6.2.4 将管道的插口端插入到承口内,并紧密、均匀的将密封胶圈CAE 有限元工程仿真有限元软件工程分析广州工程仿真科技有限公司工程仿真网按进填密槽内,橡胶圈安装就位后不得扭曲。
在连接过程中,承插接口环形间隙应均匀,其值及允许偏差应符合表6.2.4的规定。
表6.2.4 承插口环形间隙及允许偏差管道公称直径(mm) 环形间隙( mm ) 允许偏差( mm )+3 80 , 200 10 -2250 , 450 11+4500 , 900 12-21000 , 1200 136.2.5 将压兰推向承口端,压兰的唇缘靠在密封胶圈上,插入螺栓。
6.2.6 应使用扭力扳手拧紧螺栓。
拧紧螺栓顺序:底部的螺栓—顶部的螺栓—两边的螺栓—其它对角线的螺栓。
球墨铸铁件的理化检验
本标准由以下部分组成:
1、适用范围
2、引用标准
3、检验设备
4、理化检验
5、偏差处理
球墨铸铁件的理化检验
1 适用范围
本标准适用于球铁件的理化检验;
本标准规定了球铁件进货硬度和组织检验部位和检验方法;
本标准规定了球铁件球化不良和表面球化衰退缺陷的判断方法。
2 引用标准
下列文件的条款通过本标准的引用而成为本标准的条款,凡是不注日期的引用文件,其最新版本适用于本标准。
GB/T1348 球墨铸铁件
3 检验设备
布氏硬度计检验零件的硬度
显微镜检验零件的组织和夹杂缺陷
直读光谱仪用于浇注成白口试样的成分检验
碳硫分析仪用于铸铁碳和硫的成分检验
元素分析仪器用于合金元素的成分检验
4 理化检验
4.1 化学成分
需要检验化学成分时,以化学方法为准;在力学性能和金相组织符合要求的前提下,化学成分可以不作为验收依据;进货检验没有特殊要求,可以不检验化学成分.
4.2硬度
硬度是进货检验的主要项目,但由于浇注后,零件的不同部位冷却速度不同,硬度有一定的差异,检验时,应尽量避免这些因素的影响。
检验结果按表1 规定(有特殊规定按图纸要求)。
表1 球铁件硬度要求
4.2.1 检验位置
硬度可以在铸件的表面或横截面检验,表面检验时候,按4.2.1中的要求,去掉表层1.0mm,检验表层1/3横截面厚度区域,避免心部位(1/3区域)的疏松对硬度检验结果的
影响。
检验表面:去掉1mm左右
检验区域:表层1/3截面厚度区
疏松缺陷区:中间1/3区影响较大
横截面区域:表层1/3截面厚度区
检验表面:去掉1mm左右
图1 试样硬度检验部位示意图
4.2.1 取样和试样制备
(1)取样部位:取样部位能代表零件整体的性能,避免在筋板、薄壁或特别厚实的部位取样;
(2)去掉表层不规则层:检验截面或去掉铸造表层1mm,避免表层的石墨形态和组织与基体不一致带来的硬度误差。
(3)试样的制备:试样表面经过磨削并打磨处理,表面粗糙度或留下的纹路不影响测量边界的清晰分辨(粗糙度不低于Ra0.8),检验面和支撑面要保持平行,用游标卡尺
卡口或专门的压平器检验平行状况,没有肉眼可见的不平行缝隙(不平行度不超过
2°)。
4.2.3检验方法
硬度采用布氏硬度检验,检验中应注意:
(1)试样的厚度和宽度(或直径):试样的厚度不小于压痕深度的10倍,避免压痕的变形区域透过底面,影响检验的准确性。
试样的宽度或直径要保证压痕中心距离边沿的距
离至少是压痕直径的2.5倍。
为保证检验的准确性,试样的直径或边长以15-50mm为
宜。
(2)硬度试验载荷选择:采用布氏硬度检验,根据试样大小可以采用2.5,5和10mm的压头,载荷分别是187.5,750和3000kg。
布氏硬度压头有两种材料,淬火钢球和硬质合金,
淬火钢球压头只能用于450HB以下的硬度测量,350HB以下两种压头的测量结果相同,
超过350HB,钢球会产生变形,测量的结果低于硬质合金压头的测量结果,需要对检验
结果进行修正补偿。
(3)压痕的测量:压痕的直径可以在硬度计附带的专用压痕测量装置上测量,但要零位校
准;采用金相显微镜测量时,要对刻度尺校准,对出现的偏差进行补偿修正。
4.3 力学性能
进货检验没有特殊要求,不作拉伸试验,需要做拉伸试验时候,参考表3的要求。
零件取样检验受缺陷的影响,会影响检验的准确性,为较少缺陷的影响,取样部位应避免截面中心区域,如图2所示,截面厚度允许,尽量靠表层取样加工试样,对于壁薄的截面,尽量在边缘取样,避开疏松区。
厚实截面取样部位:避开心部疏松区(1/3区域)
薄截面应从边缘部位取样,避开中心疏松区。
图2 拉伸试样取样部位示意图
表3 力学性能
4.3 石墨球化率和大小
球铁的石墨球化率是衡量球化程度的最重要指标,是主要的金相检验项目。
检验的时候,观察试样的整个受检验面,然后从最差的视场开始,连续观察五个视场,以其中三个差的视场的多数作为评定或计算球化率的视场,放大倍数为100×;球铁件要求球化率1-3级。
按国标GB9441球化率图片(图谱1)进行评定,也可以参照美国德纳用评价图(图谱2)。
石墨的大小与检验的部位有关系,表层冷却速度快,石墨较小,心部冷却慢,石墨尺寸增大;薄壁部位比厚实部位石墨尺寸小;检验代表性的部位,检验截面1/4深度处,正常尺寸5-7级。
石墨开花是石墨球化的一种典型缺陷,常常出现在较大的石墨上,少部分的大颗粒石墨出现开花,可评定为3级,50%的大颗粒石墨出现开花可评4级,大部分的大颗粒石墨出现了开花现象,属于不合格,可评5级,参照图谱3进行评定。
图谱1 石墨球化率评级图 100×
牌号 抗拉强度Rm/MPa(min)
屈服强度 Rp0.2/MPa(min)
延伸率 A/%(min) QT400-15 400 250 15 QT450-10 450 310 10 QT500-7(8~10) 500 320 7(8~10) QT550-5(6~10) 550 350 5(6~10) QT600-3(4~8) 600 370 3(4~8) QT700-2(3~5) 700 420 2(3~5) QT800-2(3~5) 800 480 2(3~5) QT900-2(3~5) 900 600 2(3~5) ADI900-650-09 (QTD900-8) 900 650 9(8) ADI1050-750-07 (QTD1050-6)
1050
750
7(6)
图谱2 石墨大小不同或改变放大倍数球化率评级图(DANA)50-100×
1 级:球化率95%
2 级:球化率90%
3 级:球化率80%
4 级:球化率70%
5 级:球化率60%
6 级:球化率50%
图谱3 石墨开花球化率评级图(参考)100×球化率3级:开花石墨,球化率80%。
球化率4级:开花石墨,球化率70%。
球化率5级:开花石墨,球化率60%。
4.4 共晶碳化物和磷共晶
球铁因为冷却速度过快在尖角或表层出现碳化物,最常见的是偏析出现反白口,在最后凝固的中心部位,聚集出现针状碳化物;检验的时候,观察整个检查面,对于心部偶然出现的碳化物可以不考虑。
加工面和表层的碳化物(截面的1/3)不允许超过1%,心部区域(占截面的1/3区域)不允许超过1%,对于极个别的视场,可以不考虑评级。
磷共晶出现的概率小,可以和碳化物一起评级,按国标GB/T9441 标准图片(图谱4)进行评定,也可以参考图谱5。
表3 球铁碳化物和磷共晶要求(合并评价)
牌号表层心部QT400,QT450,QT500,QT550,QT600,QT700,QT800 ≤1% ≤1%
图谱4 球铁碳化物数量分级图100×
碳化物2%
碳化物3%
碳化物10%
碳化物5%
图谱5 球铁共晶碳化物数量分级图(参考)100×
碳化物2% 碳化物4%
碳化物9% 碳化物18%
4.5 基体组织
球铁金相检验评级图片按GB/T 9441“球墨铸铁金相检验”,在100×下检验,试样经过2-5%硝酸酒精腐蚀,基体组织按珠光体加铁素体为100%进行评定,珠光体含量国标没有量的要求(表4),考虑到铸件的生产特殊性,和检验的偏差,并借鉴国外的检验,实际进货参考表5检验。
奥贝球铁件球铁经过等温淬火处理获得,截面都是均匀的奥铁体组织(针状铁素体加富碳奥氏体),富碳的奥氏体量大约30%,分布在针状铁素之间,如图3。
表4 国标对基体组织的要求
表5 进货检验球铁零件基体组织要求
图3 奥贝球铁组织:针状铁素体和富碳奥氏体 500X
4.6表层石墨化不良缺陷
球铁件表面由于型材中含有过多的硫,消耗了熔体表层的球化元素,有时候会出现球化不良组织,石墨呈现蠕虫或条状,表面不允许超过1.0mm,如图4。
图4 表面出现球化不良组织,不允许超过1.0mm 100X
5 偏差处理
5.1 化学成分
化学成分以化学方法为准,但铸件取样,容易出现石墨脱落的现象,检验的含碳量有可能会低于真实结果,如果石墨的球化状况正常,可以判定含碳量合格。
5.2 硬度
硬度检验按4.2节进行,允许偏差5HB(高于上限或低于下限5HB)
5.3 珠光体含量
珠光体检验按4.5节进行,偏差参考表5处理。
5.4 碳化物(和磷共晶)
整体出现白口特征即有多量的针状共晶碳化物(超过3%)是不允许,但中心部位允许局部轻微的反白口,区域不超过截面的1/3,碳化物总量不超过5%。
5.5 取样位置偏差
在冒口或浇道口位置,石墨形态,组织以及碳化物等状况因为最后凝固有可能比其它部位状况差,甚至不合格,经过取样位置确认,可以重新取样,对冒口和浇道口部位的检验不作为检验评价。