38900-2020机动车安全技术检验项目和方法
- 格式:docx
- 大小:29.05 KB
- 文档页数:3
38900-2020机动车安全技术检验项目和方法机动车安全技术检验是保障道路交通安全的重要环节,也是确保机动车安全性能符合规定标准的必要手段。
38900-2020机动车安全技术检验项目和方法是我国针对车辆安全技术进行检验的技术标准,本文将对其中的关键检验项目和方法进行介绍。
一、车辆外观检验1. 车身及车身漆膜检验:检查车辆车身外观是否完整、无明显凹陷或腐蚀,车身漆膜是否均匀、无剥落、鼓泡或划痕。
2. 玻璃检验:检查前、后挡风玻璃、侧窗玻璃是否完整、无裂纹,并测试是否能够正常开启和关闭车窗。
二、车辆灯光检验1. 外部灯光检验:测试车辆前照灯、后照灯、制动灯、示宽灯等灯光是否正常工作,光线是否达到国家标准要求。
2. 内部灯光检验:测试车辆仪表盘、车厢照明灯等内部灯光是否正常工作。
三、车辆轮胎检验1. 胎压检验:使用胎压计检测车辆四个轮胎的气压是否符合厂家要求,确保车辆行驶安全稳定。
2. 轮胎磨损检验:对车辆轮胎进行视觉检测,判断轮胎磨损情况是否超出规定标准,如胎纹深度是否达到磨损警示线标准。
四、车辆制动系统检验1. 制动性能检验:使用刹车力测量仪检测车辆在制动时的制动距离、制动力是否达到国家标准,确保制动系统可靠。
2. 制动液检验:检查车辆制动液液面是否在正常范围内,并测试制动液是否有泡沫、变质或漏液现象。
五、车辆悬挂系统检验1. 悬挂部件检验:检查车辆底盘部位的悬挂弹簧、减振器等部件是否完好,是否存在松动、磨损等情况。
2. 悬挂系统调节检验:测试车辆悬挂系统是否经过调节,是否能够保持合理的行驶高度和稳定性。
六、车辆排放检验1. 尾气排放检验:使用尾气分析仪测试车辆在怠速和不同速度下的尾气排放浓度,确保符合国家排放标准。
2. 排污装置检验:检查车辆的废气处理装置是否完好,如后处理装置是否漏气、防护罩是否完整等。
综上所述,38900-2020机动车安全技术检验项目和方法涵盖了车辆外观、灯光、轮胎、制动系统、悬挂系统和排放等关键检验项目。
机动车安全技术检验项目和方法2020
1. 车辆外观检查:对车辆的车身、玻璃、灯具、排气管等进行检查,确保不影响行车安全。
2. 车辆制动检查:包括手刹、制动踏板等。
检查制动力是否正常,制动是否均衡,制动系统是否有泄漏等。
3. 车辆悬挂检查:检查车辆悬挂系统是否正常,悬挂拉杆是否稳定,悬挂弹簧是否有断裂等。
4. 车辆照明检查:检查车辆照明系统是否正常,包括前后灯、示廓灯、灯光的亮度、颜色等。
5. 车辆底盘检查:对底盘、车架、转向系统等进行检查,确保结构完整、无明显变形、断裂等。
6. 车辆排放检查:检查车辆的排放是否符合国家标准,是否正常、无过量排放等。
7. 车辆电气检查:检查车辆的电器设备是否正常,包括起动机、电瓶、电路等。
检验方法:机动车安全技术检验采用现场检验和实验室检验相结合的方式,检验
人员将对车辆进行物理检查和仪器检测,对检测结果进行录入和评估,根据评估结果确定检测结论。
采取现场检查的目的是保证检测的真实性和有效性,同时保证检查的全面性和覆盖面。
同时,实验室检测可以通过精密仪器检测车辆的排放、制动力等指标,增加检测的准确性和权威性。
GB 38900—20××代替 GB 21861—2014,GB 18565—2016机动车安全技术检验项目和方法Items and methods of safety technology inspection of motor vehiclesGB 38900—20××目录前言 (V)1 范围 (1)2 规范性引用文件 (1)3 术语、定义和缩略语 (2)3.1术语和定义 (2)3.1.1 注册登记安全检验safety inspection of unregistered vehicles (2)3.1.2 在用机动车安全检验safety inspection of in-use vehicles (2)3.1.3 车辆唯一性检查inspection of vehicle identification (2)3.1.4 车辆特征参数检查inspection of parameters of vehicle characteristics (2)3.1.5 底盘动态检验dynamic inspection of chassis (2)3.2缩略语 (2)4 检验项目 (2)5 检验方法 (7)5.1一般规定 (7)5.2检验项目对应方法 (8)6 检验要求 (11)6.1联网查询 (11)6.2车辆唯一性 (11)6.2.1 号牌号码和分类、车辆品牌和型号 (11)6.2.2 车辆识别代号(或整车出厂编号) (11)6.2.3 发动机号码/驱动电机号码 (12)6.2.4 车身颜色和车辆外形 (13)6.3车辆特征参数 (13)6.3.1 外廓尺寸 (13)6.3.2 轴距 (13)6.3.3 核定载人数和座椅布置 (13)6.3.4 栏板高度 (13)6.3.5 悬架 (14)6.3.6 客车出口 (14)6.3.7 客车乘客通道和引道 (14)6.3.8 货厢/罐体 (15)6.4车辆外观检查 (15)6.4.1 车身外观 (15)6.4.2 外观标识、标注和标牌 (17)6.4.3 外部照明和信号装置 (18)6.4.4 轮胎 (18)6.4.5 号牌/号牌板(架) (19)6.4.6 加装/改装灯具 (20)6.5安全装置检查 (20)IGB 38900—20××6.5.1 汽车安全带 (20)6.5.2 应急停车安全附件 (20)6.5.3 灭火器 (20)6.5.4 行驶记录装置 (21)6.5.5 车身反光标识 (21)6.5.6 车辆尾部标志板 (21)6.5.7 侧、后,前下部防护 (22)6.5.8 应急锤 (22)6.5.9 急救箱 (22)6.5.10 车速限制/报警功能或装置 (22)6.5.11 防抱制动装置 (22)6.5.12 辅助制动装置 (23)6.5.13 盘式制动器 (23)6.5.14 制动间隙自动调整装置 (23)6.5.15 紧急切断装置 (23)6.5.16 发动机舱自动灭火装置 (23)6.5.17 手动机械断电开关 (24)6.5.18 副制动踏板 (24)6.5.19 校车标志灯和校车停车指示标志牌 (24)6.5.20 危险货物运输车辆标志 (24)6.5.21 驾驶区隔离设施 (24)6.5.22 肢体残疾人操纵辅助装置 (24)6.6底盘动态检验 (24)6.6.1 转向 (24)6.6.2 传动 (24)6.6.3 制动 (25)6.6.4 仪表和指示器 (25)6.7车辆底盘部件 (25)6.7.1 转向系部件 (25)6.7.2 传动系部件 (25)6.7.3 行驶系部件 (25)6.7.4 制动系部件 (25)6.7.5 其他部件其他部件 (25)6.8仪器设备检验 (26)6.8.1 整备质量/空车质量 (26)6.8.2 行车制动 (26)6.8.3 驻车制动 (26)6.8.4 前照灯远光发光强度 (26)6.8.5 转向轮横向侧滑量 (27)7 检验结果判定、处置及资料存档 (27)7.1检验结果判定 (27)7.2检验结果处置 (27)7.2.1 检验合格处置 (27)7.2.2 检验不合格处置 (27)IIGB 38900—20××7.2.3 异常情形处置 (27)7.3资料存档 (27)8 标准实施的过渡期要求 (28)附录 A (资料性附录)机动车安全技术检验流程 (29)附录 B (规范性附录)外廓尺寸测量 (30)B.1检验设备、工具要求 (30)B.1.1 人工检验标准器 (30)B.1.2 外廓尺寸自动测量装置 (30)B.2人工检验方法 (30)B.2.1 车辆长度、宽度的测量 (30)B.2.2 车辆高度的测量 (31)B.3外廓尺寸自动测量装置检验 (31)B.4测量过程记录 (31)B.4.1 人工测量过程记录 (31)B.4.2 外廓尺寸自动测量装置检验过程记录 (31)附录 C (规范性附录)整备质量/空车质量测量 (32)C.1设备要求 (32)C.2测试车辆要求 (32)C.3应用地磅的测量方法 (32)C.4应用轴(轮)重仪的测量方法 (32)附录 D (规范性附录)制动性能检验 (33)D.1台试空载制动检验 (33)D.1.1 检验设备相关要求 (33)D.1.2 检验前准备 (33)D.1.3 滚筒反力式制动检验台检验 (33)D.1.4 平板制动检验台检验 (34)D.1.5 制动性能参数计算 (34)D.1.6 特殊情形处置 (35)D.2路试制动检验 (35)D.2.1 行车制动 (35)D.2.2 驻车制动 (35)D.3台式加载制动检验 (36)D.4制动性能复检项目 (36)附录 E (规范性附录)前照灯检验 (37)E.1设备要求 (37)E.2检验前仪器及车辆准备 (37)E.3检验方法 (37)E.3.1 自动式前照灯检测仪检验 (37)E.3.2 手动式前照灯检测仪检验 (38)E.3.3 摩托车前照灯人工检验 (38)E.4前照灯复检项目 (38)附录 F (规范性附录)转向轮横向侧滑量检验 (39)F.1设备要求 (39)F.2检验准备 (39)IIIGB 38900—20××F.3检验程序 (39)F.4检验注意事项 (39)附录G (规范性附录)机动车安全技术检验报告(式样) (40)G.1机动车安全技术检验报告 (40)G.2机动车安全技术检验报告填表说明 (41)附录H (规范性附录)机动车安全技术检验表(人工检验部分) (43)附录I (规范性附录)机动车安全技术检验表(仪器设备检验部分) (45)I.1机动车(适用于两轴汽车)安全技术检验表(仪器设备检验部分) (45)I.1.1 机动车(适用于两轴汽车)安全技术检验表(仪器设备检验部分) (45)I.1.2 机动车(适用于两轴汽车)安全技术检验表填表说明 (46)I.2机动车(适用于三轴及以上汽车)安全技术检验表(仪器设备检验部分) (46)I.2.1 机动车(适用于三轴及以上汽车)安全技术检验表(仪器设备检验部分) (46)I.2.2 机动车(适用于三轴及以上汽车)安全技术检验表填表说明 (48)I.3机动车(适用于挂车)安全技术检验表(仪器设备检验部分) (48)I.3.1 机动车(适用于挂车)安全技术检验表(仪器设备检验部分) (48)1.3.2 机动车(适用于挂车)安全技术检验表填表说明 (49)I.4机动车(适用于三轮汽车、摩托车)安全技术检验表(仪器设备检验部分) (50)I.4.1 机动车(适用于三轮汽车、摩托车)安全技术检验表(仪器设备检验部分) (50)1.4.2 机动车(适用于三轮汽车、摩托车)安全技术检验表(仪器设备检验部分)填表说明 (50)IVGB 38900—20××前言本标准的全部技术内容为强制性。
GB 38900-2020《机动车安全技术检验项目和方法》内部培训考核试题一、单选题(1题1分,共40分)1.GB 38900-2020实施时间为()A.2020年12月1日B.2021年1月1日C.2021年3月1日D.2021年5月1日2.GB 38900-2020代替()A.GB 18565-2016,JT/T 198-2016B.GB 21861-2014,GB 1589-2016C.GB 21861-2014,GB 18565-2016D.GB 21861-2014,GB 7258-20173.在用机动车安全检验时,重中型货车(半挂牵引车除外)、重中型载货专项作业车、重中型挂车外廓尺寸实测不应超过GB 7258、()规定的限值。
A.GB 1589B.GB 21861C.GB 18565D.GB/T 126734.()起出厂的汽车(无驾驶室的三轮汽车除外)应配备1件汽车乘客反光背心。
A.2018年1月1日B.2019年1月1日C.2020年1月1日D.2021年1月1日5.GB 38900-2020适用于具备检验检测资质的机构对()进行安全技术检验。
A.机动车B.自行车C.火车D.拖拉机运输机组6.注册登记安全检验时,面包车不应使用轮胎名义宽度小于或等于()的轮胎。
A.145mmB.155mmC.165mmD.175mm7.注册登记安全检验时,()及车长大于9m的其他客车应装用子午线轮胎。
A.面包车B.重中型货车C.货车底盘改装的专项作业车D.危险货物运输车辆8.在用机动车安全检验时,2015年3月1日起注册登记的货车、重中型挂车的空车质量与机动车注册登记时记载的整备质量技术参数比,误差应满足:重中型货车、重中型挂车不超过(),轻微型货车不超过(),且轻型货车的空车质量应小于4500kg。
A.±1%或100kg;±1%或50kgB.±3%或500kg;±3%或100kgA.±5%或500kg;±5%或200kgA.±10%或500kg;±10%或200kg9.注册登记安全检验时,机动车的轴距应与机动车产品公告、机动车出厂合格证相符,且误差不超过()A.±1%或±50mmB.±1%或±100mmC.±2%或±50mmD.±2%或±100mm10.2018年1月1日起出厂的(),应采用板式隔离装置。
GB38900-2020培训考核2021姓名分数一、填空1、GB38900-2020《机动车安全技术检验项目和方法》代替了GB21861-2014《机动车安全技术检全项目和方法》和《GB18565-2016 道路运输车辆综合性能要求和检验方法》。
2、注册登记安全检验指的是对申请注册登记的机动车进行的安全技术检验,在用机动安全检验指的是对已注册登记的机动车进行的安全技术检验。
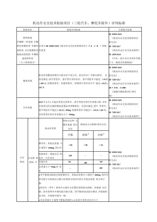
GB38900里检验项目共有8 项,其中车辆唯一性检查、车辆特征参数检查、车辆外观检查、安全装置检查、底盘动态检查、车辆底盘部件检查是人工检验项目。
3、载客汽车(非营运小型、微型载客汽车除外)、货车(三轮汽车除外)、专项作业车、挂车进行人工外检时最少检验时间为240 S,底盘部件检查时间最少为100 S。
4、注册登记安全检验时,机动车外廓尺寸实测值不应超出GB7258、GB1589规定的限值,且与机动车产品公告、机动车出厂合格证记载的数值相比,误差应满足:汽车(三轮汽车除外)、挂车不超过1% 或±50 ,三轮汽车、摩托车不超过±3% 或±50 。
5、在用机动车安全检验时,货车、挂车的栏板(含盖)高度应与机动车登记信息、驾驶室两侧喷涂的栏板(含盖)高度数值相符,且误差不超过±50 。
6、注册和在用机动车安全检验时,车身(车厢)及其漆面不应有超过 3 处的轻微开裂、锈蚀和明显变形。
7、注册登记和在用机动车安全检验时,同轴两侧应装用同一型号、规格和花纹的轮胎,轮胎螺栓、半轴螺栓应齐全紧固。
2018年1月1日起出厂的客车、货车的车轮及车轮上所有螺栓、螺母不应安装有碍于检查其技术状况的装饰罩或装饰帽。
8、注册登记和在用机动车安全检验时,应急停车安全附件应满足:汽车(无驾驶室的三轮汽车除外)应配备三角警告牌,2018年1月1日起出厂的汽车(无驾驶室的三轮汽车除外)应配备1件汽车乘员反光背心;2018年1月1日起出厂的车长大于或等于6米的客车和总质量大于3500kg 的货车,应装备停车楔。
GB38900机动车安全技术检验项目对应方法
一、外部照明和信号装置
外部照明和信号装置的检验项目包括前照灯、后灯、转向灯、制动灯、示廓灯等。
其中,前照灯的检验方法包括测定光强、光轴校正、灯光色度等;后灯的检验方法包括测定灯泡亮度、反射器、光轴校正等。
二、车身结构和安全装置
车身结构和安全装置的检验项目包括车身稳定性、防撞装置、碰撞安
全装置等。
这些检验项目的方法主要包括车身稳定性试验、碰撞试验、强
度试验等。
三、制动系统
制动系统的检验项目包括制动装置、制动踏板、制动力分配等。
其中,制动装置的检验方法包括制动脚踏板位置、停车制动器性能、制动系统调整、制动力不平衡等。
四、悬挂系统
悬挂系统的检验项目包括悬挂装置、减震器、轮胎等。
减震器的检验
方法包括在平整道路上车辆的纵向位移和车身姿态检测等。
五、行驶安全系统
行驶安全系统的检验项目包括驻车制动、转向装置、传动装置等。
转
向装置的检验方法包括转向力矩检测、转向列位置偏移检测等。
六、燃油系统
燃油系统的检验项目包括燃油箱和燃油泄漏等。
燃油泄漏的检验方法
主要包括检查燃油管路和接头的漏油情况、燃油泄漏时的泄漏量等。
七、排放控制系统
排放控制系统的检验项目包括排放控制装置、尾气排放等。
尾气排放
的检验方法包括检测排气检测设备的准确性、排放物质量及成分的测量等。
授权签字人需掌握的检测数据限值一、GB38900-2020《机动车安全技术检验项目和方法》1、外廓尺寸(1)注册登记安全检验时,机动车外廓尺寸实测值不应超出GB 7258、GB 1589规定的限值,且与机动车产品公告、机动车出厂合格证记载的数值相比,误差应满足:汽车(三轮汽车除外)、挂车不超过±1%或±50mm,三轮汽车、摩托车不超过±3%或±50mm。
(2)在用机动车安全检验时,重中型货车(半挂牵引车除外)、重中型载货专项作业车、重中型挂车外廓尺寸实测值不应超出GB 7258、GB 1589规定的限值,且与机动车行驶证记载的数值相比误差不超过±3%或±150mm。
2、轴距注册登记安全检验时,机动车的轴距应与机动车产品公告、机动车出厂合格证相符,且误差不超过±1%或±50mm。
3、栏板高度(1)注册登记安全检验和在用机动车安全检验时,机动车栏板(含盖)高度不应超出GB 1589规定的限值。
(2)注册登记安全检验时,货车、挂车的栏板(含盖)高度应与机动车产品公告、机动车出厂合格证、驾驶室两侧喷涂的栏板高度数值相符,且误差不超过±50mm。
(3)在用机动车安全检验时,货车、挂车的栏板(含盖)高度应与机动车登记信息、驾驶室两侧喷涂的栏板(含盖)高度数值相符,且误差不超过±50mm。
4、外观检查(1)车体应周正,车体外缘左右对称部位高度差应小于或等于40 mm。
(2)车身(车厢)及其漆面不应有超过3处的轻微开裂、锈蚀和明显变形。
(3)校车和车长大于7.5m的其他客车不应设置有车外顶行李架;设置有车外顶行李架的客车,其车外顶行李架长度不应超过车长的1/3且高度不应超过300mm。
(4)货车货厢(自卸车、装载质量1000kg 以下的货车除外)前部应安装有比驾驶室高至少70mm的安全架(5)前风窗玻璃驾驶人视区部位及驾驶人驾驶时用于观察外后视镜的部位的可见光透射比应大于或等于70%;校车,2012年9月1日起出厂的公路客车、旅游客车,2018年1月1日起出厂的设有乘客站立区的客车、面包车,所有车窗玻璃可见光透射比均应大于50%。
题目:深度解读38900-2020机动车安全技术检验项目和方法正文:一、介绍在汽车行业,安全性是最重要的考量因素之一。
为了确保车辆在道路上行驶时具备良好的安全性能,必须进行相关的安全技术检验。
而在我国,38900-2020机动车安全技术检验项目和方法被作为检验的指导原则,成为了行业标准。
在本文中,我们将深度解读38900-2020标准,并对其中的检验项目和方法进行全面评估和分析。
二、38900-2020标准概述38900-2020标准是由国家汽车质量监督检验中心制定的《机动车安全技术检验项目和方法》。
该标准旨在规范机动车安全技术检验的内容和方法,为全国各类机动车安全技术检验提供统一的标准。
标准共分为10大类,包括车身及附件、转向及制动、悬挂系统、传动系统、底盘装置、车灯及信号灯、发动机及排放、燃油系统、轮胎及轮辋、安全防护装置。
每个类别下都包含了具体的检验项目和方法。
三、深度评估和分析1. 车身及附件在这一类别下,包括了车身结构、玻璃及玻璃升降器、门及行李箱盖、车窗玻璃及玻璃擦洗器、座椅及安全带等多个检验项目。
这些项目的检验方法包括视觉检查、测量检查、检查和试验等多种方式。
其中,对车身结构的检验需要关注车体变形情况、钢板厚度、车身焊接情况等,这对于判断车辆在碰撞中的安全性能至关重要。
2. 转向及制动转向及制动是车辆行驶中安全性最为关键的部分之一。
在这一类别下,包括了转向系统、制动系统、驻车制动、制动液、助力制动等多个检验项目。
针对转向系统的检验包括了转向游隙、转向精度、行程限制等,而对制动系统的检验则包括了制动性能、制动衬板磨损情况、制动器工作情况等。
这些检验项目的严格执行将为确保车辆制动和转向时的安全提供保障。
3. 悬挂系统悬挂系统对于车辆的行驶稳定性和舒适性至关重要。
在38900-2020标准中,对悬挂系统的检验包括了悬挂弹簧、减震器、悬挂杆、转向节、转向销等多个项目。
通过对这些项目的检验,能够确保车辆在行驶过程中保持良好的悬挂性能,减少因路面不平而带来的不良影响。
XXX机动车综合检测服务公司文件编号:ZYZD2020-01技术文件机动车安全技术检验作业指导书版次:第C版修订:编制:郭晨日期:审核:日期:批准:日期:受控印章:管理部门:2020年11月20日发布 2021年1月1日实施XXX机动车综合检测服务公司目录发布令 (2)第一章检验内容与流程 (3)第二章联网查询 (12)第三章车辆唯一性检查 (13)第四章特征参数检查 (17)第五章车辆外观检查 (21)第六章安全装置检查 (28)第七章底盘动态检验 (37)第八章车辆底盘部件 (38)第九章人工检验项目照片要求 (41)第十章外廓尺寸人工检验方法 (45)第十一章外廓尺寸仪器检验 (47)第十二章整备质量/空车质量检验 (49)第十三章滚筒反力式制动检验台制定检验 (50)第十四章平板制动检验台制动性能检验 (53)第十五章路试制动检验 (55)第十六章前照灯检验 (58)第十七章转向横向侧滑量检验 (60)第十八章仪器设备维护保养 (61)第十九章检验结果判定与处置 (64)发布令2020年5月26日,国家标准化委员会发布2020年第十二号公告,GB 38900-2020年5月26日发布,于2021年1月1日实施,新标准以国家标准GB 21861-2014《机动车安全技术检验项目和方法》为基础,整合国家标准GB 18565-2016《道路运输车辆综合性能要求和检验方法》中确需保留的安全检验项目。
标准的名称是《机动车安全技术检验项目和方法》。
为顺利贯彻实施新标准GB 38900-2020《安全技术检验项目和方法》,原《机动车安全技术检验作业指导书》第1版和《道路运输车辆综合性能检验作业指导书》第1版已不在适合今后检验工作的需求。
为顺利贯彻实施新标准,由郭晨进行主编,技术负责人进行审核,于2020年11月20日完成了《机动车安全技术检验作业指导书》第2版编写工作。
本作业指导书编写的主要依据是GB 38900-2020《安全技术检验项目和方法》、GB 7258-2017《机动车安全运行技术条件》、安全技术检验相关标准、产品使用说明书、全自动检测系统使用说明书进行。
GB 38900-2020基础知识考核试题姓名:得分:一、填空题(1空2分,共20分)1.GB 38900-2020标准名称为《()》。
此标准规定了机动车安全技术检验的检验项目、检验方法、(),以及检验结果判定、处置和()。
2.驻车制动使用()的汽车,不检验驻车制动。
3.在用机动车安全检验时,应提供送检机动车有效的机动车交通事故责任强制保险凭证(()以及实现电子保单、保险信息联网核查的除外)和机动车行驶证。
4.注册登记安全检验时,机动车的轴距应与机动车()、机动车出厂合格证相符,且误差不超过()。
5.在用机动车安全检验时,货车(三轮汽车除外)、()、专项作业车的()钢板弹簧片数应与机动车登记信息一致,且不应有明显()、增厚情形。
二、单选题(1题3分,共30分)1.以下哪个不属于注册登记安全检验项目()A.防抱制动装置B.辅助制动装置C.盘式制动器D.制动间隙自动调整装置2.2018年1月1日起出厂的车长大于或等于6m的客车和总质量大于()的货车,应装备至少2个停车楔(如三角垫木)。
A.1500kgB.3500kgC.4500kgD.12000kg3.轮胎的胎面、胎壁不应有长度超过()或深度足以暴露出轮胎帘布层的破裂和割伤及其他影响使用的缺损、异常磨损和变形,轮胎不应有不规则磨损。
A.15mmB.25mmC.30mmD.35mm4.机动车注册登记安全检验时,应按照 GB7258和()核定的车辆类型确定检验项目。
A.GA 36B.GA 801C.GA 802D.GA 8045.前照灯远光发光强度检验工位最少检验时间为()。
A.30sB.40sC.50sD.60s6.下列不属于机动车安全技术检验项目的是()。
A.整备质量B.前照灯远光发光强度C.转向轮横向侧滑量D.车速表7.()起出厂的汽车(无驾驶室的三轮汽车除外)应配备1件汽车乘员反光背心。
A.2016年1月1日B.2017年1月1日C.2018年1月1日D.2021年1月1日8.在用机动车空车质量的检验要求,自本标准实施之日起()开始实施。
GB 38900-2020《机动车安全技术检验项目和方法》内部培训考核试题一、单选题(1题1分,共40分)1.GB 38900-2020实施时间为()A.2020年12月1日B.2021年1月1日C.2021年3月1日D.2021年5月1日2.GB 38900-2020代替()A.GB 18565-2016,JT/T 198-2016B.GB 21861-2014,GB 1589-2016C.GB 21861-2014,GB 18565-2016D.GB 21861-2014,GB 7258-20173.在用机动车安全检验时,重中型货车(半挂牵引车除外)、重中型载货专项作业车、重中型挂车外廓尺寸实测不应超过GB 7258、()规定的限值。
A.GB 1589B.GB 21861C.GB 18565D.GB/T 126734.()起出厂的汽车(无驾驶室的三轮汽车除外)应配备1件汽车乘客反光背心。
A.2018年1月1日B.2019年1月1日C.2020年1月1日D.2021年1月1日5.GB 38900-2020适用于具备检验检测资质的机构对()进行安全技术检验。
A.机动车B.自行车C.火车D.拖拉机运输机组6.注册登记安全检验时,面包车不应使用轮胎名义宽度小于或等于()的轮胎。
A.145mmB.155mmC.165mmD.175mm7.注册登记安全检验时,()及车长大于9m的其他客车应装用子午线轮胎。
A.面包车B.重中型货车C.货车底盘改装的专项作业车D.危险货物运输车辆8.在用机动车安全检验时,2015年3月1日起注册登记的货车、重中型挂车的空车质量与机动车注册登记时记载的整备质量技术参数比,误差应满足:重中型货车、重中型挂车不超过(),轻微型货车不超过(),且轻型货车的空车质量应小于4500kg。
A.±1%或100kg;±1%或50kgB.±3%或500kg;±3%或100kgA.±5%或500kg;±5%或200kgA.±10%或500kg;±10%或200kg9.注册登记安全检验时,机动车的轴距应与机动车产品公告、机动车出厂合格证相符,且误差不超过()A.±1%或±50mmB.±1%或±100mmC.±2%或±50mmD.±2%或±100mm10.2018年1月1日起出厂的(),应采用板式隔离装置。
Interpretation and Implementation Suggestions on GB 38900-2020, Items and Methods for Safety Technology Inspection of Motor Vehicles 作者: 高文[1];高焕[2];高薇淇[3]
作者机构: [1]四川工业科技学院;[2]四川建筑职业技术学院;[3]普华永道中天会计师事务所成都分所
出版物刊名: 中国标准化
页码: 116-121页
年卷期: 2021年 第6期
主题词: 机动车安全技术检验;标准;解读;实施
摘要:标准已于2021年1月1日起正式实施.本文通过对GB38900新版标准主要变化的解读,针对目前车检机构在检验过程中存在的突出问题,提出了机动车安检机构实施新版标准的作业指导思想,并从人、机、料、法、环、测六个方面阐述了实施新版标准过程中应注意的要素.。
国标38900-2020是一项非常重要的标准,涉及到检验项目的内容。
它对于各行各业的产品检验都有着重要的指导意义。
在这篇文章中,我将从多个角度深入探讨国标38900-2020检验项目的相关内容,并对其进行全面评估,以便读者能够更深入地理解这一主题。
1. 介绍国标38900-2020检验项目国标38900-2020是指对于检验项目的具体规范和要求进行明确的标准。
它包括了检验项目的定义、分类、要求、方法、标准等内容,旨在指导各行业对产品进行全面的检验。
国标38900-2020的发布对于提高产品质量、保障消费者权益、促进产业升级都具有重要作用。
2. 国标38900-2020在产品检验中的应用国标38900-2020在产品检验过程中具有举足轻重的作用。
它规范了检验项目的内容,明确了检验方法和标准,能够帮助各行业更加科学、客观地进行产品检验。
通过国标38900-2020的应用,可以保证产品的质量和安全,有效防范各种质量问题的发生。
3. 如何根据国标38900-2020进行检验项目的实施国标38900-2020提供了具体的指导原则和方法,但在实际的检验项目实施中,还需要结合实际情况进行具体操作。
对于不同行业、不同产品的检验项目,需要根据具体的要求和标准进行调整和实施。
还需要对检验过程中可能出现的问题和风险进行全面评估,确保检验项目的顺利进行。
4. 我对国标38900-2020检验项目的个人观点和理解作为一项重要的标准,国标38900-2020对于产品检验具有重要意义。
它不仅规范了检验项目的内容,还提供了科学的方法和标准,能够有效提升产品的质量和市场竞争力。
国标38900-2020也需要与时俱进,不断根据市场和技术的发展进行更新和完善,以适应不断变化的需求。
总结回顾:国标38900-2020检验项目作为一项重要的标准,对于各行业的产品检验具有重要的指导意义。
通过本文的全面评估,读者可以更深入地了解国标38900-2020的相关内容,以及在实际操作中的应用方法和意义。
国标38900-2020检验项目
根据国标38900-2020,以下是一些常见的检验项目:
1. 外观检验:检查产品的外观是否符合规定的要求,包括产品的颜色、形状、尺寸等方面。
2. 功能检验:测试产品的功能是否正常,包括开关、按钮、显示屏等功能的正常工作。
3. 材料测试:检测产品所使用的材料是否符合相关标准要求,包括材料的硬度、耐磨性、耐腐蚀性等性能。
4. 安全性检验:测试产品的安全性能,包括电气安全、机械安全、防火性能等。
5. 化学物质检验:检测产品中有害化学物质的含量,如重金属、有机污染物等。
6. 环境适应性检验:测试产品在不同环境条件下的适应性,如温度、湿度、震动等。
7. 电磁兼容性测试:检测产品是否能够在电磁环境中正常工作,如电磁辐射、电磁感应等。
8. 稳定性测试:测试产品在长时间使用或储存过程中的稳定性,如产品的寿命、耐久性等。
9. 可靠性测试:评估产品的可靠性和可用性,包括产品的故障率、维修性等。
这只是一些常见的检验项目,具体检验项目的选择和规范还需根据产品的具体要求和标准进行确定。
的项目除
外。
不合格项目复检时应再次确认车辆识别代号。
对汽车进行仪器设备检验时,除检验员外可再乘坐一名送检人员或随车人员。
半挂牵引车可与半挂车组合成钱接列车后同时实施检验,也可单独检验。
小型、微型载客汽车底盘部件检查时,对不具备地沟条件的,可采用其他能观察到车辆底盘部件的方式。
检验检测时,带“杯的项目应采用符合标准的检验PDA等设备拍摄检验照片(或视频),其数量、内容和清晰度应能满足GA 1186的要求,但在用机动车安全技术检验时发现打刻(或铸出)的发动机号码/驱动电机号码不易见,且易见部位或覆盖件上的发动机/驱动电机标识缺失无法拍摄的,应记录在检验表中;对于2018年1月1日起出厂的总质量大于等于12000kg的栏板式、仓栅式、自卸式、罐式货车及总质量大于等于10000kg的栏板式、仓栅式、自卸式、罐式挂车,应拍摄货箱或常压罐体(或设计和制造上固定在货箱或常压罐体上且用于与车架连接的结构件)上打刻的车辆识别代号照片。
因更换发动机申请变更登记前进行安全技术检验时,应当确认并记录变更之后的发动机型号和出厂编号。
38900-2020机动车安全技术检验项目和方法随着社会经济的不断发展,汽车已经成为人们生活中不可或缺的
交通工具之一。
在这样一个大规模使用机动车的环境中,为了确保交
通安全,保障人民的生命财产安全,各国都纷纷制定了严格的机动车
安全技术检验标准和方法。
机动车安全技术检验项目和方法根据不同
国家的法律法规和技术标准有所不同,但总的来说,主要包括以下几
个方面:
1.车辆外观检查:这个项目主要是针对车辆外观是否完好,包括
车身外观、车窗、车灯、车牌等是否完好无损,是否有违规改装等情况。
2.车辆底盘检查:这个项目主要是检查车辆底盘及底盘相关运动
部位的检验,如制动系统、悬挂系统、转向系统、传动系统等方面。
包括刹车片和刹车盘的磨损情况,悬挂系统的弹性和稳定性等。
3.发动机检查:这个项目主要是检查车辆发动机及相关部件的正
常工作情况,包括发动机的工作稳定性、环保性等。
也需要检查发动
机的排放情况,以及机油、冷却液、变速器油、液压传动油等的情况。
4.车辆灯光检查:这个项目主要是检查车辆灯光的使用情况,包括近光灯、远光灯、示宽灯、刹车灯、倒车灯、转向灯等是否正常使用和工作。
5.座椅与安全带检查:这个项目主要是检查车辆座椅及安全带的安全性能,包括座椅的完整性和舒适度以及安全带的可靠性和使用是否正常。
在进行机动车安全技术检验时,通常采用以下方法:
1.目视检查:通过目视检查需要检查的部位,包括车身外观、车灯、车牌、车窗等是否完好,是否存在损坏和改装等情况。
2.使用仪器检测:通过使用各种专业检测仪器对车辆底盘、发动机、排放情况、车辆灯光、座椅和安全带等进行全面和细致的检测,以确保车辆各项安全技术指标的合格。
3.车辆动态性能测试:通过测试车辆的制动距离、加速性能、悬挂系统的稳定性等,来检验车辆在运行过程中的各项性能指标。
机动车安全技术检验项目和方法不仅在静态方面进行检验,还需要综合考虑车辆的动态性能、驾驶员的驾驶技术水平等因素。
通过全
面的车辆安全技术检验,可以及时发现并排除车辆存在的安全隐患,
提高车辆的整体安全性能,减少交通事故的发生,保障交通运输安全。
机动车安全技术检验项目和方法的不断完善和提高,也是为了达到这
一目的。
一般来说,机动车安全技术检验是由交通管理部门或相关的检测
机构进行的,他们会根据国家法律法规和技术标准,对车辆进行一系
列的检验项目和检验方法。
通过对车辆安全技术的检验,可以使车辆
满足相关安全技术要求,确保人们的行车安全。
另外,机动车安全技术检验也可以通过一些辅助设备和技术手段,如车载监控系统、车载安全预警系统、车联网技术等,来提高检验的
全面性和准确性。
这些技术手段也为机动车安全技术检验带来了更多
的可能性和发展空间。
总的来说,机动车安全技术检验项目和方法的完善和严格执行,
对保障交通安全,减少交通事故具有重要的意义。
随着科技的不断进
步和社会的发展,机动车安全技术检验项目和方法也会不断发展和完善,为人们出行提供更加安全、便捷的交通环境。