木材防腐层检验批质量验收记录(最新版)
- 格式:docx
- 大小:36.81 KB
- 文档页数:3
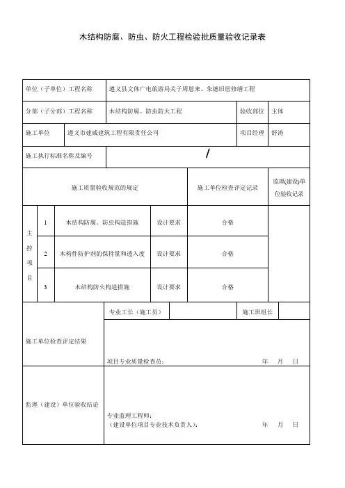
木结构防腐、防虫、防火工程检验批质量验收记录表
GB50206-2002
说明:本检验批全部为主控项目:○1木结构防腐的构造措施符合设计要求。
根据规定和施工图逐项检查防腐的构造措施,符合设计要求。
观察检查,并形成记录。
检查施工单位检查记录。
○2木构件防护剂的保持量和透入度符合规定。
用化学剂或X光衍身检查测各不同树种木构件防护剂的保持量和透入度。
符合设计要求。
形成检测报告编号及结论。
检查试验报告。
○3木结构防火构造措施,符合设计文件要求。
按照设计要求和施工图逐项检查。
防火层达到设计要求的厚度,且均匀。
符合设计要求。
形成检查结果。
观察检查和检查施工单位检查记录。
木结构防腐防虫防火工程检验批质量验收记录项目名称:XXX木结构防腐、防虫、防火工程项目地点:XXX施工单位:XXX公司监理单位:XXX公司验收日期:XXXX年XX月XX日一、检验目的:本次验收旨在确认该木结构防腐、防虫、防火工程的合格性,并验证施工单位所提供的材料、施工工艺、施工质量等是否符合相关标准和规范的要求。
二、检验内容及结果:1.材料验收1.1防腐处理材料根据施工单位所提供的材料清单,经过抽查,确认材料的规格、品牌、数量与合同一致。
所有防腐材料的生产日期未超过6个月,有效期尚未过期。
1.2防虫处理材料施工单位提供的防虫材料符合相关标准,且数量足够。
1.3防火处理材料验收人员抽查了防火涂料样品,经实验室测试,符合相关标准的防火等级要求。
2.施工工艺验收2.1防腐工艺施工单位按照设计要求进行防腐处理,包括清理木结构表面、处理破损、施工涂抹等工艺步骤。
所有工艺步骤符合相关标准和规范的要求。
2.2防虫工艺施工单位按照设计要求进行防虫处理,包括熏蒸、使用防虫药剂等工艺步骤。
所有工艺步骤符合相关标准和规范的要求。
2.3防火工艺施工单位采用了符合相关标准的防火涂料,并按要求进行了涂覆施工。
所有工艺步骤符合相关标准和规范的要求。
3.项目质量验收3.1防腐质量根据木结构防腐的设计要求,验收人员在不同位置进行抽样检测。
检测结果显示,木结构表面防腐层厚度均符合设计要求,没有发现无覆盖或覆盖不完整的情况。
3.2防虫质量通过观察和抽样检测,确认木结构的防虫处理完好,没有发现虫害存在。
3.3防火质量通过实验室测试,防火涂料的防火等级达到设计要求,且涂层粘结牢固。
三、验收结论:根据以上检验内容和结果,经过综合评定,该木结构防腐、防虫、防火工程符合相关标准和规范要求,达到验收标准。
四、存在的问题及处理意见:经过检验,未发现重大问题。
在验收过程中,部分防腐涂料涂层厚度有所不足,建议施工单位进行补涂,确保涂膜的厚度符合要求。
.
..
轻型木结构(规格材、钉连接)工程检验批质量验收记录表
GB50206-2002
编号:001
单位(子单位)工程名称怡海星城二期D区园林景观工程
分部(子分部)工程名称木结构工程子分部验收部位D区下沉广场
施工单位浏阳市镇头建筑园林有限责任公司项目经理陈
分包单位/分包项目经理/
施工执行标准名称及编号《木结构工程施工质量验收规范》GB50206-2002
施工质量验收规范的规定施工单位检查评定记录
监理(建设)单位
验收记录
主
控
项
目
1 规格材应力等级检验第6.2.1条符合设计及规范要求。
2 规格材质量、含水率检验第6.2.2条符合设计及规范要求。
3
检验木基结构板材集中荷载,冲
击荷载和均布荷载试验及结构
胶合板单板的缺陷限值
第6.2.3条符合设计及规范要求。
4 测定普通钉的最小屈服强度第6.2.4条符合设计及规范要求。
一
般
项
目
1 木框架各种构件钉连接第6.3.1条符合设计及规范要求。
施工单位检查评定结果
专业工长(施工员)施工班组长
主控项目全部合格,一般项目满足规范规定要求。
项目专业质量检查员:年月日
监理(建设)单位验收结论
专业监理工程师
(建设单位项目专业技术负责人):年月日。
木材面层检验批质量验收记录(最新版)
概述
该文档旨在记录并审查木材面层检验批的质量验收情况。
本文
档适用于最新版的质量验收要求。
日期
本次木材面层检验批质量验收记录的日期为 [填写日期]。
检验要求
根据最新版的质量验收要求,对木材面层的以下方面进行检验:- 木材表面平整度
- 木材表面疵病
- 木材表面涂层质量
检验过程
本次木材面层检验批的质量验收采用以下步骤进行:
1. 准备所需检验工具和设备。
2. 随机选取 representative 样本进行检验。
3. 检查木材表面平整度,包括使用平直尺和视觉检查等方法。
4. 检查木材表面疵病,如裂纹、破损、黑斑等。
5. 检查木材表面涂层的质量,包括涂层均匀、无脱落等。
6. 根据检验结果判断验收情况。
检验结果
根据本次木材面层检验批的质量验收,以下是检验结果:
- 木材表面平整度:[填写结果]
- 木材表面疵病:[填写结果]
- 木材表面涂层质量:[填写结果]
验收结论
根据本次木材面层检验批的质量验收结果,结论如下:
- 如果检验结果符合最新版质量验收要求,则验收合格。
- 如果检验结果不符合最新版质量验收要求,则验收不合格。
备注
[填写适用的备注,如具体检验方法、限制或特殊说明]
---
以上为《木材面层检验批质量验收记录(最新版)》的内容。
请在每次检验后及时填写并保留该记录,以便审查和追溯。
木材安装检验批质量验收记录1. 检验批基本信息
- 工程名称:[填写工程名称]
- 检验批名称:[填写检验批名称]
- 检验批编号:[填写检验批编号]
- 检验日期:[填写检验日期]
2. 木材供应商信息
- 供应商名称:[填写供应商名称]
- 供应商联系人:[填写供应商联系人]
- 供应商联系方式:[填写供应商联系方式]
3. 验收标准
本次验收按照以下标准进行:
- [填写验收标准1]
- [填写验收标准2]
- [填写验收标准3]
- ...
4. 检验项目及结果
5. 不合格品处理情况
对于不合格的木材,采取以下处理措施:
- [填写处理措施1]
- [填写处理措施2]
- [填写处理措施3]
- ...
6. 验收结果
- 本次验收的木材安装工程经检验符合验收要求。
- 不合格的木材已按照处理措施进行处理。
7. 组长签字:[填写组长姓名]
8. 组员签字:
- [填写组员姓名1]
- [填写组员姓名2]
- ...
- [填写组员姓名n]。
防腐木凉亭检验批质量验收记录一、前言防腐木凉亭是一种常见的户外建筑,其具有美观、耐用等特点,因此备受人们的青睐。
为了保证防腐木凉亭的质量,必须对其进行检验批质量验收记录。
二、检验批质量验收记录1. 检验批名称:防腐木凉亭2. 检验批数量:1个3. 检验时间:2021年6月10日4. 检验地点:某公园内三、检查内容1. 防腐处理情况对防腐木材进行检查,确认其是否经过了正确的防腐处理。
应当符合国家标准GB/T 16243-2009《木材和竹材防腐处理》要求。
2. 构件尺寸检查对各构件进行尺寸检查,确认其是否符合设计要求。
应当符合国家标准GB 50009-2012《建筑结构荷载规范》中有关构件尺寸的规定。
3. 连接件安装情况对连接件进行安装情况检查,确认其是否牢固可靠。
应当符合国家标准GB/T 3098.1-2010《机械性能的一般原则》中有关连接件的规定。
4. 表面处理情况对防腐木凉亭表面进行检查,确认其表面处理是否平整、美观。
应当符合国家标准GB/T 9787-2008《木材表面处理》中有关表面处理的规定。
5. 其他检查对防腐木凉亭其他部分进行检查,确认其是否符合设计要求,是否存在明显缺陷。
四、检验结果1. 防腐处理情况经过检查,该防腐木凉亭的木材经过了正确的防腐处理,符合国家标准GB/T 16243-2009《木材和竹材防腐处理》要求。
2. 构件尺寸检查经过检查,各构件尺寸符合设计要求,符合国家标准GB 50009-2012《建筑结构荷载规范》中有关构件尺寸的规定。
3. 连接件安装情况经过检查,连接件安装牢固可靠,符合国家标准GB/T 3098.1-2010《机械性能的一般原则》中有关连接件的规定。
4. 表面处理情况经过检查,该防腐木凉亭表面处理平整、美观,符合国家标准GB/T 9787-2008《木材表面处理》中有关表面处理的规定。
5. 其他检查经过检查,该防腐木凉亭其他部分符合设计要求,不存在明显缺陷。
防腐木材检验记录检验概述本次检验旨在对防腐木材进行质量检测,确保其符合相关标准和要求。
检验内容包括外观检查、尺寸测量、物理性能测试等。
检验细节1. 外观检查对防腐木材的外观进行仔细检查,包括以下方面:- 表面平整度:检查木材表面是否平整,有无明显凸起或凹陷。
- 颜色一致性:检查木材表面颜色是否均匀一致。
- 油漆涂层:检查油漆涂层是否存在剥落、开裂或脱落现象。
- 疤痕和裂纹:检查木材表面是否有明显疤痕或裂纹。
2. 尺寸测量使用适当的测量工具对防腐木材的尺寸进行测量,包括以下方面:- 长度测量:测量木材的实际长度。
- 宽度测量:测量木材的实际宽度。
- 厚度测量:测量木材的实际厚度。
3. 物理性能测试对防腐木材的物理性能进行测试,包括以下方面:- 弯曲强度测试:使用适当的设备对木材进行弯曲测试,测量其弯曲强度。
- 抗压强度测试:使用适当的设备对木材进行抗压测试,测量其抗压强度。
- 抗拉强度测试:使用适当的设备对木材进行抗拉测试,测量其抗拉强度。
检验结果经过以上的检验,我们得出以下结论:- 外观检查:防腐木材表面平整度良好,颜色一致,油漆涂层无剥落、开裂或脱落现象,无明显疤痕或裂纹。
- 尺寸测量:防腐木材长度、宽度、厚度符合要求。
- 物理性能测试:防腐木材具有足够的弯曲强度、抗压强度和抗拉强度。
结论本次检验证明,所检防腐木材符合相关标准和要求,可以安全使用于相应的工程项目中。
注意:本检验记录仅用于内部参考,不可作为法律依据。
如需使用,请以实际检测报告为准。
木材防腐层检验批质量验收记录(最新版)木材防腐层检验批质量验收记录 (最新版)
1. 检验批信息
- 检验日期: [日期]
- 检验批号: [批号]
- 合同编号: [合同编号]
2. 检验标准
本次检验按照国家标准《木材防腐剂涂料技术要求》执行。
3. 检验方法
- 外观检查:对木材防腐层的颜色、平整度、附着力等进行综合评估。
- 膜厚测定:使用膜厚测量仪对防腐层的厚度进行测量。
- 耐久性测试:将样品置于预定的湿度和温度条件下,观察其抗腐蚀性能。
4. 检验结果
5. 备注
- 样品存放条件符合要求。
- 防腐层的颜色、平整度和附着力良好。
- 防腐层膜厚稳定,达到要求。
- 经耐久性测试,防腐层表现良好,符合要求。
6. 验收结论
本次木材防腐层检验批质量验收结论为合格。
7. 验收人员
- 检验员: [检验员姓名]
- 验收人: [验收人姓名]
8. 签名
- 检验员签名: [检验员签名]
- 验收人签名: [验收人签名]
以上为木材防腐层检验批质量验收记录 (最新版)。