防腐涂料涂装检验批质量验收记录
- 格式:doc
- 大小:17.08 KB
- 文档页数:2
防腐涂料涂装工程检验批质量验收记录一、前言防腐涂料涂装工程检验批质量验收记录是检验防腐涂料涂装工程品质合格与否的关键工作,是确保涂装工程品质的必要环节。
本文档将重点介绍防腐涂料的相关标准及质量验收记录的编写细节。
二、防腐涂料的相关标准1. 涂布厚度:根据涂料的用途不同,涂布厚度也存在不同的标准,例如地面涂料应满足3mm的涂布厚度,集装箱制造所使用的涂料应达到100μm的涂布厚度。
2. 粘合力:粘合力是判定涂料粘附力的重要指标,其数值主要由涂抹基材的粗糙度和表面处理工艺,以及涂布层之间的吸附力所决定。
3. 盐雾试验:防腐涂料主要是应对海洋环境的侵蚀,因此对其耐盐雾性的要求也尤为严格,进行24小时以上的盐雾试验可以对其性能进行评估。
4. UV光照:UV辐射也是影响涂料性能的因素之一,特别是在户外环境下,对UV光照的抵抗能力是非常重要的考核指标。
5. 耐化学腐蚀:在复杂的化学环境中,防腐涂料的耐化学腐蚀性能也是一项需要考虑的问题。
三、质量验收记录的编写细节1. 编写人员应当对验收标准以及涂装工程的质量要求有充分的了解,才可以把握验收中关键的环节。
2. 在执行验收前,应统一意见,确保验收人员对验收要求有相同的理解,这可以避免不必要的讨论和误解。
3. 进行质量验收时,要准备好相关标准文件和技术要求,还要对现场进行严格监督,以避免因操作不当等细节问题而导致验收结果不合格。
4. 在操作过程中,需要注意搜集涂料生产厂家的相关资料,比如产品批次、生产日期等,便于后续的证实和管理。
5. 在记录时,应注明检验涂料的数量、规格和型号等关键数据,以及验收结果的判断标准、合格数量和不合格性质等详细信息。
四、结论防腐涂料涂装工程检验批质量验收记录是规范涂装工程品质的重要步骤,只有制定科学的验收标准,并提出细致的验收要求、认真执行才能对涂装工程的质量进行安全可靠的保证。
我们应该在实践中不断完善这方面的工作,以实现更高水平的涂装工程品质水平。
防腐工程检验批质量验收记录
表6.15.4编号:单位(子单位)
工程名称
分项工程名称
施工单位
施工执行标准
名称及编号
分包单位
施工质量验收规范的规定
电力建设施工质量验收及评定规程第1部分土建工程DL/-2005
分包项目经理
施工单位自检记录
分部(子分部)
工程名称
验收部位
项目经理
专业工长
(施工员)
施工班组长
监理(建设)单位验收记录1
涂料的品种、规格、必须符合设计要求和现行有关标准
性能规定
2涂料的配比
必须符合设计要求和现行有关标准
划定
主
控
3基层表面处理
XXX
目
必须符合现行有关标准规定
4涂料的厚度及遍数必须吻合设计要求
5涂料的外观质量
应喷刷均匀、颜色一致,不应有漏
涂、露底、脱皮等缺点
施工单位
检查结果
项目专业质量检查员:项目专业技术负责人:年月日监理(建设)单位
验收结论
专业监理工程师:。
防腐涂料涂装工程检验批质量验收记录范本一:正式、规范的风格【项目名称】防腐涂料涂装工程检验批质量验收记录1. 项目概述本次检验批质量验收记录适用于防腐涂料涂装工程,旨在对涂装工程的施工质量进行全面的检查与验收。
2. 检验批信息2.1 项目名称:2.2 检验批号:2.3 施工单位:2.4 监理单位:2.5 检验单位:2.6 验收时间:3. 检验内容3.1 原材料验收记录3.2 设备及工具验收记录3.3 施工工艺及操作规程记录3.5 环境及安全保护记录3.6 涂装工程质量检测记录4. 检验结果4.1 原材料验收结果4.2 设备及工具验收结果4.3 施工工艺及操作规程验收结果4.4 防腐涂料涂装工程施工验收结果4.5 环境及安全保护验收结果4.6 涂装工程质量检测结果5. 检验结论根据对以上检验内容的全面检查与验收,结合相关规范及要求,判定本次防腐涂料涂装工程的施工质量达到/未达到要求。
【附件】1. 原材料验收报告2. 设备及工具验收报告3. 施工工艺及操作规程记录5. 环境及安全保护记录6. 涂装工程质量检测报告【法律名词及注释】1. 防腐涂料:指用于保护金属或其他材料表面免受腐蚀的涂料。
2. 施工单位:承担防腐涂料涂装工程施工的企事业单位或个人。
3. 监理单位:负责对防腐涂料涂装工程施工现场进行监督检查的单位。
4. 检验单位:负责对防腐涂料涂装工程进行质量检验的单位。
范本二:简洁、实用的风格【项目名称】防腐涂料涂装工程检验批质量验收记录1. 项目概述本次检验批质量验收记录适用于防腐涂料涂装工程,目的是确保施工质量符合相关规范和要求。
2. 检验批信息施工单位:监理单位:检验单位:验收时间:3. 检验内容3.1 原材料验收记录3.2 设备及工具验收记录3.3 施工工艺及操作规程记录3.4 防腐涂料涂装工程施工记录3.5 环境及安全保护记录3.6 涂装工程质量检测记录4. 检验结果4.1 原材料验收结果4.2 设备及工具验收结果4.3 施工工艺及操作规程验收结果4.4 防腐涂料涂装工程施工验收结果4.5 环境及安全保护验收结果4.6 涂装工程质量检测结果5. 检验结论防腐涂料涂装工程的施工质量:达到/未达到要求。
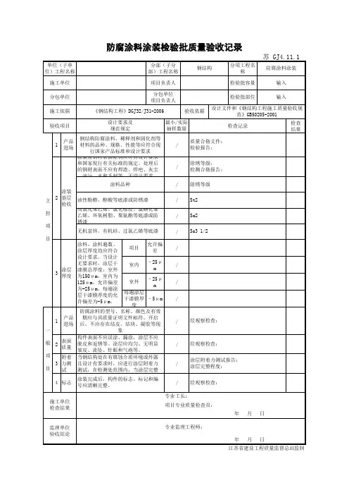
钢结构防腐涂料涂装工程检验批质量验收记录
单位(子单位)工程名称
分项工程名称
验收部位 施工单位 项目经理 分包单位
分包项目经理
施工执行标准名称及编号
《钢结构施工质量验收规范》(GB50205-2002)
施工质量验收规范的规定 施工单位检查评定记录
监理(建设)
单位验收记录 主控
项
目 1
涂料性能
第4.9.1条 √
2 涂装基层验收 第14.2.1条 √
3 涂层厚度 第14.2.2条 √ 一
般项目 1 涂料质量 第4.9.3条 √
2 表面质量 第14.2.3条 √
3 附着力测试 第14.2.4条 √ 4
标志
第14.2.5条
√
施工单位检查评定结果:
主控项目合格,一般项目符合设计要求。
专业质量检查员(签字): 年 月 日
施工单位
监理(建设)单位
施工员(签字) 专业监理工程师/建设单位代表(签字):
年 月 日
技术员(签字) 施工班组(签字)。
防腐涂料涂装检验批质量验收记录一、背景介绍为了确保防腐涂料的涂装质量,保障涂装效果,避免腐蚀和破坏,对于每一批次的涂装工程都需要进行质量验收。
本文将介绍防腐涂料涂装检验批质量验收的记录过程。
二、质量验收内容1.防腐涂料的货物检验:对于防腐涂料的货物进行外观检查和包装检查,确保涂料无明显破损和泄漏。
2.防腐涂料的质量检验:对于涂料样品进行实验室检测,包括固体含量、粘度、干燥时间、膜厚、附着力等指标的测量。
1.货物检验记录:日期:________检查项目:外观检查、包装检查结果:________备注:________2.质量检验记录:日期:________样品编号:________检验项目及要求:固体含量、粘度、干燥时间、膜厚、附着力等检验结果:________备注:________四、质量验收结果根据质量验收记录,结合防腐涂料的质量要求,评估涂装工程的质量。
如果质量验收的结果符合相关标准和要求,则验收结果为合格;如果不符合要求,则验收结果为不合格,并需要采取相应的措施进行整改。
五、质量验收的措施1.合格情况下的处理措施:如验收结果为合格,则继续进行后续的涂装工程,并在涂装完成后记录涂装过程中的关键参数和涂装效果,供后续的质量追溯和分析。
2.不合格情况下的处理措施:-原因分析:对不合格的质量验收结果进行原因分析,找出导致不合格的具体原因;-整改措施:根据不合格原因,采取相应的整改措施,如更换涂料品种、调整涂装工艺、增加涂装层次等;-重新验收:在整改措施实施后,对涂装工程进行重新验收,直到达到合格的标准。
六、质量验收记录的保存所有的质量验收记录应当保存在项目档案中,并及时进行整理和归档。
根据需要,质量验收记录可供后续的质量追溯和分析,以及对涂装工程的评估和改进提供参考。
七、总结防腐涂料的涂装检验批质量验收是确保涂装质量的重要环节,只有通过科学的检验和记录过程,才能保障涂装工程的质量。
上述防腐涂料涂装检验批质量验收记录,可作为参考,根据具体项目的要求进行相应的调整和完善。
防腐涂料涂装检验批质量验收记录填写范本嘿,伙计们!今天我们来聊聊防腐涂料涂装检验批质量验收记录的填写方法。
你们知道吗,这个记录可是个非常重要的家伙,它关系到我们家里的房子能否经得起风吹雨打、日晒雨淋呢!所以,我们可不能马虎大意哦!我们要明确一个概念,那就是防腐涂料涂装检验批。
简单来说,就是把防腐涂料涂在一些物体上,然后进行检验,看看它们是否达到了我们的要求。
这个过程就像我们在考试前做题一样,只有做好了每一道题目,我们才能拿到好成绩。
那么,接下来我们就来看看如何填写这个检验批质量验收记录吧!我们要明确记录的内容。
一般来说,这个记录包括了以下几个方面:1. 检验日期:也就是我们进行检验的具体时间。
这个日期可不能随便写哦,因为它关系到我们的报告是否具有时效性。
所以,我们要确保这个日期是准确无误的。
2. 检验项目:也就是我们进行检验的具体项目。
比如说,我们要检查防腐涂料的涂层厚度、颜色是否均匀等等。
这个项目可是很重要的,因为它直接关系到我们的产品质量。
3. 检验标准:也就是我们进行检验的具体标准。
这个标准可是不能随便写的哦,因为它关系到我们的产品是否符合规定。
所以,我们要确保这个标准是准确无误的。
4. 检验结果:也就是我们进行检验的具体结果。
这个结果可是很关键的,因为它直接关系到我们的产品质量是否达标。
所以,我们要确保这个结果是准确无误的。
5. 结论:也就是我们根据检验结果得出的结论。
这个结论可是很重要的,因为它直接关系到我们的产品质量是否合格。
所以,我们要确保这个结论是准确无误的。
好了,了解了这些内容之后,我们就可以开始填写检验批质量验收记录啦!我们要按照上面的大纲结构,把每一个部分都填写清楚。
然后,我们要注意使用合适的语言和词汇,让这个记录既正式又不失亲切感。
我们要注意检查一遍,确保没有遗漏或者错误。
防腐涂料涂装检验批质量验收记录是我们产品质量的重要保障,我们一定要认真对待哦!希望这篇文章能对大家有所帮助!下次再见啦!。
防腐涂料涂装工程检验批质量验收记录防腐涂料涂装工程是工程建设中的一项非常重要的工作,防腐涂料可以防止铁制材料抗氧化、耐腐蚀和减少磨损,延长设备的使用寿命,减少维修和更换的费用,提高设备的可靠性,因此防腐涂料的涂装尤为重要。
防腐涂料涂装工程检验批的质量验收记录是质量检验的重要环节,它对防腐涂料涂装工程的质量起到了关键的作用。
一、检验前准备工作:在进行防腐涂料涂装工程检验前,需要进行一系列的准备工作,包括工程建设部门做好组织工作,准备检验所需的设备和检验工具,确定检验标准和检验方法等。
同时建设单位应当制定检验委员会,并由检验委员会派出专业技术人员,参与检验。
二、现场检查实施:在检验现场进行实测和检查,主要内容包括清洗涂料完好度、检查涂层厚度、钢材表面密度检验、防腐涂层结合力测试、涂料抗酸碱性测试等。
检验人员应该使用先进的检测设备和工具,并严格按照检验标准和程序进行实测和检查。
三、记录检查内容:检验人员应当将现场的检查和测试结果逐一记录下来,并标注时间、场所、检验项目等信息。
在记录过程中,也应当注意录入所有的数据和测量结果,并及时纠正和更新记录中的错误和遗漏。
四、检验结果评定:对于检查和测试结果,检验委员会应当进行统计和评估,并报告建设单位。
评估的结果应当与预设的技术标准进行比较,确认是否达到规定的标准要求。
五、检验报告输出:最后,检验人员应当编制防腐涂料涂装工程检验报告,包括经过检查和测试的设备、涂层的具体情况,涂层厚度和密度、涂料抗酸碱性测试及结合力测试等检验项目的数据和测量结果,以及评估结果。
同时,也应当针对发现的不足和缺陷提出具体的整改措施,确保工程的质量达到标准要求。
综上所述,防腐涂料涂装工程检验批质量验收记录是建设工程质量的重要环节,涉及到建设单位的经济利益和整个工程的可靠性。
因此,只有对防腐涂料涂装工程进行科学规范的质量验收才能最大限度地提高工程的质量,确保工程设备寿命长、运转安全可靠,减少设备损坏和更换的费用。
《防腐涂料涂装检验批质量验收记录》表格示例及填写说明【规范名称及编号】《钢结构工程施工质量验收规范》(GB50205-2001)【条文摘录】摘录一:14.1.2钢结构涂装工程可按钢结构制作或钢结构安装工程检验批的划分原则划分成一个或若干个检验批。
摘录二:4.9涂装材料主控项目4.9.1钢结构防腐涂料、稀释剂和固化剂等材料的品种、规格、性能等符合现行国家产品标准和设计要求。
检查数量:全数检查。
检验方法:检查产品的质量合格证明文件、中文标志及检验报告等。
一般项目4.9.3防腐涂料和防火涂料的型号、名称、颜色及有效期应与其质量证明文件相符。
开启后,不应存在结皮、结块、凝胶等现象。
检查数量:每种规格抽查5%,且不应少于3桶。
检验方法:观察检查。
14.2钢结构防腐常涂料涂料主控项目14.2.1涂装前钢材表面除锈应符合设计要求和国家现行有关标准和规定。
处理后的钢材表面不应有焊渣、焊疤、灰尘、油污、水和毛刺等。
当设计无要求时,钢材表面除锈等级应符合表14.2.1的规定。
检查数量:按构件数量抽查10%,且同类构件不应少于3件。
检验方法:用铲刀检查和用现行国家标志《涂装前钢材表面锈蚀等级和除锈等级》GB8923规定的图片对照观察检查。
14.2.2漆料、涂装遍数、涂层厚度均应符合设计要求。
当设计对涂层厚度无要求时,涂层干漆膜总厚度:室外应为15um,室内应为125 um,其允许偏差- 25um.每遍涂层干漆膜厚度的允许偏差-5 um。
检查数量:按构件数抽查10%,且同类构件不应少于3件。
检验方法:用干漆膜测量厚仪检查。
每个构件检测5处,每处的数值为3个相距50m m测点涂层干漆膜厚度的平均值。
一般项目14.2.3构件表面不应误漆、漏涂,涂层不应脱皮和返锈等。
涂层应均匀、无明显皱皮、流坠、针眼和气泡等。
检查数量:全数检查。
检验方法:观察检查。
14.2.4当钢结构处在有腐蚀介质环境或外露且设计有要求时,应进行涂层附着力测试,在检测处范围内,当涂层完整程度达到70%以上时,涂层附着力达到合格质量标准的要求。
涂料防腐蚀工程检验批质量验收记录日期:[填写日期]工程名称:[填写工程名称]工程地点:[填写工程地点]一、前言二、检验批情况1.检验批数量:[填写检验批数量]2.检验批编号:[填写检验批编号]3.涂料品种及规格:[填写涂料品种及规格]4.施工单位:[填写施工单位]5.检验人员:[填写检验人员]三、质量验收内容1.外观检查在本次质量验收中,对涂料防腐蚀层的外观进行了检查。
检查结果如下:-涂料层的颜色均匀,无色差。
-涂料层无泡孔、起皮、剥落等现象。
-涂料层表面平整、光洁。
2.厚度测量使用涂料厚度测量仪对涂料层的厚度进行了测量。
测量结果如下: -涂料层的平均厚度为[填写测量结果]。
-最小厚度为[填写测量结果]。
-最大厚度为[填写测量结果]。
3.粘结强度测试对涂料层的粘结强度进行了测试。
测试结果如下:-粘结强度测试值为[填写测试结果],符合设计要求。
4.化学性能测试进行了涂料防腐蚀层的化学性能测试。
测试结果如下:-抗盐雾腐蚀性能测试:[填写测试结果]-抗腐蚀性能测试:[填写测试结果]四、质量验收结果本次涂料防腐蚀工程的检验批质量验收结果如下:1.检验批合格数量:[填写合格数量]2.检验批不合格数量:[填写不合格数量]3.检验批合格率:[填写合格率]五、存在的问题及处理措施在质量验收过程中,发现了以下问题:1.[填写存在的问题1]处理措施:[填写处理措施1]2.[填写存在的问题2]处理措施:[填写处理措施2]六、其他事项[填写其他需要补充的事项]七、结论本次涂料防腐蚀工程的质量验收结果显示,大部分检验批合格,但存在少量不合格问题。
通过处理措施的执行,相信可以解决存在的问题,并确保工程的质量达标。
质量验收人员签字:[填写质量验收人员签字]。