铝镁锰板尺寸规格
- 格式:docx
- 大小:1.26 MB
- 文档页数:2
铝镁锰矮立边屋面系统,使用专门的立边和自动咬合设备,将两块沿铝镁锰板条长度方向整体向上立边的预制型板块,通过双重折边锁定而使屋面连接成为一个整体。
这种源于锌和铜板传统技术的接口方式,具有以下特点:a.典雅美观,屋面线条纤细并且不影响屋面设计效果;b.整体结构性防水、排水功能;c.结构简洁、轻巧、安全,在台风、暴雨地区尤其适用;d.采用自动控制机械施工,安装灵活、快速、精确、经济。
铝镁锰板块的咬合方式为立边单向双重折边并依靠机械力量自动咬合,板块吻合紧密,水密性强,能有效防止毛细雨入侵。
无须化学嵌缝胶密封防水,免除胶体老化带来的污染和漏水问题。
铝镁锰板块与支承层连接采用隐藏式不锈钢扣件,立边咬合后的铝镁锰板表面无任何影响屋面板防水性能的穿孔和螺钉外露。
不锈钢扣件包括固定扣件和滑动扣件,固定扣件固定板块,滑动扣件与纵向钛锌金属屋面板块同步位移,这样一来形成的连接方式可解决因热胀冷缩所产生的板块应力,制作纵向超长尺寸屋面时,板块再采用台阶式构造分段搭接,从而彻底改变大面积铝镁锰屋面都会存在的温差变化带来的屋面膨胀,不会因铝镁锰板块应力影响造成屋面的涨裂、变形和磨板。
同时,本矮立边屋面系统完整齐全的附件供应可满足各种建筑形式的要求。
矮立边屋面系统有很好的收边收口处理,流线型的收边收口,增添了建筑的外观美感,使本来巨型的屋面进一步突出轻盈飘逸的效果。
特有的系统构造设计一贯保持仿生态设计的原则,通过屋面体系的通风层体设计和台阶式构造以及檐口设计,保持建筑物有机地呼吸循环,使整体结构长期自然干燥,从而提高建筑物整体结构体系的使用寿命和价值。
适合的屋面板材料:铝镁锰板、铜板;适用板材厚度:0.6mm-0.8mm,一般为0.7mm;立边高度:25mm-35mm;屋面立边距:标准板430mm、530mm,异型板100mm-600mm。
河南帷顶金属材料有限公司是集材料销售、金属屋面、墙面工程施工于一体的高新技术企业,公司致力于为新建各类钢结构大跨度建筑、民用建筑提供金属屋面、墙面提供解决方案。
目前市场上常见的锌铝镁彩钢板型号有很多种,具体选择哪种型号需要根据使用需求和项目要求来确定。
以下是几种常见的锌铝镁彩钢板型号:
1. AZM150:这是一种常见的锌铝镁彩钢板型号,其涂层规格为锌铝镁合金,镀锌层重量为150克/平方米。
它具有较高的耐腐蚀性能和抗紫外线能力。
2. AZM275:这是另一种常见的锌铝镁彩钢板型号,其涂层规格为锌铝镁合金,镀锌层重量为275克/平方米。
相比AZM150,它具有更高的耐腐蚀性能和更长的使用寿命。
3. AZM450:这是一种高性能的锌铝镁彩钢板型号,其涂层规格为锌铝镁合金,镀锌层重量为450克/平方米。
它具有出色的耐候性、耐腐蚀性和抗紫外线能力,适用于特殊环境和要求更高的项目。
除了以上几种常见的型号,还有其他不同规格和涂层厚度的锌铝镁彩钢板可供选择。
在选购时,建议根据具体项目需求和预算,咨询专业厂家或供应商,以获得最合适的型号。
1。
铝镁锰铝镁锰铝镁锰合金介绍:铝金属通过电解作用从自然界中提炼出来,再通过熔炼分别配以定量的铜、锰、镁、硅、锌等元素形成多种多样的合金,可获得能满足各种不同需要的机械和物理性能。
目前规定了从1000到9000共九个系列的变形铝合金,分别应用于消费品、航空航天、建筑、包装、交通运输、电气设备等各个方面。
符合DIN1725标准所规定的3004合金,其具有质轻、结构强度适中、耐候、耐渍,易于加工和焊接,正常气候环境(空气污染严重除外下使用寿命可达50年,其再欧美等国建建筑上早已广泛应用,在近几年在国内建筑的使用中得到了认可和肯定,为现代建筑向舒适、耐久、轻型、经济、环保等方向发挥了重要的作用。
铝镁锰合金的性能铝镁锰合金的性能::屋面和墙面所用铝镁锰合金板常用厚度有0.7mm、0.8mm、0.9mm、1.0mm1.2mmmm等规格,密度为2.73g/cm 3,抗拉强度>225Mpa,屈服强度>190Mpa,延伸率>3%,基材膨胀系数23x10-6。
铝镁锰合金的特点铝镁锰合金的特点::1、重量轻,密度为2.73g/cm 3,只有刚的1/3.2、抗拉强度是普通铝的 2.5倍,铝合金中含有一定的镁和锰,使其具有一定的强度和刚度。
3、耐腐蚀;与大气形成氧化铝薄膜,防止被进一步腐蚀。
4、外观表面处理多样、美观:可进行锤纹、阳极氧化、电泳、化学处理、抛光、涂漆处理。
5、可塑性好,易加工,适合各种建筑金属屋面和金属幕墙。
6、良好的导电性:厚度一般为0.7〜0.9mm的铝镁锰,可直接作防雷接闪器(国家规范《建筑防雷设计规范》GB 50057,但应避免在屋面穿孔。
7、优越的电磁波屏蔽性能,使人体大脑不受到伤害。
8、不释放有害毒素,是理想的环保材料。
9、回收利用价值很高,长期使用成本较经济,节约自然资源。
9、利于消防:熔点低(660摄氏度,发生火灾时,屋面易被烧穿,使火势向外蔓延,而不向内横向蔓延,有助于消防人员从顶部灌水灭火,到A 1级防火标准。
铝镁锰屋面板是由铝、镁、锰三种合金组成的合金材料,兼具强度高、韧性好、抗腐蚀耐老化等优点。
其由于结构强度适中、耐候、耐渍、易于折弯焊接加工等优点,具有无可比拟的性价比,被普遍认可作为建筑设计使用寿命50年以上的屋面、外墙材料。
铝镁锰为代表的铝材料在建筑行业中被广泛用作外墙和屋面,主要有两种型号:
一、直立锁边铝镁锰板
(1)型号:65-420/425/430/500/600
(2)形状:扇形板正弧扇形板、反弧扇形板直板、正弧直板、反弧直板。
(3)结构:标准型、多功能型、大跨度型。
二、立边咬合铝镁锰板
(1)型号:25-330/430/530
(2)形状:正弧板、圆弧板、扇形板。
(3)结构:简洁型、简约型、集约型。
目前,市场上铝镁锰板的价格大概在60元左右/平方米,便宜点的在20元左右/平方米。
不同类别的铝镁锰板,价格也是不尽相同。
铝镁锰板的价格受多方面影响,如品牌、类别、规格、市场等。
在选择购买之前,多方面地进行了解和对比是非常有必要的。
河南帷顶金属材料有限公司是集材料销售、金属屋面、墙面工程施工于一体的高新技术企业,公司致力于为新建各类钢结构大跨度建筑、民用建筑提供金属屋面、墙面提供解决方案。
屋面铝镁锰板构造做法屋面铝镁锰板是一种种新型建筑材料,因其轻便、强度高、防腐性能好和施工方便等优点,已经被广泛应用于工业、农业、商业和民用建筑等领域。
屋面铝镁锰板的构造做法非常重要,对其性能和使用寿命有着直接的影响。
一、材料选择屋面铝镁锰板的构造做法首先需要进行材料选择。
一般来说,该材料可以选择0.7厚度的铝锰镁合金板作为骨架材料,厚度为50mm左右的岩棉板或聚氨酯板作为隔热层,还需要选择不同规格的铁钉或自攻螺钉等配件。
二、构造做法1、搭建骨架:首先需要在屋面铝镁锰板上安装构架,构架一般采用40*40或50*50的角钢,间距一般为600mm左右。
在角钢上连接钢梁或钢管,保证构架的刚度和稳定性。
2、安装隔热层:选用岩棉板或聚氨酯板作为隔热层,将其嵌入到构架之间,用钢丝固定。
同时,隔热层的边缘需要保持平直,不留缝隙,以确保隔热层的完整性和协调性。
3、安装屋面铝镁锰板:将屋面铝镁锰板铺在隔热层之上,利用铁钉或自攻螺钉将其固定在构架之上。
在铝镁锰板之间留有2mm左右的间隙,以便其在温度变化时能膨胀和收缩,避免变形和开裂。
4、处理角部和水部:在角部和水部,需要利用特殊的角码和水槽等配件进行处理,以确保屋面的整体平顺和协调性。
三、施工要点1、施工前需要对材料进行检验,确保质量达标。
2、施工过程中需要注意安全,佩戴安全防护用品。
3、在构架的制作中,需要对角钢的质量进行检查,确保刚度和稳定性。
4、在隔热层的安装中,需要注意岩棉板或聚氨酯板的选择和处理,以确保隔热层的密实性和保温性。
5、在铝镁锰板的安装中,需要注意板与板之间的间隙和固定方式,以确保外观和性能的完整性。
以上就是屋面铝镁锰板构造做法的主要内容,希望对您有所帮助。
铝镁锰板知识直⽴锁边铝镁锰合⾦屋⾯板系列介绍在铝镁锰合⾦屋⾯板中主要分为直⽴双锁边和直⽴单锁边即25波⾼和65波⾼⼆种⾦属屋⾯,65波⾼的铝镁锰合⾦屋⾯板。
直⽴单锁边合⾦屋⾯是采⽤国外对建筑体系简洁,美观的设计理念⼆来的,相⽐于25波⾼的铝镁锰合⾦屋⾯板来说65波⾼的屋⾯板施⼯更快,更⽅便,雪负载和风负载能⼒更强。
65波⾼铝镁锰合⾦屋⾯板主要特点是质量轻,耐腐蚀性好,寿命长等。
产品系列主要分为yx65-300,yx65-400,yx65-430及yx65-500.,这⾥的300,400,430,500指的是其成型后的有效宽度,它们的展开宽度依次是475mm,575mm,600mm,675mm。
市场上⽤的最⼴泛的应属yx65-430屋⾯板了,不仅是因为其利⽤⾯积宽,价格实惠主要原因是430型屋⾯板可以满⾜施⼯⽅对铝镁锰⾦属屋⾯板性能的要求。
直⽴锁边屋⾯配件T型⽀座也叫铝合⾦⽀座,是由铝合⾦制造,常⽤规格是75mm,110mm,165mm等(⽀座的⾼度是由保温棉⾼度和铝镁锰合⾦板肋⾼决定的,即H=H1+H2,H为铝合⾦⽀座的⾼度,H1为保温棉⾼度,H2为铝镁锰板肋⾼)。
T型⽀座的种类也是⽐较多的,除了T型外,常⽤的有异性⽀座,太阳能⽀座等。
铝合⾦⽀座在整个屋⾯系统中主要起⽀撑屋⾯板的作⽤(即将铝镁锰⾯板直接扣在T型⽀座上,再⽤咬合机要紧即可。
)它⽐普通屋⾯的安装更科学,防⽔效果更好。
T型⽀座的安装:其是通过螺钉直接固定在檩条上的,在固定⽀座时时应该确保与檩条垂直,⽀座与⽀座间确保平⾏。
铝合⾦⽀座安装时间距的选择是有铝镁锰合⾦屋⾯板的宽度觉得的(如yx65-430型铝镁锰板其⽀座间距应为430mm。
上下间距为1000mm~1500mm,设计标准为1200mm。
)系统采⽤直⽴锁边形式对压型板进⾏固定。
这种固定⽅式属于浮滑式设计理念,即屋⾯板可以在固定⽀座上⾃由滑动,完全消除⾦属热胀冷缩的影响。
同时这种固定⽅式使整个系统没有⼀粒穿透屋⾯的螺钉,使屋⾯防⽔、抗风、耐腐蚀。
铝镁锰板铝镁锰板的简介铝镁锰板是一种极具性价比的屋面、外墙材料。
铝合金在建筑业中得到广泛的应用,为现代建筑向舒适、轻型、耐久、经济、环保等方向发展发挥了重要的作用。
AA3004铝镁锰合金(AlMg1Mn1)由于结构强度适中、耐候、耐渍、易于折弯焊接加工等优点,被普遍认可作为建筑设计使用寿命50年以上的屋面、外墙材料;因应海洋性气候建筑设计,可选用耐腐蚀性能更强的5052船舶级铝合金材料。
铝镁锰板的特点1.重量轻;铝的密度为2.73g/m3,只有钢的1/3。
2.强度高;通过成份配置、加工和热处理方法可以达到很高的强度。
3.耐腐蚀;具有自我防锈能力,形成的氧化层,可防止金属氧化锈蚀,耐酸碱性好。
4.表面处理多样、美观。
可进行阳极氧化、电泳、化学处理、抛光、涂漆处理。
5.可塑性好,易加工;6.良好的导电性能。
非磁化和低电火花敏感度,可以防电磁干扰和降低特殊环境下的易燃性。
7.安装方便;铝金属可以铆接、焊接、胶粘等多种方式连接。
8.环保,100%可循环回收利用。
铝镁锰板的种类A、原色锤纹 Stucco(无规则压纹)、Emboss(规则压纹)锤纹的主要目的:1、增加铝镁锰板刚度;2、防止光污染;3、更加均匀的氧化;B、烤漆涂层(PVDF、PVF2、PE)屋面及外墙用铝镁锰合金一般采用预滚涂(Coil Coated)工艺,具有色差控制好、漆膜均匀、质量稳定性高、环保等优点。
涂层种类一般选用含氟碳树脂70%以上的PVDF氟碳漆,倍安捷公司可以提供包括:RAL、NCS、PANTONE在内的国际色系以供用户选择,亦可根据客户需要配制任何颜色。
直立锁缝铝镁锰屋面板
—山东万事达直立锁缝铝镁锰屋面板规格简介
直立锁缝铝镁锰屋面板属于铝镁锰屋面板的一种,由于其柔软可塑,可做成铝镁锰扇形板,铝镁锰弧型板等,极大的满足了金属屋面对美观和耐久性的设计需求,因此被广泛应用在体育场馆金属屋面, 机场金属屋面,剧院金属屋面,高端厂房金属屋面,城市地标性建筑,民用建筑等大型建筑物的金属屋面上。
铝镁锰合金与彩钢板性能对比
直立锁缝铝镁锰屋面系统
WISKIND-stitch 铝镁锰屋面系统 板型
造型
结构
内部结构介绍
防水透气层:
铺在建筑围护结构保温(隔热)层之外的一层功能膜,适用于幕墙、压型钢板、钢(木)结构、砌体等复合型外墙和坡屋面。
通过对围护结构保温(隔热)层的包覆,减少水和空气对建筑的渗透,同时又使维护结构及室内潮气得以排出,有效避免霉菌和冷凝水灾墙体及屋面中的生成,保证保温(隔热)材料的效能发挥,从而达到节能,提高建筑耐久性的作用。
防潮隔汽层:
隔汽膜用于墙体或屋面保温层的内表面,其不透汽,可阻止室内水蒸气向围护结构内渗透,从而有效地保证保温材料的保温性能及结构的耐久性。
保温层隔热层:
热导系数小于等于0.058的玻璃棉毡和热导系数小于等于0.044的岩棉板,二者的燃烧性能都为不然。
冲孔吸音板
具有吸收杂音、噪音的效果。
铝镁锰板板型铝镁锰板板型铝镁锰板是一种高强度合金板材,其具有优异的耐腐蚀性、机械性能和成形性能。
通常用于建筑、航空航天、交通运输、军事等领域。
铝镁锰板有多种板型,包括平板、波形板、拱形板等,不同的板型适用于不同的应用场景。
平板平板是铝镁锰板的一种常见型号,其表面呈平坦状态,无任何凸起和凹陷。
平板通常用于建筑、汽车、火车等领域,常用于制作车身板、车顶板、钣金等。
波形板波形板是铝镁锰板的一种特殊型号,其表面呈现出波浪形状。
波形板具有较好的刚性和强度,可以承受较大的荷载。
因此,波形板广泛应用于建筑、屋顶、墙体、厂房等领域,由于其耐腐蚀、防水、防火等特性,被越来越多的人们所接受和使用。
拱形板拱形板是一种特殊的铝镁锰板型号,其横截面成拱形状,具有较高的桁架强度和稳定性。
拱形板通常用于建筑、交通运输、地下室、河道挡板等领域,常用于制作车站候车亭、隧道内壁等。
不同的板型具有不同的特点和应用场景,选择适合的板型可以提高使用效果,并能够帮助我们更好的发挥铝镁锰板的优异性能。
选择正确的铝镁锰板型如何选择合适的铝镁锰板型号?这需要我们对板材的性能和应用场合有一定的了解。
1.考虑板材的强度和刚性不同的板型具有不同的强度和刚性,可以根据具体应用场景选择合适的板型。
如果需要承受较大的荷载,可以选择强度和刚性较高的板型,如波形板、板梁等;如果需要应用于轻型建筑、广告牌等场合,可以选择强度和刚性较低的板型,如平板、细格网板等。
2.考虑板材的防腐性能铝镁锰板由高纯度的铝、镁、锰等合金材料制成,具有良好的防腐性能,不易受到化学腐蚀和氧化破坏。
但不同的板型对防腐性能的要求不同,如波形板在使用过程中较易积水,需要选择具有良好的防水性能的铝镁锰板材,以防止铝镁锰板受到潮湿的影响。
3.考虑板材的成本和加工难度不同的板型制作方法和难度都不同,需要根据需求和成本选择适合的板型。
如板梁和板筋加工难度较大,需要较长的加工时间和高超的加工技术,因此成本会比较高。
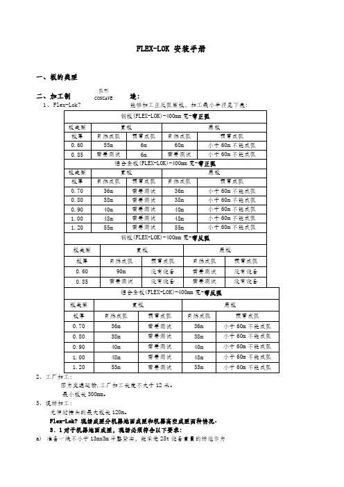
FLEX-LOK 安装手册一、板的类型二、加工制造:1、Flex-Lok?能够加工正反弧型板,加工最小半径见下表:2 因为交通运输,工厂加工长度不大于12米。
最小板长300mm 。
3、现场加工:无伸缩接头的最大板长120m 。
Flex-Lok? 现场成型分机器地面成型和机器高空成型两种情况。
3.1对于机器地面成型,现场必须符合以下要求:a) 准备一块不小于13mx3m 平整坚实,能承受25t 设备重量的场地作为弧形 CONCAVEFlex-Lok?机器生产用地,以及相应的放置出料台的场地,出料台场地的长度应和所生产的板的长度一致。
b)现场要有足够的场地用以堆放Flex-Lok?成品,钢板重叠堆放时,每叠不超过10片,且必须放在枕木上,枕木间隔在2m左右。
产品上严禁踩踏或放置其他重物,如果下雨,建议加盖防水雨布。
c)现场需有5t叉车或合适的吊机跟随作业,用以上钢卷用,场地上方应无高压线或其他输电线。
d)现场要有合适的道路、场地、空间等供机器运输,装卸等作业。
e)如果是由发电机供电,发电机组必须有良好的接地和漏电保护装置。
f)Flex-Lok?板每次只能搬运一片,每隔5m应有一人,要走直线,并由领队来协调动作,避免在搬运过程中出现弯折而损坏产品。
g)产品堆放地附近不应由其它裸露钢材,如钢筋、角钢等。
以避免这些钢材上的锈蚀物飘落到成型板上,形成表面腐锈,影响质量。
h)堆放好的产品应及时加以捆扎,以免被大风吹走。
捆扎材料禁用铁丝、铅丝类材料,建议用合适的软绳或麻绳等。
3.2、对于机器高空成型,现场必须符合以下要求:a)准备好一个能承受40t设备重量的高空作业平台,该平台的设计、制作、安装都必须是由具有资质的单位进行(见下图)。
在平台安装完毕后,应由相关人员进行验收认可,同时在整个使用期间,由相关人员对平台进行跟踪监测并做好记录。
安装支架平台b)现场需有合适的吊机跟随作业,用以上钢卷用,场地上方应无高压线或其他输电线。
铝镁锰合金金属屋面施工方案目录第一章工程概况 (1)第二章编制依据 (2)第三章施工计划 (3)第四章施工工艺技术 (6)第五章施工安全保证措施 (19)第六章施工管理及作业人员配置和分工 (26)第七章验收要求 (29)第八章应急处置措施 (32)第九章质量保证措施 (34)第一章工程概况一、工程概况二、分项概况空港新城企业总部项目企业活动中心金属屋面板工程,为人字型屋面,角度约为28°,金属屋面面积约为1700平方米,本工程屋面板选用1mm厚 65/430型直立锁边铝镁锰合金板,底板选用0.6mm厚穿孔压型钢板。
第二章编制依据《金属屋面工程技术规范》GB50345-2012《金属与石材幕墙工程技术规程》JGJ133-2013《建筑设计防火规范》GB50016-2014《建筑抗震设计规范》GB50011-2010《建筑防雷设计规范》GB50057-2010《钢结构设计规范》GB50017-2017《建筑结构荷载规范》GB50009-2012《建筑物防雷设计规范》GB50057-2010《铝合金建筑型材》GB/T5237-2004《碳素结构钢》GB700-2006《低合金高强度结构钢》GB/T1591-2018《铝及铝合金板材》GB/T3880-2012《建筑用铝型材铝板氟碳涂层》JGT133-2016《建筑用硅酮结构密封胶》GB16776-2015《建筑外墙外保温用岩棉制品》GB/T25975-2010第三章施工计划第一节主要劳动力投入计划根据本工程的特点,我公司将以最大的投入来保证工期的要求,完全配合业主的工期要求和工期计划。
针对本工程的施工要求,本工程施工可以划分为两个施工阶段:一是施工准备阶段,这阶段主要是材料采购、工厂加工等,现场投入的人主要是配合前期施工单位施工,和为后期进入现场施工做好准备;二是进场施工阶段,这阶段主要是施工队伍进场施工。
本工程各个施工点相对比较集中,工期紧,各个施工点的作业程序相对比较单一,各工种的配合需要灵活机动,交叉作业。
铝镁锰板目录铝镁锰板的简介万事达铝镁锰屋面系统(20张)铝镁锰板是一种极具性价比的屋面、外墙材料。
铝合金在建筑业中得到广泛的应用,为现代建筑向舒适、轻型、耐久、经济、环保等方向发展发挥了重要的作用。
AA3004铝镁锰合金(AlMg1Mn1)由于结构强度适中、耐候、耐渍、易于折弯焊接加工等优点,被普遍认可作为建筑设计使用寿命50年以上的屋面、外墙材料;因应海洋性气候建筑设计,可选用耐腐蚀性能更强的5052船舶级铝合金材料。
铝镁锰板的特点1.重量轻;铝的密度为2.73g/m3,只有钢的1/3。
2.强度高;通过成份配置、加工和热处理方法可以达到很高的强度。
3.耐腐蚀;具有自我防锈能力,形成的氧化层,可防止金属氧化锈蚀,耐酸碱性好。
4.表面处理多样、美观。
可进行阳极氧化、电泳、化学处理、抛光、涂漆处理。
5.可塑性好,易加工;6.良好的导电性能。
非磁化和低电火花敏感度,可以防电磁干扰和降低特殊环境下的易燃性。
7.安装方便;铝金属可以铆接、焊接、胶粘等多种方式连接。
8.环保,100%可循环回收利用。
A、原色锤纹 Stucco(无规则压纹)、Emboss(规则压纹)锤纹的主要目的:1、增加铝镁锰板刚度;2、防止光污染;3、更加均匀的氧化;B、烤漆涂层(PVDF、PVF2、PE)屋面及外墙用铝镁锰合金一般采用预滚涂(Coil Coated)工艺,具有色差控制好、漆膜均匀、质量稳定性高、环保等优点。
涂层种类一般选用含氟碳树脂70%以上的PVDF氟碳漆,倍安捷公司可以提供包括:RAL、NCS、PANTONE在内的国际色系以供用户选择,亦可根据客户需要配制任何颜色。
铝镁锰板的用途广泛应用于机场航站楼、飞机维修库、车站及大型交通枢纽、会议及展览中心、体育场馆、展示厅、大型公共娱乐设施、公共服务建筑、大型购物中心、商业设施、民用住宅等建筑屋面与墙面系统。
压型金属屋面系统常用的是铝锰镁合金3004和3005,这两种合金中除了含锰(1.0-1.5%)以外,还添加了一定量的镁金属,使得抗拉强度、屈服强度和延展性都得到了提高,非常适用于屋面系统所用的卷边和滚压设备的加工。
铝镁锰板作为建筑材料,具有防水,美观和耐用的良好性能,在大型工业,商业等很多行业作为屋面板的重要材料采用。
现在的建筑形状不同,构造不同,自然会采用不同规格的铝镁锰屋面板来使用,不同规格之间的屋面板,其承载能力,厚度,隔音能力等都不相同,那么它有哪些规格呢?
一、铝镁锰屋面板标准规格:120毫米×3000毫米、120毫米×4200毫米、200毫米×4200毫米。
二、其他规格:外型尺寸根据实际使用要求确定,单板跨度9米。
三、铝镁锰屋面板芯板厚度一般为100毫米~140毫米,可根据不同保温及隔声要求进行设计。
四、边肋高度一般为120毫米~350毫米,可根据不同荷载及单板跨度进行设计。
五、常用铝镁锰屋面板的厚度:0.7-1.2mm,很多工程都是取中间值为:
0.9mm。
铝镁锰板厚度的选择主要看设计的跨度和荷载,通过计算公式验算,千万不要盲目施工。
在金属屋面系统中,节点的处理,非常重要,决定了后期屋面的综合性能,防风,防水,防雷,以及使用寿命。
河南帷顶金属材料有限公司是集材料销售、金属屋面、墙面工程施工于一体的高新技术企业,公司致力于为新建各类钢结构大跨度建筑、民用建筑提供金属屋面、墙面提供解决方案。