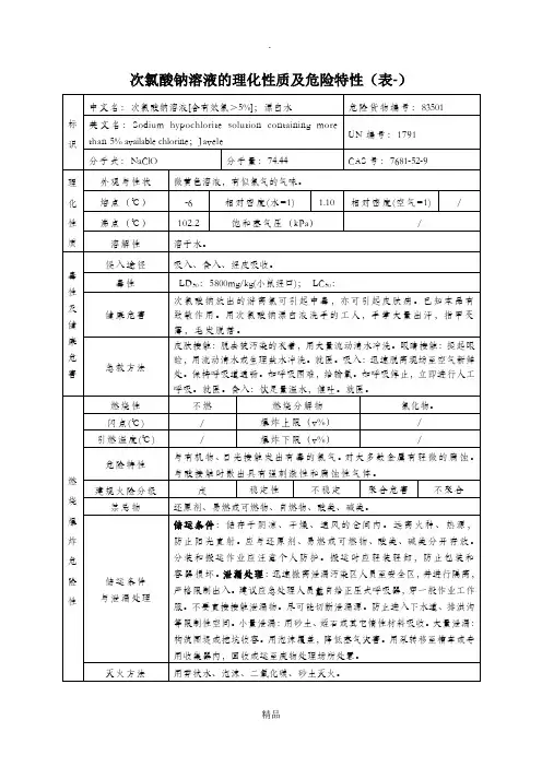
次氯酸钠溶液的理化性质及危险特性(表-)
- 格式:doc
- 大小:32.50 KB
- 文档页数:2
次氯酸钠溶液的毒理学特性及危险特征
(表-)
次氯酸钠溶液的毒理学特性及危险特征
1. 毒理学特性
次氯酸钠溶液是一种具有一定毒性的化学物质。
以下是其主要毒理学特性:
- 刺激性:次氯酸钠溶液具有刺激性,可能引起眼睛和皮肤的刺激症状,如痛感、红肿和烧灼感。
- 吸入毒性:吸入次氯酸钠溶液的蒸汽或雾气可能引起呼吸道刺激,导致呼吸困难、咳嗽和胸闷等症状。
- 摄入毒性:误食或摄入次氯酸钠溶液可能对消化系统造成刺激,并引起腹痛、呕吐和腹泻等不适。
- 急性毒性:高浓度的次氯酸钠溶液可导致严重的化学灼伤和腐蚀伤害,甚至可能导致生命危险。
2. 危险特征(表)
请注意:以上内容仅为次氯酸钠溶液的一般毒理学特性和危险特征介绍,并非详尽无遗的描述。
在处理或使用次氯酸钠溶液时,请始终遵循相应的安全操作指南,确保人员安全和环境保护。
次氯酸钠溶液的爆炸性质及风险特征(表-)次氯酸钠溶液的爆炸性质及风险特征简介本文档旨在探讨次氯酸钠溶液的爆炸性质以及相关的风险特征。
次氯酸钠溶液是一种常见的化学物质,在许多领域中被广泛使用,包括消毒剂、漂白剂和水处理剂等。
然而,由于其特殊的性质和潜在的危险性,我们需要了解其爆炸性质和相应的风险特征。
爆炸性质次氯酸钠溶液在某些条件下可能具有爆炸性质。
以下是一些可能导致爆炸的因素:1. 高温和高压:在高温和高压条件下,次氯酸钠溶液可能发生剧烈的爆炸。
2. 不当的混合:次氯酸钠溶液与某些特定的物质(如酸性物质)混合时,可能会引发爆炸反应。
3. 光敏性:部分次氯酸钠溶液对光线敏感,当暴露在光线下时,可能会发生爆炸。
风险特征了解次氯酸钠溶液的风险特征对于确保安全非常重要。
以下是一些风险特征的示例:1. 腐蚀性:次氯酸钠溶液具有腐蚀性,可能对皮肤、眼睛和呼吸系统造成损害。
2. 氧化性:次氯酸钠溶液具有氧化性,可能引发燃烧或加剧火灾。
3. 毒性:过量接触次氯酸钠溶液可能引起中毒反应,对健康造成危害。
风险管理措施为了减少次氯酸钠溶液的爆炸风险和相关的危害,以下是一些风险管理措施的建议:1. 储存和使用:遵守储存和使用次氯酸钠溶液的安全操作规程,确保其与其他化学物质分开储存,并保持干燥和通风良好的环境。
2. 防护设备:使用适当的个人防护设备,如手套、眼镜、面罩等,以减少与次氯酸钠溶液接触时的危险。
3. 废物处理:正确处理次氯酸钠溶液废物,遵守相关的环境法规和安全准则。
请注意,本文档仅提供对次氯酸钠溶液爆炸性质和风险特征的简要介绍,如果需要更详细的信息或深入研究,请参考相关的专业文献和资料。
次氯酸钠溶液危险品安全数据表1. 概述本文档为次氯酸钠溶液危险品的安全数据表,旨在提供该物质的相关安全信息和处理措施,以确保人员和环境的安全。
2. 化学性质- 名称:次氯酸钠溶液- 分子式:NaClO- 分子量:74.44- 外观:无色液体- 溶解性:易溶于水- pH 值:通常在8-10之间3. 危险性评估以下是次氯酸钠溶液的危险性评估:3.1 急性毒性- 吸入:可能对呼吸系统产生刺激作用。
- 眼部接触:可能导致眼部刺激和损伤。
- 皮肤接触:可能引起皮肤刺激和腐蚀。
- 食入:可能对消化系统产生刺激作用。
3.2 环境影响- 对水体有毒,可能对水生生物造成危害。
3.3 灭火措施- 使用干粉、二氧化碳、泡沫或水雾进行灭火。
4. 急救措施如果发生事故或意外暴露,请采取以下急救措施:4.1 吸入- 迅速将患者转移到新鲜空气环境。
- 如呼吸困难,立即寻求医疗帮助。
- 如呼吸停止,立即进行人工呼吸。
4.2 眼部接触- 立即冲洗受影响的眼睛,至少持续15分钟。
将眼睑拉开以确保冲洗到眼睛的所有表面。
- 立即就医。
4.3 皮肤接触- 立即脱离接触的衣物并用大量清水冲洗受影响的皮肤区域,至少持续15分钟。
- 使用温和的皂液洗手。
- 如有不适,立即就医。
4.4 食入- 不要诱导呕吐,立即就医。
5. 防护措施- 使用防护眼镜/面罩和手套。
- 穿戴防护服。
- 避免吸入气体、烟雾、蒸汽或喷雾。
6. 泄漏处置- 避免直接接触泄漏物质。
- 将泄漏处置到适当的中,以避免对环境造成污染。
- 使用吸附剂将泄漏物吸附并妥善处理。
7. 存储和运输- 存储于阴凉、干燥、通风良好的地方。
- 运输过程中避免与可燃物、酸类和还原剂接触。
以上是次氯酸钠溶液危险品安全数据表的概要信息,请在使用和处理该物质时务必遵循相关安全措施,以确保安全。