生产人员素质测评
- 格式:doc
- 大小:161.50 KB
- 文档页数:8
企业人员素质测评及答案-CAL-FENGHAI-(2020YEAR-YICAI)_JINGBIAN测试题一、请根据你的实际情况回答下列问题。
测验A以下十题,如有适合你的,请打个“√”。
1.在读书时传来电视的声音,也满不在乎。
2.吃苹果比较喜欢连皮一起啃下去。
3.最近早上醒来,感到精神特别清爽。
4.在玩电子游戏而输给人家时,不气馁,想下一次扳回来。
5.着手做的事,不到最后绝不罢手。
6.跟人家相约,都必定在约定时间之前抵达。
7.看电视遇到播广告,就换别的频道看看。
8.看到老朋友或同学在马路对面,会大声招呼。
9.穿越马路,会急步快走。
10.最近又交了新朋友。
测验B在最近半年,有没有发生过以下情况,如有适合你的,请打个“√”。
1.夜里睡觉时,做过像是脖子被人掐住的噩梦。
2.曾经看到异性眼眸而感到浑身发毛。
3.在没想到的地方碰到熟人。
4.曾经光看朋友的表情,就知道他在想什么。
5.曾经以分秒之差赶不上火车或公车。
6.曾经觉得好像被陌生人跟踪。
7.曾经觉得有人憎恨你。
8.你的情人(或配偶)曾经对第三者抱有好感。
9.曾经有过当想念某人,就接到对方的电话。
10.你的情人(或配偶)曾经遭遇事故或不幸。
二、请根据你的实际情况,选择一个最适合你的答案。
1.你是老板,一名雇员向你献上有关提高效率的计策,而他的建议是你过去已想过并打算实施的。
那么,下面哪种处理方法较好A.闭口不提你以前的想法,只赞扬他的合作精神B.告诉他你真实的想法,但也对他给予充分的肯定C.无选择2.你与一个下属离开一家餐馆,发现餐馆少找了你们五块钱。
你收人颇丰,时间又宝贵,这时你怎么办A.这不只是钱的问题,还关系到原则。
应该回转去提意见,如可能,收回缺额B.忘掉此事C.叫下属去提意见D.无选择3.你是个从普通职员提升起来的经理,工作很繁忙.同时你的部门有一系列复杂的日常业务,你知道自己比手下任何人都更胜任这些事务,那么,你选择下列哪些做法A.对每件具体工作事必躬亲B.把这些事分别派给几个下属去于C无选择4.你知道这位可能成为你客户的人是个蝴蝶标本收集者,你带着业务目的拜访他。
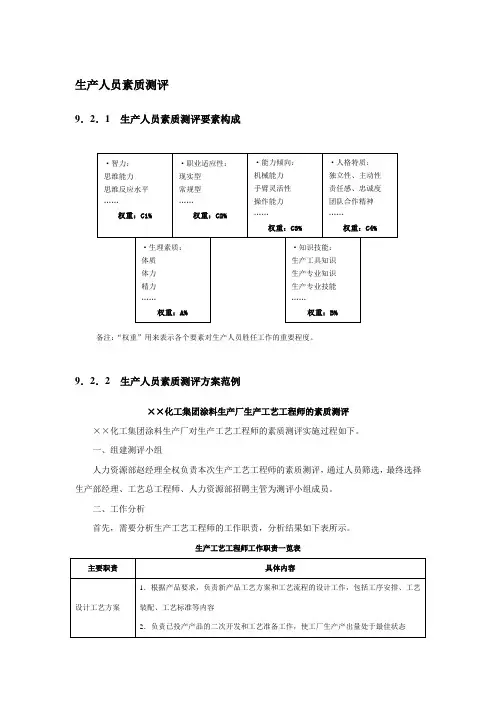
生产人员素质测评设计方案2.1 生产人员素质测评要素构成·智力:思维能力思维反应水平……权重:C1%·职业适应性:现实型常规型……权重:C2%·人格特质:独立性、主动性责任感、忠诚度团队合作精神……权重:C4%·生理素质:体质体力精力……权重:A%·知识技能:生产工具知识生产专业知识生产专业技能……权重:B%·能力倾向:机械能力手臂灵活性操作能力……权重:C3%备注:“权重”用来表示各个要素对生产人员胜任工作的重要程度。
2.2 生产人员素质测评方案范例××化工集团涂料生产厂生产工艺工程师的素质测评××化工集团涂料生产厂对生产工艺工程师的素质测评实施过程如下。
一、组建测评小组人力资源部赵经理全权负责本次生产工艺工程师的素质测评,通过人员筛选,最终选择生产部经理、工艺总工程师、人力资源部招聘主管为测评小组成员。
二、工作分析首先,需要分析生产工艺工程师的工作职责,分析结果如下表所示。
生产工艺工程师工作职责一览表主要职责具体内容设计工艺方案1.根据产品要求,负责新产品工艺方案和工艺流程的设计工作,包括工序安排、工艺装配、工艺标准等内容2.负责已投产产品的二次开发和工艺准备工作,使工厂生产产出量处于最佳状态编制文件1.编制工艺手册、质量控制点指导书、关键工序作业指导书等工艺文件2.制定工位表、检查计划、生产概况等有关生产文件制定工艺卡制定生产和装配工艺卡,确定装配线和装配工位,分析解决现场工艺问题培训监督1.培训、指导车间员工熟练掌握生产工序和工艺要求2.监督各厂、各车间的生产工艺流程、方法,执行工艺纪律更新与维修1.负责对企业产品进行新材料、新工艺、新技术的研究和应用工作2.制订定期的维修计划客户支持参与客户对产品的认可工作,应客户要求进行工装模具修改工作与其他部门协作1.与产品开发部门协作,参与新产品的设计开发,对准备工作和修改工作实行管理2.与质量部门密切合作,分析解决生产加工中的工艺问题通过分析生产工艺工程师的工作职责,生产工艺工程师需具备以下技能标准:对化工原料、溶剂的性质有较深的认识;在化工涂料异常问题的处理方面有丰富的现场实践经验;能按产品生产要求编制关键工序作业指导书;具备一定的工艺改进和创新能力。
人员素质测评刷题库一、单选题(题数:88)1人格类型理论的创立者是( )。
(1.0分)A、霍兰德B、――帕森斯C、卡特尔D、威廉森正确答案:A2精神分析理论的创始人是( )。
(1.0分)A、弗洛姆B、弗洛伊德C、阿德勒D、荣格正确答案:B3代表的是日常活动中最广泛的是( ).(1.0分)A、典型绩效B、任务绩效C、内容绩效D、周边绩效正确答案:A4.16PF得以建立的人格理论基础是()。
(1.0分)A、卡特尔的人格特质理论B、艾森克的人格理论C、荣格的人格类型理论D、比奈的人格测验理论正确答案:A5将全体被评估人员的绩效从高到低进行依次排列的绩效评估方法是()。
(1.0分)A、关键事件法B、强制分布法C、配对比较法D、排序法正确答案:D6评价中心的特点不包括( )。
(1.0分)A、标准化B、静态性C、全面性D、综合性正确答案:B7准确、及时、安全、有效地拟制、传递、处理和管理公文,为机关公务提供适用信息的是( )。
(1.0分)A、管理游戏B、公文处理C、小组讨论D、角色扮演正确答案:B8最能达到“人尽其才,才尽其用”目的的人力资源测评类型是()。
(1.0分)A、预测性测评B、选拔性测评C、配置性测评D、开发性测评正确答案:C9.EPQ得以建立的人格理论基础是()。
(1.0分)A、卡特尔的人格特质理B、比奈的人格测验理论C、荣格的人格类型理论D森吉的人格理论正确答案:D10.对空间知觉、机械理解、动作敏捷性等进行的测验是()。
(1.0分)A、――机械能力测评B、书写能力测评C、创造能力测评D、操作能力测评正确答案:A11任务绩效更为关注的是工作( )。
(1.0分)A、结果B、过程C、态度D、行为正确答案:A12对如同装配线或流水线上简单而又重复的工作,测验其适应能力的是( )。
(1.0分)A、书写能力测评B、机械能力测评c、操作能力测评D、创造能力测评正确答案:C13 通过学校和社会经验而获得的知识和技能的组合,是一种后天习得的能力的是( ).(1.0分)A、―环境适应能力B、流体智力C、晶体智力D、学习的能力正确答案:c14主试集中提出若干问题测试被试对拟应聘机构的了解程度,了解其求职动因、专业技术能力、知识水平等,属于面试的()。
生产人员素质测评9.2.1 生产人员素质测评要素构成备注:“权重”用来表示各个要素对生产人员胜任工作的重要程度。
9.2.2 生产人员素质测评方案范例××化工集团涂料生产厂生产工艺工程师的素质测评××化工集团涂料生产厂对生产工艺工程师的素质测评实施过程如下。
一、组建测评小组人力资源部赵经理全权负责本次生产工艺工程师的素质测评,通过人员筛选,最终选择生产部经理、工艺总工程师、人力资源部招聘主管为测评小组成员。
二、工作分析首先,需要分析生产工艺工程师的工作职责,分析结果如下表所示。
生产工艺工程师工作职责一览表通过分析生产工艺工程师的工作职责,生产工艺工程师需具备以下技能标准:对化工原料、溶剂的性质有较深的认识;在化工涂料异常问题的处理方面有丰富的现场实践经验;能按产品生产要求编制关键工序作业指导书;具备一定的工艺改进和创新能力。
通过分析以上技能标准,赵经理初步打算从通用素质、专业能力两个方面来实施测评。
三、建立测评指标体系1.收集测评要素及内容通过分析生产工艺工程师的职位说明书及相关资料,可以运用不同的方法从通用素质和专业能力两个方面来收集生产工艺工程师素质测评的要素。
下图列出了所有可能的测评要素。
工艺工程师测评要素示意图2.归纳整合确定测评要素分析上述要素的内容及含义,将可以归为一类的尽量归类、整合,确定需要测评的要素,并进行简明的定义。
3.确定调查要素的重要性采用调查表的形式让测评小组按每个要素的重要程度给其打分,下表即为调查表的结构和内容。
工艺工程师素质测评要素重要程度调查表根据对工艺工程师胜任工作的重要性,给每个要素打分。
其中,重要程度按数字“1→10”逐渐递增。
4.计算权重根据每个人的打分,计算每个要素的最终调查得分,再运用加权平均法计算每个要素的权重。
如“生产工艺工程师素质测评指标体系表”中的“得分”、“权重”栏所示。
5.对测评要素进行分级定义根据“生产工艺工程师素质测评要素重要程度调查表”中的简明定义,对各个要素进行分级定义,并附上每一级相应的得分,为测评评分提供评分标准。
生产岗位测评考试题及答案一、单项选择题(每题2分,共10题,共20分)1. 以下哪个选项是生产岗位中常见的安全事故预防措施?A. 忽视安全培训B. 定期检查设备C. 随意堆放易燃物品D. 忽略个人防护装备答案:B2. 生产过程中,以下哪种行为是不符合操作规程的?A. 按照操作手册进行作业B. 穿戴规定的防护服C. 未经许可擅自操作机器D. 遵守作业时间规定答案:C3. 在生产岗位上,以下哪项不是员工的基本职责?A. 确保产品质量B. 遵守安全生产规定C. 随意丢弃废弃物D. 及时报告生产异常答案:C4. 生产线发生故障时,员工应立即采取的措施是:A. 继续操作,等待上级指示B. 立即停机并报告C. 尝试自行修理设备D. 忽视故障继续生产答案:B5. 以下哪个选项是生产岗位上正确的能源节约措施?A. 长时间不使用设备时不关闭电源B. 根据需要调整生产线速度C. 随意丢弃未使用完的材料D. 忽略设备的节能模式答案:B二、多项选择题(每题3分,共5题,共15分)1. 生产岗位上,以下哪些措施有助于提高生产效率?A. 优化生产流程B. 增加员工加班时间C. 定期维护设备D. 提高原材料利用率答案:A、C、D2. 以下哪些行为属于生产岗位上的不安全行为?A. 酒后上岗B. 正确使用工具C. 未戴安全帽进入作业区D. 遵守操作规程答案:A、C3. 在生产岗位上,以下哪些是员工应遵守的职业操守?A. 诚实守信B. 泄露公司机密C. 尊重同事D. 滥用公司资源答案:A、C4. 生产岗位上,以下哪些因素会影响产品质量?A. 原材料质量B. 员工技能水平C. 生产环境条件D. 机器设备性能答案:A、B、C、D5. 以下哪些措施可以减少生产过程中的环境污染?A. 使用环保材料B. 减少废弃物排放C. 增加能源消耗D. 采用清洁生产技术答案:A、B、D三、判断题(每题1分,共10题,共10分)1. 生产岗位上,员工可以随意更改作业流程。
(答案整理版)人员素质测评试题库(合集5篇)第一篇:(答案整理版)人员素质测评试题库人员素质测评试题库一、单项选择题(在每小题的四个备选答案中,选出一个正确答案,并将正确答案的序号填在题干的括号内。
每小题1 分,共分)1.人力资源最佳发挥的前提是“人事相宜,人适其事,事得其人,人尽其才,才尽其用”。
实践表明,每种工作职位对其任职者都有一种基本要求,当任职者现有的素质合乎职位要求时,个体的人力资源就能主动发挥作用,创造出高水平的绩效,因此,在人事配置中经常需要运用(C)测评。
A.选拔性B.诊断性C.配置性D.开发性2.素质测评的(B)原则,即要求素质测评既要以差异为依据,又要能够反映被测评者素质的真实差异,这是保证选拔结果正确性的前提。
A.公正性B.差异性C.准确性D.可比性3.记忆的(B)是指对某方面知识的再现没有任何歪曲、遗漏和附会。
A.完整性 B.准确性 C.公正性 D.合理性4.明尼苏达操作速度测验主要用来测验人的(C)能力。
A.文书倾向 B.运动技能倾向 C.机械倾向 D.技能技巧5.面试中,所谓(C)原则是指主试人应该从多方面去把握考生的内在素质,应从整个的行动反应中系统地、完整地测评某种素质,而不能仅凭某一个行为反应就下断言。
A.客观性B.目的性C.全面性D.标准性6.区分度,是指项目把具有不同素质水平的被测适当区分开来的(A)能力。
A.鉴别 B.操作 C.管理 D.考查7.(D)误差,是指测评者不是实事求是地对每个素质独立测评,而是依据其是否具有相关性特点而进行逻辑上的推断。
A.哈罗效应B.对比效应C.趋中心理效应D.逻辑效应 8.评价中心是以测评(C)素质为中心标准化的一组评价活动。
A.决策B.操作C.管理 D.能力9.复本信度,是指测评结果相对于另一个非常相同的测评结果的(A)程度。
A.吻合 B.变异 C.准确 D.满意10.(C)一般是指手势、身势、面部表情、眼色、人际空间位置等一系列能够揭示内在意义的动作。
安全生产全员测试题及答案一、判断题(正确的在括号内打“√”,错误的在括号内打“×”(每小题 1分,总分10分)1、根据《中华人民共和国安全生产法》要求,采用新工艺、新技术、新材料或者使用新设备,必须了解、掌握其安全技术特性,采取有效的安全防护措施,并对从业人员进行专门的安全生产教育和培训。
(√)2.车间设备操作员工调整工作岗位,重新接受车间级安全培训后上岗。
(×)3.公司吸烟地点只设了展示厅一处。
(×)4.锅炉爆炸是公司重大职业健康安全风险之一。
(√)5.如果电气设备的日常管理、维护不当,造成漏电易引发触电事故。
另外,作业人员缺乏用电常识也是发生触电事故的一个主要原因。
(√)6.灼烫属于热损伤,是体表部分接触足够高温的干热或湿热所引起的局部和全身反应。
公司使用锅炉提供热源,因此锅炉、蒸汽管道、提取灌组、浓缩罐、喷雾干燥塔等部位存在高温灼烫的危险。
(√)7.生产安全事故应急预案分为:综合应急预案、专项应急预案和专业应急预案。
(×)8.当生产工艺、材料或各过程阶段发生重大变化时,相关部门应等待安全环保部对危险源进行辨识评价。
(×)9. 高处作业应设监护人对高处作业人员进行监护,监护人应坚守岗位。
(√)10.事故调查原则,即“四不放过”原则:事故原因分析不清不放过,事故责任人未追究责任不放过、相关人员没有受到教育不放过,防范措施未落实不放过。
(×)二、填空题(每空2分,总共30分)1.2016年我国“安全生产月”主题是:强化安全发展观念,提升全员安全素质。
2.公司内车辆限速规定机动车辆进出大门及转弯处为5km/h;机动车在正线行驶为20km/h,支线为15km/h。
3.根据《工贸企业有限空间作业安全管理与监督暂行规定》有限空间作业应当严格遵守“先通风、再检测、后作业”的原则。
4.根据《工贸企业有限空间作业安全管理与监督暂行规定》有限空间作业检测的时间不得早于作业开始前30分钟。
生产作业人员考核标准生产作业人员考核标准应包括以下内容:1. 生产效率:考察生产作业人员的工作效率和完成任务的能力。
包括生产数量、质量和周期等指标。
2. 产品质量:考察生产作业人员对产品质量的控制能力。
包括对产品外观、尺寸、材料等方面的检查和把关。
3. 工作纪律:考察生产作业人员遵守工作纪律的情况。
包括按时上下班、服从管理、工作纪律等方面的表现。
4. 安全生产:考察生产作业人员对安全生产的重视程度。
包括遵守安全操作规程、正确使用安全防护设备、预防事故发生等方面的表现。
5. 团队合作:考察生产作业人员在团队中的协作能力。
包括与他人的沟通、合作和互助等方面的表现。
6. 创新能力:考察生产作业人员的创新能力和解决问题的能力。
包括在工作中提出改进意见、解决生产问题等方面的表现。
7. 职业道德:考察生产作业人员的职业道德素养。
包括诚实守信、团结协作、尊重他人等方面的表现。
8. 学习能力:考察生产作业人员的学习能力和自我提升的意愿。
包括参加培训、提高自身技术水平等方面的表现。
根据以上要求,可以制定具体的评分标准和考核方法,例如:1. 生产效率评估:根据产量、质量和周期等指标,给出得分。
产量达到预期、质量符合标准、周期合理,得分较高。
2. 产品质量评估:通过抽检产品、测量尺寸和进行外观检查等方式,对产品质量进行评估。
得分标准可以根据产品质量要求制定。
3. 工作纪律评估:根据考勤记录、遵守工作规程和工作纪律的情况,给出得分。
按时上下班、服从管理、不违反工作纪律,得分较高。
4. 安全生产评估:根据安全操作情况、是否正确使用安全防护设备等,给出得分。
遵守安全操作规程、预防事故发生,得分较高。
5. 团队合作评估:通过团队工作记录、他人评价等方式,对团队合作能力进行评估。
参与团队工作、与他人合作和沟通良好,得分较高。
6. 创新能力评估:通过工作中的改进意见、解决问题的能力等进行评估。
能提出创新改进意见、解决生产问题,得分较高。
安全生产关键岗位综合素养测评表测评人所在单位全称(部室/中心/分厂)例:安全质量环保监察部。
被测评人所在单位:内蒙古霍煤鸿骏铝电有限责任公司一、被测评人:曲士民(总经理)安全生产重视程度(20分),请打整数分。
创新管理思维(20分),请打整数分。
推动科技兴安(20分),请打整数分。
员工看法建议接受(20分),请打整数分。
践行集团公司安全生产理念(20分),请打整数分。
合计总分(上述5项评价得分总和,严禁“满分100分”或“0分”)总分低于70分的需说明原因。
二、被测评人:刘瑞洪(党委书记)安全生产重视程度(20分),请打整数分。
创新管理思维(20分),请打整数分。
推动科技兴安(20分),请打整数分。
践行集团公司安全生产理念(20分),请打整数分。
合计总分(上述5项评价得分总和,严禁“满分100分”或“0分”)总分低于70分的需说明原因。
三、被测评人:惠憬明(分管生产/安全副总经理)安全生产重视程度(20分),请打整数分。
创新管理思维(20分),请打整数分。
推动科技兴安(20分),请打整数分。
员工看法建议接受(20分),请打整数分。
践行集团公司安全生产理念(20分),请打整数分。
合计总分(上述5项评价得分总和,严禁“满分100分”或“0分”)总分低于70分的需说明原因。
四、被测评人:周明珠(分管生产/安全副总经理)安全生产重视程度(20分),请打整数分。
创新管理思维(20分),请打整数分。
推动科技兴安(20分),请打整数分。
践行集团公司安全生产理念(20分),请打整数分。
合计总分(上述5项评价得分总和,严禁“满分100分”或“0分”)总分低于70分的需说明原因。
五、被测评人:黄彩江(经营副总经理)安全生产重视程度(20分),请打整数分。
创新管理思维(20分),请打整数分。
推动科技兴安(20分),请打整数分。
员工看法建议接受(20分),请打整数分。
践行集团公司安全生产理念(20分),请打整数分。
合计总分(上述5项评价得分总和,严禁“满分100分”或“0分”)总分低于70分的需说明原因。
试题分为两部分,第一部分为选择题,第二部分为非选择题,选择题30分,非选择题70分,共100分。
一、单项选择题(本大题共20小题,每小题1分,共20分)1. A 2.C 3.B 4.C 5.B6. A 7.D 8.A 9.D 10.B11.C 12.D 13.D 14.C 15.B16.C 17.A 18.D 19.B 20.C二、多项选择题(本大题共5小题,每小题2分,共10分)21. BD 22.AB 23.BCDE 24.ABE 25.ADE三、名词解释(本大题共5小题,每小题3分,共15分)26.人力资源:人力资源是一个国家或地区能够作为生产要素投入到社会经济活动中,为社会创造物质财富和精神、文化财富的劳动人口。
27.可变薪酬:又称为浮动薪酬或奖金,是根据员工是否达到或超过某一事先确立的绩效标准而浮动的报酬。
28.人员招聘:就是以组织人员需求为基础,以工作分析为依据,通过发布招聘信息来吸引应聘者,从中挑选出适合岗位需求的人员,并向他们分配工作岗位,使其补充到现有的或计划的岗位空缺的过程。
29.员工培训:组织为使员工获得或改进与工作有关的知识、技能、动机、态度和行为,以利于提高员工的绩效以及员工对组织目标的贡献所做的各种努力。
30.职业生涯:一个人一生中在不同职业岗位上工作过的所有经历。
四、辨析题(判断正误并说明理由,本大题共4小题,每小题5分,共20分)31.人力资源的生命周期性表现为人力资源在劳动过程中被消耗之后,能够通过休息和补充营养恢复到原有的状态。
错。
(2分)人力资源的再生性表现为人力资源在劳动过程中被消耗之后,能够通过休息和补充营养恢复到原有的状态。
(3分)32.工作说明书又称为任职资格说明书,主要说明从事某项特定工作的人员需要具备的基本素质和条件。
错。
(2分)工作规范又称为任职资格说明书,主要说明从事某项特定工作的人员需要具备的基本素质和条件。
(3分)33.“经济人”的人性假设将员工视为理性人,因此满足他们的经济需求外,还要满足员工对社会情感的需要。
生产岗测试题及答案一、选择题(每题2分,共20分)1. 生产过程中,以下哪项不是必须遵循的基本原则?A. 安全第一B. 质量优先C. 效率至上D. 节约成本答案:C2. 以下哪项不是生产过程中常见的质量控制方法?A. 抽样检查B. 全面检查C. 过程控制D. 事后检查答案:D3. 在生产过程中,以下哪个设备不属于机械加工设备?A. 车床B. 铣床C. 磨床D. 焊接机答案:D4. 以下哪项不是生产计划中需要考虑的因素?A. 原材料供应B. 设备状态C. 员工情绪D. 市场需求答案:C5. 以下哪项不是生产管理的基本原则?A. 标准化B. 系统化C. 随意化D. 科学化答案:C6. 以下哪项不是生产现场5S管理的内容?A. 整理B. 整顿C. 清洁D. 随意答案:D7. 在生产过程中,以下哪项不是常见的生产事故?A. 设备故障B. 操作失误C. 材料浪费D. 自然灾害答案:D8. 以下哪项不是生产成本控制的方法?A. 减少浪费B. 增加产量C. 提高效率D. 降低质量答案:D9. 以下哪项不是生产过程中的能源管理措施?A. 节能减排B. 循环利用C. 随意排放D. 合理调度答案:C10. 在生产过程中,以下哪项不是常见的生产效率提升方法?A. 引入自动化设备B. 优化工艺流程C. 增加工作时间D. 员工培训答案:C二、判断题(每题1分,共10分)1. 生产过程中,安全事故的发生是不可避免的。
(错误)2. 生产质量管理的核心是预防而不是事后检查。
(正确)3. 生产过程中,只要保证产品质量,就可以忽略生产效率。
(错误)4. 5S管理只适用于生产现场,不适用于其他工作环境。
(错误)5. 生产成本控制只关注原材料成本,不包括人工成本。
(错误)6. 节能减排是生产能源管理的唯一目标。
(错误)7. 员工情绪不影响生产效率和产品质量。
(错误)8. 引入自动化设备一定能提高生产效率。
(错误)9. 优化工艺流程是提升生产效率的有效方法。
人员素质测评试题及答案一、单项选择题(每题1分,共10分)1. 人员素质测评的目的是:A. 选拔优秀人才B. 了解员工绩效C. 提升员工能力D. 以上都是2. 以下哪项不是人员素质测评的内容?A. 知识水平B. 技能水平C. 工作态度D. 员工年龄3. 人员素质测评的方法不包括:A. 面试B. 笔试C. 心理测试D. 工资调查4. 以下哪项是有效的人员素质测评标准?A. 个人偏好B. 客观标准C. 领导意见D. 员工投票5. 在进行人员素质测评时,以下哪项是不必要的?A. 制定测评标准B. 选择合适的测评工具C. 随意更改测评标准D. 进行测评结果的反馈6. 人员素质测评的基本原则不包括:A. 客观性B. 公正性C. 随意性D. 系统性7. 以下哪种情况不适合进行人员素质测评?A. 员工晋升B. 员工培训C. 员工离职D. 员工绩效考核8. 人员素质测评结果的主要用途是:A. 作为工资调整的依据B. 作为员工晋升的依据C. 作为员工解雇的依据D. 作为员工福利的依据9. 以下哪项不是人员素质测评的优点?A. 提高工作效率B. 促进员工发展C. 增加员工压力D. 优化人力资源配置10. 人员素质测评的最终目的是:A. 选拔人才B. 培训员工C. 提升组织绩效D. 以上都是答案:1-5 D D D B C6-10 C C A C D二、多项选择题(每题2分,共10分)1. 人员素质测评的类型包括:A. 能力测评B. 性格测评C. 知识测评D. 技能测评2. 人员素质测评的常见方法有:A. 观察法B. 问卷调查法C. 行为事件访谈法D. 360度反馈法3. 在进行人员素质测评时,以下哪些因素需要考虑:A. 测评的目的B. 测评的时间C. 测评的成本D. 测评的参与者4. 人员素质测评的常见问题包括:A. 标准不明确B. 方法不当C. 结果不公正D. 反馈不及时5. 人员素质测评结果的应用包括:A. 员工选拔B. 员工培训C. 员工晋升D. 员工解雇答案:1. A B C D2. A B C D3. A B C D4. A B C D5. A B C D三、判断题(每题1分,共10分)1. 人员素质测评只能用于员工选拔。
可编辑修改精选全文完整版第一章人员素质测评导论(一)素质、素质测评及相关概念释义(重点)1.识记:(1)素质的概念、动机的概念、个性的概念(2)自我形象、价值观的内涵(3)社会角色、态度的内涵(4)素质测评的概念(5)素质测评与绩效考评的比较2.理解:(1)素质的常见结构模型、洋葱模型、冰山模型、五结构体系(2)素质测评的特征(3)素质测评的主要内容(4)能力的分类(5)个人风格分类(6)素质测评的特点3.应用:素质测评的误区(二)人员素质测评的类型、素质测评的功能与误区(次重点)1.识记:(1)开发性测评的特点(2)选拔性测评的特点(3)配置性测评的特点(4)考核性测评的原则2.理解:素质测评的功能3.应用:素质测评的误区及其对策(三)人员素质测评的历史与发展(一般)1.识记:人员素质测评的历史2.理解:西方素质测评的产生与发展第二章人员素质测评的基本理论(一)人性假设原理(重点)1.识记:特质理论2.理解:(1)经济人假设、社会人假设、自我实现人假设、复杂人假设(2)四种人性假设的意义3.应用:(1)人职匹配原理的基本观点、特性——因素理论(2)个性——职业类型理论(3)人职匹配理论的拓展中的四大匹配(二)素质可测评理论(次重点)1.识记:(1)个体差异原理(2)气质的类型(3)职位差异原理2.理解:(1)个体倾向的差异所包括的内容(2)个性心理特征差异的三个方面(3)职务特征模型(4)职务差异评价指标的五个因素3.应用:素质可测原理、黑箱理论(三)测量理论(一般)1.识记:概化理论2.理解:项目分析理论3.应用:测量理论的应用第三章人员素质测评指标体系的构建(一)人员测评指标设计原则和基本方法以及设计步骤(重点)1.识记:测评指标设计原则2.理解:(1)测评指标设计基本方法(2)胜任力特征分析法的步骤3.应用:人员测评指标体系的设计步骤(二)人员素质测评指标体系概述(次重点)1.识记:测评指标的结构、2.理解:(1)测评标志的内涵及其形式(2)测评标度的内涵及其形式(3)加权三种基本形式3.设立指标权重(三)人员素质测评指标体系示例(一般)应用:常见工作岗位划分的不同测评指标体系、第四章履历分析(一)履历分析的一般步骤以及履历分析问卷(重点)1.识记:履历分析问卷编制原则2.理解:履历分析问卷的主要构成3.应用:(1)编制一份高质量的履历分析问卷(2)履历分析的一般步骤(二)履历分析的概述(次重点)1.识记:履历分析的概念2.理解:(1)履历分析问卷设计与开发(2)履历分析的特点3.应用:履历分析的发展(三)履历分析存在的问题(一般)应用:履历分析存在的问题及其对策第五章心理测验(一)能力测验和人格测验(重点)1.识记:(1)能力和能力测验的定义(2)能力测验所测验的主要内容(3)人格的定义及其特征2.理解:(1)智力的定义与结构(2)智力的计量(3)能力倾向的定义和特点3.应用:霍兰德职业兴趣理论(二)心理测验概述(次重点)1.识记:心理测验的概念及其特点2.理解:(1)心理测验的种类与形式(2)量表法(3)投射测验法(4)行为观察法3.应用:(1)常用的心理测验方法(2)心理测验在人员素质测评中的应用(三)其他心理测验方法(一般)1.识记:气质类型及其特征、价值观测评2.理解:能力倾向的定义及其特点3.应用:智力的计量方法第六章纸笔测验(一)纸笔测验的编制及步骤(重点)1.识记:纸笔测验的目的2.理解:(1)纸笔测验指标体系通常所包含的五个指标(2)纸笔测验的常见题型(3)纸笔测验的常见题型的优缺点3.应用:纸笔测验的编制原则及步骤(二)纸笔测验的实施与计分(次重点)理解:纸笔测验实施的注意事项(三)纸笔测验的概述(一般)1.识记:(1)纸笔测验的定义(2)纸笔测验的类型(3)纸笔知识测验所包括的内容2.理解:纸笔测验的优缺点3.应用:纸笔测验编制应注意的问题第七章面试及其应用(一)面试的规范化流程以及面试的方法与技巧(重点)1.识记:面试预备和正题阶段的注意事项2.理解:(1)面试考核要素(2)综合能力部分(3)专业知识和技能部分3.应用:(1)座位的布置方式(2)面试中问、听、评的技巧(3)熟练分析面试案例(二)面试的概述(次重点)1.识记:面试的概念2.理解:(1)面试的特点与趋势(2)面试的种类(3)系列性面试和序列性面试(4)一对一面试和主试团面试(5)个人面试和小组面试(6)结构化面试与非结构化面试(7)压力面试与非压力面试3.应用:面试的原则(三)面试试题的编制(一般)1.识记:面试试题编制原则2.理解:面试试题的题型3.应用:面试试题编制的步骤第八章评价中心(一)评价中心测评技术(重点)1.识记:(1)公文筐测验的内涵、维度、适用对象(2)无领导小组讨论的内涵、适用对象、测验维度(3)角色扮演的内涵和特点(4)管理游戏的优缺点(5)模拟面谈的优缺点(6)演讲的评价要点(7)书面案例分析2.理解:(1)公文筐测验的观察要点(2)无领导小组讨论的题型、实施程序和观察要点(3)角色扮演的观察要点3.应用:评价中心设计和实施中注意的问题(二)评价中心概述(次重点)1.识记:评价中心的概念2.理解:(1)评价中心的特点(2)评价中心的评价维度(3)评价中心的优缺点3.应用:成功实施评价中心的关键环节(三)评价中心设计和实施中注意的问题(一般)1.识记:评价中心进行情境设计的注意事项2.理解:评价中心技术实施失败的原因3.应用:成功实施评价中心的关键环节第九章素质测评的实施(一)素质测评实施的基本构成(重点)1.识记:测评方法的组合设计的七个步骤2.理解:人员素质测评的实施程序3.应用:实施测评的基本原则与实施要领(二)选择和研制测评工具与方法(次重点)1.识记:人员素质测评工具与方法的选择2.理解:(1)测题命题的原则(2)测评方法选择时应注意的问题3.应用:人员素质测评工具与方法的设计手段(三)组织素质测评的实施(一般)识记:组织素质测评的实施的步骤第十章素质测评的质量管理(一)信度分析和效度分析(重点)1.识记:信度和效度的概念2.理解:(1)信度的类型和估计方法(重测信度、复本信度、内部一致性信度、评分者信度)(2)效度的种类和估计方法内容效度(结构效度、效标关联效度、表面效度)3.应用:(1)影响信度的因素(2)影响测验效度的因素(二)项目分析(一般)1.识记:难度的定义2.理解:难度的确定3.应用:难度的估计方法第十一章素质测评报告(一)素质测评报告的撰写(重点)1.识记:素质测评报告撰写的原则2.理解:素质测评报告的表述方法(1)文字表述法(2)表格表述法(3)图形表述法(4)综合表述法3.应用:素质测评报告撰写的注意事项(二)素质测评报告的概述(次重点)1.识记:(1)素质测评报告的定义(2)素质测评报告的构成要素2.理解:素质测评报告的分类(按形式分类、按内容分类)3.应用:素质测评报告数据的分析方法(累加法、平均综合法、加权综合法、连乘综合法、指数连乘法)(三)素质测评报告的分析与应用(一般)1.识记:素质测评报告数据的分析方法2.应用:素质测评报告的应用•人员素质测评•人员素质测评的基本方法•测评结果统计分析的基本知识•职业选拔的理论与方法•笔试测试的技术与方法•面试的技术与方法第一节人员素质测评•一、人员素质测评的概念•二、人员素质测评的基本原理1、人员素质测评的基本概念概念:所谓人员素质测评,是指综合运用心理学、测量学、统计学等学科的理论、技术与方法,对人的能力水平及倾向、个性特点、行为特征等进行系统而客观的衡量评价,从而指导用人单位进行人员甄选、求职者寻求适当职业的科学方法。
生产人员素质测评方案设计生产人员是企业生产线上的重要一员,其素质水平直接关系到企业生产效率和产品质量。
为了提高生产人员的素质,需要进行测评,并根据测评结果制定相应的培训计划和激励措施。
下面是一个生产人员素质测评方案的设计,包括测评指标、测评方式和结果分析。
一、测评指标生产人员的素质可以从多个方面进行测评,主要包括以下几个指标:1.生产技能:包括生产操作技能、生产设备使用技能等,通过观察和实际操作测试。
2.工作态度:包括工作积极性、团队合作能力、责任心等,通过个人面试和同事评价等方式进行测评。
3.安全意识:包括遵守安全操作规程、使用个人防护用品等,通过观察和问卷调查等方式进行测评。
4.品质意识:包括产品质量控制、自我检查能力等,通过产品抽检和品质记录分析等方式进行测评。
5.问题解决能力:包括遇到问题时的应对能力和解决问题的能力等,通过面试和案例分析等方式进行测评。
6.学习能力:包括工作中的学习能力和主动学习的态度等,通过面试和个人陈述等方式进行测评。
二、测评方式为了全面评估生产人员的素质,可以采用以下几种测评方式:1.观察法:通过实际观察生产人员的操作和工作态度来评估其生产技能和工作态度。
2.面试法:通过与生产人员进行个人面试,了解其安全意识、品质意识、问题解决能力和学习能力等。
3.同事评价法:通过向生产人员的同事收集对其工作态度、团队合作能力等的评价,以获取多角度的信息。
4.问卷调查:设计问卷,向生产人员了解其安全意识、品质意识和学习能力等,以量化评估结果。
5.产品抽检:随机抽取生产人员参与的产品进行质量检测,以评估其品质意识和问题解决能力。
三、结果分析通过对生产人员进行测评后,需要对结果进行分析,评估其素质水平和发现问题,并制定相应的培训计划和激励措施。
1.分析素质水平:根据测评结果,对生产人员的各项指标进行评分和排名,分析其素质水平。
2.发现问题:通过测评结果,评估生产人员在不同指标上的表现,发现存在的问题和不足。
生产人员素质测评
9.2.1 生产人员素质测评要素构成
备注:“权重”用来表示各个要素对生产人员胜任工作的重要程度。
9.2.2 生产人员素质测评方案范例
××化工集团涂料生产厂生产工艺工程师的素质测评
××化工集团涂料生产厂对生产工艺工程师的素质测评实施过程如下。
一、组建测评小组
人力资源部赵经理全权负责本次生产工艺工程师的素质测评,通过人员筛选,最终选择生产部经理、工艺总工程师、人力资源部招聘主管为测评小组成员。
二、工作分析
首先,需要分析生产工艺工程师的工作职责,分析结果如下表所示。
生产工艺工程师工作职责一览表
通过分析生产工艺工程师的工作职责,生产工艺工程师需具备以下技能标准:对化工原料、溶剂的性质有较深的认识;在化工涂料异常问题的处理方面有丰富的现场实践经验;能按产品生产要求编制关键工序作业指导书;具备一定的工艺改进和创新能力。
通过分析以上技能标准,赵经理初步打算从通用素质、专业能力两个方面来实施测评。
三、建立测评指标体系
1.收集测评要素及内容
通过分析生产工艺工程师的职位说明书及相关资料,可以运用不同的方法从通用素质和专业能力两个方面来收集生产工艺工程师素质测评的要素。
下图列出了所有可能的测评要素。
工艺工程师测评要素示意图
2.归纳整合确定测评要素
分析上述要素的内容及含义,将可以归为一类的尽量归类、整合,确定需要测评的要素,并进行简明的定义。
3.确定调查要素的重要性
采用调查表的形式让测评小组按每个要素的重要程度给其打分,下表即为调查表的结构和内容。
工艺工程师素质测评要素重要程度调查表
根据对工艺工程师胜任工作的重要性,给每个要素打分。
其中,重要程度按数字“1→10”逐渐递增。
4.计算权重
根据每个人的打分,计算每个要素的最终调查得分,再运用加权平均法计算每个要素的权重。
如“生产工艺工程师素质测评指标体系表”中的“得分”、“权重”栏所示。
5.对测评要素进行分级定义
根据“生产工艺工程师素质测评要素重要程度调查表”中的简明定义,对各个要素进行分级定义,并附上每一级相应的得分,为测评评分提供评分标准。
生产工艺工程师素质测评指标体系表
四、选择测评方法
根据上述需要测评的要素,选择合适的测评方法,具体如下表所示。
生产工艺工程师素质测评方法一览表
五、组织实施工艺工程师的素质测评
(一)测评前的准备工作
1.测评小组成员
赵经理意识到,本次测评小组的成员都没有参与过人员素质测评工作,需要对所有成员进行集中培训,培训的内容包括测评的相关事宜及实施测评过程中的注意事项。
2.安排测评场地、时间
赵经理根据测评方法的需要,将成就测试、心理测试、现场操作的场地选在有计算机及相关设备的机房,而面谈则选在会议室里进行。
3.准备测评所需的其他材料
本次测评还需要准备白纸、笔、计时器、面谈提纲与评分表等。
下表即为测评小组制定的面谈提纲与评分表。
生产工艺工程师面谈提纲与评分表
(二)实施测评阶段
从上述测评方法可以看出,此次测评需要分成两部分进行。
成就测试、心理测试为第一部分,面谈为第二部分。
实施第一部分测评时,赵经理负责主持测评的具体实施,宣读指导语和注意事项,维持测评现场纪律,控制测评时间。
实施结构化面谈时,赵经理为主试官,其他成员观察记录面谈对象回答的内容,为评分提供原始材料。
若条件允许,可事先准备一台摄像机,将整个面谈过程录下来,以便评分时研究和分析。
(三)评分阶段
由于成就测试、心理测试的成绩通过计算机来打分,所以评分工作主要集中在面谈评分上。
测评小组成员先用上表独立评分,然后由赵经理主持讨论评分理由直至得出最终的分数。
六、统计处理数据,撰写测评报告
将被测人员的得分进行统计处理,得出直观性强的统计图。
以生产工艺工程师王××为例,他在面谈过程中的得分情况如下图所示。
工艺工程师王××面谈得分统计图
下表为生产工艺工程师王××职业适应能力测评报告,内附有各量表的得分统计情况。
生产工艺工程师的职业适应能力测评报告
七、跟踪素质测评的结果
随着报告的上呈,本次素质测评可以告一段落,但并非就此结束。
人力资源部赵经理授权生产工艺总工程师继续在实际工作中考查所有参与测评的生产工艺工程师,以便验证此次测评的有效性和可靠程度,从而改进测评方法和测评指标体系,提高素质测评的质量。