变电站强制性条文执行记录表
- 格式:xls
- 大小:363.50 KB
- 文档页数:55
世纪110kV开关站新建工程强制性条文执行记录表世纪110kV开关站新建工程电气施工项目部二〇一六年十一月输变电工程施工强制性条文执行记录表工程名称:世纪110kV开关站新建工程编号:2-1-1本表一式 3_份,由施工项目部填报,监理项目部存 1份,施工项目部存1份。
工程名称:世纪110kV开关站新建工程编号:2-1-2本表一式 3_份,由施工项目部填报,监理项目部存 1份,施工项目部存1份。
工程名称:世纪110kV开关站新建工程编号:2-1-3本表一式 3_份,由施工项目部填报,监理项目部存 1份,施工项目部存1份。
工程名称:世纪110kV开关站新建工程编号:2-2-1本表一式 3_份,由施工项目部填报,监理项目部存 1份,施工项目部存1份。
工程名称:世纪110kV开关站新建工程编号:2-2-2本表一式 3_份,由施工项目部填报,监理项目部存 1份,施工项目部存1份。
工程名称:世纪110kV开关站新建工程编号:3-1-1本表一式 3_份,由施工项目部填报,监理项目部存 1份,施工项目部存1份。
输变电工程施工强制性条文执行记录表工程名称:世纪110kV开关站新建工程编号:3-1-2本表一式 3_份,由施工项目部填报,监理项目部存 1份,施工项目部存1份。
工程名称:世纪110kV开关站新建工程编号:3-2-1本表一式3_份,由施工项目部填报,监理项目部存1份,施工项目部存1份。
工程名称:世纪110kV开关站新建工程编号:3-2-2本表一式3_份,由施工项目部填报,监理项目部存1份,施工项目部存1份。
工程名称:世纪110kV开关站新建工程编号:3-3-1本表一式 3_份,由施工项目部填报,监理项目部存 1份,施工项目部存1份。
工程名称:世纪110kV开关站新建工程编号:3-3-23份,由施工项目部填报,监理项目部存1份,施工项目部存1份。
工程名称:世纪110kV开关站新建工程编号:4-1-13_ 1份,施工项目部存1份。
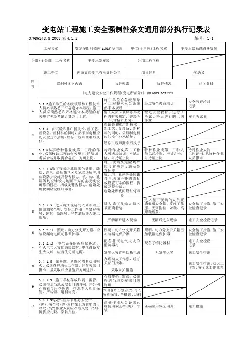
/*输变电工程施工强迫性条则履行检查表编号 :DQ1工程名称髙力罕 220kV 变电站 3 号主变扩建工程单位(子单位)工程主变压器系统设施安装分部(子分部)工程名称主变压器名称安装施工单位锡林郭勒盟电力建设有限项目经理于秀文责任企业序号强迫性条则规定履行状况有关资料《电气装置安装工程接地装置施工及查收规范》 (GB50169-2006)3.1.1 电气装置的以下金属部分,均应接地或接零:1 1 电机、变压器、电抗器、携带式或挪动式用电用具等的金属底座和外壳;10 承载电气设施的构架和金属外壳3.3.5 每个电气装置的接地应以独自的接地线与接地汇流排或接地干线相连结。
禁止在一个接地线中串接几个需要接地的电气装置。
重要设施和设施构架应有两根2与主地网不一样地址连结的接地引下线,且每根接地引下线均应切合热稳固及机械强度的要求,连结引线应便于按期进行检查测试履行记录表编独自与接地干线焊接号 :D01-001-表履行记录表编号:独自与接地干线焊接、便D01-001-于测试表3.3.12 发电厂、变电所电气装置以下部位履行记录应特意敷设接地线直接与接地体或接地表编号:3母线连结:无缺点、正确,坚固2 高压配电装置的金属外壳D01-001-表《电气装置安装工程电力变压器、油浸电抗器、互感器施工及查收规范》(GB148-2010)第 4.5.3 条2变压器、电抗器运输和装卸过程中触犯加快度出现大于 3g 或触犯加快度监督装置出现异样状况时,应由建设、监理、施履行记录工、运输和制造厂等单位代表共同剖析原触犯仪数据均小表编号:1因并出具正式报告。
一定进行运输和装卸于 3、合格D01-001-过程剖析,明确有关责任,并确立进行现表场器身检查或返厂进行检查和办理。
第 4.5.5 条进行器身检查时一定切合以下规定:1 凡雨、雪天,风力达 4级以上,相对湿履行记录2度75%以上的天气,不得进行器身检查。
表编号:按本条履行D01-001-表第 4.9.1 条绝缘油一定按现行国家标准《电气装置安3装工程电气设施交接试验标准》 GB50150的规定试验合格后,方可注入变压器、电/*履行记录油中气体含量均在正常范表编号:围内D01-001-抗器中。
编号:-001工程名称单位(子单位)工程名称分部(子分部)工程名称施工单位项目经理序号强制性条文规定 执行情况相关资料 《电气装置安装工程高压电器施工及验收规范》(GB 50147-2010)1 4.4.1(六氟化硫断路器)在验收时,应进行下列检查: 4 断路器及其操动机构的联动应正常,无卡阻现象;分、合闸指示应正确;辅助开关动作应正确可靠。
5 密度继电器的报警、闭锁值应符合规定,电气回路传动正确。
6 六氟化硫气体压力、泄漏率和含水量应符合现行国家标准《电气装置安装工程电气设备交接试验标准》(GB 50150)及产品技术文件的规定。
26.4.1 (真空断路器和高压开关柜)在验收时,应进行下列检查:3 真空断路器与操动机构联动应正常、无卡阻现象;分、合闸指示应正确;辅助开关动作应准确、可靠。
6 高压开关柜应具备防止电气误操作的“五防”功能。
项目总工:总监理工程师:编号:-001工程名称单位(子单位)工程名称分部(子分部)工程名称施工单位项目经理序号强制性条文规定 执行情况相关资料 《电气装置安装工程电力变压器、油浸电抗器、互感器施工及验收规范》(GB 50148-2010)15.3.1 互感器安装时应进行下列检查:5 气体绝缘的互感器应检查气体压力或密度符合产品技术文件的要求,密封检查合格后方可对互感器充SF6气体至额定压力,静置24h后进行SF6气体含水量测量并合格。
气体密度表、继电器必须经核对性检查合格。
25.3.6 互感器的下列各部位应可靠接地:1 分级绝缘的电压互感器,其一次绕组的接地引出端子;电容式电压互感器的接地应符合产品技术文件的要求。
2 电容型绝缘的电流互感器,其一次绕组末屏的引出端子、铁芯引出接地端子。
3 互感器的外壳。
4 电流互感器的备用二次绕组端子应先短路后接地。
5 倒装式电流互感器二次绕组的金属导管。
6 应保证工作接地点有两根与主接地网不同地点连接的接地引下线。
项目总工:总监理工程师:施电表3 封闭式组合电器安装强制性条文执行检查表编号:-001工程名称单位(子单位)工程名称分部(子分部)工程名称施工单位项目经理序号强制性条文规定 执行情况相关资料 《电气装置安装工程高压电器施工及验收规范》(GB 50147-2010)15.2.7 GIS元件的安装应在制造厂技术人员指导下按产品技术文件要求进行,并应符合下列要求:6 预充氮气的箱体应先经排氮,然后充干燥空气,箱体内空气中的氧气含量必须达到18%以上时,安装人员才允许进入内部进行检查或安装。
表4.0.2 编号:0500 单位工程名称围墙及大门子单位工程名称围墙及大门分项工程名称施工单位武汉华源电力集团有限公司项目经理赵智浩强制性条文内容执行要素执行情况相关资料《建筑工程施工质量验收统一标准》GB50300-20133.0.3 建筑工程施工质量应按下列要求进行验收:1、建筑工程施工质量应符合本标准和相关专业验收规范的规定。
2、建筑工程施工应符合工程勘察、设计文件的要求。
3、参加工程施工质量验收的各方人员应具备规定的资格。
4、工程质量的验收均应在施工单位自行检查评定的基础上进行。
5、隐蔽工程在隐蔽前应由施工单位通知有关单位进行验收,并应形成验收文件。
6、涉及结构安全的试块、试件以及有关材料,应按规定进行见证取样检测。
7、检验批的质量应按主控项目和一般项目验收。
8、对涉及结构安全和使用功能的重要分部工程应进行抽样检测。
9、承担见证取样检测及有关结构安全检测的单位应具有相应资质。
10、工程的观感质量应由验收人员通过现场检查,并应共同确认。
施工执行标准已执行施工执行标准为:《建筑地基基础工程施工质量验收规范》(GB50202-2002)《建筑基坑技术规程》(JGJ120-2012)《建筑边坡工程技术规范》(GB50330-2002)《混凝土结构工程施工质量验收规范》(GB50204-2002)(2011版)《混凝土外加剂应用技术规范》(GB50119-2013)《钢筋焊接及验收规程》(JGJ18-2012)《普通混凝土配合比设计规程》JGJ55-2011《普通混凝土用砂、石质量标准及检验方法标准》JGJ52-2006《混凝土用水标准》JGJ63-2006《组合钢模板技术规范》GB50214-2013《砌体工程施工质量验收规范》GB50203-2011《砌筑砂浆配合比设计规程》JGJT98-2010《建筑装饰装修工程质量验收规范》GB50210-2001GB50026-2007《工程测量规范》工程质量验收情况检查合格验评表编号:050001、050002、050003验收人员资格验收人员资格符合要求证件编号:付小国124501许祖贻DLJL-043780质量验收程序按《建筑工程施工质量验收统一标准》GB50300-2013:“建筑工程质量验收程序和组织”进行经班组、项目部、公司三级自检后申请监理组织验收,按“建筑工程质量验收程序和组织”进行。
SZLB23输变电工程强制性条文执行记录表输变电工程施工强制性条文执行记录表工程名称:开县中和35kV输变电工程(中和35kV变电站新建)编号:SZLB23-001注本表一式____份,由施工项目部填报,监理项目部存____份,施工项目部存____份。
SZLB23输变电工程强制性条文执行记录表输变电工程施工强制性条文执行记录表注本表一式____份,由施工项目部填报,监理项目部存____份,施工项目部存____份。
SZLB23输变电工程强制性条文执行记录表输变电工程施工强制性条文执行记录表工程名称:110k V源泰变电站土建工程编号:SZLB23-003注本表一式____份,由施工项目部填报,监理项目部存____份,施工项目部存____份。
SZLB23输变电工程强制性条文执行记录表输变电工程施工强制性条文执行记录表工程名称:110k V源泰变电站土建工程编号:SZLB23-003续1注本表一式____份,由施工项目部填报,监理项目部存____份,施工项目部存____份。
SZLB23输变电工程强制性条文执行记录表输变电工程施工强制性条文执行记录表注本表一式____份,由施工项目部填报,监理项目部存____份,施工项目部存____份。
SZLB23输变电工程强制性条文执行记录表输变电工程施工强制性条文执行记录表工程名称:110k V源泰变电站土建工程编号:SZLB23-004续1注本表一式____份,由施工项目部填报,监理项目部存____份,施工项目部存____份。
SZLB23输变电工程强制性条文执行记录表输变电工程施工强制性条文执行记录表工程名称:110k V源泰变电站土建工程编号:SZLB23-004续2注本表一式____份,由施工项目部填报,监理项目部存____份,施工项目部存____份。
SZLB23输变电工程强制性条文执行记录表输变电工程施工强制性条文执行记录表工程名称:110k V源泰变电站土建工程编号:SZLB23-005注本表一式____份,由施工项目部填报,监理项目部存____份,施工项目部存____份。
变电站设备接地强制性条文执行记录表表6.4.2 重要设备和设备架构接地施工强制性条文执行记录表6.6.2电气装置本体接地施工强制性条文执行记录表表4.2.2 电力变压器施工强制性条文执行记录表表6.1.2 变电站设备接地强制性条文执行记录表表6.1.2 变电站设备接地强制性条文执行记录表表9.0.2 35kV 及以下架空电力线路施工强制性条文执行记录表表6.1.2 变电站设备接地强制性条文执行记录表表6.4.2 重要设备和设备架构接地施工强制性条文执行记录表6.6.2电气装置本体接地施工强制性条文执行记录表表6.1.2 变电站设备接地强制性条文执行记录表表6.1.2 变电站设备接地强制性条文执行记录表表9.0.2 35kV 及以下架空电力线路施工强制性条文执行记录表表6.1.2 变电站设备接地强制性条文执行记录表表6.7.2 变电站附属及二次设备接地施工强制性条文执行记录表表6.1.2 变电站设备接地强制性条文执行记录表表6.4.2 重要设备和设备架构接地施工强制性条文执行记录表表6.1.2 变电站设备接地强制性条文执行记录表表6.4.2 重要设备和设备架构接地施工强制性条文执行记录表表6.1.2 变电站设备接地强制性条文执行记录表表6.4.2 重要设备和设备架构接地施工强制性条文执行记录表表9.0.2 35kV 及以下架空电力线路施工强制性条文执行记录表表6.4.2 重要设备和设备架构接地施工强制性条文执行记录表表4.1.2 断路器施工强制性条文执行记录表表6.4.2 重要设备和设备架构接地施工强制性条文执行记录表表6.1.2 变电站设备接地强制性条文执行记录表表6.4.2 重要设备和设备架构接地施工强制性条文执行记录表表9.0.2 35kV 及以下架空电力线路施工强制性条文执行记录表表6.1.2 变电站设备接地强制性条文执行记录表表6.1.2 变电站设备接地强制性条文执行记录表表6.14.2 配电装置接地施工强制性条文执行记录表表6.1.2 变电站设备接地强制性条文执行记录表表8.0.2 盘、柜安装施工强制性条文执行记录表。
表2升压站电气安装工程施工强制性条文执行计划表
表2升压站电气工程施工强制性条文执行计划表工程名称:代字营200MW农光互补光伏发电项目EPC总承包工程
高压电器施工工程质量强制性条文执行表
电力变压器、互感器施工工程质量强制性条文执行表
编号:施电表2
母线安装工程质量强制性条文执行表
编号:施电表3
编号:施电表4
编号:施电表5
盘、柜安装工程质量强制性条文执行表
编号:施电表6
低压电器安装工程质量强制性条文执行表
编号:施电表7
升压站电气安装及调试工程质量强制性条文执行表
编号:施电表8
建筑电气照明工程质量强制性条文执行表
编号:施电表9。
土石方及基坑工程施工强制性条文执行登记表表5.1.2 编号:混凝土工程施工质量强制性条文执行登记表表10.5.2 编号:混凝土工程施工质量强制性条文执行登记表表10.5.2(续1)编号:混凝土工程施工质量强制性条文执行登记表表10.5.2(续2)编号:混凝土工程施工质量强制性条文执行登记表表10.5.2(续3)编号:组合钢模板工程施工强制性条文执行登记表表10.1.2 编号:组合钢模板施工质量强制性条文执行登记表表10.1.2(续1)编号:组合钢模板施工质量强制性条文执行登记表表10.1.2(续2)编号:钢筋工程施工强制性条文执行登记表表10.3.2 编号:钢筋工程施工强制性条文执行登记表表10.3.2(续1)编号:混凝土工程施工质量强制性条文执行登记表表10.5.2 编号:混凝土工程施工质量强制性条文执行登记表表10.5.2(续1)编号:混凝土工程施工质量强制性条文执行登记表表10.5.2(续2)编号:混凝土工程施工质量强制性条文执行登记表表10.5.2 编号:混凝土工程施工质量强制性条文执行登记表表10.5.2(续1)编号:混凝土工程施工质量强制性条文执行登记表表10.5.2(续2)编号:混凝土工程施工质量强制性条文执行登记表表10.5.2(续3)编号:组合钢模板工程施工强制性条文执行登记表表10.1.2 编号:组合钢模板施工质量强制性条文执行登记表表10.1.2(续1)编号:组合钢模板施工质量强制性条文执行登记表表10.1.2(续2)编号:钢筋工程施工强制性条文执行登记表表10.3.2 编号:混凝土工程施工质量强制性条文执行登记表表10.5.2 编号:混凝土工程施工质量强制性条文执行登记表表10.5.2(续1)编号:混凝土工程施工质量强制性条文执行登记表表10.5.2(续2)编号:混凝土工程施工质量强制性条文执行登记表表10.5.2 编号:混凝土工程施工质量强制性条文执行登记表表10.5.2(续1)编号:混凝土工程施工质量强制性条文执行登记表表10.5.2(续2)编号:混凝土工程施工质量强制性条文执行登记表表10.5.2(续3)编号:组合钢模板工程施工强制性条文执行登记表表10.1.2 编号:组合钢模板施工质量强制性条文执行登记表表10.1.2(续1)编号:组合钢模板施工质量强制性条文执行登记表表10.1.2(续2)编号:钢筋工程施工强制性条文执行登记表表10.3.2 编号:混凝土工程施工质量强制性条文执行登记表表10.5.2 编号:混凝土工程施工质量强制性条文执行登记表表10.5.2(续1)编号:混凝土工程施工质量强制性条文执行登记表表10.5.2(续2)编号:。