砌体工程施工强制性条文执行记录表
- 格式:doc
- 大小:72.00 KB
- 文档页数:4
“建设工程标准强制性条文”专项检查表
工程建设标准《强制性条文》执行情况检查表(火电工程)
(房屋建筑部分)
检查人:检查时间:2009年06月25日
“建设工程标准强制性条文”专项检查表
工程建设标准《强制性条文》执行情况检查表(火电工程)
(房屋建筑部分)
检查人:检查时间:2005年11月13日
强制性条文执行整改复检记录
检查人:检查日期:2005年11月28日
“建设工程标准强制性条文”专项检查表
工程建设标准《强制性条文》执行情况检查表(火电工程)
(房屋建筑部分)
检查人:检查时间:2006年10月09日
强制性条文执行整改复检记录
检查人:检查日期:2006年10月15日
“建设工程标准强制性条文”专项检查表
(房屋建筑部分)
检查人:检查时间:2006年10月09日强制性条文执行整改复检记录。
建筑工程施工强制性条文检查记录基本要求受检地区:时间:年月日DDDDDDDDDDDDDDD“判定”填写说明:1.A 表示符合强制性标准;B 表示可能违反强制性标准,经检测单位检测,设计单位核定后,再判定;c 表示违反强制性标准;D 表示严重违反强制性标准。
2.由多项内容组成为一条的强制性条文,取最低级判定为条的判定。
地基基础受检地区: 时间:年 月 日 DDDDDD D D D D DDD D D D D D D D D D DDDDDDDD“判定”填写说明:I .B 表示符合强制性标准;C 表示可能违反强制性标准,经检测单位检测,设计单位核定后,再判定 D 表示违反强制性标准;D 表示严重违反强制性标准。
2.由多项内容组成为一条的强制性条文,取最低级判定为条的判定。
混凝土结构工程受检地区: 时间: 年 月 日DD D D D D D D D DD“判定”填写说明:I.B表示符合强制性标准;C表示可能违反强制性标准,经检测单位检测,设计单位核定后,再判定D表示违反强制性标准;D表示严重违反强制性标准。
2.由多项内容组成为一条的强制性条文,取最低级判定为条的判定。
钢结构工程受检地区:时间:年月日DDDDDDDD D D D D D DDDD “判定”填写说明:I.B表示符合强制性标准;C表示可能违反强制性标准,经检测单位检测,设计单位核定后,再判定D表示违反强制性标准;D表示严重违反强制性标准。
2.由多项内容组成为一条的强制性条文,取最低级判定为条的判定。
砌体结构工程受检地区:时间:年月日DDDDDDDDDDDDD D DD“判定”填写说明:I.B表示符合强制性标准;C表示可能违反强制性标准,经检测单位检测,设计单位核定后,再判定D表示违反强制性标准;D表示严重违反强制性标准。
2.由多项内容组成为一条的强制性条文,取最低级判定为条的判定。
木结构工程受检地区:时间:年月日DDDDDD “判定”填写说明:I.B表示符合强制性标准;C表示可能违反强制性标准,经检测单位检测,设计单位核定后,再判定D表示违反强制性标准;D表示严重违反强制性标准。
升压站土建工程建设标准强制性条文实施管理规程1 范围1.0.1 为加强输变电工程建设过程控制,强化质量责任,规范质量行为,确保输变电工程建设严格执行强制性条文,保证工程质量及电网安全,根据法律、法规及相关规定,制定本规程。
1.0.2 本规程适用于国家电网公司输变电工程建设的质量管理,各建设、勘察、设计、施工、调试、监理、试验和检测等单位均应遵照执行。
1.0.3 本规程所称强制性条文,包括国家现行有效的工程建设标准强制性条文(以下简称强制性条文),且适用于最新版本,应及时更新替代、补充新增内容。
2 规范性引用文件下列文件中的条款通过本规程的引用而成为本规程的条款,其最新版本适用于本规程。
GB 50202-2002 建筑地基基础工程施工质量验收规范GB 50203-2002 砌体工程施工质量验收规范GB 50204-2002 混凝土结构工程施工质量验收规范GB 50205-2001 钢结构工程施工质量验收规范GB 50206-2002 木结构工程质量验收规范GB 50207-2002 屋面工程质量验收规范GB 50208-2002 地下防水工程质量验收规范GB 50209-2002 建筑地面工程施工质量验收规范GB 50210-2001 建筑装饰装修工程质量验收规范GB 50214-2001 组合钢模板技术规范GB 50242-2002 建筑给水排水及采暖工程施工质量验收规范GB 50243-2002 通风与空调工程施工质量验收规范GB 50303-2002 建筑电气工程施工质量验收规范GB 50300-2001 建筑工程施工质量验收统一标准GB 50310-2002 电梯工程施工质量验收规范GB 50345-2004 屋面工程技术规范JGJ 18-2003 钢筋焊接及验收规程JGJ 52-2006 普通混凝土用砂和石质量标准及检验方法JGJ 55-2000 普通混凝土配合比设计规程JGJ 63-2006 混凝土用水标准表4.0.2建筑施工验收管理强制性条文执行记录表强制性条文内容执行要素执行情况相关资料《建筑工程施工质量验收统一标准》(GB 50300-2001)3.0.3建筑工程施工质量应按下列要求进行验收:1 建筑工程施工质量应符合本标准和相关专业验收规范的规定。
建筑工程施工强制性条文检查记录附录九建筑工程施工强制性条文检查记录附表9-1 基本要求受检地区:时间:年月日工程名称结构类型建设单位受检部位施工单位负责人项目经理技术负责人开工日期《建筑工程施工质量验收统一标准》(GB 50300-2002)条号项目检查内容判定3.0.3 施工质量验收 A B C D技术标准施工技术标准储备、执行、降低、验收 A B C D勘察、设计按图施工、技术交底、设计变更、组织设计 A B C D人员资格项目经理、技术负责人、质检员、监理工程师 A B C D验收过程施工自检、监理(建设单位)验收 A B C D 见证取样检测措施、制度、人员、报告、结果分析 A B C D 检验批主控项目和一般项目的填写制度及落实 A B C D抽样检测制度、检测结果 A B C D检测单位单位资格、人员、结果的规范性 A B C D观感检查监理计划 A B C D5.0.4 单位(子单位)分部(子分部)、控制资料、安全和功能检测、抽查结果、观感验收A B C D5.0.7 严禁验收加固、论证、判定 A B C D6.0.3 验收报告自检报告、检查程序 A B C D 6.0.4 工程验收监理(建设)单位验收程序、报告内容 A B C D 6.0.7 工程备案备案准备、时间 A B C D “判定”填定说明:1、A表示符合强制性标准;B表示可能违反强制性标准,经检测单位检测,设计单位核定后,再判定;C表示违反强制性标准;D表示违反强制性标准。
2、由多项内容组成为一条的强制性条文,取最低判定条文的判定。
附表9-2 地基基础受检地区:时间:年月日工程名称结构类型建设单位受检部位施工单位负责人项目经技术开工理负责人日期《建筑工程施工质量验收统一标准》(GB 50202-2002)条号项目检查内容判定4.1.5 单一地基地基强度和承载力,测试方法,数量 A B C D4.1.6 复合地基地基强度和承载力,测试方法,数量 A B C D5.1.3 打(压)入桩最终桩位偏差或斜桩的倾斜度、偏差范围,全数检查A B C D5.1.4 灌注桩最终桩位标高,桩底沉渣厚度及试件强度、偏差 A B C D 5.1.5 工程桩承载力水平承载力或竖向承载力,试验方法,数量 A B C D 7.1.3 土方开挖开挖的顺序、方法,设计工况,跟踪措施 A B C D7.1.7 基坑(槽)、管沟开挖基坑变形及周围建筑物的沉降或变形,变形监控措施A B C D 《湿陷性黄土地区建筑规范》(GBJ 25-90)5.1.1 湿陷性黄土施工设计要求、施工组织、施工措施、观察记录 A B C D 5.4.5 黄土湿陷施工措施、沉降和裂缝观测 A B C D《膨胀土地区建筑技术规范》(GBJ 112-87)4.1.3 施工用水用水措施、排水措施 A B C D《建筑基坑支护技术规范》(GBJ 120-99)3.7.2 基坑边界周围排水沟、降排水措施 A B C D 3.7.3 基坑周边严禁超堆荷载 A B C D 3.7.5 基坑开挖防止碰撞支护结构、工程桩或扰动基底原状土措施 A B C D《建筑边坡工程技术规范》(GB 50330-2002)15.1.2 土石方开挖后不稳定或欠稳定的边坡根据边坡的地质特征和可能发生的破坏等情况,采取自上而下、分段跳槽、及时支护的逆作法或部分分逆作法施工。
SXMB4 施工强制性条文执行计划报审表施工强制性条文执行计划报审表工程名称:河南新蔡陈店风电场项目编号:TB2-SXMB4-001河南新蔡陈店风电场项目施工强制性条文执行计划批准:年月日审核:年月日编写:年月日施工单位(章)年月日目录1、工程概况 (1)2、编制目的 (1)3、编制依据 (1)4、施工强条实施组织机构 (2)5、施工强制性条文实施措施 (3)6 、执行计划表及附表 (6)1、工程概况1.1工程名称:河南新蔡陈店风电场项目1.2 工程地点:河南省新蔡县陈店1.3 工程概况河南省新蔡县陈店风电场项目建设规模为50MW,共安装19台单机容量为2650KW 的风电机组,175座塔基,并配套建设一座110KV升压站(升压站附属用房主体由其他施工单位施工建设)。
电场项目110kV升压站土建工程,主要建筑物为配电室、主变压器基础、接地变基础、SVG基础、箱变基础、事故油池基础、电压电流互感器基础、母线桥基础、中性点设备基础、110kV构架基础等。
2、编制目的为了在电力工程建设中强化贯彻执行国家质量安全法律法规和强制性技术标准的力度,规范质量行为,确保工程建设的质量与安全,以及本工程顺利的达标投产,特制定本实施计划。
3、编制依据《建设工程质量管理条例》(国务院令第279号)《建筑地基基础工程施工质量验收规范》GB50202-2018《建筑基坑支护技术规程》JGJ120-2012《混凝土结构工程施工质量验收规范》(GB 50204-2015)《混凝土结构工程施工规范》( GB 50666-2011)《混凝土结构工程施工质量验收规范》(GB 50204-2015)《钢筋机械连接通用技术规程》(JGJ 107-2016)《混凝土结构工程施工规范》( GB 50666-2011)《普通混凝土配合比设计规程》(JGJ 55—2011)《普通混凝土用砂、石质量标准及检验方法标准》(JGJ 52—2006)《混凝土结构工程施工规范》( GB 50666-2011)《电气装置安装工程高压电器施工及验收规范》GB50147-2010《电气装置安装工程电力变压器、油浸电抗器、互感器施工及验收规范》GB50148-2010 《电气装置安装工程母线装置施工及验收规范》GB50149-2010《电气装置安装工程电气设备交接试验标准》GB50150-2016《电气装置安装工程电缆线路施工及验收规范》GB50168-2018《电气装置安装工程接地装置施工及验收规范》GB50169-2016《电气装置安装工程旋转电机施工及验收规范》GB50170-2018《电气装置安装工程盘、柜及二次回路结线施工及验收规范》GB50171-2012《电气装置安装工程 35kV及以下架空电力线路施工及验收规范》GB50173-2014《电气装置安装工程低压电器施工及验收规范》GB50254-2014《电气装置安装工程起重机电气装置施工及验收规范》GB50256-2014《电气装置安装工程爆炸和火灾危险环境电气装置施工验收规范》GB50257-20144、施工强条实施组织机构4.1组织机构施工项目部负责实施《电力工程建设标准强制性条文施工项目部实施计划》。
工程建设标准强制性条文执行检查记录表填写单位:南通五建升压站土建项目部
工程建设标准强制性条文执行检查记录表填写单位:南通五建升压站土建项目部
工程建设标准强制性条文执行检查记录表填写单位:南通五建升压站土建项目部
工程建设标准强制性条文执行检查记录表填写单位:南通五建升压站土建项目部
工程建设标准强制性条文执行检查记录表填写单位:南通五建升压站土建项目部
工程建设标准强制性条文执行检查记录表填写单位:南通五建升压站土建项目部
工程建设标准强制性条文执行检查记录表填写单位:南通五建升压站土建项目部
工程建设标准强制性条文执行检查记录表填写单位:南通五建升压站土建项目部
工程建设标准强制性条文执行检查记录表填写单位:南通五建升压站土建项目部
工程建设标准强制性条文执行检查记录表填写单位:南通五建升压站土建项目部
华能升压站220KV土建工程
工程建设标准强制性条文执行检查记录表填写单位:南通五建升压站土建项目部。
3.0.2 风机基础工程施工质量强制性条文执行计划表见表3.0.2
3.0.2 电缆线路工程施工强制性条文执行计划表见表3.0.2
3 强制性条文执行计划
3.0.1 工程项目开工前,监理单位编制《输电线路工程施工强制性条文执行计划表,》报建设单位批准执行。
保证工程项目执行强制性条文的完整性。
3.0.2 输电线路工程施工强制性条文执行计划表见表3.0.2
工程建设标准强制性条文电力工程部分
二、工程建设标准强制性条文土建工程部分
三、工程建设标准强制性条文公路工程部分。
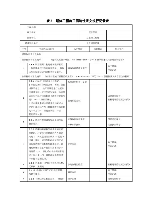
砖砌体工程施工强制性条文执行记录表
表9.2.2钢筋工程施工强制性条文执行记录表
表9.4.2现浇混凝土工程施工强制性条文执行记录表
先张法预应力管桩施工强制性条文执行记录表
电气设备接地施工强制性条文执行记录表
表6.1.2 续
电气设备接地施工强制性条文执行记录表
表6.1.3续
电气设备接地施工强制性条文执行记录表
表6.1.2 续
电气设备接地施工强制性条文执行记录表
表6.1.2 续
电力变压器施工强制性条文执行记录表
电气装置本体接地施工强制性条文执行记录表
电气设备接地施工强制性条文执行记录表
表6.1.2 编号: QTJH-008
表6.1.2 续
电气设备接地施工强制性条文执行记录表
表6.1.2续。
工程建设标准强制性条文的内容,是工程建设现行国家和行业标准中直接涉及人民生命财产安全、人身健康、环境保护和公众利益的条文,强制性条文必须严格执行。
本工程建设标准强制性条文,作为工程建设中执行、检查、监督的依据。
强调了实施计划,强化了事前、事中的过程控制,完善了执行的事后控制,尽可能地避免在执行中发生偏差、遗漏和违反强制性条文的情况,有利于提高输变电工程建设管理水平,保障电网安全。
一、编制依据及有关规范引用文件1.关于国家电网公司印发《输变电工程建设标准强制性条文实施管理规程》及国家电网科〔2009〕642 号文件2.中华人民共和国建筑法3.国务院令第 279 号建设工程质量管理条例4.建设部 81 号令实施工程建设强制性标准监督规定5.中华人民共和国工程建设标准强制性条文(电力工程部分)6.GB 50108 — 2008 地下工程防水技术规范7.GB 50119 — 2003 混凝土外加剂应用技术规范8.GB 50202 — 2002 建筑地基基础工程施工质量验收规范9.GB 50203 — 2002 砌体工程施工质量验收规范10. GB 50208 — 2002 地下防水工程质量验收规范11.GB 50214 — 2001 组合钢模板技术规范12.GB 50330 — 2002 建筑边坡工程技术规范13.JGJ 18 — 2003 钢筋焊接及验收规程14.JGJ 52 — 2006 普通混凝土用砂和石质量标准及检验方法15.JGJ 55 — 2000 普通混凝土配合比设计规程16.JGJ 63 — 2006 混凝土用水标准17.《排水管(渠)工程施工质量检验标准》(DBJ01-13-2004)18.JGJ 95 — 2003 冷轧带肋钢筋混凝土结构技术规程19.JGJ 98 — 2000 砌筑砂浆配合比设计规程20.JGJ 120 — 1999 建筑基坑支护技术规程21.DB11/383-2006建设工程施工现场安全资料管理规程22.DL 5009.3 — 1997 电力建设安全工作规程(变电所部分)23.DL 5009.2 — 2004 电力建设安全工作规程第二部分:架空电力线路二、浅埋暗挖工程施工强制性条文1.工程施工阶段,强制性条文执行的主体责任单位为施工单位。
建筑工程施工强迫性条则履行状况统计表目录1.基本要求2.地基基础3.混凝土结构工程4.钢结构工程5.砌体结构6.木结构工程7.防水工程8.装饰装饰工程9.给水排水及采暖工程10.电气工程11.通风和空调工程基本要求《建筑工程施工质量查收一致标准》条号项目GB50300-2002检查内容不切合标准的起数施工质量查收技术标准施工技术标准贮备、履行、降低、查收勘探、设计按图施工、技术交底、设计更改、组织设计人员资格项目经理、技术负责人、质检员、监理工程师查收过程施工自检、监理(建设单位)查收目睹取样检测举措、制度、人员、报告、结果剖析查验批主控项目和一般项目的填写制度及落实抽样检测制度、检测结果检测单位单位资格、人员、结果的规范性观感检查监理计划单位(子单位)分部(子)分部、控制资料、安全和功能检测、抽查结果、观感查收禁止查收加固、论证、判断查收报告自检报告、检查程序工程查收监理(建设)单位查收程序、报告内容工程存案存案准备、时间地基基础《建筑地基基础工程施工质量查收规范》条号项目GB50202-2002检查内容不切合标准的起数单调地基地基强度和承载力,测试方法、数目复合地基地基强度和承载力,测试方法、数目打(压)入桩最后桩位误差或斜桩的倾斜度,误差范围,全数检查灌输桩最后桩位标高,桩底沉渣厚度及试件强度,误差工程桩承载力水平承载力或竖向承载力,试验、数目土方开挖开挖的次序、方法、设计工况,追踪措施基坑(槽)、管沟开基坑变形及四周建筑物的沉降或变形,挖变形监控举措《湿陷性黄土地域建筑规范》 GBJ25-90湿陷性黄土施工设计要求、施工组织、施工举措、观察记录黄土湿陷施工举措、沉降和裂痕观察《膨胀土地域建筑技术规范》 GBJ112-87施工用水用水举措、排水举措《建筑基坑支护技术规程》 JGJ120-99基坑界限四周排水渠、降排水举措基坑周边禁止超堆荷载基坑开挖防备碰撞支护结构、工程桩或扰动基底原状土举措《建筑边坡工程技术规范》 GB50330-2002土石方开挖后不稳固依据边坡的地质特点和可能发生的破或欠稳固的边坡坏等状况,采纳自上而下、分段跳槽、实时支护的逆作法或部分逆作法施工。