分部工程质量验收记录SG-022
- 格式:doc
- 大小:108.50 KB
- 文档页数:5
分部工程设备验收记录SG-022
1. 验收概述
本文档旨在记录分部工程设备的验收情况,确保所使用的设备
符合相关要求和标准。
2. 项目信息
- 项目名称:
- 项目编号:
- 设备名称:
- 设备编号:
- 施工单位:
- 验收日期:
3. 验收内容
3.1 设备外观检查
在验收过程中,应对设备的外观进行全面检查,包括但不限于:- 设备表面是否平整,无明显损伤;
- 设备部件是否安装牢固、无松动现象;
- 设备表面是否清洁,无明显污染、锈蚀等现象。
3.2 设备功能检查
对设备的功能进行全面检查,确保其正常运转。
具体包括但不限于:
- 启动设备,观察其是否能正常运行;
- 检查设备输出是否符合设计要求;
- 测试设备的各项功能,确保正常运转。
3.3 设备安全性检查
对设备的安全性进行全面检查,确保其使用过程中不会对人身安全造成威胁。
具体包括但不限于:
- 检查设备的防护装置是否齐全有效;
- 检查设备的接地是否符合要求;
- 检查设备的电气安全是否符合相关标准。
4. 验收结果
根据对设备的检查和测试,验收结果如下:
- 设备外观检查合格;
- 设备功能检查合格;
- 设备安全性检查合格。
5. 验收结论
根据以上验证结果,本次设备验收工作顺利完成,设备符合相关要求和标准。
6. 验收人员
- 验收人员:
- 日期:
7. 备注
(根据需要填写)。
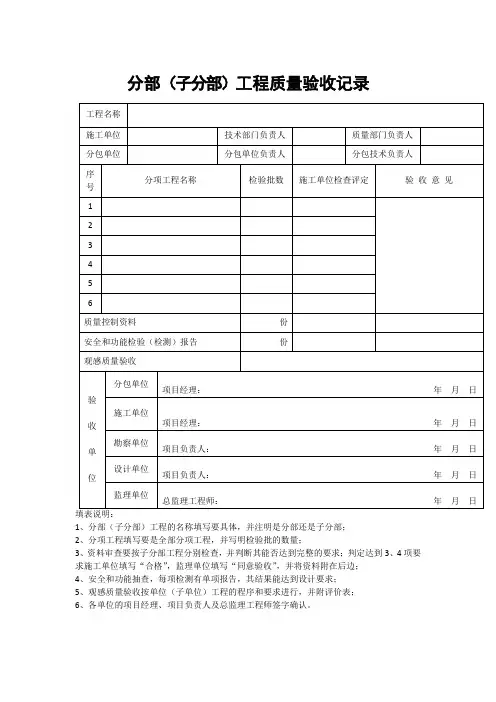
分部工程质量验收记录
一、工程概况
本分部工程为xxxxx工程的一部分,包括xxxxxx、xxxxxx、xxxxxx等内容,建设地点为xxxxxx,工程总面积约为xxxxx平方米,总投资xxxxx万元。
本分部工程实施单位为xxxxx,监理单位为xxxxx。
二、质量验收情况
1. 工程质量验收标准
本分部工程质量验收按照xxxxx标准进行,验收内容包括xxxxx、xxxxx、xxxxx等。
2. 验收前的准备工作
2.1 设备、材料检查
施工单位按照规范要求检查了所有使用的设备和材料,并确保所有设备合格、符合规范要求。
2.2 施工方案审查
施工单位按照规范要求编制了本分部工程的施工方案,并经过监理单位审查合格。
2.3 现场检查
监理单位对本分部工程进行了现场检查,并确认工程质量符合规范要求。
3. 验收结果
3.1 验收合格项目
验收项目验收标准验收结果
项目一标准一合格
项目二标准二合格
项目三标准三合格
3.2 验收不合格项目
无
三、存在问题及整改措施
本分部工程没有发现任何质量问题,不存在需要整改的情况。
四、验收结论
本分部工程经过严格的质量验收,所有项目均符合规范要求,验收结果为合格。
结构类型层数/规模技术部门负责人质量部门负责人分包单位负责人
分包技术负责人
序号
分项工程名称
检验批数
注册建造师(项目经理):(签字)/注册建造师(项目经理):(签字)
项目负责人:项目负责人:总监理工程师(建设单位项目专业负责人):
分部工程质量验收记录
工程名称施工单位分包单位施工单位检查评定记录
验收意见
质量控制资料
安全和功能检验(检测)报告 观感质量验收情况
分包单位 年 月 日
施工单位
年 月 日
四川省建设厅制
验收单位
SG-022
勘察单位 年 月 日
设计单位 年 月 日
监理(建设)单位
年 月 日。
分部工程质量验收记录
强夯施工分部工程质量验收记录
主体分部工程质量验收记录
分部工程质量验收记录
建筑电气商铺改造分部工程质量验收记录
建筑给水、消防商铺改造分部工程质量验收记录
商铺改造分部工程质量验收记录
建筑电气分部工程质量验收记录
建筑给、排水分部工程质量验收记录
建筑电气分部工程质量验收记录
四川省建设厅制
建筑给、排水 分部工程质量验收记录
四川省建设厅制
建筑电气 分部工程质量验收记录
四川省建设厅制
建筑给、排水 分部工程质量验收记录
四川省建设厅制
建筑电气 分部工程质量验收记录
四川省建设厅制
建筑给、排水 分部工程质量验收记录
四川省建设厅制
装饰、装修 分部工程质量验收记录
装饰、装修分部工程质量验收记录
装饰、装修分部工程质量验收记录
装饰、装修分部工程质量验收记录
屋面 分部工程质量验收记录
四川省建设厅制
主体 分部工程质量验收记录
四川省建设厅制
地基与基础 分部工程质量验收记录
四川省建设厅制
地基与基础 分部工程质量验收记录
四川省建设厅制
地基与基础 分部工程质量验收记录
四川省建设厅制。
工程验收资料(仅供参考)一、分部分项工程质量验收资料(一)、基础分部工程质量验收证明书(该资料系上海资料)1、地基与基础工程质量文件汇总表——SG-T0282、地基与基础分部工程质量验收报告——SG-T0273、分部工程质量验收记录——SG-0224、分项工程质量验收记录——SG-024(二)、主体分部工程质量验收证明书(该资料系上海资料)1、主体结构工程质量文件汇总表——SG-0302、主体结构分部工程质量验收报告——SG-0263、分部工程质量验收记录——SG-0224、分项工程质量验收记录——SG-024(三)、建筑屋面分部工程质量验收证明书(该资料系上海资料)1、分部工程质量验收记录——SG-0222、分项工程质量验收记录——SG-024(四)、建筑装饰装修分部工程质量验收证明书(该资料系上海资料)1、分部工程质量验收记录——SG-0222、分项工程质量验收记录——SG-024(五)、建筑保温节能分部工程质量验收证明书(该资料系上海资料)1、分部工程质量验收记录——SG-0222、分项工程质量验收记录——SG-024(六)、建筑给水、排水及采暖分部工程质量验收证明书(该资料系上海资料)1、分部工程质量验收记录——SG-0222、分项工程质量验收记录——SG-024(七)、建筑电气分部工程质量验收证明书(该资料系上海资料)1、分部工程质量验收记录——SG-0222、分项工程质量验收记录——SG-024(八)、智能建筑分部工程质量验收证明书(该资料系上海资料)1、分部工程质量验收记录——SG-0222、分项工程质量验收记录——SG-024(九)、电梯分部工程质量验收证明书(该资料系上海资料)1、分部工程质量验收记录——SG-0222、分项工程质量验收记录——SG-024二、分项工程报验资料(一)、基础分部工程1、土方开挖工程土方开挖工程检验批质量验收记录——SG-T0102、土方回填工程土方回填工程检验批质量验收记录——SG-T011回填土夯实施工记录——SG-T0123、钢筋及模板工程钢筋加工检验批质量验收记录——SG-T040钢筋安装工程检验批质量验收记录——SG-T041模板工程检验批质量验收记录——SG-T042建筑工程隐蔽检验记录——SG-0134、混凝土工程混凝土工程施工检验批质量验收记录——SG-T043现浇结构混凝土工程检验批质量验收记录——SG-T044地下建筑防水混凝土检验批质量验收记录——SG-T034(有地下工程时填写)5、砌体工程砖砌体工程检验批质量验收记录——SG-T049(二)、主体分部工程1、钢筋及模板工程钢筋加工检验批质量验收记录——SG-T040钢筋安装工程检验批质量验收记录——SG-T041模板工程检验批质量验收记录——SG-T042建筑工程隐蔽检验记录——SG-0132、混凝土工程混凝土工程施工检验批质量验收记录——SG-T043现浇结构混凝土工程检验批质量验收记录——SG-T0443、砌体工程砖砌体工程检验批质量验收记录——SG-T049(砖混结构使用)填充墙砌体工程检验批质量验收记录——SG-T053(框架结构使用)(三)、屋面工程1、屋面找平层、保温层工程屋面找平层、保温层检验批质量验收记录——SG-T1192、屋面防水层工程屋面卷材、涂膜防水层工程检验批质量验收记录——SG-T120防水工程抗渗漏试验记录——SG-T1223、细石混凝土屋面工程密封材料嵌缝、细石混凝土屋面工程检验批质量验收记录——SG-T1214、瓦屋面工程平瓦屋面检验批质量验收记录表——040401(全国通用表)(四)、装饰装修工程1、墙面、天棚抹灰工程一般抹灰工程检验批质量验收记录——SG-T0802、木门窗安装工程木门窗制作检验批质量验收记录——SG-T082木门窗安装检验批质量验收记录——SG-T0833、塑料门窗安装工程塑料门窗安装检验批质量验收记录——SG-T085门窗玻璃安装检验批质量验收记录——SG-T0864、饰面砖粘接工程饰面砖粘接工程检验批质量验收记录——SG-T0925、涂料涂饰工程涂料(溶剂性)涂饰工程检验批质量验收记录——SG-T1026、护栏和扶手制作安装工程细部工程(护栏和扶手制作)安装检验批质量验收记录——SG-T1077、楼地面找平层工程楼地面找平层检验批质量验收记录——SG-T108楼地面隔离层检验批质量验收记录——SG-T1098、地面砖工程板块面层工程检验批质量验收记录——SG-T1139、木地板面层工程木、竹面层工程检验批质量验收记录——SG-T114(五)、建筑保温节能工程1、墙面保温节能工程聚苯板外保温系统墙体节能工程检验批/分项工程质量验收表——JN3.2.1(全国通用表)保温浆料系统墙体节能工程检验批/分项工程质量验收表——JN3.2.2(全国通用表)2、屋面保温节能工程屋面节能工程检验批/分项工程质量验收记录——JN3.5(全国通用表)3、门窗保温节能工程门窗节能工程检验批分项工程质量验收记录——JN3.4(全国通用表)(六)、建筑给水、排水及采暖工程1、室内给水管道安装工程(镀锌管)给水管道及配件安装工程检验批质量验收记录——SG-A012给水管道安装工程检验批质量验收记录——SG-A025管道系统消毒清洗记录——SG-A001阀门试验检查记录——SG-A002管道工程压力试验记录——SG-A003通水试验记录——SG-A005管道工程隐蔽验收记录——SG-A0062、室内消防管道安装工程给水管道及配件安装工程检验批质量验收记录——SG-A012给水管道安装工程检验批质量验收记录——SG-A025阀门试验检查记录——SG-A002管道工程压力试验记录——SG-A003通水试验记录——SG-A005管道工程隐蔽验收记录——SG-A0063、室内消防系统安装工程室内消火栓系统安装工程检验批质量验收记录——SG-A0134、室内热水管道安装工程室内热水管道及配件安装检验批验收记录——SG-A017给水管道安装工程检验批质量验收记录——SG-A025管道系统消毒清洗记录——SG-A001阀门试验检查记录——SG-A002管道工程压力试验记录——SG-A003通水试验记录——SG-A005管道工程隐蔽验收记录——SG-A0065、室内排水管道安装室内排水管道及配件安装工程检验批质量验收记录——SG-A015卫生器具排水管道安装工程检验批质量验收记录——SG-A021管道工程隐蔽验收记录——SG-A006污水管道立管通球检查记录——SG-A039污水管道渗水量试验记录——SG-A040排水管道灌水试验记录——SG-A0416、雨水管道安装雨水管道及配件安装工程检验批质量验收记录——SG-A016雨水管道灌水试验记录——SG-A0387、卫生器具安装卫生器具安装工程检验批质量验收记录——SG-A019卫生器具给水配件安装工程检验批质量验收记录——SG-A020卫生器具蓄水试验记录——SG-A037(七)、建筑电气工程1、接地装置安装接地装置安装工程检验批质量验收记录——SG-A088电气工程隐蔽验收记录——SG-A093接地电阻测试记录——SG-A0072、电气埋管电线导管、电缆导管和线槽敷设安装工程检验批质量验收记录——SG-A079电气工程隐蔽验收记录——SG-A093电气配管安装工程隐蔽验收记录——SG-A0943、管内穿线电线、电缆穿管和线槽敷线安装工程检验批质量验收记录——SG-A080绝缘电阻测试记录——SG-A0084、电缆沟敷设电缆电缆沟内和电缆竖井内电缆敷设安装工程检验批质量验收记录——SG-A078电气工程隐蔽验收记录——SG-A093接地电阻测试记录——SG-A0075、电缆桥架安装电缆桥架安装和桥架内电缆敷设安装工程检验批质量验收记录——SG-A077电缆头制作、接线和线路绝缘测试安装工程检验批质量验收记录——SG-A0826、防雷装置安装避雷引下线和变配电室接地干线敷设安装工程检验批质量验收记录——SG-A089接闪器工程检验批质量验收记录——SG-A090电气工程隐蔽验收记录——SG-A0937、等电位联结安装建筑物等电位联结工程检验批质量验收记录——SG-A091接地电阻测试记录——SG-A0078、配电箱安装成套配电柜、控制柜(屏、台)和动力照明配电箱(盘)安装分项工程检验批质量验收记录——SG-A0719、灯具安装普通灯具安装工程检验批质量验收记录——SG-A083专用灯具安装工程检验批质量验收记录——SG-A08410、开关、插座、风扇安装开关、插座、风扇安装工程检验批质量验收记录——SG-A08611、建筑照明通电试运行建筑照明通电试运行检验批质量验收记录——SG-A087系统通电试验记录——SG-A092。
分部分项工程验收记录一、工程概况为了确保工程的质量和进度,项目施工单位根据合同要求,对各分部分项工程进行了验收。
本次验收的分部分项工程是XXX项目的A分区B单元C项目。
二、参加验收的人员本次验收的参与人员包括建设单位代表、项目负责人、施工单位代表、监理单位代表等。
经协商一致,确定了验收小组成员。
三、验收内容本次验收的工程内容包括土建工程、设备安装工程、电气工程等多个分部分项工程。
1.土建工程:(1)验收了XXX区块的地基处理情况,包括基坑开挖、垫层、填筑等。
(2)验收了XXX区块的结构基本尺寸、结构安装情况、隐蔽工程等。
(3)验收了XXX区块的外观质量,包括门窗安装、水电布置等。
2.设备安装工程:(1)验收了XXX区块的设备安装情况,包括设备选型、安装位置、接线等。
(2)验收了XXX区块的设备运行情况,进行了设备试运行。
3.电气工程:(1)验收了XXX区块的电气线路走向、电缆敷设情况以及机电设备的接线情况和电气系统的综合性能等。
(2)对XXX区块的绝缘电阻、接触电阻等进行了测量。
四、验收结果通过对各工程内容的细致检查和评估,验收小组达成了以下结论:1.土建工程方面,基坑开挖、地基处理、结构基本尺寸、外观质量等均符合设计和规范要求。
隐蔽工程验收合格。
2.设备安装工程方面,设备安装位置准确、接线正确,各设备运行正常。
设备安装验收合格。
3.电气工程方面,电气线路走向合理、电缆敷设符合要求,绝缘电阻和接触电阻等测量结果良好。
电气工程验收合格。
五、存在的问题及整改措施尽管本次验收结果较为满意,但仍存在以下问题:1.土建工程方面,部分工程质量未达到预期要求,需要加强质量管理和监督。
2.设备安装工程方面,有个别设备存在安装位置不准确的情况,需要及时更正。
3.电气工程方面,绝缘电阻和接触电阻测试的数据相对较大,需要进行细致检查和修正。
为解决上述问题,施工单位将采取以下整改措施:1.在土建工程方面,加强施工过程中的质量管控,加强工人的技术培训。
分部(子分部)工程质量验收记录
填表说明:
1、分部(子分部)工程的名称填写要具体,并注明是分部还是子分部;
2、分项工程填写要是全部分项工程,并写明检验批的数量;
3、资料审查要按子分部工程分别检查,并判断其能否达到完整的要求;判定达到3、4项要求施工单位填写“合格”,监理单位填写“同意验收”,并将资料附在后边;
4、安全和功能抽查,每项检测有单项报告,其结果能达到设计要求;
5、观感质量验收按单位(子单位)工程的程序和要求进行,并附评价表;
6、各单位的项目经理、项目负责人及总监理工程师签字确认。
分部分项工程质量验收记录一、项目背景本次工程质量验收记录针对一些具体的分部分项工程,旨在对该工程的质量进行评估和验收。
二、验收内容1.工程概述:详细描述该分部分项工程的基本情况,包括工程施工地点、工程规模、施工主体、施工时间等。
2.施工材料:列举该分部分项工程所使用的主要施工材料,包括材料的规格、牌号以及进场日期等。
3.施工过程:阐述该分部分项工程的施工过程,包括施工方法、施工顺序、施工人员动线等。
4.质量验收标准:详细描述该分部分项工程的质量验收标准,包括相关国家标准、行业标准以及项目方自行制定的质量验收标准等。
5.质量验收内容:根据质量验收标准,列举应进行的各项质量验收内容,包括但不限于工程质量抽查、工程质量检测、工程质量评估等。
6.质量验收结果:根据质量验收内容,对该分部分项工程进行质量验收,并记录质量验收结果,包括合格项、不合格项以及处理措施等。
7.验收结论:基于质量验收结果,对该分部分项工程进行验收结论,判断该分项工程的总体质量是否达到验收标准,并明确下一步的工作安排。
三、验收记录1.工程概述:描述该分部分项工程的基本情况,包括工程施工地点为XX地,工程规模为XX平方米,施工主体为XX公司,施工时间为XX年XX月-XX年XX 月。
2.施工材料:主要施工材料包括XX材料、XX材料和XX材料等。
材料规格和牌号分别为XX和XX,并于XX年XX月进场。
3.施工过程:施工过程符合工程施工顺序,施工人员动线合理,未出现违规操作或施工延误情况。
4.质量验收标准:质量验收标准参照国家XX标准和XX行业标准,项目方自行制定的质量验收标准,具体包括XX和XX。
5.质量验收内容:(1)工程质量抽查:对该分部分项工程进行了随机的质量抽查,包括材料使用、施工质量等方面。
(2)工程质量检测:对该分部分项工程进行了必要的工程质量检测,包括材料物理性能测试、工程结构强度测试等。
(3)工程质量评估:基于抽查和检测结果,对该分部分项工程的质量进行评估,判断是否符合验收标准。
分部分项工程质量验收记录1. 前言根据《建筑工程质量管理条例》和《建筑工程施工质量验收规范》,本文档对分部分项工程的质量验收记录进行详细记录和。
本文旨在确保每一个分部分项工程的质量符合国家和行业标准,确保工程的顺利得以交付。
2. 施工单位信息•单位名称:XXXX施工公司•地址:XXX市XXX区XXX街道XXX号•电话:XXXXXXXXXXX3. 工程情况3.1 工程名称XXX项目3.2 工程地点XXX市XXX区XXX街道3.3 工程概况本工程涉及XXX个分部分项工程,其中包括XXX个建筑分部分项工程和XXX 个安装分部分项工程。
4. 分部分项工程列表分部分项工程名称工程合同段编号工程实际完成时间验收结果XX分项工程XXX-XXX 2021年1月1日合格XX分项工程XXX-XXX 2021年2月1日合格XX分项工程XXX-XXX 2021年3月1日不合格5. 分部分项工程验收记录5.1 XX分项工程5.1.1 工程基础验收记录1.土壤验收土壤切片试验结果表明,土壤标准贯入阻力符合国家标准要求,土壤密度符合要求,综合评定为“合格”。
2.混凝土验收采用湿度仪对混凝土水分进行测量,结果符合国家标准,综合评定为“合格”。
5.1.2 工程结构验收记录1.钢筋验收钢筋品牌符合设计要求,验收合格。
2.混凝土验收混凝土密度符合国家标准,抗压强度满足设计要求,验收合格。
5.2 XX分项工程5.2.1 工程基础验收记录1.土壤验收土壤切片试验结果表明,土壤标准贯入阻力符合国家标准要求,土壤密度符合要求,综合评定为“合格”。
2.混凝土验收采用湿度仪对混凝土水分进行测量,结果符合国家标准,综合评定为“合格”。
5.2.2 工程结构验收记录1.钢筋验收钢筋品牌符合设计要求,验收合格。
2.混凝土验收混凝土密度符合国家标准,抗压强度满足设计要求,验收合格。
5.3 XX分项工程5.2.1 工程基础验收记录1.土壤验收土壤切片试验结果表明,土壤标准贯入阻力符合国家标准要求,土壤密度符合要求,综合评定为“不合格”。
分部工程成本验收记录SG-0221. 项目概述该文档记录了分部工程成本的验收情况,以确保项目的成本计划与实际执行一致。
2. 验收标准验收标准应基于项目的预算和计划,并符合相关的法律法规和工程质量标准。
3. 验收内容- 按照工程进度计划,对分部工程的成本执行情况进行核查。
- 检查成本记录的准确性和完整性。
- 确认分部工程成本与实际情况相符,并与项目成本计划进行对比。
4. 验收步骤4.1 成本核查对分部工程的成本执行情况进行核查,包括以下内容:- 材料采购成本核查:- 检查材料采购合同的签订情况。
- 核对材料采购和付款记录。
- 施工人工成本核查:- 核对劳务合同和劳动报酬支付记录。
- 确认劳务费用的合理性和准确性。
- 设备租赁成本核查:- 检查设备租赁合同的签订情况。
- 核对设备租赁费用的支付记录。
4.2 成本记录检查对成本记录进行检查,包括以下内容:- 确认成本记录的准确性和完整性。
- 核对成本记录与实际支出情况的一致性。
4.3 成本对比分析将分部工程的成本与项目成本计划进行对比分析,包括以下内容:- 确认分部工程成本是否超出或低于预算。
- 分析导致成本偏差的原因,并提出相应的解决措施。
5. 问题及解决措施如在验收过程中发现问题,应记录并及时提出相应的解决措施。
6. 验收结论根据对分部工程成本的核查和分析,给出验收结论,包括以下内容:- 分部工程成本符合预算和计划的验收。
- 分部工程成本超出或低于预算的原因。
- 针对成本偏差提出的解决措施。
7. 附件- 材料采购合同、和付款记录- 劳务合同和劳动报酬支付记录- 设备租赁合同和付款记录以上为分部工程成本验收记录SG-022的内容。
分部工程施工质量验收记录
一、验收项目:xxxxxxx
项目名称:xxxxxxx
验收时间:xxxx年xx月xx日
施工单位:xxxxxxx
监理单位:xxxxxxx
二、验收依据:
三、验收记录:
1.施工单位应提供相关资料,包括设计文件、施工方案、工程质量检验报告等。
2.验收人员对施工现场进行实地检查,对项目的合规性、施工质量进行评估。
四、验收结果:
1.对施工单位的资料进行审核,经比对确认无误。
2.验收人员对施工现场进行了全面的检查,并与设计文件进行对照,发现XXXXX(问题1),应立即整改。
3.验收人员对施工现场进行了细致的检查,并与工程质量检验报告进行对照,发现XXXXX(问题2),应立即整改。
五、整改措施:
1.针对问题1,要求施工单位立即采取措施进行整改,整改后重新进行施工质量验收。
2.针对问题2,要求施工单位立即采取措施进行整改,整改后重新进行施工质量验收。
六、验收结论:
1.经检查和整改,问题1已经得到了解决,符合相应的规范要求。
2.经检查和整改,问题2已经得到了解决,符合相应的规范要求。
七、质量验收报告:
1.附图:提供验收前后的施工照片,包括问题1以及整改后的照片。
2.附表:提供施工质量检验报告、评价表等相关资料。
八、验收人员:
审核人:xxxxxxx
监理人员:xxxxxxx
九、备注:
备注栏可以填写未验收合格的具体原因和整改措施。
十、签字确认:
施工单位负责人签字:_________________
监理单位负责人签字:_________________。
分部工程质量验收记录SG-022 SG-022建筑装饰装修分部工程质量验收记录
工程名称:板桥镇镇千秋村综合体农民集中安置房项目#
楼
施工单位:XXX
分包单位:无
序号分项工程名称检验批数结构类型技术部门负责人
分包单位负责人层数/规模质量部门负责人分包技术负责人
验收意见
1 一般抹灰 3 砖混屋面5层完整施工单位检查评定记录:合格
2 饰面砖粘结 1 砖混完整完整
3 板块屋面分项 1 完整完整
注册建造师(项目经理):(签字)年月日
勘察单位项目负责人:年月日
设计单位项目负责人:年月日
监理(建设)单位总监理工程师(建设单位项目专业负责人):年月日
注:观感质量验收情况和质量控制资料未提及。
SG-022屋面分部工程质量验收记录
工程名称:板桥镇镇千秋村综合体农民集中安置房项目3#楼
施工单位:XXX
分包单位:无
序号分项工程名称检验批数结构类型技术部门负责人分包单位负责人层数/规模质量部门负责人分包技术负责人验收意见
1 屋面找平层、保温层分项工程 1 砖混屋面5层完整施工单位检查评定记录:合格
2 屋面防水层分项工程 1 完整完整
注册建造。
SG-022
分部工程质量验收记录
工程名称结构类型层数/规模施工单技术部门负质量部门负
分包单分包单位负分包技术负
序分项工程名称检验施工单位检查评定记录验收意见1
2
3
4
5
6
7
8
质量控制资料
钢筋保护层、强度检测报告
观感质量验收情况
验收单位分包单位
注册建造师(项目经理):(签字)年月日
施工单位
注册建造师(项目经理):(签字)年月日
勘察单位项目负责人:年月日
四川省建设厅制
SG -022
建筑装饰装修 分部工程质量验收记录
位
四川省建设厅制
SG-022
屋面分部工程质量验收记录
四川省建设厅制 SG -022
建筑装饰装修分部工程质量验收记录
四川省建设厅制。