平法钢筋计算总结大表
- 格式:pdf
- 大小:2.17 MB
- 文档页数:30
柱平法1.基础插筋长=基础高度-b+弯折长(≥150)+基础上露部分(柱净高H n的1/3)+搭接长度2.首层纵筋=首层层高-基础插筋上露长度+首层筋上露长度[max(上一层柱净高的1/6,500,上一层柱截面长边hc)]+搭接长度3.中间柱纵筋=本层层高-下层柱上露钢筋+本层柱上露钢筋+搭接长度4.顶层柱纵筋=顶层层高-下层上露钢筋-屋顶梁高+锚固长度中柱锚固长度:1.(梁高+板厚-b)≥LaE,L=梁高+板厚-b2.(梁高+板厚-b)<LaE,L=梁高+板厚-b+12d边柱锚长度:L =1.5LaE5.基础箍筋个数: @≤500且不少于2道。
6.首层箍筋个数:柱根部加密区Hn/3,楼板梁部位:梁下+梁上+梁高max(柱高1/6,500,,柱长边)(首层根部加密区)/加密间距+1+(首层梁下加密区)/加密间距+1+(梁高)/加密间距+1+(柱中部非加密区/非加密间距+ 1)7.中间层箍筋个数=(下部加密区/加密间距+1)+(上部加密区/加密间距+1)+(梁截面高度/加密间距+1)+(非加密区高度/非加密区间距-1 )8.顶层箍筋个数=(下部加密区)/加密间距+1 +(上部加密区)/加密间距+1+(梁高)/加密间距+1+(非加密区/非加密间距-1)另:柱净高/柱截面长边(Hn/hc)≤4时为短柱,则箍筋全部加密梁平法1.上部贯通钢筋长度=∑各跨长度-左支座内侧宽-右支座内侧宽+锚固长度+搭接长度(即单焊10d,双面焊5d,机械0)2.下部贯通钢筋长度=∑各跨长度-左支座内侧宽-右支座内侧宽+锚固长度+搭接长度(即单焊10d,双面焊5d,机械0)直锚=max(LaE,0.5hc+5d)弯锚=支座宽-b+15d-柱箍筋d-柱主筋d-钢筋间距25(支座宽b≥0.4LaE)(下排时:-上排钢筋d -25)3.端支座上排负筋长=Ln/3+锚固长度端支座下排负筋长=Ln/4+锚固长度4.中间支座上排负筋长=2×(Ln*/3) +支座宽度中间支座下排负筋长=2×(Ln*/4) +支座宽度5.下部(不贯通时)钢筋长=Ln+2×锚固长度[中间支座锚固max(LaE,0.5hc+5d)]6.腰筋(梁高≥450) G锚固15d ,N锚固与下部筋相同7.拉筋长=梁宽- 2b+26d根数=(梁净跨-2×50)/(箍筋非加密区间距×2)+18.吊筋长=次梁宽+50×2+斜长×2+40d9.箍筋长=(梁高+梁宽)-8d+27.8d -8d根数=[(加密区长-50)/加密区间距+1]×2+(非加密区长/非加密区间距-1)]板平法1.贯通筋长=板净跨长+锚固长端部为砼支座:(T)上部La,(B)下部max(5d,1/2梁宽)端部为砌体支座:上部:板伸入垟内长+板厚-2b,下部:max(120,板厚)中间支座:上部不锚固,下部同端部max(5d,1/2梁宽)2.贯通筋根数=(板净跨长-2×50)/间距+13.负筋边支座=水平标注值+锚固长度(同上部锚固)+一个竖段长(板厚-15)中支座=左标注值+右标注值+2个竖段长试题四1.上部通长筋(hc-b>37d直锚):[8.10+4.138+1.357(Ln<4hc时,上部钢筋至挑梁端部不弯下)-0.10-0.035+37×0.02]×2(hc-b>37d直锚)=29.00m2.A支座负筋第一排(弯锚):[(8.1-0.1-0.3)/3+0.9-0.035+15×0.025] ×23. A支座负筋第二排:[(8.1-0.1-0.3)/4+0.9-0.035-0.025-0.02 5+15×0.025] ×24.B 支座负筋第一排:[(8.1-0.1-0.3)/3×2+0.6] ×2=11.47m 5. B 支座负筋第二排:[(8.1-0.1-0.3)/4×2+0.6] ×2=8.9m6.侧面受扭通长筋:(8.10+4.138+1.357-0.10-0.035+0.9-0.035+15×0.012) ×27.A-B跨下部钢筋:[(8.1-0.1-0.3)+(0.9-0.035+15×0.025) +37×0.025中支座取max(Lae,0.5hc+5d)] ×48.C支座负筋:[(4.138-0.3-0.3)/3+0.6+1.357-0.035+15×0.02] ×29.B-C跨下部钢筋:(37×0.016+4.138-0.3×2+0.6-0.035+15×0.016) ×410.悬挑部分下部钢筋:(1.357-0.035-0.3+15×0.016) ×411.A-B跨箍筋:单根长度:(0.3+0.6) ×2-8×0.035-8×0.008+27.8×0.008根数:[(1.2-0.05)/0.1+1] ×2+[(8.1-0.1-0.3-2×1.2)/0.15-1]12.A-B跨拉筋:单根长度:(0.3-0.035×2-0.006×2 +26×0.006)=0.374m根数: (8.1-0.1-0.3)/(0.2×2)+1=21根楼面板LB1, La=27d1.板上部筋X方向:单根长度=(7.20-0.25)+27×0.008×2=7.382m根数: (6.90-0.3-0.05×2)/0.15+1 =45根Y方向:单根长度=(6.90-0.3)+ 27×0.008×2=7.032m根数: (7.20-0.25-0.05×2)/0.15+1 =47根2. 板下部筋X方向:单根长度=(7.20-0.25)+0.125×2=7.20m 根数: (6.90-0.3-0.05×2)/0.15+1 =45根Y方向:单根长度=(6.90-0.3)+ 0.15×2 =6.90m根数: (7.20-0.25-0.05×2)/0.15+1 =47根第四题基价:1513.59+705.57×5/100-102.58×2.36 +118.41×2.36=1586.23元/10立方米综合工日:12.18+10.17×5/100=12.69工日/10立方米水泥:343×2.36(不计1:2水泥砂浆)=809.48kg特细砂:1.271×2.36(不计1:2水泥砂浆) =3.00t标准砖:5.236×1=5.236千块防水粉:55×5/100=2.75 kg水:1.05立方米管理费:158.62×12.47%=19.78元/立方米利润:158.62×4%=6.34元/立方米综合单价:158.62+128.26+19.78+6.34=313.00元/立方米<工程计量>二1.一层建筑面积:12.54×11.04-(12.54-10.14) ×(2.40+3.30)-(2.40+4.20) ×1.50=114.86平方米二层建筑面积:10.14×(11.04-1.50)-3.30×3.60=84.86 总层建筑面积:114.86+84.86=199.722.平整场地(清单规则):114.86平整场地(定额规则):114.86+(12.54+11.04) ×2×2+16=225.183.钢筋混凝土基础:1-1:[(12.54+11.04) ×2-0.24×4]×1.20×0.30=16.632-2:[3.3+(1.50+2.70) ×2+(10.80-1.50) ×2-0.60×10] ×1.20×0.30=8.753-3:(3.30-0.6×2) ×0.80×0.30=0.5016.63+8.75+0.50=25.884.外墙中心线:(12.54+11.04)×2-0.24×4=46.20m 内墙净长线:(3.30-0.24)×2+(11.04-0.24-0.24-1.50)+3.30 +(4.20-0.24)×2+3.60+(2.40-0.24) =32.16m首层砖墙工程量(清单规则):46.20×0.24×(3-0.12)+32.16×0.24×3.00-2.91-37.65×0.24=43.14首层砖墙工程量(定额规则):(46.20+32.16) ×0.24×3-2.91-37.65×0.24=(一层门窗洞口面积):1.5×1.5×2+1.20×1.5×2+2.4×1.5×1+1.8×1.5×2+1×2.4×1+0.9×2.1×3+0.8×2.1×1+1.5×2.4×3=37.655.首层客厅室内木地板:(5.7-0.24)×(1.5+3.6-0.24)+1.5×0.24 =26.90<工程计量>五1.挖基础土方:(2.4+0.1×2) ×(3.4+0.1×2) ×(3.6+0.1-0.3) ×18=572.83立方米独立基础:{3.4×2.4×0.25+1/6×0.20×[3.4×2.4+(3.4+0.6) ×(2.4+0.4)+0.6×0.4]} ×18=48.48立方米+0.0以下柱:0.6×0.4×(3.6-0.25-0.2)×18=13.61立方米基础土方回填:572.83-48.48-3.6×2.6×0.1×18-0.6×0.4×(3.6-0.25-0.20-0.30)×18=495.19立方米2.挖土方:[3.6×2.6×0.1+(3.6+2×0.3+0.33×3.3) ×(2.6+2×0.3+0.33×3.3) ×3.3+1/3×0.33×0.33×3.3×3.3×3.3] ×18=1387.80立方米外运土方:1387.80-490=897.80立方米人工费:(0.48×1387.80+0.10×897.80) ×22=16630.33元材料费:0元机械费:0.069×897.80×63.81=3952.91元合计:20583.24元3.管理费:20583.24×12%=2469.99元利润:20583.24×7%=1440.83元风险:(20583.24+2469.99)×1%=230.53元综合单价:(20583.24+2469.99+1440.83 +230.53)/572.83=43.16元/立方米<工程计量>四1题:瓷砖净用量:100/(0.15+0.002) ×(0.15+0.002)=4328.25块瓷砖消耗量:4328.25×(1+1.5%)=4393.17块结合层砂浆净用量:100×0.01=1立方米灰缝砂浆净用量:[100-(4328.25×0.15×0.15)] ×0.005 =0.013立方米水泥砂浆消耗量:(1+0.013) ×(1+1%)=1.02立方米3题:工程预付款:2200×25%=550万元起扣点:2200-550/62.5%=1320万元1110+180+210=1500万元>1320万元故预付款起扣时间为8月份.1—6月:1110×(1-3%)-90.56=986.14万元7月:180×(1-3%)-180×5%-35.5=130.1万元8月:210×(1-3%)-(1500-1320) ×62.5%-24.4=66.8万元9月:205×(1-3%)-205×62.5%-10.5=60.225万元10月:195×(1-3%)-195×62.5%-21=46.275万元11月:180×(1-3%)-180×62.5%-10.5=51.6万元12月:120×(1-3%)-120×62.5%-5.5+9 =35.9万元4题:主厂房工艺设备投资:2400×(30/25) ×1.25=3600万元主厂房投资:3600×(1+12%+1%+4%+2%+ 9%+18%+40%)=6696万元其中:建安工程投资:3600×0.4=1440万元设备购置投资:3600×1.46=5256万元工程费用与工程建设其他费用:6696×(1+30%+12%+20%+30%+20%)=14195.52万元5题:综合调整系数:K=11%×2.50+62%×1.25+6%×2.10+9%×1.15+12%×1.05=1.41结构差异额:0.08×285.48+0.95×79.75 -(0.044×253.1+0.842×11.95)=77.40元/平方米修正概算指标:889×1.41+77.40×(1+20%) =1346.37元/平方米拟建工程概算造价:1346.37×3420=4604585.40元6题:表 2 投资数据表资金单位:万元第六周末投资偏差=已完工程实际投资-已完工程计划投资=39-40=-1万元即投资节约1万元第六周末进度偏差=拟完工程计划投资-已完工程计划投资=67-40=27万元即进度拖后27万元第十周末投资偏差=84-90=-6万元即投资节约6万元第十周末进度偏差=100-90=10万元即进度拖后10万元10题:如h c-b≥LaE且≥0.5h c+5d则为直锚,否则为弯锚h c-b=700-25=675LaE=34×22=7480.5h c+5d=0.5×700+5×22=460边跨支座上排钢筋锚固长度:700-25-10-25-25+15×22=945边跨支座下排钢筋锚固长度:700-25-10-25-25-22-25+15×22=898(1)上部贯通筋:【(6000+1800+6000)-350×2+945×2】×2=29980(2)A支座上排钢筋长度:[(6000-350-350)/3+945]×2=5423A支座下排钢筋长度:【(6000-350-350)/4+898】×2=4446(3)D支座钢筋长度:同A支座(4)中间支座上排负筋长度:【(6000-700)/3+(1800+700)+(6000-700)/3】×2=12067中间支座下排负筋长度:【(6000-700)/4+(1800+700)+(6000-700)/4】×2=10300(5)梁中部贯通筋(腰筋):【(6000+1800+6000)-350×+15×10×2】×4=53600(6)梁下部贯通钢筋长度:左、右跨:【(6000-700)+945+34×22】×4×2=55944中跨:(1800-700+2×34×20)×2=4920(7)拉筋:单根长=梁宽-2b+26d=250-2×25+26×10=460根数=(梁净跨-2×50)/(箍筋非加密区间距×2)+1=【(6000-700-2×50)/200×2+1】×2 +【(1800-700-2×50)/200×2+1】=32总长:0.46×32=14.72m(8)箍筋:单根长=(700+250)×2-8×25+27.8×10 =1978根数=【(700×1.5-50)/100+1】×2×2 +【(1800-700-2×50)/100+1】+【(6000-700-700×1.5×2)/200-1】×2 =87总长:1.978×87=172.086m(9)¢22: 29.98+19.738+12.067+10.30 +55.944=128.029m¢20: 4.92m¢10: 53.6+14.72+172.086=240.406m总重:128.029×2.984+4.92×2.466+240.406×0.617=542.5㎏2010考题(B)四.1.建筑面积(4.50×4+0.24) ×(6.30+0.24)+(4.50×4+0.24)×(1.8+0.72-0.12)/2=2.墙体工程量:外墙={[(6.3+1.8+0.72+0.12) ×2+(4.5×4-0.24) ×2] ×(3.0-0.24)-1.0×2.4×4-1.5×1.5×4}×0.24-1.5×0.24×0.18×4-2.0×0.24×0.18×4=女儿墙=(4.5×4+6.3) ×2×0.24×(0.8-0.2)=内墙=(6.3-0.24) ×3×0.24×3.00=13.093.屋面刚性防水=(4.50×4-0.24) ×(6.3+1.8+0.72-0.12-0.24-0.24)= 2012考题三.1.建筑面积:(3.6+3.3+2.7+0.24) ×5.24-2.0×2.7/2=2.(1)地砖块料面层地面:(3.6-0.24) ×(5.0-0.24)+(3.3-0.24) ×(5.0-0.24)+(2.7-0.24) ×(3.0-0.24) +2.4×1.7(扣台阶0.3m×2,已含柱) +0.9×0.24×4(门)=(2)踢脚线:[(5.0-0.24) ×4+(3.0-0.24) ×2+(3.6-0.24) ×2+(3.3-0.24) ×2+(2.7-0.24) ×2+2.7+2.0-0.9×8]×0.15=(3)内墙面抹灰:[(5.0-0.24) ×4+(3.0-0.24) ×2+(3.6-0.24) ×2+(3.3-0.24) ×2+(2.7-0.24) ×2+2.7+2.0] ×3.6-0.9×2.4×6-1.5×1.5×6- 1.1×1.5×1=(4)天棚抹灰:(3.6-0.24) ×(5.0-0.24)+(3.3-0.24)×(5.0-0.24)+(2.7-0.24) ×(3.0-0.24) +2.0×2.7+[(3.6+3.3+2.7+5.0) ×2+0.24×4+0.18×4] ×0.18=(5)抹灰面乳胶漆:内墙面+天棚面四.(1)人工费:55×0.302=16.61元材料费:9.120×0.25+0.016×90+1.040×120+0.100×0.42 +0.55=129.11元机械费:0.40元管理费:16.61×30%=4.98元利润:16.61×10%=1.66综合单价:16.61+129.11+0.4+4.98 +1.66=152.76元(2)分部分项工程:207822.00元措施项目:56492.50元其他项目:12123.00元规费:32500×30%=9750.00元税金(207822+56492.5+12123+9750)×3.48%=9959.33元工程造价合计:207822+56492.5+ 12123+9750+9959.33=296146.83元加㎡装配式轻钢龙骨:26.00元/㎡石膏板:16.00元/㎡乳胶漆:2.00元/㎏天棚吊顶: 轻钢龙骨石膏板面层,刮腻子刷白色乳胶漆.人工费:(0.17+0.12+0.07) ×55=19.80元材料费(1.02×26+3.00+1.02×16.00+0.13+2× 3+0.28)=52.25元机械费:0元管理费:19.80×30%=5.94元利润: 19.80×10%=1.98元综合单价:19.80+52.25+0+5.94+1.98=79.97元/㎡2011考题五.外墙中心线:(3.0+3.3×2+2.1+4.2)×2 =31.8m内墙净长线:3.0+3.3-0.24+4.2-0.24+2.1+4.2-0.24=16.08m1.M10水泥砂浆条石基础:B=A/H(P127,128错误)外墙基础:(0.8×0.6+0.3×0.3)/0.9=0.633m内墙基础:(0.6×0.6+0.3×0.3)/0.9=0.50m外墙基础:(0.8×0.6+0.3×0.3) ××31.8=18.126内墙基础:(0.6×0.6+0.3×0.3) ×[(6.3-0.633/2-0.5/2)+(4.2-0.633/2-0.5/2)+(4.2+2.1-0.633/2×2)]=6.765条石基础合计=18.126+6.765=24.892.M7.5水泥砂浆砖基础:(31.8+16.08) ×0.24×(2.3-0.1-0.6-0.3)=14.943.人工挖基槽土方:外墙基础土方=31.8×(0.8+0.1×2)×(2.3-0.3)=63.60内墙基础土方=[(6.3-0.5-0.4)+(4.20-0.5-0.4)+(4.2+2.1-0.5×2)]=22.40合计:63.60+22.40=86.004.基础回填土(不计室内回填部分):86-(31.8×1.0×0.1+14×0.8×0.1)-24.89-(31.8+16.08) ×0.24×(2.3-0.1-0.6-0.3-0.3)=45.325.外运土方:86.00-45.32=40.68第二问1.直接工程费:AA0003 1482.36×460/100=6818.86元AA0011 546.70×380/100=2077.46元AA0122 10408.62×380/1000=3955.28元合计:6818.86+2077.46+3955.28=12851.602.人材机消耗量:人工:67.38×460/100+24.85×380/100+165×380/1000=467.08工日5T自卸汽车:2.813×380/1000=1.07台班12T自卸汽车:3.749×380/1000=1.42台班4.人材机价差人工:(45-22)×467.08=10742.84元机械:(450-290.72)×1.07+(800-583.52)×1.42=477.83元合计:10742.84+477.83=11220.67元5.管理费:12851.60×13%=1670.71元5.利润:12851.60×6%=771.10元6.基础土方综合单价:(12851.60+1670.71+771.10+11220.67)/200=132.57元/立方米换算补充题1. 一工程框架柱设计为C35自拌混凝土,工程量为120立方米,计算基价直接费并完成工料分析。
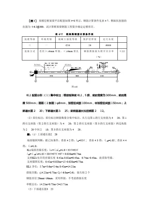
[例1] 某楼层框架梁平法配筋如图4-8所示,钢筋计算条件见表4-7,侧面抗扭筋的拉筋为φ6.5@300,试计算框架梁钢筋工程量并确定定额项目。
表4-7 框架梁钢筋计算条件表 抗震等级环境类别 混凝土强度等级 保护层厚度 定尺长度 三一 C30 20 6000 连接方式 直径≥16mm 焊接,<16mm 帮扎 钢筋搭接接头错开百分率(%)≤25 原位标注集中标注KL1集中标注解析KL1--楼层框架梁,编号为1;5--跨数;300×600--梁的宽度(mm)×梁的高度(mm)φ8--箍筋HPB300直径8mm;@100/150--间距加密区100mm,非加密区150mm;2--箍筋肢数KL1(5)300×500φ8@100/150(2)1A540036005700234KZ1KZ1 450×450KZ1225225225225图 4-7KZ1图4-8KL1配筋分析:(1)集中标注:楼层框架梁KL1,5跨,梁的宽度为300mm ,梁的高度500mm ;箍筋(2肢箍)φ8mm ,加密区间距100mm ,非加密区间距150mm ;上部通长筋220;下部通长筋325;梁侧面通长抗扭钢筋212。
(2)原位标注:原位标注钢筋数量含集中标注。
从左边第1跨左支座筋为420;第1跨右支座筋(第2跨左支座筋)为420;第2跨右支座筋(第3跨左支座筋)两边角筋为220中间218;第3跨右支座筋为420。
解:(1)上部通长筋220端部锚固判断:据已知条件,查表4-2得:l ab =35d ; 查表4-3得:ζaE =1.05;查表4-4得:ζa=1.0。
KL1端部直锚长度:l a =ζa l ab =1.0×35d =35dl aE =ζaE l a=1.05×35d =37d =37×0.020m=0.74m支座KZ 1允许的直锚长度 0.45m-0.02m=0.43m ,0.74m>0.43m ,故采取弯锚。
法识图钢筋常用计算公式Ⅰ框架梁的钢筋钢筋的支座锚固判断:①.hc(柱宽)—柱的保护层厚度≥Lae=30d,为直锚,锚固值=Max(Lae,0.5Hc+5d)②hc(柱宽)—柱的保护层厚度<Lae=30d,为弯锚,锚固值=Max(hc保护层,0.4Lae)+15d1、上通长筋L=通跨净跨长+首尾端支座锚固值2、支座负筋长度(Ln/3和Ln/4为延伸长度)①端支座负筋长度:第一排为Ln/3+端支座锚固值;第二排为Ln/4+端支座锚固值②中间支座负筋:第一排为:max(Ln右,Ln左)/3X2+中间支座宽度;第二排为:max(Ln右,Ln左)/4X2中间支座宽度Ln右:中间支座右胯尽长,Ln左:中间支座左胯尽长注意:当中间跨两端的支座负筋延伸长度之和≥该跨的净跨长时,其钢筋长度:第一排为该跨净跨长+(Ln/3+前中间支座值)+(Ln/3+后中间支座值);第二排为该跨净跨长+(Ln/4+前中间支座值)+(Ln/4+后中间支座值)。
3、下部钢筋长度=净跨长+左右支座锚固值4、腰筋构造钢筋:构造钢筋长度=净跨长+2×15d(两端锚固长度)+2x6.25d(一级钢筋时:才有的两端的1800的弯钩长)抗扭钢筋:算法同通长钢筋5、箍筋箍筋长度=(梁宽+梁高)x2—4x保护层+2xmax[(10d,75)+1.87d]箍筋根数=(加密区长度/加密区间距+1)×2+(非加密区长度/非加密区间距-1)6、吊筋吊筋长度=2X锚固+2X斜段长度+次梁宽度+2x50,其中框梁高度>800mm,夹角=60°;框梁高度≤800mm 夹角=45°当次梁高〉主梁高一半时,吊筋高度=主梁高—梁保护层厚度X2当次梁高≤主梁高一半时,吊筋高度=主梁高—梁保护层厚度—次梁高的一半Ⅱ板的钢筋计算1、板底筋单根长度=净长+支座锚固值+弯钩长度(1800的弯钩值6.25d)锚固长度:当板的支座为梁,钢筋混凝土时锚固长度=max(支座宽度一半,5d);当板的支座为砖墙支座时,锚固长度=max(板厚,120)。
钢筋工程—板的配筋与计算一、板内钢筋类型:二、板平法:1、B——板底部钢筋(底筋);T——板顶部钢筋(面筋);B&T——双层钢筋2、X——贯通横向钢筋;Y——贯通纵向钢筋;X&Y——双向钢筋3、原位标注中负筋线长度尺寸为伸至支座中心线尺寸三、板受力筋:板底钢筋的长度计算:长度=净跨+伸进长度*2+弯勾2*6.25*d,弯勾2*6.25*d只有一级钢筋时需要计算。
弯勾2*6.25*d只有一级钢筋时需要计算板底钢筋的支座-伸进长度:板受力筋伸入支座(梁、剪力墙、圈梁)的长度,为max(支座宽/2,5d)。
而如果支座为砌体墙,则伸入长度为max(板厚,120) 板底钢筋根数计算:起步距离的三种算法:第一根钢筋距梁或墙边50mm(通常算法)第一根钢筋距梁或墙边一个保护层第一根钢筋距梁角筋为1/2板筋间距四、板负筋:板负筋计算:·中间支座负筋长度计算:弯折长度的计算方法:1)板厚-2*保护层(通常算法);2)板厚-保护层(04G101-4);3)支座宽-保护层+板厚-2*保护层;4)伸过支座中心线+板厚-2*保护层;5)支座宽-保护层+板厚-保护层;6)伸过支座中心线+板厚-保护层·端支座板负筋长度的计算锚入长度的计算方法:1)La(通常算法/04G101-4);2)0.4La+15*d(通常算法)在计算锚入长度时有些图纸也规定按伸至梁外边向下弯折,通常算法为“梁宽-保护层+板厚-2*保护层”;也有伸过支座中心线即向下弯折的,通常算法为“梁宽/2+板厚-2*保护层”另外端支座板负筋同面筋。
板负筋的根数计算:起步距离的三种算法同板受力筋五、板分布筋:板分布筋计算:·负筋的分布筋长度计算规范不同、地区不同、设计院不同、施工单位不同……都会导致分布筋长度计算的方法不同!我们大致可以归为下列三种算法:方式一:分布筋和负筋搭接一定的长度,如150、300mm方式二:分布筋长度=轴线长度方式三:分布筋长度=按照负筋布置范围计算·端支座负筋的分布筋根数计算为什么用“负筋板内净长”,而不扣除起步距离?原因是分布筋是自外向内布置的。
平法制图的钢筋加工下料计算■小于或等于90°钢筋弯曲,以角度α°、弧度α和半径R 为变量计算外皮差值公式: 2×(R+d )×tanα°2-(R+d2)×α (2-1)α=π×α°/180(2-2)(角度弧度互转公式) 2×(R+d )×tanα°2-(R+d2)×π×α°/180 (2-3)钢筋下料长度=外皮标注尺寸相加-外皮差值×几个弯曲 ■钢筋加工弯曲半径的设定常用钢筋加工弯曲半径R 表 表2-1■小于或等于90°钢筋弯曲,以角度α°和半径R 为变量计算内皮差值公式:xy ̅̅̅+yz ̅̅̅-AB ̂=2×R ×tan α°2-(R+d 2)×π×α°/180 (2-4) 钢筋下料长度=内皮标注尺寸相加-内皮差值×几个弯曲■外皮法180°弯钩弧长=4×(R+d )-2×差值(外皮) (2-5) ■中心线法180°弯钩弧长=(R+d2)×π (2-6)■中心线法135°弯钩弧长=(R+d 2)×π×34(2-7)■中心线法90°弯钩弧长=(R+d 2)×π2(2-8)■中心线法60°弯钩弧长=(R+d 2)×π3(2-9)■中心线法45°弯钩弧长=(R+d 2)×π4(2-10)■中心线法30°弯钩弧长=(R+d 2)×π6(2-11)■标注钢筋外皮尺寸的差值表钢筋外皮尺寸的差值表之一 表2-2注意:(1)135°和180°的差值必须具备准确的外皮尺寸值;(2)d≤25mm时,R=4d(6d);d>25mm时,括号内为顶层节点要求。
G101平法钢筋计算总结大全 (3)1、梁 (3)1.1、抗震楼层框架梁(KL) (3)1.2.非抗震楼层框架梁 (7)1.3、抗震屋面框架梁WKL (8)1.4、非抗震屋面框架梁 (10)1.5、抗震框支梁 (11)1.6、非框架梁及井字梁(L,JZL) (11)1.7、悬挑梁总结 (12)1.8、基础主梁与基础次梁总结 (12)1.9、基础类梁钢筋计算总结 (14)2、第二节柱构件钢筋计算总结大全 (15)2.1.柱插筋基础内长度。
(15)2.2、地下框架柱钢筋 (18)2.3、中间层框架柱的钢筋 (18)2.4、顶层框架柱钢筋 (19)3、第三节,板构件钢筋计算 (19)3.1、板底钢筋计算 (19)3.2、板顶钢筋计算 (20)3.3、板支座负筋的计算 (20)4、第四节、墙构件钢筋计算 (21)4.1、墙身水平筋计算 (21)4.2、墙身竖向钢筋计算 (22)4.3、墙柱钢筋计算 (23)4.4、墙梁钢筋计算 (24)G101平法钢筋计算总结大全1、梁1.1、抗震楼层框架梁(KL)1.1.1、上部通长筋1.1.1.1、端支座直锚 MAX(0.5Hc+5b,Lae)。
1.1.1.2、端支座弯锚 MAX(0.5Hc+5b,0.4Lae)+15d。
1.1.1.3、中间支座变截面—梁顶有高差且C/Hc》1/6时,高标高钢筋弯锚 MAX(0.5Hc+5b,0.4Lae)+15d。
1.1.1.4中间支座变截面—梁顶有高差且C/Hc》1/6时,低标高钢筋直锚 Lae。
1.1.1.5中间支座变截面—梁顶有高差且C/Hc《=1/6时,上部钢筋斜弯通过不断开。
1.1.1.6中间支座变截面—梁宽度不同时,宽出的不断直通钢筋弯锚 MAX(0.5Hc+5b,0.4Lae)+15d。
1.1.1.7悬挑端,跨内外无高差,上部通长筋伸至悬挑远端,下弯至梁底后回弯5d。
1.1.1.8悬挑端,悬挑梁比跨内梁顶面低,且C/Hc《=1/6时,上部通长钢筋斜弯通过不断开。
手工计算钢筋公式大全第一章梁第一节框架梁一、首跨钢筋的计算1??2?3???????4、腰筋?构造钢筋:构造钢筋长度=净跨长+2×15d?抗扭钢筋:算法同贯通钢筋5、拉筋?拉筋长度=(梁宽-2×保护层)+2×11.9d(抗震弯钩值)+2d拉筋根数:如果我们没有在平法输入中给定拉筋的布筋间距,那么拉筋的根数=(箍筋根数/2)×(构造筋根数/2);如果给定了拉筋的布筋间距,那么拉筋的根数=布筋长度/布筋间距。
6、箍筋?箍筋长度=(梁宽-2×保护层+梁高-2×保护层)+2×11.9d+8d箍筋根数=(加密区长度/加密区间距+1)×2+(非加密区长度/非加密区间距-1)+1注意:因为构件扣减保护层时,都是扣至纵筋的外皮,那么,我们可以发现,拉筋和箍筋在每个保护层处均被多扣掉了直径值;并且我们在预算中计算钢筋长度时,都是按照外皮计算的,所以软件自动会将多扣掉的长度在补充回来,由此,拉筋计算时增加了2d7、吊筋1四、悬臂跨钢筋计算1、主筋???软件配合03G101-1,在软件中主要有六种形式的悬臂钢筋,如下图所示这里,我们以2#、5#及6#钢筋为例进行分析:2#钢筋—悬臂上通筋=(通跨)净跨长+梁高+次梁宽度+钢筋距次梁内侧50mm起弯-4个保护层+钢筋的斜段长+下层钢筋锚固入梁内+支座锚固值5#钢筋—上部下排钢筋=Ln/4+支座宽+0.75L6#钢筋—下部钢筋=Ln--保护层+15d2、箍筋(1)、如果悬臂跨的截面为变截面,这时我们要同时输入其端部截面尺寸与根部梁高,这主要会影响悬臂梁截面的箍筋的长度计算,上部钢筋存在斜长的时候,斜段的高度及下部钢筋的长度;如果没有发生变截面的情况,我们只需在“截面”输入其端部尺(2在1、?2、?3、?1234、梁中部筋伸至梁端部水平直锚,再横向弯折15d;5、箍筋的加密范围为≥0.2Ln1≥1.5hb;7、?侧面构造钢筋与抗扭钢筋处理与框架梁一致。
序号(1) 03G 平法算法(2)传统算法(1)端支座(2)中间支座文字描述表达式符号(1) 03G 平法算法(2)传统算法L 净+ (0.4*laE(或者La) +15d)*2梁上部贯通筋采用分离式配筋时,每跨加两个搭接长度(定向式)梁全长减去两个保护层后加之两个下弯长度(2 个15倍d)(分为(1)端支座、 (2)中间支座)支座端跨内的锚固长度加之伸入支座端跨内的长度支座宽加之伸入支座两边的跨内长度F 端=0.4 laE+15d+ 1/3 或者(1/4)Ln1F 中=h c+2*1/3Max(Ln左+ Ln右)表达式说明L 净—梁净长;laE—最小锚固长度(抗震);l a—最小锚固长度(非抗震) ;d—受拉钢筋直径;N---跨数;llE—搭接长度分离式配筋连接比率为100%,系数指定用1.6L 全---梁的构件长;δ ---保护层厚度;d—钢筋直径;Ln1---支座端跨净长1/3-- (第一排),1/4--- (第二排),h c ---支座宽;Ln左---左跨净长Ln右---右跨净长L 净+ (0.4laE+15d)*2+ + (N* 2* llE)梁的净长加两个端支座锚固长度L 全-2*δ +2*15d+- 1 -3(1)、局部架立筋(2)、全架立筋(分为(1)局部架立筋、 (2)全架立筋)跨净长减去支座负筋伸入跨内的长度再加之两个搭接长度(注:当梁的上部既有贯通筋又有架立筋时,其中架立筋的搭接长度为150mm)梁的构件长度减去两个保护层Ln左---左支座伸入跨内长度;Ln右---右支座伸入跨内长度;llE---搭接长度L 全---梁的构件长;δ ---保护层厚度梁净长加之两个锚固长度梁的净长加之两端的锚固长度再加之每跨的一个搭接长度梁宽扣两个保护层加之 2 个箍筋直径再加之 2 个弯钩增长值a-2*δ +2*d 箍+28.27*d 拉(分(1)端跨、 (2)中间跨、 (3)全长)跨净长加之两边伸入支座内的锚固长度L 全---梁的构件长;d---钢筋直径N---支座数;llE---搭接长度a---梁宽; d 箍---箍筋的直径; d 拉---拉筋直径δ—保护层厚度Ln1---跨的净长;laE----最小锚固长度;d---钢筋直径;hc---柱宽Ln1+(0.4 laE+15d)+ Max { ≥lAe;≥0.5hc+0.5d}Ln-(Ln左+ Ln右) +2* llE 或者(0.15*2)L 净+ (0.4 laE+15d) *2+N* llE(1)、端跨L 全+2*15d L 全-2*δ- 2 -- 3 -(2)、中 跨Ln+ (Max {≥l Ae ;≥0.5hc+0.5d)*2Ln---跨的净长; l aE----最小锚固长度;d---钢筋直径; h c ---柱宽(3)、全 长长度数量 (箍筋 间距成 倍数关 系)数量(箍筋 间距不 成倍数 关系)L 净+(0.4 l aE +15d )*2+(Max { ≥l Ae ;0.5hc+0.5d)K (分(1)长度、 (2)数量)梁的截面周长扣 8 个保护层再加上 2 个弯钩增长值[梁的净长扣两个起始间距]除以箍筋间距再加之两个 50mm (a+b ) *2-8* 6 +28.27*d(L 净-2*0.05) /@非+1+∑L 加/@非L 净---梁的净长; l aE----最小锚固长度; d---钢筋直径; h c ---柱宽a---梁宽; b---梁高;二 柱钢筋1 基础预留插筋 Cj (1)无框基梁时(2)有框基梁时梁的净长加之两端弯锚长度再加上每一个支座的一个直锚长度(1)(2)2(1)(2)(3)(4)LaE—抗震最小锚固长度;Hn-柱全高;Hj—基础结构尺寸;δ —基础最小保护层;d—钢筋直径;L 弯—弯钩长LaE—抗震最小锚固长度;Hn-柱全高;Hj—基础结构尺寸;δ —基础最小保护层;d—钢筋直径;L 弯—弯钩长层高减【框】基梁上柱根加密区长再加之层加密区加搭接区层高减基梁上柱根加密区长再加之层加密区加搭接区层高减基梁上柱根加密区长再加之层加密区加搭接区层高减基梁上柱根加密区长再加之层加密区加搭接区H-Hn/3+max(Hn/6,hc,500)+ 1.4*LaEH-Hn/3+max(Hn/6,hc,500)+ 1.4*LaEH-Hn/3+max(Hn/6,hc,500)+ 1.4*LaEH-Hn/3+max(Hn/6,hc,500)+ 1.4*LaEH—楼层层高;Hn—柱全高;Max—取大值;D—柱长边尺寸;LaE—抗震最小锚固长度H—楼层层高;Hn—柱全高;Max—取大值;D—柱长边尺寸;LaE—抗震最小锚固长度H—楼层层高;Hn—柱全高;Max—取大值;D—柱长边尺寸;LaE—抗震最小锚固长度H—楼层层高;Hn—柱全高;Max—取大值;D—柱长边尺寸;LaE—抗震最小锚固长度3(1)(2)(3)中间层层间钢筋(分(1)全部纵筋Z、(2)角筋ZJ、(3) b 边中部筋Zb、(4) h 边中部筋) Zh层高加搭接长度层高加搭接长度层高加搭接长度H+1.4*LaEH+1.4*LaEH+1.4*LaEH—楼层层高;LaE—抗震最小锚固长度1.5—纵向受拉钢筋搭接修正系数H—楼层层高;LaE—抗震最小锚固长度1.5—纵向受拉钢筋搭接修正系数H—楼层层高;LaE—抗震最小锚固长度1.5—纵向受拉钢筋搭接修正系数搭接区加柱根加密区长度加基础结构尺寸扣一个基础保护层扣基础底部2 根钢筋直径加直弯钩长度搭接区加柱根加密区长度加梁以下加密区加基础结构尺寸扣一个基础保护层扣基础底部2 根钢筋直径加直弯钩长度首层层间钢筋(分(1)全部纵筋Z、(2)角筋ZJ、(3) b 边中部筋Zb、(4) h 边中部筋) Zh1.4*LaE+Hn/3+Hz-δ -2d+L 弯1.4LaE+Hn/3+Hj-δ -2d+L 弯- 4 -- 5 -顶层层间钢筋(分(1)边柱外纵筋锚梁、 (2)边柱内纵筋自弯、 (3)中间柱内外侧纵筋自弯(4)梁 上部筋锚入柱柱筋自弯) (5)梁高≥LaE 不锚入梁【只需直锚】的柱钢筋锚入梁:层高扣加密区扣梁高加搭 接长度不锚入梁:层高扣掉一个加密区扣 一个保护层加柱宽扣两个保护层后 自弯 8d层高扣掉一个加密区扣一个保护层 后自弯 12d层高扣掉一个加密区扣一个保护层 后自弯 12d柱自弯:层高扣掉一个【柱根】加 密区扣一个保护层后自弯 12d 层高扣掉一个【柱根】加密区扣梁高加最小锚固长度H-Max(D ;≥Hn/6;≥500)-Hb +1.5*LaEH —Max(D ; ≥Hn/6;≥500)-δ +a-2δ +8dH —Max(D ; ≥Hn/6;≥500)-δ +12dH —Max(D ; ≥Hn/6;≥500)-δ +12dH —Max(D ; ≥Hn/6;≥500)-δ +12dH —Max(D ; ≥Hn/6;≥500)-Hb+12d柱箍筋(分(1)长度、 (2)数量) K柱的周长扣 8 个保护层加 135 度的弯钩 (a+b)*2-8δ +28.27d 值柱全高扣掉一个起始间距扣 1 个保护层 (Hn-C-δ )/@+ ∑Hi/@+1; 再除以非加密区间距然后加之所有加密 区之和除以非加密区间距后加 1H —楼层层高; LaE —抗震最小锚固长度 1.5—纵向受拉钢筋搭接修正系数;Hb---梁 高; Max —取大值H —楼层层高; Hn —柱全高; Max —取大 值; D —柱长边尺寸;a —柱截面水平方向 尺寸; δ —最小保护层厚度; d —钢筋直 径H —楼层层高; Hn —柱全高; Max —取大 值; D —柱长边尺寸; δ —最小保护层厚 度; d —钢筋直径H —楼层层高; Hn —柱全高; Max —取大 值; D —柱长边尺寸; δ —最小保护层厚 度; d —钢筋直径H —楼层层高; Hn —柱全高; Max —取大 值; D —柱长边尺寸; δ —最小保护层厚 度; d —钢筋直径H —楼层层高; Hn —柱全高; Max —取大 值;Hb---梁高; δ —最小保护层厚度; d — 钢筋直径a —截面水平方向尺寸b —截面纵向方向 尺寸; d —钢筋直径; δ -最小保护层 Hn —柱全高;C--起始间距; δ -最小保护层 @--非加密区间距; Hi —加密区尺寸; ∑ --所有之和(2)(3)(4)(5)5(1)(2)(1)4- 6 -板钢筋板纵向受力筋(分上层(1) X 向筋 Tx (2) Y 向筋 Ty 、下层(3) X 向筋 Bx (4) Y 向筋 By ) (5)板面、底受力筋的数量板全长扣两个支座宽加之两个非抗震最小锚固长加一【跨中】搭接长度板全长扣两个支座宽加之两个非抗震最小锚固长加一【跨中】搭接 L 全-2*a+ (≥1.3*Ll ) +La*2长度边跨: 跨中轴线之间尺寸加跨外沿 L 中+a/2-δ +12.5d尺寸扣一个保护层再加两个弯钩值中跨: 跨中轴线之间尺寸加两个弯 L 中+12.5d钩值边跨: 跨中轴线之间尺寸加跨外沿 L 中+a/2-δ +12.5dL 全—板的全长; a —截面水平方向尺寸; Ll —非抗震搭接长;La---非抗震最小锚固长L 全—板的全长; a —截面水平方向尺寸; Ll —非抗震搭接长;La---非抗震最小锚固长L 中—板的跨中轴线之间尺寸;a —支座宽; δ —最小保护层;d —钢筋直径L 中—板的跨中轴线之间尺寸;d —钢筋直径L 中—板的跨中轴线之间尺寸;L 全-2*a+ (≥1.3*Ll ) +La*2三1(3) (1)(2)(4)尺寸扣一个保护层再加两个弯钩a—支座宽;δ —最小保护层;值d—钢筋直径中跨:跨中轴线之间尺寸加两个弯L 中+12.5d L 中—板的跨中轴线之间尺寸;钩值d—钢筋直径板的净跨长扣两个起始间距然后 (L 净-2C) /@+1 L 净—板的净跨长;C—起始间(5)除以间距加1 距2 板面负筋F 分: (1)边跨、 (2)中间跨、 (3)延伸覆盖跨、 (4)延伸悬挑跨) (5)根数图示尺寸加两个的板厚减一个保e- (h-δ )【*2】e—图示尺寸;h—板厚;δ —(1)护层【直弯钩长】保护层厚度摆布两端的尺寸加两个的板厚减(e1+e2)+(h-δ )*2 e1—左端尺寸;e2—右端尺寸;(2)一个保护层【直弯钩长】h—板厚;δ —最小保护层四楼梯钢筋1 AT 型楼梯(分(1)底板纵筋Bz, (2)下端负筋 F 低, (3)上端负筋 F 高(4)分布筋 f 长(注:当采用HPB235 光面钢筋时,除梯板上部纵筋的跨内端头坐90 度直角弯钩外,所有末端应作180 度的弯钩,弯后平直段长度不应小于3d,当采用HPB335 或者HPB400 带肋钢筋时,则不作弯钩。