G101平法钢筋计算总结大表
- 格式:doc
- 大小:468.52 KB
- 文档页数:14
主体构件的钢筋计算总结第一部分:板1,板底筋计算总结长度端支座1,梁>=5d,且到支座中心线11g101-1p92 2,剪力墙3,圈梁4,砖墙Max(120, h, 0.5墙厚)图示部分1,端部支座为梁2,端部支座为剪力墙3,端部支座为砌体墙的圈梁4,端部支座为砌体墙中间支座1,梁>=5d,且到支座中心线11g101-1p92 2,剪力墙3,圈梁4,砖墙Max(120,h,0.5墙厚)图示部分洞口边1,洞口被切断的钢筋端部构造11g101-1p101h—2c2,洞口被切断的钢筋端部构造(洞口位置未设置板上部钢筋)3, 板开洞与洞边补强钢筋构造4,板开洞与洞边补强钢筋构造(洞口未设置板上部钢筋)2,悬挑板下部钢筋1,悬挑板端部不做弯折11g101-1p95 a(包含仅悬挑板的上部配置钢筋)b(包含仅悬挑板的上部配置钢筋)c(包含仅悬挑板的上部配置钢筋)2, 悬挑板根部Max(12d, 0.5hc)Hc为支座的宽度根数起步距离1/2板筋间距搭接区域1,下部钢筋的接头位置宜设置在距离支座1/4的净跨范围内2,板位于同一层面的两向交叉纵筋何向在上何向在下应按照具体说明2,板顶筋计算总结h-2c+5d长度端支座锚固梁直锚:lae弯锚:支座宽-c+15d11g101-1p92剪力墙圈梁1,端部为梁2,端部支座为剪力墙3,端部支座为砌体墙的圈梁4,端部支座为砌体墙中间支座同端支座的锚固要求直锚:lae弯锚:支座宽-c+15d洞口边伸到洞口板弯折h-2c 11g101-1p102 悬挑板1,悬挑板的端部h-2c 11g101-1p951,悬挑板与跨内板相邻,(跨内版与悬挑板的钢筋配置相同时)2,悬挑板的根部为梁时3,悬挑板与跨内板相邻,并且跨内板顶面标高大于悬挑板顶面标高时,深入跨内板La有梁楼盖不等跨板上部贯通钢筋的连接构造1,相邻的板上部纵向钢筋采用绑扎搭接时,搭接接头的中点在距离支座两侧的长净跨的1/3(L'nx)的范围之外2,相邻的板上部纵向钢筋采用绑扎搭接时,相邻的接头中点=1.3Ll根数起步距离1/2板筋间距3.支座负筋计算总结1,中间支座基本公式=延伸长度+弯折延伸长度自支座中心线向跨内的延伸长度弯折长度h-2bhc1,自支座中线向跨内伸出左延伸+左弯折长度+右延伸+右弯折长度2,自支座内边线向跨内伸出3,自支座外边线向跨内伸出2,端部支座基本公式=延伸长度+弯折延伸长度自支座中心线向跨内的延伸长度弯折长度h-2bhc支座负筋在端部的锚固板面筋在端部支座的锚固3,跨板支座负筋跨长+延伸长度+弯折1,抗裂构造钢筋与抗裂构造钢筋,抗裂构造钢筋与受力钢筋搭接长度=1502,抗温度钢筋与抗温度钢筋,抗温度钢筋与受力钢筋搭接长度=Ll3,板的上部贯通纵筋与板的下部贯通纵筋可以兼做抗裂构造钢筋和抗温度钢筋,4,板的下部贯通纵筋作抗温度钢筋时,板的下部贯通纵筋在支座内的锚固由设计确定5,分布钢筋与分布钢筋的搭接,分布钢筋与受力钢筋的搭接,分布钢筋与构造钢筋的搭接,长度均为150 6,当分布钢筋兼作抗温度钢筋时,则分布钢筋与其他钢筋的搭接长度均为Ll根数起步间距1/2间距(净跨长-间距)/间距+1第二部分:剪力墙部分剪力墙墙身水平筋总结1,端部没有暗柱(墙体厚度较小的时候)L-2c + hc-2c+2LlE2,端部没有暗柱L-2c+2*10d3,端部有暗柱4,转角墙内侧钢筋伸至转角尽端外侧钢筋内侧弯折10d 1,在转角一侧搭接2,在转角两侧搭接3,在转角处搭接在高度方向,每隔一根错开搭接翼墙1,翼墙,伸至正交墙外侧水平钢筋内侧向外弯折15d2,斜交翼墙伸至斜交墙外侧水平钢筋内侧向同一方向弯折15d1,端柱端部墙伸至端柱对边钢筋内侧弯折15d1, 端柱转角墙内侧钢筋伸至端柱对边钢筋内侧向正交墙弯折15d(关于0.6基本锚固长度)的解读:其中60%的锚固长度的最大值max就是端柱的平行边的长度减去一个保护层内侧钢筋伸至端柱对边钢筋内侧向正交墙弯折15d或者向相反的方向弯折15d(关于0.6基本锚固长度)的解读:其中60%的锚固长度的最大值max就是端柱的平行边的长度减去一个保护层3,端柱转角墙内侧钢筋伸至端柱对边钢筋内侧向正交墙弯折15d或者向相反的方向弯折15d(关于0.6基本锚固长度)的解读:其中60%的锚固长度的最大值max就是端柱的平行边的长度减去一个保护层1,端柱翼墙bc-c+15dbc为端柱的宽2,端柱翼墙bc-c+15dbc为端柱的宽3,端柱翼墙bc-c+15dbc为端柱的宽1,剪力墙水平钢筋变截面。
钢筋工程量计算方法总结钢筋算量基本方法小结一、梁(1)框架梁一、首跨钢筋的计算1、上部贯通筋上部贯通筋(上通长筋1)长度=通跨净跨长+首尾端支座锚固值2、端支座负筋端支座负筋长度:第一排为Ln/3+端支座锚固值;第二排为Ln/4+端支座锚固值3、下部钢筋下部钢筋长度=净跨长+左右支座锚固值以上三类钢筋中均涉及到支座锚固问题,那么总结一下以上三类钢筋的支座锚固判断问题:支座宽≥Lae且≥0.5Hc+5d,为直锚,取Max{Lae,0.5Hc +5d }。
钢筋的端支座锚固值=支座宽≤Lae或≤0.5Hc+5d,为弯锚,取Max{Lae,支座宽度-保护层+15d }。
钢筋的中间支座锚固值=Max{Lae,0.5Hc+5d }4、腰筋构造钢筋:构造钢筋长度=净跨长+2×15d抗扭钢筋:算法同贯通钢筋5、拉筋拉筋长度=(梁宽-2×保护层)+2×11.9d(抗震弯钩值)+2d拉筋根数:如果我们没有在平法输入中给定拉筋的布筋间距,那么拉筋的根数=(箍筋根数/2)×(构造筋根数/2);如果给定了拉筋的布筋间距,那么拉筋的根数=布筋长度/布筋间距。
6、箍筋箍筋长度=(梁宽-2×保护层+梁高-2×保护层)*2+2×11.9d+8d箍筋根数=(加密区长度/加密区间距+1)×2+(非加密区长度/非加密区间距-1)+1注意:因为构件扣减保护层时,都是扣至纵筋的外皮,那么,我们可以发现,拉筋和箍筋在每个保护层处均被多扣掉了直径值;并且我们在预算中计算钢筋长度时,都是按照外皮计算的,所以软件自动会将多扣掉的长度在补充回来,由此,拉筋计算时增加了2d,箍筋计算时增加了8d。
7、吊筋吊筋长度=2*锚固(20d)+2*斜段长度+次梁宽度+2*50,其中框梁高度>800mm 夹角=60°≤800mm夹角=45°二、中间跨钢筋的计算1、中间支座负筋中间支座负筋:第一排为:Ln/3+中间支座值+Ln/3;第二排为:Ln/4+中间支座值+Ln/4注意:当中间跨两端的支座负筋延伸长度之和≥该跨的净跨长时,其钢筋长度:第一排为:该跨净跨长+(Ln/3+前中间支座值)+(Ln/3+后中间支座值);第二排为:该跨净跨长+(Ln/4+前中间支座值)+(Ln/4+后中间支座值)。
钢筋计算(101图集)钢筋工程量计算方法总结钢筋算量基本方法小结一、梁(1)框架梁一、首跨钢筋的计算1、上部贯通筋上部贯通筋(上通长筋1)长度=通跨净跨长+首尾端支座锚固值2、端支座负筋端支座负筋长度:第一排为Ln/3+端支座锚固值;第二排为Ln/4+端支座锚固值3、下部钢筋下部钢筋长度=净跨长+左右支座锚固值以上三类钢筋中均涉及到支座锚固问题,那么总结一下以上三类钢筋的支座锚固判断问题:支座宽≥Lae且≥0.5Hc+5d,为直锚,取Max{Lae,0.5Hc +5d }。
钢筋的端支座锚固值=支座宽≤Lae或≤0.5Hc+5d,为弯锚,取Max{Lae,支座宽度-保护层+15d }。
钢筋的中间支座锚固值=Max{Lae,0.5Hc+5d }4、腰筋构造钢筋:构造钢筋长度=净跨长+2×15d抗扭钢筋:算法同贯通钢筋5、拉筋拉筋长度=(梁宽-2×保护层)+2×11.9d(抗震弯钩值)+2d拉筋根数:如果我们没有在平法输入中给定拉筋的布筋间距,那么拉筋的根数=(箍筋根数/2)×(构造筋根数/2);如果给定了拉筋的布筋间距,那么拉筋的根数=布筋长度/布筋间距。
6、箍筋箍筋长度=(梁宽-2×保护层+梁高-2×保护层)*2+2×11.9d+8d箍筋根数=(加密区长度/加密区间距+1)×2+(非加密区长度/非加密区间距-1)+1注意:因为构件扣减保护层时,都是扣至纵筋的外皮,那么,我们可以发现,拉筋和箍筋在每个保护层处均被多扣掉了直径值;并且我们在预算中计算钢筋长度时,都是按照外皮计算的,所以软件自动会将多扣掉的长度在补充回来,由此,拉筋计算时增加了2d,箍筋计算时增加了8d。
7、吊筋吊筋长度=2*锚固(20d)+2*斜段长度+次梁宽度+2*50,其中框梁高度>800mm 夹角=60°≤800mm夹角=45°二、中间跨钢筋的计算1、中间支座负筋中间支座负筋:第一排为:Ln/3+中间支座值+Ln/3;第二排为:Ln/4+中间支座值+Ln/4注意:当中间跨两端的支座负筋延伸长度之和≥该跨的净跨长时,其钢筋长度:第一排为:该跨净跨长+(Ln/3+前中间支座值)+(Ln/3+后中间支座值);第二排为:该跨净跨长+(Ln/4+前中间支座值)+(Ln/4+后中间支座值)。
G101平法钢筋计算总结第一节梁构件钢筋计算总结一、抗震楼层框架梁(一上部通长筋总结抗震楼层框架梁上部通长筋的锚固与连接(二侧部钢筋总结侧部钢筋总结,见表如下侧部钢筋总结(三下部钢筋总结下部钢筋总结,见表如下抗震楼层框架梁下部通长筋总结(四支座负筋总结支座负筋总结,见表如下抗震楼层框架梁支座负筋总结(五箍筋总结箍筋总结,见表如下。
箍筋总结(六吊筋总结吊筋总结,见下表。
吊筋总结二、非抗震楼层框架梁(一抗震和非抗震楼层框架梁的区别抗震 KL 与非抗震 KL的区别(二非抗震楼层框架梁总结非抗震楼层框架梁总结三、抗震屋面框架梁(一楼层框架梁和屋面框架梁的区别抗震楼层框架梁和抗震屋面框架梁的区别非抗震楼层框架梁与非抗震屋面框架梁的区别(二抗震屋面框架梁总结抗震屋面框架梁总结四、非抗震屋面框架梁(一抗震屋面框架梁和非抗震屋面框架梁的区别抗震 WKL 与非抗震 WKL 的区别(二非抗震屋面框架梁总结非抗震屋面框架梁总结五、抗震框支梁钢筋计算总结抗震框支梁总结六、非框架梁钢筋计算总结非框架梁及井字梁钢筋总结七、悬挑梁计算总结悬挑梁钢筋总结八、 04G101-3基础主梁和基础次梁总结04G101-3基础梁钢筋总结九、 06G101-6 基础类钢筋计算总结(1基础梁 JL 和基础圈梁 JQL ,见下表06G101-6基础梁 JL 和基础圈梁 JQL 钢筋总结(2 06G101-6承台梁、基础连梁、地下框架梁钢筋总结,见下表 06G101-6承台梁、基础连梁、地下框架梁钢筋总结第二节柱构件钢筋计算总结大表一、柱插筋总结柱插筋总结二、地下框架柱钢筋计算总结地下框架柱钢筋计算总结三、中间层框架柱钢筋计算总结中间层柱钢筋计算总结四、顶层框架柱钢筋计算总结顶层框架柱钢筋计算总结,见表如下:顶层框架柱钢筋计算总结第三节板构件钢筋计算总结大表一、板底钢筋计算总结板底筋计算总结二、板顶钢筋计算总结板顶筋计算总结三、支座负筋计算总结支座负筋计算总结,见下表支座负筋总结第四节墙构件钢筋计算总结大表一、墙身水平筋计算总结墙身水平筋计算总结,见下表。
钢筋量计算公式及表格
钢筋量计算公式:
1.钢筋总量=截面积×钢筋密度×钢筋长度。
2.钢筋直径=净跨度÷最大跨径×1000。
3.钢筋截面积=π×(钢筋直径/2)²。
4.单位长度钢筋重量=钢筋截面积×钢筋密度。
5.钢筋长度=(柱高/楼层高)×楼层数。
6.总用钢量=钢筋总量×构件数量。
钢筋量计算表格:
以下是一些常见钢筋直径和单位长度重量的数据,可根据需要进行相应的计算。
| 钢筋直径(mm) | 钢筋截面积(mm²) | 单位长度重量(kg/m)|。
|---------|----------|------------|。
|6|28.27|0.222|。
|8|50.27|0.395|。
|10|78.54|0.617|。
|12|113.10|0.888|。
|14|153.94|1.208|。
|16|201.06|1.578|。
|18|254.47|2.000|。
|20|314.16|2.466|。
|22|380.13|2.978|。
|25|489.79|3.850|。
|28|616.00|4.830|。
|32|804.25|6.313|。
|36|1017.90|7.990|。
|40|1256.60|9.860|。
需要注意的是,此表格中的数据仅供参考,不同的构造方式、钢筋密度等都会对计算结果产生一定的影响,具体计算应参照相关标准和规范执行。
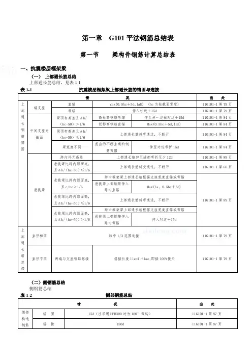
第一章G101平法钢筋总结表第一节梁构件钢筋计算总结表一、抗震楼层框架梁(一)上部通长筋总结上部通长筋总结,见表1-1表1-1 抗震楼层框架梁上部通长筋的锚固与连接情况出处上部通长钢筋锚固端支座直锚Max(0.5hc+5d,laE) (hc为柱截面宽度) 11G101-1第79页弯锚伸入柱边+15d 11G101-1第79页中间支座变截面梁顶有高差且Δh/(hc-50)>1/6高标高钢筋弯锚伸至另一边柱对边+15d 11G101-1第84页低标高钢筋直锚Max(0.5hc+5d,laE) 11G101-1第84页梁顶有高差且Δh/(hc-50)≤1/6上部通长筋斜弯通过,不断开11G101-1第84页梁宽度不同宽出的不断直通的钢筋弯锚伸至对边弯折15d 11G101-1第84页悬挑梁跨内外无高差上部通长筋伸至端部弯折至少12d 11G101-1第89页悬挑梁比跨内顶面底,且Δh/(hc-50)≤1/6上部通长筋斜变通过,不断开11G101-1第66页悬挑梁比跨内顶面底,且c/hc>1/6跨内框架梁上部通长筋根据支座宽度直锚或弯锚11G101-1第89页悬挑梁上部钢筋伸入跨内直锚Max(la,0.5hc+5d)悬挑梁比跨内顶面高,且Δh/(hc-50)≤1/6上部通长筋斜弯通进,不断开悬挑梁比跨内顶面高,且Δh/(hc-50)>1/6跨内框架梁上部通长筋根据支座宽度直锚或弯锚悬挑梁上部钢筋伸入跨内弯锚伸入对边+15d上部通长筋连接直径相同跨中1/3范围连接11G101-1第79页直径不同两端与支座钢筋搭接搭接长度lle=1.6lae,即接100%接头11G101-1第79页(二)侧钢筋总结侧钢筋总结情况出处侧部构造钢筋锚固15d(注采用HPB300时为180°弯钩)11G101-1第87页搭接150d 11G101-1第87页(三)下部钢筋总结下部钢筋总结,见表1-3(四) 支座负筋总结支座负筋总结,见表1-4(五)箍筋总结箍筋总结,见表1-5(六)吊筋总结吊筋总结,见表1-6二、非抗震和楼层框架梁(一)抗震和非抗震楼层框架梁的区别抗震于非抗震楼层框架梁的区别,见表1-7(二)非抗震楼层框架梁总结非抗震楼层框架梁总结,见表1-8三、抗震屋面框架梁(一)楼层框架梁和屋面框架梁的区别楼层框架梁和屋面框架梁的区别见表1-9、表1-10。
钢筋工程量计算方法总结钢筋算量基本方法小结一、梁(1)框架梁一、首跨钢筋的计算1、上部贯通筋上部贯通筋(上通长筋1)长度=通跨净跨长+首尾端支座锚固值2、端支座负筋端支座负筋长度:第一排为Ln/3+端支座锚固值;第二排为Ln/4+端支座锚固值3、下部钢筋下部钢筋长度=净跨长+左右支座锚固值以上三类钢筋中均涉及到支座锚固问题,那么总结一下以上三类钢筋的支座锚固判断问题:支座宽≥Lae且≥0.5Hc+5d,为直锚,取Max{Lae,0.5Hc+5d }。
钢筋的端支座锚固值=支座宽≤Lae或≤0.5Hc+5d,为弯锚,取Max{Lae,支座宽度-保护层+15d }。
钢筋的中间支座锚固值=Max{Lae,0.5Hc+5d } 4、腰筋构造钢筋:构造钢筋长度=净跨长+2×15d抗扭钢筋:算法同贯通钢筋5、拉筋拉筋长度=(梁宽-2×保护层)+2×11.9d(抗震弯钩值)+2d拉筋根数:如果我们没有在平法输入中给定拉筋的布筋间距,那么拉筋的根数=(箍筋根数/2)×(构造筋根数/2);如果给定了拉筋的布筋间距,那么拉筋的根数=布筋长度/布筋间距。
6、箍筋箍筋长度=(梁宽-2×保护层+梁高-2×保护层)*2+2×11.9d+8d箍筋根数=(加密区长度/加密区间距+1)×2+(非加密区长度/非加密区间距-1)+1注意:因为构件扣减保护层时,都是扣至纵筋的外皮,那么,我们可以发现,拉筋和箍筋在每个保护层处均被多扣掉了直径值;并且我们在预算中计算钢筋长度时,都是按照外皮计算的,所以软件自动会将多扣掉的长度在补充回来,由此,拉筋计算时增加了2d,箍筋计算时增加了8d。
7、吊筋吊筋长度=2*锚固(20d)+2*斜段长度+次梁宽度+2*50,其中框梁高度>800mm 夹角=60°≤800mm 夹角=45°二、中间跨钢筋的计算1、中间支座负筋中间支座负筋:第一排为:Ln/3+中间支座值+Ln/3;第二排为:Ln/4+中间支座值+Ln/4注意:当中间跨两端的支座负筋延伸长度之和≥该跨的净跨长时,其钢筋长度:第一排为:该跨净跨长+(Ln/3+前中间支座值)+(Ln/3+后中间支座值);第二排为:该跨净跨长+(Ln/4+前中间支座值)+(Ln/4+后中间支座值)。
G101钢筋平法计算精讲
G101钢筋平法在计算过程中有几个基本原则:一是确定计算步骤:
①设定基本条件,平法计算前必须设定线条标高,以及起止端纵向反力;
②将线条划分为若干相邻段,每个段之间要有明显的改变点;③确定每个
段的弯矩和反力;④迭代计算,根据弯矩确定线条的标高。
二是确定弯矩
及反力的计算公式:①在一段上弯矩的计算公式为:M=(V*L)/8(L为段长,V为段上的反力);②计算两段改变点时,计算两段反力,按如下公式计算:V1=M1/L1*8(M1为上段的反力,L1为上段长度)V2=(M1+M2)/L2*8(M2
为下段的弯矩,L2为下段的长度)。
三是迭代计算:在确定线条标高的
迭代计算过程中,计算满足3次以上,就可以表明线条标高已经稳定,可
以采用最后的结果作为线条标高。
钢筋工程量计算方法总结钢筋算量基本方法小结一、梁(1)框架梁一、首跨钢筋的计算1、上部贯通筋上部贯通筋(上通长筋1)长度=通跨净跨长+首尾端支座锚固值2、端支座负筋端支座负筋长度:第一排为Ln/3+端支座锚固值;第二排为Ln/4+端支座锚固值3、下部钢筋下部钢筋长度=净跨长+左右支座锚固值以上三类钢筋中均涉及到支座锚固问题,那么总结一下以上三类钢筋的支座锚固判断问题:支座宽≥Lae且≥0.5Hc+5d,为直锚,取Max{Lae,0.5Hc +5d }。
钢筋的端支座锚固值=支座宽≤Lae或≤0.5Hc+5d,为弯锚,取Max{Lae,支座宽度-保护层+15d }。
钢筋的中间支座锚固值=Max{Lae,0.5Hc+5d }4、腰筋构造钢筋:构造钢筋长度=净跨长+2×15d抗扭钢筋:算法同贯通钢筋5、拉筋拉筋长度=(梁宽-2×保护层)+2×11.9d(抗震弯钩值)+2d拉筋根数:如果我们没有在平法输入中给定拉筋的布筋间距,那么拉筋的根数=(箍筋根数/2)×(构造筋根数/2);如果给定了拉筋的布筋间距,那么拉筋的根数=布筋长度/布筋间距。
6、箍筋箍筋长度=(梁宽-2×保护层+梁高-2×保护层)*2+2×11.9d+8d箍筋根数=(加密区长度/加密区间距+1)×2+(非加密区长度/非加密区间距-1)+1注意:因为构件扣减保护层时,都是扣至纵筋的外皮,那么,我们可以发现,拉筋和箍筋在每个保护层处均被多扣掉了直径值;并且我们在预算中计算钢筋长度时,都是按照外皮计算的,所以软件自动会将多扣掉的长度在补充回来,由此,拉筋计算时增加了2d,箍筋计算时增加了8d。
7、吊筋吊筋长度=2*锚固(20d)+2*斜段长度+次梁宽度+2*50,其中框梁高度>800mm 夹角=60°≤800mm夹角=45°二、中间跨钢筋的计算1、中间支座负筋中间支座负筋:第一排为:Ln/3+中间支座值+Ln/3;第二排为:Ln/4+中间支座值+Ln/4注意:当中间跨两端的支座负筋延伸长度之和≥该跨的净跨长时,其钢筋长度:第一排为:该跨净跨长+(Ln/3+前中间支座值)+(Ln/3+后中间支座值);第二排为:该跨净跨长+(Ln/4+前中间支座值)+(Ln/4+后中间支座值)。
G101平法钢筋计算总结大表第一节梁构件钢筋计算总结大表一:抗震楼层框架梁(一)上部通长筋总结(二)侧部钢筋总结表1-2 侧部钢筋总结大表(三)下部钢筋总结表1-3 抗震楼层框架下部通长钢筋总结(四)支座负筋总结(五)箍筋总结表1-5 箍筋总结(六)吊筋总结表1-6 吊筋总结二:非抗震楼层框架梁(一)抗震框架梁与非抗震框架梁区别(二)非抗震楼层框架梁总结三、抗震屋面框架梁(一)楼层框架梁和屋面框架梁的区别(二)抗震屋面框架梁总结表1-11 抗震屋面框架梁总结四、非抗震屋面框架梁(一)抗震屋面框架梁和非抗震屋面框架梁的区别(二)非抗震屋面框架梁总结表1-13 非抗震屋面框架梁总结五、抗震框支梁钢筋计算总结六:非抗震框架梁钢筋计算总结七、悬挑梁计算总结八. 04G101-3基础主梁和基础次梁总结表1-17 04G101-3基础主梁和基础次梁总结九、06G101-6基础类梁钢筋计算总结(1)基础梁JL和基础圈梁JQL钢筋总结(2)06G101-6承台梁、基础连梁、地下框架梁钢筋总结第二节柱构件钢筋计算总结大表一:柱插筋纵筋表2—1 柱插筋总结《钢筋混凝土结构平法设计与施工规则》第122页;04G101—3第32页二:地下框架柱钢筋计算总结表2-2 地下框架柱钢筋计算总结三:中间层框架柱钢筋计算总结表2—3 中间层框架柱钢筋计算总结四:顶层框架柱钢筋计算总结表2—4 顶层框架柱钢筋计算总结第三节板构件钢筋计算总结大表一、板底筋计算总结表3-1板底筋计算总结二、板顶筋钢筋计算总结三、支座负筋计算总结第四节墙构件钢筋计算总结大表一:墙身水平筋计算总结表4-1 墙身水平筋计算总结二:墙身竖向筋计算总结三:墙柱钢筋总结表4-3墙柱钢筋总结四、墙梁钢筋计算总结。
附录 G101平法钢筋计算总结大全
第一节 梁构件钢筋计算总结大全
一、抗震楼层框架梁
(一)上部通长钢筋总结
(二)侧部钢筋总结
侧部钢筋总结大表
(三)下部钢筋总结
抗震楼层框架梁下部通长筋总结
(四)支座负筋总结
抗震楼层框架梁支座负筋总结
(五)箍筋总结
箍筋总结
(六)吊筋总结
吊筋总结
二、非抗震楼层框架梁
(一)抗震与非抗震楼层框架梁的区别
(二)非抗震楼层框架梁总结
非抗震楼层框架梁总结
三、抗震屋面框架梁
(一)楼层框架梁与屋面框架梁的区别
抗震楼层框架梁与抗震屋面框架梁的区别
截面
(二)抗震屋面框架梁总结筋、支座负筋)锚
非抗震楼层框架梁与非抗震屋面框架梁的区别
部
钢
筋
(
四、非抗震屋面框架梁
(一)抗震WKL与非抗震WKL的区别
抗震WKL与非抗震WKL的区别
(二)非抗震WKL的总结。
钢筋工程量计算方法总结2008-01-11 以下是我对钢筋计算的一些小总结,对应图型可以参照相应图集,不正之处请各位高手指出。
钢筋算量基本方法小结一、梁(1)框架梁一、首跨钢筋的计算1、上部贯通筋上部贯通筋(上通长筋1)长度=通跨净跨长+首尾端支座锚固值2、端支座负筋端支座负筋长度:第一排为Ln/3+端支座锚固值;第二排为Ln/4+端支座锚固值3、下部钢筋下部钢筋长度=净跨长+左右支座锚固值以上三类钢筋中均涉及到支座锚固问题,那么总结一下以上三类钢筋的支座锚固判断问题:支座宽≥Lae且≥0.5Hc+5d,为直锚,取Max{Lae,0.5Hc+5d }。
钢筋的端支座锚固值=支座宽≤Lae或≤0.5Hc+5d,为弯锚,取Max{Lae,支座宽度-保护层+15d }。
钢筋的中间支座锚固值=Max{Lae,0.5Hc+5d }4、腰筋构造钢筋:构造钢筋长度=净跨长+2×15d抗扭钢筋:算法同贯通钢筋5、拉筋拉筋长度=(梁宽-2×保护层)+2×11.9d(抗震弯钩值)+2d拉筋根数:如果我们没有在平法输入中给定拉筋的布筋间距,那么拉筋的根数=(箍筋根数/2)×(构造筋根数/2);如果给定了拉筋的布筋间距,那么拉筋的根数=布筋长度/布筋间距。
6、箍筋箍筋长度=(梁宽-2×保护层+梁高-2×保护层)*2+2×11.9d+8d箍筋根数=(加密区长度/加密区间距+1)×2+(非加密区长度/非加密区间距-1)+1注意:因为构件扣减保护层时,都是扣至纵筋的外皮,那么,我们可以发现,拉筋和箍筋在每个保护层处均被多扣掉了直径值;并且我们在预算中计算钢筋长度时,都是按照外皮计算的,所以软件自动会将多扣掉的长度在补充回来,由此,拉筋计算时增加了2d,箍筋计算时增加了8d。
7、吊筋吊筋长度=2*锚固(20d)+2*斜段长度+次梁宽度+2*50,其中框梁高度>800mm 夹角=60°≤800mm夹角=45°二、中间跨钢筋的计算1、中间支座负筋中间支座负筋:第一排为:Ln/3+中间支座值+Ln/3;第二排为:Ln/4+中间支座值+Ln/4注意:当中间跨两端的支座负筋延伸长度之和≥该跨的净跨长时,其钢筋长度:第一排为:该跨净跨长+(Ln/3+前中间支座值)+(Ln/3+后中间支座值);第二排为:该跨净跨长+(Ln/4+前中间支座值)+(Ln/4+后中间支座值)。
钢筋工程工程量计算(依据11G101平法图集)基础部分A:独立基础一、独立基础底部钢筋配筋长度不缩减(1)X向钢筋长度=X向混凝土构件外形尺寸—2*bhcX向钢筋根数=[Y向混凝土构件外形尺寸—2*min(75;s/2)]/布筋间距(s)+1(2)Y向钢筋长度=Y向混凝土构件外形尺寸-2*bhcY向钢筋根数=[X向混凝土构件外形尺寸—2*min(75;s/2)]/布筋间距(s)+1二、独立基础底部钢筋长度缩减10%当独立基础底板长度≥2500mm时,除外侧钢筋外,底板配筋长度可取相应方向底板长度的0。
9倍。
配筋长度缩减10%(均为隔一缩减) 对称独立基础配筋(柱在基础四面的中心)(1)X向外侧钢筋长度=X向混凝土构件外形尺寸-2*bhcX向外侧钢筋根数=2根(一侧各一根)X向其余钢筋长度=X向混凝土构件外形尺寸-c(一侧保护层)-(0。
1*基础边长)X向其余钢筋根数=[Y向混凝土构件外形尺寸-2*min(75;s/2)]/布筋间距(s)—1(2)Y向外侧钢筋长度=Y向混凝土构件外形尺寸—2*bhcY向外侧钢筋根数=2根(一侧各一根)Y向其余钢筋长度=Y向混凝土构件外形尺寸-c(一侧保护层)-(0。
1*基础边长)Y向其余钢筋根数=[X向混凝土构件外形尺寸-2*min(75;s/2)]/布筋间距(s)—1当非对称独立基础底板长度≥2500mm,但该基础某侧从柱中心至基础底板边缘的距离<1250mm时,钢筋在该侧不应缩减非对称独立基础配筋(一端为隔一缩减)(1)X向外侧钢筋长度=X向混凝土构件外形尺寸-2*bhcX向外侧钢筋根数=2根(一侧各一根)X向其余钢筋(两侧均不缩减)长度(与外侧钢筋相同)= X向混凝土构件外形尺寸—2*bhcX向其余钢筋根数=(Y向混凝土构件外形尺寸—两端起步距离)/间距+1X向其余钢筋(右侧缩减的钢筋)长度= X向混凝土构件外形尺寸-c(一侧保护层)—(0.1*基础边长)X向其余钢筋(右侧缩减的钢筋)根数=两侧均不缩减的钢筋根数-1(因为隔一缩减,所以比另一种少一根)(2)Y向外侧钢筋长度=Y向混凝土构件外形尺寸—2*bhcY向外侧钢筋根数=2根(一侧各一根)Y向其余钢筋(两侧均不缩减)长度(与外侧钢筋相同)= Y向混凝土构件外形尺寸—2*bhcY向其余钢筋根数=(X向混凝土构件外形尺寸—两端起步距离)/间距+1Y向其余钢筋(右侧缩减的钢筋)长度=Y向混凝土构件外形尺寸-c(一侧保护层)-(0.1*基础边长)Y向其余钢筋(右侧缩减的钢筋)根数=两侧均不缩减的钢筋根数-1(因为隔一缩减,所以比另一种少一根)三、多柱(2柱)独立基础底板顶部钢筋矩形独立基础顶部钢筋2号(长向中部筋)长度=柱内侧边起算(两柱外皮距离)+两端锚固La(2*30d)顶部钢筋2号(长向)根数=(柱宽-2*起步距离(s/2))/s+1顶部钢筋1号(长向边部筋)=柱中心线起算(柱宽/2+柱间距+柱宽/2)+两端锚固La(2*30d)顶部钢筋1号(长向)根数=(设计指定的总根数-顶部钢筋2号(长向)根数)两侧对称顶部分布钢筋3号(短向筋)长度=(纵向受力钢筋布置范围长度(1.2号钢筋布置范围宽度(柱宽度+2*柱外纵向受力钢筋布置范围宽)+两端超出受力钢筋外的长度(一般此处可取构造长度150mm)顶部分布钢筋3号(短向)根数=(独立基础第二台阶外形长度—2*分布筋起步距离)/分布筋间距+1A:条形基础(a)基础主梁基础梁无外伸1.底部贯通纵筋长度=梁长—2*bhc+2*(伸至端部且≥0.4Lab)+2*弯折15d2。
G101平法钢筋计算总结大表
第一节梁构件钢筋计算总结大表
一:抗震楼层框架梁
(一)上部通长筋总结
(二)侧部钢筋总结
表1-2 侧部钢筋总结大表
(三)下部钢筋总结
表1-3 抗震楼层框架下部通长钢筋总结
(四)支座负筋总结
(五)箍筋总结
表1-5 箍筋总结
(六)吊筋总结
表1-6 吊筋总结
二:非抗震楼层框架梁(一)抗震框架梁与非抗震框架梁区别
(二)非抗震楼层框架梁总结
三、抗震屋面框架梁(一)楼层框架梁和屋面框架梁的区别
(二)抗震屋面框架梁总结
表1-11 抗震屋面框架梁总结
四、非抗震屋面框架梁
(一)抗震屋面框架梁和非抗震屋面框架梁的区别
(二)非抗震屋面框架梁总结
表1-13 非抗震屋面框架梁总结
五、抗震框支梁钢筋计算总结
六:非抗震框架梁钢筋计算总结
七、悬挑梁计算总结
八. 04G101-3基础主梁和基础次梁总结
表1-17 04G101-3基础主梁和基础次梁总结
九、06G101-6基础类梁钢筋计算总结
(1)基础梁JL和基础圈梁JQL钢筋总结
(2)06G101-6承台梁、基础连梁、地下框架梁钢筋总结
第二节柱构件钢筋计算总结大表
一:柱插筋纵筋
表2—1 柱插筋总结《钢筋混凝土结构平法设计与施工规则》第122页;04G101—3第32页
二:地下框架柱钢筋计算总结
表2-2 地下框架柱钢筋计算总结
三:中间层框架柱钢筋计算总结
表2—3 中间层框架柱钢筋计算总结
四:顶层框架柱钢筋计算总结
表2—4 顶层框架柱钢筋计算总结
第三节板构件钢筋计算总结大表
一、板底筋计算总结
表3-1板底筋计算总结
二、板顶筋钢筋计算总结
三、支座负筋计算总结
第四节墙构件钢筋计算总结大表
一:墙身水平筋计算总结
表4-1 墙身水平筋计算总结
二:墙身竖向筋计算总结
三:墙柱钢筋总结
表4-3墙柱钢筋总结
四、墙梁钢筋计算总结。