数控车削G71程序教案共30页文档
- 格式:ppt
- 大小:2.53 MB
- 文档页数:30
华中系统数控车G71编程指令教案教学重点:G71编程指令格式、编程应用。
教学难点:G71格式中各参数含义、大小的选取。
教学方法:讲授法、演练法。
教学班级:设备要求:数控仿真实验室上课、运用投影设备。
教学过程:一,复习引入:1,复习G01\G80指令编程格式;2,总结G01\G80编程的特点:编写的程序冗长。
3,引出简化编程指令G71-----外径粗车复合循环二,新课讲解:(一),G71指令讲解:G71指令:外径粗车复合循环1、G71指令格式及意义:用于粗、精车工件外径。
G71 U R P (ns)Q(nf) X Z FN(ns) …………N(nf) ……各参数含义:U—切削深度(背吃刀量、每次切削量),半径值,无正负号,如下图中的△d。
R—每次退刀量,半径值,无正负,下图中的e;ns—精加工路线中第一个程序段的顺序号;nf--精加工路线中最后一个程序段的顺序号;X—X方向精加工余量,直径值,下图中的△u,一般取0.4mm;Z—Z方向精加工余量, 下图中的△w,一般取0.2mm;2、G71动作运动轨迹:在图中:(只绘制了下半部分)C——循环起点实线——进刀路线虚线——退刀路线XZ轴的交点为编程原点3、使用G71编程时的说明:(1)应用G71前必须设一循环起点,上图中的C点。
(2)G71程序段本身不进行精加工,粗加工是按后续程序段ns~nf给定的精加工编程轨迹A→A′→B→B′,沿平行于Z轴方向进行。
(3)G71程序段不能省略除F、S、T以外的地址符。
G71程序段中的F、S、T只在循环时有效,精加工时处于ns到nf程序段之间的F、S、T有效。
(4)循环中的第一个程序段(即ns段)必须包含G00或G01指令,即A→A′的动作必须是直线或点定位运动,但不能有Z轴方向上的移动。
(5) ns到nf程序段中,不能包含有子程序。
(6)G71循环时可以进行刀具位置补偿,但不能进行刀尖半径补偿。
因此在G71指令前必须用G40取消原有的刀尖半径补偿。
《数控车削编程与操作训练》------G71 、G70复合固定循环指令教案授课章节:G71 、G70复合固定循环指令教学重点:G71 、G70指令教学难点:G71 、G70指令格式、粗精加工轮廓定义使用教材:《数控车削编程与操作训练》高等教育出版社、机械工程部《数控车削与编程》集体教案一、复习旧识:G90简单固定循环指令:用于单一形状固定指令格式:圆柱面车削循环:G90X(U)-----Z(W)-------F------;圆锥面车削循环:G90 X(U)-----Z(W)-------R-----F------;(各参数含义)优点:对于加工余量较大的毛坯,刀具反复执行相同的动作,用G90指令简化了许多相同或相似的程序段,缩短了编程时间,提高了工作效率。
缺点:车削过渡尺寸较大的阶梯轴时,有些多次重复进行的动作,使用G90指令编程仍然比较麻烦。
如图1:(P33 例2—7)(请同学们思考用G90指令编写该零件的程序)二、导入新课:车削过渡尺寸较大的阶梯轴时,有些多次重复进行的动作,使用G90指令编程仍然比较麻烦,用G71、G70等复合循环指令更能简化编程,数控系统能自动地计算出加工路线和进给路线,控制机床自动完成工件的加工。
三、新课讲解:1.分析G71、G70指令格式:A.G71 外圆粗车循环指令指令格式:G71 UΔd Re F S T ;G71 Pns QnfUΔu WΔw;式中:△d-背吃刀量;e--退刀量;ns--精加工轮廓程序段中开始程序段的段号;nf--精加工轮廓程序段中结束程序段的段号;△u--X轴向精加工余量;△w--Z轴向精加工余量;2.分析与G90的区别:G90粗车循环留X向余量,Z向不留余量;G71外圆粗车循环X向、Z向均留余量,精加工与粗加工偏移X向Δu/2,Z向△w 余量。
图2-21外圆粗车循环A为刀具循环起点;A’---B为精加工路线B.G70 精加工循环指令G70 P(ns)Q(nf)3.教学难点分析:分析G70、G71指令格式G71 U(Δd) R(e) F S T ;⑴G71 P(ns) Q(nf) U(Δu) W(Δw);⑵N(ns).....;........;....F;....S;....⑶N(nf).....;G70 P(ns) Q(nf);【难点分散一】由指令的第⑶部分(ns~nf程序段)给出的工件精加工轨迹,精加工轨迹的起点(即ns程序段的起点)与G71的起点、终点相同,简称A点;【难点分散二】粗车轮廓:精车轨迹按精车余量(Δu、Δw)偏移后的轨迹,是执行G71形成的轨迹轮廓。
课题内外圆粗车循环指令G71(广数GSK980TD)授课日期1月27日授课班别教学目的要求1、了解复合型车削循环的基本车削方法2、熟记G71指令的格式与各指令含义3、了解G71指令的原理(走刀路线)4、熟练掌握G71指令使用方法与注意事项重点难点重点:G71的基本格式,编程方式难点:G71的走刀路线,对应格式中的字母含义教学方法与手段讲授法教具黑板教学内容及教学过程一、检查学生的出勤情况,对学生的课前准备和学生的思想情况做简单评论(略)二、简单介绍本节课的基本内容与流程(约1分钟)三、复习上节内容(2分钟,略)四、讲授本节内容:(按一节课40分钟安排)1、通过G90指令的不方便之处引入G71指令(1分钟)2、介绍G71指令的基本格式、含义(10分钟)3、介绍G71指令的走刀路线(8分钟)4、编程举例(8分钟)5、课堂练习(5分钟)6、其他注意事项、总结、布置作业(5分钟)具体教学内容:教案导入:G90格式:X Z F缺点(可采用提问方式):重复多次使用指令使程序变长;每次走刀都要回循环起始点,延长了运行路线,消耗更多时间;加工斜面时不方便。
一、G71的格式与各参数定义:(在黑板上列出)1.格式G71 U RG71 P Q U W F (S T)N(P) G00 X (定位,第一行只能定X)······(走轮廓)N(Q) 轮廓最后一步2.各参数含义U1 : X方向每刀单边背吃刀量,一般1mm~2mm(每刀切多少)R :X方向退刀量,一般0.5mm~1mm(切完退多少)P :循环起始行Q :循环结束行U2: X方向余量,一般0.5mm~1mm (直径)W : Z方向余量(一般不留)F :进给速度S、T :主轴转速,刀具,一般前面有,可省略二、G71的走刀路线:(黑板图解)三、编程举例:(铝材棒料,精加工余量:X向0.5mm,Z向0.1mm)四、课堂练习:精加工余量:X向0.5mm,Z向不留余量五、其他注意事项:1、P和Q的取值,可以为任意值,但Q要大于P。
学习情境六:用复合循环指令加工零件学习情境四:用复合循环指令加工零件的加工(详案)一、情境描述给学生发放零件图,并给出零件信息和加工要求。
图6.1 零件图图6.2 三维图图示零件为一阶梯轴。
该工件有外圆柱面、外圆锥面、和圆弧构成,要求使用轴向粗车复合循环指令编程,并完成零件的车削加工。
二、制订加工工艺(一)引入新知识切削用量的选择:数控车削加工中的切削用量包括背吃刀量、主轴转速或切削速度、进给速度或进给量。
a的确定(1)背吃刀量p背吃刀量应根据机床、夹具、刀具及工件所组成的工艺系统的刚度来确定。
在刚度允许的条件下,尽可能使背吃刀量等于工件的加工余量。
为了保证加工精度和表面粗糙度,一般都留有一定的精加工余量,一般为0.1---0.5mm。
v的确定(2)进给速度f进给速度指在单位时间内刀具沿进给方向移动的距离(单位为 mm/min)。
有些数控车床规定可以选用进给量 f(单位 mm/r)表示进给速度,二者之间的关系为:v=nffv为进给速度(mm/min),n为主轴转速(r/min),f为进给量(mm/r)。
式中,f应在保证表面质量的前提下,选择较高的进给速度。
一般情况下,根据零件的表面粗糙度、刀具及工件材料等因素,查阅切削用量手册选取进给速度。
(3)主轴转速 n的确定轮廓车削时主轴转速应根据被加工部位的直径、工件和刀具材料,以及加工性质等条件所允许的切削速度来确定。
切削速度可通过计算、查表和实践经验获取,切削速度确定后,用式 :n=dV c1000 计算主轴转速。
式中,n 是工件转速(r/min );vc 是切削速度(m/min );d 是切削刃选定点处所对应的工件回转直径(mm )。
(4)切削用量参考表常见工件材料、刀具及相应的切削用量见下表。
表6-1 常见工件材料、所用刀具及相应的切削用量(二)零件具体加工工艺制定1.装夹与定位该零件为实心轴类零件,采用轴的左端面和外圆作为定位基准,采用三爪自定心卡盘夹紧工件左端,一次装夹完成粗精加工。
【最新整理,下载后即可编辑】数控车削技术(入门)实例(一)毛坯为ф22×90,全部倒角为1×45°图5-1一、教学目的1、掌握对刀的概念及重要性。
2、掌握端面、外圆、锥度的编程和加工。
3、能熟练掌握精车对刀正确性的检查方法及调整。
4、遵守操作规程,养成文明操作、安全操作的良好习惯。
二、加工操作步骤参见图5-1,加工该零件时一般先加工零件外形轮廓,切断零件后调头加工零件总长。
编程零点设置在零件右端面的轴心线上。
1、夹零件毛坯,伸出卡盘长度76 mm。
2、车端面。
3、粗、精加工零件外形轮廓至尺寸要求。
4、切断零件,总长留0.5mm5、零件调头,夹ф21外圆(校正)6、加工零件总长至尺寸要求(程序略)7、回换刀点,程序结束。
三、注意事项1、确认车刀安装的刀位和程序中的刀号相一致。
2、仔细检查和确认是否符合自动加工模式。
3、灵活运用倍率修调开关。
4、为保证对刀的正确,对刀前应将工件外圆和端面采用手动方式车一刀。
5、机床的长度超程限位为15 mm。
四、应用的刀具:刀号T0100 T0202 T0303形状类型精车外圆刀粗车外圆刀切断刀,刀宽3mm材料YT30 YT5 YT15参考程序:O0233 ;N10 G50 X80 Z20;设定坐标系(起刀点)N20 M3 S02 T0100;调用粗车刀,主轴低低速正转N30 G00 X22 Z2;快速定位,接近工件N40 G71 U2 R1 ;每次进刀量4mm(直径)退刀1mmN50 G71 P60 Q140 U0.2 W0.2 F100;对外轮廓粗车加工,余量X、Z方向0.2mmN60 G00 X8;N70 G01 Z0 F60 ;N80 X10 Z-1; N60~N140为精加工外形轮廓程序群N90 Z-20;N100 X16 Z-28;N110 Z-40 ;N120 X19;N130 X21 Z-41;N140 Z-60;N180 G70 P60 Q140; 精车G71外形轮廓N190 G00 X80 Z20; 返回起刀点N200 T0303;换回切断刀,刀宽3mmN210 G00 X23 Z-59.8;快速定位,接近工件N220 G01 X10 F30; 切槽N225 G00 X23N230 G00 Z-59.5 ; 定位N240 G01 X-0.1 F30; 切断N250 G00 X50N255 Z50 ;返回起刀点N260 T0100 M05; 换回基准刀,主轴停止N270 M30; 程序结束数控车削技术(入门)实例(二)毛坯为ф22×65图5-2一、教学目的1、掌握对刀的概念及重要性。
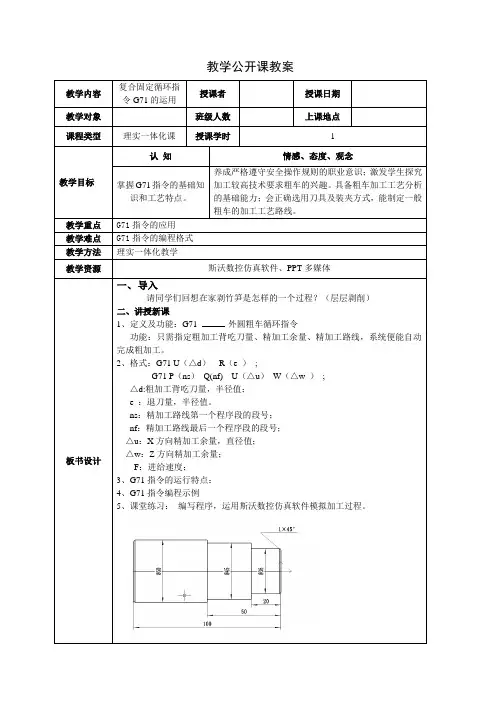
教学公开课教案
教学内容
复合固定循环指
令G71的运用
授课者授课日期
教学对象班级人数上课地点
课程类型理实一体化课授课学时 1
教学目标
认知情感、态度、观念
掌握G71指令的基础知
识和工艺特点。
养成严格遵守安全操作规则的职业意识;激发学生探究
加工较高技术要求粗车的兴趣。
具备粗车加工工艺分析
的基础能力;会正确选用刀具及装夹方式,能制定一般
粗车的加工工艺路线。
教学重点G71指令的应用
教学难点G71指令的编程格式
教学方法理实一体化教学
教学资源斯沃数控仿真软件、PPT多媒体
板书设计
一、导入
请同学们回想在家剥竹笋是怎样的一个过程?(层层剥削)
二、讲授新课
1、定义及功能:G71 外圆粗车循环指令
功能:只需指定粗加工背吃刀量、精加工余量、精加工路线,系统便能自动完成粗加工。
2、格式:G71 U(△d)R(e );
G71 P(ns)Q(nf) U(△u)W(△w );
△d:粗加工背吃刀量,半径值;
e :退刀量,半径值。
ns:精加工路线第一个程序段的段号;
nf:精加工路线最后一个程序段的段号;
△u:X方向精加工余量,直径值;
△w:Z方向精加工余量;
F:进给速度;
3、G71指令的运行特点:
4、G71指令编程示例
5、课堂练习:编写程序,运用斯沃数控仿真软件模拟加工过程。
G71复合循环指令编程教案1. 引言G71复合循环指令是数控编程中常用的一种循环指令,它可以简化编程过程并提高编程效率。
本教案旨在通过详细介绍G71复合循环指令的编程方法,帮助学习者掌握该指令的使用技巧。
2. 基本概念2.1 G71指令简介G71指令是数控系统中的一种复合循环指令,它可以在程序中使用循环方式重复执行一段程序段。
使用G71指令可以减少重复编写相同代码的工作量,提高编程效率。
2.2 G71指令的格式G71指令的基本格式如下:G71 X__ Y__ Z__ R__ Q__ ;其中,X__、Y__、Z__分别表示程序中需要重复执行的X、Y、Z坐标值;R__表示每次重复执行的终点位置;Q__表示每次重复执行的步长。
3. G71指令的编程方法3.1 程序准备在编写G71指令之前,需要先确定需要进行循环的程序段和相应的起点位置。
3.2 编写G71指令根据程序准备阶段的数据,在合适的位置编写G71指令。
例如:N10 G71 X10 Y20 Z30 R50 Q0.1 ;上述代码表示从当前位置开始,以步长为0.1重复执行X、Y、Z坐标值,直到达到终点位置为止。
3.3 结束循环在G71指令执行完毕后,需要使用M00指令或其他相应指令来结束循环。
例如:N20 M00 ;上述代码表示在G71指令执行完毕后,程序停止运行。
4. 示例程序下面是一个使用G71指令的示例程序:N10 G20 ; 设置英制N20 G90 ; 设置绝对坐标系N30 G54 ; 设置工作坐标系N40 G71 X0 Y0 R10 Q1 ; 以步长为1重复执行直到X和Y 坐标大于等于10为止N50 M00 ; 程序结束5. 注意事项使用G71指令时需要注意以下几点: - 确保程序块中没有其他的数控指令与G71指令冲突; - 确保在G71指令后使用适当的指令来结束循环。
6. 总结G71复合循环指令是数控编程中常用的一种循环指令,它可以简化编程过程并提高编程效率。
信息化实训教学教案课题阶梯轴的编程与加工专业数控车削编程与操作训练课时10课时课型理实一体教学目的与要求本项目是在实习实训网络教学资源共享平台的信息环境下,利用3D效果图、视频、图片、动画演示、数控仿真软件等多媒体手段,使学生能够很好的完成本零件的编程加工。
实现了学习内容与岗位工作内容的对接。
教学目标知识目标1、掌握外圆粗车循环指令G71的指令格式2、学会用G71进行编程能力目标1、能够用数控仿真软件加工出该零件2、能够用数控车床加工出该零件3、能够正确使用量具检验阶梯轴的相关尺寸情感目标1、通过小组合作学习,养成沟通与协作意识2、在操作中严格遵守职业操作规范,逐步强化职业安全意识教学重点1、学会用G71进行编程2、能够用数控车床加工出该零件教学难点能够用数控车床加工出合格的零件教法项目式教学法学法小组合作学习教学场地多媒体教室、仿真室、实训加工车间教学过程】殳计教学过程教学内容教师活动学生活动信息化手段及应用时间分配项目描述让学生明确任务内容:完成阶梯轴的加工。
展示实物,出示零件图。
播放数控加工视频。
学生观察实物及零件图,结合已有知识全视角观察分析加工工艺。
视频、图片等使学生对项目任务产生清晰、直观的认识。
10分钟查询资料加工零件需要的知识:G71指令、编程;加工零件的技术参数、工艺过程、测量工具等。
引导学生查阅各种资料、提供视频资料等。
学生子自主阅读项需要的知识:G71 指令的编程、加工工艺过程等。
教学平台中文本描述,,便于直观阅读。
70分钟外圆粗车循环指令:G71走刀路线、指令格式。
结合动画,引导学生明确该指令的走刀路线,指令观看动画明确该指令的轨迹,指令中每个字母的使用flash动画,加深学生对该指令格式的理解。
格式含义。
实现知识目标loG71指令的编程提供该零件的程序,分别有G01编程、G90编程、G71编程。
引导学生比较各指令的特点。
用仿真软件模G71的加工过程。
观察同一个零件用不同的指令编程,进行对比o总结用G71编程的优点,并能用G71进行编程。
最新数控G71内外圆粗车循环指令教案G71内外圆粗车循环指令一、场地安全:1、强调实习课堂安全要求;2、上机安全操作规程。
二、教学目的:知识目标:1、了解并掌握G71指令的功能和格式。
2、理解并掌握G71指令的参数含义、循环路径及编程方法,理解各个参数对循环路径的影响。
能力目标:1、能运用G71指令编程对零件进行粗加工。
2、能合理选择切削用量,制定合理的加工工艺路线。
3、培养学生综合分析能力。
情感目标:1、通过对课题的操作实践,让学生体验成功的喜悦,培养学生对本专业的热爱,养成规范的操作习惯和精益求精的工作作风。
2、通过分组讨论合作,培养学生的团结合作,思考的精神。
三、教学重、难点:重点:1、G71指令格式,参数含义,循环路径。
2、使用G71指令编写程序在书写时的一般方法与注意事项。
难点:如何让学生能够根据任意零件图,熟练的使用G71指令对其进行粗加工。
四、教学方法:比较发现法、任务驱动法、仿真教学法五、课堂设计:1、课时安排:2课时2、理论与仿真练习相结合3、时间分配:复习与新课导入:5分钟理论讲授:30分钟课堂练习:40分钟总结:3分钟作业布置:2分钟六、教学过程:(一)、组织教学:1、检查学生出勤情况、工作服及胸卡佩戴情况2、强调课堂纪律,做到安全文明生产3、简要总结上次课题的教学情况(二)、新课导入:先给出一个复杂的零件图让学生思考怎样编写其加工程序,然后仿真展示运用G90指令、G71指令对同一零件编写的两个程序,观看两程序有何不同。
1、用G90指令编程:仿真展示2、用G71指令编程:仿真展示通过对比式教学,使学生在巩固已学知识的基础上,从中发现G71指令的优点,通过对比,给学生感官差异,明确新学知识的作用,激发学生学习积极性,主动性。
告知学生当零件加工余量大、形状比较复杂时,运用G00、G01、G90指令编写程序需考虑多刀加工及刀具的进、退刀位置,加工工艺变得复杂,程序段较多,不易检查,且容易出错,并且加工效率低,而采用G71循环指令编程则可以解决以上问题。
课题七复合型车削固定循环(G70~G76)课题:复合型车削固定循环(G70~G76)课型:新知课教学时间:30节教学目标:1、熟练掌握外圆粗车循环的车削方法。
2、熟练掌握精加工循环的车削方法。
3、熟练掌握端面粗车循环的车削方法。
4、熟练掌握封闭切削循环的车削方法。
5、熟练掌握端面深孔加工循环的车削方法。
6、熟练掌握外圆、内圆车槽循环的车削方法。
7、熟练掌握复合螺纹切削循环的基本车削方法。
重点:1、熟练掌握外圆、粗车循环的车削方法。
2、熟练掌握精加工循环的车削方法。
3、熟练掌握端面粗车循环的车削方法。
4、熟练掌握封闭切削循环的车削方法。
5、熟练掌握端面深孔加工循环的车削方法。
6、熟练掌握外圆、内圆车槽循环的车削方法。
7、熟练掌握复合螺纹切削循环的基本车削方法。
难点:1、熟练掌握外圆内、圆粗车循环的车削方法。
2、熟练掌握端面粗车循环的车削方法。
3、熟练掌握封闭切削循环的车削方法。
4、熟练掌握外圆、内圆车槽循环的车削方法。
5、熟练掌握复合螺纹切削循环的基本车削方法。
教法教具:课堂理论教学。
学法指导:学生课前要先预习本节内容,课间要认真听老师讲课,课后要复习巩固。
教学内容:7.1 外圆、内圆粗车循环(G71)教学目的和要求:1、熟练掌握外圆内、圆粗车循环的车削方法。
2、掌握G70指令中各个代码的含义。
3、能运用G70编写工件外圆或内孔的粗加工程序。
教学重点难点2、掌握G70指令中各个代码的含义。
3、能运用G70编写工件外圆或内孔的粗加工程序。
教学方式:课堂理论教学教学时数:6学时教学内容:粗车复合循环G711、格式:G71 U(△d)R(e);G71 P(ns) Q(nf)U(△u)W(△w)F(f)T(t)S(s);2、各参数的含义(1)U(△d)表示X方向的进刀量(半径值),是模态指令。
(2)R(e)表示X方向的退刀量,是模态指令。
(3)P(ns)表示精加工形状程序段中的第一个程序段的顺序号。
(4)Q(nf)表示精加工形状程序段中的最后一个程序段的顺序号。