地面砖施工技术交底(1标准格式)
- 格式:doc
- 大小:47.00 KB
- 文档页数:4
地砖工程技术交底一、背景介绍地砖工程技术交底是指在进行地砖铺贴工作之前,施工方与相关人员进行沟通和交流,明确工程的具体要求、施工流程、注意事项等内容,以确保地砖工程的顺利进行。
本文将详细介绍地砖工程技术交底的标准格式和内容要点。
二、技术交底的标准格式地砖工程技术交底一般包括以下几个部分:1. 项目概况:简要介绍地砖工程的项目名称、地点、施工单位、监理单位等基本信息。
2. 工程要求:详细说明地砖工程的设计要求、规范标准、施工图纸等相关要求。
3. 施工流程:按照施工顺序,逐步介绍地砖工程的施工流程,包括工地准备、基础处理、瓷砖铺贴、填缝、美缝等环节。
4. 施工方法:详细说明地砖的选材、切割、铺贴、固定等具体施工方法和技术要点。
5. 施工注意事项:列举施工过程中需要特别注意的事项,如防水、防尘、防裂、防滑等,以及施工现场的安全措施和环境保护要求。
6. 质量验收标准:明确地砖工程的质量验收标准和检测方法,包括平整度、拼缝、色差、砖面质量等方面的要求。
7. 施工进度和质量控制:说明地砖工程的施工进度计划和质量控制措施,包括施工人员的配备、施工设备的使用等。
8. 现场管理要求:对施工现场的管理要求进行说明,包括工地秩序、施工材料的堆放、施工记录的填写等方面。
9. 交底确认:施工方与相关人员签署技术交底确认表,确认双方对地砖工程技术要求的一致性。
三、技术交底的内容要点1. 项目概况:包括地砖工程的项目名称、地点、施工单位、监理单位等基本信息,以便相关人员明确工程背景。
2. 工程要求:详细说明地砖工程的设计要求、规范标准、施工图纸等相关要求,确保施工方对工程要求有清晰的理解。
3. 施工流程:按照施工顺序,逐步介绍地砖工程的施工流程,包括工地准备、基础处理、瓷砖铺贴、填缝、美缝等环节,以确保施工方按照正确的顺序进行施工。
4. 施工方法:详细说明地砖的选材、切割、铺贴、固定等具体施工方法和技术要点,确保施工方掌握正确的施工方法和技术要求。
地砖面层施工技术交底一、施工准备1.1材料要求:地板砖的品种、规格、型号应符合设计及施工规范要求;水泥:32.5级以上普通硅酸盐水泥;砂:采用中砂。
2.2主要机具:小水桶、笤帚、方尺、铁撬、筛子、窄手推车、钢丝刷、喷壶,锤子、硬木拍板、合金尖凿子、合金扁凿子、小型台式砂轮。
3.3编制依据:依据《建筑地面工程施工质量验收规范》GB50209—2002二、操作工艺3.1工艺流程施工准备→弹线→复核→找平→刷水泥素浆结合层→做水泥砂浆找平层→铺设地砖→养护→产品保护3.2施工方法3.2.1施工前将基层上的杂质、油污清理干净,对平整度和标高偏差较大的应事先凿平修补,清扫干净,并提前浇水湿润基层。
3.2.2刷水泥素浆结合层。
在清理好的地面上均匀洒水,然后用扫帚均匀洒水泥素浆(水灰比为0.5)。
此层与下道工序铺砂浆找平层必须紧密配合。
3.2.3做水泥砂浆找平层。
将确定好的地面标高位置线弹在墙立面上,并进行技术复核后,做 50mm见方的水平灰饼,在铺设前,先根据弹线应先铺若干条干线作基准,起标筋作用。
冲筋后用用1:2.5水泥砂浆铺设厚度为20-25mm,砂浆应拍实,要求表面平整并找出泛水。
3.2.4铺设地砖时,检查房间的净空尺寸,找好方正,按施工大样图计算出所要铺贴的张数,若不足整张的应甩到边落上,不能铺设到显现位置。
铺设的地砖应事先洒水湿润,阴干后使用。
3.2.5铺地砖时,浇一层素水泥浆,然后再用橡皮锤轻轻敲击,既要达到铺设高度,又要使砂浆粘结层密实、平整。
应重复敲击、浇浆两次,板块铺设要四角同时平稳下落,对准纵横缝后还注意板块尺寸要一致,然后用橡皮锤轻轻敲击、排实,并用水平尺找平。
3.2.6铺好后,面层上刷液体蜡可减少砂浆在硬化过程中水分蒸发,增强面板与砂浆的粘结牢度,保护地面砖面层。
铺好后3天内不要上人或搬运物件。
3.2.7板块镶铺24小时后洒水养护,48小时后用水清理表面。
四、质量标准4.1主控项目4.1.1面层所用地砖、水泥、砂、颜料的品种、规格、颜色、质量,必须符合设计要求和有关标准的规定。
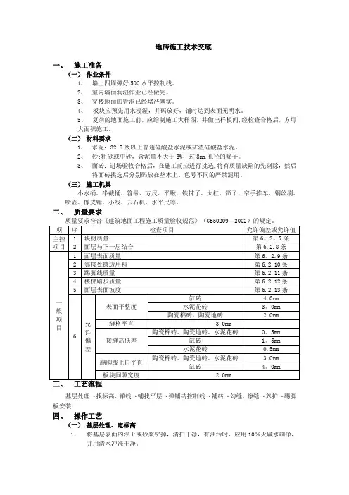
地砖施工技术交底一、施工准备(一)作业条件1、墙上四周弹好500水平控制线。
2、室内墙面润湿作业已经做完。
3、穿楼地面的管洞已经堵严塞实。
4、板块应预先用水浸湿,并码放好,铺时达到表面无明水。
5、复杂的地面施工前,应绘制施工大样图,并做出样板间,经检查合格后,方可大面积施工。
(二)材料要求1、水泥:32.5级以上普通硅酸盐水泥或矿渣硅酸盐水泥。
2、砂:粗砂或中砂,含泥量不大于3%,过8mm孔径的筛子。
3、面砖:进场验收合格后,在施工前应进行挑选,将有质量缺陷的先剔除,然后将面砖挑选后分别码放在垫木上。
色号不同的严禁混用。
(三)施工机具小水桶、半截桶、笤帚、方尺、平锹、铁抹子、大杠、筛子、窄手推车、钢丝刷、喷壶、橡皮锤、小线、云石机、水平尺等。
二、质量要求基层处理→找标高、弹线→铺找平层→弹铺砖控制线→铺砖→勾缝、擦缝→养护→踢脚板安装四、操作工艺(一)基层处理、定标高1、将基层表面的浮土或砂浆铲掉,清扫干净,有油污时,应用10%火碱水刷净,并用清水冲洗干净。
2、根据500水平控制线和设计图纸找出板面标高.(二)弹控制线1、先根据排砖图确定铺砌的缝隙宽度。
2、根据排砖图及缝宽在地面上弹纵、横控制线.注意该十字线与墙面抹灰时控制房间方正的十字线是否对应平行,同时注意开间方向的控制线是否与走廊的纵向控制线平行,不平行时应调整至平行。
以避免在门口位置的分色砖出现大小头。
注:排砖原则:①开间方向要对称(垂直门口方向分中);②破活尽量排在远离门口及隐蔽处,如:暖气罩下面;③为了排整砖,可以用分色砖调整;④与走廊的砖缝尽量对上,对不上时可以在门口处用分色砖分隔;⑤根据排砖原则画出排砖图,有地漏的房间应注意坡度、坡向。
(三)铺砖为了找好位置和标离,应从门口开始,纵向先铺2~3行砖,以此为标筋拉纵横水平标高线,铺时应从里面向外退着操作,人不得踏在刚铺好的砖面上,每块砖应跟线,操作程序是:1、铺砌前将砖板块放入半截水桶中浸水润湿,晾干后表面无明水时,方可使用。
一、交底目的为确保地砖施工过程中的安全,提高施工质量,现将地砖施工过程中的安全注意事项及施工技术要点进行交底,请全体施工人员认真学习和执行。
二、交底对象本交底适用于参与地砖施工的全体人员,包括施工班组、监理人员、管理人员等。
三、交底内容(一)施工准备1. 作业条件:- 施工前,确保施工场地平整、坚实,排水畅通。
- 水电管道、开关盒等设施已安装完成,并验收合格。
- 墙面、地面基体平整度符合要求,无空鼓、裂缝等缺陷。
- 防水层施工完毕,并经蓄水试验合格。
2. 材质要求:- 水泥:应符合国家相关标准,并有出厂证明及复试报告。
- 砂:选用中粗砂或粗砂,使用前应过筛。
- 地砖:应符合国家相关标准,颜色一致,尺寸准确,边棱整齐,无掉棱、缺角等缺陷。
3. 主要工器具:- 小水桶、半截桶、笤帚、方尺、手锹、铁抹子、大杠、水平尺、卷尺、吊线锤、筛子、窄手推车、钢丝球、棉纱、锤子、橡皮锤、钢片开刀、石材切割机等。
(二)施工工艺1. 基层处理:- 清理基层,确保无杂物、油污等。
- 对基体进行润水处理,提高基层吸水率。
2. 弹线定位:- 根据设计图纸,在基层上弹出地砖铺设的十字控制线和建筑标高控制线。
3. 铺设地砖:- 使用水泥砂浆结合层,按弹线进行铺设。
- 铺设过程中,确保地砖平整、牢固,无松动现象。
4. 勾缝:- 使用专用勾缝剂,将地砖缝隙勾满、勾实。
5. 清洁养护:- 铺设完成后,及时清理地面污渍,并进行养护。
(三)安全技术1. 施工人员:- 进入施工现场必须佩戴安全帽,系好下额带。
- 严禁酒后作业,禁止吸烟。
- 高处作业必须系好安全带,高挂低用。
- 使用手持切割机时,必须戴绝缘手套。
2. 机械设备:- 机械设备操作人员必须持证上岗,熟悉设备操作规程。
- 定期对机械设备进行维护保养,确保设备安全可靠。
3. 材料堆放:- 材料堆放整齐,不得超高、超宽。
- 通道畅通,确保施工安全。
四、交底人(此处填写交底人姓名及职务)五、接受交底人(此处填写接受交底人姓名及职务)六、注意事项1. 施工过程中,如遇特殊情况,应及时向项目负责人汇报,并采取相应措施。
地砖粘贴技术交底一、施工准备1、材料准备(1)地砖:品种、规格、图案、颜色应符合设计要求,质量应符合现行有关标准的规定。
(2)水泥:一般采用强度等级为 325 或 425 的普通硅酸盐水泥或矿渣硅酸盐水泥,应有出厂合格证明及复试报告。
(3)砂:中砂或粗砂,含泥量不应大于 3%。
(4)建筑胶:应符合环保要求。
2、主要机具(1)云石机、角磨机、瓷砖切割机、手提式电动搅拌器。
(2)橡皮锤、水平尺、靠尺、直角尺、墨斗、线坠、钢卷尺等。
3、作业条件(1)墙面、顶棚抹灰、门窗框安装已完成,并已验收合格。
(2)地面基层已处理干净,无杂物、油污等。
(3)室内水平控制线已弹好,并经预检合格。
二、施工工艺流程基层处理→找标高、弹线→铺找平层→弹铺砖控制线→铺砖→勾缝、擦缝→养护→踢脚板安装1、基层处理将基层上的浮浆、落地灰等杂物清理干净,用扫帚扫净。
对于表面光滑的基层,应进行凿毛处理,以增加基层与找平层的粘结力。
2、找标高、弹线根据室内水平控制线,在房间四周墙上弹出地面标高控制线,并在地面上弹出十字控制线和分格线。
3、铺找平层在基层上洒水湿润,然后均匀涂刷一道素水泥浆。
接着铺设 1:3 干硬性水泥砂浆找平层,厚度一般为 20-30mm,用木抹子搓平,压实。
4、弹铺砖控制线当找平层砂浆抗压强度达到 12MPa 时,开始弹铺砖控制线。
根据设计要求和砖的规格尺寸,确定砖的铺贴缝隙宽度。
一般来说,缝隙宽度为 1-2mm。
5、铺砖(1)将地砖预先浸水湿润,晾干后备用。
(2)在铺砖时,先从十字控制线的交点开始,按照控制线的位置逐块铺贴。
(3)用橡皮锤敲击地砖,使其与找平层粘结牢固。
铺贴过程中,要随时用水平尺和靠尺检查地砖的平整度和坡度。
(4)在地砖铺贴完成后,应及时清理地砖表面的杂物和灰尘。
6、勾缝、擦缝在地砖铺贴 24 小时后,进行勾缝处理。
勾缝采用 1:1 水泥砂浆,缝深一般为 2-3mm。
勾缝完成后,用棉丝将地砖表面擦净。
一、交底目的为确保地面砖、墙面砖粘贴作业过程中的安全,降低事故风险,特制定本安全技术交底,要求所有参与施工人员严格遵循。
二、交底对象所有参与地面砖、墙面砖粘贴作业的施工人员及管理人员。
三、交底内容1. 施工现场安全注意事项(1)进入施工现场必须佩戴合格的安全帽,系好下额带;(2)严禁酒后作业;(3)现场禁止吸烟;(4)禁止私自拆除或移动防护设施、电器设备;(5)禁止追逐打闹;(6)禁止操作与自己无关的机械设备;(7)高处作业必须系好合格的安全带,高挂低用;(8)使用手持切割机必须戴绝缘手套。
2. 地面砖、墙面砖粘贴作业安全要求(1)施工前,应对施工现场进行全面检查,确保脚手架、防护设施等安全可靠。
脚手板应平整、无裂缝,护身栏、挡脚板齐全,确认合格后方可使用;(2)作业过程中,严禁拆除脚手架与建筑物拉接点,禁止攀爬外脚手架;(3)脚手架上物料重量不得超过200kg/m²,集中载荷不得超过150kg/m²;(4)无证人员严禁操作吊篮,上下吊篮应走专用通道口,严禁攀爬或蹦跳上下吊篮;(5)使用吊篮作业必须系挂安全带,挂在安全绳上;(6)废料、边角料不得随意抛掷,吊篮不得超载使用;(7)遇有六级以上强风、大雨、大雾等恶劣天气,应停止室外高处作业;(8)吊篮下方必须设双层水平安全网。
3. 施工操作规范(1)地面砖、墙面砖粘贴前,应对基层进行处理,确保基层平整、干净、无油污、无浮尘;(2)粘贴材料应选用符合国家标准的合格产品,粘贴前应进行浸泡处理;(3)粘贴过程中,应确保砖面平整、牢固,不得出现空鼓、松动等现象;(4)粘贴完成后,应及时清理施工现场,保持环境整洁。
四、交底要求1. 施工单位应将本安全技术交底内容传达给所有参与施工人员,确保人人知晓、人人遵守;2. 施工过程中,各级管理人员应加强对施工人员的安全监督,确保安全措施落实到位;3. 施工人员应严格遵守安全技术操作规程,不得违章作业;4. 如遇特殊情况,应立即停止作业,待排除安全隐患后方可继续施工。
一、工程名称:[请填写工程名称]二、施工单位:[请填写施工单位名称]三、分项工程名称:室内地面砖铺贴四、交底日期:[请填写日期]五、交底人:[请填写交底人姓名]六、接受交底人员:[请填写接受交底人员姓名及班组]七、交底内容:一、施工准备:1. 材料准备:- 检查瓷砖的质量,确保无裂纹、色差等缺陷。
- 准备足够的瓷砖、水泥、砂子、粘结剂等材料。
- 准备必要的施工工具,如水平尺、墨斗、橡皮锤、切割机等。
2. 场地准备:- 清理施工现场,确保地面平整、干净。
- 检查地面是否存在空鼓、裂缝等问题,及时处理。
二、安全技术操作规程:1. 个人防护:- 施工人员必须佩戴安全帽、工作服、手套等防护用品。
- 高处作业时,必须系好安全带。
2. 施工步骤:- 基层处理:确保基层平整、干燥,如有必要,进行找平处理。
- 弹线定位:根据设计要求,弹好地面砖的定位线。
- 铺贴:按照弹线进行铺贴,确保砖面平整、缝隙均匀。
- 切割:使用切割机进行切割,确保切割面整齐。
3. 高空作业:- 高空作业时,必须搭设安全防护设施,如脚手架、安全网等。
- 严禁在无防护设施的情况下进行高空作业。
4. 工具使用:- 使用切割机、电钻等电动工具时,必须确保设备完好,操作人员熟悉操作规程。
- 严禁将工具随意放置,防止误伤。
三、注意事项:1. 防止滑倒:- 施工现场应保持干燥,防止地面湿滑。
- 施工人员应穿着防滑鞋。
2. 防止坠落:- 高空作业时,必须佩戴安全带,并确保安全带系牢。
- 严禁在无安全防护设施的情况下进行高空作业。
3. 防止工具伤害:- 使用电动工具时,必须确保设备完好,操作人员熟悉操作规程。
- 严禁将工具随意放置,防止误伤。
八、交底记录:[请填写接受交底人员签名及日期]九、未尽事宜:[请填写未尽事宜及处理措施]十、备注:1. 本安全技术交底适用于室内地面砖铺贴施工。
2. 施工过程中,如遇特殊情况,应及时上报并采取相应的安全措施。
请注意,以上模板仅供参考,具体施工安全措施应根据实际情况进行调整。
一、交底目的为确保地面砖粘贴施工过程中的安全,预防事故发生,提高施工人员的安全意识,特制定本安全技术交底。
二、适用范围本交底适用于所有地面砖粘贴施工项目。
三、施工前安全注意事项1. 人员要求:施工人员必须经过专业培训,持有相关操作证书,熟悉地面砖粘贴施工工艺和安全操作规程。
2. 安全装备:施工人员必须佩戴安全帽、防尘口罩、防护眼镜、工作服、手套等个人防护用品。
3. 现场环境:施工现场应保持整洁、通风良好,地面应平整,无积水、油污等。
4. 工具检查:施工前应对所有工具进行检查,确保其完好、安全可靠。
四、施工过程安全注意事项1. 材料搬运:搬运地面砖时应轻拿轻放,避免损坏。
严禁抛掷或踩踏地面砖。
2. 地面处理:施工前应对基层进行处理,确保基层平整、坚实、无裂缝、无油污。
3. 粘贴施工:- 使用专用胶粘剂进行粘贴,确保胶粘剂的质量和配比。
- 粘贴时,应按设计要求进行,确保地面砖的平整度和缝隙均匀。
- 使用水平尺和垂直尺检查地面砖的平整度,如有偏差应及时调整。
4. 高处作业:- 高处作业时,必须系好安全带,并使用安全绳。
- 高处作业平台应稳固可靠,不得超载。
- 高处作业区域应设置警戒线,并安排专人监护。
5. 机械操作:- 使用切割机、打磨机等机械时,必须佩戴耳塞、护目镜等防护用品。
- 操作机械前,应检查机械状态,确保其安全可靠。
五、应急措施1. 火灾:施工现场应配备灭火器、消防栓等消防设施,并定期进行检查。
2. 触电:施工现场应使用符合安全标准的电源,并定期检查线路。
3. 高处坠落:高处作业人员应佩戴安全带,并使用安全绳。
4. 机械伤害:操作机械时,应严格遵守操作规程,并注意周围环境。
六、交底记录1. 本交底由施工负责人进行宣读,施工人员应认真听讲并签字确认。
2. 施工过程中,如有疑问或异常情况,应及时向施工负责人报告。
七、总结地面砖粘贴施工是一项重要的分项工程,施工过程中必须高度重视安全问题。
通过本次安全技术交底,希望施工人员能够充分认识到安全的重要性,严格遵守安全操作规程,确保施工安全。
地板砖粘贴技术交底一、施工准备1、材料准备(1)地板砖:品种、规格、质量应符合设计要求和现行国家标准的规定。
在选购地板砖时,要注意其色泽、平整度、尺寸偏差等指标,确保其质量合格。
(2)水泥:一般采用强度等级为 325 及以上的普通硅酸盐水泥或矿渣硅酸盐水泥。
水泥应具有出厂合格证和复试报告,且在有效期内使用。
(3)砂:中砂或粗砂,含泥量不大于 3%。
砂应过筛,去除杂质和过大的颗粒。
(4)胶粘剂:根据地板砖的材质和基层情况,选择合适的胶粘剂。
胶粘剂应具有良好的粘结性能和耐水性。
2、工具准备(1)量具:水平尺、靠尺、直角尺、钢卷尺等,用于测量和检查施工质量。
(2)切割工具:瓷砖切割机、云石机等,用于切割地板砖。
(3)铺贴工具:橡皮锤、抹子、小灰铲、锯齿镘刀等,用于铺贴地板砖。
(4)清洁工具:扫帚、抹布、水桶等,用于清理施工现场。
3、作业条件准备(1)墙面、顶棚抹灰已完成,门窗框已安装完毕,且门窗框与洞口之间的缝隙已用密封材料嵌填密实。
(2)地面基层已清理干净,无杂物、油污、浮尘等,并提前浇水湿润。
(3)在地面上弹出+50cm 水平控制线,作为铺贴地板砖的标高基准线。
(4)对地板砖进行预选,将有缺陷、色差较大的地板砖挑出,单独存放。
二、施工工艺流程1、基层处理将基层表面的浮浆、杂物、油污等清理干净,对于凹凸不平的部位,应采用水泥砂浆进行找平处理。
基层处理完成后,应浇水湿润,但不得有积水。
2、弹线分格根据设计要求和地板砖的规格尺寸,在地面上弹出纵横控制线,确定地板砖的铺贴位置和缝隙宽度。
一般来说,缝隙宽度宜为 15mm2mm。
3、排砖试铺在房间内按照弹线分格的位置进行排砖,尽量将非整块砖安排在隐蔽部位或阴角处。
排砖完成后,应进行试铺,检查地板砖的铺贴效果和缝隙是否均匀,如有问题应及时调整。
4、配置胶粘剂根据胶粘剂的使用说明,将胶粘剂和水按照一定的比例搅拌均匀,搅拌时间不宜过长,以免影响胶粘剂的性能。
5、铺贴地板砖(1)在基层上均匀涂抹一层胶粘剂,厚度宜为 3mm 5mm。
一、工程名称:[填写工程名称]二、交底日期:[填写日期] 年 [填写月份] 月 [填写日期] 日三、施工单位:[填写施工单位名称]四、施工班组:[填写施工班组名称]五、交底内容:一、施工前的准备工作1. 作业条件:- 基体表面必须经过验收,并完成隐蔽工程检查。
- 结构应验收合格,沉降稳定。
- 基体表面平整度必须处理到位,符合施工图要求。
2. 材料准备:- 水泥:32.5级及以上普通硅酸盐水泥或矿渣硅酸盐水泥,并有出厂证明及复试报告。
- 砂:中粗砂或粗砂,使用前过筛。
- 地砖:颜色一致,尺寸正确,边棱整齐,无掉棱、缺角,表面平整度保证1mm偏差,墙面垂直度偏差2mm,允许空鼓3%。
3. 工具准备:- 铺贴工具:水泥浆搅拌机、水平尺、墨斗、橡胶锤、橡皮锤、切割机等。
- 安全防护工具:安全帽、手套、防护眼镜、防滑鞋等。
二、施工工艺及注意事项1. 基层处理:- 基层必须平整、坚实、清洁,无油污、浮尘等。
- 需进行洒水湿润,防止水泥浆与基层粘结不牢固。
2. 弹线定位:- 根据设计图纸,弹出地面砖铺贴的基准线和分格线。
3. 铺贴:- 首先铺贴定位砖,然后按基准线逐块铺贴。
- 铺贴过程中,注意砖面平整,缝隙均匀,对角线误差不大于1mm。
4. 切割:- 对于需切割的砖块,应使用切割机进行切割,确保切割面平整。
5. 勾缝:- 砖铺贴完成后,应立即进行勾缝,勾缝材料应选择与砖面颜色相近的勾缝剂。
三、安全技术措施1. 高空作业:- 铺贴地面砖时,如需进行高空作业,必须做好安全防护措施,如设置安全网、安全带等。
2. 机械操作:- 使用切割机等机械设备时,必须严格按照操作规程进行,防止机械伤害。
3. 材料堆放:- 材料堆放应整齐有序,不得超高堆放,防止倾倒伤人。
4. 个人防护:- 施工人员必须佩戴安全帽、手套、防护眼镜、防滑鞋等个人防护用品。
四、注意事项1. 施工过程中,必须严格按照施工图纸和施工工艺进行操作。
2. 施工人员应具备相应的专业技能和操作经验。
完整版)地板砖施工安全技术交底
地板砖施工安全技术交底
1.施工前的准备工作
确保施工区域清洁整齐,清除杂物和障碍物。
检查地面是否平整,没有明显的凹凸不平。
检查地面是否结实稳固,无松动或空鼓的部分。
2.使用工具和材料时的安全注意事项
使用电动工具前,确保了解并遵守使用说明书中的安全指南。
使用电线时,避免过度拉伸和绕成结,以防跌倒和电线损坏。
使用化学材料时,佩戴适当的个人防护装备,如手套和口罩。
3.施工期间的安全措施
戴好安全帽和防护手套,以保护头部和手部不受伤害。
在施工区域设置明显的警示标识,以警示他人注意安全。
在施工过程中,严禁吸烟和使用明火。
4.施工完成后的清理工作
清理施工区域,将材料和工具妥善收拾,防止他人滑倒或受伤。
清除施工过程中产生的垃圾和废料,保持环境整洁。
5.紧急情况应对措施
准备急救箱,并确保施工人员了解急救知识和应急预案。
若发生事故或伤害,立即向相关人员报告,并寻求医疗援助。
以上是地板砖施工安全技术交底的内容,施工人员在进行地板
砖施工时务必遵守以上要求,确保施工安全。
一、交底人: [姓名]二、接受交底人: [姓名]三、交底日期: [年]年[月]月[日]四、施工单位: [施工单位名称]五、分项工程名称:地砖施工六、交底提要:为确保地砖施工过程中的安全,特进行安全技术交底,要求所有参与施工人员必须严格遵守以下安全规定。
七、交底内容:1. 施工前的安全准备:- 施工现场应设立明显的安全警示标志,明确施工区域和危险区域。
- 所有施工人员必须经过专业培训,了解地砖施工的基本工艺和安全操作规程。
- 施工前应对施工现场进行全面检查,确保施工环境安全,如照明、通风、排水等设施完善。
2. 个人防护:- 施工人员必须佩戴符合国家标准的安全帽,并系好下颌带。
- 需要使用防护眼镜、耳塞等个人防护用品时,必须正确佩戴。
- 使用切割机等工具时,必须佩戴绝缘手套和防护眼镜。
3. 施工过程中的安全注意事项:- 严禁酒后作业,施工人员应保持清醒状态。
- 禁止在施工现场吸烟,以防火灾事故。
- 严禁擅自拆除或移动安全防护设施和电器设备。
- 禁止追逐打闹,确保施工区域内的秩序。
4. 高空作业安全:- 高处作业必须系好合格的安全带,高挂低用。
- 使用脚手架时,必须检查其稳固性,确保脚手板无空隙、探头板。
- 脚手架上物料重量不得超过200kg/m²,集中载荷不得超过150kg/m²。
- 无证人员不得操作升降吊篮,上下吊篮走专用通道,严禁攀爬或蹦跳上下。
5. 吊篮作业安全:- 使用吊篮作业时,必须系挂安全带,并挂在安全绳上。
- 废料、边角料不得随意抛掷,吊篮不得超载使用。
- 遇有六级以上强风、大雨、大雾等恶劣天气,应停止室外高处作业。
6. 施工机械安全:- 使用切割机、打孔机等机械设备时,必须确保设备完好,操作人员熟悉操作规程。
- 机械设备操作人员必须经过专业培训,并取得相应操作证书。
7. 现场急救知识:- 施工现场应配备必要的急救用品,如急救箱、担架等。
- 施工人员应了解基本的急救知识和技能,以便在紧急情况下进行自救或互救。
一、交底对象全体参与墙地面砖铺贴施工的施工人员、技术人员及管理人员。
二、交底目的为确保墙地面砖铺贴施工过程中的安全,预防事故发生,提高施工质量,特进行安全技术交底。
三、交底内容1. 施工前的准备工作(1)作业条件:贴面前,基体必须经验收,无空鼓、裂缝、起砂等缺陷。
有防水要求的房间,需做好蓄水试验,并隐检完毕。
结构已验收沉降稳定,基体表面平整度必须经过处理。
(2)材料要求:水泥、白水泥、砂、地砖等材料应符合国家现行产品标准和工程技术标准的要求,并具有出厂证明及复试报告。
(3)机具准备:磅秤、筛子、手推车、大桶、木抹子、水平尺、方尺、靠尺板、切割机、托线板、盒等。
2. 施工过程中的安全注意事项(1)高空作业安全:在进行高空作业时,必须系好安全带,并确保安全带挂点牢固可靠。
操作人员应遵守高空作业规范,不得擅自攀爬。
(2)机械安全:切割机、托线板等机械设备操作前,必须检查设备状态,确保设备运行正常。
操作人员应掌握设备操作规程,不得违规操作。
(3)材料运输安全:运输材料时,应确保材料堆放平稳,不得超高、超宽、超长。
车辆行驶过程中,应遵守交通规则,注意交通安全。
(4)用电安全:施工过程中,必须严格遵守用电安全规程,不得私拉乱接电线。
操作人员应熟悉电气设备性能,不得违规操作。
(5)防滑措施:施工现场应设置防滑措施,如防滑垫、防滑涂料等。
操作人员应穿着防滑鞋,确保作业安全。
3. 施工过程中的质量要求(1)饰面砖的品种、规格、图案、颜色和性能应符合设计要求及国家现行产品标准和工程技术标准。
(2)饰面砖粘贴工程的找平、防水、粘结和勾缝材料及施工方法应符合设计要求及国家现行产品标准和工程技术标准。
(3)饰面砖粘贴必须牢固,无空鼓、裂缝等缺陷。
(4)满贴法施工的饰面砖工程应无空鼓、裂缝。
四、交底要求1. 施工单位应组织全体施工人员认真学习安全技术交底内容,确保每位施工人员掌握安全操作规程。
2. 施工过程中,施工人员应严格遵守安全技术交底要求,确保施工安全。
2.当做分项工程施工技术交底时,应填写“分项工程名称”栏,其他技术交底可不填写。
2.当做分项工程施工技术交底时,应填写“分项工程名称”栏,其他技术交底可不填写。
2.当做分项工程施工技术交底时,应填写“分项工程名称”栏,其他技术交底可不填写。
2.当做分项工程施工技术交底时,应填写“分项工程名称”栏,其他技术交底可不填写。
2.当做分项工程施工技术交底时,应填写“分项工程名称”栏,其他技术交底可不填写。
2.当做分项工程施工技术交底时,应填写“分项工程名称”栏,其他技术交底可不填写。
2.当做分项工程施工技术交底时,应填写“分项工程名称”栏,其他技术交底可不填写。
2.当做分项工程施工技术交底时,应填写“分项工程名称”栏,其他技术交底可不填写。
地面砖工程技术交底引言概述:地面砖工程技术交底是指在进行地面砖施工前,施工方与工程负责人之间进行的技术交流与确认,以确保施工过程中的质量和安全。
本文将详细介绍地面砖工程技术交底的内容和要点。
一、地面砖施工前准备1.1 确定施工材料:在地面砖施工前,首先需要确定所需的施工材料,包括地面砖、砂浆、填缝剂等。
施工方应根据工程要求和设计方案,选择合适的材料,并确保其质量符合相关标准。
1.2 检查施工基础:地面砖施工的基础是非常重要的,施工方应在施工前对基础进行检查,确保其平整度和承重能力符合要求。
如有必要,还需进行基础处理,如填充砂浆、修复裂缝等,以确保地面砖的稳定性和耐久性。
1.3 制定施工方案:在地面砖工程技术交底中,施工方需要制定详细的施工方案。
方案应包括施工步骤、施工工艺、施工顺序等内容,并与工程负责人进行确认。
通过制定施工方案,可以确保施工过程的有序进行,提高施工效率和质量。
二、地面砖施工过程2.1 砖砌前准备:在进行地面砖砌筑前,施工方需要进行砖砌前的准备工作。
首先,需要清理施工区域,确保地面干净整洁。
其次,需要测量和标记砖砌位置,以确保砖砌的准确度和一致性。
最后,需要准备好所需的施工工具和材料,如砖刀、砂浆桶等。
2.2 砖砌施工:地面砖砌筑是地面砖工程的核心环节。
施工方应按照施工方案进行砖砌,注意砖与砖之间的间距和垂直度。
在砖砌过程中,还需注意砖与基础之间的粘结性,确保砖与基础之间的牢固连接。
2.3 砖砌后处理:地面砖砌筑完成后,施工方需要进行砖砌后的处理工作。
首先,需要清理施工区域,清除砖砌过程中产生的杂物和垃圾。
其次,需要进行砖砌缝隙的填缝工作,以增加地面砖的美观度和耐久性。
最后,需要进行砖面的清洁和保护,以确保地面砖的质量和使用寿命。
三、地面砖施工质量控制3.1 施工质量检查:在地面砖施工过程中,施工方应进行施工质量的检查和控制。
施工方应按照相关标准和要求,检查地面砖的平整度、垂直度、间距等指标,确保施工质量符合要求。
地面砖工程技术交底一、施工准备(一)作业条件1、墙上四周弹好+0.5m水平控制线。
2、地面防水层已经做完,室内墙面润湿作业已经做完。
3、穿楼地面的管洞已经堵严塞实。
4、楼地面垫层已经做完。
5、板块应预先用水浸湿,并码放好,铺时达到表面无明水。
6、复杂的地面施工前,应绘制施工大样图,并做出样板间,经检查合格后,方可大面积施工。
(二)材料要求1、水泥:32。
5级以上普通硅酸盐水泥或矿渣硅酸盐水泥。
2、砂:粗砂或中砂,含泥量不大于3%,过8mm孔径的筛子。
3、面砖:进场验收合格后,在施工前应进行挑选,将有质量缺陷的先剔除,然后将面砖按大中小三类挑选后分别码放在垫木上。
色号不同的严禁混用,选砖用木条钉方框模子,拆包后块块进行套选,长、宽、厚不得超过±lmm,平整度用直尺检查。
(三)施工机具小水桶、半截桶、笤帚、方尺、平锹、铁抹子、大杠、筛子、窄手推车、钢丝刷、喷壶、橡皮锤、小线、云石机、水平尺等。
二、质量要求基层处理→找标高、弹线→铺找平层→弹铺砖控制线→铺砖→勾缝、擦缝→养护→踢脚板安装四、操作工艺(一)基层处理、定标高1、将基层表面的浮土或砂浆铲掉,清扫干净,有油污时,应用10%火碱水刷净,并用清水冲洗干净。
2、根据+0。
5m水平控制线和设计图纸找出板面标高。
(二)弹控制线1、先根据排砖图确定铺砌的缝隙宽度.2、根据排砖图及缝宽在地面上弹纵、横控制线。
注意该十字线与墙面抹灰时控制房间方正的十字线是否对应平行,同时注意开间方向的控制线是否与走廊的纵向控制线平行,不平行时应调整至平行.以避免在门口位置的分色砖出现大小头.注:排砖原则:①开间方向要对称(垂直门口方向分中);②破活尽量排在远离门口及隐蔽处,如:暖气罩下面;③为了排整砖,可以用分色砖调整;④与走廊的砖缝尽量对上,对不上时可以在门口处用分色砖分隔;⑤根据排砖原则画出排砖图,有地漏的房间应注意坡度、坡向。
(三)铺砖为了找好位置和标离,应从门口开始,纵向先铺2~3行砖,以此为标筋拉纵横水平标高线,铺时应从里面向外退着操作,人不得踏在刚铺好的砖面上,每块砖应跟线,操作程序是:1、铺砌前将砖板块放入半截水桶中浸水润湿,晾干后表面无明水时,方可使用.2、找平层上洒水润湿,均匀涂刷素水泥浆(水灰比为0。