SMT各工位作业指导书
- 格式:xls
- 大小:5.87 MB
- 文档页数:5
品名品号工序名称规格工艺属性/标准工时/工序代号1/4图示说明:一、物料及辅料序号材料品号品名规格型号数量位号1、印刷内部工作1/PCB板///2根据需求二、工装治具序号数量11套2适量3三、作业步骤2、标准印刷图锡膏需均匀覆盖在印胶的位置居中、胶量适中、成型良3、常见印刷不良四、注意事项NG (锡浆丝印连 NG (焊盘NG (锡膏印刷偏移NG (胶量太少)NG (胶点拉丝)修改审核批准审核:批准:HR-SMT-001 0/0生产作业指导书Production Working instruction1、打开印刷机程序;2、准备好刮刀、辅料、钢网、需印刷PCB板;3、调整好印刷机各参数:刮刀压力1-5kg,印刷速度30-100mm/s,脱模速度0.1-2mm/s, 脱模长度0-3mm,清洗速度20-50mm/s,清洗间隔5-10PCS,填写《SMT印刷机参数记录表》;4、印刷首片需按照《工艺指导书》进行仔细检查,对不良进行调整;无异常后方可批量印刷;5、根据图示内容检查印刷质量;不良品需进行清洁后再印刷;印刷质量无法判定时,交班长处理;6、检查无异常方可流入下一工序。
1、P板投入印刷前需仔细检查P板表面有无杂物或P板损坏;2、锡膏与红胶的使用遵循辅料使用原则:"先进先出,少量多次"3、定期清洗钢网;(锡膏印刷每5-10PCS清洗一次;红胶印刷每10-50PCS清洗一次)4、印刷好的P板存放数量不得超过30pcs;5、操作设备时需注意安全,设备运转时任何物体不得探入机器内部;6、生产ROHS产品时,注意材料、工具、辅料的管控;7、作业时请轻拿轻放产品,防止产品碰撞损坏;8、作业时需戴好防静电手环;9、按作业指导书无法进行作业及发生异常时及时通知当班负责人。
成都华仁电子科技有限公司ChengDu HuaRen Electronics Co., Ltd成都华仁电子科技有限公司ChengDu HuaRen Electronics Co., Ltd管理编号管理编号制订:HR-SMT-001 0/0修改时间修改内容印刷设备白棉碎布通用/印刷/印刷质量检测/锡膏/红胶/酒精工装治具规格型号刮刀锡膏(红胶)钢网PCB品名品号工序名称规格工艺属性/标准工时/工序代号2/4图示说明:一、物料及辅料序号材料品号品名规格型号数量位号1、贴片机贴装工1/印刷完成PCB板///双面胶10MM1卷二、工装治具序号数量11台21把三、作业步骤2、物料更换:2.1、材料盘认规格误差 阻值规格 容值 误差2.2、材料的极性四、注意事项正极-贴片IC极性图示贴片钽电容极负极1脚7脚贴片二极管极修改审核批准审核:批准:品名品号工序名称规格工艺属性XX/重点工序标准工时/工序代号3/41、打开贴片机程序;调整好设备导轨,装载贴片机程序,设备开始自动贴片;2、当物料使用完后机器会报警料尽,对物料进行更换后继续生产;◆备料:每15分钟查看生产中物料的余数,当物料余数小于500左右,根据程序站别显示的元件名称从指定的料车上取出相应的物料安装在供料器上,放置于备料车上。
本文部分内容来自网络整理,本司不为其真实性负责,如有异议或侵权请及时联系,本司将立即删除!== 本文为word格式,下载后可方便编辑和修改! ==smt作业指导书模板篇一:《SMT贴片作业指导书》SMT贴片作业指导书一、工位操作内容1. 先开气,再开机,检查设备里面有无杂物,做好清洁,确保无误后开机-?设备归零-?选择生产程序2. 程序名称为:在菜单1/1/D4 SWITCH PCB NAME选择所要生产的程序3. 每天交接班时确认机台程序名称与版本一次,核对上料位臵一次,基板编号与材料规格以BOM(元件清单)站台表为准,并做好记录,对所做工作负责4. 贴片机操作遵循操作说明书5. 换料时以站台表为准,上料后要由另一人核对后方可开机生产,上料后做好记录6. 每30分钟查看一次用料情况,对快用完的料提前准备7. 贴片时按印刷之先后顺序,采用先印先贴的原则8. 换料后贴出的第一块PCB要检查所换料元件,是否有反向,有则改程序贴装角度9. 时刻观察贴片位臵,连续发现同一位臵有偏移的,重新调整取料位臵和贴装位臵二、注意事项:1. 交班时第一步就是核对站台位,检查上料情况2. 每1小进确认一次抛料率,对某一站位经常性抛料后要查找原因,及时调整,并做好记录,找工艺解决3. 所有真空包装零件皆为潮湿敏感零件,注意零件保存;上料时并确认IC标签有无过期,上料时要注意方向,IC管料要检查方向,二极管,三极管注意跟前批是否一致,做好换料记录4. 定位板子时要注意调整宽度及定位针高度,避免损坏设备、PCB发现任何异常马上通知工艺或主管。
内部文件·严禁影印伟光电子一、操作步骤:1.启动? 开启供电电源开关;? 开启机器总电源开关,按下绿色按钮;? 开启控制板上运输带电子调速器开关,由“STOP”至“RUN”,并检查调速器上刻度的位臵及数字显示(温控开关打开后显示)是否同关机前一致;? 开启冷却风扇与热风开关,由“OFF”至“ON”或“强”至“弱”(对于小面薄的PCB板采用OFF或弱);? 开启温区温控器,由“OFF”至“ON”,按温控表下方SET键使数据闪动,用〈选择更改位数,最亮一位,▲或▼更改(每按一次增减1)数据,之后按SET 键固定; ? 正常开机20~30分钟后,观察温度控制器上实际温度与设定温度比较稳定,则进行下一步,若不稳定则重新设臵温度比例积分(按住温控表下方的“set”键10秒左右,数据菜单更改会闪动时放开手指,接着再按一下,提出ATU菜单将0000改0001,再按住SET键至不闪动为止),5~10分钟后重新观察温控器并进行下一步; ? 将温度热电偶传感器贴附在与工作PCB相同或相似尺寸的废板上,以观察回流; ? 按上一步比较结果,若标准曲线基本相同或与自调曲线相类似,则可以开始生产,否则按温度曲线,在相应温差大的温度控制器重新进行尝试性5度左右递增减补偿设定温度,或整机综合调整,以达到可以生产的温度曲线;? 在刚放入PCB生产5~10分钟左右时,若温度控制器实际温度与设定温度不稳定,则重做第7步调整或再做第7、8、9三步调整,(开始放入PCB板或突然改变放入回流焊的PCB数量时,实际温度与设定温度有一定温差,过一段时间的匀速放入PCB后,这个温差将减少到正常温差范围内)。
SMT通用作业指导书1000字SMT通用作业指导书1. 操作前准备在进行SMT作业之前,需要进行以下准备工作:1.1 确认所需物料准确无误,数量足够,检查各种元器件是否存在压坏、弯曲、刮花等损坏现象。
1.2 确保仪器设备正常:SMT设备、电炉、SMT回流焊炉等。
1.3 工作场地要求清洁整洁,保证操作环境符合卫生要求。
1.4 工作人员应佩戴防静电服、手套、鞋套等防静电装备,防止静电危害。
1.5 了解所操作的设备的工作原理和操作流程,保证操作的准确性和安全性。
2. 元器件贴装2.1 将元器件导入自动化贴片机的元器件库中,参照元器件规格进行元器件类型设置,设置合适的放料动作、取料位置等。
2.2 进行各种检查,确保元器件是否正确放置,方向是否正确等。
同时注意对防静电元器件的处理,通过在放元器件前对空气中的静电进行处理等方式,2.3 进行贴片工作,先贴小型元件,再贴大型元件,最后底面贴贴片元件。
进行贴片工作时要密切关注贴片机的运行状态,及时发现异常情况;对抛料、错料等问题进行补救处理。
2.4 完成贴片操作之后,进行元器件视觉检查和尺寸检查,确保元器件按照指定的规格进行装配,规格数量是否正确。
2.5 将已经装好的PCB板进行底面的自动焊接工作。
3.自动焊接3.1 严格操作规程,清洁焊接部件,统一维修检查标准等。
3.2 进行自动焊接工作之前,需要将各种焊接参数设置为相应的要求、校正依据规定调整各个传感器的灵敏度等。
同时要保证使用的焊料符合标准,不会对焊接操作产生影响。
3.3 在进行自动焊接工作时,注意各种禁运操作,例如对于违禁的焊接工艺或设备应该禁止或及时给出整改的措施。
3.4 在自动焊接工作的同时,应该密切关注自动焊接机的运行状态,及时发现电子元器件出现异常的情况,做好相关的处理并及时修补。
4. 组件的质量控制4.1 对已完成的组件要进行检测,检测其尺寸、电子电路基本特性是否满足要求,以及可靠性是否存在问题等。
SMT各工序作业指导教程SMT(表面贴装技术)是一种电子组装技术,常用于生产各种电子设备和电路板。
它具有高效、高质量的特点,因此在电子制造业中被广泛采用。
下面是一份SMT各工序作业指导教程,旨在帮助操作人员了解SMT各工序的操作流程和注意事项。
1. 胶水涂布工序:- 确保工作区域整洁、干燥,并避免灰尘和杂质的干扰。
- 根据工艺要求将胶水调配到适当的浓度,并搅拌均匀。
- 使用适当的工具(如刮板或喷嘴)将胶水均匀涂布在需要粘附的位置上。
- 严格按照胶水的固化时间和温度要求进行后续处理。
2. 贴片工序:- 准备好需要贴片的元件和底板,并确保它们的质量和可靠性。
- 检查贴片设备(如贴片机)的正确设置,并确认其工作正常。
- 将元件正确装载到贴片机的供料器中,并调整供料器的参数以确保贴片的准确性和稳定性。
- 开始贴片操作,注意监控贴片过程中的异常情况,如漏贴、偏贴等,并及时进行调整和修正。
- 检查贴片结果,确保所有元件被正确贴片并粘附到底板上。
3. 焊接工序:- 检查焊接设备(如回流焊机)的工作状态和温度控制系统的精度,确保其符合工艺要求。
- 将贴片完成的电路板放置在焊接设备中,并根据工艺要求设置焊接时间和温度。
- 控制焊接过程中的速度和温度变化,确保焊接的质量和一致性。
- 检查焊点的焊接质量,如焊接强度、焊接面积等,并修复任何不良焊点。
- 进行质量检查,并将焊接完成的电路板移至下一个工序。
4. 检测和测试工序:- 确保检测和测试设备的可靠性和准确性,并根据工艺要求进行正确的设定和校准。
- 对贴片和焊接完成的电路板进行外观检查,检查是否有缺陷、损坏或不良连接等问题。
- 进行电气测试和功能测试,确保电路板的性能和功能正常。
- 记录和报告任何异常情况,并做好相应的处理和修正措施。
- 所有检测和测试结果必须符合质量要求才能进行下一步的组装或包装。
以上是SMT各工序作业指导教程的简要介绍,操作人员在进行SMT工艺时,应严格按照工序的要求进行操作,并密切关注质量控制和安全事项。
篇一:smt作业指导书实例smt技术手册目錄.................................................. 1 1. 目的.................................................. 2 2. 範圍.................................................. 2 3. smt簡介............................................... 2 4. 常見問題原因與對策.................................... 15 5. smt外觀檢驗........................................... 21 6. 注意事項: ............................................. 23 7. 測驗題: .. (24)篇二:smt作业指导书苏州耀新机电有限公司作业指导书作业指导书篇三:smt工厂中作业指导书的改善smt工厂中作业指导书的改善在smt工厂的管理中,对于如何保证生产产品的质量并且维持生产线高效、有序的生产是非常重要的。
要做到这一点,除了性能优异的设备、辅助工具等相关硬件设施之外,还与工厂操作人员的操作技能,规范作业有很大的关系。
因此,这就需要工厂能够在相应工位上制定出符合工位要求的作业指导书,并且要求每个操作人员严格按照作业指导书上规定的内容进行作业,这对于新建的smt工厂来讲是最重要的。
这是因为一份合理的作业指导书不但能够规范作业内容,而且减少或者避免人的因素对品质的影响,达到稳定产品品质的目的,可以说是工厂品质改善的基础。
那么,对于smt生产车间来讲,一份完整的作业指导书需要包含哪些内容,用什么样的方法去阐述作业内容,以便于作业人员看懂,并按照要求准确无误的作业呢?在此,结合我在工作中开展的实际案例,来和大家探讨这方面的改善课题。
SMT作业指导书一、背景介绍自动贴片技术(SMT)是电子元器件表面贴装技术的一种主要方式,广泛应用于电子制造领域。
为了提高学生对SMT工艺的认识和应用能力,特编写本作业指导书,引导学生完成相关SMT作业。
二、实验目的通过本次实验,旨在帮助学生:1.了解SMT的基本原理和工艺流程;2.学习掌握SMT工艺中的关键技术;3.提高学生的动手实践能力和故障排除能力。
三、实验材料1.电路板:提供给学生的实验电路板;2.贴片元件:提供给学生的SMT贴片元件;3.工具:焊锡台、烙铁、喷嘴、焊锡丝、镊子等。
四、实验步骤以下是本次SMT作业的具体步骤:1.准备工作- 清洁工作区域,确保工作环境干净整洁;- 检查实验材料,确认电路板和贴片元件齐全。
2.贴片元件的安装- 根据电路板上的元件安装图,仔细查看元件型号和位置;- 使用镊子将贴片元件从包装中取出;- 将元件按照图纸上的位置正确安装在电路板上;- 注意对极性元件的方向,并避免元件之间的短路。
3.焊接贴片元件- 准备好焊锡台、烙铁和焊锡丝;- 将焊锡台加热至适宜的温度;- 将焊锡丝融化,涂抹在贴片元件与电路板焊盘之间;- 通过烙铁进行焊接,确保焊点牢固可靠。
4.质量检查与故障排除- 检查焊点是否完整,没有冷焊、虚焊等现象;- 使用万用表或测试仪器检测电路的连通性;- 如果发现问题,根据焊接技术要求进行修复或替换。
5.完成实验报告- 撰写实验报告,详细记录实验过程和结果;- 总结实验中遇到的问题和解决方法;- 分析实验结果,并提出改进建议。
五、注意事项1.操作时要注意安全,避免烫伤和其他意外事故;2.仔细阅读工艺流程和元件安装图纸,确保操作正确无误;3.注意焊点的质量,确保焊接牢固且没有短路或冷焊等问题;4.遵守实验室的规章制度,保持实验环境整洁有序。
六、实验评分标准学生将根据以下标准进行评分:1.实验报告的完整性和准确性;2.贴片元件的正确安装和焊接质量;3.故障排除能力和问题解决的效果;4.实验操作的安全性和规范性。
文档来源为:从网络收集整理.word 版本可编辑.欢迎下载支持.1东莞市金众电子有限公司标 准 作 业 指 导 书Standard Operation Procedure机型 通用 产品名称工艺名称 SMT 受控状态文件编号 IE-WI-89 工序/工位名称 回流焊前FQC 检查 标准工时/版 本A2页 码 第1共7页操作说明1、检查IC 对应的实物标识及方向正确。
2、对照图示检查元件无移位,断裂及少件、多件等现象;重点检查IC 有无移位现象。
图1,2,3偏位(NG ) 图4反白(NG ) 图5破裂(NG )图6IC 方向(实物标注点与PCB 丝印“1对应”)。
(OK ) 3、当有不良品记录在《插(贴)件FQC检查日报表》。
物资编码规 格数量 位置 设备/工具/辅料 数量 注意事项1、连续3块PCBA 板出现同样不良时及每小插(贴)件FQC 检验日报表1图4(NG)图5(NG)图6(OK)2拟制:周义兵东莞市金众电子有限公司标 准 作 业 指 导 书Standard Operation Procedure3操作说明1、将贴好贴片的PCB 板轻轻有序的放置于PCBA 防静电托盘。
2、两手将板端平,移至下工序,将板逐个水平轻轻放入导轨或网链上。
PCB 过导轨 PCB 过网链注意事项1、注意不要抹板,拿板时手拿在边缘没有锡膏/红胶的区域。
2、注意转板中保持PCBA 防静电托盘水平,不可倾斜及振动。
3、注意手拿板时戴好防静电手环接好地。
4、转板进回流焊时注意绿色指示灯亮时方可放板。
5、板下面有元件时须放在导轨或夹具上过炉。
6、过炉时每隔10CM 放板。
物资编码规 格数量 位置 设备/工具/辅料 数量 注意事项PCBA 防静电托盘若干拟 制:周义兵审 核:批 准: 东莞市金众电子有限公司4标 准 作 业 指 导 书Standard Operation Procedure机型 通用 产品名称 / 工艺名称 SMT 受控状态 文件编号IE-WI-89工序/工位名称捡板标准工时/版 本A2页 码 第3共7页注意事项1、将PCBA 及时从回流焊出口处取出。
SMT贴片作业指导书
一、工位操作内容
1.先开气,再开机,检查设备里面有无杂物,做好清洁,确保无误后开机
-→设备归零-→选择生产程序
2.程序名称为:在菜单1/1/D4 SWITCH PCB NAME选择所要生产的
程序
3.每天交接班时确认机台程序名称与版本一次,核对上料位置一次,基板
编号与材料规格以BOM(元件清单)站台表为准,并做好记录,对所
做工作负责
4.贴片机操作遵循操作说明书
5.换料时以站台表为准,上料后要由另一人核对后方可开机生产,上料后
做好记录
6.每30分钟查看一次用料情况,对快用完的料提前准备
7.贴片时按印刷之先后顺序,采用先印先贴的原则
8.换料后贴出的第一块PCB要检查所换料元件,是否有反向,有则改程序
贴装角度
9.时刻观察贴片位置,连续发现同一位置有偏移的,重新调整取料位置和
贴装位置
二、注意事项:
1.交班时第一步就是核对站台位,检查上料情况
2.每1小进确认一次抛料率,对某一站位经常性抛料后要查找原因,及时
调整,并做好记录,找工艺解决
3.所有真空包装零件皆为潮湿敏感零件,注意零件保存;上料时并确认IC标签有无过期,上料时要注意方向,IC管料要检查方向,二极管,三极管注意跟前批是否一致,做好换料记录
4.定位板子时要注意调整宽度及定位针高度,避免损坏设备、PCB发现任何异常马上通知工艺或主管。
SMT通用作业指导书2、检查PCBA表面元件是否完好无损,无漏焊、虚焊、短路、反向等缺陷;检查PCBA表面无异物、无划痕、无变形等现象。
图2回流焊出口注意事项:1、操作前请戴好防静电手环,并接好地。
2、操作中要轻拿轻放,避免PCBA表面受损。
3、如发现不良品,请及时记录并报告相关人员。
物资编码拟制:XXX规格数量位置审核:设备/工具/辅料防静电手环数量1批准:注意事项1、请勿在操作过程中用力碰撞PCBA表面。
2、操作中请注意防静电措施,避免静电损坏元件。
3、如发现不良品,请及时记录并报告相关人员。
在检查PCBA之前,需要先检查锡是否呈粉末状(未融化),同时也要检查PCBA是否有损坏、变形、烤黄等问题。
如果发现问题,需要立即向拉长或技术员反映,以便及时解决。
对于检查合格的PCBA,需要将其侧放入“L”型防静盒中,不同机型或种类需要分区放置,放置间隔以板与板不相互摩擦、碰撞为原则。
同时,需要注意数量的控制。
在进行PCBA检查时,需要将检视板覆盖在PCBA上,检查贴片元件是否有多件、少件及IC反向等问题。
合格后,在板边用颜色笔作标记放置于合格品区待下一FQC目检,不良品则需要用红色箭头标签贴在不良位置,并在FQC报表记录不良状况。
对于PCBA的焊锡状况检查,需要将PCBA放在放大镜前,检查元件是否有短路、虚焊、移位浮起、锡尖及锡珠等不良。
如发现不良,需要做好标识区分,并记录在《焊点面FQC检验日报表》中。
不良现象参照图样,OK代表良品,NG代表不良品。
在进行检查时,需要注意以下两个情况,如果发生,应立即反应IPQC:连续3块PCBA板出现同样不良时,以及同一不良项每小时超过5块PCBA时。
Standard XXX。
Ltd.XXX:Product Name:n Name:Process Name:Standard Working Hours:Controlled Status:n: A2XXX:Page Number:ns:1.In Figure 1.if the component shift is greater than 2/3W。
品名品号工序名称规格工艺属性/标准工时/工序代号1/4图示说明:一、物料及辅料序号材料品号品名规格型号数量位号1、印刷内部工作1/PCB板///2根据需求二、工装治具序号数量11套2适量3三、作业步骤2、标准印刷图锡膏需均匀覆盖在印胶的位置居中、胶量适中、成型良3、常见印刷不良四、注意事项NG (锡浆丝印连 NG (焊盘NG (锡膏印刷偏移NG (胶量太少)NG (胶点拉丝)修改审核批准审核:批准:HR-SMT-001 0/0生产作业指导书Production Working instruction1、打开印刷机程序;2、准备好刮刀、辅料、钢网、需印刷PCB板;3、调整好印刷机各参数:刮刀压力1-5kg,印刷速度30-100mm/s,脱模速度0.1-2mm/s, 脱模长度0-3mm,清洗速度20-50mm/s,清洗间隔5-10PCS,填写《SMT印刷机参数记录表》;4、印刷首片需按照《工艺指导书》进行仔细检查,对不良进行调整;无异常后方可批量印刷;5、根据图示内容检查印刷质量;不良品需进行清洁后再印刷;印刷质量无法判定时,交班长处理;6、检查无异常方可流入下一工序。
1、P板投入印刷前需仔细检查P板表面有无杂物或P板损坏;2、锡膏与红胶的使用遵循辅料使用原则:"先进先出,少量多次"3、定期清洗钢网;(锡膏印刷每5-10PCS清洗一次;红胶印刷每10-50PCS清洗一次)4、印刷好的P板存放数量不得超过30pcs;5、操作设备时需注意安全,设备运转时任何物体不得探入机器内部;6、生产ROHS产品时,注意材料、工具、辅料的管控;7、作业时请轻拿轻放产品,防止产品碰撞损坏;8、作业时需戴好防静电手环;9、按作业指导书无法进行作业及发生异常时及时通知当班负责人。
成都华仁电子科技有限公司ChengDu HuaRen Electronics Co., Ltd成都华仁电子科技有限公司ChengDu HuaRen Electronics Co., Ltd管理编号管理编号制订:HR-SMT-001 0/0修改时间修改内容印刷设备白棉碎布通用/印刷/印刷质量检测/锡膏/红胶/酒精工装治具规格型号刮刀锡膏(红胶)钢网PCB品名品号工序名称规格工艺属性/标准工时/工序代号2/4图示说明:一、物料及辅料序号材料品号品名规格型号数量位号1、贴片机贴装工1/印刷完成PCB板///双面胶10MM1卷二、工装治具序号数量11台21把三、作业步骤2、物料更换:2.1、材料盘认规格误差 阻值规格 容值 误差2.2、材料的极性四、注意事项正极-贴片IC极性图示贴片钽电容极负极1脚7脚贴片二极管极修改审核批准审核:批准:品名品号工序名称规格工艺属性XX/重点工序标准工时/工序代号3/41、打开贴片机程序;调整好设备导轨,装载贴片机程序,设备开始自动贴片;2、当物料使用完后机器会报警料尽,对物料进行更换后继续生产;◆备料:每15分钟查看生产中物料的余数,当物料余数小于500左右,根据程序站别显示的元件名称从指定的料车上取出相应的物料安装在供料器上,放置于备料车上。
◆换料:A、机器报警料尽错误;确认报警故障是否需要更换材料;B、确认导轨号码,卸出供料器;从备料车上找到需要更换的物料,找另一个人进行材料确认;C、把装好的材料装进卸出供料器的位置;D、换料人和确认人看装进机器的材料名称与机器上料站名称是否一致;E、根据贴片位置图对更换的材料的形状及方向确认。
◆记录:填写材料更换记录,换料者与确认者签名确认。
1、注意材料名称的完整性;如:BL8503-30PRN ≠ BL8503-33PRN2、注意材料精度误差;如:103J=10KR±5%,103F=10KR±1%;103B=10KR±0.1% ;常用容值误差有±5%,±10%和-20% +80%等,分別用字母J﹑K﹑Z表示;3、操作设备时需注意安全,设备运转时任何物体不得探入机器内部;4、生产ROHS产品时,注意材料、工具、辅料的管控;5、作业时请轻拿轻放产品,防止碰撞损坏;6、作业时需戴好防静电手环;7、按作业指导书无法进行作业及发生异常时及时通知当班负责人成都华仁电子科技有限公司ChengDu HuaRen Electronics Co., LtdHR-SMT-001 0/0生产作业指导书Production Working instruction管理编号/制订:通用/贴装质量检查/回流焊接修改时间修改内容镊子/剪刀贴片/物料更换/工装治具规格型号全自动贴片机通用/生产作业指导书Production Working instruction1051SS355CD4051图示说明:一、物料及辅料序号材料品号品名规格型号数量位号1、极性方向:1/贴装完成PCB板///⑴、贴片元器⑵、有极性二、工装治具序号数量 负 正 正负11把OKNG 反贴贴片二极管图示贴片钽电容图示2根据需求2、位置偏移:3⑴、元器件贴三、作业步骤OKNG (元件偏移焊3、溢胶和元件浮NG 元器件下方出现元件浮离焊盘的距4、回流焊接曲线四、注意事项Sn99Ag0.3Cu0.7炉红胶固化炉温曲线修改审核批准审核:批准:品名品号工序名称规格工艺属性XX/重点工序标准工时/工序代号4/4图示说明:一、物料及辅料焊锡工艺:序号材料品号品名规格型号数量位号■贴片元1///成都华仁电子科技有限公司ChengDu HuaRen Electronics Co., LtdHR-SMT-001 0/0生产作业指导书Production Working instruction1、取一贴片机贴装完成品;2、根据《工艺指导书》和图示内容检查贴装质量,对贴装不良进行修正;贴装位移--摆正漏贴--手工补贴少锡--通知前工序处理3、部分异形元器件需手工贴装的,根据《工艺指导书》手工贴装在指定位置;4、检查无异常后进行回流焊接;◆回流焊接前需确认回流焊温度曲线;(参考图示)◆Sn99Ag0.3Cu0.7工艺,峰值温度:260±5℃◆红胶固化温度:155±5℃◆回流焊其它参数设置详见《回流焊接技术标准》。
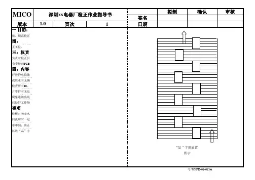
1、P板在链上过炉时,P板与P板间距必须大于P板长度;2、P板在网上过炉时,按“品”字型放置,板与轨道距离需大于10mm以上,防止卡板。
3、当贴装异常连续出现时通知班长或技术人员处理;4、生产ROHS产品时,注意材料、工具、辅料的管控;5、作业时请轻拿轻放产品,防止产品碰撞损坏;6、作业时需戴好防静电手环;7、按作业指导书无法进行作业及发生异常时及时通知当班负责人。
管理编号制订:通用/AOI检验/回流焊接完成半成品板修改时间修改内容工装治具规格型号镊子物料盒0RSS14V684110101123﹤0.2mm260°焊锡线Φ0.8-1.01卷贴装元器件二、工装治具序号数量外观工艺:1各1台■贴装元器件和P21把3三、作业步骤NG NG NG 破损脏污溢胶AOI常见不良图示标准图NG (立碑)标准图NG (缺件)四、注意事项标准图NG (短路)标准图NG (位移) 标修改审核批准审核:批准:品名品号工序名称规格工艺属性XX/重点工序标准工时/工序代号0/0图示及标注说明:一、物料及辅料■极性方向:序号材料品号品名规格型号数量位号 ⑴、贴片元器件⑵、有极性二、工装治具生产作业指导书Production Working instruction 管理编号1、打开AOI程序;2、取一回流焊接完成品,批量检验前,根据工艺指导书核对PCB型号、版本、贴装器件的型号规格、生产工艺是否符合工艺指导书要求;3、调整好AOI导轨,将需检测产品放置于导轨上,按下“TEST”按钮,开始检测;4、检测完成后,按下AOI键盘空格键,显示画面将显示初判不良图示;5、AOI键盘的“Ctal”键可以向上查看初判不良,“Shift”键可以向下查看初判不良,当确定为实质不良时,按下小键盘上的数字键(根据不良定义),确认不良现象,将不良品使用红色箭头纸标识;6、将不良品进行维修;7、对维修后的底板需再次进行AOI检测;8、将良品整齐摆放装入箱中,并在箱外贴上标识卡送至品质待检验区。
(要求标识卡填写准确完整,外箱标识与箱内实物一致)1、对无法维修或品质无法判定时交班长处理;2、装箱时注意产品防护,防止产品挤压损坏产品;3、生产ROHS产品时,注意材料、工具、辅料的管控;4、作业时请轻拿轻放产品,防止产品碰撞损坏;作业时需戴好防静电手环;5、焊台温度管控380±30℃,器件焊接时间小于4秒;(焊接/补焊特殊器件除外)6、按作业指导书无法进行作业及发生异常时及时通知当班负责人。
成都华仁电子科技有限公司ChengDu HuaRen Electronics Co., LtdHR-SMT-001 0/0制订:通用/手工贴片/详细物料参数参照所需贴片P板对应《SMT产品物料清单》与样板修改时间修改内容工装治具规格型号电焊台/热风焊台可调恒温镊子1520RSS14V684制订:审核:批准:。