接头图号规格(最终)
- 格式:xls
- 大小:29.00 KB
- 文档页数:2
KSK-尼龙电缆防水夹紧接头*材料:尼龙*密封件材料:丁腈橡胶在规定的卡口范围内,并使用O型密封圈,防护等级达IP68。
*温度范围:静态:-40℃到+100℃,短时间可达+120℃动态:-20℃到+80℃,短时间可达+100℃*供货范围:灰色或黑色型号卡口范围AG外径GL H 普通PG制螺纹mm mm mm mm HSK-P PG7 3-6.5 12.5 8 20 HSK-P PG9 4-8 15.2 8 22 HSK-P PG11 5-10 18.6 8 24 HSK-P PG13.5 6-12 20.4 9 27 HSK-P PG16 10-14 22.5 10 28 HSK-P PG21 13-18 28.3 11 30 HSK-P PG29 18-25 37 11 38 HSK-P PG36 22-32 47 13 45 HSK-P PG42 32-38 54 13 47 HSK-P PG48 37-44 59.3 14 47型号卡口范围AG外径GL H 公制螺纹mm mm mm mm HSK-M M12×1.53-6.5 12 8 20 HSK-M M16×1.54-8 16 8 22 HSK-M M18×1.55-10 18 8 24 HSK-M M20×1.56-12 20 9 27 HSK-M M24×1.510-14 24 10 28 HSK-M M25×1.513-18 25 11 30 HSK-M M27×2.013-18 27 11 30 HSK-M M30×2.013-18 30 11 30 HSK-M M32×1.518-25 32 11 38地址:中国天津市天津经济开发区第四大街95号C座307室邮政编码:300457HSK-M M36×2.018-25 36 11 38 HSK-M M40×1.522-32 40 13 45 HSK-M M48×2.022-32 48 13 45 HSK-M M50×1.532-38 50 13 47 HSK-M M63×1.537-44 63 14 47型号卡口范围AG外径GL H 防爆型接头mm mm mm mm HSK-EX-P PG7 3-6.5 12.5 8 20 HSK-EX-P PG9 4-8 15.2 8 22 HSK-EX-P PG11 5-10 18.6 8 24 HSK-EX-P PG13.5 6-12 20.4 9 27 HSK-EX-P PG16 10-14 22.5 10 28 HSK-EX-P PG21 13-18 28.3 11 30 HSK-EX-P PG29 18-25 37 11 38 HSK-EX-P PG36 22-32 47 13 45 HSK-EX-P PG42 32-38 54 13 47 HSK-EX-P PG48 37-44 59.3 14 47型号卡口范围AG外径GL H NPT制螺纹mm mm mm mm HSK-N NPT3/8 4-8 17.145 15 22 HSK-N NPT1/2 6-12 21.336 13 27 HSK-N NPT3/4 13-18 26.67 13 30HSK-N NPT1 18-25 33.401 19 38 HSK-N NPT1-1/4 18-25 42.164 16 38 HSK-N NPT1-1/2 22-32 42.26 20 45HSM-金属电缆防水夹紧接头*材料:黄铜镀镍*夹紧件:尼龙*密封件材料:丁腈橡胶*防护级:IP68(在规定的卡口范围内)*温度范围:-40℃到+100℃,短时间可达+120℃型号卡口范围AG外径GL H 普通PG制螺纹mm mm mm mm地址:中国天津市天津经济开发区第四大街95号C座307室邮政编码:300457HSM-P PG7 3-6.5 12.5 5 19 HSM-P PG9 4-8 15.2 6 20 HSM-P PG11 5-10 18.6 6 21 HSM-P PG13.5 6-12 20.4 6.5 22 HSM-P PG16 10-14 22.5 6.5 23 HSM-P PG21 13-18 28.3 7 25 HSM-P PG29 18-25 37 8 29 HSM-P PG36 22-32 47 8 35 HSM-P PG42 32-38 54 9 37 HSM-P PG48 37-44 59.3 10 38型号卡口范围AG外径GL H 公制螺纹mm mm mm mm HSM-M M12×1.53-6.5 12 5 19 HSM-M M16×1.54-8 16 6 20 HSM-M M18×1.55-10 18 6 21 HSM-M M20×1.56-12 20 6.5 22 HSM-M M24×1.510-14 24 6.5 23 HSM-M M25×1.513-18 25 6.5 23 HSM-M M27×2.013-18 27 7 25 HSM-M M30×2.013-18 30 7 25 HSM-M M32×1.518-25 32 8 29 HSM-M M40×1.522-32 40 8 35 HSM-M M50×1.532-38 50 9 37 HSM-M M63×1.537-44 63 10 38HSM-EMV屏蔽电缆防水夹紧接头*材料:黄铜镀镍*夹紧件:尼龙*密封件材料:丁腈橡胶*防护等级:IP68(在规定的卡口范围内)*温度范围:-40℃到+100℃,短时间可达+120℃型号卡口范围AG外径GL H 普通PG制螺纹mm mm mm mm HSM-EMV-P PG7 3-6.5 12.5 5 19 HSM-EMV-P PG9 4-8 15.2 6 20 HSM-EMV-P PG11 5-10 18.6 6 21地址:中国天津市天津经济开发区第四大街95号C座307室邮政编码:300457HSM-EMV-P PG13.5 6-12 20.4 6.5 22 HSM-EMV-P PG16 10-14 22.5 6.5 23 HSM-EMV-P PG21 13-18 28.3 7 25 HSM-EMV-P PG29 18-25 37 8 29 HSM-EMV-P PG36 22-32 47 8 35 HSM-EMV-P PG42 32-38 54 9 37 HSM-EMV-P PG48 37-44 59.3 10 38型号卡口范围AG外径GL H 公制螺纹mm mm mm mm HSM-EMV-M M12×1.53-6.5 12 5 19 HSM-EMV-M M16×1.54-8 16 6 20 HSM-EMV-M M18×1.55-10 18 6 21 HSM-EMV-M M20×1.56-12 20 6.5 22 HSM-EMV-M M24×1.510-14 24 6.5 23 HSM-EMV-M M25×1.513-18 25 6.5 23 HSM-EMV-M M27×2.013-18 27 7 25 HSM-EMV-M M30×2.013-18 30 7 25 HSM-EMV-M M32×1.5 18-25 32 8 29 HSM-EMV-M M40×1.522-32 40 8 35DPK-P尼龙闷盖/DPM-P金属闷盖*材料:尼龙/金属*防护等级:IP54*尼龙闷盖温度范围:-40℃到+100℃*尼龙供货范围:灰色或黑色型号(尼龙) 螺纹外径GL H D 普通PG制螺纹mm mm mm mm DPK-P pg7 12.5 6 8 15 DPK-P pg9 15.2 6 9 19 DPK-P pg11 18.6 6 9 22 DPK-P pg13.5 20.4 6 9.5 25 DPK-P pg16 22.5 6 9.5 27 DPK-P pg21 28.3 8 11 33 DPK-P pg29 37 8 12 44 DPK-P pg36 47 10 15 55 DPK-P pg42 54 10 16 62 DPK-P pg48 59.3 12 16 69地址:中国天津市天津经济开发区第四大街95号C座307室邮政编码:300457型号(金属) 螺纹外径GL H D 普通PG制螺纹mm mm mm mm DPM-P pg7 12.5 5 8 14 DPM-P pg9 15.2 6 9 17 DPM-P pg11 18.6 6 9 20 DPM-P pg13.5 20.4 6.5 9.5 22 DPM-P pg16 22.5 6.5 9.5 24 DPM-P pg21 28.3 7 11 30 DPM-P pg29 37 8 12 39 DPM-P pg36 47 9 15 50 DPM-P pg42 54 10 16 57 DPM-P pg48 59.3 10 16 64REK-P尼龙减缩环型号形式外螺纹内螺纹螺纹长度总长度灰色mm mm mm mm REK-P pg9/7 B pg9 pg7 8 20.5 REK-P pg11/9 B pg11 pg9 8 22.5 REK-P pg13.5/11 B pg13.5 pg11 9 24 REK-P pg16/13.5 B pg16 pg13.5 10 26.5 REK-P pg16/11 A pg16 pg11 10 13 REK-P pg21/16 A pg21 pg16 11 16 REK-P pg29/21 A pg29 pg21 12 18 REK-P pg36/29 A pg36 pg29 13 22.5 REK-P pg48/42 A pg48 pg42 14 23REM-P金属减缩环地址:中国天津市天津经济开发区第四大街95号C座307室邮政编码:300457型号外螺纹内螺纹螺纹长度总长度REM-P pg9/7 pg9 pg7 5.5 8 REM-P pg11/9 pg11 pg9 6 9 REM-P pg13.5/11 pg13.5 pg11 6 9 REM-P pg16/13.5 pg16 pg13.5 6.5 9.5 REM-P pg21/16 pg21 pg16 7.5 11 REM-P pg29/21 pg29 pg21 7.5 11 REM-P pg36/29 pg36 pg29 8 12 REM-P pg48/42 pg48 pg42 8 12GMK尼龙螺母/GM 金属螺母*尼龙螺母供货范围:灰色或黑色型号(尼龙) 螺纹规格板手尺寸厚度普通PG制螺纹mm mm 尼龙/金属GMK/GM-P pg7 PG7 19 5.0/2.8 GMK/GM-P pg9 PG9 22 5.0/2.8 GMK/GM-P pg11 pg11 24 5.0/3.0 GMK/GM-P pg13.5 pg13.5 27 6.0/3.0 GMK/GM-P pg16 pg16 30 6.0/3.0 GMK/GM-P pg21 pg21 36 7.0/3.5 GMK/GM-P pg29 pg29 46 7.0/4.0 GMK/GM-P PG36 PG36 60 8.0/5.0 GMK/GM-P pg42 pg42 65 8.0/5.0 GMK/GM-P pg48 pg48 70 8.0/5.5型号(尼龙) 螺纹规格板手尺寸厚度普通PG制螺纹mm mm 尼龙/金属GMK/GM-M M12 M12×1.519 5/2.8GMK/GM-M M16 M16×1.522 5/2.8GMK/GM-M M18 M18×1.524 5/3.0GMK/GM-M M20 M20×1.527 6/3.0GMK/GM-M M24 M24×1.532 6/3.5地址:中国天津市天津经济开发区第四大街95号C座307室邮政编码:300457GMK/GM-M M25 M25×1.532 6/3.5GMK/GM-M M27 M27×2.036 7/4.0GMK/GM-M M30 M30×2.036 7/4.0GMK/GM-M M32 M32×1.546 7/4.5GMK/GM-M M40 M40×1.560 8/5.0GMK/GM-M M50 M50×1.565 8/5.0GMK/GM-M M63 M63×1.570 8/5.0 EWK-P尼龙增扩环型号外径外螺纹内螺纹螺纹长度总长度灰色mm mm mm mm mm EWK-p pg7/9 21 pg7 pg9 7 20 EWK-P pg9/11 25 pg9 pg11 8 23 EWK-P pg11/13.5 26 pg11 pg13.5 8 23 EWK-P pg13.5/16 29.5 pg13.5 pg16 9 26 EWK-P pg16/21 35.5 pg1 pg21 9 29 EWK-P pg21/29 45.5 pg21 pg29 10 32 EWK-P pg29/36 52 pg29 pg36 11 35 EWK-P pg36/42 65 pg36 pg42 11 41软管系列WY-PA6-V0 软管材料:尼龙温度范围:-40℃~115℃不含卤素,耐油、酸阻燃等级VO(UL 94)ROHRflex-PA 6-L 软管材料:尼龙温度范围:-50℃~115℃不含卤素,耐油、酸阻燃等级HB(UL 94)WY-PA6地址:中国天津市天津经济开发区第四大街95号C座307室邮政编码:300457材料:尼龙温度范围:-40℃~115℃不含卤素,耐油、酸阻燃等级V2(UL 94)WY-PP材料:聚丙烯温度范围:-20℃~110℃耐油、酸、碱WY-PE材料:聚乙烯温度范围:-40℃~80℃耐油、酸、碱快速接头RQG1-P材质:尼龙温度范围:-30度到+100度防护等级:IP66RQG1-M材质:尼龙温度范围:-30度到+100度防护等级:IP66WYG1*材质:尼龙*温度范围:-30度到+100度*颜色:黑色或灰色*价格低廉*防护等级:IP66产品规格:型号适配软管螺纹外径(PG制螺纹) AD mmWYG1-PG7 10 12.5 地址:中国天津市天津经济开发区第四大街95号C 座307室邮政编码:300457WYG1-PG9 13 15.2WYG1-PG11 15.8 18.6WYG1-PG13.5 18.5 20.4WYG1-PG16 21.2 22.5WYG1-PG21 28.5 28.3WYG1-PG29 34.5 37WYG1-PG36 42.5 47WYG1-PG48 54.5 59.3型号适配软管螺纹外径(M制螺纹) AD mmWYG1-M12×1.510 12WYG1-M16×1.513 16WYG1-M18×1.515.8 18WYG1-M20×1.518.5 20WYG1-M24×1.521.2 24WYG1-M25×1.521.2 25WYG1-M27×2.028.5 27WYG1-M32×1.528.5 32WYG1-M36×2.034.5 36WYG1-M40×1.534.5 40WYG1-M48×2.042.5 48WYG1-M50×1.542.5 50WYG1-M63×1.554.5 63 直角软管接头RQW1-P材质:尼龙温度范围:-30度到+100度防护等级:IP 65RQW1-M材质:尼龙温度范围:-30度到+100度防护等级:IP65WYS 固定支架地址:中国天津市天津经济开发区第四大街95号C 座307室邮政编码:300457*材质:尼龙*温度范围:-30度到+100度*颜色:黑色或灰色*价格低廉型号适配软管规格 B H T M AAD mm mm mm mmWYS AD10.0 1030 23 12.5 4 6.5 WYS AD13.0 1330 23 12.5 4 6.5 WYS AD15.8 15.830 23 12.5 4 6.5 WYS AD18.5 18.535 30 15 5 6.5 WYS AD21.2 21.235 30 15 5 6.5 WYS AD28.5 28.542 38 16 6 11.5 WYS AD34.5 34.551 43 16 6 11.5 WYS AD42.5 42.561 51 16 6 11.5 WYS AD54.5 54.574 64 19 6 11.5RQGZ1-P*材质:尼龙*防护等级:IP65卡口范围AD螺纹规格mm 适配软管外径尺寸PG3-6.5 1074-8.0 1395-10.0 15.8116-12.0 15.813.56-12.0 21.213.510-14.0 21.21613-18.0 28.52118-25.0 34.52922-32.0 42.53634-44.0 54.548颜色有两种: 灰色和黑色三通RQY Y型三通(尼龙/橡胶)RQT T型三通(橡胶)地址:中国天津市天津经济开发区第四大街95号C座307室邮政编码:300457软管、软管接头德国Flexa公司是世界著名的软管和软管接头生产公司,可以提供塑料、金属、EMC等软管。
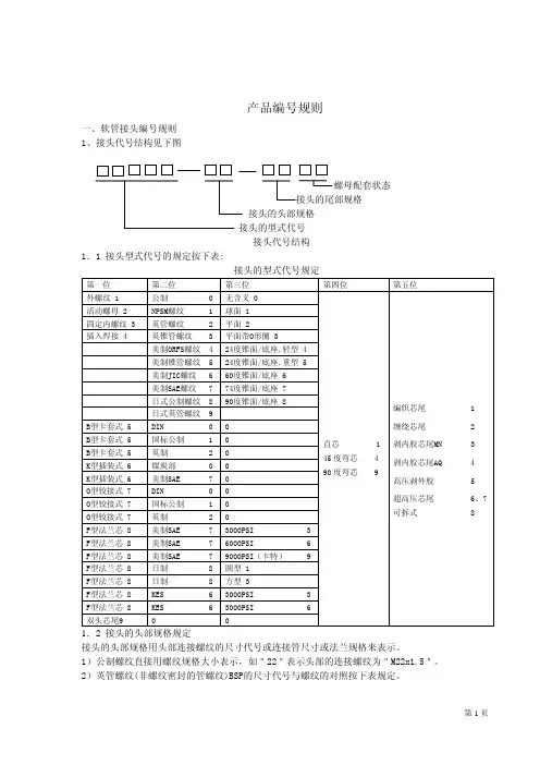
产品编号规则一、软管接头编号规则1、接头代号结构见下图螺母配套状态接头的尾部规格接头的头部规格接头的型式代号接头代号结构1.1 接头型式代号的规定按下表:接头的型式代号规定第一位 第二位 第三位 第四位 第五位 外螺纹 1 公制 0 无含义 0活动螺母 2 NPSM螺纹 1 球面 1固定内螺纹 3 英管螺纹 2 平面 2插入焊接 4 英锥管螺纹 3 平面带O形圈 3美制ORFS螺纹 4 24度锥面/底座.轻型 4美制锥管螺纹 5 24度锥面/底座.重型 5美制JIC螺纹 6 60度锥面/底座 6美制SAE螺纹 7 74度锥面/底座 7日式公制螺纹 8 90度锥面/底座 8日式英管螺纹 9B型卡套式 5 DIN 0 0B型卡套式 5 国标公制 1 0B型卡套式 5 英制 2 0K型插装式 6 煤炭部 0 0K型插装式 6 美制SAE 7 0O型铰接式 7 DIN 0 0O型铰接式 7 国标公制 1 0O型铰接式 7 英制 2 0F型法兰芯 8 美制SAE 7 3000PSI 3 F型法兰芯 8 美制SAE 7 6000PSI 6 F型法兰芯 8 美制SAE 7 9000PSI(卡特) 9 F型法兰芯 8 日制 8 圆型 1F型法兰芯 8 日制 8 方型 3F型法兰芯 8 KES 6 3000PSI 3 F型法兰芯 8 KES 6 3000PSI 6双头芯尾9 0 0 直芯 145度弯芯 490度弯芯 9编织芯尾 1缠绕芯尾 2剥内胶芯尾MN 3剥内胶芯尾AQ 4高压剥外胶 5超高压芯尾 6、7可拆式 81.2 接头的头部规格规定接头的头部规格用头部连接螺纹的尺寸代号或连接管尺寸或法兰规格来表示。
1)公制螺纹直接用螺纹规格大小表示,如"22"表示头部的连接螺纹为"M22x1.5"。
2)英管螺纹(非螺纹密封的管螺纹)BSP的尺寸代号与螺纹的对照按下表规定。
螺纹的尺寸代号与螺纹对照螺纹尺寸代号02 04 06 08 10 12 16 20 24 32 螺纹 G1/8"X28 G1/4"x19 G3/8"x19G1/2"x14G5/8"x14G3/4"x14G1"x11 G1.1/4"x11 G1.1/2"x11G2"x11 3)英锥管螺纹(用螺纹密封的管螺纹)BSPT的尺寸代号与螺纹的对照按下表规定。
金属软管接头规格型号金属软管两端接头金属软管接头主要包括螺纹连接、法兰连接、快速接头连接等型式。
不锈钢网套是金属编织软管安装在压力管道中的主要承压件,同时对金属软管起保护作用,根据管道中的压力大小及应用场所,可选择一层或多层的不锈钢丝或钢带进行是由按一定的参数编织而成,形成耐高压金属软管。
金属软管主要零件的材料采用奥氏体不锈钢,从而保证了金属软管优良的耐温性和耐腐蚀性,金属软管的工作温度范围极大,为―196~600℃,在实际使用过程中,金属软管材料的选择应根据管道介质的腐蚀性选择相应的不锈钢牌号,即可保证金属软管的耐腐蚀性。
配套金属软管规格DPJ外螺纹金属软管接头提供螺纹范围公制英制英制螺纹G公制螺纹M美标螺纹NPT德标螺纹PGφ6 1/16″G1/4″M14×1.51/4″NPT PG7φ8 1/8″G3/8″M16×1.53/8″NPT PG9φ10 1/4″G3/8″M16×1.53/8″NPT PG9φ12 3/8″ G3/8″ M20×1.53/8″NPT PG11 PG13.5 φ15(16)1/2″ G1/2″ M20×1.5M24×1.51/2″NPT PG13.5 PG16φ20(19)3/4″ G3/4″ M27×2.0M30×2.03/4″NPT PG21φ25 1″ G1″ M33×2.0M36×2.01″NPT PG29φ32 1-1/4″ G1-1/4″ M42×2.0M48×2.01-1/4″NPT PG29φ38(40)1-1/2″ G1-1/2″ M48×2.0M60×2.01-1/2″NPT PG36 PG42 φ51(50)2″ G2″ M60×2.0M70×2.02″NPT PG48φ64(70)2-1/2″ G2-1/2″ M76×2.02-1/2″NPT软管接头类别金属软管的NPT、PT、G、公制螺纹的含义和区别金属软管的螺纹接头包含很多类型,很多人对此并不太十分明白,现就对这些螺纹符合作一些解释与说明:NPT,PT,G 都是管螺纹NPT 是 National (American) Pipe Thread 的缩写, NPT 是美制锥管螺纹,用于密封。
网站首页 / 产品目录 / 金属接头 / 日成半爪金属电缆防水接头 C日成半爪金属电缆防水接头 C日成半爪金属电缆防水接头 C螺牙规格:M/PG/NPT/G产品材质:A.C.F部位均采用黄铜镀镍制成.D采用尼龙B.E采用采用丁睛橡胶。
产品认证:欧洲CE 工作温度:静态-40°C至85°C防护等级:在规定的卡口范围内,并使用O形密封圈旋紧迫紧头,达到IP68。
特殊加长螺纹型号如:C-M20*1.5-12/L=15日成半爪金属电缆防水接头 C公制螺纹 M 德制螺纹 PG美制螺纹 NPT英制螺纹 G 适用电缆CableRange螺纹长度M螺纹长度PG螺纹长度NPT螺纹长度G接合长度JointLengthL2+L3板手SpannerSWA/FC-M12×1.5-6.5C-PG7-6.5C-NPT1/4-6.5C-G1/4-6.53-6.555871814 C-M16×1.5-8C-PG9-84-866//2017 C-M18×1.5-10C-PG11-10C-NPT3/8-10C-G3/8-105-1066//2120 C-M20×1.5-12C-PG13.5-12C-NPT1/2-12C-G1/2-126-12 6.5 6.51382222 C-M20×1.5-14C-PG16-14C-NPT1/2-14C-G1/2-1410-14 6.5 6.51382324 C-M25×1.5-1611-167///2527 C-M25×1.5-18C-PG21-18C-NPT3/4-18C-G3/4-1813-187******** C-M32×1.5-1813-188///2534 C-M32×1.5-2116-218///2634 C-M32×1.5-25C-PG29-25C-NPT1-25C-G1-2518-258816103040 C-M40×1.5-2819-288///3144 C-M40×1.5-32C-PG36-32C-NPT1-1/4-32C-G1-1/4-3222-328818103550 C-M50×1.5-38C-PG42-38C-NPT1-1/2-38C-G1-1/2-3832-389918103857产品规格C-M60×1.5-44C-PG48-44C-NPT2-44C-G2-4437-44101018124064 C-M63×1.5-4437-4410///4064/68 C-M12×1.5-8C-NPT1/4-8C-G1/4-84-86/872017 C-M16×1.5-10C-PG9-105-1066//2120 C-M22×1.5-1410-14 6.5///2324 C-M24×1.5-1410-14 6.5///2324/27 C-M27×1.5-1813-187///2530 C-M30×1.5-1813-188///2530/32 C-M30×1.5-2116-218///2630/32 C-M33×1.5-25C-NPT1-1/4-25C-G1-1/4-2518-258/18103040/44 C-M36×1.5-2518-2588//3040 C-M42×1.5-32C-NPT1-1/2-32C-G1-1/2-3222-328/18103550 C-M48×1.5-3222-328// /3550/52 C-M54×1.5-3832-389///3857 C-M56×1.5-3832-389///3857/59 C-M12×1.5L-6.5C-PG7L-6.53-6.51010//1814 C-M16×1.5L-8C-PG9L-84-81010//2017 C-M18×1.5L-10C-PG11L-105-101010//2120 C-M20×1.5L-12C-PG13.5L-126-121010//2222 C-M20×1.5L-14C-PG16L-1410-141010//2324 C-M25×1.5L-1611-1612///2527 C-M25×1.5L-18C-PG21L-1813-181212//2530 C-M32×1.5L-1813-1812///2534 C-M32×1.5L-2116-2112///2634 C-M32×1.5L-25C-PG29L-2518-251212//3040 C-M40×1.5L-2819-2815///3144 C-M40×1.5L-32C-PG36L-3222-321515//3550 C-M50×1.5L-38C-PG42L-3832-381515//3857 C-M60×1.5L-44C-PG48L-4437-441515//4064 C-M63×1.5L-4437-4415///4064/68 C-M6×1-6.52-3.26///108 C-M8×1.25-6.53-56///1311 C-M10×1.5-6.54-66///1412图片介绍规格书下载PDF PDF PDF PDF日成金属接头TUV-CE证书日成黄铜环保证书日成金属接头新版CE证书日成半爪金属电缆防水接头 C产品目录相关产品日成半爪金属电缆防水接…日成半爪金属电缆防水接头 C更多返回金属接头 >环保线槽电缆接头金属接头尼龙扎带尼龙软管接线端子铜管端子金属软管热收缩管护线套固定座配线标志结束带尼龙铆钉尼龙螺丝接线头隔离柱夹线套工具新品&配件环保线槽电缆接头金属接头尼龙扎带尼龙软管接线端子铜管端子金属软管热收缩管护线套固定座配线标志网站首页 / 产品目录日成环保粗齿线槽 VDRF 日成环保细齿线槽 HVDRF 日成环保闭口线槽 VDRC 日成密封阻燃线槽 SDR 日成粗齿阻燃线槽 VDR 日成细齿阻燃线槽 HVDR 日成细齿阻燃线槽 HVDRT4日成细齿阻燃线槽 HVDRT 日成粗齿阻燃线槽 VDRT日成公制电缆接头 AG 日成德制电缆接头 PG 日成美制电缆接头 NPT 日成英制电缆接头 G 日成公制电缆防水接头 ST-M 日成公制电缆接头 MGA 日成德制电缆接头 PGA 日成公制电缆接头 MGB 日型电缆防水接头PGB NPT防电磁金属电缆接头日成半爪加厚金属电日成全爪加厚金属电日成耐高温金属电缆防电磁金属电缆接头防电磁金属电缆接头日成半爪金属电缆防日成耐扭金属电缆防日成双锁式金属电缆日成自锁式尼龙扎线带 G 日成超宽型尼龙扎线带 GEHD 日成抗紫外线扎带 GUV 日成耐候性超宽尼龙线带 GUV 日成耐寒型尼龙扎带 GCS 日成耐热型尼龙扎线带 GHS 日成防火级尼龙扎线带 GV0日成彩色尼龙扎线带日成标牌尼龙扎线带 MCV日成PA 尼龙波纹管日成PA 尼龙阻燃波纹管日成PA 尼龙剖开式波纹管日成PA 阻燃尼龙剖开软管日成HDPE 波纹管日成HDPEV0阻燃波纹管日成HDPE 剖开式波纹管日成HDPEV0阻燃黑色波纹管日成LDPE 波纹管日成圆形预绝缘端子日成R 型圆形裸端子日成叉形预绝缘端子日成Y 型裸端子日成欧式管形预绝缘日成双线管形预绝缘日成管形裸端子 EN日成母预绝缘端子 L日成公预绝缘端子 L日成铜管端子 SC 日成铜管端子 ASC 日成铜管端子 BSC 日成窥口接线端头 CSC 日成铜管端子 HUP 日成铜管端子 DT 日成铜管端子 T 日成铜管端子 TL 日成铜管端子 AES日成金属软管接头 NBG 日成铜制金属软管接头 TNBG 日成金属软管防水接头 NBL 日成90度金属软管接头 NBW 日成45度金属软管接头 NBN 日成内螺纹金属软管接头 NBF 日成锁紧式金属软管接头 NBE 双头固定式金属软管接头 NBK 日成外牙镀锌管接头 ELZ日成热收缩管 HST日成超薄热收缩管 H日成黄绿热收缩管2日成含胶热收缩套管日成高压母排保护套日成含胶热收缩套管日成耐老化冷缩管 E日成硅橡胶耐高温套日成硅树脂黄腊管 S日成电源线扣-新 SR 日成线扣钳 KT-1日成电源线扣 SR 日成光纤孔塞 HP 日成直角型电源线扣日成耐扭式电源线扣日成直角耐扭式电源线扣日成扣式护线套 SB 日成开口扣式护线套 OSB日成粘式扎线固定座 HC 日成锁式扎线固定座 HC 日成插鞘式扎线固定座 PHC 日成配线固定钮 UC 日成闭口连接环 CR 日成可调式配线固定座 AC 日成粘式配线固定座 JS 日成插鞘式固定座 LWC 日成可调式配线固定座 AP日成配线标志 EC日成彩色配线标志 E 日成扁型配线标志 E日成配线标志箱 EC 日成标志靶 号码带日成电缆牌 MS 日成空白胶管 OMR 电脑线号机 LM-380日成配线标志 OM结束带尼龙铆钉尼龙螺丝接线头隔离柱夹线套工具新品&配件日成卷式结束带 KS/S 日成卷式结束带 KS日成阻燃卷式结束带 KSV0/S 日成阻燃卷式结束带 KSV0日成开口式结束带 KP 日成可扩充编织网 PET 日成开口编织网 PETO 日成彩色编织网 PET-X 日成防电磁编织网带 EMC日成尼龙铆钉 SR日成公母可退式尼龙铆钉 SG 日成旋转式尼龙铆钉 SRC 日成尼龙铆钉 SRT 日成平头尼龙铆钉 SRH 日成耐高温尼龙铆钉 SRHR 日成长型捶式尼龙铆钉 SR 日成短型捶式尼龙铆钉 SRS 日成脚垫 FF日成螺丝/尼龙螺丝日成塑胶螺母 PN 日成塑胶垫片 PW日成尼龙螺丝 NCRS日成尼龙螺丝 NSPH日成尼龙螺丝 NSCS日成尼龙螺丝 NSCH日成尼龙螺丝 NSOH日成尼龙螺丝 NSCR日成闭端端子 CE 日成阻燃闭端端子 CEV0日成弹簧螺式接线头 SWB 日成翅膀螺式接线头 SWY 日成耐高温螺式接线头 SWHB 日成电线接线夹 KW 日成端子台 PA日成端子台底部垫高 PAH 日成阻燃端子台 PAV0日成六角隔离柱 HTS 日成六角内螺纹隔离柱 HTP 日成直通圆体隔离柱 LED 日成PC 板尼龙轨道 BT 日成隔离柱 CS 日成PC 板隔离柱 SP 日成隔离柱 CS 1日成平底隔离柱 RS 平底隔离柱 RLS日成PC 板夹线套 MW日成PC 板夹线套 NW日成PC 板夹线套 LW日成PC 板夹线套 SO日成PC 板夹线套 BH日成PC 板夹线套 MW日成PC 板夹线套 MW 日成PC 板隔离柱 CB日成尼龙铆钉 MP扎线枪 TG-9日成美制扎线枪 TG-1日成扎线枪TG-2日成扎线枪TG-3日成扎线枪TG-4日成扎线枪TG-5日成不锈钢带扎线枪TG-6日成不锈钢带扎线枪TG-7日成不锈钢带扎线枪TG-82.8插簧端子 DJ621-E2.8A-B 2.3插簧端子DJ621-2.3A-B 6.3插簧端DJ622-D6.3A-D 新品:各类硅胶密封产品展示3新品:各类硅胶密封产品展示2新品:各类硅胶密封产品展示1新品:线束集成产品003新品:线束集成产品002新品:线束集成产品001环保线槽电缆接头金属接头尼龙扎带尼龙软管接线端子铜管端子金属软管热收缩管护线套固定座配线标志结束带尼龙铆钉尼龙螺丝接线头隔离柱夹线套工具新品&配件网站首页 / 产品目录 / 金属接头日成耐高温金属电缆接头 B L推荐品:IP68耐高温接头防电磁金属电缆接头 B L-EMC2016新品:防电磁接头导电优日成半爪加厚金属电缆接头 A日成半爪加厚金属电缆接头 A日成全爪加厚金属电缆接头 B日成全爪加厚金属防水电缆接头 B防电磁金属电缆接头 A-EMC防电磁金属电缆接头 A-EMC防电磁金属电缆接头 A-EMV防电磁金属电缆接头 A-EMV日成半爪金属电缆防水接头 C日成半爪金属电缆防水接头 C日成耐扭金属电缆防水接头 SR日成耐扭金属电缆防水接头 SR日成双锁式金属电缆接头 DH日成双锁式金属电缆接头 DH日成金属电缆防水接头 MGA日成金属电缆防水接头 MGA日成型金属电缆接头 MGA-EMC日成型金属电缆接头 MGA-EMC日成多孔加厚金属防水电缆接…日成多孔加厚金属防水电缆接头 A日成金属多孔电缆防水接头 M…日成金属多孔电缆防水接头 MG-H日成不锈钢电缆防水接头 MGS日成不锈钢电缆防水接头 MGS不锈钢电缆防水接头 B LS不锈钢电缆防水接头 BLS日成钢丝层金属电缆接头 SVD日成钢丝层金属电缆接头 SVD日成平口电缆接头 SPK 日成平口电缆接头 SPK 日成平口电缆密封接头 JI S日成平口电缆密封接头 JIS日成隔爆金属电缆接头 EX S日成隔爆金属电缆接头 EXS日成隔爆铠装型金属电缆接头…日成隔爆铠装型金属电缆接头 EX金属快速软管防水接头 B GF 金属快速软管防水接头 BGF 金属锁紧型软管防水接头 B GX金属锁紧型软管防水接头 BGX日成内螺纹软管防水接头 B GN日成内螺纹软管防水接头 BGN日成金属软管接头 NB G日成金属软管接头 NBG日成金属软管防水接头 NB L 日成金属软管防水接头 NBL 日成90度金属软管接头 NB W日成90度金属软管接头 NBW日成45度金属软管接头 NB N日成45度金属软管接头 NBN日成外牙镀锌管接头 ELZ日成外牙镀锌管接头 ELZ日成内螺纹金属软管接头 NB F 日成内螺纹金属软管接头 NBF 日成锁紧式金属软管接头 NB E日成锁紧式金属软管接头 NBE日成双头固定式软管接头 NB K日成双头固定式金属软管接头 NBK日成金属软管未端护套 CAP日成金属软管未端护套 CAP日成PB-V型侧弯分线盒日成PB-V型侧弯分线盒日成PB-C型直通分线盒日成PB-C型直通分线盒日成PB-LR型右弯分线盒日成PB-LR型右弯分线盒日成PB-LL型左弯分线盒日成PB-LL型左弯分线盒共51条记录, 1/1页首页上一页1下一页末页日成PB -LB 型后弯分线盒日成PB-LB 型后弯分线盒日成PB -T 型三通分线盒日成PB-T 型三通分线盒日成PB -B T 型后三通分线盒日成PB-BT 型后三通分线盒日成PB -X 型四通分线盒日成PB-X 型四通分线盒日成不锈钢活接 三通日成不锈钢活接 三通日成不锈钢内螺纹 外螺纹日成不锈钢内螺纹 外螺纹日成不锈钢变径 连接管日成不锈钢变径 连接管日成不锈钢弯头 堵头不锈钢连接件日成金属旋转塞头 MSP金属旋转塞头日成金属缩减转接头 REM日成金属缩减转接头 REM日成金属扩增转接头 ELM金属扩增转接头日成金属内螺纹连接头 I CM日成金属内螺纹连接头 ICM日成金属螺纹转换头 TCM金属螺纹转换头日成金属螺母铜螺母 锌合金螺母日成接地片 PE特点:接地用。
螺纹联接式丢手机构主要应用于石油固井套管柱中,其特点是丢手之前必须在螺纹联接处卸去重力载荷,其结构如图3。
丢手机构通过丢手螺母与套管柱相联接,丢手螺母和下接头之间通过花键或八方传递扭矩,上接头与上部钻具相联接。
丢手机构随套管柱下井,当套管柱通过悬挂器挂在外层套管上或坐在井底时,继续下放一段管柱,让卸荷套与套管柱压紧,卸去丢手螺母上的轴向载荷,然后转动上部钻具,因丢手螺母加工有反螺纹,随着钻具的转动便退入卸荷套内,与套管柱脱开。
这种丢手机构首先是承载能力大,可以承受几百吨的载荷;其次是卸荷套消除丢手螺母的轴向载荷后,丢手螺母与套管柱之间有相对运动时,减少了摩擦力的影响,确保丢手螺母顺利倒螺纹并脱开。
图3螺纹联接式丢手机构1.3自动爪式丢手机构自动爪式丢手机构是一种常用于油管柱和套管柱的自动丢手机构(如图4)。
它通过爪子将送入工具和管柱联接起来。
工作时,在管柱下井后,从井口投胶塞,通过丢手机构,将堵塞剪断,露出传压孔,然后加压,压力通过传压孔作用在活塞上,推动活塞上行,活塞上设计有推动环,推动爪子向内收缩,从而将管柱与上接头脱开,实现丢手。
这种丢手机构只要加压就可以动作,完全自动,但有2个缺陷,第一是管柱质量依靠几个爪子的尖端来承担,额定载荷较小,同时丢手时,摩擦力较大,推动活塞运动的液体压力较高,丢手较困难;第二是在下管柱过程中, 当管柱遇阻或上下振动时,爪子前后摆动,有可能造成提前脱挂。
图4自动爪式丢手机构1.4滚珠式丢手机构这是最简单的丢手机构,主要用于油管柱和套管柱的丢手作业,其结构如图5。
内外管柱之间完全依靠滚珠联接,当管柱下放到设计位置时,从井口投球,然后加压,球座剪断销钉脱落,稍稍活动管柱, 滚珠自动脱落,便达到丢手的目的。
这种丢手机构虽然简单,但管柱的全部质量完全依靠滚珠来承担, 一旦由于管柱在下放过程中振动而压碎滚珠,丢不开手的情况就可能发生。
因此,要求滚珠有非常高的强度和良好的质量,图5滚珠式丢手机构2可旋转的丢手机构2.1摩擦式丢手机构摩擦式丢手机构也叫做摩擦式安全接头(如图6),主要用在石油钻井井下工具中,常用在取心筒上,如,250P取心筒等,其关键零件是内外筒之间的摩擦环,在摩擦环的2个端面上,通过焊接或机加工,变成凹凸不平并带有尖锐突出物的表面,内外筒之间用反螺纹联接。
pu气动管接头种类与规格快插式管接头图示:pu气动管接头就是主要应用于pu气动管的一种特殊接头、下面我们首先来介绍一下pu气动管:PU管分类按材料分,聚酯型PU管,聚醚型PU管,按使用要求与称呼不同分:PU空压软管,PU夹纱增强管,PU工业软管,PU钢丝伸缩管,PU螺旋管,PU伸缩管,PU弹簧管,PU夹纱管,PU编织管,PU网纹管,PU单管,PU直管。
二、PU管性能:1、透明管具有较高的透明度,介质流动的状态清晰可见。
2、采用高回弹性聚氨酯原材料制造;使得气动管具有较小的弯曲半径,更容易安装。
3、耐黄变达到3级以上,不易变黄。
4、颜色管采用进口耐候的色粉,所制造的颜色管颜色标准、鲜亮,长久工作不退色。
5、采用在线管径控制系统,管径的公差控制在△±0、12mm之内。
6、采用100%高物理性塑性聚氨酯弹性体(TPU)制造,恒定工作压力状态使用,寿命更长久。
目前市场上,塑料快插接头质量良莠不齐。
小妹长期从事佳尔灵气动接头销售工作,特总结几点气动接头小知识供客户辨别使用。
判断塑料气动快插接头的好坏,可以从以下几个方面来参考:1、产品表面就是否光洁,如有毛刺或就是飞边至少可以判定此款接头表面处理没有做到精致。
2、芯套部位与气动接头壳体铆接就是否吻合,如铆接部位有缝隙,说明产品没有严格按照生产工艺去加工。
3、快插内部夹持片(卡簧)不匀,弹性弱也就是差的一个方面,导致卡管受力不均或就是插拔管不易操作。
4、产品螺牙就是否标准或短少,螺纹内孔就是否偏大导致壁厚太薄,安装时螺纹处容易断裂,六角端面就是否太薄及螺牙上的氟涂的就是否均匀都就是评判气动快插接头的好坏标准。
5、释放环(按扭)就是否捣角,如无倒角管子无法插进壳体,为不合格产品。
6、肘接接头螺纹铆接处就是否可自由转动、这些都就是判断快插接头就是否合格的标准。
气动软管接头的分类1、快插式管接头:常用于气动回路中尼龙管与聚氨酯管的链接。
使用时将管子插入后,由管接头中的弹性卡环将其自行咬合固定,并由O形圈密封。
德标号图片例子名称ISO国标编码备注DIN912DIN912-M12X60-10.9内六角圆柱头螺钉ISO4762GB70-85GB/T 70.1-2000DIN963DIN963-M6x12-MS开槽沉头螺钉ISO2009GB68-85GB/T 68-2000DIN3771DIN3771-203x3-NBR70O型圈无无GB/T 3452.1-1982DIN125DIN125-B31-300HV垫片ISO7090GB97.2-85GB/T 97.1-1982DIN6916DIN 6916-21垫片,大垫圈无无GB/T 97.1-1982压板用DIN7991DIN7991-M5X10-10.9内六角沉头螺钉ISO10642无GB/T 70.3-2000DIN7984DIN7984-M8X20-8.8薄型内六角圆柱头螺钉无无DIN915DIN915-M8X30-45H内六角圆柱头紧定螺钉ISO4028GB79-85GB/T 79-2000 DIN472DIN472-130X4-孔用弹簧垫圈无GB893-86GB/T 893.1-1986 DIN975DIN975-M8-10.9牙条(全螺纹)ISO8674GB6176-86DIN72571DIN72571-1X8-ST固定管夹无无G31-1 G31-3仅03部使用DIN471DIN471-100X3-轴用弹簧垫圈无GB893-86GB/T 894.1-1986 DIN913DIN913-M6X10-45H内六角平端紧定螺钉ISO4026GB77-85GB/T 77-2000DIN7993DIN7993-A130轴用钢丝挡圈无GB895.2-86GB/T 895.1-1986 DIN906DIN906-M8X1-St内六角锥形闭锁螺钉无无G38-3 G38-4 G38-5DIN933ISO4017-M12X50-8.8六角头螺钉(半牙)ISO4017(全)GB5783-86GB/T 5782-2000(半)GB/T 5783-2000(全)DIN934ISO4032-M20-8六角头螺母I型ISO4032GB6170-86GB/T 6170-2000ISO 7380 M6x10内六角半圆头螺钉ISO7380GB/T 70.2-2000仅出现1次ISO8736-A16X70-ST内螺纹圆锥销ISO8736GB/T 118-2000多次ISO2339-A4X36-ST圆锥销ISO2339GB/T 117-2000仅出现1次ISO8733-12x35-ST圆柱销ISO8733GB/T 119.2-2000仅出现2次DIN84ISO1207-M3X8-4.8圆柱头螺钉ISO1207GB65-85GB/T 822-2000仅出现1次DIN7603DIN7603 A10x13.5-CU螺塞用密封垫JBZQ 4454-1997G52-5仅09部U 8,8x13x1U 8,8x13x1组合密封垫圈G52-2。
P 快插式接头外螺纹接头 90°弯头外螺纹接头型式型号管径(ø)螺纹型式型号管径(ø)螺纹PC PC04-M54M5x08P PL PL04-M54M5x08P PC04-014PT1/8PL04-014PT1/8PC04-024PT1/4PL04-024PT1/4直型PC06-M56M5x08P弯头型PL06-M56M5x08P PC06-016PT1/8PL06-016PT1/8PC06-026PT1/4PL06-026PT1/4PC06-036PT3/8PL06-036PT3/8PC08-018PT1/8PL08-018PT1/8PC08-028PT1/4PL08-028PT1/4PC08-038PT3/8PL08-038PT3/8PC08-048PT1/2PL08-048PT1/2PC10-0110PT1/8PL10-0110PT1/8PC10-0210PT1/4PL10-0210PT1/4PC10-0310PT3/8PL10-0310PT3/8PC10-0410PT1/2PL10-0410PT1/2PC12-0212PT1/4PL12-0212PT1/4PC12-0312PT3/8PL12-0312PT3/8PC12-0412PT1/2PL12-0412PT1/2T 型外螺纹 外螺纹 Y 型接头 型式型号管径(ø)螺纹型式型号管径(ø)螺纹PT PT04-M54M5x08P PWT PWT04-M54M5x08P PT04-014PT1/8PWT04-014PT1/8PC04-024PT1/4歧管 Y 型PWT04-024PT1/4 T 型PT06-M56M5x08P PWT06-M56M5x08P PT06-016PT1/8PWT06-016PT1/8PT06-026PT1/4PWT06-026PT1/4PT06-036PT3/8PWT06-036PT3/8PT08-018PT1/8PWT08-018PT1/8PT08-028PT1/4PWT08-028PT1/4PT08-038PT3/8PWT08-038PT3/8PT08-048PT1/2PWT08-048PT1/2PT10-0110PT1/8PWT10-0110PT1/8PT10-0210PT1/4PWT10-0210PT1/4PT10-0310PT3/8PWT10-0310PT3/8PT10-0410PT1/2PWT10-0410PT1/2PT12-0212PT1/4PWT12-0212PT1/4PT12-0312PT3/8PWT12-0312PT3/8PT12-0412PT1/2PWT12-0412PT1/2型式型号管径(ø)型式型号管径(ø)PUC PUC04-004PYPUC06-006联管直型PUC08-008PY066PUC10-0010联管Y型PY088PUC12-0012PY1010PY1212管径管径A(ø)B(ø)A(ø)B(ø)PG PG06-046 4PW PG08-068 6不同尺寸PG10-0810 8不同尺寸PW08-068 6联管直型PG12-1012 10联管Y直型PW10-0810 8PW12-1012 10对称接头插入式 Y 型接头PY044 变径直通接头型式型号 变径直通接头型式型号PW06-046 4型式型号管径型式型号管径PUL PUL044PUT PUL066联管弯头型PUL088联管T型PUT066PUL1010PUT088PUL1212PUT1010PUT1212型式型号管径(ø)螺纹型式型号管径(ø)PSTPST04-M54M5x0.8P PMM PMM044PST04-014PT1/8PMM066PST04-024PT1/4分隔联管型PMM088岐管 Y 型PST06-M56M5x0.8P PMM1010PST06-016PT1/8PMM1212PST06-026PT1/4PST06-036PT3/8PST08-018PT1/8PST08-028PT1/4PST08-038PT3/8PST08-048PT1/2PST10-0110PT1/8PST10-0210PT1/4PST10-0310PT3/8PST10-0410PT1/2PST12-0212PT1/4PST12-0312PT3/8穿板式对称接头直角弯头接头T 型接头PUT044T 型外螺纹PST12-0412PT1/2型式型号管径型式型号管径型式型号管径USTM5UST01 1/4UST02 1/4USUM5UST03 1/4USU01 1/8USR01UST04 1/2USU02 1/4USR02 1/4UST06 3/4USU03 3/8USR033/8UST101USU04 1/2USU06 3/4USU101内径(mm)长度(m/roll)2.52004200510061006.51009100消声节流阀PU 管 消声器平头消声器M5凸头消声器M58U-0806□1月8日PU 管U-1209□12型式外径(mm)U-0425□4U-0604□6U-0805□SC Speed Controler颜色表示记号 透明 黑色 白色 红色 蓝色8U-1065□10螺纹(PT)流量(Nl/min)M5100 1/8180 1/4260M5100 1/8230 1/4390 1/4660 3/8660 1/8230 1/4460 1/4790 3/8790 1/4460螺纹连接型气管连接型限出型限入型最高使用压力范围 1.0(MPa)使用压力范围0.1-0.9(MPa)环境与介值的温度5-60(℃)工作媒介已滤清车油雾之压缩空气调整流量转数9 times型式(限出型)型式(限入型)管径øSC1200F 4-M5SC1210F 4-M54SC2200F 4-01SC2210F 4-014SC2200F 4-02SC2200F 4-014SC1200F 6-M5SC1210F 6-M56SC2200F 6-01SC2210F 6-016SC2200F 6-02SC2210F 6-026SC3200F 6-02SC3210F 6-026SC3200F 6-03SC3210F 6-036SC2200F 8-01SC2210F 8-018SC2200F 8-02SC2210F 8-028SC3200F 8-02SC3210F 8-028SC3200F 8-03SC3210F 8-038SC2200F 10-02SC2210F 10-0210Specification单向节流阀规格1/4920 3/8920 1/21580 3/817101/2SC3200F 10-02SC3210F 10-0210SC3200F 10-03SC3210F 10-0310SC4200F 10-04SX4210F 10-0410SC4200F 12-03SC4210F 12-0312100SC4200F 12-04SC4210F 12-0412型式管径 ø流量 (Nl/nin)270SC1000F-044SC3000F-1010690SC2000F-066155SC2050F-08单向节流阀规格SC4000F-121213808。
日成波纹管&软管接头Wire Conduits日成软管接头&配件Conduit Connector规格 内径 I.D. 外径 静态 动态 包装O.D. 弯曲 弯曲PackingSizesABStat.r Dyn.rM1/4" 6.5 10.0 13 35 100M 5/16" 10.0 13.0 20 45 100M - 12.0 15.8 35 55 100M 3/8" 14.3 18.5 40 65 100M 1/2" 17.0 21.2 45 75 100M 3/4" 23.0 28.5 55 100 50M 1" 29.0 34.5 65 120 50M 1 1/4" 36.0 42.5 90 150 50M 2" 48.0 54.5 100 190 25M 9/32" 8.0 11.5 13 25 100M - 11.0 14.0 20 45 100M - 14.5 20.0 45 75 100M - 20.0 25.0 50 85 50M -25.531.55011050M150℃ in short time Color:blackBG-07NB BG-07NG 1/4" 6.5 1BG-10NB BG-10NG 5/16" 10.0 1Characheristics:good luster ofexterior,stronger machinism loading,BG-12N BG-15N 12.0 14.3 15.8 18.5 35 40 55 65 100M 100MRCCNPolyethylene Corrugated Tubing日成PA尼龙波纹管 PA 尼龙阻燃波纹管RCCN 日成PA 尼龙波纹管 Polyethylene Corrugated TubingRal9005Ral7037无卤 Halogen freeRoHS耐候性UVWeather resistant UV单位/Unit:mm材质: 进口PA6 尼龙(Polyamide)Material:PA (Polyamide)型号 Item No.规格 内径 I.D.外径 静态 O.D. 弯曲 半径动态 包装 弯曲Packing 半径温 度:-40℃-125℃,短时达到150℃ 产品认证: 美国UL,欧洲CE, 欧洲环保 ROHS,REACH.防火等级:94HB 。
自制变径接头图号规则备注:1、特殊接头命名规范:(24/39)、(20/28)一、变径接头1、KJ系列变径接头(公接头为KJ系列接头)图号规则:1、“JA-”表示:变径接头,2、公接头在前,母接头在后。
例:变径接头 JA-KJ10/KJ12变径接头 JA-KJ12/DN12变径接头 JA-31.5D/DN12变径接头 JA-(20/28)/DN122、DN系列变径接头(公接头为DN系列接头)图号规则:1、“JA-”表示:变径接头,2、公接头在前,母接头在后。
例:变径接头 JA-DN10/DN12变径接头 JA-DN12/KJ13变径接头 JA-(24/39)/KJ133、螺纹系列变径接头图号规则:1、“JA-”表示:变径接头,2、快速接头与螺纹接头:1)公接头在前,内螺纹在后,2)外螺纹在前,母接头在后,3、均为螺纹接头:外螺纹在前,内螺纹在后。
例:变径接头 JA-M27×1.5/KJ10变径接头 JA-DN12/M27×1.5变径接头 JA-M27×1.5/M40×2 M27为外螺纹,M40为内螺纹二、变径直通图号规则:1、“JZ-”表示:变径直通,2、不同系列接头:KJ在前,DN在后,如有螺纹接头,螺纹接头在后3、相同系列接头:小接头在前,大接头在后。
例:变径直通 JZ-KJ10/DN110变径直通 JZ-DN10/M27×1.5 M27为内螺纹变径直通 JZ-KJ10/KJ13变径直通 JZ-31.5D/KJ10三、中间变径接头图号规则:1、“JJ-”表示:中间变径接头,2、不同系列接头:KJ在前,DN在后,如有螺纹接头,螺纹接头在后,3、相同系列接头:小接头在前,大接头在后。
例:变径中间接头 JJ-KJ10/DN10变径中间接头 JJ-KJ10/M27×1.5 M27为外螺纹变径中间接头 JJ-DN10/DN12四、堵图号规则:“D-”表示:堵。
自制变径接头图号规则
备注:1、特殊接头命名规范:(24/39)、(20/28)
一、变径接头
1、KJ系列变径接头(公接头为KJ系列接头)
图号规则:1、“JA-”表示:变径接头,2、公接头在前,母接头在后。
例:变径接头 JA-KJ10/KJ12
变径接头 JA-KJ12/DN12
变径接头 JA-31.5D/DN12
变径接头 JA-(20/28)/DN12
2、DN系列变径接头(公接头为DN系列接头)
图号规则:1、“JA-”表示:变径接头,2、公接头在前,母接头在后。
例:变径接头 JA-DN10/DN12
变径接头 JA-DN12/KJ13
变径接头 JA-(24/39)/KJ13
3、螺纹系列变径接头
图号规则:1、“JA-”表示:变径接头,
2、快速接头与螺纹接头:1)公接头在前,内螺纹在后,
2)外螺纹在前,母接头在后,
3、均为螺纹接头:外螺纹在前,内螺纹在后。
例:变径接头 JA-M27×1.5/KJ10
变径接头 JA-DN12/M27×1.5
变径接头 JA-M27×1.5/M40×2 M27为外螺纹,M40为内螺纹
二、变径直通
图号规则:1、“JZ-”表示:变径直通,
2、不同系列接头:KJ在前,DN在后,如有螺纹接头,螺纹接头在后
3、相同系列接头:小接头在前,大接头在后。
例:变径直通 JZ-KJ10/DN110
变径直通 JZ-DN10/M27×1.5 M27为内螺纹
变径直通 JZ-KJ10/KJ13
变径直通 JZ-31.5D/KJ10
三、中间变径接头
图号规则:1、“JJ-”表示:中间变径接头,
2、不同系列接头:KJ在前,DN在后,如有螺纹接头,螺纹接头在后,
3、相同系列接头:小接头在前,大接头在后。
例:变径中间接头 JJ-KJ10/DN10
变径中间接头 JJ-KJ10/M27×1.5 M27为外螺纹
变径中间接头 JJ-DN10/DN12
四、堵
图号规则:“D-”表示:堵。
例:堵 D-DN25
五、焊接接头
图号规则:1、“JH-”表示:焊接变径接头,
2、快速接头在前,焊接管外径在后,中间用“/”隔开。
例:焊接接头 JH-31.5D/63
1、如同种规格中总长度不相同时可在后加A、B、C…区别,并要求所有不同长度件在同一张图中汇总绘出, 以便查询;
2、如为节流节头要求在用“K”表示,如 JAK-
KJ10/KJ12、JZK-DN10/M27×1.5、JJK-KJ10/DN10、JHK-31.5D/63
说明:在ERP分类中,焊接接头归入变径接头类,变径直通归入直通类,中间变径接头归入中间接头类,堵归入堵类。
如JA变径接头类中第一个接头是螺纹则归入螺纹接头类,如第一个接头是为KJ系列则归入KJ系列变径接头,如第一个接头是为DN系列则归入DN系列变径接头。