焊接位置与焊缝符号_图文
- 格式:pptx
- 大小:1.25 MB
- 文档页数:30
焊接位置焊接位置焊接位置箭头相反方向两面板材间距2mm板材间距2mm箭头所指方向箭头相反方向03、I型焊接形状标示记号箭头所指方向焊接符号标示说明(全) 参考JIS-Z3021标准01、双法兰型焊接形状标示记号箭头所指方向箭头相反方向形状标示记号02、单法兰型焊接板材间距2mm焊接位置焊接位置完全熔透焊接板厚12mm坡口开口角度45°使用垫板板材间距4.8mm焊后标面突出部分要机加处理平整部分熔透焊接板厚12mm坡口深度5mm坡口开口角度60°板材间距为005、X型焊接形状标示记号04、V型焊接形状标示记号箭头所指方向箭头相反方向板厚19mm坡口深度16mm坡口开口角度60°板材间距2mm闪光焊接摩擦压接两面该部位机加磨平处理闪光焊接闪光焊接闪光焊接闪光焊接摩擦压接焊接位置标示记号焊接位置坡口深度箭头方向16mm箭头对面方向9mm坡口开口角度箭头方向60°箭头对面方向90°板材间距3mm闪光焊接坡口深度3mm坡口开口角度90°板材间距为0摩擦压接坡口深度3mm坡口开口角度90°板材间距为006、V型焊接形状箭头所指方向箭头相反方向T连接坡口角度45°板材间距6.4mm使用垫板角连接板厚25mm坡口角度45°坡口深度10mm板材间距为007、K型焊接形状标示记号箭头所指方向闪光焊接闪光焊接摩擦压接焊接位置箭头方向坡口深度16mm坡口开口角度45°箭头相反方向坡口深度9mm坡口开口角度45°板材间距2mm T连接坡口深度7mm 坡口角度45°板材间距为0角连接坡口深度7mm 坡口角度45°板材间距为0闪光焊接坡口深度3mm 坡口角度45°摩擦压接T连接坡口深度7mm 坡口角度45°08、J型焊接形状标示记号箭头所指方向箭头相反方向坡口深度28mm 坡口角度35°板材根部半径12mm 板材间距2mm摩擦压接闪光焊接闪光焊接焊接位置焊接位置焊接位置09、双J型焊接形状标示记号箭头所指方向箭头相反方向坡口深度24mm坡口角度35°板材根部半径12mm板材间距3mm10、U型焊接形状标示记号箭头所指方向箭头相反方向部分熔透焊接坡口深度27mm完全熔透焊接坡口角度25°板材根部半径6mm板材间距为011、H型焊接形状标示记号两面焊接位置焊接位置12、喇叭V型,喇叭X型焊接部分熔透焊接坡口深度25mm坡口角度25°板材根部半径6mm板材间距为0形状标示记号箭头所指方向箭头相反方向两侧13、喇叭 型,喇叭K型焊接形状标示记号箭头所指方向箭头相反方向两面焊接位置焊接位置14、角焊接形状标示记号箭头所指方向箭头相反方向两面焊缝高度6mm焊缝高度不同时先标注小的尺寸, 再标准大的尺寸 用()括起标示 另外这种焊高不同 的场合,要标示清 楚方向焊缝长度为500mm15、角焊接(双面)形状标示记号两面焊缝高度为6mm焊缝两侧高度不同时一边连续焊接一边是段焊两边焊缝高度为6mm段焊焊接长度为50mm焊接3处段焊间距为250mm侧面图上没有记号表示焊接位置焊接位置16、角焊接(间断)形状标示记号箭头所指方向箭头相反方向两面并列焊接焊缝长度50mm焊接3处焊缝间距150mm锯齿型焊接两面焊缝高度6mm焊缝长度为50mm焊缝数量箭头侧3处箭头对面2处焊缝间距300mm锯齿型焊接正面焊接高度6mm对面焊接高度9mm焊缝长度50mm焊缝数量正反各2处焊缝间距300mm17、塞型,槽型焊接形状标示记号箭头所指方向箭头相反方向焊接位置焊接位置孔直径22mm 焊接4处焊缝间距100mm 坡口角度60°焊接深度6mm 箭头所指方向箭头相反方向宽度22mm长度50mm焊接4处焊缝间距150mm坡口角度0°焊接深度6mm18、拍子型焊接形状标示记号箭头所指方向箭头相反方向板材间距为019、堆焊形状标示记号堆焊厚度为6mm宽度为50mm长度100mm焊接位置焊接位置焊接位置发散型焊接20、点焊、发散型焊接形状标示记号箭头所指方向平面必须平坦,并使用电极焊接焊缝间距75mm点焊2处箭头相反方向平面必须平坦,并使用电极焊接焊缝间距25mm点焊5处箭头所指方向平面点焊箭头相反方向21、填充焊接形状标示记号22、焊接部位标面形状形状标示记号焊接位置对接焊角焊标面平坦对接焊,角焊标面凸起发散熔接发散熔接发散熔接发散熔接焊接位置焊接位置焊接位置角焊标面凹型23、焊接部位处理方法形状标示记号对接焊接突出部位进行削平处理不等高的角焊部位打磨下凹2mm圆管对接突出焊接部位进行机加磨平全周焊接的辅助标记24、现场焊接,全周焊接,全周现场焊接形状标示记号现场连续角焊接全周现场连续角焊接全周连续角焊接圆管场合25、记号组合形状标示记号 型焊接与拍子型焊接K型焊接与角焊接该部位进行削平处理该部位进行打磨处理该部位进行机加磨平处理焊接位置 型焊接与角焊接J型焊接与角焊接以及拍子型焊接组合双面J型焊接与角焊接以及进行凹型打磨组合26、射线探伤记号形状标示记号射线探伤一般场合部分(抽检)射线探伤全部进行射线探伤场合园管对接焊接部位双管面射线探伤焊接位置焊接位置27、超声波探伤形状标示记号对接焊接部位进行垂直超声波探伤对接焊接部位进行超声波探伤一般场合对接焊接部位进行斜角超音波探伤28、磁粉探伤,渗透探伤形状标示记号渗透探伤非荧光探伤场合渗透探伤荧光探伤场合渗透探伤一般场合磁粉探伤荧光探伤场合磁粉探伤一般场合。
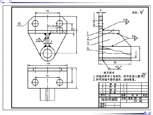
类似结构“”:焊缝基本符号,表示无钝边的单斜边坡口;
“10”:焊缝尺寸符号,表示坡口深度;
“—”:焊缝辅助符号,表示焊缝表面平齐(一般通过加工);
“类似结构”:焊缝补充符号,表示相同结构采用相同的焊缝。
待焊部位为无钝边的单斜边坡口,坡口深10mm,焊后要求焊缝表面平齐(通过加
工或打磨),相同结构采用相同的焊缝。
焊缝形式标准图样组对要求施焊前状态图片施焊前工艺准备施焊后状态图片执行工艺规程
板—板
对接焊缝不戴垫板
戴垫板1.组焊前将焊接坡口区及距焊缝边缘
30mm范围内的油污.铁锈.氧化渣.
毛刺.漆.水渍清理于净,表面露出金
属光泽,无缺陷。
2.按工艺要求用机械加工或手工气割
方式开出坡口,将坡口周围打磨光
滑。
1.平焊
SJ-WPS-FCAW-00-05
2.立焊
SJ-WPS-FCAW-00-06
3. 施焊前应检查坡口的尺寸是否符合
设计要求,同时须控制组对公差,角焊缝和不戴垫板的对接焊缝组对间隙为0~2mm,戴垫板的对接焊缝组对间隙
为R2
(R为图纸设计尺寸)。
角焊缝1.平焊
SJ-WPS-FCAW-02-11 2.立焊
SJ-WPS-FCAW-02-12
管—板角焊缝
SJ-WPS-FCAW-02-18。
焊接标识符号大全焊接标识符号是在焊接过程中使用的一种标识符号,用来表示焊缝的类型、形式、尺寸及其它相关信息。
在焊接作业中,使用标识符号可以减少误操作,提高工作效率,降低出错率,保证焊接质量和安全等方面的要求。
本文将为大家介绍几种常见的焊接标识符号及其相关参考内容。
一、焊缝类型符号1. 直缝焊缝(I型缝)符号:I意义:表示焊缝的类型为直缝。
参考内容:GB/T 6194-2006《焊条、焊丝及焊剂用于气焊、氩弧焊、电弧焊及电气加热的分类》2. 环缝焊缝(O型缝)符号:O意义:表示焊缝的类型为环缝。
参考内容:GB/T 6194-2006《焊条、焊丝及焊剂用于气焊、氩弧焊、电弧焊及电气加热的分类》3. 线脚焊缝符号:T意义:表示焊缝的类型为线脚焊缝。
参考内容:EN ISO 6947:2011《焊接和相关工艺术语标准术语》4. 角焊缝符号:T意义:表示焊缝的类型为角焊缝。
参考内容:EN ISO 6947:2011《焊接和相关工艺术语标准术语》二、焊缝形式符号1. 朝上焊接(PA)符号:PA意义:表示焊接过程中焊缝的开口朝上。
参考内容:EN ISO 945-1:2011《未加工金属材料的符号表示—第1部分:焊缝表示》2. 朝下焊接(PC)符号:PC意义:表示焊接过程中焊缝的开口朝下。
参考内容:EN ISO 945-1:2011《未加工金属材料的符号表示—第1部分:焊缝表示》3. 垂直焊接(PF)符号:PF意义:表示焊接过程中焊缝的轴线垂直于工件表面。
参考内容:EN ISO 945-1:2011《未加工金属材料的符号表示—第1部分:焊缝表示》4. 水平焊接(PH)符号:PH意义:表示焊接过程中焊缝的轴线水平于工件表面。
参考内容:EN ISO 945-1:2011《未加工金属材料的符号表示—第1部分:焊缝表示》三、焊接尺寸符号1. 焊缝长度符号(L)符号:L意义:表示焊缝的长度尺寸。
参考内容:EN ISO 5832-2:2013《金属材料—植入式医疗器材》2. 焊缝厚度符号(t)符号:t意义:表示焊缝的厚度尺寸。
焊接符号大全1、焊缝标注方法图样上焊缝有两种表示方法,即符号法和图示法。
焊缝标注以符号标注法为主,在必要时允许辅以图示法。
比如用连续或断续的粗线表示连续或断续焊缝;在需要时绘制焊缝局部剖视图或放大图表示焊缝剖面形状;用细实线绘制焊前坡口形状等等。
符号标注法:通过焊缝符号和指引线表明焊缝形式的标注方法。
2、符号标注法的要素焊缝符号标注中有许多要素,其中焊缝基本符号和指引线构成了焊缝的基本要素,属于必须标注的内容。
除焊缝基本要素外,在必要时还应加注其他辅助要素,如辅助符号、补充符号、焊缝尺寸符号及焊接工艺等内容。
3、焊缝符号及其标注(1)焊缝基本符号是表示焊缝横断面形状的符号,共有13个(详见GB/324-88),例如:(2)辅助符号是表示焊缝表面形状特征的符号。
不需要确切地说明焊缝的表面形状时可以不加注辅助符号。
辅助符号配置在基本符号固定位置。
辅助符号有3个。
(3)补充符号是为了补充说明焊缝的某些特征而采用的符号,一共有5个。
(4)特殊符号是为了满足某些特殊情况而规定的焊缝符号,共有4个。
4、指引线及其标注指引线由箭头线和基准线组成。
(1)箭头线:箭头可指向接头侧和非接头侧;箭头线相对焊缝的位置一般没有特殊要求; 允许箭头线弯折一次。
(2)基准线基准线含有实线基准线和虚线基准线。
虚线基准线可画在实线基准线的上方或下方;焊缝符号标注在实线基准线上说明焊缝在箭头侧,标注在虚线基准线上说明焊缝在非箭头侧;标注双面或对称焊缝时可不加虚线。
5、焊缝尺寸符号及其标注(1)焊缝标注有必要时可附带有焊缝尺寸符号及数据。
焊缝尺寸符号共有16个(详见GB/324-88),例如:(2)焊缝尺寸符号及数据的标注原则(如图):焊缝横截面上的尺寸标注在基本符号的左侧;长度方向的尺寸标在右侧;坡口角度、坡口面角度、根部间隙等尺寸标在基本符号的上侧或下侧。
相同焊缝数量的符号标在尾部。
在基本符号的右侧无任何标注且又无其他说明时,意味着焊缝在工件的整个长度上是连续的; 在基本符号的左侧无任何标注且又无其他说明时,表示对接焊缝要完全焊透。
焊接标识符号大全焊接是一种常见的金属加工方法,用于将两个或更多金属工件连接在一起。
为了确保焊接质量和安全性,对于焊接过程和焊接接头,需要使用一些标识符号来进行标识和表达。
以下是焊接标识符号的大全,包括符号名称和其意义的相关参考内容。
1. 焊缝符号:- 直线- 竖线- 斜线- 弯曲线这些符号用于表示不同类型的焊接缝形状。
通过在这些线条上添加其他符号或箭头,可以进一步指示焊接过程中的具体要求。
2. 焊接位置符号:- 平焊位置- 横焊位置- 竖焊位置- 仰焊位置- 手工焊位置- 出板面上焊接- 钢面焊接这些符号用于表示焊接工件的位置和角度。
它们通常与焊接缝符号一起使用,以指示焊接的具体位置和方向。
3. 焊接材料符号:- 表示焊丝材料的符号- 表示焊剂材料的符号- 表示焊接母材的符号这些符号用于表示焊接过程中所使用的不同材料。
它们通常与焊接过程规范中的材料规格一起使用,以确保正确选择和使用焊接材料。
4. 焊接方法符号:- 手工电弧焊- 气焊- 氩弧焊- CO₂保护焊- 切割焊这些符号用于表示不同的焊接方法。
通过在焊接过程规范中指定使用的焊接方法,可以确保焊接质量和效率。
5. 焊接质量符号:- 焊接缺陷- 焊接连接- 焊缝形状这些符号用于表示焊接质量和缺陷。
焊接质量符号可用于标识焊接过程中出现的任何缺陷或问题,以便及时纠正和改进。
6. 焊接参数符号:- 焊接电流- 焊接电压- 焊接速度- 焊接温度这些符号用于表示焊接过程中的参数和条件。
它们通常与焊接工序表一起使用,以确保按照指定的参数进行焊接。
以上是焊接标识符号的大全,包括焊缝符号、焊接位置符号、焊接材料符号、焊接方法符号、焊接质量符号和焊接参数符号。
这些标识符号在焊接工艺中具有重要的作用,能够准确表达和传达焊接过程和要求,以确保焊接质量和安全性。
在实际应用中,需要遵循相应的标准和规范,以正确理解和使用这些标识符号。
焊接位置与焊缝符号学习目的:了解焊缝符号、焊接方法代号的表示方法,能够正确看懂焊接结构图样。
第一节焊接位置一、焊接位置的分类焊接位置,指熔焊时焊件接缝所处的空间位置分类:(1)平焊:焊角倾角0°,焊缝转角90°;(2)横焊:焊角倾角0°、180°,焊缝转角0°、180°的对角位置;(3)立焊:焊缝倾角90°(立向上),270°(立向下);(4)仰焊:对接焊缝倾角0°、180°,转角270°;二、板与板的焊接(1)平焊;(2)立焊;(3)横焊;(4)仰焊;三、管与管的焊接(1)对接边转动边焊接;(2)垂直固定焊;四、 管与板的焊接(1) 插入式管板角焊缝;(2) 骑马座式管板角焊缝;第二节 焊缝符号是用在焊接结构的图样上,标注焊缝形式、焊缝尺寸、焊接方法的工程语言,又是进行焊接施工的主要依据。
一、焊缝基本符号一般由基本符号与指引线组成,必要时还可以加上辅助符号、补充符号和焊缝尺寸符号。
二、焊缝辅助符号:辅助符号是表示焊缝表面形状特征的符号,有三种:1)焊缝表面平齐;2)焊接表面凹陷;基准线(实线) 箭头 基准线(虚实)尾部3)焊接表面凸陷;三、补充符号:是为了补充说明焊缝的某些特征而采用的符号。
四、焊缝尺寸符号:是表示坡口和焊缝各特征尺寸的符号。
焊缝尺寸符号及数据的标注原则:1)焊缝横截面上的尺寸标在基本焊缝的左侧;2)焊缝长度方向尺寸标在基本符号的右侧;3)坡口角度、根部间隙等尺寸标在基本符号的上侧或下侧;五、特殊焊缝符号:在图样上对有特殊要求的焊缝标注时使用的符号。
六、焊接方法代号:用阿拉伯数字表示金属焊接等各种焊接方法。
七、焊接装配视图:是供焊接施工使用的图样,除了完整的结构投影图、剖视和断面图外,还有焊接结构的主要尺寸、标题栏、技术条件及焊缝符号标注等。
八、标注的原则:1)焊缝横截面尺寸标注一基本符号的左侧;2)焊缝长度方向的尺寸标注在基本符号的右侧;3)坡口角度、坡口面角度、根部间隙等尺寸标注在基本符号的上侧或下侧;4)相同焊缝数量符号在尾数;5)当需要标注的尺寸数据较多,可在数据前面增加相应的尺寸符号;焊缝在接头箭头侧焊缝在接头非箭头侧对称焊缝又面焊缝复习思考题1.板+板焊接位置有哪几种?2.管+管焊接位置有哪几种?3.管+板焊接有哪几种类型?4.管+板焊接位置有哪几种?5.焊缝符号有哪几部分组成?6.什么是焊缝的基本符号?7.什么是焊缝的辅助符号?8.什么是焊缝的补充符号?9.什么是焊缝尺寸符号?10.简述焊缝尺寸符号数据的标注原则。
各种焊接符号与识图一•基本符号(共13种),常用:卜、H、0、V、1五种①角焊缝h ②I型焊缝丨丨③V型焊缝V④单边V型焊缝⑤带纯边V型焊缝⑥点焊缝0⑦塞焊缝或槽焊缝⑧卷边焊缝⑨带钝边单边V型焊缝⑩带钝边U型焊缝(11)带钝边的J型焊缝(12)封底焊缝—(13)缝焊缝二•符号在图样上的位置①指引线箭头线_基准线(实线)piLii-i■ ■ jai■■■■LII■ ■ ■■■irmaau■ inrmrua■ ra\基准线(虚线)接头B的箭头侧双角焊缝十字接头③箭头线位置箭头线相对焊缝的位置一般没有特殊要求,但在标注V、丫、J形焊缝时箭头线应指向带有坡口一侧的工作,必要时允许箭头弯折一次④基本符号相对基准线的位置V三•焊缝尺寸符号焊角尺寸K相同焊缝数量Nb.焊接在接头的箭头侧/ A/ xC.对称焊缝dV尸双面焊缝焊缝段数na.焊接在接头的非箭头侧熔接直径d焊缝长度l焊缝间距eP.H.K.h.s.r.c.d 基本符号)n*l(e)a . B .ba . B .bH.K.h.s.r.c.d(基本符号)n*l(e)bP.H.K.h.s.r.c.d 基本符号)n*l(e)NP.H.K.h.S.r.C.d 基本符号)n*l(e)注意:①焊缝横截面上的尺寸标在基本符号的左侧②焊缝长度方向上的尺寸标在基本符号的右侧③坡口角度、坡口面角度、根据间隙等尺寸标在基本符号的上侧或下侧④相同焊缝数量符号标在尾四•焊缝尺寸的标注示例①K丨(连续角焊缝)' 'n X(e)(断续角焊缝)③c n X(e)(塞焊缝,槽焊缝)④ d n >(e)⑤dCh >e)(点焊缝)⑥S1 1对接焊缝)★注意:1.确定焊缝位置的尺寸不在焊缝符号中给出,而是将其标注在图样上;2. 在基本符号的右侧无任何标注,又无其他说明时意味着焊缝在工件的整个长度上是连续的;3. 在基本符号的左侧无任何标注又无其他说明时,表示对接焊缝要完全焊透.五.钣金行业常见的焊缝:①角焊缝(连续及断续角焊缝)②塞焊缝及槽焊缝③点焊缝④对接焊缝。
常用焊缝符号及其标注方法基本符号是表示焊缝横截面形状的符号,常用基本符号见表1;表1 常用基本符号序号名称示意图符号1 角焊缝2 点焊缝3 Ⅰ形焊缝4 V形焊缝5 单边V形焊缝6 带钝边V形焊缝7 缝焊缝表1完常用基本符号序号名称示意图符号8 塞焊缝或槽焊缝9 封底焊缝10 喇叭形焊缝11 单边喇叭形焊缝在焊接标注时,焊缝的基本符号必须标注;对于需要开坡口的焊缝,当设计对坡口形状有特殊要求时,则应在技术图样中画出焊缝坡口的断面图,并明确各项要求;设计对坡口形状无特殊要求时,则技术图样中不做规定,应由工艺人员在工艺文件中予以明确;辅助符号辅助符号是表示焊缝表面形状特征的符号,见表2;表2 辅助符号序号名称示意图符号标注示例说明1 平面符号平面V形对接焊缝一般通过加工保证2 凹面符号凹面角焊缝3 凸面符号凸面V形对接焊缝对焊缝的表面无要求时,则不标注辅助符号;补充符号补充符号是为了补充说明焊缝的某些特征而采用的符号,见表3;当焊缝具有表3所列特征时,则必须标注相应的补充符号;表3 补充符号序号名称示意图符号标注示例说明1 带垫板符号 V形对接焊缝,底面有垫板2 三面焊缝符号工件三面施角焊缝,焊接方法为手工电弧焊3 周围焊缝符号沿工件周围施角焊缝4 尾部符号同上述三面焊缝符号标注焊接方法及处数N等说明尺寸符号常用尺寸符号见表4,表中各尺寸符号,在图样中应标出具体数值;表4 焊缝尺寸符号序号名称示意图符号标注示例说明1 焊脚尺寸K角焊缝焊脚尺寸为K2焊缝宽度焊缝厚度cSⅠ形焊缝焊缝宽为c焊缝厚为S3 熔核直径 d 塞焊缝熔核直径d点焊缝焊点直径d4 焊缝间距 e角焊缝焊脚尺寸为K焊缝长度为l焊缝间距为e焊缝段点数n5 焊缝长度l6 焊缝段点数n7 相同焊缝处数 d 角焊缝焊脚尺寸为K 相同焊缝处数为N确定焊缝位置的尺寸不在焊缝符号中给出,而是将其标注在图样上;4.4.3塞焊缝、槽焊缝带有斜边时,应该标注孔底部的尺寸;5 焊接符号在图样上的表示及其标注完整的焊接标注除了上述基本符号、辅助符号、补充符号、尺寸符号及数据以外,还包括指引线及必要的说明;指引线指引线一般由带有箭头的指引线箭头线和两条基准线一条为细实线,另一条为虚线组成,两条基准线间隔为2bb为视图轮廓线宽度,见图1;基准线一般应与图样的底边相平行,但在特殊条件下亦可与底边相垂直;细实线基准线虚线基准线可省略箭头线细实线图1 指引线箭头线和焊缝的关系a 焊缝在箭头侧:如图2a所示,即箭头线指在焊缝上;b 焊缝在非箭头侧:如图2b所示,即箭头线指在焊缝的背面;图2 带单角焊缝的T型接头5.1.2箭头线的位置a 箭头线相对焊缝的位置一般无特殊要求,但是在标注形焊缝时,箭头线应指向带有坡口一侧的工件,见图3;b 必要时,允许箭头线弯折一次,见图4;a b图3 箭头线的位置图4 弯折的箭头焊缝在图样上的表示除点焊缝、缝焊缝、塞焊缝和槽焊缝以外的各种焊缝,在图样上表示时,应符合下述规定:a 可见焊缝纵向可用2b~等粗的实线表示可使用区别于黑色的颜色见图5a;b 不可见焊缝纵向可用2b~等粗的粗虚线表示,见图5b;c 焊缝的横截面应按焊缝实际截面形状绘制并涂黑,见图5c;必要时,可用细实线画出焊接前的坡口形状等,见图5d;a b c d图5 焊缝图示法点焊缝、缝焊缝、塞焊缝和槽焊缝,在其径向位置应用粗实线的“+”表示,在其长度方向位置应用细点划线表示,见附录B提示的附录表B1序号15示例;如果焊缝在一个视图上已表达清楚,允许在其它视图上省略;基本符号在基准线上的表示常用基本符号的画法及比例,见表5;表5 常用基本符号的画法及比例名称符号名称 符号角焊缝 缝焊缝点焊缝 塞焊缝Ⅰ形焊缝 封底焊缝单边V 形焊缝 V 形焊缝45°喇叭形焊缝钝边V 形焊缝 单边喇叭形焊缝注:1 表中尺寸b 为视图轮廓线的宽度,一般为,下同;2 辅助符号和补充符号的大小尺寸,可参照本表和GB/T 12212执行;3 各种焊缝符号的画法及比例一般不随技术图样的绘图比例变化而变化;基本符号在基准线上的表示a 如果焊缝在箭头侧,则将基本符号标在基准线的细实线侧,见图6a ;b ) 如果焊缝在接头的非箭头侧即不可见焊缝,则将基本符号标在基准线的虚线侧,见图6b ;c ) 标对称焊缝及双面焊缝时,可省略虚线基准线,见图6c;焊缝标注原则当在图样上已采用图示法绘出焊缝时,应同时标注焊缝符号,见图6;各种符号相对于基准线的位置见图7;图7 符号相对于基准线的位置尾部符号标于箭头线的尾部,并且以90°开口对称于基准线;基准线上所标注各种焊缝符号的位置和方向不随箭头线方向的变化而变化;尾部符号处标注的内容也不随尾部方向的变化而改变上下左右的书写顺序;当基本符号辅助符号、补充符号标注在基准线下方时,其方向应与标注在基准线上方时相对称;5.4.6双面符号只能标注基础件一侧的焊接,在基础件两侧的焊接不能用双面符号,见图8;基础件正确图8 双面符号的标注焊接标注的焊缝符号按的规定,其数字和字符与图样中的相应数字和字符的型式、字体宽度和字体高度相一致;在CAD绘图中,属软件锁定的焊接符号与字符大小允许存在;当需要标注的尺寸数据较多又不易分辨时,应在数据前面增加相应的尺寸符号;焊缝符号的标注尽可能简化;在基本符号的右侧无任何标注且又无其他说明时,意味着焊缝在工件的整个长度上是连续的;在基本符号的左侧无任何标注且又无其他说明时,表示对接焊缝要完全焊透;当对焊缝段点数无严格要求时,允许省略;在不致引起误解的情况下可省略虚线基准线及“N”的括号;在焊缝符号中标注交错对称焊缝的尺寸时,允许在基准线上只标注一次,见附录B表B1序号6示例;当同一图样中全部焊缝相同且已用图示法明确表示其位置时,可统一在技术要求中用符号表示或用文字说明,如“全部焊缝为5 ”;当部分焊缝相同时,也可采用同样的方法表示,但剩余焊缝应在图样中明确标注;焊缝段点的特殊分布要求如:左右对称,焊点均布,可在尾部符号处用文字简明注出;必要时,可给出焊条或焊丝的牌号并标注在基准线的上方或下方、与基本符号相反的一侧,见附录B表B1序号23示例;在同一图样中,当若干条焊缝的坡口尺寸和焊缝符号均相同时,可采用在焊缝符号的尾部加注相同焊缝数量的方法简化标注,其他形式的焊缝,仍需分别标注,见附录B表B1序号24示例;附录A规范性附录常用焊接方法代号焊接方法代号按GB/T 5185,常用焊接方法及其代号见表A1;表A1 常用焊接方法及其代号附录B资料性附录标注示例常用焊接标注示例见表B1;表B1 焊接标注示例序号焊接标注示例说明111为无气体保护的电弧焊;焊缝截面形状为Ⅰ形;焊缝填满,整个工件长度连续施焊,外表面凸起,内表面为圆面;2111为手工电弧焊、角焊缝;沿工件圆周施焊,焊脚尺寸为2;注:虚线基准线可以省略;3角焊缝,三面有焊缝,共12处;111为手工电弧焊,整个工件接触长度连续施焊;注:焊脚尺寸未做要求;4上:角焊缝,焊脚尺寸为2,共2处,沿工件接触长度共5段连续施焊;下:角焊缝,焊脚尺寸为2,共2处,沿工件长度共1段连续施焊;表B1续焊接标注示例序号焊接标注示例说明5上:焊缝截面形状为单边喇叭形,焊脚尺寸为8,整个工件长度连续施焊;下:角焊缝,焊脚尺寸为3,三面有焊缝,整个工件长度连续施焊;6 5 35×50 30 双面角焊缝,对称交错,焊脚尺寸为5,焊缝段数为35,焊缝长度为50,焊缝间隔为30;7135为CO2气体保护焊MAG焊;焊缝截面形状为单边喇叭形,焊缝对称,焊脚尺寸为10,整个工件长度连续施焊,外表面为平面;8135为CO2气体保护焊MAG焊;焊缝截面形状为V形,焊缝厚度为3,外表面为凸形,沿工件圆周施焊;9111为手工电弧焊,焊缝截面形状为V形,整个工件长度连续施焊;注:焊缝在非箭头侧表B1续焊接标注示例10焊缝截面形状为圆柱形塞焊,塞焊直径为5,沿Фd圆周均布4个;1121为电阻点焊,焊点中心在两工件的接触面上,焊点直径为6,每排12个焊点,共4排左右各两排,左右对称沿汽车前进方向,焊点均布;12点焊缝,焊点中心偏离两工件接触面位置基本符号位置与偏离方向一致;点焊直径为5,共8点,点距、行距均为35;注:点焊缝符号已明确焊接方法,可不标注焊接方法代号;1321为电阻点焊在不至于引起误解时,可省略尾部标注;焊点中心在两工件的接触面上;焊点直径为5,共4点,沿Фd圆周均布;表B1续焊接标注示例14点焊缝,焊点直径为8,共5点,点距40、行距20;注:点距、行距尺寸,在图中若标注明确就不必在焊接标注中给出;15电阻点焊,焊点直径6,每处2个焊点,共3处;16缝焊缝,221为搭接缝焊即滚焊,焊缝中心在搭接接触面上,焊缝宽为6,在整个工件长度上连续施焊;17缝焊缝,焊缝中心向搭接面外偏离,焊缝宽为6,在整个工件长度上连续施焊;注:虚线基准线可以省略;1823为凸焊,焊缝横截面形状为Ⅰ形,对称焊缝,沿圆周施焊、焊透,共2处;表B1完焊接标注示例序号焊接标注示例说明1924为闪光对焊 ,焊缝截面形状为Ⅰ形,对称焊缝,外表面为圆柱面,共2处;2042为摩擦缝,焊缝截面形状为Ⅰ形,对称焊缝,外表面为圆柱面;21781为螺柱电弧焊,焊缝截面形状为直角三角形,焊脚尺寸为4,表面为凹形,沿工件圆周施焊;22782为螺柱电阻焊,焊缝截面形状为Ⅰ形;23角焊缝,焊脚尺寸为2,沿工件圆周施焊;钎焊方法由工艺决定;注:基准线下方标注是焊料牌号;24左:角焊缝,焊脚尺寸为5,焊缝长250,共4处;注:虚线基准线可以省略;右:单边V形焊缝,两面对称,焊缝厚度为5,焊缝长250;。