力士乐A10VSO-DFLR变量泵的控制原理档
- 格式:doc
- 大小:490.50 KB
- 文档页数:4
力士乐A10VSO系列柱塞泵安装说明书安全说明在调试和运行过程中,力士乐A10VSO系列轴向柱塞单元必须始终充满液压油并排放空气。
在停用时间相对较长时,也应遵守上述注意事项,因为力士乐A10VSO系列轴向柱塞单元通过液压管路排空。
尤其对于“传动轴朝上”或“传动轴朝下”的安装位置,必须注意完全地充满和放气,否则会造成风险 (例如空运转)。
马达外壳内的壳体泄油必须通过最高壳体泄油口 (L1、L2、L3)排放到油箱。
对于多个设备的组合,应确保不超过每个设备的相应壳体压力。
当力士乐A10VSO系列轴向柱塞单元设备的壳体泄油口存在压差时,必须更换共用的壳体泄油管路,以使在任何情况下,都不超过所有连接设备的最小允许壳体压力。
如果无法做到这点,必要时应铺设单独的壳体泄油管路。
为了获得有利的噪音值,应使用弹性元件分离所有连接管路,并避免在油箱上方安装。
在所有工况下,吸油管路和壳体泄油管路必须通入油箱中最低油位以下的位置。
允许吸油高度 hS 取决于总压力损失,但不会高于其最大值 (hS max = 800 mm)。
在运转期间,油口 S的最小吸油压力还不得降至 0.8 bar 绝对压力以下。
安装位置请参见以下示例 1 至 12。
其他安装位置可应要求提供。
建议的安装位置:1 和 3。
力士乐A10VSO系列轴向柱塞单元在油箱下方安装 (标准)在油箱下方安装意味着力士乐A10VSO系列轴向柱塞单元安装在油箱外部,低于最低油位。
具体安装图请见下面的描述:力士乐A10VSO系列轴向柱塞单元在油箱上方安装在油箱上方安装意味着力士乐A10VSO系列轴向柱塞单元安装在油箱的最低油位上方。
为了防止力士乐A10VSO系列轴向柱塞单元排空,在安装位置6 的油口 L1,至少需要 25 mm 的高度差 hES min。
遵守最大允许吸油高度 hS max = 800 mm 的要求。
壳体泄油管路中的单向阀仅允许在个别情况下使用。
有关认证的信息请向我们咨询。
Rexroth闭式变量柱塞泵变量原理Rexroth闭式变量柱塞泵是一种高性能液压泵,它采用了先进的闭式循环变量控制技术,以实现高效能、低噪音和高可靠性的液压系统。
作为一种关键的液压元件,闭式变量柱塞泵在工业和机械领域广泛应用,尤其在提供高压和高流量液压能量方面具有独特的优势。
1. 原理概述Rexroth闭式变量柱塞泵的核心原理是通过控制柱塞的往复运动,来调节输出流量和压力。
在运行时,液压油经过进口阀进入泵腔,在柱塞的往复运动下,液压油随着柱塞的运动而被压缩和释放,最终形成高压和高流量的液压输出。
而通过控制柱塞的往复运动频率和幅度,可以实现液压泵的流量和压力的精确控制。
2. 变量控制闭式变量柱塞泵的变量控制是指在工作过程中,通过改变柱塞的运动规律和工作面积来调节输出流量和压力。
这种变量控制可以通过调节柱塞的倾斜角度、改变柱塞的数量和尺寸等方式来实现。
通过精确控制柱塞的运动规律和工作面积,闭式变量柱塞泵可以实现在不同工况下的高效能输出,以满足复杂液压系统的需求。
3. 高效能与低噪音闭式变量柱塞泵采用了先进的设计和制造工艺,使得其具有高效能和低噪音的特点。
在泵的设计中,采用了先进的流体动力学理论和材料技术,以减小泵的内部摩擦和泄漏,从而提高泵的效率和稳定性。
通过优化泵的结构和减振设计,闭式变量柱塞泵可以实现低噪音和平稳运行,为液压系统的工作环境提供了良好的保障。
4. 应用领域Rexroth闭式变量柱塞泵在众多领域有着广泛的应用,包括工程机械、冶金设备、塑料机械、汽车工业等。
在这些领域中,闭式变量柱塞泵可以为液压系统提供高压高流量的液压能量,以驱动液压缸、液压马达等液压执行元件的工作。
闭式变量柱塞泵也可以和其他液压元件、控制系统相配合,构成复杂的液压系统,以实现各种工程任务的精准控制。
5. 个人观点作为一种先进的液压泵,Rexroth闭式变量柱塞泵在液压领域具有重要意义。
它不仅具有高效能、低噪音的优势,而且可以通过精确的变量控制,满足不同工况下的液压要求。
力士乐液压泵的变量控制(培训教材)液压泵的变量控制液压泵的变量控制液压泵的变量控制Technical Training Oct. 15 ____液压泵的变量控制泵控液压系统与阀控液压系统能耗比较P P P液压泵的变量控制Q 泵控系统执行机构AQ Q 节流阀控系统负荷传感阀控系统执行机构B 浪费掉的能量Technical Training Oct. 15 ____液压泵的变量控制ma_. powerPower: P= Q _ p液压泵的变量控制工作压力[ P= (qv _ p) / (600 _ ηt) ]→ 二次曲线VgTechnical Training Oct. 15 ____液压泵的变量控制液压系统对泵变量控制的要求液压泵的变量控制 1. 压力、流量和功率均可控制压力、液压系统, 液压系统特别是容积调速的泵控系统对泵的变量控制要求越来越高, 主要的有如下几点: 控制要求越来越高主要的有如下几点2. 流量控制范围大,可正向控制,也可负向控制流量控制范围大,可正向控制, 3. 较短的换向时间,较高的固有频率,适应闭环控制需要较短的换向时间,较高的固有频率, 4. 阀控系统中,节能高效阀控系统中, 5. 较高的功率利用率 - 接近理论二次曲线的恒功率控制 6. 电子控制,以实现与上位机或其他电子控制器的通讯电子控制,Technical Training Oct. 15 ____液压泵的变量控制液压油泵变量方式汇总_ 压力控制变量 _ 压差控制变量液压泵的变量控制 _ 带有反馈的排量控制变量 _ 速度感应变量 _ 电子控制变量 _ 压力指令变量 _逆向控制变量Technical Training Oct. 15 ____轴向柱塞泵的变量控制 Pump Control 液压泵的变量控制P control 压力信号控制 P control 负荷传感控制 Q control 机械反馈变量 DA-SSC control 速度感应变量 Electronic control 电子泵 Pres. Comm. 压力指令变量 Mooring Cont. 逆向控制液压泵的变量控制恒压控制 DR DP 负荷传感控制 DFR HW 手动变量PstMq α 伺服控制 HS / HS3 EO EP DFE 压力指令控制 DRG __177; q 控制控制A10V-DFE1 A4VSO E1 - S02n速度感应控制 DAHD 液控变量恒功率控制 LRi二次调节 DS1EP 电控变量Technical Training Oct. 15 ____液压泵的变量控制DP 控制液压泵的变量控制Technical Training Oct. 15 ____液压泵的变量控制DP控制的优点1. 所有的泵同步变量所有的泵同步变量; 2. 一个先导控制阀设定所有泵的恒压点; 一个先导控制阀设定所有泵的恒压点液压泵的变量控制3. 所有的泵都是同样的结构、同样的设定、同样的所有的泵都是同样的结构、同样的设定、参数; 参数 4. 均匀的载荷分布可提高泵的使用寿命均匀的载荷分布, 可提高泵的使用寿命; 5. 使用切断阀可以从主系统中任意切断或接通任何使用切断阀, 一个油泵; 一个油泵油泵主油路上的单向阀可以将该泵从系统中隔离开。
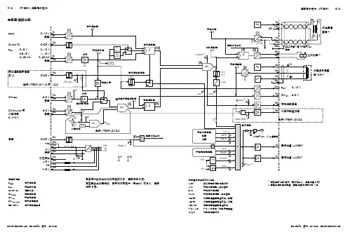
4/10VT 5041 | 控制电子元件
Bosch Rexroth AG ,RC 30242,版本:2013-06有关电子板卡上跳线和开关的功能,请参阅第 8 页。
有关面板上测量插口,显示和调节元件(电位计)的含义,请参阅第 9 页。
信号的缩写p SOLL 压力控制值p IST 实际压力值Switch T D 油量选择SW SOLL 转角控制值SW IST 实际转角值SW IST-Master 主实际转角值FE1 contr.
压力控制器禁用
控制电子元件 | VT 5041 5/10
RC 30242,版本:2013-06,Bosch Rexroth AG
2)
印刷电路板上的诊断 LED v-soll 依然存在的控制偏差过大v-ist 实际阀值误差 - 超出范围p-ist 实际压力值误差
sw-ist 实际转角值误差 - 超出范围KB-TP 阀位置传感器电缆断连 - 主要KB-TS 阀位置传感器电缆断连 - 次要KB-IW9转角位置传感器电缆断连 +15 V US +15 V 欠电压(内部供给单元)unsym
内部电源非对称
1)面板上的 LED 显示(要了解含义,请参阅第 9 页)2)有关连接的详细信息,请参阅操作说明 30011-B。
作者简介:苏剑坡(1984—),男,机械助理工程师,从事机械加工技术。
王旭(1967—),男,机械高级技师,从事机械加工技术。
0概述A10VSO-DFR/DFR1系列斜盘轴向柱塞泵是德国力士乐公司研制的新型柱塞泵,由于其结构紧凑、节能、工作稳定、寿命高等特点在工业生产中得到广泛的应用,特别是现在越来越多的公司都使用进口设备,进口设备中很多液压站都使用该液压泵,我公司主要使用SMS-Meer 西马克-梅尔设备,其中多台液压站就是使用这种A10VSO-DFR1液压泵(X 口与油箱无连接),下面就该液压泵原理、调节及负载敏感节能技术进行阐述。
该柱塞泵属于斜盘变量柱塞泵,流量正比于驱动转速和排量,并通过调节斜盘倾角实现无级变量。
除了压力控制功能外,借组于负载(如小孔)压差,可以改变泵的流量。
泵仅提供执行机构的实际流量。
图1A10VSO-DFR1原理图1工作原理负载敏感DFR 的原理,DFR 分两个部分,一个是压力控制DR,一个是流量控制FR。
DR 恒压控制,即通过阀控变量油缸来保证出口压力基本不变,就是压力控制阀(原理图下面的三通阀)控制变量油缸,出口压力在稳态时与压力控制阀右端的可调弹簧力相平衡,变量泵的变量压力PP 通过调节压力阀的弹簧设定,当系统压力没有达到调定的恒压压力时,泵排出最大流量,相当于一个定量泵。
当系统压力达到所调的恒压压力时,泵进入恒压工况,负载的速度进入可调阶段。
速度进入可调阶段,流量即发生变化,该变化是系统要求泵输出的流量要有所变化的。
例如开始阶段油缸是快速动作,泵提供最大流量例如150L/min,下一个阶段系统只要求50L/min 的流量就够了,这个时候,泵输出流量相当于负载的速度要求要大,如果泵不改变输出的150L/min 流量,就会出现供(150)过于求(50),根据压力流量基本公式,系统压力就会升高,在节流阀上的压力损失将增加,压力阀的弹簧被压缩,阀芯右移,泵主动变量缸推动斜盘使角度减小,输出流量相对减小,直到泵打出去的流量正好是50L/min,系统压力恢复到设定值,下面这个恒压控制阀就回到中位初始位置,泵稳定在输出50L/min 的斜盘位置上。
A10VSO—DFR1系列轴向柱塞泵原理及调节【摘要】德国力士乐公司的A10VSO-DFR1系列液压泵应用广泛,很多进口设备液压站都使用该液压泵。
本文介绍了该系列液压泵的工作原理和现场调节。
【关键词】斜盘轴向柱塞泵;负载敏感;恒压控制阀;恒流控制阀0 概述A10VSO-DFR/DFR1系列斜盘轴向柱塞泵是德国力士乐公司研制的新型柱塞泵,由于其结构紧凑、节能、工作稳定、寿命高等特点在工业生产中得到广泛的应用,特别是现在越来越多的公司都使用进口设备,进口设备中很多液压站都使用该液压泵,我公司主要使用SMS-Meer西马克-梅尔设备,其中多台液压站就是使用这种A10VSO-DFR1液压泵(X口与油箱无连接),下面就该液压泵原理、调节及负载敏感节能技术进行阐述。
该柱塞泵属于斜盘变量柱塞泵,流量正比于驱动转速和排量,并通过调节斜盘倾角实现无级变量。
除了压力控制功能外,借组于负载(如小孔)压差,可以改变泵的流量。
泵仅提供执行机构的实际流量。
图1 A10VSO-DFR1原理图1 工作原理负载敏感DFR的原理,DFR分两个部分,一个是压力控制DR,一个是流量控制FR。
DR恒压控制,即通过阀控变量油缸来保证出口压力基本不变,就是压力控制阀(原理图下面的三通阀)控制变量油缸,出口压力在稳态时与压力控制阀右端的可调弹簧力相平衡,变量泵的变量压力PP通过调节压力阀的弹簧设定,当系统压力没有达到调定的恒压压力时,泵排出最大流量,相当于一个定量泵。
当系统压力达到所调的恒压压力时,泵进入恒压工况,负载的速度进入可调阶段。
速度进入可调阶段,流量即发生变化,该变化是系统要求泵输出的流量要有所变化的。
例如开始阶段油缸是快速动作,泵提供最大流量例如150L/min,下一个阶段系统只要求50L/min的流量就够了,这个时候,泵输出流量相当于负载的速度要求要大,如果泵不改变输出的150L/min流量,就会出现供(150)过于求(50),根据压力流量基本公式,系统压力就会升高,在节流阀上的压力损失将增加,压力阀的弹簧被压缩,阀芯右移,泵主动变量缸推动斜盘使角度减小,输出流量相对减小,直到泵打出去的流量正好是50L/min,系统压力恢复到设定值,下面这个恒压控制阀就回到中位初始位置,泵稳定在输出50L/min的斜盘位置上。
A10VSO DFR原理
A10VSODFR1用途广泛,并可让我们理解负荷传感之应用,值得和大家分享,但手上只有英文说明,无论如何,总比没有好。
1. 起始状态:节流阀关闭,负荷为O,油泵以底压变为O排量。
底压不能变为O,否则压力不足以油泵变量。
2. 节流阀开口度增大:节流阀开口度增大瞬问,压差下降,泵上之流量控制阀打开通住加大流量之控制活塞,流量加大;流量加大,压差加大,泵上之流量控制阀重新找到平衡点,流量不再加大。
3. 节流阀开口度减少:类似第2点;
4. 先导压力控制:
5. 最高限压:。
A10VSO液压泵功能简介一、结构及工作原理A10VSO液压泵是REXROTH公司生产的一种中负荷斜盘式变量泵,由于其优异的性价比,在冶金、机床、化工、工程等各领域得到了广泛的应用。
如图1为其结构图。
图1 结构图1 驱动轴2 止推盘3 控制活塞4 控制阀5 压力侧6 配油盘7 吸油侧8 缸体9 柱塞10 柱塞滑靴11 摇杆12 预压腔13 回程活塞电机把一个输入扭矩传递给泵驱动轴1,缸体8和柱塞9随驱动轴一起旋转,在每个旋转周期内,柱塞9产生一个线性的位移,这个位移的大小由摇杆11的角度决定。
通过止推板2,柱塞滑靴10紧紧地贴在摇杆11上,在每个旋转周期内,每个柱塞9都转过由其初始位置决定的下死点和上死点,通过配油盘6上的两个窗口吸入与排出的流体容积与柱塞面积和位移相匹配。
在吸油区,流体进入柱塞腔容积增大部分,与此同时,各个柱塞把流体压出柱塞腔容积减小部分。
在柱塞到达压力区之前,通过优化的预压缩容腔12,柱塞腔内流体压力已经得到提升。
这就极大地减少了压力冲击。
摇杆11上斜盘的角度在最小与最大范围内无级调整,通过改变斜盘角度,柱塞位移即排量得到改变,通过控制活塞3就能改变斜盘角度。
在静压支撑作用下,摇杆可以平稳运动,并且克服回程活塞13的作用力而保持平衡。
增加斜盘角度即增大排量,减小角度即减小排量。
斜盘角度永远不可能到达完全的零位,因为一个最小的流量是必须的:冷却柱塞补偿内泄漏润滑所有运动部件二、变量形式与其它液压泵一样,该泵也可以组成多种变量形式,主要有压力控制、流量控制、功率控制、电子控制等,还可以把几种控制形式组合成复合控制。
1、两位控制简称DG(Two Position Control),顾名思义,只有两个位置的控制,要么泵最小摆角(零摆角),要么泵最大摆角,是一种特殊的控制方式。
结构和原理分别如图2和图3所示。
图2 DG 结构图 图3 DG 原理图通过将外部控制压力连接到油口X ,此压力直接作用在变量活塞上,根据该压力的大小,可以将变量泵的摆角设置为最大或最小。
力士乐柱塞泵的使用与维修工作单位:潍柴铸锻公司老厂区三车间姓名:王建光指导老师:日期:2012年9月13日力士乐柱塞泵的使用与维修摘要:本文主要介绍了力士乐A10VSO型号的柱塞泵在意大利FA造型线液压系统中的使用,以及在日常维护中出现的相关问题,并对问题进行解决。
关键词:柱塞泵压力控制流量控制开式回路FA气冲造型线是由意大利FA公司制造,具有国际先进水平的铸造生产线,该线自动化水平高,运行平稳,其液压系统主要采用德国BOSCH-REXROTH公司的产品,系统工作压力为12MPA,主机辅助压实压力为17MPA,由于生产线不少动作是由变频减速机通过齿轮齿条传动来取代液压缸和液压马达,液压控制部分较少,故全线采用4台力士乐AV10系列高压柱塞泵集中供油,以保证生产线的工作压力。
力士乐A10VSO柱塞泵外形图1-0压力与流量调节阀出油口泄露油口图1-0力士乐轴向柱塞泵内部结构复杂,因其活塞或柱塞的往复运动方向与缸体中心轴平行,所以称为轴向柱塞泵。
轴向柱塞泵是利用与传动轴平行的柱塞在柱塞孔内往复运动所产生的容积变化来进行工作的。
由于柱塞和柱塞孔都是圆形零件,加工时可以达到很高的精度配合,因此容积效率高,运转平稳,流量均匀性好,噪声低,工作压力高等优点,但对液压油的污染较敏感,结构较复杂,造价较高。
力士乐A10VSO柱塞泵如图1-1所示:图1-1此型号柱塞泵主要由主轴,壳体,配流盘,转子,斜盘,柱塞以及变量机构组成,该泵的主要特点是:用于开式液压回路,流量正比与驱动转速和排量,并能通过调节斜盘倾角实现无级变量,具有优良的吸油特性,低噪音,高寿命。
在日常的设备维修过程中,通过拆卸分解轴向柱塞泵,可检查泵的下列方面:●配流盘是否磨损、拉槽。
柱塞与缸孔之间的间隙是否过大。
这些磨损与压力、流量下降,泄漏油管内泄漏增大等症状有关。
●中心弹簧是否疲软或折断,它与压力、流量下降有关。
●柱塞阻尼孔是否阻塞,它与滑靴干摩擦时泵在运行中发出尖叫声有关。
力士乐液压泵工作原理
力士乐液压泵工作原理是基于泵的工作原理和液压传动原理相结合的。
液压泵主要由齿轮泵、叶片泵和柱塞泵组成,其中柱塞泵是最常见的一种类型。
液压泵的工作原理如下:
1. 吸入阶段:当液压泵的驱动机构开始工作时,泵的入口处由于负压的作用,液体从油箱被吸入泵的液压腔。
2. 压缩阶段:当液体被吸入液压腔后,由于泵的驱动机构的推力作用,液体被压缩,使得液体的压力升高。
3. 排出阶段:当液压泵的推力消失时,液体会通过出口处排出,进而传递到液压系统中。
液压泵通过不断地循环吸入、压缩和排出液体,实现了对液压系统提供稳定的高压液体动能。
这样,在液压系统中,液压泵提供了动力源,将液体压缩并提供给各个执行器,从而实现对液压系统各个部件的驱动和控制。
总的来说,力士乐液压泵的工作原理基于液压泵实现液体动能的压缩和传递,在液压系统中起到提供动力源和驱动部件的作用。
变量柱塞泵的流量和压力控制方式(DFR1)的原理详解:
1、图中DR模块的压力阀符号类似于溢流阀的工作原理,区别在于当系统压力达到压力阀设置压力(如执行件运动到位)的时候,压力阀打开,溢流阀将压力油溢流回油箱,而此处压力阀将压力油流入斜盘调节油缸中并驱动斜盘动作,直至变量泵的输出流量为最小流量(油压达到DR控制设定的压力)或者执行器动作所需的指定流量(油压接近DR控制设定的压力,略小)。
其中,调节的流量保持压力阀开启和斜盘位置不变,而最小流量通过变量泵内部系统或者系统溢流阀流回油箱。
DR控制:溢流阀:
DR控制下的压力和流量曲线图如图所示:
2、图中DF模块和可变节流孔(如方向阀)通过管路连接组成的液压回路,其工作原理类似于溢流节流阀的工作方式,区别在于当压力阀对节流阀进行压力补充(达到稳定流量作用)后,溢流节流阀将压力油溢流回油箱,而组合回路将压力油流入斜盘调节油缸中并驱动斜盘动作,直至变量泵的输出流量为通过可变节流孔(如方向阀)的流量。
其中,调节的流量保持压力阀开启和斜盘位置不变,而输出流量通过可变节流孔(如方向阀)作用于系统中。
DF流量控制:溢流调速阀:
DR控制下的压力和流量曲线图如图所示:。
力士乐A10VSO-DFLR(恒压/流量/功率控制)变量泵的控制原理
我的问题已经提出好几天了.无人回帖.可能是我对问题的叙述不很清楚.最近几天我琢磨了一下,对于功率阀的调节原理,我先试着分析如下.是我个人的理解,请诸位指正.
功率阀相当于一个压力无级可调的(比例)溢流阀,它可无级地改变着进入流量调节器弹簧腔的压力P H.压力的无级可调是通过泵斜盘改变功率阀调压弹簧的压缩量X来实现的(泵斜盘带动拨杆改变功率阀套的位置,进而改变功率阀调压弹簧的压缩量X), 压缩量X与泵斜盘倾角β成反比.
在泵进入恒功率控制期间,流量调节器控制阀芯的位置也有3个.
压力P H作用在控制阀芯的右端(见图1),以形成一个对抗反力,与作用在控制阀芯左端的泵出口压力P P相平衡,使控制阀芯保持在中位(平衡位置),在此状态下,泵的斜盘倾角不变.
功率阀所决定的压力P H与泵压力P P应该是同比例变化(升降)的.并且P H的变化要比P P 的变化滞后一点时间.
当泵压升高时,P P先将控制阀芯向右推离中位(平衡被破坏),并进入泵变量缸的无杆腔使泵的斜盘倾角β变小(流量减小), 随着倾角β的变小,功率阀调压弹簧的压缩量X则变大,阀的开启压力P H随之升高,升高了的P H又将控制阀芯推回中位恢复平衡状态.如此循环下去,
控制阀芯连续的经历由平衡→不平衡→新的平衡的过程(用一位网友的话讲,就是控制阀芯在“中位振荡”),便实现了恒功率控制.
当泵压降低时,则会出现相反的过程.
恒功率控制始于起点的调整压力,终于切断点的限位柱(即死档铁).
不知我分析的对不对,请各位点拨.。
请教:力士乐A10VSO-DFLR(恒压/流量/功率控制)变量泵的控制原理管理提醒:本帖被论坛清道夫执行加亮操作(2009-01-08)图片:图片:图片:图片:为向各位了解力士乐A10VSO…DFLR…恒压/流量/功率控制泵的控制原理,上传4张图片.我想了解的问题是:1.功率阀的原理;2. 恒压/流量/功率控制三种控制功能的转换过程.说明:最上面的一张图为总图(网上下载的).图1和图2是按照力士乐另一份彩图资料绘制的. 图1中的A1和图2为清晰起见,图1中的X口我画在了上面(原资料是在侧面的)[ 此贴被论坛清道夫在2008-05-21 13:53重新编辑]顶端Posted: 2008-02-03 12:15 | [楼主] 小中大引用推荐编辑只看复制我的问题已经提出好几天了.无人回帖.可能是我对问题的叙述不很清楚.最近几天我琢磨了一下,对于功率阀的调节原理,我先试着分析如下.是我个人的理解,请诸位指正.功率阀相当于一个压力无级可调的(比例)溢流阀,它可无级地改变着进入流量调节器弹簧腔的压力P 通过泵斜盘改变功率阀调压弹簧的压缩量X来实现的(泵斜盘带动拨杆改变功率阀套的位置,进而改变功率阀压缩量X与泵斜盘倾角β成反比.在泵进入恒功率控制期间,流量调节器控制阀芯的位置也有3个.压力P H作用在控制阀芯的右端(见图1),以形成一个对抗反力,与作用在控制阀芯左端的泵出口压力P P相在中位(平衡位置),在此状态下,泵的斜盘倾角不变.功率阀所决定的压力P H与泵压力P P应该是同比例变化(升降)的.并且P H的变化要比P P的变化滞后一点当泵压升高时,P P先将控制阀芯向右推离中位(平衡被破坏),并进入泵变量缸的无杆腔使泵的斜盘倾角β变角β的变小,功率阀调压弹簧的压缩量X则变大,阀的开启压力P H随之升高,升高了的P H又将控制阀芯推回中循环下去,控制阀芯连续的经历由平衡→不平衡→新的平衡的过程(用一位网友的话讲,就是控制阀芯在“中位控制.当泵压降低时,则会出现相反的过程.恒功率控制始于起点的调整压力,终于切断点的限位柱(即死档铁).不知我分析的对不对,请各位点拨.[ 此贴被闫波在2008-02-11 10:35重新编辑]顶端Posted: 2008-02-09 11:13 | 1 楼小中大引用推荐编辑只看复制图片:图片:图片:上传DFLR恒压/流量/功率变量泵的性能曲线图(图4).图中的a,b,c,d,e,f是我加上去的,其余按原图绘坦言之,我基本看不明白该泵的性能曲线图.哪位能给讲解一下该泵的控制顺序;恒压,恒流和恒功率控制置?还有Wgm老师讲过:“复合控制恒功率优先”,在此,是如何保证优先的.我只知道恒功率泵的性能曲线好象是双曲线,但图上怎么看不出来呢?注:图4/B和图4/C是我个人的理解,后贴上的.[ 此贴被闫波在2008-02-19 09:15重新编辑]顶端Posted: 2008-02-12 12:07 | 2 楼l x y 9 3小中大引用推荐编辑只看复制这就是典型的双弹簧拟合成双曲线,达到工程上的“恒功率”。
力士乐变量泵原理图
力士乐变量泵原理图如下:
- 泵体:泵体由进口端和出口端组成,中间连接一个螺杆。
进
口和出口端分别有一个阀门调节液体的进出。
- 马达:驱动泵体运转的部分,通过电动机或其他驱动装置产
生旋转动力。
- 变量齿轮:位于泵体和马达之间,可以调节输出液体的流量
和压力。
它的转速和扭矩是根据输入马达活塞或齿轮泵的速度和扭矩来调整的。
- 进口阀:控制液体进入泵体的阀门,打开时液体可进入泵体。
- 出口阀:控制液体从泵体流出的阀门,打开时液体可从泵体
流出。
原理说明:
1. 当马达开始旋转时,进口阀打开,液体从进口端进入泵体。
2. 螺杆在转动的同时,液体被挤压到螺杆的螺纹槽中,并随着螺杆的旋转被推至出口端。
3. 变量齿轮的转速和扭矩通过输入马达的活塞或齿轮泵的速度和扭矩来调整。
通过调整变量齿轮的转速和扭矩,可以控制输出液体的流量和压力。
4. 出口阀控制液体从泵体流出,当出口阀关闭时,液体在泵体中形成高压。
5. 泵体和变量齿轮之间的液压平衡通过进口和出口阀的打开和关闭进行调节,以维持流量和压力的稳定。
通过以上原理,力士乐变量泵能够根据需要调整输出液体的流量和压力,适用于各种工况下的液体输送和控制。
力士乐变量泵工作原理
力士乐变量泵是一种采用叶片剖分技术的液压泵,通过改变泵的排量和工作流量来实现流量的调节。
其工作原理如下:
1. 泵的工作原理基于叶片剖分技术,其中一个旋转的中央轴上有多个叶片。
当泵转动时,叶片沿着中央轴向外展开,与固定于泵壳内部的椭圆环形壳体接触。
2. 当泵叶片展开与壳体接触时,它们会沿着椭圆形轨迹移动。
这使得叶片之间的容积不断增加,从而形成了一个负压区域。
3. 负压区域会吸引液体从供液侧进入泵内,液体填充到叶片之间的空隙中,并随着叶片的旋转逐渐推入泵的出口。
4. 当叶片与壳体分离时,形成一个很小的密封间隙,液体被密封在其中,不会倒流。
5. 因为叶片剖分的数量是固定的,所以每个叶片所占的容积是固定的,从而泵的排量也是固定的。
如果需要调节排量,可以通过改变叶片展开的程度来实现。
较大的展开角度会导致更大的排量,而较小的展开角度则会导致较小的排量。
6. 通过控制泵的入口和出口之间的差压,可以改变泵的工作流量。
较大的差压会导致较大的流量,而较小的差压则会导致较小的流量。
综上所述,力士乐变量泵通过改变叶片的展开角度和控制差压
来实现流量的调节。
它具有结构简单、可靠性高、流量范围大等优点,在液压系统中被广泛应用。
力士乐A10VSO-DFLR(恒压/流量/功率控制)变量泵的控制原理
我的问题已经提出好几天了.无人回帖.可能是我对问题的叙述不很清楚.最近几天我琢磨了一下,对于功率阀的调节原理,我先试着分析如下.是我个人的理解,请诸位指正.
功率阀相当于一个压力无级可调的(比例)溢流阀,它可无级地改变着进入流量调节器弹簧腔的压力P H.压力的无级可调是通过泵斜盘改变功率阀调压弹簧的压缩量X来实现的(泵斜盘带动拨杆改变功率阀套的位置,进而改变功率阀调压弹簧的压缩量X), 压缩量X与泵斜盘倾角β成反比.
在泵进入恒功率控制期间,流量调节器控制阀芯的位置也有3个.
压力P H作用在控制阀芯的右端(见图1),以形成一个对抗反力,与作用在控制阀芯左端的泵出口压力P P相平衡,使控制阀芯保持在中位(平衡位置),在此状态下,泵的斜盘倾角不变.
功率阀所决定的压力P H与泵压力P P应该是同比例变化(升降)的.并且P H的变化要比P P 的变化滞后一点时间.
当泵压升高时,P P先将控制阀芯向右推离中位(平衡被破坏),并进入泵变量缸的无杆腔使泵的斜盘倾角β变小(流量减小), 随着倾角β的变小,功率阀调压弹簧的压缩量X则变大,阀的开启压力P H随之升高,升高了的P H又将控制阀芯推回中位恢复平衡状态.如此循环下去,
控制阀芯连续的经历由平衡→不平衡→新的平衡的过程(用一位网友的话讲,就是控制阀芯在“中位振荡”),便实现了恒功率控制.
当泵压降低时,则会出现相反的过程.
恒功率控制始于起点的调整压力,终于切断点的限位柱(即死档铁).
不知我分析的对不对,请各位点拨.。