暖通空调图例与符号
- 格式:doc
- 大小:5.44 MB
- 文档页数:19
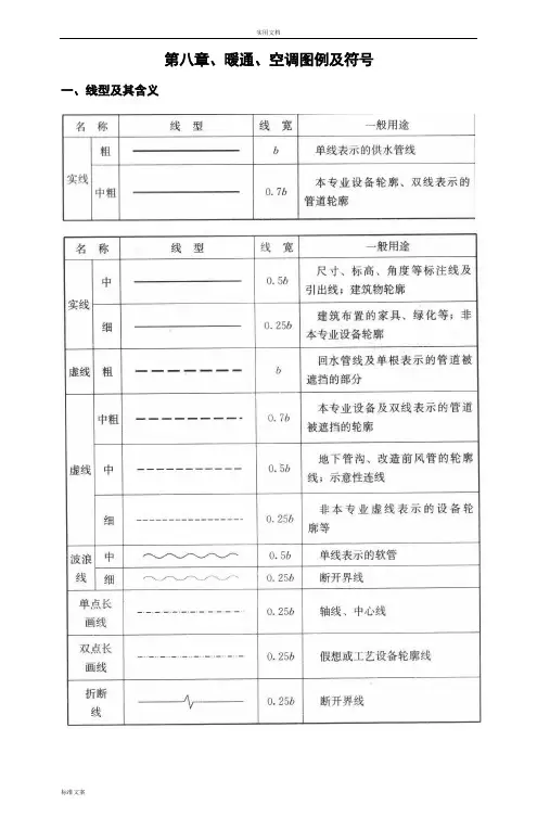
第八章、暖通、空调图例及符号一、线型及其含义精选文档二、比例精选文档三、水、汽管道代号精选文档精选文档四、水、汽管道阀门和附件图例序号名称图例备注1 截止阀2 闸阀3 球阀4 柱塞阀5 快开阀6 蝶阀7 旋塞阀8 止回阀9 浮球阀10 三通阀11 平衡阀12 定流量阀13 定压差阀14 自动排气阀15 集气罐、放气阀16 节流阀17 调节止回断阀水泵出口用18 膨胀阀19 排入大气或室外20 安全阀21 角阀22 底阀23 漏斗24 地漏25 明沟排水26 向上弯头27 向下弯头28 法兰封头或管封29 上出三通精选文档30 下出三通31 变径管32 活接头或法兰连接33 固定支架34 导向支架35 活动支架36 金属软管37 可屈挠橡胶软接头38 Y形过滤器39 疏水器40 减压阀左高右低41 直通型(或反冲型)除污器42 除垢仪43 补偿器44 矩形补偿器45 套管补偿器46 波纹管补偿器47 弧形补偿器48 球形补偿器49 伴热器50 保护套管51 爆破膜52 阻火器53 节流孔板、减压孔板54 快速接头55 介质流向在管道断开处时;流向符号宜标注在管道中心线上,其余可精选文档五、风道代号一、风口和附件代号17 J 喷口18 SD 旋流风口19 K 蛋格形风口20 KH 门铰形蛋格式回风口21 L 花板回风口22 CB 自垂百叶23 N 防结露送风口24 T 低温送风口25 W 防雨百叶26 B 带风口风箱27 D 带风阀28 F 带过滤网八、暖通空调设备图例暖通空调设备的图例宜按表3.3.1采用。
1 散热器及手动放气阀左为平面图画法,中为剖面图画法,右为系统图(Y轴侧)画法2 散热器及温控阀3 轴流风机4 轴(混)流失管道风机5 离心式管道风机6 吊顶式排气扇7 水泵8 手摇泵9 变风量末端10 空调机组加热、冷却盘管从左到右分别为加热、冷却及双功能盘管11 空气过滤器从左至右分别为粗效、中效及高效12 挡水板13 加湿器14 电加热器15 板式换热器 16 立式明装风机盘管17 立式暗装风机盘管 18 卧式明装风机盘管 19 卧式暗装风机盘管20 窗式空调器21 分体空调器 22 射流诱导风机23减振器左为平面图画法, 右为剖面图画法九、调控装置及仪表图例序号 名称 图例1 温度传感器2 湿度传感器3 压力传感器4 压差传感器5 流量传感器6 烟感器7 流量开关8 控制器9 吸顶式温度传感器10温度计11 压力表12 流量计13 能量计14 弹簧执行机构15 重力执行机构16 记录仪17 电磁(双位)执行机构18 电动(双位)执行机构19 电动(调节)执行机构20 气动执行机构21 浮力执行机构22 数字输入量DI23 数字输出量DO24 模拟输入量AI25 模拟输出量AO各种执行机构可与风阀、水阀组合表示相应功能的控制阀门。
第八章、暖通、空调图例及符号一、线型及其含义二、比例三、水、汽管道代号四、水、汽管道阀门和附件图例序号 名称 图例备注 1 截止阀2 闸阀3 球阀4 柱塞阀5 快开阀6 蝶阀7 旋塞阀8 止回阀9 浮球阀10 三通阀 11 平衡阀 12 定流量阀 13 定压差阀 14 自动排气阀15集气罐、 放气阀16 节流阀17 调节止回断阀 水泵出口用 18 膨胀阀19 排入大气或室外20 安全阀21 角阀 22 底阀23 漏斗24 地漏 25 明沟排水26 向上弯头 27 向下弯头 28 法兰封头或管封 29上出三通30 下出三通31 变径管32 活接头或法兰连接33 固定支架34 导向支架35 活动支架36 金属软管37 可屈挠橡胶软接头38 Y形过滤器39 疏水器40 减压阀左高右低41 直通型(或反冲型)除污器42 除垢仪43 补偿器44 矩形补偿器45 套管补偿器46 波纹管补偿器47 弧形补偿器48 球形补偿器49 伴热器50 保护套管51 爆破膜52 阻火器53 节流孔板、减压孔板54 快速接头55 介质流向在管道断开处时;流向符号宜标注在管道中心线上,其余可同管径标注位置56 坡度及坡向坡度数值不宜与管道起、止点标高同时标注。
标注位置同管径标注位置五、风道代号序号代号管道名称备注1 SF 送风管——2 HF 回风管一、二次回风可附加1、2区别3 PF 排风管——4 XF 新风管——5 PY 消防排烟风管——6 ZY 加压送风管——7 P(Y)排风排烟兼用风管——8 XB 消防补风风管——9 S(B)送风兼消防补风风管——六、风道、阀门及附件图例序号名称图例备注1 矩形风管宽X高(mm)2 圆形风管直径(mm)3 风管向上4 风管向下5 风管上升摇手弯6 风管下降摇手弯7 天圆地方左接矩形风管,右接圆形风管8 软风管9 圆弧形弯头10 带导流片的巨形弯头11 消声器12 消声弯头13 消声静压箱14 风管软接头15 对开多叶调节风阀16 蝶阀17 插板阀18 止回风阀19 余压阀20 三通调节阀21 防烟、防火阀22 方形风口条缝型风口23 条形风口24 矩形风口25 圆形风口26 侧面风口27 防雨百叶28 检修门29 气流方向30 远程手控盒31 防雨罩七、风口和附件代号序号代号图例备注1 AV 单层格栅风口,叶片垂直——2 AH 单层格栅风口,叶片水平——3 BV 双层格栅风口,前组叶片垂直——4 BH 双层格栅风口,前组叶片水平——5 C﹡矩形散流器,*为出风面数量——6 DF 圆形平面散流器——7 DS 圆形凸面散流器——8 DP 圆盘形散流器——9 DX﹡圆形斜片散流器,﹡为出风面数量——10 DH 圆环形散流器——11 E﹡条缝形风口,﹡为条缝数——12 F﹡细叶形斜出风散流器,﹡为出风面数量——13 FH 门铰形细叶回风口——14 G 扁叶形直出风散流器——15 H 百叶回风口——16 HH 门铰形百叶回风口——17 J 喷口——18 SD 旋流风口——19 K 蛋格形风口——20 KH 门铰形蛋格式回风口——21 L 花板回风口——22 CB 自垂百叶——23 N 防结露送风口冠于所用类型风口代号前24 T 低温送风口冠于所用类型风口代号前25 W 防雨百叶——26 B 带风口风箱——27 D 带风阀——28 F 带过滤网——八、暖通空调设备图例暖通空调设备的图例宜按表3.3.1采用。
第八章、暖通、空调图例及符号一、线型及其含义二、比例三、水、汽管道代号四、水、汽管道阀门和附件图例序号 名称 图例备注 1 闸阀2 截止阀3 球阀4 柱塞阀5 快开阀6 蝶阀7 旋塞阀8 止回阀9 浮球阀10 三通阀 11 平衡阀 12 定流量阀 13 定压差阀 14 自动排气阀15集气罐、 放气阀16 节流阀17 调节止回断阀 水泵出口用 18 膨胀阀19 排入大气或室外20 安全阀21 角阀 22 底阀23 漏斗24 地漏 25 明沟排水26 向上弯头 27 向下弯头 28 法兰封头或管封 29上出三通30 下出三通31 变径管32 活接头或法兰连接33 固定支架34 导向支架35 活动支架36 金属软管37 可屈挠橡胶软接头38 Y形过滤器39 疏水器40 减压阀左高右低41 直通型(或反冲型)除污器42 除垢仪43 补偿器44 矩形补偿器45 套管补偿器46 波纹管补偿器47 弧形补偿器48 球形补偿器49 伴热器50 保护套管51 爆破膜52 阻火器53 节流孔板、减压孔板54 快速接头55 介质流向在管道断开处时;流向符号宜标注在管道中心线上,其余可同管径标注位置56 坡度及坡向坡度数值不宜与管道起、止点标高同时标注。
标注位置同管径标注位置五、风道代号序号代号管道名称备注1 SF 送风管——2 HF 回风管一、二次回风可附加1、2区别3 PF 排风管——4 XF 新风管——5 PY 消防排烟风管——6 ZY 加压送风管——7 P(Y)排风排烟兼用风管——8 XB 消防补风风管——9 S(B)送风兼消防补风风管——六、风道、阀门及附件图例序号名称图例备注1 矩形风管宽X高(mm)2 圆形风管直径(mm)3 风管向上4 风管向下5 风管上升摇手弯6 风管下降摇手弯7 天圆地方左接矩形风管,右接圆形风管8 软风管9 圆弧形弯头10 带导流片的巨形弯头11 消声器12 消声弯头13 消声静压箱14 风管软接头15 对开多叶调节风阀16 蝶阀17 插板阀18 止回风阀19 余压阀20 三通调节阀21 防烟、防火阀22 方形风口条缝型风口23 条形风口24 矩形风口25 圆形风口26 侧面风口27 防雨百叶28 检修门29 气流方向30 远程手控盒31 防雨罩七、风口和附件代号序号代号图例备注1 AV 单层格栅风口,叶片垂直——2 AH 单层格栅风口,叶片水平——3 BV 双层格栅风口,前组叶片垂直——4 BH 双层格栅风口,前组叶片水平——5 C﹡矩形散流器,*为出风面数量——6 DF 圆形平面散流器——7 DS 圆形凸面散流器——8 DP 圆盘形散流器——9 DX﹡圆形斜片散流器,﹡为出风面数量——10 DH 圆环形散流器——11 E﹡条缝形风口,﹡为条缝数——12 F﹡细叶形斜出风散流器,﹡为出风面数量——13 FH 门铰形细叶回风口——14 G 扁叶形直出风散流器——15 H 百叶回风口——16 HH 门铰形百叶回风口——17 J 喷口——18 SD 旋流风口——19 K 蛋格形风口——20 KH 门铰形蛋格式回风口——21 L 花板回风口——22 CB 自垂百叶——23 N 防结露送风口冠于所用类型风口代号前24 T 低温送风口冠于所用类型风口代号前25 W 防雨百叶——26 B 带风口风箱——27 D 带风阀——28 F 带过滤网——八、暖通空调设备图例暖通空调设备的图例宜按表3.3.1采用。
第八章、暖通、空调图例及符号一、线型及其含义二、比例三、水、汽管道代号四、水、汽管道阀门和附件图例序号 名称 图例备注 1 截止阀2 闸阀3 球阀4 柱塞阀5 快开阀6 蝶阀7 旋塞阀8 止回阀9 浮球阀10 三通阀 11 平衡阀 12 定流量阀 13 定压差阀 14 自动排气阀15集气罐、 放气阀16 节流阀17 调节止回断阀 水泵出口用 18 膨胀阀19 排入大气或室外20 安全阀21 角阀 22 底阀23 漏斗24 地漏 25 明沟排水26 向上弯头 27 向下弯头 28 法兰封头或管封 29上出三通30 下出三通31 变径管32 活接头或法兰连接33 固定支架34 导向支架35 活动支架36 金属软管37 可屈挠橡胶软接头38 Y形过滤器39 疏水器40 减压阀左高右低41 直通型(或反冲型)除污器42 除垢仪43 补偿器44 矩形补偿器45 套管补偿器46 波纹管补偿器47 弧形补偿器48 球形补偿器49 伴热器50 保护套管51 爆破膜52 阻火器53 节流孔板、减压孔板54 快速接头55 介质流向在管道断开处时;流向符号宜标注在管道中心线上,其余可五、风道代号一、风口和附件代号17 J 喷口18 SD 旋流风口19 K 蛋格形风口20 KH 门铰形蛋格式回风口21 L 花板回风口22 CB 自垂百叶23 N 防结露送风口24 T 低温送风口25 W 防雨百叶26 B 带风口风箱27 D 带风阀28 F 带过滤网八、暖通空调设备图例暖通空调设备的图例宜按表3.3.1采用。
1 散热器及手动放气阀左为平面图画法,中为剖面图画法,右为系统图(Y轴侧)画法2 散热器及温控阀3 轴流风机4 轴(混)流失管道风机5 离心式管道风机6 吊顶式排气扇7 水泵8 手摇泵9 变风量末端10 空调机组加热、冷却盘管从左到右分别为加热、冷却及双功能盘管11 空气过滤器从左至右分别为粗效、中效及高效12 挡水板13 加湿器14 电加热器15 板式换热器 16 立式明装风机盘管17 立式暗装风机盘管 18 卧式明装风机盘管 19 卧式暗装风机盘管20 窗式空调器21 分体空调器 22 射流诱导风机23减振器左为平面图画法, 右为剖面图画法九、调控装置及仪表图例序号 名称 图例1 温度传感器2 湿度传感器3 压力传感器4 压差传感器5 流量传感器6 烟感器7 流量开关8 控制器9 吸顶式温度传感器10温度计11 压力表12 流量计13 能量计14 弹簧执行机构15 重力执行机构16 记录仪17 电磁(双位)执行机构18 电动(双位)执行机构19 电动(调节)执行机构20 气动执行机构21 浮力执行机构22 数字输入量DI23 数字输出量DO24 模拟输入量AI25 模拟输出量AO各种执行机构可与风阀、水阀组合表示相应功能的控制阀门。
第八章、暖通、空调图例及符号一、线型及其含义二、比例三、水、汽管道代号四、水、汽管道阀门和附件图例序号 名称 图例备注 1 截止阀2 闸阀3 球阀4 柱塞阀5 快开阀6 蝶阀7 旋塞阀8 止回阀9 浮球阀10 三通阀 11 平衡阀 12 定流量阀 13 定压差阀 14 自动排气阀15集气罐、 放气阀16 节流阀17 调节止回断阀 水泵出口用 18 膨胀阀19 排入大气或室外20 安全阀21 角阀 22 底阀23 漏斗24 地漏 25 明沟排水26 向上弯头 27 向下弯头 28 法兰封头或管封 29上出三通30 下出三通31 变径管32 活接头或法兰连接33 固定支架34 导向支架35 活动支架36 金属软管37 可屈挠橡胶软接头38 Y形过滤器39 疏水器40 减压阀左高右低41 直通型(或反冲型)除污器42 除垢仪43 补偿器44 矩形补偿器45 套管补偿器46 波纹管补偿器47 弧形补偿器48 球形补偿器49 伴热器50 保护套管51 爆破膜52 阻火器53 节流孔板、减压孔板54 快速接头55 介质流向在管道断开处时;流向符号宜标注在管道中心线上,其余可五、风道代号一、风口和附件代号17 J 喷口18 SD 旋流风口19 K 蛋格形风口20 KH 门铰形蛋格式回风口21 L 花板回风口22 CB 自垂百叶23 N 防结露送风口24 T 低温送风口25 W 防雨百叶26 B 带风口风箱27 D 带风阀28 F 带过滤网八、暖通空调设备图例暖通空调设备的图例宜按表3。
3。
1采用。
1 散热器及手动放气阀左为平面图画法,中为剖面图画法,右为系统图(Y轴侧)画法2 散热器及温控阀3 轴流风机4 轴(混)流失管道风机5 离心式管道风机6 吊顶式排气扇7 水泵8 手摇泵9 变风量末端10 空调机组加热、冷却盘管从左到右分别为加热、冷却及双功能盘管11 空气过滤器从左至右分别为粗效、中效及高效12 挡水板13 加湿器14 电加热器15 板式换热器 16 立式明装风机盘管17 立式暗装风机盘管 18 卧式明装风机盘管 19 卧式暗装风机盘管20 窗式空调器21 分体空调器 22 射流诱导风机23减振器左为平面图画法, 右为剖面图画法九、调控装置及仪表图例序号 名称 图例1 温度传感器2 湿度传感器3 压力传感器4 压差传感器5 流量传感器6 烟感器7 流量开关8 控制器9 吸顶式温度传感器10温度计11 压力表12 流量计13 能量计14 弹簧执行机构15 重力执行机构16 记录仪17 电磁(双位)执行机构18 电动(双位)执行机构19 电动(调节)执行机构20 气动执行机构21 浮力执行机构22 数字输入量DI23 数字输出量DO24 模拟输入量AI25 模拟输出量AO各种执行机构可与风阀、水阀组合表示相应功能的控制阀门。
第八章、暖通、空调图例及符号一、线型及其含义二、比例三、水、汽管道代号四、水、汽管道阀门和附件图例五、风道代号六、风道、阀门及附件图例七、风口和附件代号八、暖通空调设备图例暖通空调设备的图例宜按表3.3.1采用。
九、调控装置及仪表图例各种执行机构可与风阀、水阀组合表示相应功能的控制阀门。
十、管道和设备布置平面图、剖面图示例管道和设备布置平面图应按假象除去上层板后俯视规则绘制,其相应的垂直剖面图应在平面图中表明剖切符号。
标准层平面图平、剖面示例十一、平面图、剖面图索引符号的画法平面图、剖面图中的局部需另绘详图时,应在平、剖面图上标注索引符号。
索引符号的画法见下图。
索引符号的画法十二、内视符号画法当表示局部位置的相互关系,在平面图上应标注内视符号。
内视符号画法十三、系统编号1、一个工程设计中同时有供暖、通风、空调等两个及以上的不同系统时,应进行系统编号。
2、暖通空调系统编号、入口编号,应由系统代号和顺序号组成。
3、系统代号用大写拉丁字母表示,顺序号用阿拉伯数字表示。
当一个系统出现分支时,可采用下图的画法。
系统代号系统图代号、编号的画法十四、立管号的画法竖向布置的垂直管道系统,应标注立管号,在不一致引起误解时,可只标注序号,但应与建筑轴线编号有明显区别。
立管号的画法十五、管道相对标高的画法1、在无法标注垂直尺寸的图样中,应标注标高。
标高应以m为单位,并应精确到cm 或mm。
2、标高符号应以直角等腰三角形表示。
当面标准层较多时,可只标注与本层楼(地)板面的相对标高。
3、水、汽管道所标高未予说明时,应表示为管中心标高。
4、水、汽管道标注管道外底或顶标高时,应在数字前加“底”或“顶”字样。
5、矩形风管所注标高应表示管底标高;圆形风管所注标高应表示管中心标高。
当不采用此方法标注时,应进行说明。
6、平面图中无坡度要求的管道标高可标注在管道截面尺寸后的括号内。
必要时,应在标高数字前加“底”或“顶”的字样。
相对标高的画法十六、管道截面尺寸的标注符号及画法1、低压流体输送用焊接管道规格应标注公称通径或压力。
第八章、暖通、空调图例及符号之巴公井开创作一、线型及其含义二、比例三、水、汽管道代号四、水、汽管道阀门和附件图例5 快开阀6 蝶阀7 旋塞阀8 止回阀9 浮球阀10 三通阀 11 平衡阀 12 定流量阀 13 定压差阀 14 自动排气阀 15 集气罐、 放气阀16 节流阀17 调节止回断阀 水泵出口用18 膨胀阀 19 排入大气或室外 20 平安阀 21 角阀 22 底阀23 漏斗 24 地漏 25 明沟排水 26 向上弯头 27 向下弯头 28 法兰封头或管封 29 上出三通 30 下出三通 31 变径管 32 活接头或 法兰连接 33 固定支架 34 导向支架 35 活动支架 36 金属软管 37 可屈挠橡 胶软接头 38 Y 形过滤器 39 疏水器40减压阀左高右低41直通型(或反冲型) 除污器42 除垢仪 43 抵偿器 44 矩形抵偿器 45 套管抵偿器 46 波纹管抵偿器 47 弧形抵偿器 48 球形抵偿器 49 伴热器 50 呵护套管 51 爆破膜 52 阻火器 53 节流孔板、减压孔板 54 快速接头55介质流向在管道断开处时; 流向符号宜标注在管 道中心线上,其余可 同管径标注位置 56 坡度及坡向坡度数值不宜与管 道起、止点标高同时标注。
标注位置同管径标注位置五、风道代号序号 代号 管道名称 备注 1 SF 送风管 ——2 HF 回风管 一、二次回风可附加1、2区别3 PF 排风管 ——4 XF 新风管 ——5 PY 消防排烟风管 ——6 ZY 加压送风管 ——7 P (Y ) 排风排烟兼用风管 ——8 XB 消防补风风管 —— 9S (B )送风兼消防补风风管——六、风道、阀门及附件图例序号 名称 图例备注 1 矩形风管宽X 高(mm ) 2 圆形风管 直径(mm )3 风管向上4 风管向下5 风管上升摇手弯 6风管下降摇手弯7天圆地方左接矩形风管,右接圆形风管8软风管9圆弧形弯头10带导流片的巨形弯头11消声器12消声弯头13消声静压箱14风管软接头15对开多叶调节风阀16蝶阀17插板阀18止回风阀19余压阀20三通调节阀21防烟、防火阀22方形风口条缝型风口23条形风口24矩形风口25圆形风口26正面风口27防雨百叶28检修门29气流方向30远程手控盒31防雨罩七、风口和附件代号序号代号图例备注1AV单层格栅风口,叶片垂直——2AH单层格栅风口,叶片水平——3BV双层格栅风口,前组叶片垂直——4BH双层格栅风口,前组叶片水平——5C﹡矩形散流器,*为出风面数量——6DF圆形平面散流器——7DS圆形凸面散流器——8DP圆盘形散流器——9DX﹡圆形斜片散流器,﹡为出风面数量——10DH圆环形散流器——11E﹡条缝形风口,﹡为条缝数——12F﹡细叶形斜出风散流器,﹡为出风面数量——13FH门铰形细叶回风口——14G扁叶形直出风散流器——15H百叶回风口——16HH门铰形百叶回风口——17J喷口——18 SD 旋流风口 —— 19 K 蛋格形风口 —— 20 KH 门铰形蛋格式回风口 —— 21 L 花板回风口 —— 22 CB 自垂百叶 —— 23 N 防结露送风口 冠于所用类型 风口代号前 24 T 低温送风口 冠于所用类型 风口代号前 25 W 防雨百叶 —— 26 B 带风口风箱 —— 27 D 带风阀 —— 28F带过滤网 ——八、暖通空调设备图例暖通空调设备的图例宜按表3.3.1采取。
第八章、暖通、空调图例及符号一、线型及其含义二、比例三、水、汽管道代号四、水、汽管道阀门和附件图例序号 名称 图例备注 1 截止阀 2 闸阀 3 球阀 4 柱塞阀 5 快开阀6 蝶阀7 旋塞阀8 止回阀9 浮球阀10 三通阀 11 平衡阀 12 定流量阀 13 定压差阀14 自动排气阀15集气罐、 放气阀16 节流阀17 调节止回断阀 水泵出口用 18 膨胀阀19 排入大气或室外20 安全阀21 角阀22 底阀23 漏斗 24 地漏25 明沟排水26 向上弯头27 向下弯头28 法兰封头或管封 29上出三通30 下出三通31 变径管32 活接头或法兰连接33 固定支架34 导向支架35 活动支架36 金属软管37 可屈挠橡胶软接头38 Y形过滤器39 疏水器40 减压阀左高右低41 直通型(或反冲型)除污器42 除垢仪43 补偿器44 矩形补偿器45 套管补偿器46 波纹管补偿器47 弧形补偿器48 球形补偿器49 伴热器50 保护套管51 爆破膜52 阻火器53 节流孔板、减压孔板54 快速接头55 介质流向在管道断开处时;流向符号宜标注在管道中心线上,其余可五、风道代号一、风口和附件代号17 J 喷口18 SD 旋流风口19 K 蛋格形风口20 KH 门铰形蛋格式回风口21 L 花板回风口22 CB 自垂百叶23 N 防结露送风口24 T 低温送风口25 W 防雨百叶26 B 带风口风箱27 D 带风阀28 F 带过滤网八、暖通空调设备图例暖通空调设备的图例宜按表3.3.1采用。
1 散热器及手动放气阀左为平面图画法,中为剖面图画法,右为系统图(Y轴侧)画法2 散热器及温控阀3 轴流风机4 轴(混)流失管道风机5 离心式管道风机6 吊顶式排气扇7 水泵8 手摇泵9 变风量末端10 空调机组加热、冷却盘管从左到右分别为加热、冷却及双功能盘管11 空气过滤器从左至右分别为粗效、中效及高效12 挡水板13 加湿器14 电加热器15 板式换热器 16 立式明装风机盘管17 立式暗装风机盘管18 卧式明装风机盘管 19 卧式暗装风机盘管20 窗式空调器21 分体空调器22 射流诱导风机23减振器左为平面图画法, 右为剖面图画法九、调控装置及仪表图例序号 名称 图例1 温度传感器2 湿度传感器3 压力传感器4 压差传感器5 流量传感器6 烟感器7 流量开关8 控制器9 吸顶式温度传感器10温度计11 压力表12 流量计13 能量计14 弹簧执行机构15 重力执行机构16 记录仪17 电磁(双位)执行机构18 电动(双位)执行机构19 电动(调节)执行机构20 气动执行机构21 浮力执行机构22 数字输入量DI23 数字输出量DO24 模拟输入量AI25 模拟输出量AO各种执行机构可与风阀、水阀组合表示相应功能的控制阀门。
第八章、暖通、空调图例及符号一、线型及其含义二、比例三、水、汽管道代号四、水、汽管道阀门与附件图例4 柱塞阀5 快开阀6 蝶阀7 旋塞阀8 止回阀9 浮球阀10 三通阀11 平衡阀 12 定流量阀 13 定压差阀14 自动排气阀15集气罐、 放气阀16 节流阀17 调节止回断阀 水泵出口用 18 膨胀阀19 排入大气或室外20 安全阀21 角阀 22 底阀23 漏斗24 地漏 25 明沟排水26 向上弯头 27 向下弯头 28 法兰封头或管封 29 上出三通 30 下出三通31 变径管 32活接头或 法兰连接33 固定支架34 导向支架35 活动支架36 金属软管37 可屈挠橡胶软接头38 Y形过滤器39 疏水器40 减压阀左高右低41 直通型(或反冲型)除污器42 除垢仪43 补偿器44 矩形补偿器45 套管补偿器46 波纹管补偿器47 弧形补偿器48 球形补偿器49 伴热器50 保护套管51 爆破膜52 阻火器53 节流孔板、减压孔板54 快速接头55 介质流向在管道断开处时;流向符号宜标注在管道中心线上,其余可同管径标注位置56 坡度及坡向坡度数值不宜与管道起、止点标高同时标注。
标注位置同管径标注位置五、风道代号一、风口与附件代号21 L 花板回风口22 CB 自垂百叶23 N 防结露送风口24 T 低温送风口25 W 防雨百叶26 B 带风口风箱27 D 带风阀28 F 带过滤网八、暖通空调设备图例暖通空调设备的图例宜按表3、3、1采用。
1 散热器及手动放气阀左为平面图画法,中为剖面图画法,右为系统图(Y轴侧)画法2 散热器及温控阀3 轴流风机4 轴(混)流失管道风机5 离心式管道风机6 吊顶式排气扇7 水泵8 手摇泵9 变风量末端10 空调机组加热、冷却盘管从左到右分别为加热、冷却及双功能盘管11 空气过滤器从左至右分别为粗效、中效及高效12 挡水板13 加湿器14 电加热器15 板式换热器 16 立式明装风机盘管17 立式暗装风机盘管18 卧式明装风机盘管19 卧式暗装风机盘管20 窗式空调器21 分体空调器22 射流诱导风机23减振器左为平面图画法, 右为剖面图画法 九、调控装置及仪表图例序号 名称 图例1 温度传感器2 湿度传感器3 压力传感器4 压差传感器5 流量传感器6 烟感器7 流量开关8 控制器9 吸顶式温度传感器10 温度计11 压力表12流量计13能量计14弹簧执行机构15 重力执行机构16 记录仪17 电磁(双位)执行机构18 电动(双位)执行机构19 电动(调节)执行机构20 气动执行机构21 浮力执行机构22 数字输入量DI23 数字输出量DO24 模拟输入量AI25 模拟输出量AO各种执行机构可与风阀、水阀组合表示相应功能的控制阀门。
第八章、暖通、空调图例及符号一、线型及其含义二、比例三、水、汽管道代号四、水、汽管道阀门和附件图例五、风道代号六、风道、阀门及附件图例七、风口和附件代号八、暖通空调设备图例暖通空调设备的图例宜按表3.3.1采用。
九、调控装置及仪表图例各种执行机构可与风阀、水阀组合表示相应功能的控制阀门。
十、管道和设备布置平面图、剖面图示例管道和设备布置平面图应按假象除去上层板后俯视规则绘制,其相应的垂直剖面图应在平面图中表明剖切符号。
标准层平面图平、剖面示例十一、平面图、剖面图索引符号的画法平面图、剖面图中的局部需另绘详图时,应在平、剖面图上标注索引符号。
索引符号的画法见下图。
索引符号的画法十二、内视符号画法当表示局部位置的相互关系,在平面图上应标注内视符号。
内视符号画法十三、系统编号1、一个工程设计中同时有供暖、通风、空调等两个及以上的不同系统时,应进行系统编号。
2、暖通空调系统编号、入口编号,应由系统代号和顺序号组成。
3、系统代号用大写拉丁字母表示,顺序号用阿拉伯数字表示。
当一个系统出现分支时,可采用下图的画法。
系统代号系统图代号、编号的画法十四、立管号的画法竖向布置的垂直管道系统,应标注立管号,在不一致引起误解时,可只标注序号,但应与建筑轴线编号有明显区别。
立管号的画法十五、管道相对标高的画法1、在无法标注垂直尺寸的图样中,应标注标高。
标高应以m为单位,并应精确到cm 或mm。
2、标高符号应以直角等腰三角形表示。
当面标准层较多时,可只标注与本层楼(地)板面的相对标高。
3、水、汽管道所标高未予说明时,应表示为管中心标高。
4、水、汽管道标注管道外底或顶标高时,应在数字前加“底”或“顶”字样。
5、矩形风管所注标高应表示管底标高;圆形风管所注标高应表示管中心标高。
当不采用此方法标注时,应进行说明。
6、平面图中无坡度要求的管道标高可标注在管道截面尺寸后的括号内。
必要时,应在标高数字前加“底”或“顶”的字样。
相对标高的画法十六、管道截面尺寸的标注符号及画法1、低压流体输送用焊接管道规格应标注公称通径或压力。
第八章、暖通、空调图例及符号一、线型及其含义二、比例三、水、汽管道代号四、水、汽管道阀门和附件图例五、风道代号六、风道、阀门及附件图例七、风口和附件代号八、暖通空调设备图例暖通空调设备的图例宜按表3.3.1采用。
九、调控装置及仪表图例各种执行机构可与风阀、水阀组合表示相应功能的控制阀门。
十、管道和设备布置平面图、剖面图示例管道和设备布置平面图应按假象除去上层板后俯视规则绘制,其相应的垂直剖面图应在平面图中表明剖切符号。
标准层平面图平、剖面示例十一、平面图、剖面图索引符号的画法平面图、剖面图中的局部需另绘详图时,应在平、剖面图上标注索引符号。
索引符号的画法见下图。
索引符号的画法十二、内视符号画法当表示局部位置的相互关系,在平面图上应标注内视符号。
内视符号画法十三、系统编号1、一个工程设计中同时有供暖、通风、空调等两个及以上的不同系统时,应进行系统编号。
2、暖通空调系统编号、入口编号,应由系统代号和顺序号组成。
3、系统代号用大写拉丁字母表示,顺序号用阿拉伯数字表示。
当一个系统出现分支时,可采用下图的画法。
系统代号系统图代号、编号的画法十四、立管号的画法竖向布置的垂直管道系统,应标注立管号,在不一致引起误解时,可只标注序号,但应与建筑轴线编号有明显区别。
立管号的画法十五、管道相对标高的画法1、在无法标注垂直尺寸的图样中,应标注标高。
标高应以m为单位,并应精确到cm或mm。
2、标高符号应以直角等腰三角形表示。
当面标准层较多时,可只标注与本层楼(地)板面的相对标高。
3、水、汽管道所标高未予说明时,应表示为管中心标高。
4、水、汽管道标注管道外底或顶标高时,应在数字前加“底”或“顶”字样。
5、矩形风管所注标高应表示管底标高;圆形风管所注标高应表示管中心标高。
当不采用此方法标注时,应进行说明。
6、平面图中无坡度要求的管道标高可标注在管道截面尺寸后的括号内。
必要时,应在标高数字前加“底”或“顶”的字样。
相对标高的画法十六、管道截面尺寸的标注符号及画法1、低压流体输送用焊接管道规格应标注公称通径或压力。
第八章、暖通、空调图例及符号一、线型及其含义二、比例三、水、汽管道代号四、水、汽管道阀门和附件图例五、风道代号一、风口和附件代号八、暖通空调设备图例暖通空调设备的图例宜按表3.3.1采用。
九、调控装置及仪表图例各种执行机构可与风阀、水阀组合表示相应功能的控制阀门。
十、管道和设备布置平面图、剖面图示例管道和设备布置平面图应按假象除去上层板后俯视规则绘制,其相应的垂直剖面图应在平面图中表明剖切符号。
标准层平面图平、剖面示例十一、平面图、剖面图索引符号的画法平面图、剖面图中的局部需另绘详图时,应在平、剖面图上标注索引符号。
索引符号的画法见下图。
索引符号的画法十二、视符号画法当表示局部位置的相互关系,在平面图上应标注视符号。
视符号画法十三、系统编号1、一个工程设计中同时有供暖、通风、空调等两个及以上的不同系统时,应进行系统编号。
2、暖通空调系统编号、入口编号,应由系统代号和顺序号组成。
3、系统代号用大写拉丁字母表示,顺序号用阿拉伯数字表示。
当一个系统出现分支时,可采用下图的画法。
系统代号系统图代号、编号的画法十四、立管号的画法竖向布置的垂直管道系统,应标注立管号,在不一致引起误解时,可只标注序号,但应与建筑轴线编号有明显区别。
立管号的画法十五、管道相对标高的画法1、在无法标注垂直尺寸的图样中,应标注标高。
标高应以m为单位,并应精确到cm 或mm。
2、标高符号应以直角等腰三角形表示。
当面标准层较多时,可只标注与本层楼(地)板面的相对标高。
3、水、汽管道所标高未予说明时,应表示为管中心标高。
4、水、汽管道标注管道外底或顶标高时,应在数字前加“底”或“顶”字样。
5、矩形风管所注标高应表示管底标高;圆形风管所注标高应表示管中心标高。
当不采用此方法标注时,应进行说明。
6、平面图中无坡度要求的管道标高可标注在管道截面尺寸后的括号。
必要时,应在标高数字前加“底”或“顶”的字样。
相对标高的画法十六、管道截面尺寸的标注符号及画法1、低压流体输送用焊接管道规格应标注公称通径或压力。
第八章、暖通、空调图例及符号一、线型及其含义二、比例三、水、汽管道代号四、水、汽管道阀门与附件图例4 柱塞阀5 快开阀6 蝶阀7 旋塞阀8 止回阀9 浮球阀10 三通阀11 平衡阀 12 定流量阀 13 定压差阀14 自动排气阀15集气罐、 放气阀16 节流阀17 调节止回断阀 水泵出口用 18 膨胀阀19 排入大气或室外20 安全阀21 角阀 22 底阀23 漏斗24 地漏 25 明沟排水26 向上弯头 27 向下弯头 28 法兰封头或管封 29 上出三通 30 下出三通31 变径管 32活接头或 法兰连接33固定支架34 导向支架35 活动支架36 金属软管37 可屈挠橡胶软接头38 Y形过滤器39 疏水器40 减压阀左高右低41 直通型(或反冲型)除污器42 除垢仪43 补偿器44 矩形补偿器45 套管补偿器46 波纹管补偿器47 弧形补偿器48 球形补偿器49 伴热器50 保护套管51 爆破膜52 阻火器53 节流孔板、减压孔板54 快速接头55 介质流向在管道断开处时;流向符号宜标注在管道中心线上,其余可同管径标注位置56 坡度及坡向坡度数值不宜与管道起、止点标高同时标注。
标注位置同管径标注位置五、风道代号一、风口与附件代号21 L 花板回风口22 CB 自垂百叶23 N 防结露送风口24 T 低温送风口25 W 防雨百叶26 B 带风口风箱27 D 带风阀28 F 带过滤网八、暖通空调设备图例暖通空调设备得图例宜按表3、3、1采用。
1 散热器及手动放气阀左为平面图画法,中为剖面图画法,右为系统图(Y轴侧)画法2 散热器及温控阀3 轴流风机4 轴(混)流失管道风机5 离心式管道风机6 吊顶式排气扇7 水泵8 手摇泵9 变风量末端10 空调机组加热、冷却盘管从左到右分别为加热、冷却及双功能盘管11 空气过滤器从左至右分别为粗效、中效及高效12 挡水板13 加湿器14 电加热器15 板式换热器 16 立式明装风机盘管17 立式暗装风机盘管18 卧式明装风机盘管19 卧式暗装风机盘管20 窗式空调器21 分体空调器22 射流诱导风机23减振器左为平面图画法, 右为剖面图画法 九、调控装置及仪表图例序号 名称 图例1 温度传感器2 湿度传感器3 压力传感器4 压差传感器5 流量传感器6 烟感器7 流量开关8 控制器9 吸顶式温度传感器10 温度计11 压力表12流量计13能量计14弹簧执行机构15 重力执行机构16 记录仪17 电磁(双位)执行机构18 电动(双位)执行机构19 电动(调节)执行机构20 气动执行机构21 浮力执行机构22 数字输入量DI23 数字输出量DO24 模拟输入量AI25 模拟输出量AO各种执行机构可与风阀、水阀组合表示相应功能得控制阀门。
十、管道与设备布置平面图、剖面图示例管道与设备布置平面图应按假象除去上层板后俯视规则绘制,其相应得垂直剖面图应在平面图中表明剖切符号。
标准层平面图平、剖面示例十一、平面图、剖面图索引符号得画法平面图、剖面图中得局部需另绘详图时,应在平、剖面图上标注索引符号。
索引符号得画法见下图。
索引符号得画法十二、内视符号画法当表示局部位置得相互关系,在平面图上应标注内视符号。
内视符号画法十三、系统编号1、一个工程设计中同时有供暖、通风、空调等两个及以上得不同系统时,应进行系统编号。
2、暖通空调系统编号、入口编号,应由系统代号与顺序号组成。
3、系统代号用大写拉丁字母表示,顺序号用阿拉伯数字表示。
当一个系统出现分支时,可采用下图得画法。
系统代号系统图代号、编号得画法十四、立管号得画法竖向布置得垂直管道系统,应标注立管号,在不一致引起误解时,可只标注序号,但应与建筑轴线编号有明显区别。
立管号得画法十五、管道相对标高得画法1、在无法标注垂直尺寸得图样中,应标注标高。
标高应以m为单位,并应精确到cm 或mm。
2、标高符号应以直角等腰三角形表示。
当面标准层较多时,可只标注与本层楼(地)板面得相对标高。
3、水、汽管道所标高未予说明时,应表示为管中心标高。
4、水、汽管道标注管道外底或顶标高时,应在数字前加“底”或“顶”字样。
5、矩形风管所注标高应表示管底标高;圆形风管所注标高应表示管中心标高。
当不采用此方法标注时,应进行说明。
6、平面图中无坡度要求得管道标高可标注在管道截面尺寸后得括号内。
必要时,应在标高数字前加“底”或“顶”得字样。
相对标高得画法十六、管道截面尺寸得标注符号及画法1、低压流体输送用焊接管道规格应标注公称通径或压力。
公称通径得标记应由字母“DN”后跟一个以亳米表示得数值组成;公称压力得代号应为“PN”。
2、输送流体用无缝钢管、螺旋缝或直缝焊接钢管、铜管、不锈钢管,当需要注明外径与壁厚时,应用“D(或Φ)外径×壁厚”表示。
在不致引起误解时,也可采用公称通径表示。
3、塑料管外径应用“de”表示。
4、圆形风管得截面定型尺寸应以直径“Φ”表示,单位应为mm、5、矩形风管(风道)得截面定型尺寸应以“A×B”表示。
“A”应为该视图投影面得边长尺寸,“B”应为另一边尺雨。
A、B单位均应为mm。
6、水平管道得规格宜标注在管道得上方;竖向管道得规格宜标注在管道得左侧。
双线表示得管道,其规格可标注在管道轮廓线内。
管道截面尺寸得画法十七、多条管线得规格标注方法多条管线规格得画法十八、风口、散流器表示方法风口、散流器得表示方法十九、定位尺寸得表示方法定位尺寸得表示方式二十、单线管道转向得画法。
单线管道转向得画法二十一、双线管道转向得画法。
双线管道转向得画法二十二、单线管道分支得画法单线管道分支得画法二十三、双线管道分支得画法双线管道分支得画法二十四、送风管转向得画法送风管转向得画法二十五、回风管转向得画法回风管转向得画法二十六、管道断开得画法平面图、剖视图中管道因重叠、密集需断开时,应采用断开画法。
管道断开得画法二十七、管道在本图中断得画法管道在本图中断,转至其她图面表示(或由其她图面引来)时,应注明转至(或来自得)得图纸编号。
管道在本图中断得画法二十八、管道交叉得画法管道交叉得画法二十九、管道跨越得画法管道跨越得画法附录防烟、防火阀功能表防烟、防火阀功能符号说明防烟、防火阀功能表防烟、防火阀功能代号阀体中文功能 1 2 3 4 5 6 7 8 9 10 11名称阀体带号防烟防火风阀风量调节阀体手动远程手动常闭电动控制一次动作电动控制反复动作70℃自动关闭280℃自动关闭阀体动作反馈信号70℃防烟防火阀FD √√√√√FVD √√√√√FDS √√√√FDVS √√√√√√MED √√√√√√√MEC √√√√√√√MEE √√√√√√√√BED √√√√√√√√BEC √√√√√√√√BEE √√√√√√√√续表A符号说明防烟、防火阀功能表防烟、防火阀功能代号阀体中文名称功能阀体功能代号1 2 3 4 5 6 7 8 9 10 11防烟防火风阀风量调节阀体手动远程手动常闭电动控制一次动作电动控制反复动作70℃自动关闭280℃自动关闭阀体动作反馈信号80℃防烟防火阀FDH √√√√FVDH √√√√√FDSH √√√√√FVSH √√√√√√MECH √√√√√MEEH √√√√√√√BECH √√√√√√√BEEH √√√√√√√√板式排烟口PS √√√√√√√多叶排烟口GS √√√√√√√多叶送风口GP √√√√√√√防火风口GF √√√续表注:1、除表中注明外,其余得均为常开型;且所用得阀体在动作后均可手动复位。
2、消防电源(24V DC),由消防中心控制。
3、阀体需要符合信号反馈要求得接点。
4、若仅用于厨房烧煮区平时排风系统,其动作装置得工作温度应当由70℃改为150℃。
六、风道、阀门及附件图例序号名称图例备注1 矩形风管宽X高(mm)2 圆形风管直径(mm)3 风管向上4 风管向下5 风管上升摇手弯6 风管下降摇手弯7 天圆地方左接矩形风管,右接圆形风管8 软风管9 圆弧形弯头10 带导流片得巨形弯头11 消声器12 消声弯头13 消声静压箱14 风管软接头15 对开多叶调节风阀16 蝶阀17 插板阀18 止回风阀19 余压阀20 三通调节阀21 防烟、防火阀22 方形风口条缝型风口23 条形风口24 矩形风口25 圆形风口26 侧面风口27 防雨百叶28 检修门29 气流方向30 远程手控盒31 防雨罩。