暖通图例符号
- 格式:docx
- 大小:256.07 KB
- 文档页数:12
线型及其含义:比例:水、汽管道代号:工艺管道施工图常用图例:水、汽管道阀门和附件图例:给排水、采暖常用图例:通风空调工程常用图例:风道代号:风道、阀门及附件图例:风口和附件代号:暖通空调设备图例:调控装置及仪表图例:各种执行机构可与风阀、水阀组合表示相应功能的控制阀门。
消防工程基本图形符号:消防工程辅助符号:消防工程灭火器符号:消防管路及配件符号:消防工程固定灭火器系统符号:消防工程灭火设备安装处符号:消防设施:消防工程自动报警设备符号:管道图例:管道附件:管道连接:管件:常见阀门:给水配件:小型给水排水构筑物:给水排水设备:仪表:管道和设备布置平面图、剖面图示例:管道和设备布置平面图应按假象除去上层板后俯视规则绘制,其相应的垂直剖面图应在平面图中表明剖切符号。
标准层平面图平、剖面示例平面图、剖面图索引符号的画法:平面图、剖面图中的局部需另绘详图时,应在平、剖面图上标注索引符号。
索引符号的画法见下图。
索引符号的画法内视符号画法:当表示局部位置的相互关系,在平面图上应标注内视符号。
内视符号画法系统编号:1、一个工程设计中同时有供暖、通风、空调等两个及以上的不同系统时,应进行系统编号。
2、暖通空调系统编号、入口编号,应由系统代号和顺序号组成。
3、系统代号用大写拉丁字母表示,顺序号用阿拉伯数字表示。
当一个系统出现分支时,可采用下图的画法。
系统代号立管号的画法竖向布置的垂直管道系统,应标注立管号,在不一致引起误解时,可只标注序号,但应与建筑轴线编号有明显区别。
立管号的画法管道相对标高的画法:1、在无法标注垂直尺寸的图样中,应标注标高。
标高应以m为单位,并应精确到cm或mm。
2、标高符号应以直角等腰三角形表示。
当面标准层较多时,可只标注与本层楼(地)板面的相对标高。
3、水、汽管道所标高未予说明时,应表示为管中心标高。
4、水、汽管道标注管道外底或顶标高时,应在数字前加“底”或“顶”字样。
5、矩形风管所注标高应表示管底标高;圆形风管所注标高应表示管中心标高。
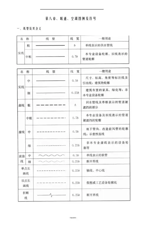
第八章、暖通、空调图例及符号一、线型及其含义二、比例三、水、汽管道代号四、水、汽管道阀门和附件图例五、风道代号六、风道、阀门及附件图例七、风口和附件代号八、暖通空调设备图例暖通空调设备的图例宜按表3.3.1采用。
九、调控装置及仪表图例各种执行机构可与风阀、水阀组合表示相应功能的控制阀门。
十、管道和设备布置平面图、剖面图示例管道和设备布置平面图应按假象除去上层板后俯视规则绘制,其相应的垂直剖面图应在平面图中表明剖切符号。
标准层平面图平、剖面示例十一、平面图、剖面图索引符号的画法平面图、剖面图中的局部需另绘详图时,应在平、剖面图上标注索引符号。
索引符号的画法见下图。
索引符号的画法十二、内视符号画法当表示局部位置的相互关系,在平面图上应标注内视符号。
内视符号画法十三、系统编号1、一个工程设计中同时有供暖、通风、空调等两个及以上的不同系统时,应进行系统编号。
2、暖通空调系统编号、入口编号,应由系统代号和顺序号组成。
3、系统代号用大写拉丁字母表示,顺序号用阿拉伯数字表示。
当一个系统出现分支时,可采用下图的画法。
系统代号系统图代号、编号的画法十四、立管号的画法竖向布置的垂直管道系统,应标注立管号,在不一致引起误解时,可只标注序号,但应与建筑轴线编号有明显区别。
立管号的画法十五、管道相对标高的画法1、在无法标注垂直尺寸的图样中,应标注标高。
标高应以m为单位,并应精确到cm或mm。
2、标高符号应以直角等腰三角形表示。
当面标准层较多时,可只标注与本层楼(地)板面的相对标高。
3、水、汽管道所标高未予说明时,应表示为管中心标高。
4、水、汽管道标注管道外底或顶标高时,应在数字前加“底”或“顶”字样。
5、矩形风管所注标高应表示管底标高;圆形风管所注标高应表示管中心标高。
当不采用此方法标注时,应进行说明。
6、平面图中无坡度要求的管道标高可标注在管道截面尺寸后的括号内。
必要时,应在标高数字前加“底”或“顶”的字样。
相对标高的画法十六、管道截面尺寸的标注符号及画法1、低压流体输送用焊接管道规格应标注公称通径或压力。
第八章、暖通、空调图例及符号一、线型及其含义二、比例三、水、汽管道代号四、水、汽管道阀门和附件图例序号 名称 图例备注 1 截止阀2 闸阀3 球阀4 柱塞阀5 快开阀6 蝶阀7 旋塞阀8 止回阀9 浮球阀10 三通阀 11 平衡阀 12 定流量阀 13 定压差阀 14 自动排气阀15集气罐、 放气阀16 节流阀17 调节止回断阀 水泵出口用 18 膨胀阀19 排入大气或室外20 安全阀21 角阀 22 底阀23 漏斗24 地漏 25 明沟排水26 向上弯头 27 向下弯头 28 法兰封头或管封 29上出三通30 下出三通31 变径管32 活接头或法兰连接33 固定支架34 导向支架35 活动支架36 金属软管37 可屈挠橡胶软接头38 Y形过滤器39 疏水器40 减压阀左高右低41 直通型(或反冲型)除污器42 除垢仪43 补偿器44 矩形补偿器45 套管补偿器46 波纹管补偿器47 弧形补偿器48 球形补偿器49 伴热器50 保护套管51 爆破膜52 阻火器53 节流孔板、减压孔板54 快速接头55 介质流向在管道断开处时;流向符号宜标注在管道中心线上,其余可同管径标注位置56 坡度及坡向坡度数值不宜与管道起、止点标高同时标注。
标注位置同管径标注位置五、风道代号序号代号管道名称备注1 SF 送风管——2 HF 回风管一、二次回风可附加1、2区别3 PF 排风管——4 XF 新风管——5 PY 消防排烟风管——6 ZY 加压送风管——7 P(Y)排风排烟兼用风管——8 XB 消防补风风管——9 S(B)送风兼消防补风风管——六、风道、阀门及附件图例序号名称图例备注1 矩形风管宽X高(mm)2 圆形风管直径(mm)3 风管向上4 风管向下5 风管上升摇手弯6 风管下降摇手弯7 天圆地方左接矩形风管,右接圆形风管8 软风管9 圆弧形弯头10 带导流片的巨形弯头11 消声器12 消声弯头13 消声静压箱14 风管软接头15 对开多叶调节风阀16 蝶阀17 插板阀18 止回风阀19 余压阀20 三通调节阀21 防烟、防火阀22 方形风口条缝型风口23 条形风口24 矩形风口25 圆形风口26 侧面风口27 防雨百叶28 检修门29 气流方向30 远程手控盒31 防雨罩七、风口和附件代号序号代号图例备注1 AV 单层格栅风口,叶片垂直——2 AH 单层格栅风口,叶片水平——3 BV 双层格栅风口,前组叶片垂直——4 BH 双层格栅风口,前组叶片水平——5 C﹡矩形散流器,*为出风面数量——6 DF 圆形平面散流器——7 DS 圆形凸面散流器——8 DP 圆盘形散流器——9 DX﹡圆形斜片散流器,﹡为出风面数量——10 DH 圆环形散流器——11 E﹡条缝形风口,﹡为条缝数——12 F﹡细叶形斜出风散流器,﹡为出风面数量——13 FH 门铰形细叶回风口——14 G 扁叶形直出风散流器——15 H 百叶回风口——16 HH 门铰形百叶回风口——17 J 喷口——18 SD 旋流风口——19 K 蛋格形风口——20 KH 门铰形蛋格式回风口——21 L 花板回风口——22 CB 自垂百叶——23 N 防结露送风口冠于所用类型风口代号前24 T 低温送风口冠于所用类型风口代号前25 W 防雨百叶——26 B 带风口风箱——27 D 带风阀——28 F 带过滤网——八、暖通空调设备图例暖通空调设备的图例宜按表3.3.1采用。
第八章、暖通、空调图例及符号一、线型及其含义二、比例三、水、汽管道代号四、水、汽管道阀门和附件图例序号 名称 图例备注 1 截止阀 2 闸阀 3 球阀 4 柱塞阀 5 快开阀6 蝶阀7 旋塞阀8 止回阀9 浮球阀10 三通阀 11 平衡阀 12 定流量阀 13 定压差阀14 自动排气阀15集气罐、 放气阀16 节流阀17 调节止回断阀 水泵出口用 18 膨胀阀19 排入大气或室外20 安全阀21 角阀22 底阀23 漏斗 24 地漏25 明沟排水26 向上弯头27 向下弯头28 法兰封头或管封 29上出三通30 下出三通31 变径管32 活接头或法兰连接33 固定支架34 导向支架35 活动支架36 金属软管37 可屈挠橡胶软接头38 Y形过滤器39 疏水器40 减压阀左高右低41 直通型(或反冲型)除污器42 除垢仪43 补偿器44 矩形补偿器45 套管补偿器46 波纹管补偿器47 弧形补偿器48 球形补偿器49 伴热器50 保护套管51 爆破膜52 阻火器53 节流孔板、减压孔板54 快速接头55 介质流向在管道断开处时;流向符号宜标注在管道中心线上,其余可五、风道代号一、风口和附件代号17 J 喷口18 SD 旋流风口19 K 蛋格形风口20 KH 门铰形蛋格式回风口21 L 花板回风口22 CB 自垂百叶23 N 防结露送风口24 T 低温送风口25 W 防雨百叶26 B 带风口风箱27 D 带风阀28 F 带过滤网八、暖通空调设备图例暖通空调设备的图例宜按表3.3.1采用。
1 散热器及手动放气阀左为平面图画法,中为剖面图画法,右为系统图(Y轴侧)画法2 散热器及温控阀3 轴流风机4 轴(混)流失管道风机5 离心式管道风机6 吊顶式排气扇7 水泵8 手摇泵9 变风量末端10 空调机组加热、冷却盘管从左到右分别为加热、冷却及双功能盘管11 空气过滤器从左至右分别为粗效、中效及高效12 挡水板13 加湿器14 电加热器15 板式换热器 16 立式明装风机盘管17 立式暗装风机盘管18 卧式明装风机盘管 19 卧式暗装风机盘管20 窗式空调器21 分体空调器22 射流诱导风机23减振器左为平面图画法, 右为剖面图画法九、调控装置及仪表图例序号 名称 图例1 温度传感器2 湿度传感器3 压力传感器4 压差传感器5 流量传感器6 烟感器7 流量开关8 控制器9 吸顶式温度传感器10温度计11 压力表12 流量计13 能量计14 弹簧执行机构15 重力执行机构16 记录仪17 电磁(双位)执行机构18 电动(双位)执行机构19 电动(调节)执行机构20 气动执行机构21 浮力执行机构22 数字输入量DI23 数字输出量DO24 模拟输入量AI25 模拟输出量AO各种执行机构可与风阀、水阀组合表示相应功能的控制阀门。
第八章、暖通、空调图例及符号一、线型及其含义二、比例三、水、汽管道代号四、水、汽管道阀门与附件图例4 柱塞阀5 快开阀6 蝶阀7 旋塞阀8 止回阀9 浮球阀10 三通阀11 平衡阀 12 定流量阀 13 定压差阀14 自动排气阀15集气罐、 放气阀16 节流阀17 调节止回断阀 水泵出口用 18 膨胀阀19 排入大气或室外20 安全阀21 角阀 22 底阀23 漏斗24 地漏 25 明沟排水26 向上弯头 27 向下弯头 28 法兰封头或管封 29 上出三通 30 下出三通31 变径管 32活接头或 法兰连接33 固定支架34 导向支架35 活动支架36 金属软管37 可屈挠橡胶软接头38 Y形过滤器39 疏水器40 减压阀左高右低41 直通型(或反冲型)除污器42 除垢仪43 补偿器44 矩形补偿器45 套管补偿器46 波纹管补偿器47 弧形补偿器48 球形补偿器49 伴热器50 保护套管51 爆破膜52 阻火器53 节流孔板、减压孔板54 快速接头55 介质流向在管道断开处时;流向符号宜标注在管道中心线上,其余可同管径标注位置56 坡度及坡向坡度数值不宜与管道起、止点标高同时标注。
标注位置同管径标注位置五、风道代号一、风口与附件代号21 L 花板回风口22 CB 自垂百叶23 N 防结露送风口24 T 低温送风口25 W 防雨百叶26 B 带风口风箱27 D 带风阀28 F 带过滤网八、暖通空调设备图例暖通空调设备的图例宜按表3、3、1采用。
1 散热器及手动放气阀左为平面图画法,中为剖面图画法,右为系统图(Y轴侧)画法2 散热器及温控阀3 轴流风机4 轴(混)流失管道风机5 离心式管道风机6 吊顶式排气扇7 水泵8 手摇泵9 变风量末端10 空调机组加热、冷却盘管从左到右分别为加热、冷却及双功能盘管11 空气过滤器从左至右分别为粗效、中效及高效12 挡水板13 加湿器14 电加热器15 板式换热器 16 立式明装风机盘管17 立式暗装风机盘管18 卧式明装风机盘管19 卧式暗装风机盘管20 窗式空调器21 分体空调器22 射流诱导风机23减振器左为平面图画法, 右为剖面图画法 九、调控装置及仪表图例序号 名称 图例1 温度传感器2 湿度传感器3 压力传感器4 压差传感器5 流量传感器6 烟感器7 流量开关8 控制器9 吸顶式温度传感器10 温度计11 压力表12流量计13能量计14弹簧执行机构15 重力执行机构16 记录仪17 电磁(双位)执行机构18 电动(双位)执行机构19 电动(调节)执行机构20 气动执行机构21 浮力执行机构22 数字输入量DI23 数字输出量DO24 模拟输入量AI25 模拟输出量AO各种执行机构可与风阀、水阀组合表示相应功能的控制阀门。
第八章、暖通、空调图例及符号一、线型及其含义二、比例三、水、汽管道代号四、水、汽管道阀门和附件图例序号 名称 图例备注 1 截止阀2 闸阀3 球阀4 柱塞阀5 快开阀6 蝶阀7 旋塞阀8 止回阀9 浮球阀10 三通阀 11 平衡阀 12 定流量阀 13 定压差阀 14 自动排气阀15集气罐、 放气阀16 节流阀17 调节止回断阀 水泵出口用 18 膨胀阀19 排入大气或室外20 安全阀21 角阀 22 底阀23 漏斗24 地漏 25 明沟排水26 向上弯头 27 向下弯头 28 法兰封头或管封 29上出三通30 下出三通31 变径管32 活接头或法兰连接33 固定支架34 导向支架35 活动支架36 金属软管37 可屈挠橡胶软接头38 Y形过滤器39 疏水器40 减压阀左高右低41 直通型(或反冲型)除污器42 除垢仪43 补偿器44 矩形补偿器45 套管补偿器46 波纹管补偿器47 弧形补偿器48 球形补偿器49 伴热器50 保护套管51 爆破膜52 阻火器53 节流孔板、减压孔板54 快速接头55 介质流向在管道断开处时;流向符号宜标注在管道中心线上,其余可同管径标注位置56 坡度及坡向坡度数值不宜与管道起、止点标高同时标注。
标注位置同管径标注位置五、风道代号序号代号管道名称备注1 SF 送风管——2 HF 回风管一、二次回风可附加1、2区别3 PF 排风管——4 XF 新风管——5 PY 消防排烟风管——6 ZY 加压送风管——7 P(Y)排风排烟兼用风管——8 XB 消防补风风管——9 S(B)送风兼消防补风风管——六、风道、阀门及附件图例序号名称图例备注1 矩形风管宽X高(mm)2 圆形风管直径(mm)3 风管向上4 风管向下5 风管上升摇手弯6 风管下降摇手弯7 天圆地方左接矩形风管,右接圆形风管8 软风管9 圆弧形弯头10 带导流片的巨形弯头11 消声器12 消声弯头13 消声静压箱14 风管软接头15 对开多叶调节风阀16 蝶阀17 插板阀18 止回风阀19 余压阀20 三通调节阀21 防烟、防火阀22 方形风口条缝型风口23 条形风口24 矩形风口25 圆形风口26 侧面风口27 防雨百叶28 检修门29 气流方向30 远程手控盒31 防雨罩七、风口和附件代号序号代号图例备注1 AV 单层格栅风口,叶片垂直——2 AH 单层格栅风口,叶片水平——3 BV 双层格栅风口,前组叶片垂直——4 BH 双层格栅风口,前组叶片水平——5 C﹡矩形散流器,*为出风面数量——6 DF 圆形平面散流器——7 DS 圆形凸面散流器——8 DP 圆盘形散流器——9 DX﹡圆形斜片散流器,﹡为出风面数量——10 DH 圆环形散流器——11 E﹡条缝形风口,﹡为条缝数——12 F﹡细叶形斜出风散流器,﹡为出风面数量——13 FH 门铰形细叶回风口——14 G 扁叶形直出风散流器——15 H 百叶回风口——16 HH 门铰形百叶回风口——17 J 喷口——18 SD 旋流风口——19 K 蛋格形风口——20 KH 门铰形蛋格式回风口——21 L 花板回风口——22 CB 自垂百叶——23 N 防结露送风口冠于所用类型风口代号前24 T 低温送风口冠于所用类型风口代号前25 W 防雨百叶——26 B 带风口风箱——27 D 带风阀——28 F 带过滤网——八、暖通空调设备图例暖通空调设备的图例宜按表3.3.1采用。
第八章、暖通、空调图例及符号一、线型及其含义二、比例图名常用比例可用比例剖面图1:50 、1:100 1:150 、1:2001:局部放大图、1:20 、1:50 、1:100 1:25 、1 :30、150 、1 :200管沟断面图索引图、详图1:1 、1 :2、1:5、1: 1 :3、1:4 、1:1510 、1:20三、水、汽管道代号四、水、汽管道阀门和附件图例序号名称图例备注1 截止阀2 闸阀3 球阀4 柱塞阀5 快开阀6 蝶阀7 旋塞阀8 止回阀9 浮球阀10 三通阀11 平衡阀12 定流量阀13 定压差阀14 自动排气阀15 集气罐、放气阀16 节流阀17 调节止回断阀水泵出口用18 膨胀阀19 排入大气或室外20 安全阀21 角阀22 底阀23 漏斗24 地漏25 明沟排水26 向上弯头27 向下弯头28 法兰封头或管封29 上出三通30 下出三通31 变径管32 活接头或法兰连接33 固定支架34 导向支架35 活动支架36 金属软管37 可屈挠橡胶软接头38 Y 形过滤器39 疏水器40 减压阀左高右低41 直通型(或反冲型)除污器42 除垢仪43 补偿器44 矩形补偿器45 套管补偿器46 波纹管补偿器47 弧形补偿器48 球形补偿器49 伴热器50 保护套管51 爆破膜52 阻火器53 节流孔板、减压孔板54 快速接头55 介质流向在管道断开处时;流向符号宜标注在管道中心线上,其余可同管径标注位置56 坡度及坡向坡度数值不宜与管道起、止点标高同时标注。
标注位置同管径标注位置五、风道代号序号代号管道名称1 SF 送风管2 HF 回风管3 PF 排风管4 XF 新风管5 PY 消防排烟风管6 ZY 加压送风管7 P(Y)排风排烟兼用风管8 XB 消防补风风管9 S(B)送风兼消防补风风管一、风口和附件代号序号代号图例1 AV 单层格栅风口,叶片垂直2 AH 单层格栅风口,叶片水平3 BV 双层格栅风口,前组叶片垂直4 BH 双层格栅风口,前组叶片水平5 C﹡矩形散流器,* 为出风面数量6 DF 圆形平面散流器7 DS 圆形凸面散流器8 DP 圆盘形散流器9 DX ﹡圆形斜片散流器,﹡为出风面数量10 DH 圆环形散流器11 E﹡条缝形风口,﹡为条缝数12 F﹡细叶形斜出风散流器,﹡为出风面数量13 FH 门铰形细叶回风口14 G 扁叶形直出风散流器15 H 百叶回风口16 HH 门铰形百叶回风口17 J 喷口18 SD 旋流风口19 K 蛋格形风口20 KH 门铰形蛋格式回风口21 L 花板回风口22 CB 自垂百叶23 N 防结露送风口24 T 低温送风口25 W 防雨百叶26 B 带风口风箱27 D 带风阀28 F 带过滤网八、暖通空调设备图例暖通空调设备的图例宜按表 3.3.1 采用。
第八章、暖通、空调图例及符号一、线型及其含义二、比例三、水、汽管道代号四、水、汽管道阀门和附件图例序号 名称 图例备注 1 截止阀2 闸阀3 球阀4 柱塞阀5 快开阀6 蝶阀7 旋塞阀8 止回阀9 浮球阀10 三通阀 11 平衡阀 12 定流量阀 13 定压差阀 14 自动排气阀15集气罐、 放气阀16 节流阀17 调节止回断阀 水泵出口用 18 膨胀阀19 排入大气或室外20 安全阀21 角阀 22 底阀23 漏斗24 地漏 25 明沟排水26 向上弯头 27 向下弯头 28 法兰封头或管封 29上出三通30 下出三通31 变径管32 活接头或法兰连接33 固定支架34 导向支架35 活动支架36 金属软管37 可屈挠橡胶软接头38 Y形过滤器39 疏水器40 减压阀左高右低41 直通型(或反冲型)除污器42 除垢仪43 补偿器44 矩形补偿器45 套管补偿器46 波纹管补偿器47 弧形补偿器48 球形补偿器49 伴热器50 保护套管51 爆破膜52 阻火器53 节流孔板、减压孔板54 快速接头55 介质流向在管道断开处时;流向符号宜标注在管道中心线上,其余可同管径标注位置56 坡度及坡向坡度数值不宜与管道起、止点标高同时标注。
标注位置同管径标注位置五、风道代号序号代号管道名称备注1 SF 送风管——2 HF 回风管一、二次回风可附加1、2区别3 PF 排风管——4 XF 新风管——5 PY 消防排烟风管——6 ZY 加压送风管——7 P(Y)排风排烟兼用风管——8 XB 消防补风风管——9 S(B)送风兼消防补风风管——六、风道、阀门及附件图例序号名称图例备注1 矩形风管宽X高(mm)2 圆形风管直径(mm)3 风管向上4 风管向下5 风管上升摇手弯6 风管下降摇手弯7 天圆地方左接矩形风管,右接圆形风管8 软风管9 圆弧形弯头10 带导流片的巨形弯头11 消声器12 消声弯头13 消声静压箱14 风管软接头15 对开多叶调节风阀16 蝶阀17 插板阀18 止回风阀19 余压阀20 三通调节阀21 防烟、防火阀22 方形风口条缝型风口23 条形风口24 矩形风口25 圆形风口26 侧面风口27 防雨百叶28 检修门29 气流方向30 远程手控盒31 防雨罩七、风口和附件代号序号代号图例备注1 AV 单层格栅风口,叶片垂直——2 AH 单层格栅风口,叶片水平——3 BV 双层格栅风口,前组叶片垂直——4 BH 双层格栅风口,前组叶片水平——5 C﹡矩形散流器,*为出风面数量——6 DF 圆形平面散流器——7 DS 圆形凸面散流器——8 DP 圆盘形散流器——9 DX﹡圆形斜片散流器,﹡为出风面数量——10 DH 圆环形散流器——11 E﹡条缝形风口,﹡为条缝数——12 F﹡细叶形斜出风散流器,﹡为出风面数量——13 FH 门铰形细叶回风口——14 G 扁叶形直出风散流器——15 H 百叶回风口——16 HH 门铰形百叶回风口——17 J 喷口——18 SD 旋流风口——19 K 蛋格形风口——20 KH 门铰形蛋格式回风口——21 L 花板回风口——22 CB 自垂百叶——23 N 防结露送风口冠于所用类型风口代号前24 T 低温送风口冠于所用类型风口代号前25 W 防雨百叶——26 B 带风口风箱——27 D 带风阀——28 F 带过滤网——八、暖通空调设备图例暖通空调设备的图例宜按表3.3.1采用。
第八章、暖通、空调图例及符号一、线型及其含义二、比例三、水、汽管道代号四、水、汽管道阀门和附件图例序号 名称 图例备注 1 截止阀2 闸阀3 球阀4 柱塞阀5 快开阀6 蝶阀7 旋塞阀8 止回阀9 浮球阀10 三通阀 11 平衡阀 12 定流量阀 13 定压差阀 14 自动排气阀15集气罐、 放气阀16 节流阀17 调节止回断阀 水泵出口用 18 膨胀阀19 排入大气或室外20 安全阀21 角阀 22 底阀23 漏斗24 地漏 25 明沟排水26 向上弯头 27 向下弯头 28 法兰封头或管封 29上出三通30 下出三通31 变径管32 活接头或法兰连接33 固定支架34 导向支架35 活动支架36 金属软管37 可屈挠橡胶软接头38 Y形过滤器39 疏水器40 减压阀左高右低41 直通型或反冲型除污器42 除垢仪43 补偿器44 矩形补偿器45 套管补偿器46 波纹管补偿器47 弧形补偿器48 球形补偿器49 伴热器50 保护套管51 爆破膜52 阻火器53 节流孔板、减压孔板54 快速接头55 介质流向在管道断开处时;流向符号宜标注在管道中心线上;其余可同管径标注位置56 坡度及坡向坡度数值不宜与管道起、止点标高同时标注..标注位置同管径标注位置五、风道代号序号代号管道名称备注1 SF 送风管——2 HF 回风管一、二次回风可附加1、2区别3 PF 排风管——4 XF 新风管——5 PY 消防排烟风管——6 ZY 加压送风管——7 PY 排风排烟兼用风管——8 XB 消防补风风管——9 SB 送风兼消防补风风管——六、风道、阀门及附件图例序号名称图例备注1 矩形风管宽X高mm2 圆形风管直径mm3 风管向上4 风管向下5 风管上升摇手弯6 风管下降摇手弯7 天圆地方左接矩形风管;右接圆形风管8 软风管9 圆弧形弯头10 带导流片的巨形弯头11 消声器12 消声弯头13 消声静压箱14 风管软接头15 对开多叶调节风阀16 蝶阀17 插板阀18 止回风阀19 余压阀20 三通调节阀21 防烟、防火阀22 方形风口条缝型风口23 条形风口24 矩形风口25 圆形风口26 侧面风口27 防雨百叶28 检修门29 气流方向30 远程手控盒31 防雨罩七、风口和附件代号序号代号图例备注1 AV 单层格栅风口;叶片垂直——2 AH 单层格栅风口;叶片水平——3 BV 双层格栅风口;前组叶片垂直——4 BH 双层格栅风口;前组叶片水平——5 C﹡矩形散流器;为出风面数量——6 DF 圆形平面散流器——7 DS 圆形凸面散流器——8 DP 圆盘形散流器——9 DX﹡圆形斜片散流器;﹡为出风面数量——10 DH 圆环形散流器——11 E﹡条缝形风口;﹡为条缝数——12 F﹡细叶形斜出风散流器;﹡为出风面数量——13 FH 门铰形细叶回风口——14 G 扁叶形直出风散流器——15 H 百叶回风口——16 HH 门铰形百叶回风口——17 J 喷口——18 SD 旋流风口——19 K 蛋格形风口——20 KH 门铰形蛋格式回风口——21 L 花板回风口——22 CB 自垂百叶——23 N 防结露送风口冠于所用类型风口代号前24 T 低温送风口冠于所用类型风口代号前25 W 防雨百叶——26 B 带风口风箱——27 D 带风阀——28 F 带过滤网——八、暖通空调设备图例暖通空调设备的图例宜按表3.3.1采用..1 散热器及手动放气阀左为平面图画法;中为剖面图画法;右为系统图Y轴侧画法2 散热器及温控阀3 轴流风机4 轴混流失管道风机5 离心式管道风机6 吊顶式排气扇7 水泵8 手摇泵9 变风量末端10空调机组加热、冷却盘管从左到右分别为加热、冷却及双 功能盘管 11 空气过滤器从左至右分别为粗效、中效及高效12 挡水板13 加湿器14 电加热器15 板式换热器 16 立式明装风机盘管17 立式暗装风机盘管 18 卧式明装风机盘管 19 卧式暗装风机盘管20 窗式空调器21 分体空调器 22 射流诱导风机23减振器左为平面图画法; 右为剖面图画法九、调控装置及仪表图例序号 名称 图例1 温度传感器2 湿度传感器3 压力传感器4 压差传感器5 流量传感器6烟感器7 流量开关8 控制器9 吸顶式温度传感器10 温度计11 压力表12 流量计13 能量计14 弹簧执行机构15 重力执行机构16 记录仪17 电磁双位执行机构18 电动双位执行机构19 电动调节执行机构20 气动执行机构21 浮力执行机构22 数字输入量DI23 数字输出量DO24 模拟输入量AI25 模拟输出量AO各种执行机构可与风阀、水阀组合表示相应功能的控制阀门..十、管道和设备布置平面图、剖面图示例管道和设备布置平面图应按假象除去上层板后俯视规则绘制;其相应的垂直剖面图应在平面图中表明剖切符号..标准层平面图平、剖面示例十一、平面图、剖面图索引符号的画法平面图、剖面图中的局部需另绘详图时;应在平、剖面图上标注索引符号..索引符号的画法见下图..索引符号的画法十二、内视符号画法当表示局部位置的相互关系;在平面图上应标注内视符号..内视符号画法十三、系统编号1、一个工程设计中同时有供暖、通风、空调等两个及以上的不同系统时;应进行系统编号..2、暖通空调系统编号、入口编号;应由系统代号和顺序号组成..3、系统代号用大写拉丁字母表示;顺序号用阿拉伯数字表示..当一个系统出现分支时;可采用下图的画法..系统代号系统图代号、编号的画法十四、立管号的画法竖向布置的垂直管道系统;应标注立管号;在不一致引起误解时;可只标注序号;但应与建筑轴线编号有明显区别..立管号的画法十五、管道相对标高的画法1、在无法标注垂直尺寸的图样中;应标注标高..标高应以m为单位;并应精确到cm或mm..2、标高符号应以直角等腰三角形表示..当面标准层较多时;可只标注与本层楼地板面的相对标高..3、水、汽管道所标高未予说明时;应表示为管中心标高..4、水、汽管道标注管道外底或顶标高时;应在数字前加“底”或“顶”字样..5、矩形风管所注标高应表示管底标高;圆形风管所注标高应表示管中心标高..当不采用此方法标注时;应进行说明..6、平面图中无坡度要求的管道标高可标注在管道截面尺寸后的括号内..必要时;应在标高数字前加“底”或“顶”的字样..相对标高的画法十六、管道截面尺寸的标注符号及画法1、低压流体输送用焊接管道规格应标注公称通径或压力..公称通径的标记应由字母“DN”后跟一个以亳米表示的数值组成;公称压力的代号应为“PN”..2、输送流体用无缝钢管、螺旋缝或直缝焊接钢管、铜管、不锈钢管;当需要注明外径和壁厚时;应用“D或Φ外径×壁厚”表示..在不致引起误解时;也可采用公称通径表示..3、塑料管外径应用“de”表示..4、圆形风管的截面定型尺寸应以直径“Φ”表示;单位应为mm.5、矩形风管风道的截面定型尺寸应以“A×B”表示..“A”应为该视图投影面的边长尺寸;“B”应为另一边尺雨..A、B单位均应为mm..6、水平管道的规格宜标注在管道的上方;竖向管道的规格宜标注在管道的左侧..双线表示的管道;其规格可标注在管道轮廓线内..管道截面尺寸的画法十七、多条管线的规格标注方法多条管线规格的画法十八、风口、散流器表示方法风口、散流器的表示方法十九、定位尺寸的表示方法定位尺寸的表示方式二十、单线管道转向的画法..单线管道转向的画法二十一、双线管道转向的画法..双线管道转向的画法二十二、单线管道分支的画法单线管道分支的画法二十三、双线管道分支的画法双线管道分支的画法二十四、送风管转向的画法送风管转向的画法二十五、回风管转向的画法回风管转向的画法二十六、管道断开的画法平面图、剖视图中管道因重叠、密集需断开时;应采用断开画法..管道断开的画法二十七、管道在本图中断的画法管道在本图中断;转至其他图面表示或由其他图面引来时;应注明转至或来自的的图纸编号..管道在本图中断的画法二十八、管道交叉的画法管道交叉的画法二十九、管道跨越的画法管道跨越的画法附录防烟、防火阀功能表防烟、防火阀功能符号说明防烟、防火阀功能表防烟、防火阀功能代号阀体中文名称功能阀体带号1 2 3 4 5 6 7 8 9 10 11 防烟防火风阀风量调节阀体手动远程手动常闭电动控制一次动作电动控制反复动作70℃自动关闭280℃自动关闭阀体动作反馈信号70℃防烟防火阀FD √√√√√FVD √√√√√FDS √√√√FDVS √√√√√√MED √√√√√√√MEC √√√√√√√MEE √√√√√√√√BED √√√√√√√√BEC √√√√√√√√BEE √√√√√√√√续表A符号说明防烟、防火阀功能表防烟、防火阀功能代号阀体中文名称功能阀体功能代号1 2 3 4 5 6 7 8 9 10 11防烟防火风阀风量调节阀体手动远程手动常闭电动控制一次动作电动控制反复动作70℃自动关闭280℃自动关闭阀体动作反馈信号80℃防烟防火阀FDH √√√√FVDH √√√√√FDSH √√√√√FVSH √√√√√√MECH √√√√√MEEH √√√√√√√BECH √√√√√√√BEEH √√√√√√√√板式排烟口PS √√√√√√√多叶排烟口GS √√√√√√√多叶送风口GP √√√√√√√防火风口GF √√√续表注:1、除表中注明外;其余的均为常开型;且所用的阀体在动作后均可手动复位..2、消防电源24V DC;由消防中心控制..3、阀体需要符合信号反馈要求的接点..4、若仅用于厨房烧煮区平时排风系统;其动作装置的工作温度应当由70℃改为150℃..。
线型及其含义:比例:水、汽管道代号:工艺管道施工图常用图例:水、汽管道阀门和附件图例:给排水、采暖常用图例:通风空调工程常用图例:风道代号:风道、阀门及附件图例:风口和附件代号:暖通空调设备图例:调控装置及仪表图例:各种执行机构可与风阀、水阀组合表示相应功能的控制阀门。
消防工程基本图形符号:消防工程灭火器符号:消防工程固定灭火器系统符号:消防工程灭火设备安装处符号:消防设施:消防工程自动报警设备符号:管道图例:管道附件:管道连接:管件:常见阀门:给水配件:小型给水排水构筑物:给水排水设备:仪表:管道和设备布置平面图、剖面图示例:管道和设备布置平面图应按假象除去上层板后俯视规则绘制,其相应的垂直剖面图应在平面图中表明剖切符号。
标准层平面图平、剖面示例平面图、剖面图索引符号的画法:平面图、剖面图中的局部需另绘详图时,应在平、剖面图上标注索引符号。
索引符号的画法见下图。
索引符号的画法内视符号画法:当表示局部位置的相互关系,在平面图上应标注内视符号。
内视符号画法系统编号:1、一个工程设计中同时有供暖、通风、空调等两个及以上的不同系统时,应进行系统编号。
2、暖通空调系统编号、入口编号,应由系统代号和顺序号组成。
3、系统代号用大写拉丁字母表示,顺序号用阿拉伯数字表示。
当一个系统出现分支时,可采用下图的画法。
系统代号立管号的画法竖向布置的垂直管道系统,应标注立管号,在不一致引起误解时,可只标注序号,但应与建筑轴线编号有明显区别。
立管号的画法管道相对标高的画法:1、在无法标注垂直尺寸的图样中,应标注标高。
标高应以m为单位,并应精确到cm或mm。
2、标高符号应以直角等腰三角形表示。
当面标准层较多时,可只标注与本层楼(地)板面的相对标高。
3、水、汽管道所标高未予说明时,应表示为管中心标高。
4、水、汽管道标注管道外底或顶标高时,应在数字前加“底”或“顶”字样。
5、矩形风管所注标高应表示管底标高;圆形风管所注标高应表示管中心标高。
第八章、暖通、空调图例及符号一、线型及其含义二、比例三、水、汽管道代号四、水、汽管道阀门和附件图例五、风道代号六、风道、阀门及附件图例七、风口和附件代号八、暖通空调设备图例暖通空调设备的图例宜按表3.3.1采用。
九、调控装置及仪表图例各种执行机构可与风阀、水阀组合表示相应功能的控制阀门。
十、管道和设备布置平面图、剖面图示例管道和设备布置平面图应按假象除去上层板后俯视规则绘制,其相应的垂直剖面图应在平面图中表明剖切符号。
标准层平面图平、剖面示例十一、平面图、剖面图索引符号的画法平面图、剖面图中的局部需另绘详图时,应在平、剖面图上标注索引符号。
索引符号的画法见下图。
索引符号的画法十二、内视符号画法当表示局部位置的相互关系,在平面图上应标注内视符号。
内视符号画法十三、系统编号1、一个工程设计中同时有供暖、通风、空调等两个及以上的不同系统时,应进行系统编号。
2、暖通空调系统编号、入口编号,应由系统代号和顺序号组成。
3、系统代号用大写拉丁字母表示,顺序号用阿拉伯数字表示。
当一个系统出现分支时,可采用下图的画法。
系统代号系统图代号、编号的画法十四、立管号的画法竖向布置的垂直管道系统,应标注立管号,在不一致引起误解时,可只标注序号,但应与建筑轴线编号有明显区别。
立管号的画法十五、管道相对标高的画法1、在无法标注垂直尺寸的图样中,应标注标高。
标高应以m为单位,并应精确到cm或mm。
2、标高符号应以直角等腰三角形表示。
当面标准层较多时,可只标注与本层楼(地)板面的相对标高。
3、水、汽管道所标高未予说明时,应表示为管中心标高。
4、水、汽管道标注管道外底或顶标高时,应在数字前加“底”或“顶”字样。
5、矩形风管所注标高应表示管底标高;圆形风管所注标高应表示管中心标高。
当不采用此方法标注时,应进行说明。
6、平面图中无坡度要求的管道标高可标注在管道截面尺寸后的括号内。
必要时,应在标高数字前加“底”或“顶”的字样。
相对标高的画法十六、管道截面尺寸的标注符号及画法1、低压流体输送用焊接管道规格应标注公称通径或压力。
通风空调设计统一图例
电动对开式多叶调节阀:(电讯号比例调节风阀)
电动多叶送风(排烟)口:电讯号瞬间开启或就地手动开启,电动或手动复位。
定风量调节阀:
70℃防火阀:70°C熔断关闭,手动复位。
150℃防火阀:150°C熔断关闭,手动复位。
280℃防火阀:280°C熔断关闭,手动复位。
70℃防火调节阀:70°C熔断关闭,手动复位;手动调节风量。
280℃防火调节阀:电讯号瞬间自动开启(或关闭),并输出电信号,280℃熔断关闭,电动或手动复位。
70℃电动防火阀:电讯号瞬间自动关闭,并输出电信号;电讯号再次自动开启,70℃熔断关闭,电动或手动复位。
280℃电动防火阀:电讯号瞬间自动关闭,并输出电信号;电讯号再次自动开启,280℃熔断关闭,电动或手动复位。
电动密闭阀:
风管止回阀:
加压阀:常闭,电讯号自动开启。
单层百叶风口:
方形散流器:
圆形散流器:
伞形风帽:
锥形风帽:
筒形风帽:
水泵:
丝堵:压力表:
温度计: 余压阀:
流量计:
截止阀:
闸阀:
球阀:
蝶阀:
电动蝶阀:
安全阀:
角阀:手动排气阀:止回阀:箭头表示介质流向
疏水器:
自动排气阀:压力传感器:
三通阀:
温控阀:
电动二通阀:
电动调节阀:
电动平衡调节阀:电动三通阀:
球形橡胶软接头:减压阀:
平衡阀:
水流开关:
温度传感器:
浮球阀:
金属软管:
套筒伸缩器:
波形伸缩器:
电子(磁)水处理器:
水过滤器:
固定支架:(右为风管平面图)
焊接钢管(镀锌钢管):用公称直径表示例:DN32。
无缝钢管:用外径和壁厚表示例:D108X4(平面图上可用D100表示,壁厚详见施工说明)
螺旋电焊钢管:用外径和壁厚表示例:D600X8
铜管:用外径和壁厚表示例:D16X1.5
圆形风管:直径数字前冠以拉丁字母例:Φ40
矩形风管:平面图为宽x高(系统流程图上的表示和平面图上一致)坡度:坡度值标注在管道上方
流向:用箭头表式介质的流向
标高:单位m,正数不需冠以“+”
天花型排气扇:
板式排烟口:安全阀:。