表7.26 砂料质量评定表填表说明
- 格式:doc
- 大小:11.00 KB
- 文档页数:1
水利水电工程表7.23 石料质量评定表水利水电工程表7.24 水泥砂浆质量评定表表1.18砂料质量评定表注:每生产500m3抽查一组,每组应检测3点。
水利水电工程表7.27粗骨料质量评定表注:每生产500m3抽查一组。
水利水电工程表7.28混凝土拌和质量评定表注:(1)砼28天龄期抗压强度,每100m3砌体取一组试块。
砼面板每个单元至少取一组试块,基础、趾板每一个仓号至少取一组试块。
(2)砼抗渗、抗冻标号取样数量:每个分部工程至少各取2组试块。
水利水电工程表7.26 砂料质量评定表注:每生产500m3抽查一组,每组应检测3点。
水利水电工程表7.27粗骨料质量评定表注:每生产500m3抽查一组。
水利水电工程表7.28混凝土拌和质量评定表注:(1)砼28天龄期抗压强度,每100m3砌体取一组试块。
砼面板每个单元至少取一组试块,基础、趾板每一个仓号至少取一组试块。
(2)砼抗渗、抗冻标号取样数量:每个分部工程至少各取2组试块。
水利水电工程表7.26 砂料质量评定表注:每生产500m3抽查一组,每组应检测3点。
水利水电工程表7.27粗骨料质量评定表注:每生产500m3抽查一组。
水利水电工程表7.28混凝土拌和质量评定表注:(1)砼28天龄期抗压强度,每100m3砌体取一组试块。
砼面板每个单元至少取一组试块,基础、趾板每一个仓号至少取一组试块。
(2)砼抗渗、抗冻标号取样数量:每个分部工程至少各取2组试块。
水利水电工程表7.26 砂料质量评定表注:每生产500m3抽查一组,每组应检测3点。
水利水电工程表7.27粗骨料质量评定表注:每生产500m3抽查一组。
水利水电工程表7.28混凝土拌和质量评定表注:(1)砼28天龄期抗压强度,每100m3砌体取一组试块。
砼面板每个单元至少取一组试块,基础、趾板每一个仓号至少取一组试块。
(2)砼抗渗、抗冻标号取样数量:每个分部工程至少各取2组试块。
水利水电工程表7.26 砂料质量评定表注:每生产500m3抽查一组,每组应检测3点。
表0.1 工程项目施工质量评定表填表说明填表时必须遵守“填表基本规定”,并符合以下要求。
1、程项目名称:按批准的初步设计报告的项目名称填写。
2、工程等级::填写本程项目等别、规模及主要建筑物级别。
3、建设地点:填写枢纽工程建设的具体地名,如省、县、乡。
4、主要工程量:填写2∽3项数量最大及次大的工程量。
混凝土工程必须填写混凝土(包括钢筋混凝土)方量,土石方工程必须填写土石方填筑方量,砌石工程必须填写砌石方是量。
5、项目法人(建设单位):填写全称。
6、设计、施工监理等单位:填写与项目法人签定合同是所用的名称(全称)。
若一个工程项目是由多个施工(或多个设计、监理)单位承担任务时,表中只需填出承担主要任务的单位全称,并附页列出全部承担任务单位全称及各单位所完成的单位工程名称。
若工程项目由一个施工单位总包、几个单位分包完成,表中只填总包单位全称,并附页列出分包单位全称及所完成的单位工程名称。
7、开工日期:填写主体工程开工的年份(4位数)及月份。
竣工日期:填写批准设计规定的内容全部完工的年(4位数)及月份。
8、评定日期:填写工程项目质量等级评定的实际日期。
9、主要建筑物单位工程:主要建筑物指失事后将造成下游灾害或严重影响工程效益的建筑物,如堤坝、泄水建筑物、输水建筑物、电站厂房及泵站等。
10、本表在工程项目批准设计规定的内容已全部完成,各单位工程已进行施工质量等级评定后,由项目总监填写,并进行工程项目质量评定,监理单位负责人签字加盖公章,若工程项目由多个监理单位监理时,各监理单位项目总监负责统计本单位监理的单位工程质量评定结果(含单元工程、分部工程质量统计)及主要工程量统计交项目法人。
再由项目法人委托一个主要监理单位的项目总监汇总各单位统计资料,填写工程项目质量评定表,并签字、盖本监理单位公章,再交项目法人评定,项目法人的法定代表人签字,并盖公章,报质量监督机构核定质量等级,质量监督项目站长或质量监督机构委派的该项目负责人签字,并加盖公章。
单位工程施工质量评定表(示例及填表说明)示例填表时必须遵守“填表基本规则”,并符合以下要求:1、工程项目名称:按批准的初步设计报告的项目名称填写。
2、单位工程名称:按照项目划分时确定的名称填写。
3、单位工程量:只填写本单位工程的主要工程量。
4、分部工程名称:按项目划分时确定的名称填写,并在相应的质量等级栏内加“√”。
主要分部工程是指对工程安全或效益起控制作用的分部工程,应在项目划分时确定。
主要分部工程名称前应加“△”符号。
5、分部工程质量等级:按照经建设、监理复核的质量结论填写。
6、外观质量:以单位工程外观评定结论为准。
7、施工质量检验与评定资料结论:以单位工程资料核查表结论为准。
8、表尾由各单位填写:①施工单位评定人指施工单位质检处负责人,项目经理指该项目质量责任人。
若本单位工程是分包单位施工,本表应由分包单位上述人员填写和自评,总包施工单位质检处负责人和项目经理审查、签字、加盖公章;②监理单位:复核人指单位工程质量负责人。
总监理工程师:实行了监理的工程,由总监理工程师签字,未实行监理的工程由建设单位技术负责人签字;③质量监督机构:核定人指负责本单位工程的质量监督员。
项目监督负责人指项目站长或该项目监督责任人。
(根据水利部令49号,质量监督机构核定质量等级调整为核备质量等级)9、单位工程质量标准合格:①分部工程质量全部合格;②原材料、中间产品全部合格,金属结构与启闭机、机电产品质量合格;③外观质量得分率达到70%以上(注:含70%);④施工质量检验资料基本齐全。
优良:①分部工程质量全部合格,其中50%以上达到优良(注:含50%),主要分部工程质量优良,且未发生过质量事故;②中间产品质量合格,其中混凝土拌和质量优良。
原材料、金属结构与启闭机、机电产品质量合格;③外观质量得分率达到85%以上(注:含85%);④施工质量检验资料齐全。
来源:水利工程项目管理。
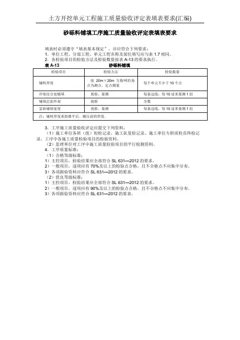
砂砾料铺填工序施工质量验收评定表填表要求
填表时必须遵守“填表基本规定”,并应符合下列要求:
1.单位工程、分部工程、单元工程名称及部位填写应与表1.7相同。
2.各检验项目的检验方法及检验数量按表A-13的要求执行。
3.工序施工质量验收评定应提交下列资料:
(1)施工单位各班(组)初检记录、施工队复检记录、施工单位专职质检员终检记录,工序中各施工质量检验项目的检验资料。
(2)监理单位对工序中施工质量检验项目的平行检测资料。
4.工序质量标准:
(1)合格等级标准:
1)主控项目,检验结果应全部符合SL 631—2012的要求。
2)一般项目,逐项应有70%及以上的检验点合格,且不合格点不应集中分布。
3)各项报验资料应符合SL 631—2012的要求。
(2)优良等级标准:
1)主控项目,检验结果应全部符合SL 631—2012的要求。
2)一般项目,逐项应有90%及以上的检验点合格,且不合格点不应集中分布。
3)各项报验资料应符合SL 631—2012的要求。
________________________工程。
表7.2-2填表说明
填表时必须遵守“填表基本规则”,并符合以下要求:
1、表头单位工程、分部工程、单元工程及施工单位按照表7.2填
写。
2、单元工程量,本工序工程量与单元工程量相同。
3、保证项目项次1质量标准有“符合设计和《施工规范》要求”。
本例是按《碾压式土石坝施工技术规范》SDJ213-83规定执行,故该栏中写出规范名称及编号,并用括号“()”标出。
4、检测数量:铺土厚度(平整后,压实前),采用网格控制,每
100㎡,铺填边线,仪器测量及拉线,每10延米一个测点。
5、允许偏差项目允许偏差项次2分人工施工与机械施工两类,本
例是机械施工在其下打“√”。
实测栏因测量数据较多,故填
写总测点数、实测值范围(最小值~最大值),合格点数。
6、质量标准
合格:保证项目符合相应的质量评定标准;基本项目符合相应的合格质量标准,允许偏差项目每项应有≥70%的测点在允许偏差质量标准的范围内。
优良:保证项目符合相应的质量评定标准;基本项目必须符合优良标准,允许偏差项目每项必须有≥90%的测点在允许偏差质量标准的范围内。
砂子检验报告委托编号:技术负责人:校核人:检验人:砂子检验报告填写说明一、本表是检测机构受委托单位委托,对建筑用砂的有关技术参数进行检测后,用以确定所检参数是否符合相关标准的报告。
二、在依据标准一栏中应明确所采用标准,筛孔尺寸一栏中括号中的数字用于标准JGJ52。
当砂检测报告同于混凝土配合比设计时,必须采用JGJ52。
三、砂的分类:1.按细度模数分为粗、中细3种粗:3.7~3.1 中:3.0~2.3 细:2.2~1.62.按技术要求为分Ⅰ类、Ⅱ类、Ⅲ类,不同技术种类的砂,检测项目的限值不同。
Ⅰ类宜物于强度等级大于C60的混凝土;Ⅱ类宜用于强度等级大于C30~C60及抗冻、抗渗或其它要求的混凝土;Ⅲ类宜于用强度等级小于C30的混凝土和建筑砂浆。
四、砂的表观密度、堆积密度、空隙率应符合如下规定:表观密度大于2500kg/m3,松散堆积密谋大于1350 kg/m3,空隙率小于47%。
五、颗粒级配应符合下表:Ms为细度模数,取两次结果的平均值,如两次试验细度模数之差超过0.20,需要新试验:A1、A2、A3、A4、A5、A6分别为4.75mm、2.36mm、1.18mm、600μm、300μm、150μm筛的累计筛余百分率。
六、试验样品送样注意事项普通混凝土用砂子的技术指标应符合《普通混凝土用砂、石质量标准及检验方法标准》JGJ52-2006的规定,桥梁工程混凝土用砂子应符合CJJ2-2008第7.13.8条的规定。
购货单位应按同产地、同规格分批验收。
用大型工具(如火车、货船或汽车)运输的,以400m3或600t为一验收批。
用小型工具(如马车、农用车)运输的,以200m3或300t为一验收批。
不足上述数量者以一批论。
当砂质量比较稳定,进量又很大时,可以1000t为一验收批。
在料堆上取样时,取样部位应均匀分布。
取样前先将取样部位表层铲除,然后对各部位抽取大致相等的8份,组成一组样品。
通过皮带运输机的材料,应从皮带运输机上采集样品。
7.26填表说明
填表时必须遵守“填表基本规则”,并符合以下要求:
1、本表是中间产品质量评定表。
表头产地,填写砂料出产地名。
数量:填写本批砂样所代表的砂料数量。
2、检验日期:填写本批砂料检验的开始及终止日期。
3、检测数量:每生产500 m3抽查一组,当料场有变动或同一料场
品质有变化时,应抽查一组,但最少每生产2000 m3石料抽查一组(每组应检测3点)。
4、检验记录:填写抽样组数、实测值(最小值~最大值)、合格组
数。
5、质量标准:
合格:保证项目符合质量标准,基本项目每项应有≥70%测点符合质量标准。
优良:保证项目符合质量标准,基本项目每项须有≥90%测点符合质量要求。