护坡砂(石)垫层单元工程施工质量验收评定表
- 格式:doc
- 大小:13.97 KB
- 文档页数:1
ICS 27. 140SL P 55中华人民共和国水利行业标准SL 634-2012替代 SL 239-1999水利水电工程单元工程施工质量验收评定标准-—堤防工程Inspection and assessment standard for separated item project construction quality of water conservancyand hydroelectric engineering— Levee works2012-09-19发布 2012-12—19实施中华人民共和国水利部发布中华人民共和国水利部关于批准发布水利行业标准的公告2012年第57号中华人民共和国水利部批准《水利水电工程单元工程施工质量验收评定标准—-土石方工水利部2012年9月19日前言根据水利部2004年水利行业标准制修订计划,按照《水利技术标准编写规定》(SL1—2002)的要求,修订《堤防工程施工质量评定与验收规程》(试行)(SL 239-1999),修订后的标准名称为《水利水电工程单元工程施工质量验收评定标准——堤防工程》。
本标准共11章3节76条1个附录,主要技术内容包括:一一本标准的适用范围;一一单元工程划分的原则以及划分的组织和程序;——单元工程质量验收评定的组织、条件、方法;——堤防工程施工质量检验项目、质量要求、检验方法和检验数量.本次修订的主要内容有:——增加了术语;——增加了基本规定。
明确了验收评定的程序,强化了在验收评定中对施工过程检验资料、施工记录的要求;一一增加堤身与建筑物结合部填筑、沉排护脚、石笼护坡、现浇混凝土护坡、模袋混凝土护坡、灌砌石护坡、植草护坡、防浪护堤林、河道疏浚等单元工程的施工质量验收评定标准;一一将原规程施工质量检验项目的“检查项目”和“检测项目”,统一修订为“主控项目”和“一般项目”;将原规程土料碾压筑堤、黏土防渗体填筑、砂质土堤堤坡堤顶填筑(包边盖顶)合并到土料碾压筑堤;护坡垫层、毛石粗排护坡、干砌石护坡、浆砌石护坡、混凝土预制块护坡合并到护坡工程;一一删减了工程项目划分、施工质量评定和工程验收3章。
水利水电工程施工质量验收评定表及填表说明二〇一三年十月编写说明为进一步加强水利水电工程施工质量管理,统一工程施工质量验收评定标准,规范工程验收评定工作,水利部于2012年9月以[2012]第57号公告发布了《水利水电工程单元工程施工质量验收评定标准》(SL631~637—2012)(以下简称《新标准》),包括土石方工程、混凝土工程、地基处理与基础工程、堤防工程、水工金属结构安装工程、水轮发电机组安装工程、水力机械辅助设备系统安装工程,自2012年12月开始实施。
新标准替代原《水利水电基本建设工程单元工程质量等级评定标准(试行)》(SDJ249.1~6—88)和《水利水电基本建设工程单元工程质量等级评定标准(七)——碾压式土石坝和浆砌石坝》(SL 38—92)、《堤防工程施工质量评定与验收规程(试行)》(SL 239—1999)。
为帮助我省广大工程技术人员学习领会和准确执行《新标准》,规范填写工程内业施工质量评定表,依据《新标准》,在借鉴其它省施工质量验收评定表的基础上,我们编制了电子版的《水利水电工程施工质量评定表及填表说明》,并刻录成光盘以方便大家在水利工程质量管理工作中使用。
全部表格共分三部分,总计463个表。
第一部分为工程项目、单位、分部工程质量评定表,共计17个表(电子版文件为表0),包含单位工程质量等级核定前需填写的8个附表。
第二部分为单元(工序)质量评定表,计435个表(电子版文件为表1~7)。
其中:表1.土石方工程50个表(电子版文件为表1),表2.混凝土工程60个表(电子版文件为表2),表3.地基处理与基础工程52个表(电子版文件为表3),表4.堤防工程58个表(电子版文件为表4),表5.水工金属结构安装工程50个表(电子版文件为表5),表6.水轮发电机组安装工程121个表(电子版文件为表6),表7.水力机械辅助设备系统安装工程44个表(电子版文件为表7),并逐个编写了填表说明。
软基或土质岸坡开挖施工质量验收评定表
软基或土质岸坡开挖施工单元工程质量三检表
现浇混凝土护坡单元工程施工质量验收评定表
现浇混凝土护坡单元工程施工质量三检表
砂〔石〕垫层单元工程施工质量验收评定表
砂〔石〕垫层单元工程施工质量三检表
土料压实施工质量验收评定表表6.2.6
土料压实施工质量三检表
接缝处理施工质量验收评定表
接缝处理施工质量三检表
卸料及铺填施工质量验收评定表
卸料及铺填施工质量三检表
混凝土浇筑施工质量验收评定表
外观质量验收评定表
混凝土浇筑施工质量三检表
外观质量三检表
模板制作及安装施工质量验收评定表
模板制作及安装施工质量三检表
钢筋制作及安装施工质量验收评定表表4.4.2-1
钢筋制作及安装施工质量三检表。
附件2
浆砌石护坡单元工程施工质量验收评定表填表要求填表时应遵守“填表基本规定”,并应符合以下要求:
1 .单元工程划分:平顺护岸的浆砌石护坡工程宜按施工段长60〜IOOnI划分为一个单元工程,丁坝、垛的护坡工程宜按每个坝、垛划分为一个单元工程。
2 .单元工程量:填写本单元工程浆砌石护坡体积和面积(m3,m2)<,
3 .检验项目、检验方法及检验数量按下表的要求执行。
4 .单元工程施工质量标准:
(1)合格等级标准:
1)主控项目:检测项目检查结果应全部符合质量要求;检查项目检查结果应全部符合质量要求,其检验点的合格率按100%计。
2)一般项目:检测项目逐项应有70%及以上的检验点合格,且不合格点不应集中;检查项目逐项检查结果应基本符合颁量要求,其检验点的合格率按70%ito
3)各项报验资料应符合S1634—2012等相关技术标准的要求。
(2)优良等级标准:
1)主控项目:检测项目检查结果应全部符合质量要求;检查项目检查结果应全部符合质量要求,其检验点的合格率按100%计。
2)一般项目:检测项目逐项应有90%及以上的检验点合格,且不合格点不应集中;检查项目逐项检查结果应符合质量要求,其检验点的合格率按90%计。
3)各项报验资料应符合S1634—2012等相关技术标准的要求。
浆砌石护坡单元工程施工质量验收评定表。
水利水电工程单元工程施工质量验收评定标准——堤防工程SL 634-2012堤防工程单元工程质量验收评定表(共有31个表)本部分系根据中华人民共和国水利部批准《水利水电工程单元工程施工质量验收评定标准——堤防工程》(SL 634-2012)编制。
本标准适用于1级、2级、3级堤防工程的单元工程施工质量验收评定,4级、5级堤防工程可参照执行。
《评定表》改变了原标准中质量检验项目分类。
将原标准中的“保证项目”、“基本项目”、“主要项目”、“一般项目”等统一规定为“主控项目”和“一般项目”两类;工序名称前加“△”为主要工序。
《水利水电工程单元工程施工质量验收评定表》(以下简称《评定表》)是检验与评定施工质量的基础资料,也是进行工程维修和事故处理的重要参考。
工程竣工验收后,《评定表》归档长期保存。
因此,对《评定表》的填写,作如下基本规定:1.单元(工序)工程完工后,应及时评定其质量等级,并按现场检验结果,如实填写《评定 表》。
工序和单元工程施工质量等各类项目的检验,应采用随机布点和监理工程师现场指定区位相结合的方式进行。
检验方法及数量应符合本标准和相关标准的规定。
检验项目分为主控项目和一般项目。
单元工程按工序划分情况,分为划分工序单元工程和不划分工序单元工程。
划分工序单元工程应先进行工序施工质量验收评定。
在工序验收评定合格和施工项目实体质量检验合格的基础上,进行单元工程施工质量验收评定。
不划分工序单元工程施工质量验收评定,在单元工程中所包的检验项目检验合格和施工项目实体质量检验合格的基础上进行。
2.工序和单元工程施工质量验收评定表及其备查资料的制备质量由工程施工单位负责,其规格宜采用国际标准A4(210mmX297mm)验收评定表一式4份,备查资料一式2份,其中验收评定及备查资料各1份应由监理单位保存,其余应由施工单位保存。
3. 《评定表》应使用蓝色或黑色墨水钢笔填写,不得使用圆珠笔、铅笔填写。
4.文字。
应按国务院颁布的简化汉字书写。
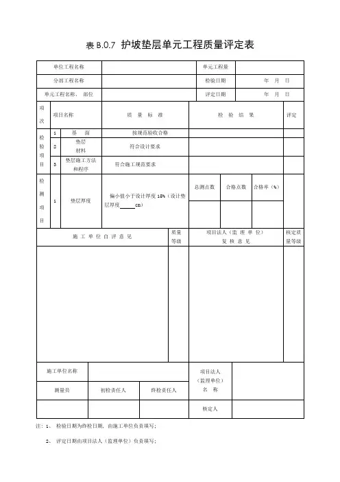
表4.7 护坡工程砂(石)垫层单元工程施工质量验收评定表
表4.8 护坡工程土工织物铺设单元工程施工质量验收评定表
表4.9 毛石粗排护坡单元工程施工质量验收评定表
表4.10 石笼护坡单元工程施工质量验收评定表
表4.11 干砌石护坡单元工程施工质量验收评定表
表4.12 浆砌石护坡单元工程施工质量验收评定表
表4.13 混凝土预制块护坡单元工程施工质量验收评定表
表4.14 现浇混凝土护坡单元工程施工质量验收评定表
表4.15 模袋混凝土护坡单元工程施工质量验收评定表
表4.16 灌砌石护坡单元工程施工质量验收评定表
表4.17 植草护坡单元工程施工质量验收评定表
表4.18 防浪护堤林单元工程施工质量验收评定表。
水利水电工程施工质量验收评定表及填表说明水利水电建设管理与质量安全中心二〇一三年十月填表基本规定《水利水电工程施工质量验收评定表》(以下简称《评定表》)是检验与评定施工质量的基础资料,也是进行工程维修和事故处理的重要凭证,是工程验收的备查资料。
工程竣工验收后,《评定表》作为档案资料长期保存。
因此,按档案管理有关要求对《评定表》的填写作如下基本规定:(1)单元(工序)工程完工后,在规定时间内及时评定其质量等级,并按现场检验结果,客观真实地填写《评定表》。
(2)现场检验应遵守随机布点与监理工程师现场指定区位相结合的原则,检验方法及数量应符合《新标准》和相关标准的规定。
(3)若手工填写,应使用蓝色或黑色墨水钢笔,字迹应工整、清晰;若计算机打印,输入内容的字体应与表格固定内容不同,以示区别,字号可以相同或相近,匀称为宜。
质量意见和质量结论及签字部分(包括日期)不可打印。
(4)验收评定表与备查资料的制备规格采用国际标准A4 (210mm×297mm)。
(5)数字要使用阿拉伯数字(1,2,3,…,9,0),单位使用法定计量单位,并以规定的符号表示(如m,kg,m³,…)。
数据与数据之间用逗号(,)隔开,小数点要用圆点(.)。
合格率用百分数表示,小数点后保留1位,如果恰为整数,则小数点后以0表示。
(6)手工填写修改错误时,将错误部分用斜线划掉,再在右上方填写正确的文字或数字。
禁止使用改正液、橡皮擦、刀片刮等不标准方法。
(7)表头填写:单位工程、分部工程、单元工程名称,按项目划分确定的名称填写。
单元工程部位可用桩号、高程、到轴线(中心线)距离表示,原则是使该单元从空间(三维)上受控,必要时附图示意。
“施工单位”栏要填写与项目法人签订承包合同的施工单位全称。
(8)“质量标准”栏中,凡有“符合设计要求”者,应注明设计要求的具体内容,如内容较多可附页说明;凡有“符合规范要求”者,应标出所执行的规范名称和编号。
表4.7单元工程量施工单位施工日期质量要求合格数合格率
允许偏差±15%
设计厚度
符合设计要求
符合设计要求
单位工程名称
分部工程名称
单元工程名称、部位
年 月 日-- 年 月 日项次检验项目检查记录1
砂、石级配符合设计要求2垫层基面坡度2砂、石垫层厚度1
垫层基面表面平整度注:本表所填“单元工程量”不作为施工单位工程量结算计量的依据。
护坡砂(石)垫层单元工程施工质量验收评定表___________________________________工程
主
控
项
目
一般
项目施工
单位
自评
意见监理
单位
复核
意见主控项目检验点全部合格,一般项目逐项检验点的合格率均不小于______%,且不合格点不集中分布。
各项报验资料_______SL 634—2012的要求。
工序质量等级评定为:______。
(签字,加盖公章) 年 月 日
经复核,主控项目检验点全部合格,一般项目逐项检验点的合格率均不小于______%,且不合格点不集中分布。
各项报验资料______SL 634—2012的要求。
工序质量等级评定为:______。
(签字,加盖公章) 年 月 日。
G2—47 护坡施工检验批质量检验记录表
CJJ 1—2008
“检验批主控项目计数检验记录表”(G1-1-1),然后将计数检验结果填写在本表相应的检查结果栏内;检验批一般项目计数检验数据较多、本表空格不够填写的项,可填写“检验批一般项目计数检验记录表”(G1-1-2),将该表作为本表的附页。
护坡质量检验标准(CJJ1-2008)
16.11.5 护坡质量检验应符合下列规定:
一般项目
1 预制砌块强度应符合设计要求。
检查数量:每种、每检验批1组(3块)。
检验方法:查出厂检验报告。
2 砂浆强度应符合本规范第14.5.3条第7款的规定。
3 基础混凝土强度应符合设计要求。
检查数量:每100m³1组(3块)。
检验方法:查试验报告。
4砌筑线型顺畅、表面平整、咬砌有序、无翘动。
砌缝均匀、勾缝密实。
护坡顶与坡面之间缝隙封堵密实。
检查数量:全数检查。
检验方法:观察。
5 护坡允许值偏差应符合表16.11.5的规定。
表16.11.5 护坡允许偏差
注:H为墙高。