砂垫层和砂石垫层检验批质量验收记录表(Ⅲ)
- 格式:xls
- 大小:17.00 KB
- 文档页数:2
砂垫层和砂石工程垫层工程质量验收记录表(doc 2页)
砂垫层和砂石工程垫层工程检验批质量验收记录表(Ⅲ)
GB50209—2002
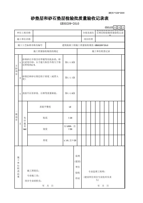
030101□□
单位(子单位)工程名称
分部(子分部)工程名称验收部位
施工单位项目经理
分包单位分包项目经理
施工执行标准名称及编号
施工质量验收规范的规定施工单位检查评定记录监理(建设)单位验收记录
主控项目1 砂和砂石质量第4.4.3条
2 垫层干密度设计要求
一般项目
1
允
许
偏
差
垫层表面质量第4.4.5条
2 表面平整度15mm
3 标高±20mm
4 坡度
不大于各房间相应
尺寸2/1000,且≯
5 厚度(H)≯1/10H
施工单位检查评定结果
专业工长(施工员)施工班组长
项目专业质量检查员:年月日监理(建设)单位验收结论
专业监理工程师:
(建设单位项目专业技术负责人)年月日
说明。
砂垫层和砂石垫层检验批质量验收记录砂垫层和砂石垫层是一种常见的道路工程材料,用于改善道路的稳定性和承载能力。
为了确保道路工程的质量和安全,对砂垫层和砂石垫层进行质量验收是必要的。
下面是一份砂垫层和砂石垫层检验批质量验收记录,详细描述了验收过程和结果。
二、工程地点:xxx三、施工单位:xxxx四、施工日期:xxxx年xx月xx日五、监理单位:xxxx六、质量验收情况:1.砂垫层施工情况:(1)施工前,监理单位按照规范要求检查了砂垫层的施工队伍,确认人员素质达标。
(2)施工前,监理单位对施工现场进行了勘察和测量,确认地基平整度符合要求。
(3)在砂垫层施工过程中,监理单位进行了多次抽样检测,包括砂垫层材料的颗粒级配、密度和含水率等。
(4)监理单位对砂垫层厚度进行了测量,结果符合设计要求。
(5)砂垫层施工完毕后,监理单位对施工质量进行了全面的检查,未发现明显质量问题。
2.砂石垫层施工情况:(1)施工前,监理单位按照规范要求检查了砂石垫层的施工队伍,确认人员素质达标。
(2)施工前,监理单位对施工现场进行了勘察和测量,确认砂垫层表面平整度符合要求。
(3)在砂石垫层施工过程中,监理单位进行了多次抽样检测,包括砂石垫层材料的颗粒级配、密度和含水率等。
(4)监理单位对砂石垫层厚度进行了测量,结果符合设计要求。
(5)砂石垫层施工完毕后,监理单位对施工质量进行了全面的检查,未发现明显质量问题。
七、质量验收结论:经过仔细检查和严格抽样测试,砂垫层和砂石垫层的施工质量符合规范要求。
砂垫层的厚度、颗粒级配、密度和含水率等指标均符合设计要求。
砂石垫层的厚度、颗粒级配、密度和含水率等指标亦符合设计要求。
施工过程中没有发现明显的质量问题。
八、质量验收意见:根据以上质量验收结果,砂垫层和砂石垫层施工质量符合要求,可以进入下一道工序。
九、质量验收人员签字:以上是一份砂垫层和砂石垫层检验批质量验收记录,详细记录了验收过程和结果。
这份记录可以作为工程质量验收的依据,确保道路工程的质量和安全。