次供水泵房日常检查保养记录表
- 格式:doc
- 大小:39.50 KB
- 文档页数:2
水泵房设备设施例行保养记录表物业服务中心年类别: 设备房编号责任人注:逢高级保养,低级保养可以不做。
已做“√” ,没有的项目“ / ”,更换部件在备注记录。
水泵房设备设施例行保养记录表物业服务中心年类别: 设备编号责任人注:逢高级保养,低级保养可以不做。
已做“√” ,没有的项目“ / ”,更换部件在备注记录。
水泵房设备设施一级保养记录表物业服务中心年类别: 设备房编号责任人注:逢高级保养,低级保养可以不做。
已做“√” ,没有的项目“ / ”,更换部件在备注记录。
水泵房设备设施一级保养记录表物业服务中心年类别: 设备房编号责任人注:逢高级保养,低级保养可以不做。
已做“√” ,没有的项目“ / ”,更换部件在备注记录。
物业服务中心责任人注:逢高级保养,低级保养可以不做。
已做“√” ,没有的项目“ / ”,更换部件在备注记录。
水泵房设备设施二级保养记录表设备房编号责任人物业服务中心年类别水泵房设备设施二级保养记录表物业服务中心年类别: 设备房编号责任人注:逢高级保养,低级保养可以不做。
已做“√”,没有的项目“ / ”,更换部件在备注记录。
水泵房设备设施二级保养记录表物业服务中心年类别: 设备房编号责任人注:逢高级保养,低级保养可以不做。
已做“√” ,没有的项目“ / ”,更换部件在备注记录。
中央空调维修例行保养记录表物业服务中心年设备房编责任人保养项目日常维护保养检查、清洁、防腐、紧固、润滑盘车、试车、小故障排除日常维护保养周期日常维护保养记录完成情况时间完成情况时间冷却塔电机、风扇加润滑油半月调整太松的皮带,松动的皮带轮半月更换开裂、磨损严重的皮带半月检查布水器是否布水均匀半月修复动作不可靠的补水浮球阀半月拧紧所有紧固件半月清洁整个冷却塔外表半月风机盘管给风机加注润滑油半月清洗空气过滤网每周清洁风机风叶、盘管、积水盘半月清除盘管内壁水垢半月拧紧所有紧固件半月清洁风机盘管外壳半月冷却水泵机组冷冻水泵机组电机轴承加注润滑油半月修整有碰壳现象的电机风叶半月冷却水泵机组冷冻水泵机组水泵轴承加注润滑油半月加压盘根(漏水成线)半月更换弹性连轴器弹性橡胶垫半月拧紧所有紧固件半月控制部分(交流接清洁控制柜内外灰尘、脏物半月维修保养情况审核备注注:逢高级保养,低级保养可以不做。
二次供水加压泵房日常巡查、保养记录表
地址:设备编号:年月项
目
日期时间
机房环境门前标识门锁,挡板卫生清洁
温湿度
通风照明灭火器
应急灯
设备状况电源柜积尘,外观运行状况
控制柜积尘,外观
1号水泵状
况、外观
2号水泵状
况、外观
3号水泵状
况、外观
变频器运行
状况
水池水位浮球阀动作
管道外观
油漆
设备标识
挂牌
巡查人
备注
注:1、此表格请认真填写记录,填写方式为文字,把工作内容详细记录,不能打。
部门经理审核签名:
2、每天巡查一次,每月3号前回收,部门经理审核并签名,然后保存档案。
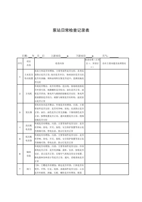
二次供水泵房日常检查保养记录表
项目:属城8.号公馆区域:9栋负2层
检查情况
巡查内容日期
二次供水泵运行是否正常,无异声,运行电流/进出口压力正常。
控制柜转换开关/按钮/电流/电压表及指示灯正常,启动正常可靠。
二次供水泵及控制正常,浮球阀工作安全可靠。
管路/阀门等无跑,冒,滴,漏现象
机房温度/清洁/照明良好
主管压力(Mpa)
水池水位(CM)
说明:1、本表记录机电值班员的日常设备巡查及养护内容。
2、如设备无异常且已根据运行状况进行了润滑,消漏,清洁等日常养护打‘√’,如有异常打‘X’,并将异常情况记录在值班记录表中并实施情况进行实时跟进。
3、值班员须认真检查养护设备,详实填写检查养护结果。
每天1次,遇有异常情况应增加巡视次数。
水泵维护保养记录表
背景信息
水泵作为重要的设备需要定期进行维护保养,以确保其正常运行并延长使用寿命。
本文档旨在记录水泵的维护保养情况,便于及时发现问题并采取相应措施。
基本信息
- 水泵名称:
- 水泵型号:
- 安装位置:
- 维护保养人员:
- 维护保养日期:
维护保养记录
备注
在维护保养过程中发现任何问题,请及时记录并详细描述。
如有需要,可以在此部分添加备注信息。
下次维护保养计划
请根据实际情况填写下次维护保养计划的日期和内容。
以上为《水泵维护保养记录表》的内容,旨在帮助记录水泵的维护保养情况并进行及时管理。
有任何问题或需求,请随时与我们联系。
.水泵房设备设施例行保养记录表水泵房设备设施例行保养记录表物业服务中心年类别: 设备编号责任人水泵房设备设施一级保养记录表.水泵房设备设施一级保养记录表.水泵房设备设施一级保养记录表物业服务中心年类别: 设备房编号责任人水泵房设备设施二级保养记录表水泵房设备设施二级保养记录表水泵房设备设施二级保养记录表物业服务中心年类别: 设备房编号责任人注:逢高级保养,低级保养可以不做。
已做“√”,没有的项目“/”,更换部件在备注记录。
中央空调维修例行保养记录表物业服务中心年设备房编号责任人注:逢高级保养,低级保养可以不做。
已做“√”,没有的项目“/”,更换部件在备注记录。
物业服务中心年设备房编号责任人物业服务中心年设备房编号责任人物业服务中心年设备房编号责任人物业服务中心年设备房编号责任人中央空调维修二级保养记录表中央空调维修二级保养记录表水泵房巡查记录——————————事故报告部门:年月日水池(箱)清洗消毒记录表柴油发电机运行记录表优质范文电梯运行记录栋号电梯年№:优质范文中央空调系统运行记录物业服务中心设备房编号年月№:优质范文监控室值班记录物业服务中心年月日№:优质范文消防组织和消防设施情况表优质范文消防系统月检查保养记录表物业服务中心设备房编号年防火责任人优质范文.消防系统年(半年)检查保养记录表物业服务中心设备房编号年防火责任人有偿维修服务单公共设施维修单公共设施维修单.柴油发电机月保养记录表物业服务中心年设备编号责任人.Ⅲ级设备保养、检查记录表物业服务中心机电设备统计表机电设备年度(保养)检修计划编制:审核:批准:日期:日期:日期:水池(箱)加药记录表物业服务中心№:②1-4月及11-12月每个月加药一次。
设备完好率统计表设备完好率统计汇总表时间:.用 (电、水)分析图表制表人:.监控设备月保养记录表物业服务中心年设备编号责任人.避雷系统年检测保养记录表部门:物业服务中心年设备编号责任人物业服务中心年设备编号责任人.正压风机二级保养记录表物业服务中心年设备编号责任人.停车场管理/道闸系统月保养记录表车场位置:年月日说明:本纪录由负责保养人填写。
二次供水泵房日常检查保养记录表
项目:属城8.号公馆区域: 9栋负2层年月
检查情况
巡查内容
日期
二次供水泵运行是
否正常,无异声,运行电
流/进出口压力正常。
控制柜转换开关/按
钮/电流/电压表及指示
灯正常,启动正常可靠。
二次供水泵及控制
正常,浮球阀工作安全可
靠。
管路/阀门等无跑,
冒,滴,漏现象
机房温度/清洁/照
明良好
主管压力(Mpa)
水池水位(CM)
巡视保养人
1
说明:1、本表记录机电值班员的日常设备巡查及养护内容。
2、如设备无异常且已根据运行状况进行了润滑,消漏,清洁等日常养护打‘√’,如有异常打‘X’,并将异常情况记录在值班记录表中并实施情况进行实时跟进。
3、值班员须认真检查养护设备,详实填写检查养护结果。
每天1次,遇有异常情况应增加巡视次数。
2。
二次供水加压泵房日常巡查、保养记录表
地址:设备编号:年月项
日期时间
目
门前标识
门锁,挡板
卫生清洁
机
房
温湿度
环
境
通风照明
灭火器
应急灯
电源柜积
尘,外观
运行状况
控制柜积尘,
外观
1号水泵状
况、外观
2号水泵状
况、外观
设 3 号水泵状
备况、外观
状变频器运行
况状况
水池水位
浮球阀
动作
管道外观
油漆
设备标识
挂牌
巡查人
备注
注: 1、此表格请认真填写记录,填写方式为文字,把工作内容详细记录,不能打“√”。
部门经理审核签名:
2、每天巡查一次,每月 3 号前回收,部门经理审核并签名,然后保存档案。