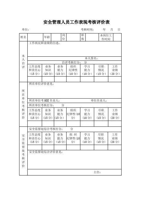
公司安全管理人员工作考核表模板
- 格式:xls
- 大小:26.00 KB
- 文档页数:2
安全管理人员安全生产责任制考核表背景为了加强企业安全管理,确保安全生产,制定和实施安全管理人员安全生产责任制,是企业安全生产的基本保障措施之一。
考核安全管理人员的安全生产责任制是否落实,能否有效地推动企业安全管理与生产,对于预防和减少安全生产事故、提升企业安全生产水平具有重要的作用。
因此,本文档旨在提供一份安全管理人员安全生产责任制考核表,以便企业安全管理部门能够更好地实施安全生产责任制,并对其进行有效的考核与监管。
考核表格序号检核项目合格标准得分1 熟悉安全生产法律法规、政策和标准,能熟练运用相关法律法规、政策和标准开展工作具备相关法制知识,能运用法律法规、政策和标准指导工作/52 负责制订本部门的安全生产责任制和操作规程、操作规范责任制完整、合理、有效,规程、规范明确、具体/103 能够组织安全培训,为生产经营部门及员工提供必要的安全知识和技能培训组织全面、及时,培训内容准确、有效、实用/104 能指导所辖部门制定并严格执行安全生产目标,开展各项安全文明生产活动安全生产目标准确明确,安全生产文明活动丰富多彩,工作稳步推进/155 能制定应急预案,并有针对性开展演练预案完整、紧密结合生产实际,演练内容有效、真实/10序号检核项目合格标准得分6 能开展安全事故隐患排查和整改工作工作及时、深入,隐患排查和整改有计划、有针对性、有成效/157 能参与应急事件处置工作,对紧急情况时刻保持警惕应急处置工作能力强,危急时刻果断有力,情况反应敏捷/108 能维护生产环境卫生,对生产场所进行管理和维护生产环境干净、整洁、有序,场所管理和维护工作及时、有效/109 能按要求做好安全信息的收集工作,及时了解和掌握近期安全信息,做好工作预防和应对工作准备安全信息收集及时、全面,且能有针对性展开工作预防和应对工作准备/10使用说明1.此安全管理人员安全生产责任制考核表可直接复制本文档,并根据实际情况进行修改和调整;2.本文档中,考核项目为具体的工作内容,合格标准为具体的考核标准,都需要根据实际情况进行具体修改;3.本文档中的得分权重,为具体工作重要程度的体现,可根据实际情况进行调整。
工程经理安全生产责任制考核评分表考核单位:临沭县天泰建设公司第一工程部被考核单位:崔社宏
考核经管人员姓名:胡尊涛职务:施工技术员单位:临沭县天泰建设公司第一工程部
考核经管人员姓名:王磊职务:质检员单位:临沭县天泰建设公司第一工程部
经管人员安全生产责任制考核表
考核经管人员姓名:李静职务:安全资料员单位:临沭县天泰建设公司第一工程部
考核经管人员姓名:王爱玉职务:安全员单位:临沭县天泰建设公司第一工程部
考核经管人员姓名:王超银职务:木工班组长单位:临沭县天泰建设公司第一工程部
考核经管人员姓名:刘春卫职务:钢筋班组长单位:临沭县天泰建设公司第一工程部
考核经管人员姓名:徐之民职务:瓦工班组长单位:临沭县天泰建设公司第一工程部
考核经管人员姓名:胡顺学职务:砼班组长单位:临沭县天泰建设公司第一工程部
考核经管人员姓名:高志波职务:架子班组长单位:临沭县天泰建设公司第一工程部
11 / 11。
管理人员安全生产责任制考核表背景在现代企业中,安全生产问题日益受到重视。
作为企业的管理人员,应该对安全生产负有重要责任。
为了确保企业安全生产工作的顺利进行,管理人员需要定期接受安全生产责任制考核。
目的本文档的目的是规范管理人员安全生产责任制考核的流程和内容,确保安全生产责任制的落实。
考核流程1.管理人员需每年接受一次安全生产责任制考核。
2.考核机构应由企业内部专业机构组织。
3.考核内容应涵盖以下方面:–理解和执行国家法律法规和企业安全管理制度;–带头组织安全生产活动和应急演练;–及时发现和处理安全生产事故;–制定并执行安全生产措施。
考核内容1. 理解和执行国家法律法规和企业安全管理制度考核内容:•是否了解国家法律法规和企业安全管理制度;•是否按要求执行国家法律法规和企业安全管理制度;•是否积极推动安全生产文化建设。
2. 带头组织安全生产活动和应急演练考核内容:•是否带头组织或参与安全教育培训、安全生产月活动等;•是否参与制定安全生产目标、计划和措施;•是否带头组织或参与应急演练,检验应急预案。
3. 及时发现和处理安全生产事故考核内容:•是否定期开展安全检查,发现和控制安全风险;•是否建立完善的安全生产档案和事故报告制度;•是否及时向上级和公安部门报告重大事故。
4. 制定并执行安全生产措施考核内容:•是否建立安全管理制度、操作规程和安全文明班组;•是否认真实事求是评估企业生产活动、生产设备、职工及其他可能造成事故的因素;•是否落实安全生产措施,建立和完善预防措施。
考核评分考核采取定量评分方法,总分为100分。
综合考虑以上四个方面的考核内容,给出相应的评分标准:1.理解和执行国家法律法规和企业安全管理制度:25分;2.带头组织安全生产活动和应急演练:25分;3.及时发现和处理安全生产事故:25分;4.制定并执行安全生产措施:25分。
总结根据管理人员安全生产责任制考核表的考核流程和内容,企业可以建立相应的安全生产责任制考核体系,以此对管理人员的安全生产责任进行有效的管理和落实。
安全考核表 (企业通用版) 1.企业基本情况
企业名称:
组织机构代码:
行业:
企业规模:
企业地址:
2.安全管理人员及责任部门
安全管理人员姓名:
所属责任部门:
联系
3.安全制度和管理措施
3.1 安全制度
是否建立了公司内部安全制度?是否建立了员工安全培训制度?是否建立了应急预案制度?
3.2 安全管理措施
是否建立了安全管理责任制?
是否制定了安全生产规章制度?是否设立了安全生产管理机构?是否进行过安全隐患排查和整改?
4.安全设施和装备
是否配备了相应的消防设施?
是否配备了紧急救援设备和药品?是否配备了安全警示标志?
5.安全生产现状
是否存在安全生产事故?
近一年内是否发生过安全生产事故?是否建立了安全生产记录台账?
6.安全监督和管理措施落实情况
是否参与过安全监督检查?
是否按照监督检查要求进行整改?
7.安全培训和教育情况
是否开展过员工安全培训?
培训的内容和方式是什么?
是否建立了安全教育档案?
8.安全奖惩措施
是否建立了安全奖惩制度?
近一年内是否采取了安全奖励措施?近一年内是否采取了安全惩罚措施?
9.安全改进和风险防控措施
近一年内是否进行过安全评估和改进?
是否采取了控制风险的措施?
是否建立了安全风险管理体系?
以上为企业的安全考核表格,希望能够对企业的安全管理情况进行全面了解和评估。
请您配合填写相关内容,以便进行进一步的安全风险管理和改进工作。
如有问题或需要进一步的指导,请及时联络安全管理人员。
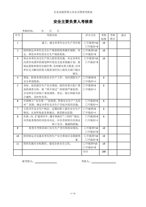
安全主要负责人核查表核查时间:年月日序号核查内容评分方法1成立、健全本单位安全生产责任制□不做到 -10□不做好 -5 2组织拟定本单位安全生产规章制度和操作规程,审□不做到 -10定、颁发本单位的安全生产规章制度;□不做好 -5 3保证本单位安全生产投入的有效推行,判定本单位□不做到 -10改进劳动条件的规划和年度安全技术措施计划,按□不做好 -5规定提取和使用安措经费,及时解决重要隐患。
对本单位无力解决的重要隐患及时向上级有关部门提出报告。
4督促、检查本单位的安全生产工作,及时除掉生产□不做到 -8安全事故隐患;□不做好 -4 5及时、如实报告生产安全事故,组织对重要伤亡事□不做到 -8故的检查解析,按“四不放过”的原则严肃办理,□不做好 -4并对所发生的伤亡事故检查、登记、统计和报告的正确性、及时性负责;6牢固成立“安全第一”的思想,贯彻安全生产“五□不做到 -8同时” 原则,确定本单位安全生产目标并组织推行;□不做好 -47主持召开安全生产例会,如期向职工报告安全生产□不做到 -8情况,认真听取建讲和建议,接受公众督查;□不做好 -4 8在新、改、扩建项目中,遵守和执行“三同时”规□不做到 -8定,对其他重要的经济技术决定,应负责制度拥有□不做好 -4保证职工安全、健康的措施;9检查并核查各部门安全生产责任制落实情况;□不做到 -10□不做好 -5 10组织拟定并推行本单位的生产安全事故应急救援预□不做到 -10案。
□不做好 -5 11组织推行安全标准化,建设公司安全文化。
□不做到 -10□不做好 -5合计被核查人:核查人:核查核查备注标准得分10101088888101010100安全管理人员核查表核查时间:年月日序号核查内容1协助主要负责人领导本单位的安全生产工作,对分管的安全工作负直接领导责任,详细领导和支持安全、生产部门展动工作;2组织职工学习安全生产法规,标准及有关文件,主持拟定安全生产管理制度和安全技术操作规程,如期检查执行情况;3协助主要负责人做好召开安全生产例会的准备工作,对例会决定的事项,负责组织贯彻落实,主持召开生产会议,并同时部署安全生产的有关事项;4主持拟定、如期校正本单位的安全生产规章制度、安全技术规程和编制安全技术措施计划,并认真组织推行;5组织车间和有关部门如期睁开各种形式的安全检查,发现重要隐患,马上组织有关人员研究解决,或向主要负责人及上级有关部门提出报告。
安全监督管理人员考核表
安全监督管理人员津贴发放表
安全安全总监:考核组组长:制表人:
年月日年月日年月日
安全管理人员学习、培训记录
C、管理目标考核表
管理目标、控制指标一览表
项目经理:
管理目标、控制指标分解表
批准:日期:年月日
目标指标完成情况及考核记录
单位:月份:编号:
单位(部门)负责人:
7
管理责任区划分表
单位:时间:年月日编号:
8
项目经理部“责任书”签订登记表
资料名称:建档时间:年月日共页第
管理人员“承诺书”签订登记表
资料名称:建档时间:年月日共页第
管理责任人:
员工承诺书
副科级以上领导干部任用安全绩效考核统计表
资料名称:建档时间:年月日共页第。
管理人员安全生产责任制考核表施工单位:考核单位(盖章):填表人(签名):注:1、考核结果在合格、不合格栏内打2、考核不合格的主要原因,填写备注栏。
企业全员安全生产责任制考核表(全套)一、总经理(主要负责人)全员安全生产责任制考核表考核日期:年月日二、生产运行部总监(安委会副主任)全员安全生产责任制考核表考核日期:年月日三、生产运行部经理全员安全生产责任制考核表四、生产运行部工艺工程师全员安全生产责任制考核表考核日期:年月日五、生产运行部设备工程师全员安全生产责任制考核表考核日期:年月日六、生产运行部电气工程师全员安全生产责任制考核表考核日期:年月日七、仪表工程师全员安全生产责任制考核表考核日期:年月日八、土建工程师全员安全生产责任制考核表考核日期:年月日九、生产内勤全员安全生产责任制考核表考核日期:年月日十、物资主管全员安全生产责任制考核表考核日期:年月日十一、物资管理员全员安全生产责任制考核表考核日期:年月日十二、值班长全员安全生产责任制考核表考核日期:年月日十三、班长全员安全生产责任制考核表考核日期:年月日十四、外操全员安全生产责任制考核表考核日期:年月日十五、锅炉操作工操全员安全生产责任制考核表考核日期:年月日十六、公用工程操作工操全员安全生产责任制考核表考核日期:年月日十七、叉车操作工操全员安全生产责任制考核表考核日期:年月日十八、安全环保部经理全员安全生产责任制考核表考核日期:年月日十九、安全环保部安全工程师全员安全生产责任制考核表考核日期:年月日二十、财务部总监全员安全生产责任制考核表考核日期:年月日二十一、财务部总监全员安全生产责任制考核表考核日期:年月日二十二、财务部会计全员安全生产责任制考核表考核日期:年月日二十三、财务部(会计、资金主管)全员安全生产责任制考核表考核日期:年月日二十四、营销部总监全员安全生产责任制考核表考核日期:年月日二十五、营销部总监全员安全生产责任制考核表考核日期:年月日二十六、营销部物流管理全员安全生产责任制考核表考核日期:年月日二十七、营销部物流管理助理全员安全生产责任制考核表考核日期:年月日二十八、人力行政部总监全员安全生产责任制考核表考核日期:年月日二十九、人力行政部行政助理全员安全生产责任制考核表考核日期:年月日三十、人力行政部人力助理全员安全生产责任制考核表考核日期:年月日三十一、人力行政部后勤专员全员安全生产责任制考核表考核日期:年月日三十二、人力行政部门卫全员安全生产责任制考核表考核日期:年月日三十三、人力行政部食堂人员全员安全生产责任制考核表考核日期:年月日三十四、采购部经理全员安全生产责任制考核表考核日期:年月日三十五、采购部助理全员安全生产责任制考核表考核日期:年月日三十六、技术研发部总监全员安全生产责任制考核表考核日期:年月日三十七、技术研发部分析工程师全员安全生产责任制考核表考核日期:年月日三十八、技术研发部化验分析员全员安全生产责任制考核表。
安全生产责任考核表被考核人考核部门/人安全领导小组员安全生产责任制1、认真贯彻执行国家、地方政府和上级主管部门的有关安全 生产的方针政策和法律法规、规范标准,对本单位安全生产工作全 面负责;2、领导编制本单位中、长期安全工作整体规划、目标,制定 年度安全生产工作计划,组织制定本单位的各项安全生产规章制度 和安全技术操作规程;3、保证本单位的安全生产投入的有效实施,提供本单位安全 生产所需资金、物资、技术、设施;4、建立建全本单位的安全生产责任制;5、组织并主持本单位内部的重大安全生产事故调查处理 工作,做到“四不放过”,6、按照《中华人民共和国安全生产法》设置安全管理机构、 配备专职安全管理人员, 支持安保部门和人员的监督检查工作, 催促、检查本单位的安全生产工作,及时消除生产安全事故隐患;7、按照地方政府主管部门的规定参加培训,接受安全生产法 律、法规、政策的教育,并保证本单位各级生产经营管理人员的安 全生产培训和教育工作的落实;8、组织制定并实施本单位的生产安全事故应急救援预 案;9 、及时、如实报告生产安全事故。
公司总经理标 准分141510101010101010自 评分 分考核日期考评职务14 15 1015101510101010 10 10 1010 10 10999总分100 988注:1、考核分处于90~70 分之间,扣6 分;2、考核分低于70 分,扣10 分;3、考核分有三个月低于70 分,整改;4、坚持在次月5 日前自评结束。
安全生产责任考核表被考核人考核部门/ 总经理人员公司副总经理 职 务(分管安全生产)考核日期安全生产责任制1、对本单位安全生产工作负直接领导责任, 协助法定代 表人、公司经理认真执行安全生产工作的方针政策、法律法 规和制度;2、组织实施中、长期安全生产工作规划、目标及年度安 全生产工作计划;3、组织审核施工组织总设计和总体施工方案及施工生产 安全技术措施、 安全管理措施方案和安全措施经费使用计划, 确定生产任务中的安全生产考核指标;4、领导组织本单位的安全生产宣传教育、培训工作,保 证企业生产经营管理人员、专职安全管理人员和特种作业人 员持有效证件上岗;5、领导组织本单位定期和不定期的全面或者专项的安全 生产检查,及时解决发现的事故隐患和安全工作中的薄弱环 节,并推广安全生产先进经验:6、组织并主持伤亡事故的调查分析及处理, 组织编写“企业职工安全生产事故调查报告书”和有关“四不放过”材料, 提交单位负责人审核批准后,按照有关程序上报地方政府安全生产监督管理部门,并在本单位内落实“四不放过”工作;7、指导安全管理部门工作, 认真听取和采用关于安全生 产的合理化建议,保证安全管理人员行使监督检查、合理处 置的权利,组织落实安全生产责任制。