轴荷计算完整
- 格式:xls
- 大小:22.50 KB
- 文档页数:3
关于整车轴荷分配的介绍与计算整车轴荷分配是指将整车总重按照一定的比例分配到各个轴上的过程,目的是为了保证车辆在行驶过程中各个轴组件的受力均衡,确保车辆的稳定性和安全性。
这个过程需要考虑到车辆的结构设计、载荷分配以及行驶要求等因素。
整车轴荷分配的计算方法有多种,其中较常用的是均衡法和气室积法。
下面将介绍这两种计算方法的原理和步骤。
首先是均衡法。
这种方法是根据车辆的结构特点和载荷情况,按照一定的比例将整车总重分配到各个轴上。
具体计算步骤如下:1.确定车辆的总重和各个轴的位置。
总重可以通过称重或者查看车辆资料获得,轴的位置需要根据车辆的结构设计来确定。
2.根据车辆的结构设计,确定各个轴的载荷比例。
一般情况下,前轴的载荷比例会比后轴大,且前后轴的载荷比例会根据车辆的用途和行驶条件而有所不同。
3.将整车总重按照确定的比例分配到各个轴上。
计算公式为:各轴的载荷=总重×载荷比例。
4.检查分配结果是否合理。
检查的重点是每个轴的载荷是否满足设计要求,以及整体分配结果是否与车辆的结构特点相吻合。
另一种计算方法是气室积法,该方法主要适用于空气悬挂系统的车辆。
具体计算步骤如下:1.确定车辆的总重和各个气室的位置。
总重可以通过称重或者查看车辆资料获得,气室的位置需要根据车辆的结构设计来确定。
2.根据车辆的结构设计和气室特点,确定气室的载荷比例。
一般情况下,前气室的载荷比例会比后气室大,且前后气室的载荷比例会根据车辆的用途和行驶条件而有所不同。
3.根据气室的载荷比例,计算每个气室的体积。
计算公式为:气室体积=总重×载荷比例÷重力加速度。
4.根据每个气室的体积,调整气室的气压。
调整气压的目的是使各个气室的载荷达到设计要求。
整车轴荷分配的计算是车辆设计和制造过程中非常重要的一环,其结果直接影响着车辆的操控性能和行驶安全性。
因此,在进行轴荷分配计算时,需要充分考虑到车辆的结构特点、载荷情况以及行驶要求等因素,确保分配结果符合设计要求。
计算三轴汽车轴的荷载需要考虑多个因素,包括车辆的总重量、重心位置、轴距、车辆的布局和道路状况。
以下是一个一般性的方法来计算三轴汽车轴的荷载:
1. 确定车辆的总重量:首先,您需要知道车辆的总重量,包括车辆本身的重量以及任何附加负载,如乘客、货物和燃料等。
2. 确定车辆的重心位置:车辆的重心位置是一个重要的参数,它影响到轴荷的分配。
通常情况下,重心位置是相对于车辆前轴的距离。
您可以通过测量或参考车辆的技术规格来确定。
3. 确定车辆的轴距:轴距是车轮之间的距离,通常以前轴和后轴之间的距离来表示。
不同车型的轴距可能会不同。
4. 计算前轴荷载:前轴荷载是指施加在前轴上的重量。
根据车辆总重量、重心位置和轴距,可以使用以下公式来计算前轴荷载:
前轴荷载= (总重量×重心位置) / 轴距
5. 计算后轴荷载:后轴荷载是指施加在后轴上的重量。
可以使用以下公式来计算后轴荷载:
后轴荷载= 总重量- 前轴荷载
6. 计算第三轴荷载(通常是驾驶室后的轴):如果车辆有第三轴,可以使用类似的方法来计算第三轴的荷载。
需要注意的是,上述计算是一个简化的方法,用于估算轴荷。
在实际应用中,还需要考虑车辆悬挂系统、道路状况、车辆速度、操控等因素。
对于特殊用途车辆(如货车、公交车、卡车等),可能需要更详细的荷载分析和计算。
此外,汽车制造商通常会提供有关车辆荷载分布的详细信息,可供参考。
如果需要准确的轴荷计算,建议咨询专业工程师或使用专业的车辆荷载计算软件。
三轴汽车轴荷计算在三轴汽车中,前轴、中轴和后轴分别由前、中、后悬挂系统支撑。
为了保证驾驶的稳定性和操控性,三轴汽车的轴荷要尽可能均匀地分配在各轴上。
根据实际情况,一般认为前轴荷占整车重量的40-50%,后轴荷占整车重量的50-60%,中轴荷一般较小,占整车重量的10-20%。
下面以一款小型轿车为例,详细说明三轴汽车的轴荷计算方法。
首先,需要确定整车的总重量。
总重量可以通过称重或计算来确定,其中包括整车自重、乘客和货物的重量。
假设整车的总重量为2000千克,那么前轴荷的范围为800-1000千克,后轴荷的范围为1000-1200千克,中轴荷的范围为200-400千克。
接下来,根据整车的布局和设计确定各轴的距离。
一般来说,前轴和后轴的距离是固定的,中轴的距离可以根据具体的设计来确定。
假设前轴和后轴的距离为1500毫米,中轴的距离为600毫米。
然后,根据整车的静稳定条件确定各轴的受力。
整车的静稳定条件是指在任何静止状态下,车辆的重心要落在受力点的中心线上。
根据这一条件,可以得出以下公式:前轴力乘前轴距离=后轴力乘后轴距离+中轴力乘中轴距离根据上述公式,可以得到以下两个方程:前轴力=后轴力+中轴力前轴力乘前轴距离=后轴力乘后轴距离+中轴力乘中轴距离将上述公式代入,可以得到以下结果:前轴力+后轴力+中轴力=整车总重量前轴力乘前轴距离=后轴力乘后轴距离+中轴力乘中轴距离根据上述公式,可以得出以下结论:前轴力=整车总重量乘后轴距离+中轴力乘中轴距离-后轴力乘前轴距离分之前轴距离后轴力=整车总重量-前轴力-中轴力中轴力=整车总重量-前轴力-后轴力综上所述,通过以上的计算方法,可以确定三轴汽车的轴荷分配。
根据实际情况和设计要求,可以对轴荷进行调整,以满足汽车的性能和安全性要求。
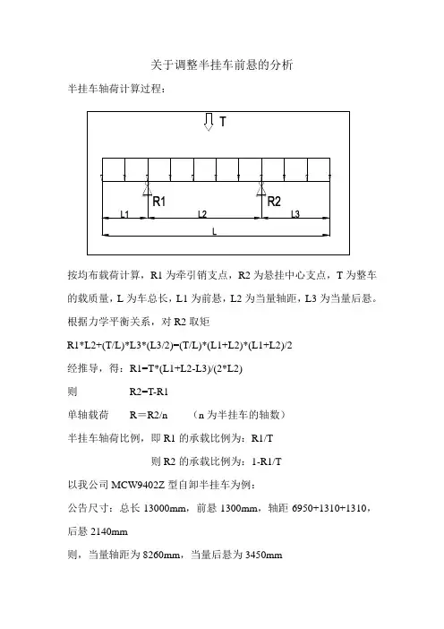
关于调整半挂车前悬的分析半挂车轴荷计算过程:按均布载荷计算,R1为牵引销支点,R2为悬挂中心支点,T为整车的载质量,L为车总长,L1为前悬,L2为当量轴距,L3为当量后悬。
根据力学平衡关系,对R2取矩R1*L2+(T/L)*L3*(L3/2)=(T/L)*(L1+L2)*(L1+L2)/2经推导,得:R1=T*(L1+L2-L3)/(2*L2)则R2=T-R1单轴载荷R=R2/n (n为半挂车的轴数)半挂车轴荷比例,即R1的承载比例为:R1/T则R2的承载比例为:1-R1/T以我公司MCW9402Z型自卸半挂车为例:公告尺寸:总长13000mm,前悬1300mm,轴距6950+1310+1310,后悬2140mm则,当量轴距为8260mm,当量后悬为3450mm牵引销的轴荷分配比例为:[T*(1300+8260-3450)/(2*8260)]/T=36.6% 半挂车后轴分配比例为:1-36.6%=63.3%调整前悬后MCW9403Z型自卸半挂车为例:1.保证后悬载重总长13000mm,前悬1400mm,轴距6580+1310+1310,后悬2400mm 则,当量轴距为7890mm,当量后悬为3710mm牵引销的轴荷分配比例为:[T*(1400+7890-3710)/(2*7890)]/T=35.3% 半挂车后轴分配比例为:1-35.3%=64.6%2.保证前悬载重总长13000mm,前悬1400mm,轴距6680+1310+1310,后悬2300mm 则,当量轴距为7990mm,当量后悬为3610mm牵引销的轴荷分配比例为:[T*(1400+7990-3610)/(2*7990)]/T=36.2% 半挂车后轴分配比例为:1-36.2%=63.8%综上看出:半挂车按照正常的分配比例35:65,前悬调为1400mm 比较合理,并且对应2550mm宽的半挂车时,半挂车的前回转半径为1894mm,对应3000mm宽的半挂车时,半挂车前回转半径为2052mm,现根据国内牵引车厂家的参数情况,除柳特的双转向6*2牵引车特殊外,基本所有的双转向6*2牵引车的前间隙半径都超过2300mm。
一、整车重心及轴荷分配计算:
1.车辆各部件重心位置
2.部件重心位置列表
x,y——部件重心位置
m——部件重量
3.重心位置及轴荷验算:
轴荷计算:
公式:G
2=∑m
ix
i/L
G
2——中、后轴轴荷kg
m
i,x
i——部件重量和部件重心水平位置
L——汽车轴距+650㎜
将列表数据带入公式(1)
G
2=18900㎏前轴G
1=6100㎏(24.4%)
按汽车厂提供数据,前轴允许载荷6500㎏,中,后轴允许载荷19000㎏
结论:满足使用条件。
汽车重心纵向位置计算:
公式:L
1=G
2L/G L
2=G
1L/G
G——汽车总质量
代入数据:L
1=3780㎜L
2=1220㎜
满载时汽车重心高度计算:
公式:h=∑m
iy
i/G (2)1)(
y
i——部件重心高度h——汽车重心高度
将列表数据代入公式(2)
h=1770㎜
空载时汽车重心高度计算:
仍用公式(2),减去垃圾重量
hg=1174㎜
二、汽车侧翻条件验算:
公式:tgβ=B/2h (3)
β——汽车侧倾稳定角B——汽车轮距B=1860㎜
代入数据:tgβ=0.792β=38.3°≥32°
结论:满足使用条件。
三、危险工况校核计算:
该车在垃圾箱满载,用拉臂钩将垃圾箱拉上车,垃圾箱后轮临界脱离地面时,以汽车不翘头(即前轴负荷≥0)为安全。
整车轴荷计算方法整车轴荷计算是指在设计和操作过程中,根据车辆总质量和车辆的结构特点,确定每个轴或每个轴组所承受的荷载大小。
整车轴荷计算的准确性对于保证车辆的安全性和使用寿命至关重要。
下面将对整车轴荷计算的方法进行详细介绍。
1.轴重法:根据轴荷比例法,根据车辆总质量、轴距、重心高度等参数,按照一定的比例关系计算出每个轴的静态轴荷。
2.过零切线法:假设车辆在运行过程中,每个轮胎与地面之间的接触点都沿着车辆走行方向的直线运动,根据车辆的运行速度和转弯半径,计算出每个轴的静态轴荷。
3.半轴荷法:根据车辆总质量、前后轴距、车辆总高度和重心高度等参数,以及轮胎胎面宽度、胎压和胎纵刚度等参数,采用半车模型计算出每个轴的静态轴荷。
1.垂向轴荷计算:根据车辆的减震器性能和车辆在不同路况下的运动特点,采用动力学方程计算出车辆转弯、加速、制动时每个轴的动态轴荷。
2.横向轴荷计算:根据车辆在转弯运动时,车轮与地面之间产生的侧向力大小和方向,计算出车辆前后轴的横向轴荷。
3.纵向轴荷计算:根据车辆在加速、制动过程中,车轮与地面之间的纵向力情况,计算出车辆前后轴的纵向轴荷。
在整车轴荷计算过程中,还需要考虑以下因素:1.负载分配:根据车辆使用的实际情况,合理分配车辆载荷,确保每个轴或轴组的轴荷均衡。
2.轮胎参数:轮胎的胎面宽度、胎压和胎纵刚度等参数对轴荷计算有一定影响,需要充分考虑这些参数。
3.轮胎动力学特性:轮胎与地面之间的摩擦力和侧向力等特性对轴荷计算有重要影响,需要根据实测数据或理论计算得到。
4.地面情况:地面的粗糙度、湿滑情况等对轴荷计算也会有一定的影响,需要考虑这些因素。
总之,整车轴荷计算是一个复杂的过程,需要综合考虑车辆结构特点、负载分配、轮胎参数以及地面情况等因素。
只有通过准确计算和合理分析,才能保证车辆的安全性和稳定性。
4 轴荷分配及质心位置的计算4.1轴荷分配及质心位置的计算根据力矩平衡原理,按下列公式计算汽车各轴的负荷和汽车的质心位置:g1l1+g2l2+g3l3+…=G2Lg1h1+g2h2+g3h3+…=Gh gg1+g2+g3+…=G (4.1)G1+G2=GG1L=GbG2L=Ga式中:g1、g2、g3——各总成质量,kg;l1、l2、l3——各总成质心到前轴距离,m;h1、h2、h3——各总成质心到地面距离,m;G1——前轴负荷,kg;G2——后轴负荷,kg;L——汽车轴距,m;a——汽车质心距前轴距离,m;b——汽车质心距后轴距离,m;h g——汽车质心到地面高度,m。
质心确定如表 4.1所示表4.1 各部件质心位置⑴.水平静止时的轴荷分配及质心位置计算 根据表4.1所求数据和公式(4.1)可求 满载:G 2=kg Llg ni ii 99.305236.310258.061==∑=G 1=4695-3052.99=1642.01kgm G L G a 18.2469536.399.30522=⨯=⨯=m a L b 18.118.236.3=-=-= 前轴荷分配:469501.16421=G G =35.0%后轴荷分配:469599.30522=G G =65.0% 0.97m 46954555.451===∑=Ghg h ni ii g 空载:=-=='∑=36.35.641206.1025812Llg G ni ii 1144.51kg='1G 2G G '-'=(2250+3×65)-1144.51=1300.49kg m G L G a 96.249.130036.351.1144''2=⨯=⨯=m a L b 4.096.236.3=-=-= 前轴荷分配:==''244549.13001G G 53.2% 后轴荷分配:==''244551.11442G G 46.8% 907.02445926.22161=='=∑=G hg h ni ii g根据表4.1,得知以上计算符合要求表4.2各类汽车的轴荷分配a.水平路面上汽车满载行驶时各轴的最大负荷计算对于后轮驱动的载货汽车在水平路面上满载加速行驶时各轴的最大负荷按下式计算:gg z h L h b G F ϕϕ--=)(1gz h L GaF ϕ-=2 (4.2)式中:1z F ——行驶时前轴最大负荷,kg ; 2z F ——行驶时后轴最大负荷,kg ;ϕ——附着系数,在干燥的沥青或混凝土路面上,该值为0.7~0.8。
轴荷分配计算公式轴荷分配,这可是个在车辆工程、机械设计等领域相当重要的概念。
咱们今天就来好好聊聊轴荷分配计算公式。
先来说说轴荷到底是啥。
简单讲,轴荷就是车轴所承受的载荷重量。
那为啥要研究轴荷分配呢?这就好比你挑担子,要是两边重量不均衡,走起来就费劲,还容易摔跤。
车也一样,轴荷分配不合理,不仅影响操控性能,还可能影响安全性和舒适性。
那轴荷分配的计算公式是咋来的呢?其实啊,它是通过对车辆的结构、重量分布等各种因素进行综合分析得出来的。
一般来说,常见的计算公式会涉及到车辆的总重量、轴距、前后悬架的刚度等等参数。
比如说,咱们假设一辆小汽车,总重量是 1500 千克,轴距是 2.5 米,前悬架刚度是 500 牛/毫米,后悬架刚度是 400 牛/毫米。
通过一系列复杂但有规律的计算,就能得出这辆车的前后轴荷分配比例。
我想起之前有一次,我在路上看到一辆车,开起来有点晃晃悠悠的。
后来一了解,发现就是轴荷分配出了问题。
那辆车经过改装,加重了后备箱的东西,结果导致后面轴荷过大,前轮抓地力不足,开起来就不稳当。
这就充分说明了轴荷分配的重要性。
再深入一点说,不同类型的车辆,轴荷分配的要求也不一样。
像货车,就得考虑载货的重量和分布;客车呢,要考虑乘客的座位布局。
而且,随着车辆技术的不断发展,新的材料、新的设计理念出现,轴荷分配的计算也在不断改进和优化。
在实际的工程应用中,计算轴荷分配可不能马虎。
得精确测量各种参数,使用专业的软件进行分析。
有时候,为了达到理想的轴荷分配,还得对车辆的结构进行调整,比如改变悬架的参数、调整重心位置等等。
总之,轴荷分配计算公式虽然看起来有点复杂,但它对于车辆的性能和安全可是起着至关重要的作用。
咱们搞这方面研究和设计的人,可得把这事儿弄明白了,才能造出更好、更安全的车来。
希望今天讲的这些能让您对轴荷分配计算公式有个初步的了解,要是以后您在这方面还有啥想知道的,咱们再接着探讨!。
.
一、整车重心及轴荷分配计算:
1.车辆各部件重心位置
2.部件重心位置列表
x,y——部件重心位置
m——部件重量
3.重心位置及轴荷验算:
轴荷计算:
公式: G2=∑m i x i/L (1)
G2——中、后轴轴荷 kg
m i,x i——部件重量和部件重心水平位置
L——汽车轴距+650 ㎜
将列表数据带入公式(1)
G2=18900㎏前轴 G1=6100㎏(24.4%)
按汽车厂提供数据,前轴允许载荷6500㎏,中,
后轴允许载荷19000㎏
结论:满足使用条件。
汽车重心纵向位置计算:
公式: L1=G2L/G L2=G1L/G
G——汽车总质量
代入数据: L1=3780㎜ L2=1220㎜
满载时汽车重心高度计算:
公式: h=∑m i y i/G (2)
.
y i——部件重心高度 h——汽车重心高度
将列表数据代入公式(2)
h=1770㎜
空载时汽车重心高度计算:
仍用公式(2),减去垃圾重量
hg=1174㎜
二、汽车侧翻条件验算:
公式: tgβ=B/2h (3)
β——汽车侧倾稳定角 B——汽车轮距 B=1860㎜
代入数据: tgβ=0.792 β=38.3°≥32°
结论:满足使用条件。
三、危险工况校核计算:
该车在垃圾箱满载,用拉臂钩将垃圾箱拉上车,垃圾箱后轮临界脱离地面时,以汽车不翘头(即前轴负荷≥0)为安全。
三轴汽车轴荷计算摘要:1.三轴汽车概述2.汽车轴荷计算方法3.三轴汽车轴荷的计算流程4.三轴汽车轴荷计算的实际应用5.结论正文:一、三轴汽车概述三轴汽车是指具有三个轴的汽车,通常包括前轴、后轴和一个或多个中间轴。
这种结构在载重汽车、公共汽车和某些特殊用途的汽车中较为常见。
三轴汽车的设计要求其具有良好的负载能力和行驶稳定性,因此在设计和使用过程中,对轴荷的计算和分析至关重要。
二、汽车轴荷计算方法汽车轴荷计算主要包括以下两个方面:1.静态轴荷计算:静态轴荷是指汽车在静止状态下,各轴所承受的重量。
通常采用公式计算,公式为:轴荷=总重量÷轮数。
2.动态轴荷计算:动态轴荷是指汽车在行驶过程中,各轴所承受的重量。
由于汽车的质量和负载会随着行驶过程中的加速、减速、刹车等操作而发生变化,因此动态轴荷的计算较为复杂。
一般采用仿真软件进行模拟计算。
三、三轴汽车轴荷的计算流程1.确定汽车的总重量:包括车身重量、乘客重量、货物重量等。
2.确定各轴的负载分配:根据汽车的设计和使用要求,合理分配各轴的负载。
3.进行静态轴荷计算:根据总重量和轮数,计算出各轴的静态轴荷。
4.进行动态轴荷计算:采用仿真软件,模拟汽车行驶过程中的各种工况,计算出各轴的动态轴荷。
5.分析轴荷计算结果:根据计算结果,检查汽车的行驶稳定性、制动性能等是否满足设计要求。
四、三轴汽车轴荷计算的实际应用1.确保汽车行驶安全性:通过轴荷计算,可以确保汽车的轴荷分布合理,避免因轴荷过大而导致的行驶不稳定、制动失灵等安全隐患。
2.优化汽车设计:通过轴荷计算,可以为汽车设计提供参考数据,优化汽车的结构设计和负载分配,提高汽车的使用性能。
3.保障道路安全:对于超载车辆,通过轴荷计算,可以准确判断其是否超载,保障道路安全。
五、结论三轴汽车轴荷计算是汽车设计和使用过程中的重要环节,对于确保汽车的行驶安全性、优化汽车设计和保障道路安全具有重要意义。
前轴轴荷质量计算公式在机械设计和工程领域中,轴承是一个非常重要的部件,它承载着机器设备的转动部分,传递动力和承受负载。
因此,对轴承的轴荷质量进行准确的计算是非常重要的。
在过去,轴承轴荷质量的计算是一个复杂的过程,需要考虑多种因素,包括轴承的类型、转速、负载、材料等。
然而,随着科学技术的发展,人们逐渐建立了一套较为完善的轴承轴荷质量计算公式,使得这一过程变得更加简便和高效。
一般来说,轴承的轴荷质量可以通过下面的公式进行计算:Fz = (P fr) / (10^6 n)。
其中,Fz表示轴承的轴荷质量,P表示轴承的额定动载荷,fr表示轴承的等效动负荷,n表示轴承的转速。
这个公式的推导过程比较复杂,它涉及到了轴承的静载荷、动载荷、转速等多个因素。
在实际应用中,为了更加准确地计算轴承的轴荷质量,还需要考虑到一些修正系数和额外的因素。
除了上述的基本公式之外,根据不同的轴承类型和应用场景,还有一些特定的轴荷质量计算公式。
例如,对于滚动轴承和滑动轴承,它们的轴荷质量计算公式会有所不同,需要根据具体情况进行选择和应用。
在实际工程中,轴承轴荷质量的计算是一个非常重要的环节,它直接关系到机器设备的运行稳定性和寿命。
因此,工程师们需要对轴承轴荷质量的计算方法有一个清晰的认识,并且能够灵活运用各种计算公式,以确保轴承的正常工作和高效运转。
除了轴承的轴荷质量计算之外,还需要对轴承的寿命进行评估和预测。
通常情况下,轴承的寿命可以通过下面的公式进行计算:L10 = (C / P)^3 10^6 / (60 n)。
其中,L10表示轴承的额定寿命,C表示轴承的基本额定动载荷,P表示轴承的等效动负荷,n表示轴承的转速。
这个公式是根据轴承的基本额定动载荷和等效动负荷来计算轴承的寿命,它同样需要考虑到一些修正系数和额外的因素。
通过对轴承的寿命进行评估和预测,可以帮助工程师们更好地选择和应用轴承,从而延长机器设备的使用寿命。
总的来说,轴承的轴荷质量计算是一个复杂而又重要的工作,它直接关系到机器设备的性能和寿命。
汽车重心及轴荷分配
计算
一、整车重心及轴荷分配计算:
1.车辆各部件重心位置
2.部件重心位置列表
x,y——部件重心位置
m——部件重量
3.重心位置及轴荷验算:
轴荷计算:
公式: G2=∑m i x i/L (1)G2——中、后轴轴荷 kg
m i,x i——部件重量和部件重心水平位置
L——汽车轴距+650 ㎜
将列表数据带入公式(1)
G2=18900㎏前轴 G1=6100㎏(24.4%)
按汽车厂提供数据,前轴允许载荷6500㎏,中,
后轴允许载荷19000㎏
结论:满足使用条件。
汽车重心纵向位置计算:
公式: L1=G2L/G L2=G1L/G
G——汽车总质量
代入数据: L1=3780㎜ L2=1220㎜
满载时汽车重心高度计算:
公式: h=∑m i y i/G (2)
y i——部件重心高度 h——汽车重心高度
将列表数据代入公式(2)
h=1770㎜
空载时汽车重心高度计算:
仍用公式(2),减去垃圾重量
hg=1174㎜
二、汽车侧翻条件验算:
公式: tgβ=B/2h (3)
β——汽车侧倾稳定角 B——汽车轮距 B=1860㎜
代入数据: tgβ=0.792 β=38.3°≥32°
结论:满足使用条件。
三、危险工况校核计算:
该车在垃圾箱满载,用拉臂钩将垃圾箱拉上车,垃圾箱后轮临界脱离地面时,以汽车不翘头(即前轴负荷≥0)为安全。
上坡前后轴荷(原创版)目录1. 上坡前后轴荷的定义和重要性2. 上坡前后轴荷的计算方法3. 上坡前后轴荷对车辆性能的影响4. 如何调整上坡前后轴荷以提高车辆性能正文一、上坡前后轴荷的定义和重要性上坡前后轴荷是指车辆在上坡时,前后轴所承受的重量分布。
它是车辆稳定性和性能的重要参数,对于车辆的行驶安全和燃油经济性有着重要的影响。
二、上坡前后轴荷的计算方法上坡前后轴荷的计算需要考虑车辆的重量分布、坡度的大小、车辆行驶的速度等因素。
一般来说,上坡前后轴荷的计算公式为:前轴荷 = 总重量 * 前轴重量分配系数后轴荷 = 总重量 * 后轴重量分配系数其中,总重量是车辆的总重量,前轴重量分配系数和后轴重量分配系数是车辆设计和制造时确定的参数。
三、上坡前后轴荷对车辆性能的影响上坡前后轴荷对车辆性能的影响主要表现在以下几个方面:1.影响车辆的稳定性。
如果前轴荷过重,车辆容易失去前轮的抓地力,导致车辆向前翻转;如果后轴荷过重,车辆容易打滑,导致车辆向后翻转。
2.影响车辆的燃油经济性。
如果前轴荷过重,车辆的动力损失会增大,导致油耗增加;如果后轴荷过重,车辆的驱动力会减小,导致油耗增加。
四、如何调整上坡前后轴荷以提高车辆性能要调整上坡前后轴荷,可以采取以下几种方法:1.合理分配载重。
尽量避免在车辆前部放置过重的物品,以减小前轴荷。
2.使用轴荷均衡装置。
轴荷均衡装置可以使得上坡前后轴荷的分布更加均匀,从而提高车辆的稳定性和燃油经济性。
3.调整车辆的悬挂系统。
通过调整悬挂系统的刚度,可以改变车辆重量的分布,从而达到调整上坡前后轴荷的目的。