某工业厂房排架结构专项施工方案
- 格式:doc
- 大小:104.00 KB
- 文档页数:17
***建设工程二期工程复合材料厂房结构吊装方案第一节:工程概况***有限公司投资兴建的***建设工程二期工程复合材料厂房,建设地点位于济南市高新区孙村工业园。
施工总包单位为中铁三局集团建筑安装工程有限公司。
厂房主厂房长348m,宽138m,柱距6m,由3个36m跨及1个30m跨组成,总建筑面积58764m2,建筑高度17.55m,为排架结构,基础为独立承台杯口基础,主体结构柱为预制钢筋混凝土柱,屋面为钢屋架,屋面板为大型预制混凝土屋面板。
1、预制钢筋砼柱复合材料厂房采用钢筋砼工字型截面柱。
柱长16.45m,柱顶标高+14.7m,局部抗风柱标高18.17m和17.47m,共有预制柱450根。
其中边柱220根、中柱186根、抗风柱44根,断面均为500×1000mm,预制柱最大体积为5.4m3,最大重量为13.5t2、预制钢筋砼吊车梁复合材料厂房吊车梁采用国标G323-2系列中T型钢筋砼吊车梁,其中DL-9B规格4根、DL-9Z 规格100根、DL-9S规格12根、DL-11B规格12根、DL-11Z规格300根、DL-11S规格36根,合计共554根。
长5.95m,顶断面为500×1200mm,重为4.08t,牛腿标高+10.62m,轨顶标高+11.82m。
3、钢结构梯形屋架及天窗桁架复合材料厂房工程采用钢结构梯形屋架,采用05G511中GWJ36-1A1系列修改,最大屋架跨度36m,端部高2.05m,脊高3.80m,共121榀,均重14.4t。
天窗桁架采用05G511中GCJ12-12共156榀,均重1.7t4、预应力钢筋砼屋面板复合材料厂房工程采用04G410-1~2中Y-WB-1II及Y-K WB-1II系列6m预应力大型屋面板,其中Y-WB-1II单板砼体积为0.511m3,单块板重为1.28t;Y-K WB-1II单板砼体积为0.368m3,单块板重为0.92t;共544块。
排架施工方案排架施工方案1. 施工前准备:在施工前,首先要进行现场勘测和设计,确定排架的位置、尺寸和布局。
然后,准备好所需的材料和工具,包括排架支架、连接件、螺栓、螺母等。
2. 施工步骤:(1) 在墙面上标记出排架的位置和高度,使用激光水平仪来保证排架的水平安装。
(2) 安装排架支架:根据设计要求,将排架支架固定在墙面上,并使用螺栓和螺母进行牢固连接。
(3) 安装排架横梁:将排架横梁安装在排架支架上,使用连接件将其固定好。
(4) 安装排架立柱:将排架立柱插入排架横梁孔内,并通过连接件进行固定。
根据需要,可以进行调节来保证排架的水平度。
(5) 安装排架层板:将排架层板平放在排架立柱上,并使用螺栓和螺母进行固定。
(6) 最后,进行排架的调整和检查,确保排架安装牢固、稳定,并符合设计要求。
3. 安全措施:在施工排架时,要特别注意安全问题,遵守以下措施:(1) 佩戴安全帽、安全鞋等个人防护用具,确保施工人员的人身安全。
(2) 使用专业施工工具,并确保其良好状态和可靠性。
(3) 施工现场要保持整洁,清除施工过程中产生的垃圾和杂物,以防滑倒和其他意外伤害。
(4) 在施工过程中,严禁超过排架的承重限制,以免引发安全事故。
(5) 在施工过程中,要进行必要的排架调整和检查,确保排架安装牢固、稳定,并符合设计要求。
4. 施工注意事项:(1) 在进行排架施工前,要仔细检查材料和工具的质量和数量,并准备充足。
(2) 在安装排架时,要根据设计要求和实际情况来进行调整,确保排架的水平度和垂直度。
(3) 施工过程中,要关注排架的承重能力,根据实际情况进行合理布局和分配承重。
(4) 在排架层板安装过程中,要注意层板的均匀分布和牢固连接,以提高排架的稳定性和可靠性。
通过以上施工方案的实施,可以确保排架的安装质量和稳定性,并提高施工效率。
同时,要重视施工过程中的安全问题,加强安全意识,确保施工人员的人身安全。
在施工完成后,还要对排架进行检查和调整,确保其符合设计要求和使用需要。
厂房排架施工方案1. 引言厂房排架是指在厂房内安装钢制或铝制排架,用于支撑管道、电缆等设备。
本文档旨在提供一份厂房排架施工方案,以指导施工人员进行施工操作。
2. 施工准备2.1 施工材料准备•钢制或铝制排架及配件•螺栓、螺母•手动工具:梯子、扳手、铁锯、打孔机等•安全防护装备:安全帽、安全绳等2.2 施工人员准备确保施工人员具备以下条件和技能:•具备相关的施工经验和技能•熟悉厂房的布局和平面图•了解安全操作规范3. 施工步骤3.1 施工前检查在正式施工之前,需要进行一系列的施工前检查,确保施工的安全和顺利进行。
主要包括以下内容:1.检查厂房的结构是否满足排架安装的要求,如梁柱尺寸、承重能力等。
2.检查施工场地的平整度和安全情况,清除障碍物。
3.检查材料的数量和质量,确保充足且符合要求。
3.2 排架安装规划根据厂房的平面图和设备布局,确定排架的安装位置和高度。
考虑以下因素:•管道和电缆的走向和连接关系•设备的重量和尺寸•排架的承重能力和稳定性3.3 制定安全措施在进行排架施工前,需要制定相应的安全措施,确保施工过程中的安全性。
主要包括以下措施:1.确保工人佩戴必要的安全装备,如安全帽、防护眼镜等。
2.设立安全警示标志和隔离区域,防止他人误入施工区域。
3.搭建临时工作平台和安全防护栏杆,防止高处坠落事故。
3.4 排架安装根据前面的安装规划,按照以下步骤进行排架的安装:1.使用钢制或铝制排架搭建起初步的框架,保证其垂直和水平。
2.使用螺栓和螺母将排架连接在厂房的梁柱上,确保连接牢固。
3.根据管道和电缆的布置要求,在排架上设置支撑架,确保支撑稳定且间距合理。
4.安装完毕后,检查排架是否安装牢固,通过施工检验,确保其承重能力满足要求。
3.5 完工验收完成排架施工后,进行完工验收,确保施工质量符合要求。
主要包括以下步骤:1.检查排架的安装质量和牢固性。
2.检查排架是否满足管道和电缆的布置要求。
3.检查排架是否影响正常使用和维护。
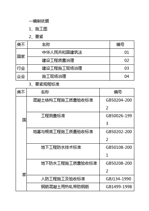
一编制依据1、施工图2、要紧3、要紧规程标准4.要紧标准5.其它二、工程概况本工为**********工程,工程地点位于*********长春北路西端。
其中1#厂房建筑面积为16149.99平方米,2#厂房建筑面积为16210.94平方米,3#厂房建筑面积为17022.31平方米,1#2#3#厂房总建筑面积为49383.24平方米。
1#、2#厂房建筑层数为一层,3#厂房建筑层数为一层,局部二层,檐口高度为8米。
工程具体特征:本工程结构类型为单层钢筋砼排架结构,根底为C30钢筋混凝土杯型根底,根底埋深-3.65米,围护填充墙采纳240厚烧结页岩砖砖砌体;根底防潮层用1:2.5水泥砂浆掺5%防水剂20厚。
地面采纳钢筋砼地面,做法为30cm厚6%水泥稳定土,20cm厚C25钢筋砼地面,面层为耐磨面层。
楼面采纳300*300瓷质防滑地砖面层。
屋面:维护材料采纳双层彩钢板,外板为YX52-475-475型0.53厚热镀铝锌彩钢板,内衬75mm 厚容重为16g/m3,导热系数为K=0.043的欧文斯科宁玻璃丝保温棉〔F40铝箔贴面〕,内板为V900型0.4mm厚彩钢板。
悬挑雨棚采纳单层YX52-475-475型0.53厚热镀铝锌彩钢板。
屋面采光板采纳复合型FRP双层AMPELITE301采光板,高透光低热穿透力。
天沟采纳1.5厚不锈钢天沟。
本工程方案工期为150天。
在结构施工时期之前,务必将施工用水、用电及施工道路等现场条件预备就绪。
三、施工布置、方案3.1工期、质量目标:本工程总工期为150天。
在工期治理上我公司将科学治理,精心安排,对总目标进行制定月、旬、周工作方案,天天召开生产协调会,及时处理碍事工期、质量、平安等工程的咨询题,合理安排时刻,缩短工期。
质量目标:合格3.2工程任务安排、施工组织机构设置:本工程由于工程量大、尤其砼工作量大,工期特别紧张。
公司对此工程特不重视,经研究决定成立工程工程组完成该施工任务,由公司具有丰富施工经验的工程经理亲自任工程总指挥,安排施工现场,公司将成立总工程经理部,下设技术、质量、平安、材料、方案、设备、财务等职能机构,针对该工程特点,公司将安排七个工程分工程部,分不为1#、2#、3#厂房土建工程部、水电热安装工程部、1#、2#、3#厂房钢结构制作安装工程部。
1、柱子吊装准备工作○1、现场预制的钢筋砼柱,用40吨汽车型起重机先将柱子翻身,使小面朝上,并移到吊装位置堆放清理。
○2、检查厂房杯形基础的轴线和跨距。
○3、清理基础杯口里的垃圾;在基础杯口的上面,内壁及底面弹出中心线,并测量杯口底标高○4、在柱子上弹出中心线,采用三面弹线,即两个小面积一个大面。
○5、根据各牛腿到柱脚的实际长度,用细石砼补抹基础杯口底,调整基底标高。
使柱安装后各牛腿的标高基本一致。
○6、吊装准备吊索具及经标定合格的测量仪器(2台经纬仪,1台水平仪,大钢卷尺,钢丝绳,卡环,钢契子,溜绳等)。
2、柱子吊装与校正○1、柱子采用旋转起吊,使柱子绕柱脚旋转而立直后,吊入杯口。
起吊柱绑扎点在柱子牛腿的底部,经检查绑扎牢实后起吊,操作人员在柱子吊到基础杯口上方时,应各自站好位置,稳住柱脚,并将其插入杯口,并用大撬杆稍用力撬柱,对好杯口底线,送到杯口底,送到杯底,然后校正,用钢契子契紧等。
○2、柱子校正:包括平面位置校正和垂直度校正。
柱平面位置用反推力法校正。
在柱吊入柱基杯口内时,四周操作人员,将柱上弹线与杯基上弹线对准后在柱四周钢契临时固定。
柱子的垂直度校正采用丝杆千斤顶反推力法校正。
柱垂直度校正后,四周钢契敲紧。
柱子校正采用两台经纬仪,架在柱的纵、横轴延线侧,视线自柱顶向下施测。
经纬仪架设应使其望远镜视线面与观测面尽量垂直(夹角应大于75o)以防止上下不在一个面上而产生的测量误差。
柱垂直度校正的顺序是:先校正偏大的,后校正偏小的,如两个方面偏差数接近,那么先校正小面,后校正大面。
校正一个面后,稍打紧两面相对的契子,再校正另外一个面。
在柱子两个方面都校好后,应再复查平面位置,如偏差在5mm以内,则打紧8个钢契子,并使其松紧基本一致。
柱子垂直度校正,宜安排在早晨或晚上或阴天进行,以避免温差影响,或当日初校、次日晨复校。
柱校正无误后,将钢筋砼柱在柱与柱杯口的空隙内浇灌细石砼,作最后的固定。
灌缝前应将杯口空隙内的木屑及垃圾清除干净,并用水湿润柱和杯口壁。
三、施工布置、方案3.1 工期、质量目标:本工程总工期为天。
在工期管理上我公司将科学管理,精心安排,对总目标进行制定月、旬、周工作计划,每天召开生产协调会,及时处理影响工期、质量、安全等项目的问题,合理安排时间,缩短工期。
质量目标:合格3.2 工程任务安排、施工组织机构设置:本工程由于工程量大、尤其砼工作量大,工期特别紧张。
公司对此项目非常重视,经研究决定成立工程项目组完成该施工任务,由公司具有丰富施工经验的项目经理亲自任工程总指挥,安排施工现场,公司将成立总项目经理部,下设技术、质量、安全、材料、计划、设备、财务等职能机构,针对该工程特点,公司将安排七个工程分项目部,分别为1#、2#、3#厂房土建项目部、水电暖安装项目部、1#、2#、3#厂房钢结构制作安装项目部。
各个职能机构相互配合施工,并对工程全面负责,对项目经理负责,对各自的职能负责。
为保证计划完成,我们将选曾担任类似工程的项目经理担任该工程的总项目经理,该同志有丰富的现场施工组织管理经验,同时选用经验丰富、精力充沛的分项目经理、项目技术负责人来组成项目部主要负责人。
主要管理人员职责:3.2.1项目总指挥:项目总指挥对该工程全面负责,协调工程各个方面关系,对工程质量、安全、工期等全权负责。
3.2.2总项目经理:代表我公司行使并承担工程承包合同中的权利和义务,负责按合同规定的承包工作范围,内容和约定的建设工期、质量标准、安全标准、投资限额等全面完成建设任务。
按照公司的制度和授权全面组织、主持项目经理部的工作。
3.2.3 分项目经理:对各自工程范围内项目编制项目控制程序和项目控制计划,审批设计、采购、施工进度计划,并监督检查进度计划的实施状况,负责审查业主变更和内部变更对项目费用/进度的影响提出处理意见,参加编制项目质量计划,并在工作中贯彻执行,保证工作质量,组织对项目实施和控制的文件、资料进行整理和归档,每月对项目实施和控制工作进行总结,提出整改意见,保证项目目标的落实。
排架结构施工方案一、概述排架结构是一种应用广泛的建筑结构形式,适用于工业、商业、仓储等建筑领域,具有灵活、快速、经济的特点。
本文将针对排架结构的施工方案进行详细阐述。
二、施工前准备1.工程准备:购置所需材料、设备和工具,编制施工组织设计,确定施工技术措施。
2.地基处理:对排架结构所处地基进行勘测和处理,确保地基的稳定性和承载能力。
3.材料准备:原材料(如钢材、螺栓等)的检验合格后,进行分类、堆放,并编制材料管理清单。
三、施工工艺流程1.组件制作:根据设计图纸,对排架结构的各个组件进行规格切割、焊接或连接,确保结构的准确性。
2.预制构件加工:将组件进行预装、焊接等处理,减少现场施工的工作量,提高施工速度。
3.现场组装:将预制构件运至施工现场,根据设计要求进行组装,采用起重装置进行吊装、定位等操作。
4.焊接与连接:对组装好的构件进行焊接工艺操作,保证焊缝的强度和质量。
同时采用螺栓连接等方式进行补充固定。
5.轴线控制:对排架结构进行轴线控制,以保证结构的垂直性和水平性。
6.补强加固:根据设计要求,在施工过程中对需要加强的节点进行加固处理,提高结构的稳定性和安全性。
四、施工要点和技术措施1.施工质量控制:对各个工序的质量进行检查和把控,确保施工过程中的质量符合要求。
2.安全防护:合理设置施工现场的安全警示标志,配备安全防护用品,保障施工人员的人身安全。
3.施工进度控制:制定详细的施工计划,对关键节点进行重点把控和协调,确保施工进度的顺利进行。
4.施工现场管理:加强现场物资管理,确保施工现场的整洁有序;采取合理的施工工艺和作业安排,提高工效和资源利用率。
5.环境保护:合理利用和处理施工废料,保护环境;使用环保材料和工艺,减少对环境的污染。
五、质量控制措施1.焊接质量控制:对焊接工艺进行严格控制,保证焊工的操作符合要求,并进行焊缝的质量检测。
2.工艺控制:对施工工艺和方法进行控制,确保结构的准确性和稳定性。
一、编制综合说明1、编制依据1.1本工程招标文件、设计图纸;1.2建设基地踏勘后所掌握的情况;1.3国家现行规范、标准、强制条文及江苏省颁布的有关建设工程的地方性法规;1.4以前曾施工过类似工程所积累的经验。
2、项目为江苏盛泰电力设备有限公司投资兴建,我公司根据招标文件和设计图纸,确定本工程的质量目标:确保《建筑工程施工质量验收统一标准》(GB50300-2001)中的合格标准;工程工期目标:确保120个日历天交付使用;安全文明目标:创市文明施工工地。
三、劳动力及机械进场计划表本工程的重点、难点考虑以下几点:1、钢筋混凝土构件(排架柱)施工要点;2、卷材屋面防水渗漏措施;3、外墙门窗防渗漏措施;4、外墙抹灰防裂缝渗水措施;5、双T板吊装施工要点。
(一)钢筋混凝土构件(排架柱)施工要点1、钢筋工程技术要求首先必须认真熟悉设计图纸,弄清钢筋应放的位置及处理好钢筋交叉时的上下位置。
其次是在做料表时,应考虑钢筋的接头形式,并处理好钢筋的搭接及钢筋的长度。
钢筋翻样时应严格按照设计及规范规定确定钢筋搭接锚固长度,钢筋的搭接头位置应错开。
钢筋料表由钢筋工长翻样编制,并由项目工程师审核后施工。
钢筋加工严格按照翻样料表加工制作,加工制作尺寸必须准确。
在钢筋加工时要注意箍筋的锚固段的135˚弯钩准确及圆钢筋锚固段的弯钩准确。
2、钢筋连接技术为保证钢筋的连接质量,Φ16以上的钢筋连接采用100KVA功率预热闪光对焊机。
对所有焊接处外观检查应逐个进行,不得有裂纹,烧伤等缺陷接头,焊疤均匀,钢筋轴向位移不得超过0.1d且不宜大于2mm,接头处弯折不得大于4度,同一直径接头300个为一批,切取三个试件进行抗拉试验,试验结果三个试件均不得低于该级别钢筋的抗拉强度标准值。
钢筋绑扎搭接时,钢筋绑扎搭接长度、位置严格按照设计规范规定绑扎。
其它钢筋均按设计要求搭接绑扎,钢筋绑扎搭接长度、位置严格按照设计规范规定绑扎。
3、钢筋的加工绑扎要求配筋人员认真学习规范,熟悉施工图纸,了解锚固、绑扎、搭接长度、保护层有关规定,配制时要画布筋配置示意图;特殊部位必要时需画钢筋铺放大样图;将这些规范要求的应用控制在配筋人员手中。
排架结构施工方案排架结构施工方案排架结构是一种常见的结构形式,用于解决建筑物内部管道、电缆、通信线路等的布设问题。
本文将介绍排架结构的施工方案。
施工前准备:1. 明确施工范围和要求,制定详细的施工计划和工期安排。
2. 组织施工人员进行岗前培训,确保施工人员具备相关技能和安全意识。
3. 准备施工所需的材料、设备和工具,确保施工进度。
4. 搭建临时设施,如施工人员休息室、材料堆放区等,为施工提供便利条件。
施工步骤:1. 安装支撑架:根据设计要求,在建筑物内相应位置安装支撑架,支撑架应保证稳固安全。
2. 安装导轨:在支撑架上安装导轨,导轨的安装要水平牢固,确保排架的稳定。
3. 安装排架:根据管道、电缆等布设计划,将排架按照设计要求进行安装,保证其平整、牢固。
4. 连接端头:在排架的末端和转角处,安装连接端头,确保排架的整体连接紧密。
5. 固定排架:根据需要,使用螺栓、钢丝等固定排架,确保其固定牢固。
6. 检查验收:在排架安装完毕后,进行质量验收,检查排架的安装是否符合要求,是否存在质量问题。
安全措施:1. 施工人员应穿戴个人防护装备,如安全帽、工作服、安全鞋等。
2. 施工现场设置警示标志,确保其他人员不进入施工区域。
3. 施工人员应依照操作规程进行操作,严禁未经培训的人员参与。
4. 安装支撑架时,应确保支撑架的稳定,施工人员不得站在不稳定的支撑架上。
5. 施工过程中,应保持工地的整洁,防止材料堆放区堆放不当导致安全事故。
质量控制:1. 施工过程中,严格按照设计要求进行施工,确保排架的安装精度和质量。
2. 定期进行质量检查,发现问题及时整改。
3. 施工完毕后,进行质量验收,确保排架的安装质量达到设计要求。
以上是排架结构施工方案的基本内容,根据具体施工条件和要求,还需进行详细设计和施工组织设计。
在施工过程中,要严格按照相关规范和操作规程进行操作,保证施工质量和安全。
同时,施工组织要合理,协调好各个部门和单位之间的关系,确保施工进度和质量的顺利进行。
排架施工专项方案一、项目概述:本项目为排架施工项目,主要包括设计、材料采购、施工安装等环节。
通过排架施工,可以达到合理利用空间、提高仓库货物管理效率的目的。
二、施工前的准备工作:1.1设计方案:根据仓库的平面图,设计合理的排架布局方案。
考虑到仓库的功能需求、货物类型、堆放和取放方式等因素,确定最佳的排架布局方案。
1.2材料采购:根据设计方案,采购所需的排架材料。
材料应符合相关标准,并具有足够的承重能力和抗腐蚀性能。
1.3安全检查:对施工现场进行安全检查,确保施工过程中的安全。
三、施工步骤及措施:2.1施工准备:清理施工现场,确保施工区域畅通无阻。
2.2安装立柱:根据设计图纸,安装立柱,并确保垂直度和水平度。
2.3安装横梁:根据设计图纸,安装横梁,并确保与立柱的连接牢固。
2.4安装横撑和斜撑:根据设计图纸,安装横撑和斜撑,以增强排架的稳定性和承载能力。
2.5安装板层:根据设计图纸,安装板层,并确保与横梁的连接牢固。
2.6安装附属设施:根据需要,安装托盘、货架标识等附属设施,以提升货物管理效率。
2.7检查和调整:施工完成后,对排架进行检查,并进行必要的调整,确保排架的安全和功能完整。
四、施工安全注意事项:3.1施工人员必须佩戴安全帽、工作服等个人防护装备,严禁穿拖鞋等不符合要求的服装。
3.2施工现场应设置施工警示标志,避免其他人员误入施工区域。
3.3施工过程中必须严格按照设计方案进行操作,不得擅自更改或省略工序。
3.4施工现场应保持干净整洁,垃圾应及时清理,防止滑倒、磕碰等安全事故的发生。
3.5施工过程中应定期检查排架的安装情况,如发现问题应及时采取措施进行修复。
3.6施工人员应具备一定的技术水平,对设备和材料的使用要有一定的了解和操作经验。
五、施工后的验收标准:4.1排架布局符合设计要求,满足仓库货物管理的需求。
4.2排架安装牢固,立柱和横梁垂直度和水平度符合规范要求。
4.3排架的承重能力满足设计要求,能够承受预期的货物重量。
排架施工方案排架施工方案一、工程概况本项目为某公司办公楼的排架施工工程,施工内容包括安装排架、通线槽、布线管及电缆等。
二、施工准备1. 施工材料准备:购买足够数量的排架、通线槽、布线管、电缆等材料。
2. 施工工具准备:准备常用工具如切割机、螺丝刀、电钻、卷尺等。
3. 环境准备:清理施工现场,确保施工区域干净整洁。
4. 安全准备:施工人员必须佩戴好安全帽、工作服和手套等个人防护装备。
三、施工步骤1. 按照设计图纸确定排架的位置和高度要求。
2. 使用电钻在墙壁上打孔,确保安装位置准确无误。
3. 安装排架:将排架按照设计要求固定在墙壁上,并使用螺丝拧紧,确保牢固稳定。
4. 安装通线槽:根据设计图纸的要求,将通线槽固定在排架上,使用螺丝拧紧。
5. 安装布线管:根据需要,将布线管按照要求进行切割,并连接好各个部分,确保布线管的良好连接。
6. 安装电缆:根据设计要求,将电缆穿过布线管,并连接好各个部分,确保电缆的良好连接。
7. 填充柔性密封材料:将柔性密封材料填充到通线槽和布线管的空隙中,确保线路的密封性和防水性。
8. 清理施工现场:清理施工现场上的杂物和垃圾,保持施工区域的整洁。
四、施工注意事项1. 施工人员必须严格按照设计要求进行施工,以确保排架施工的质量。
2. 施工过程中必须注意安全,遵守操作规程,确保施工人员的人身安全。
3. 施工现场必须保持干净整洁,清理施工现场上的杂物和垃圾及时清理,以免影响施工进度。
4. 施工过程中,要保持与相关部门的沟通,确保施工的顺利进行。
5. 施工结束后,要做好验收工作,确保施工合格并符合设计要求。
五、施工进度安排根据施工量和工人数量,预计本项目的施工工期为5天。
六、工程质量控制1. 施工人员必须具备相关的资质和经验,能够按照设计要求进行施工。
2. 施工过程中,必须使用优质的材料和工具,以确保工程质量。
3. 完工后进行验收,确保施工合格并符合设计要求。
以上为排架施工方案,希望能对您的工作有所帮助。
排架结构施工方案1. 引言本文档旨在介绍排架结构的施工方案。
排架结构是一种常见的构筑物,常用于仓库、工厂等场所,用于存放和支撑货物。
本文将从材料准备、施工流程和注意事项三个方面进行详细介绍。
2. 材料准备在进行排架结构的施工之前,我们需要准备以下材料和工具:•钢管:根据设计要求,选择合适尺寸和材质的钢管。
•螺栓和螺母:用于连接钢管的螺栓和螺母。
•扳手和扳手套筒:用于紧固螺母的工具。
•手电钻:用于在钢板上打孔。
•固定硬件:用于固定排架结构的螺栓、膨胀螺丝等。
•安全设备:包括安全帽、安全带、手套等,用于施工过程中的人身安全保护。
3. 施工流程3.1 施工准备首先,我们需要在施工现场确定排架结构的布局和尺寸,根据设计图纸进行标点和放线。
在布局确定后,我们开始进行具体的施工准备工作。
1.清理施工现场,确保没有杂物和障碍物。
2.按需搭建脚手架,以提供施工操作的便利性。
3.检查材料的数量和完整性。
3.2 安装底座排架结构的底座是承受重量和提供稳定支撑的重要组成部分。
安装底座的步骤如下:1.在地面上标出底座的位置并打好基准点。
2.根据设计要求,将底座固定在地面上,并确保水平。
3.使用水平仪进行校准,调整底座的水平度。
3.3 安装梁柱梁柱是排架结构的主要支撑构件。
安装梁柱的步骤如下:1.将钢管切割成合适的长度,并使用螺栓和螺母将其连接在一起。
2.使用扳手和扳手套筒紧固螺栓和螺母,确保结构牢固。
3.将梁柱安装在底座上,并需要采取固定硬件将其固定。
3.4 安装层板层板是用于存放货物的组件,安装层板的步骤如下:1.将钢板按照设计要求切割成合适的尺寸。
2.使用手电钻在钢板上打孔,以便与梁柱连接。
3.使用螺栓和螺母将钢板与梁柱连接,并使用扳手和扳手套筒紧固连接件。
3.5 安全检查施工完成后,需要进行安全检查以确保排架结构的稳定和安全性。
安全检查的步骤如下:1.检查底座的固定情况,确保其稳定性。
2.检查梁柱的连接件,确保紧固度和稳固性。
排架结构厂房施工组织设计一、前期准备工作1.项目概述本项目是一座排架结构厂房,用于工业生产或仓储等用途。
建筑面积约XXXX平方米。
主要包括厂房主体结构、地基基础、屋面、外墙装饰等。
2.组织机构项目组成员包括项目经理、施工队长、施工人员、安全员、质检员等。
项目经理负责项目全面管理,施工队长负责具体的施工操作,施工人员按照指示进行施工,安全员负责安全监管,质检员负责质量把关。
3.施工计划根据施工工艺和项目需求,制定详细的施工计划。
首先确定施工的起止日期,然后按照工序进行排期,确保施工的合理顺序和时间节点。
4.人员安排根据项目规模和工期,确定所需的工人数量和工种。
并根据施工计划,合理安排人员的工作时间和轮班。
二、施工工艺1.基础施工地基基础是保证建筑物稳定性的重要组成部分。
首先进行地质勘察,确定地质情况,然后进行基坑开挖和土方平整。
接着进行土方回填和压实,最后进行地基基础的浇筑和固化。
2.主体结构施工主体结构的施工主要包括排架立柱和梁的安装。
首先按照设计图纸确定立柱和梁的位置和数量,然后进行材料的采购和加工。
接着进行立柱的安装,包括立柱的定位、抬设和固定。
最后进行梁的安装,包括梁的吊装、定位和连接。
3.屋面施工屋面施工主要包括屋面材料的安装和防水处理。
首先进行屋面材料的采购和加工,然后进行屋面材料的安装,包括板材的铺设和瓦片的铺贴。
接着进行防水层的处理,包括防水涂料的刷涂和防水卷材的铺设。
4.外墙装饰外墙装饰主要包括外墙保温和装饰面板的安装。
首先进行外墙保温材料的采购和加工,然后进行保温层的施工,包括保温材料的粘贴和涂抹。
接着进行装饰面板的安装,包括面板的定位、固定和修饰。
5.其他工程除了主要的施工工艺,还需考虑一些辅助工程,如电气工程、管道工程、消防工程等。
对于电气工程,首先根据设计图纸进行线路的敷设和配电箱的安装。
对于管道工程,首先进行管道材料的采购和加工,然后进行管道的铺设和连接。
对于消防工程,首先进行消防设备的采购和安装,然后进行消防管道的铺设和喷淋头的安装。
某钢排架结构厂房施工组织设计一、工程概况本工程为湖南湘潭梅塞尔气体产品有限公司3#空分项目土建工程,地处湘潭岳塘区五星村。
本工程层数为跨度24米排架结构工业厂房(建筑物平面形状为矩形,檐高15.8米,总高度20.95米)、容积1050立方米水池、跨度6.9米泵房以及若干设备基础组成。
该工程由中国天辰化学工程公司设计。
(一)结构部分1、地下结构:冷箱基础的基础由63根Φ450的灌注桩组,墙体基础为砖砌条形基础,厂房基础为杯形独立基础。
2、地上主体结构:厂房采用排架结构,预制钢筋混凝土柱、钢屋架、大型屋面板。
泵房采用混合结构,楼板为现浇楼板。
3、墙体:墙体为M5混合砂浆砌筑。
(二)建筑部分1、楼地面(1)部分地面:水泥地面。
(2)厂房地面:设计没有说明。
2、内墙面(1)内墙面:泵房墙面做法为:15厚1:1:6水泥石灰砂浆打底,5厚1:0.5:3水泥石灰砂浆中层,面层为二遍内墙涂料。
厂房内墙装修没有说明。
3、外墙装饰:水泥砂浆,刷外墙涂料。
4、顶棚:泵房做法为:15厚1:1:6水泥石灰砂浆打底,5厚1:0.5:3水泥石灰砂浆中层,面层为二遍内墙涂料。
厂房内墙装修没有说明。
5、门窗(泵房部分):门:门为塑钢门,窗:外窗均为塑钢窗。
玻璃为5厚白色浮法玻璃。
(三)防水工程泵房防水为柔性防水层,小型架空隔热板隔热。
(四)安装工程给排水:不在本次招标范围。
电器:不在本次招标范围。
二、施工条件本工程地处湘潭岳塘区五星村(梅塞尔气体产品有限公司厂区内),交通便利,场地平整,水、电线路接入工地,供水管径及供电容量均满足施工要求,施工场地较大,可灵活进行施工平面布置。
三、工程承包范围按设计图纸和招标文件及相关补充资料内容,承包形式为包工包料。
四、工程特点1、本工程有排架结构、砖混结构、大型水池和大型设备基础,故材料运输量大。
2、工程质量要求高,结构的吊装、混凝土的浇灌、设备基础螺栓孔的预留以及屋面的防水等,为工程施工的重点,施工时重点把好质量关。
某钢排架结构厂房施工组织设计一、工程概况本工程为湖南湘潭梅塞尔气体产品空分工程土建工程,地处湘潭岳塘区五星村。
本工程层数为跨度米排架结构工业厂房〔建筑物平面外形为矩形,檐高米,总高度米〕、容积立方米水池、跨度米泵房以及假设干设备根底组成。
该工程由中国天辰化学工程公司设计。
〔一〕结构局部、地下结构:冷箱根底的根底由根Φ的灌注桩组,墙体根底为砖砌条形根底,厂房根底为杯形独立根底。
、地上主体结构:厂房采纳排架结构,预制钢筋混凝土柱、钢屋架、大型屋面板。
泵房采纳混合结构,楼板为现浇楼板。
、墙体:墙体为混合砂浆砌筑。
〔二〕建筑局部、楼地面〔〕局部地面:水泥地面。
〔〕厂房地面:设计没有讲明。
、内墙面〔〕内墙面:泵房墙面做法为厚水泥石灰砂浆打底厚水泥石灰砂浆中层,面层为二遍内墙涂料。
厂房内墙装修没有讲明。
、外墙装饰:水泥砂浆,刷外墙涂料。
、顶棚:泵房做法为厚水泥石灰砂浆打底厚水泥石灰砂浆中层,面层为二遍内墙涂料。
厂房内墙装修没有讲明。
、门窗〔泵房局部〕:门:门为塑钢门,窗:外窗均为塑钢窗。
玻璃为厚白色浮法玻璃。
〔三〕防水工程泵房防水为柔性防水层,小型架空隔热板隔热。
〔四〕安装工程给排水:不在本次招标范围。
电器:不在本次招标范围。
二、施工条件本工程地处湘潭岳塘区五星村〔梅塞尔气体产品厂区内〕,交通便利,场地平坦,水、电线路接进工地,供水管径及供电容量均满足施工要求,施工场地较大,可灵活进行施工平面布置。
三、工程承包范围按设计图纸和招标文件及相关补充资料内容,承包形式为包工包料。
四、工程特点、本工程有排架结构、砖混结构、大型水池和大型设备根底,故材料运输量大。
、工程质量要求高,结构的吊装、混凝土的浇灌、设备根底螺栓孔的预留以及屋面的防水等,为工程施工的重点,施工时重点把好质量关。
、本工程位于梅塞尔气体产品厂区内,为保证工厂的正常生产,文明施工要求高。
、本工程施工时做好各部位的平安防护工作,真正做到平安施工。
五、施工部署〔一〕施工目标依据我公司类似工程经历,多年施工经验,决定将本工程作为我公司年度的创优和形象工程,将投进施工经验丰富的施工人员、优秀治理人员、全新的周转材和施工机具,以优质效劳确保本工程到达以下各施工目标:、工程质量─确保到达国家建筑安装工程质量检验评定标准的优良标准。
一编制依据1、施工图2、主要法规3、主要规程规范4.主要标准5.其它二、工程简况本工为**********工程,工程地点位于*********长春北路西端。
其中1#厂房建筑面积为16149.99平方M,2#厂房建筑面积为16210.94平方M,3#厂房建筑面积为17022.31平方M,1#2#3#厂房总建筑面积为49383.24平方M。
1#、2#厂房建筑层数为一层,3#厂房建筑层数为一层,局部二层,檐口高度为8M。
工程详细特征:本工程结构类型为单层钢筋砼排架结构,基础为C30钢筋混凝土杯型基础,基础埋深-3.65M,围护填充墙采用240厚烧结页岩砖砖砌体;基础防潮层用1:2.5水泥砂浆掺5%防水剂20厚。
地面采用钢筋砼地面,做法为30cm厚6%水泥稳定土,20cm厚C25钢筋砼地面,面层为耐磨面层。
楼面采用300*300瓷质防滑地砖面层。
屋面:维护材料采用双层彩钢板,外板为YX52-475-475型0.53厚热镀铝锌彩钢板,内衬75mm厚容重为16g/m3,导热系数为K=0.043的欧文斯科宁玻璃丝保温棉(F40铝箔贴面),内板为V900型0.4mm 厚彩钢板。
悬挑雨棚采用单层YX52-475-475型0.53厚热镀铝锌彩钢板。
屋面采光板采用复合型FRP双层AMPELITE301采光板,高透光低热穿透力。
天沟采用1.5厚不锈钢天沟。
本工程计划工期为150天。
在结构施工阶段之前,务必将施工用水、用电及施工道路等现场条件准备就绪。
三、施工布置、方案3.1 工期、质量目标:本工程总工期为150天。
在工期管理上我公司将科学管理,精心安排,对总目标进行制定月、旬、周工作计划,每天召开生产协调会,及时处理影响工期、质量、安全等工程的问题,合理安排时间,缩短工期。
质量目标:合格3.2 工程任务安排、施工组织机构设置:本工程由于工程量大、尤其砼工作量大,工期特别紧张。
公司对此工程非常重视,经研究决定成立工程工程组完成该施工任务,由公司具有丰富施工经验的工程经理亲自任工程总指挥,安排施工现场,公司将成立总工程经理部,下设技术、质量、安全、材料、计划、设备、财务等职能机构,针对该工程特点,公司将安排七个工程分工程部,分别为1#、2#、3#厂房土建工程部、水电暖安装工程部、1#、2#、3#厂房钢结构制作安装工程部。
(建筑工程管理)排架结构厂房施工方案一编制依据1、施工图2、主要法规3、主要规程规范4.主要标准5.其它二、工程概况本工为**********工程,工程地点位于*********长春北路西端。
其中1#厂房建筑面积为16149.99平方米,2#厂房建筑面积为16210.94平方米,3#厂房建筑面积为17022.31平方米,1#2#3#厂房总建筑面积为49383.24平方米。
1#、2#厂房建筑层数为一层,3#厂房建筑层数为一层,局部二层,檐口高度为8米。
工程详细特征:本工程结构类型为单层钢筋砼排架结构,基础为C30钢筋混凝土杯型基础,基础埋深-3.65米,围护填充墙采用240厚烧结页岩砖砖砌体;基础防潮层用1:2.5水泥砂浆掺5%防水剂20厚。
地面采用钢筋砼地面,做法为30cm厚6%水泥稳定土,20cm厚C25钢筋砼地面,面层为耐磨面层。
楼面采用300*300瓷质防滑地砖面层。
屋面:维护材料采用双层彩钢板,外板为YX52-475-475型0.53厚热镀铝锌彩钢板,内衬75mm厚容重为16g/m3,导热系数为K=0.043的欧文斯科宁玻璃丝保温棉(F40铝箔贴面),内板为V900型0.4mm厚彩钢板。
悬挑雨棚采用单层YX52-475-475型0.53厚热镀铝锌彩钢板。
屋面采光板采用复合型FRP双层AMPELITE301采光板,高透光低热穿透力。
天沟采用1.5厚不锈钢天沟。
本工程计划工期为150天。
在结构施工阶段之前,务必将施工用水、用电及施工道路等现场条件准备就绪。
三、施工布置、方案3.1工期、质量目标:本工程总工期为150天。
在工期管理上我公司将科学管理,精心安排,对总目标进行制定月、旬、周工作计划,每天召开生产协调会,及时处理影响工期、质量、安全等项目的问题,合理安排时间,缩短工期。
质量目标:合格3.2工程任务安排、施工组织机构设置:本工程由于工程量大、尤其砼工作量大,工期特别紧张。
公司对此项目非常重视,经研究决定成立工程项目组完成该施工任务,由公司具有丰富施工经验的项目经理亲自任工程总指挥,安排施工现场,公司将成立总项目经理部,下设技术、质量、安全、材料、计划、设备、财务等职能机构,针对该工程特点,公司将安排七个工程分项目部,分别为1#、2#、3#厂房土建项目部、水电暖安装项目部、1#、2#、3#厂房钢结构制作安装项目部。
某工程除锈工段、成品包装工段施工方案1项目概况本项目为xxxx建设工程的除锈工段和成品包装工段等二个单位工程。
成品包装工段约1347.21㎡,装配式钢筋混凝土排架结构,基础形式为柱下独立基础,○1~○4轴线钢筋混凝土屋面梁,预应力混凝土屋面板,○4~○7轴线钢结构屋架,预应力混凝土屋面板。
除锈涂装工段约2328.07㎡,由除锈车间和空压机站组成,均为单层厂房,建筑高度11.5m,除锈车间为装配式钢筋混凝土排架结构,钢筋混凝土屋面梁,预应力混凝土屋面板;空压机站为一层钢筋混凝土框架结构。
2施工布置本项目布置主要考虑预制构件布置,成品包装工段主要考虑原地预制,避免预制构件吊装二次倒运。
除锈车间预制构件拟采用总装工场已安装好的港吊吊运,预制件预制场布置在总装工场港吊起吊范围内。
具体布置件预制件布置图(见附图)3施工准备3.1钢筋3.1.1钢筋加工1、机械设备钢筋调直机、切断机、弯曲成型机、弯箍机、对焊机、电弧焊机及相应吊装设备。
2、材料各种规格、各种级别的钢筋,必须有出厂质量证明书(合格证)。
进厂(场)后须经物理性能检定。
3.1.2 钢筋绑扎安装1、材料钢筋:有出厂合格证、按规定作力学性能复试。
成型钢筋:必须符合配料单的规格、尺寸、形状、数量。
铁丝:可采用20~22号镀锌铁丝(铅丝)。
铁丝切断长度要满足使用要求。
垫块:水泥砂浆垫块,垫块厚度等于保护层厚度。
2、主要机具:钢筋钩子、撬棍、扳子、绑扎架、钢丝刷子、手推车、粉笔、尺子等。
3.2模板3.2.1材料1.木胶合板:规格1220×244×18mm;2.方木:规格40×90mm;3.钢管:直径ø48,壁厚3.5mm;4.穿墙螺栓:规格ø12;5. 3型扣件;3.2.2作业条件在图纸会审后,根据工程特点、计划工期及现场环境等完成分部分项混凝土结构,尤其是预制构件的模板设计和模板配料工作。
根据模板的设计图,放好模板的边线、水平控制标高,用水准仪把建筑物水平标高根据实际标高的要求,直接引测到模板安装位置。
按施工需用的模板及配件对其规格数量逐项清点检查。
3.3混凝土3.3.1材料要求选用P.O32. 5、P.O42. 5水泥,其中,C40以上混凝土采用P.O42. 5水泥,进场后按批次和批量取样复试,复试合格后按品种等级、批号和出厂日期分别堆放,并做好标识。
选用5~20mm的碎石,并进行颗粒级配、含泥量及针片状含量检验。
含泥量大于1%的石子使用前用洁净的水清洗干净。
水的质量标准:符合饮用水标准。
砂子选用中粗砂,含泥量不大于5%。
3.3.2主要机具50*100木方、2440MM×1220MM×18MM木胶合板、JS1000混凝土拌和机系统、ZL50装载机、插入式软轴振捣器、平板振动器、钢管、扣件、HB80混凝土泵。
4主要项目施工方法4.1基础工程施工4.1.1基础施工工序工艺流程:场地平整→测量放样→机械开挖→人工修整→验槽→垫层施工→弹线放样→基础钢筋绑扎→基础模板安装→基础砼浇筑→养护→回填土由于除锈工段施工场地所限,为不应向总装工场排水沟、电缆沟、探伤房等的正常施工,在综合生活楼到总装工场的西侧通道未打通之前,除锈工段先施工空压机站及除锈车间的○3、○4轴线基础,○3、○4轴线基础出地面或综合生活楼到总装工场的西侧通道打通后再施工○5基础。
4.1.2基础抄平放线1. 基础根据基础平面图按建(构)筑物的轴线定位,连接相应的轴线,计算开挖放坡坡度(或采用坑壁支护开挖坡度),定出开挖边线位置。
2. 用水准仪把相应的标高引测到水平桩或轴线上,并画标高标记。
3.基坑开挖完成后,基坑坑底开挖宽度应通线校核,坑底深度应经水平标高校核无误后,并把轴线和标高引移到基坑,在基坑中设置轴线,基础边线及高程标记有垫层的应在垫层面上放出(弹墨线)墙或基础平面尺寸。
4.基础模板完成后应按设计图纸要求校核模板安装的几何尺寸,在模板周边放出基础面的标高线,在柱的竖向钢筋上用红油漆标示,墙、柱的轴线和边线标记,应延长线引至基础边线外,方便施工复核。
4.1.3基础土方工程4.1.3.1基础土方开挖本工程采用机械开挖结合人工修整,现场配置1台1m3反铲挖掘机机械挖土,将达到基底设计标高150mm时,留下用人工开挖、清理。
1.主要机具:1)挖土机械有:1m3反铲等。
2)一般机具有:铁锹(尖、平头两种)、手推车、小白线或20号铅丝和钢卷尺以及坡度尺等。
2.作业条件:1)土方开挖前,应根据施工方案的要求,将施工区域内的地下、地上障碍物清除和处理完毕。
2)建筑物或构筑物的位置或场地的定位控制线(桩)、标准水平桩及开槽的灰线尺寸,必须经过检验合格;并办完预检手续。
3)夜间施工时,应有足够的照明设施;在危险地段应设置明显标志,并要合理安排开挖顺序,防止错挖或超挖。
3.工艺流程确定开挖的顺序和坡度→分段分层平均下挖→修边和清底。
4.挖基坑(槽)时,应合理确定开挖顺序、路线及开挖深度。
在开挖过程中,应随时检查槽壁和边坡的状态。
深度大于1.5m时,根据土质变化情况,应做好基坑(槽)或管沟的支撑准备,以防坍陷。
开挖基坑(槽)不得挖至设计标高以下,如不能准确地挖至设计基底标高时,可在设计标高以上暂留一层土不挖,以便在抄平后,由人工挖出。
4.1.3.2 基础土方回填基础及空压机站基础梁施工完成后及时回填。
回填土采用土质良好、无有机杂质的粘土。
蛙式打夯机分层夯实,分层厚度控制不超过250mm,控制好回填土的含水率,以免产生“橡皮土”现象。
按规范要求现场取样进行土的干容重测试,以确保其压实系数不小于0.95。
土方回填时,应注意在基坑相对两侧同时进行,每300mm夯压一遍。
杯型基础柱基坑、基础梁土方回填应根据需要择时择地回填,并注意保护好杯口,不能将土等杂物掉进杯口内。
4.1.4基础钢筋工程4.1.4.1基础钢筋绑扎施工方法和施工措施(1)工艺流程:划钢筋位置线→运钢筋到使用部位→绑钢筋(2)划钢筋位置线:按图纸标明的钢筋间距,算出底板实际需用的钢筋根数,一般让靠近底板模板边的那根钢筋离模板边为5cm,在底板上弹出钢筋位置线(包括基础梁钢筋位置线)。
(3)绑基础钢筋1)按弹出的钢筋位置线,先铺底板下层钢筋。
根据底板受力情况,决定下层钢筋哪个方向钢筋在下面,一般情况下先铺短向钢筋,再铺长向钢筋。
2)钢筋绑扎时,靠近外围两行的相交点每点都绑扎,中间部分的相交点可相隔交错绑扎,双向受力的钢筋必须将钢筋交叉点全部绑扎。
如采用一面顺扣应交错变换方向,也可采用八字扣,但必须保证钢筋不位移。
3)摆放混凝土保护层用砂浆垫块,垫块厚度等于保护层厚度,按每1m左右距离梅花形摆放。
如基础底板较厚或基础梁及底板用钢量较大,摆放距离可缩小,甚至砂浆垫块可改用铁块代替。
4)基础采用双层钢筋时,绑完下层钢筋后,摆放钢筋马凳或钢筋支架(间距以1m左右一个为宜),在马凳上摆放纵横两个方向定位钢筋,钢筋上下次序及绑扣方法同底板下层钢筋。
5)钢筋如有绑扎接头时,钢筋搭接长度及搭接位置应符合施工规范要求,钢筋搭接处应用铁丝在中心及两端扎牢。
如采用焊接接头,除应按焊接规程规定抽取试样外,接头位置也应符合施工规范的规定。
6)由于基础及基础梁受力的特殊性,上下层钢筋断筋位置应符合设计要求。
4.1.4.2钢筋拟安排在现场制作,钢筋可考虑三轮车运输,人工传送。
4.1.4.3钢筋的制作、绑扎均应满足设计及规范要求,必须保证受力筋的位置。
浇砼时应有专人护筋。
钢筋弯曲成型,应根据结构构件配筋详图,结合对保护层厚度,接头形成,弯钩及弯折的弯曲直径等要求计算下料尺寸,绘制翻样图,才能进行。
弯曲成型后的钢筋,不得粘油、粘漆或粘泥土等。
钢筋正式焊接前,由承担焊接任务的焊工,按实际操作条件进行试焊,以确定合理的工艺参数并制定焊接注意事项。
此项试焊应多做几次,直到按检查方法试验合格后,方可正式成批焊接。
成批焊接前,应按规定作班前试焊,经外观检查合格后,再行施焊。
4.1.4.4钢筋绑扎要求1.钢筋的交叉点应用铁丝绑扎牢,每一扎点要拧转二圈半。
2.单向受力钢筋网,除周围两行钢筋的交叉点应全部扎牢外,中间部分可隔一点扎一点,但铁丝绑扎方向必须互相成八字形。
双向受力钢筋网,所有钢筋交叉点必须全部扎牢。
3.箍筋应与受力钢筋相互垂直,箍筋弯钩叠合处,应沿受力钢筋方向错开设置。
4.钢筋绑扎接头的搭接长度要符合规定,搭接处应在中心和两端用铁丝扎牢。
受力钢筋的绑扎接头位置要相互错开,并不位于构件最大弯矩处。
5.钢筋绑扎安装完毕后,应检查配置的钢筋级别、直径、根数和间距是否符合设计要求。
绑扎或焊接钢筋网和钢筋骨架如有变形、松脱和开焊现象,应及时修理完好。
混凝土保护层厚度要保证,应在竖向钢筋外侧和水平钢筋下与模板的间隙处垫以水泥砂浆垫块,不得用石子胡塞,也不得采取边浇混凝土边提拉钢筋的办法。
4.1.5基础模板工程模板工程拟在现场制作安装,柱基础采用木模板现场拼装。
纵横向背方采用Φ48×3.5钢管。
模板安装应与钢筋绑扎密切配合,对预埋件,应先在模板的相应部位划线作标记,然后将预埋件等在模板上加以固定。
模板安装时,要保证其平整度和正确性,模板支撑系统必须有足够的稳定性。
砼浇筑前24h应对模板淋水,并用油毡纸或小木板堵缝,以免漏浆。
模板的拆除应严格按规范要求,并在砼施工时,留置两组试块,同条件养护,作为拆模的依据。
砼若未达到强度要求,不得提前拆模。
4.1.6基础砼工程砼采用泵送混凝土,并按规定取样送检。
砼的振捣采用插入式振动棒,采用“快插慢拔”的方法。
砼浇捣前必须对钢筋、预留预埋等进行全面认真复核,做好隐蔽验收记录,并经签字认可后方准浇捣砼。
砼要按规范要求留置足量的试块,取样随机从每盘砼中抽取。
各不同部位试块分别留置。
4.1.7杯形基础施工的质量控制杯形基础基槽挖好后,在混凝土浇灌前应先进行验槽,轴线、基坑尺寸和土质符合设计规定。
坑内浮土、积水、淤泥、杂物应清除干净。
在基坑验槽后应立即浇灌垫层混凝土,以避免岩石受水浸泡软化而降低强度。
安装模板前,先复查标高及中心线位置,弹出边线,基础模板面标高应符合设计要求。
杯形基础采用木模,在模板的顶部中间装杯芯模板,采用木板直板拼钉,外包白铁皮。
为了确保木模的位置的正确,丈模前需根据基础中心线位置拉两根十字相交的麻线;另外,在杯口的侧模的上口及杯芯壳子的上表面立模前也均划出中心线位置。
支模时,不但应控制基础中心线的位置,还应控制杯口面及杯底的标高,杯口外侧模是用吊筋固定于搁在基坑两边的长木上。
脚手板不能搁置在基础模板上。
杯芯模板的拆除,要掌握砼的凝固时间,一般在初凝前后即可用锤轻打、撬棒撬松。
为便于装拆,杯芯模板做成敞口式的定型成套模板,不加底模,砼浇灌时少量的砼由底部涌入,在砼浇灌过程中及初凝前要指派专人将涌入芯模底部的砼及时清除干净,达到杯底平整,以免造成芯模被砼咬住而取不出。